Next Article in Journal
The Conversion of Ethanol to Syngas by Partial Oxidation in a Non-Premixed Moving Bed Reactor
Previous Article in Journal
Analysis of the Selected Design Changes in a Wheel Hub Motor Electromagnetic Circuit on Motor Operating Parameters While Car Driving
 
 
Font Type:
Arial Georgia Verdana
Font Size:
Aa Aa Aa
Line Spacing:
Column Width:
Background:
Article

Experimental Study on the Alternate Oil Displacement Mechanism of CO2 and Modified Water in Low-Permeability Oil Layers

by
Shupei Zhao
1,
Meilong Fu
1,*,
Jun Chen
2,
Zhaoxing Li
1,
Jiayi Lin
1,
Shuo Zhang
1 and
Pengju Wang
1
1
College of Petroleum Engineering, Yangtze University, Wuhan 430100, China
2
Drilling and Production Technology Research Institute, PetroChina Qinghai Oilfield Company, Jiuquan 736202, China
*
Author to whom correspondence should be addressed.
Energies 2024, 17(23), 6092; https://doi.org/10.3390/en17236092
Submission received: 22 September 2024 / Revised: 5 November 2024 / Accepted: 26 November 2024 / Published: 3 December 2024
(This article belongs to the Section H: Geo-Energy)

Abstract

Alternating carbon dioxide and water flooding can not only seal greenhouse gases, but also combine the advantages of water flooding and carbon dioxide flooding, and can well control mobility and stabilize the displacement front, thereby greatly improving the macro-replacing efficiency. In order to further improve the development effect of water–carbon dioxide alternating flooding, this paper, based on sufficient collection of the literature, research, and analysis, pre-uses modified water instead of water, and deeply explores and studies the impact of modified water–carbon dioxide alternating flooding on the improvement of development effect and the mechanism of enhancing oil recovery in low-permeability reservoirs. The main work completed is as follows: (1) A comparative experiment of multiple groups of sand-filled tubes with different displacement media, modified water concentrations, and injection plug sizes was conducted under the conditions of simulating reservoir formation temperature of 70 °C and formation pressure of 18 MPa, and the optimal scheme and injection parameters of alternating modified water and carbon dioxide flooding were rationally selected. The results show that the alternating flooding of modified water and carbon dioxide in low-permeability reservoirs can significantly improve the development effect. The optimal injection parameters are a formulation concentration of 0.3% and an injection method of alternating a 0.1 PV slug injection of carbon dioxide and modified water. (2) Using Berea cores instead of sand-fill tubes, a comparative experiment of alternating oil displacement using carbon dioxide and modified water was carried out under the same experimental conditions. Nuclear magnetic resonance measurements were performed on five of the cores to analyze the microscopic oil displacement mechanisms of different displacement media. The results show the following: nuclear magnetic resonance testing shows that carbon dioxide displacement can greatly improve the oil recovery efficiency in tiny pores (about 47.43%); alternating injection can further improve the oil recovery efficiency in tiny pores (about 70.6%); and modified water can improve the oil recovery efficiency in larger pores (about 56.47%).

1. Introduction

The salient characteristics of low-permeability reservoirs are “low permeability, low pressure gradient, and low reserve abundance”, which leads to problems such as low recovery rate and low oil production rate in low-permeability reservoirs [1,2,3]. Due to current development technology, it has been difficult to replenish energy in low-permeability reservoirs, and the effect of water flooding has always been at a disadvantage [4,5]. As a result, the recovery rate of oil reservoirs is usually low, generally around 20%. It is estimated that more than 65% of the original reservoir remains untapped after the primary and secondary recovery phases [6]. Therefore, an effective oil recovery method is needed for tertiary oil recovery to displace the remaining oil in the reservoir. At present, the tertiary oil recovery technologies in oil fields mainly include gas injection oil recovery technology, chemical oil recovery technology, microbial oil recovery technology, thermal oil recovery technology, and physical oil recovery technology [7]. Due to the low interfacial tension between oil and gas, gas injection has higher microscopic displacement efficiency [8]. Svreek and Mehrotra found that CO2 has the greatest solubility, followed by CH4 and N2 the least, making CO2 the best choice for reducing the viscosity of crude oil. Studies at home and abroad have shown that using carbon dioxide for tertiary oil recovery can increase the recovery rate by 15–25% [9]. The lower density of CO2 compared to oil, even at high pressures, can lead to gravitational overpressure of CO2, which reduces recovery in the lower part of the reservoir. Under normal reservoir conditions, the viscosity of liquid CO2 and supercritical CO2 (scCO2) is between 0.05 and 0.1 cp, which is much lower than the general viscosity of in situ oil and brine, resulting in poor flow comparison. As a result, viscous fingering has led to other problems, including early CO2 breakthroughs, high CO2 utilization, and reduced oil production [10]. The research shows that CO2 water–gas alternating flooding can greatly improve the oil recovery of the reservoir. As a combined method of CO2 and water flooding, water injection will weaken the flow ability of CO2 in the formation, avoid the occurrence of rapid gas channeling of CO2, and then achieve a more balanced displacement, increase the sweep coefficient, and achieve a more ideal oil displacement effect. WAG is considered a reliable method to improve oil recovery by combining the advantages of water flooding and gas injection. In the WAG process, gas provides higher microscopic sweep efficiency, while the presence of water improves macroscopic sweep efficiency [11]. The occurrence of rapid gas channeling can achieve a more balanced displacement, increase the sweep coefficient, and achieve a more ideal oil displacement effect. At the same time, part of the carbon dioxide is geologically stored during the oil displacement process, which has certain environmental protection significance.
Surfactant flooding is a high-efficiency approach to enhance oil recovery and has a wide range of applications [12]. The mechanism of surfactant flooding activates the residual oil in reservoir pores by interfacial tension (IFT) reduction, emulsification, and wettability alteration [13]. The reduction in interfacial tension can increase the number of capillaries, reduce the mobilization energy of crude oil, and promote the flow of residual oil trapped in the porous media [14]. As a result, residual oil saturation is drastically decreased. Emulsification can produce oil-in-water (O/W) and water-in-oil (W/O) emulsions. The latter are prone to increasing the sweep coefficient by plugging and entrainment effects [15]. Meanwhile, the mechanism for O/W emulsions is directly related to the size of oil droplets and the structure of pore throats [16]. Wettability alteration is an effective means to mobilize residual oil. In addition, the mobilization and migration behavior of crude oil is quite different under diverse wetting conditions. Changing the wettability of solid surfaces from oleophilic or hydrophilic to neutral is more favorable for the mobilization of crude oil, which will be transported away after the wettability transformation (Liu and Wang, 2020, 2022) [17].
M. E. Kuo [18] et al. used numerical simulation to comparatively study the recovery of different gas/water ratios and different slug sizes (gas/water ratio: 1:2, 1:1, and 2:1; slug size 0.3 PV~0.6 PV) efficiency effect, and, finally, the experimental results with the best recovery rate were gas/water ratio 1:1 and slug size 0.5 PV. Attanucci [19,20] also used numerical simulation to study the development effects of suitable combinations of different gas/water ratios. They adjusted the water/gas ratio from the initial 1:1 to 2:1, then to 3:1, and, finally, performed continuous water flooding experiments to show that this method effectively suppresses the rapid increase in the gas/oil ratio. Li Mengtao [21] and others also conducted long-core experiments under miscible conditions and concluded that CO2 injection in the early and middle stages of water flooding has a better effect on improving oil recovery. Cao Jinren et al. [22] used digital modeling software (CMG IMEX2002) to study the impact of CO2 injection timing and found that 50–60% is a reasonable gas injection timing [23,24]. Xie Xiaoqing et al. [25], when studying the impact of water injection timing, first used experimental methods to study the relationship between pressure and permeability changes due to the severe stress sensitivity of low-permeability reservoirs, and used this relationship to correct and improve the material balance equation. Yang Yan et al. [26] also used long-core laboratory experiments to conduct experimental research on conversion to gas flooding with different moisture contents. In short, most of the previous research on CO2–water alternating injection parameters only focused on the gas/water ratio, slug size, and parameters such as injection speed, which were comparatively analyzed.
While CO2–water alternating injection can significantly enhance oil recovery, previous research has often focused on a limited range of injection factors, leading to insufficient demonstrations. This paper aims to expand on prior studies by optimizing CO2–water alternating injection parameters across different displacement media, concentrations, and slug sizes. The goal is to strengthen the conclusion that CO2–water alternating injection effectively improves oil recovery. At the same time, Bailey cores were used instead of sand-filled pipes to conduct a comparative experiment of alternating flooding of carbon dioxide and modified water under the same experimental conditions, and nuclear magnetic resonance measurements were performed on five of the cores to analyze the microscopic flooding mechanism of different displacement media.

2. Experiments

2.1. Experimental Materials

The Betaine activator and heavy alkyl benzene petroleum sulfonate activator were purchased from Aladdin Reagent Co., Ltd. (Shanghai, China). Active agent ratio: betaine 30% + heavy alkyl benzene petroleum sulfonate 70%. Betaine activator (30%) and heavy alkyl benzene petroleum sulfonate activator (70%) were selected for their surfactant properties, which improve oil recovery by altering wettability and reducing interfacial tension. These ratios were determined based on preliminary screening tests showing optimal performance in enhancing oil displacement.
Experimental crude oil: The degassed crude oil from the X oilfield was mixed with kerosene to achieve a target viscosity of 12.0 mPa·s to simulate the reservoir conditions of a low-permeability reservoir; the experimental water was sewage; the ion composition and mineralization of the sewage are shown in Table 1; the rock core was made in the laboratory; CO2 gas, purity 99.99%, Wuhan Xinxing Gas Cylinder Co., Ltd. (Wuhan, China); experimental temperature: 70 °C; and test pressure: 18 MPa.
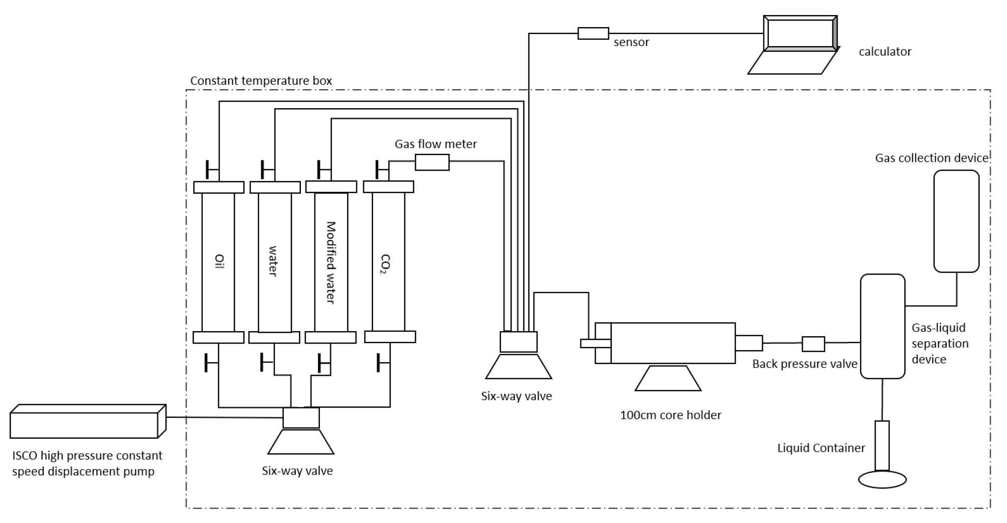
This experiment is mainly divided into four parts: injection, simulation, gas measurement, and data collection. The devices used in the injection part include the following: an ISCO high-pressure constant speed displacement pump, six-way valve, intermediate container, and pressure gauge. The experimental devices of the simulation part include the following: 100 cm core holder, back pressure valve, and thermostat. The devices in the gas measurement part include the following: gas–liquid separation device, liquid container, and gas flow meter. The experimental devices in the data collection part include sensors and calculators. In the injection stage, the ISCO high-pressure constant speed displacement pump ensures precise control of injection rates, while a six-way valve manages fluid direction. During the simulation stage, core samples are placed in a 100 cm core holder, and a thermostat maintains reservoir conditions, allowing us to monitor the displacement effect. In the gas measurement stage, a gas–liquid separation device records CO2 breakthrough points, and sensors collect real-time data on recovery rates and pressures, which are calculated in the final data collection stage. Figure 1 is the experimental flow chart.

2.2. Experimental Method

2.2.1. Oil Displacement with Different Displacement Media

Water flooding, modified water flooding, CO2 flooding, water–CO2 alternating flooding (water/gas ratio 1:1, slug 0.1 PV, and total injection 0.6 PV), and modified water–CO2 alternating flooding (water/gas ratio 1:1). The oil displacement effect was evaluated using five displacement media (active agent concentration: 0.3%, slug: 0.1 PV, and total injection: 0.6 PV).

2.2.2. Different Modified Water Concentrations

Under the condition that the modified water and CO2 injection slug is 0.1 PV and the total injection volume is 0.6 PV, by adjusting the modified water concentration degree, the concentration of modified water is optimized based on its oil displacement effect.

2.2.3. Slug Size Optimization Oil Displacement Experiment

Under the condition that the total amount of modified water and CO2 injected is 0.6 PV and the modified water concentration is 0.3%, the slug size is continuously changed to evaluate the oil displacement effect, and the slug size of alternate injection is optimized.

2.2.4. NMR Analysis

For 5 cores, 5 core NMR tests were carried out after saturation with water, 5 NMR tests after saturated oil-bound water, and different displacement schemes (water flooding, modified water flooding, carbon dioxide flooding, WAG flooding, and modified). The microscopic oil displacement mechanism of different displacement media was analyzed using 5 NMR samples after water–carbon dioxide alternating flooding displacement.

3. Discussion and Analysis

3.1. Comparative Experiment on Oil Displacement Effects of Different Displacement Media

Figure 2, Figure 3, Figure 4, Figure 5 and Figure 6 present the experimental results for the five displacement schemes. Figure 7 represents the comparison of recovery rates under different displacement methods. In Figure 3, modified water flooding improves the wettability of the rock surface and reduces the interfacial tension between water and oil by changing the properties of the injected water (usually by adding surfactants such as betaine). In Figure 4, CO2 injection introduces multiple physical and chemical interactions that enhance oil recovery. CO2 dissolves in the oil, causing it to swell and reduce viscosity. This swelling effect mobilizes trapped oil, allowing it to flow more easily to production wells, resulting in a recovery rate of 46.52%. In Figure 5, water–gas hybrid flooding alternates between water and gas (CO2 in this case) injections, combining the displacement power of water with the mobility control of gas. This alternation helps reduce the tendency of gas to escape through high permeability zones, thereby improving sweep efficiency. In Figure 6, by alternating between modified water and CO2, this method optimizes wettability changes and oil mobility through CO2-induced swelling. This hybrid method achieves the highest recovery rate of 53.64% by leveraging both enhanced wettability from the modified water and reduced viscosity from the CO2. The alternating process ensures that the modified water remains strongly interacting with the rock, while the CO2 continues to improve the mobility of the oil, allowing for a more complete displacement of the oil than with conventional methods. Experiments show that modified water and carbon dioxide alternative flooding in low-permeability reservoirs have obvious improvement and development effects (the water flooding recovery rate is 38.32%, the modified water flooding recovery rate is 43.73%, the carbon dioxide flooding recovery rate is 46.52%, the water and carbon dioxide alternating flooding recovery rate is 49.02%, and the modified water carbon dioxide alternate flooding recovery rate is 53.64%).

3.2. Modified Water Concentration Optimization Oil Displacement Experiment

Figure 8, Figure 9, Figure 10 and Figure 11 show the change curves of recovery factor and water cut as a function of injection volume during modified water and CO2 alternating flooding at different modified water concentrations. In Figure 10, a significant improvement is observed when the modified water concentration reaches 0.3%, with a sharp increase in the recovery factor and a more controlled water cut. This concentration appears to be a turning point, achieving the best balance between reducing interfacial tension and altering rock wettability. The substantial increase in the recovery factor at this concentration suggests that the modified water effectively enhances CO2’s displacement impact. According to the experimental results, it is recommended that the mass concentration of the modified water formula system be 0.3% (when the mass concentration of modified water increases from 0.1% to 0.4%, an obvious inflection point appears at 0.3%).

3.3. Optimization of Slug Size for Oil Displacement Experiment

Figure 12, Figure 13 and Figure 14 show the modified water + CO2 alternating oil when the size of the segment is constantly changing the section of the plug, Figure 15 shows the comparison of recovery effects under different injection slugs. Increasing the slug size to 0.15 PV, as shown in Figure 14, leads to a decrease in displacement efficiency compared to the 0.1 PV slug. The larger volume appears to cause a higher water cut, indicating that excessive slug size may lead to an early breakthrough or unfavorable fluid distribution, reducing the overall sweep efficiency. According to the experimental results, it can be seen that the modified water + CO2 alternate segment is 0.1 PV(when the modified water + CO2 alternate segment has increased from 0.05 PV to 0.1 5 PV, there is a significant inflection point at 0.1 PV).

3.4. Analysis of Magnetic Drives for the Front and Rear Fluid Distribution

Table 2, Table 3, Table 4, Table 5 and Table 6 show the nuclear magnetic resonance results at different experimental stages of five drivers.
Calculating the oil-repellent efficiency under different pores according to the nuclear magnetic resonance results, the calculation formula is as follows:
E T 2 < 1 = P A T 2 < 1 After   displacement P A T 2 < 1 After   saturated   with   oil P A T 2 < 1 After   saturated   with   water P A T 2 < 1 After   saturated   with   oil
E 1 < T 2 < 10 = P A 1 < T 2 < 10 After   displacement P A 1 < T 2 < 10 After   saturated   with   oil P A 1 < T 2 < 10 After   saturated   with   water P A 1 < T 2 < 10 After   saturated   with   oil
E 10 < T 2 < 100 = P A 10 < T 2 < 100 After   displacement P A 10 < T 2 < 100 After   saturated   with   oil P A 10 < T 2 < 100 After   saturated   with   water P A 10 < T 2 < 100 After   saturated   with   oil
E T 2 > 100 = P A T 2 > 100 After   displacement P A T 2 > 100 After   saturated   with   oil P A T 2 > 100 After   saturated   with   water P A T 2 > 100 After   saturated   with   oil
Figure 16 shows the oil-repellent efficiency in different size pores under different schemes. It can be seen that the carbon dioxide drive can greatly improve the efficiency of micropore driving (47.43% of the oil-repellent efficiency). In addition, CO2 oil-driven efficiency in small pores smaller than 1 ms is the highest among water drives and modified water drives, which is higher than water. The drive increases by 20.9%, an increase of 25.9% compared to the modified water drive; in the pores greater than 100 ms, the CO2 oil-driven efficiency is minimized in the water drive and modified water drive, which is 8.3% lower than the water drive at 12.9%. It can be seen from Figure 17 that alternating injection can further improve the oil displacement efficiency in micropores (the oil displacement efficiency reaches 70.6%). In small pores less than 1 ms, the modified water CO2 oil displacement efficiency is the highest, which is 49.2 higher than that of modified water flooding, which is 23.3% higher than that of CO2 flooding. The oil displacement efficiency increases more because the modified water is driven into small pores through the gas slug, thereby improving the displacement efficiency; from Figure 18, it can be seen that alternating injection can further improve the oil-repellent efficiency in the tiny pores (the oil-repellent efficiency is 70.6%). The driving increase is 49.2%, and the CO2 drive is 23.3%. The increase in oil-repellent efficiency is greater because the modified water is driven into the small pores through the gas segmentation to improve the driving efficiency. The oil-repellent efficiency in the pores (56.47%) and the efficiency of modified water repellent in small pores smaller than 1 MS is due to the large amount of molecular weight of the water drive, which is not easy to enter a smaller-sized pore. In the >100 ms pores, the modified water will improve the driving efficiency due to the effect of reducing the tension of the interface.

4. Conclusions

(1)
Enhanced Recovery Efficiency: Among the five displacement methods tested, the modified water + CO2 alternating injection method achieved the highest oil recovery, showing a 15.32% improvement over water flooding, and notable improvements over modified water (9.91%), CO2 flooding (7.12%), and water + CO2 alternating flooding (4.62%).
(2)
Optimized Modified Water Concentration: Experimental optimization of modified water concentration demonstrated that 0.3% mass concentration is optimal for enhanced oil displacement, as an inflection point in recovery efficiency appeared when increasing the concentration from 0.1% to 0.4%.
(3)
Slug Size Optimization: The optimal slug size for modified water + CO2 alternating injection was determined to be 0.1 PV, based on observed improvements in displacement efficiency when increasing the slug size from 0.05 PV to 0.15 PV, with an inflection point at 0.1 PV.
(4)
Micropore and Macropore Utilization: Nuclear magnetic resonance analysis after various displacement methods indicated that CO2 flooding enhances micropore utilization, while modified water flooding boosts macropore oil recovery. The combined modified water + CO2 flooding approach was found to improve both micropore and macropore recovery efficiencies.
These findings underscore the significance of the modified water + CO2 alternating method in optimizing oil recovery, with practical implications for enhancing the efficiency of water-alternating gas (WAG) techniques.

Author Contributions

S.Z. (Shupei Zhao) and M.F. designed and performed a series of experiments; J.C. and Z.L. collated the experimental data; P.W., S.Z. (Shuo Zhang), and J.L. were responsible for supervision. All authors have read and agreed to the published version of the manuscript.

Funding

This study was supported by the General Project of the National Natural Science Foundation of China “Research on mechanisms of high temperature thixotropy of thermosensitive polymer nanofluid”, Sponsored by Baofeng Hou (No. 52074038).

Informed Consent Statement

Informed consent was obtained from all subjects involved in this study.

Data Availability Statement

The data presented in this study are available in the insert article.

Conflicts of Interest

The authors declare that this study received funding from PrtroChina Qinghai Oilfield Company. The funder was not involved in the study design, collection, analysis, interpretation of data, the writing of this article or the decision to submit it for publication.

References

  1. Jia, G. Reservoir water and gas alternate flooding to enhance oil recovery and storage technology. China Pet. Petrochem. 2017, 5, 29–30. [Google Scholar]
  2. Wei, Q. Alternate water and gas flooding to enhance oil recovery technology and application. Technol. Enterp. 2016, 2, 98–99. [Google Scholar]
  3. Hu, W.; Wei, Y.; BAO, J. Development of the theory and technology for low permeability reservoirs in China. Pet. Explor. Dev. 2018, 45, 685–697. [Google Scholar] [CrossRef]
  4. Ma, F.; Wang, Y.; Wang, L. Enhancing Shale Gas Recovery by High-Temperature Supercritical CO2 Flooding. Chem. Technol. Fuels Oils 2013, 49, 4. [Google Scholar] [CrossRef]
  5. Langston, M.V.; Hoadley, S.F.; Young, D.N. Definitive CO2 flooding response in the SACROC Unit. In Proceedings of the SPE Enhanced Oil Recovery Symposium, Tulsa, Oklahoma, 16–21 April 1988; p. SPE 17321. [Google Scholar]
  6. Pancholi, S. Experimental and simulation studies for optimization of waterealternating-gas (CO2) flooding for enhanced oil recovery. Pet. Res. 2020, 7, 227–234. [Google Scholar]
  7. Zhang, Y. Application of tertiary oil recovery and displacement in oilfields. Chem. Eng. Equip. 2023, 4, 84–86. [Google Scholar]
  8. Abdullah, F.; Hasan, N. The implementation of Water Alternating (WAG) injection to obtain optimum recovery in Cornea Field, Australia. J. Pet. Explor. Prod. 2021, 11, 1475–1485. [Google Scholar] [CrossRef]
  9. LI, M. Optimization of alternating injection and production parameters of CO2 iscible flooding and immiscible flooding in ultra-low permeability reservoirs. Unconv. Oil Gas 2021, 8, 60–66. [Google Scholar]
  10. Massarweh, O.; Abushaikha, A.S. A review of recent developments in CO2 mobility control in enhanced il recovery. Petroleum 2022, 8, 291–317. [Google Scholar] [CrossRef]
  11. Chen, S.; Li, H.; Yang, D.; Tontiwachwuthikul, P. Optimal Parametric Design for Water-Alternating-Gas (WAG) Process in a CO2 Miscible Flooding Reservoir. In Proceedings of the Canadian International Petroleum Conference, Calgary, AB, Canada, 16–18 June 2009. [Google Scholar]
  12. Zhao, X.Z.; Liao, G.Z.; Gong, L.Y.; Luan, H.X.; Chen, Q.S.; Liu, W.D.; Liu, D.; Feng, Y.J. New insights into the mechanism of surfactant enhanced oil recovery: Micellar solubilization and in-situ emulsification. Pet. Sci. 2022, 19, 870–881. [Google Scholar] [CrossRef]
  13. Arabloo, M.; Ghazanfari, M.H.; Rashtchian, D. Wettability modification, interfacial tension and adsorption charac-teristics of a new surfactant: Implications for enhanced oil recovery. Fuel 2016, 185, 199–210. [Google Scholar] [CrossRef]
  14. Yang, W.; Fu, C.; Du, Y.; Xu, K.; Balhoff, M.T.; Weston, J.; Lu, J. Dynamic contact angle re-formulates pore-scale fluid-fluid displacement at ultralow interfacial tension. SPE J. 2021, 26, 1278–1289. [Google Scholar] [CrossRef]
  15. Dong, M.; Liu, Q.; Li, A. Displacement mechanisms of enhanced heavy oil recovery by alkaline flooding in a micromodel. Particuology 2012, 10, 298–305. [Google Scholar] [CrossRef]
  16. Kumar, G.; Kakati, A.; Mani, E.; Sangwai, J.S. Stability of nanoparticle stabilized oil-in-water Pickering emulsion under high pressure and high temperature conditions: Comparison with surfactant stabilized oil-in-water emulsion. J. Dispers. Sci. Technol. 2021, 42, 1204–1217. [Google Scholar] [CrossRef]
  17. Liu, F.; Wang, M. Review of low salinity waterflooding mechanisms: Wettability alteration and its impact on oil recovery. Fuel 2020, 267, 117112. [Google Scholar] [CrossRef]
  18. Kuo MC, T.; Dulaney, J.P.; Deer, M.W.; Evans, B.S.; Granquist, M.R. Optimization of Waterflood Performance and CO2-Flood Design Using a Modeling Approach, Mallet Unit, Slaughter Field. In Proceedings of the SPE Annual Technical Conference and Exhibition, New Orleans, LA, USA, 23–26 September 1990. [Google Scholar]
  19. Xie, S.; Yan, W. Research on the feasibility and technical limits of applying CO2 immiscible oil flooding in Daqing Oilfield. Daqing Pet. Geol. Evelopment 1986, 4, 55–62. [Google Scholar]
  20. Roper, M.K., Jr.; Cheng, C.T.; Varnon, J.E.; Pope, G.A.; Sepehrnoori, K. Interpretation of a CO2 WAG injectivity Test in the San Andres Formation using a compositional Simulator. In Proceedings of the SPE Improved Oil Recovery Conference, Tulsa, OK, USA, 22–24 April 1992. [Google Scholar]
  21. Li, M. Gas Injection Oil Displacement Experiments and Seepage Mechanism Research in Low Permeability Oil Fields; Graduate School of Chinese Academy of Sciences (Seepage FlowInstitute of Body Mechanics): Beijing, China, 2006. [Google Scholar]
  22. Cao, J. Discussion on reasonable injection timing of CO2 flooding. Offshore Pet. 2007, 27, 65–68. [Google Scholar]
  23. Bayat, M.; Lashkarbolooki, M.; Hezave, A.Z.; Ayatollahi, S. Investigation of gas injection flooding performance as enhanced oil recovery method. J. Nat. Gas Sci. Eng. 2016, 40, 29–35. [Google Scholar] [CrossRef]
  24. Almehaideb, A.R.Y. Experimental investigations of variations in petrophysical rock properties due to carbon dioxide flooding in oil heterogeneous low permeability carbonate reservoirs. J. Pet. Explor. Prod. Technol. 2013, 3, 79–83. [Google Scholar]
  25. Xie, X.; Jiang, H.; Wang, Q.; Liu, T.; Zhang, W. Research on pressure-sensitive effect and water injection timing of low permeability reservoirs. Pet. Sci. J. 2009, 30, 574–577. [Google Scholar]
  26. Przybylinslki, J.L. The role of bicarbonate ion in calcite scale formation. SPE Prod. Eng. 1987, 2, 63–67. [Google Scholar] [CrossRef]
Figure 1. Experimental flow chart.
Figure 1. Experimental flow chart.
Energies 17 06092 g001
Figure 2. Water flooding experimental process curve.
Figure 2. Water flooding experimental process curve.
Energies 17 06092 g002
Figure 3. Modified water flooding experimental process curve.
Figure 3. Modified water flooding experimental process curve.
Energies 17 06092 g003
Figure 4. Carbon dioxide flooding experimental process curve.
Figure 4. Carbon dioxide flooding experimental process curve.
Energies 17 06092 g004
Figure 5. WAG experimental process curve.
Figure 5. WAG experimental process curve.
Energies 17 06092 g005
Figure 6. Modified water carbon dioxide alternate flooding experimental process curve.
Figure 6. Modified water carbon dioxide alternate flooding experimental process curve.
Energies 17 06092 g006
Figure 7. Comparison of recovery factors under different displacement methods.
Figure 7. Comparison of recovery factors under different displacement methods.
Energies 17 06092 g007
Figure 8. Experimental process curve of water + CO2 alternating flooding under the modified water concentration of 0.1%.
Figure 8. Experimental process curve of water + CO2 alternating flooding under the modified water concentration of 0.1%.
Energies 17 06092 g008
Figure 9. Experimental process curve of modified water + CO2 alternating oil displacement under the condition of modified water concentration of 0.2%.
Figure 9. Experimental process curve of modified water + CO2 alternating oil displacement under the condition of modified water concentration of 0.2%.
Energies 17 06092 g009
Figure 10. Experimental process curve of modified water + CO2 alternate flooding under the condition that the modified water concentration is 0.3%.
Figure 10. Experimental process curve of modified water + CO2 alternate flooding under the condition that the modified water concentration is 0.3%.
Energies 17 06092 g010
Figure 11. Experimental process curve of modified water + CO2 alternating flooding under the condition that the modified water concentration is 0.4%.
Figure 11. Experimental process curve of modified water + CO2 alternating flooding under the condition that the modified water concentration is 0.4%.
Energies 17 06092 g011
Figure 12. Drive the experimental process curve when the plug is 0.05 PV.
Figure 12. Drive the experimental process curve when the plug is 0.05 PV.
Energies 17 06092 g012
Figure 13. Drive the experimental process curve when the plug is 0.1 PV.
Figure 13. Drive the experimental process curve when the plug is 0.1 PV.
Energies 17 06092 g013
Figure 14. Drives of the experimental process curve when the plug is 0.15 PV.
Figure 14. Drives of the experimental process curve when the plug is 0.15 PV.
Energies 17 06092 g014
Figure 15. Different injection sections of the harvesting rate comparison diagram.
Figure 15. Different injection sections of the harvesting rate comparison diagram.
Energies 17 06092 g015
Figure 16. Drive efficiency of water drive, modified water drive, and carbon dioxide driving in different pore sizes.
Figure 16. Drive efficiency of water drive, modified water drive, and carbon dioxide driving in different pore sizes.
Energies 17 06092 g016
Figure 17. Drive efficiency of modified water drive, carbon dioxide drive and modified water carbon dioxide drive in different pore sizes.
Figure 17. Drive efficiency of modified water drive, carbon dioxide drive and modified water carbon dioxide drive in different pore sizes.
Energies 17 06092 g017
Figure 18. Drive efficiency of water drive and modified water drive in different pore sizes.
Figure 18. Drive efficiency of water drive and modified water drive in different pore sizes.
Energies 17 06092 g018
Table 1. Ion composition and mineralization of the sewage.
Table 1. Ion composition and mineralization of the sewage.
Na+ + K+Mg2+Ca2+ SO 4 2 Cl− CO 3 2 HCO 3 Total Mineralization
1587.00 12.1520.0460.041240.86840.14411.894712.11
Table 2. Different states of the water repellent scheme of the water drive scheme T2 spectrum in different intervals of water-occupied pores.
Table 2. Different states of the water repellent scheme of the water drive scheme T2 spectrum in different intervals of water-occupied pores.
Rock-Heated StateOccupy Pores<1 ms1–10 ms10–100 ms>100 ms
AbsolutelyRelativelyAbsolutelyRelativelyAbsolutelyRelativelyAbsolutelyRelatively
Saturated water21.421.15.149.1642.768.539.682.6612.42
Saturated oil9.370.394.164.5448.453.5237.570.929.82
After drive14.460.584.016.544.955.5838.591.812.45
Table 3. Different states of water drive oil schemes of the T2 spectrum in different intervals of water-occupied pores.
Table 3. Different states of water drive oil schemes of the T2 spectrum in different intervals of water-occupied pores.
Rock-Heated StateOccupy Pores<1 ms1–10 ms10–100 ms>100 ms
AbsolutelyRelativelyAbsolutelyRelativelyAbsolutelyRelativelyAbsolutelyRelatively
Saturated water21.790.924.2210.5148.238.1637.452.210.10
Saturated oil7.120.436.043.6751.542.5435.670.486.74
After drive13.380.53.746.4948.514.9637.071.4210.61
Table 4. Water–gas alternating flooding oil-driven scheme. Different states of the T2 spectrum in different sections of water-occupied pores.
Table 4. Water–gas alternating flooding oil-driven scheme. Different states of the T2 spectrum in different sections of water-occupied pores.
Rock-Heated StateOccupy Pores<1 ms1–10 ms10–100 ms>100 ms
AbsolutelyRelativelyAbsolutelyRelativelyAbsolutelyRelativelyAbsolutelyRelatively
Saturated water22.171.04 4.70 10.1545.79 8.60 38.782.3810.75
Saturated oil7.990.658.09 4.2553.192.6433.10 0.455.61
After drive14.830.815.487.5751.035.1634.791.29 8.70
Table 5. Water CO2 oil-driven scheme. Different states of the T2 spectrum in different sections of water-occupied pores.
Table 5. Water CO2 oil-driven scheme. Different states of the T2 spectrum in different sections of water-occupied pores.
Rock-Heated StateOccupy Pores<1 ms1–10 ms10–100 ms>100 ms
AbsolutelyRelativelyAbsolutelyRelativelyAbsolutelyRelativelyAbsolutelyRelatively
Saturated water21.471.00 4.68 9.7945.60 8.29 38.622.3911.11
Saturated oil6.550.548.30 3.5754.512.1933.45 0.243.74
After drive14.380.876.037.0448.935.2836.691.20 8.35
Table 6. Modified water CO2 oil-driven scheme. Different states of the T2 spectrum in different sections of water-occupied pores.
Table 6. Modified water CO2 oil-driven scheme. Different states of the T2 spectrum in different sections of water-occupied pores.
Rock-Heated StateOccupy Pores<1 ms1–10 ms10–100 ms>100 ms
AbsolutelyRelativelyAbsolutelyRelativelyAbsolutelyRelativelyAbsolutelyRelatively
Saturated water21.491.02 4.75 9.7945.55 8.29 38.582.3911.14
Saturated oil9.720.414.22 4.70 48.363.6537.53 0.969.86
After drive16.960.865.078.1147.80 6.20 36.581.79 10.58
Disclaimer/Publisher’s Note: The statements, opinions and data contained in all publications are solely those of the individual author(s) and contributor(s) and not of MDPI and/or the editor(s). MDPI and/or the editor(s) disclaim responsibility for any injury to people or property resulting from any ideas, methods, instructions or products referred to in the content.

Share and Cite

MDPI and ACS Style

Zhao, S.; Fu, M.; Chen, J.; Li, Z.; Lin, J.; Zhang, S.; Wang, P. Experimental Study on the Alternate Oil Displacement Mechanism of CO2 and Modified Water in Low-Permeability Oil Layers. Energies 2024, 17, 6092. https://doi.org/10.3390/en17236092

AMA Style

Zhao S, Fu M, Chen J, Li Z, Lin J, Zhang S, Wang P. Experimental Study on the Alternate Oil Displacement Mechanism of CO2 and Modified Water in Low-Permeability Oil Layers. Energies. 2024; 17(23):6092. https://doi.org/10.3390/en17236092

Chicago/Turabian Style

Zhao, Shupei, Meilong Fu, Jun Chen, Zhaoxing Li, Jiayi Lin, Shuo Zhang, and Pengju Wang. 2024. "Experimental Study on the Alternate Oil Displacement Mechanism of CO2 and Modified Water in Low-Permeability Oil Layers" Energies 17, no. 23: 6092. https://doi.org/10.3390/en17236092

APA Style

Zhao, S., Fu, M., Chen, J., Li, Z., Lin, J., Zhang, S., & Wang, P. (2024). Experimental Study on the Alternate Oil Displacement Mechanism of CO2 and Modified Water in Low-Permeability Oil Layers. Energies, 17(23), 6092. https://doi.org/10.3390/en17236092

Note that from the first issue of 2016, this journal uses article numbers instead of page numbers. See further details here.

Article Metrics

Back to TopTop