Abstract
This study presents an optimized design for a Segmented Sinusoidal Parameter Winding with Magnetic Wedge Variable Reluctance Resolver (SSPWMW-VRR), addressing challenges like winding asymmetry and harmonic distortion in conventional designs. By integrating particle swarm optimization (PSO) for winding design, magnetic equivalent circuit (MEC) analysis for leakage flux, and machine learning techniques (XGBoost and Multi-Layer Perceptron), the stator slot shape was fine-tuned for improved accuracy. XGBoost outperformed MLP in prediction accuracy with a mean absolute error (MAE) of 0.1172. Finite element analysis (FEA) simulations and experimental validation demonstrated a reduction in position errors from ±30′ in conventional VRRs to ±5′ in the optimized design, along with significant harmonic reduction.
1. Introduction
Variable reluctance resolvers (VRRs) have emerged as critical components in precision control systems, particularly in advanced fields such as electric vehicles (EVs) and aerospace applications [1,2,3,4,5,6,7,8,9,10,11,12,13,14]. With the increasing demand for high-efficiency and high-precision motor control, VRRs have become indispensable for detecting angular positions and enhancing system performance in harsh environments [15,16,17,18,19]. Their robustness and reliability in providing absolute position information make them essential for the accurate control of permanent magnet synchronous motors (PMSMs) and other electric drive systems in electric and hybrid vehicles [6,20].
Despite their advantages, conventional VRR designs face several limitations. One of the primary issues lies in the asymmetry of the stator winding structure, which results in non-orthogonal signal output and contributes to harmonic distortions [4,6,7,9,12,14,15,16,17,18,21,22]. Inductance harmonics caused by imperfections in the resolver’s construction can lead to significant position errors [18,19]. Additionally, fluctuations in slot leakage flux further degrade the accuracy of the resolver, negatively affecting motor control precision [3,4,5,6,8,11,23,24]. Mechanical imperfections such as rotor eccentricity and uneven magnetic fields can also introduce significant position errors [2,3,7,8,9,10,20,25]. These challenges are exacerbated by manufacturing inaccuracies and mechanical misalignments, leading to position errors that are detrimental in high-performance applications. Consequently, there is a pressing need for innovative solutions that can address both structural and electromagnetic inefficiencies in conventional VRRs.
To overcome these challenges, a novel variable reluctance resolver design, known as the Segmented Sinusoidal Parameter Winding with Magnetic Wedge Variable Reluctance Resolver (SSPWMW-VRR), was developed. The SSPWMW-VRR aims to mitigate issues of winding asymmetry, non-orthogonal signal output, and harmonic distortion by incorporating specialized winding configurations and magnetic slot wedges. This specialized structure addresses the limitations of conventional VRRs by optimizing both the stator winding configuration and the magnetic circuit.
Previous studies have attempted to address these challenges through various approaches. Structural modifications, such as optimizing rotor contour design to inject auxiliary air-gap permeance harmonics, have been proposed to reduce harmonic distortions and improve detection accuracy [26]. The adoption of non-overlapping tooth coil windings with uniform coils has been suggested to simplify manufacturing and reduce winding asymmetry [1,16]. Rotor pole shape optimization using genetic algorithms has also been explored to minimize harmonics in the air-gap permeance [15,27].
While these methods have shown promise, the SSPWMW-VRR offers a comprehensive solution by integrating specialized winding configurations with magnetic slot wedges to enhance resolver performance. However, optimizing the SSPWMW-VRR design requires advanced techniques to fully realize its potential benefits.
Advanced electromagnetic modeling techniques have been employed to analyze and predict the behavior of VRRs under various conditions. FEA simulations have been widely used to validate design improvements and analyze the effects of eccentricity, short circuits, and material defects on resolver performance [2,3,4,5,19,22,25,28]. Analytical models have been developed to calculate air-gap inductance and leakage fluxes more accurately, enhancing the understanding of electromagnetic interactions within the resolver [23,24,28]. Precise modeling of air-gap and zigzag leakage fluxes in permanent magnet machines has been shown to significantly improve torque predictions and machine optimization [23,24]. While these methods have shown promise, they often rely heavily on computationally intensive simulations and may not fully address the complexities of stator design flaws.
Signal processing techniques have also been proposed to minimize position errors caused by non-ideal resolver signals, including errors due to amplitude imbalance, imperfect quadrature, and inductance harmonics [17,18]. These methods address issues such as amplitude imbalance and quadrature errors, which can introduce significant position errors if not properly managed. However, while effective, these approaches often involve complex design adjustments or elaborate calibration processes, which can be impractical for widespread industrial adoption.
The advent of artificial intelligence (AI) and machine learning (ML) techniques offers new avenues for optimizing electromagnetic devices [29,30,31,32]. AI techniques have been integrated with computational electromagnetics to enhance the efficiency, accuracy, and speed of electromagnetic simulations, focusing on applications like electrical machine design, topology optimization, and fault diagnosis [29]. Machine learning models, such as neural networks and support vector machines, have been used to model electromagnetic fields, predict system performance, and optimize designs with less computational effort compared to conventional methods [29,33,34].
In the context of electric machines, ML techniques have been applied to optimize parameters and improve performance. For example, neural networks have been used for model order reduction in PMSMs, enabling accurate and computationally efficient surrogate models [30]. ML-based optimization methods have been employed to enhance the design of PMSMs, achieving better performance with reduced computational costs [31,32,35,36]. Hybrid approaches combining machine learning algorithms with optimization algorithms like genetic algorithms and NSGA-II have shown significant improvements in motor design efficiency and performance [35,36]. However, the application of advanced ML techniques such as Extreme Gradient Boosting (XGBoost) and MLP to VRR optimization remains relatively unexplored.
Recently, machine learning techniques have shown promise in addressing complex non-linearities in electromagnetic systems. Hybrid machine learning models, such as those combining random forest regressor with k-nearest neighbors or support vector Machines, have been effective in predicting and optimizing performance parameters in electrical machines [37,38]. Reinforcement learning and neural network architectures have been applied to minimize torque ripples in variable reluctance motors, improving control precision [39,40]. Furthermore, fuzzy-based multiple instance learning has been employed for transparent and accurate classification in biomedical signal processing, demonstrating the versatility of machine learning approaches [41].
These advancements underscore the potential of integrating machine learning techniques into VRR design optimization. By leveraging machine learning models to analyze and predict electromagnetic parameters, it is possible to systematically reduce harmonic distortions and flux leakage caused by design flaws. Moreover, integrating ML with model-based approaches has shown promise in other areas of electric machine design and fault diagnosis, suggesting potential benefits for VRR optimization [42,43].
Building upon the SSPWMW-VRR design, this study aims to optimize its stator structure by leveraging advanced machine learning techniques, namely XGBoost and MLP. By analyzing and predicting electromagnetic parameters using these models, we seek to reduce the harmonic distortions and flux leakage caused by stator design imperfections in the SSPWMW-VRR. This approach enables us to systematically improve the accuracy of the resolver without necessitating complex structural modifications or extensive calibration, leading to more precise motor control in applications such as electric vehicles and robotics.
2. Model Design and Methods
This study focuses on enhancing the accuracy of a SSPWMW-VRR by simulating and optimizing its stator structure. The key components under analysis include the segmented sinusoidal windings, magnetic slot wedges, and the rotor–stator configuration. Through a combination of PSO for winding design, MEC analysis for slot leakage flux, and machine learning for stator slot shape optimization, the aim is to enhance resolver accuracy by addressing both structural and electromagnetic inefficiencies.
2.1. SSPWMW-VRR Structure and Components
The SSPWMW-VRR is designed to minimize harmonic distortion and improve signal integrity through a specialized winding configuration. As shown in Figure 1, the prototype consists of key components including the stator, a printed circuit board (PCB) connection board, a salient pole rotor, and a magnetic slot wedge with its supporting structure.
Figure 1.
SSPWMW-VRR prototype.
This innovative design was patented [44], reflecting its novel approach to resolver construction.
A crucial feature of the SSPWMW-VRR design is the use of a PCB connection to create a more uniform and reliable electrical connection between the stator windings. This method streamlines the manufacturing process and enhances the spatial symmetry of the two-phase windings. By enabling interleaved winding phases, the design significantly improves winding symmetry and orthogonality, which are essential for accurate signal generation.
The stator is equipped with segmented sinusoidal windings that are precisely arranged to produce sinusoidal magnetic fields, thereby reducing harmonic distortion. The use of a PCB connection board facilitates the accurate placement and connection of these windings, enhancing consistency and reducing manufacturing errors.
Another important component is the magnetic slot wedge, which plays a vital role in directing the magnetic field within the stator slots. Comprising a thin magnetic strip fixed to a supporting structure, it is strategically positioned to enhance the magnetic interaction between the rotor and stator. The presence of the magnetic slot wedge effectively diminishes the air gap between these components, leading to improved signal quality and reduced position error.
The salient pole rotor, designed with specific geometric features, interacts with the stator’s magnetic fields to produce the necessary variable reluctance effect. The combination of the rotor design with the magnetic slot wedges and optimized stator windings results in a resolver that offers higher accuracy and reduced harmonic content compared to conventional designs.
Overall, the SSPWMW-VRR prototype represents a significant advancement in resolver technology, integrating mechanical and electromagnetic optimizations to achieve superior performance.
2.2. Optimization of Winding Turns Using Particle Swarm Optimization
In the design of the resolver, the sine and cosine windings should ideally follow a continuous sinusoidal distribution to achieve perfect orthogonality and minimize harmonic distortion. However, in practical implementations, the number of turns in each slot must be an integer, necessitating the rounding of the continuous winding functions into discrete values. This rounding process introduces challenges in maintaining the orthogonality and symmetry of the windings, both of which are crucial for accurate signal generation.
To ensure that the rounding process maintains these critical properties, the following conditions must be met:
- The inner product between the sine and cosine windings must be zero to ensure orthogonality.
- The sum of the winding turns over a complete cycle must be zero for both windings to preserve symmetry.
- The number of positive and negative turns must be balanced to maintain the symmetry of the induced signal.
Achieving these conditions becomes particularly challenging in resolver design due to the discrete nature of winding turns and the limited number of slots available on the stator. These constraints reduce the flexibility in distributing winding turns evenly, making it difficult to achieve perfect orthogonality and symmetry. To address this, the continuous winding functions are scaled by a winding distribution coefficient, , which adjusts the amplitude before rounding. Finding suitable values of that satisfy the above conditions after rounding requires a robust global search algorithm.
PSO is employed to tackle this optimization challenge. As an evolutionary computation technique inspired by the collective behavior of bird flocking and fish schooling, PSO excels at solving complex, multidimensional problems. In this context, PSO is used to systematically explore the parameter space, searching for values of that satisfy the orthogonality and symmetry requirements after rounding.
The optimization objective is formally defined to ensure that the rounded winding turns meet the following conditions:
where and represent the rounded integer turns for the sine () and cosine () windings at slot j, respectively. The parameter represents the total number of slots on the stator. The inner product ensures orthogonality, while the sums and enforce symmetry.
Through iterative exploration, the PSO algorithm efficiently identifies optimal values of , ensuring that the discrete winding turns maintain orthogonality and symmetry across various pole pairs and slot configurations. This minimizes harmonic distortion and enhances resolver accuracy. The PSO algorithm serves as the initial step in achieving a robust winding configuration, which subsequently forms the foundation for further refinement through MEC modeling and machine learning-based stator slot optimization. By optimizing the winding design using PSO, the resolver achieves reduced harmonic distortion and improved signal quality, contributing to higher overall accuracy.
2.3. Analysis of Slot Leakage Flux Using Magnetic Equivalent Circuit
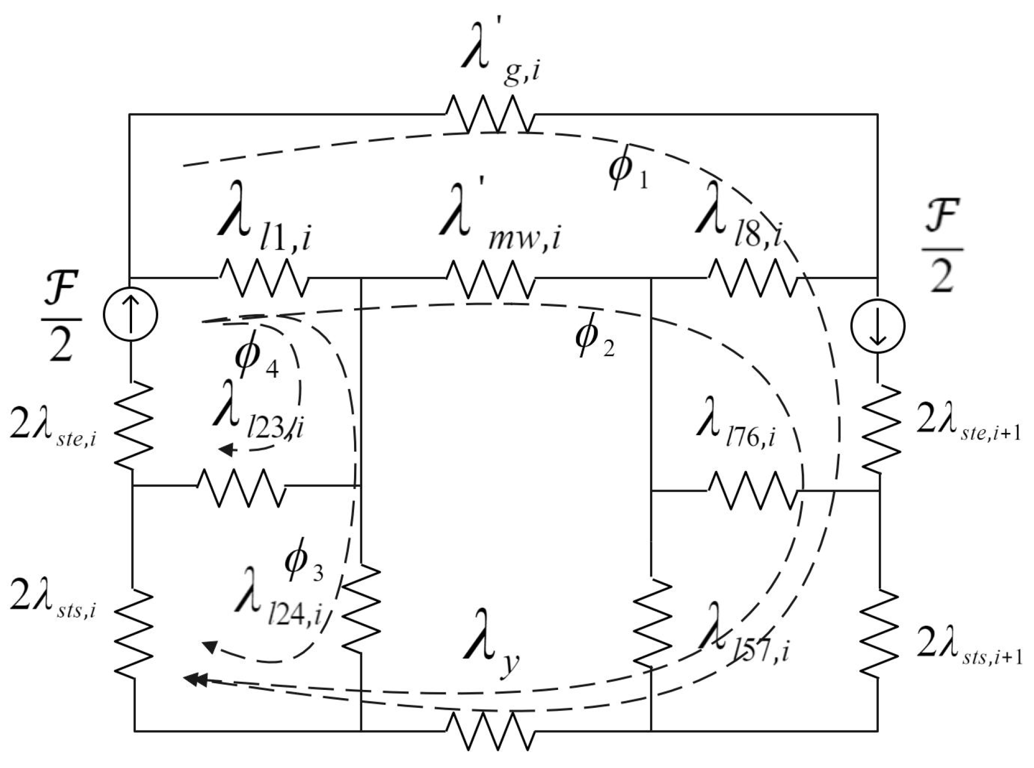
To accurately analyze the impact of slot leakage flux on the resolver’s performance, the MEC method is employed. MEC provides a detailed representation of the magnetic flux distribution, allowing for precise simulation of magnetic behavior within the stator slots. The key factor contributing to accuracy degradation in the resolver is the periodic fluctuation of slot leakage inductance as the rotor rotates, which distorts the magnetic field and negatively affects signal accuracy.
The MEC model, depicted in Figure 2, is constructed based on the SSPWMW-VRR stator design, including the segmented sinusoidal windings and magnetic slot wedges. By applying Ohm’s law to the magnetic circuit, the model divides the magnetic path into the main magnetic circuit and three leakage magnetic circuits: (1) leakage between adjacent stator teeth, (2) leakage between excitation and signal windings, and (3) leakage from the tooth top to the stator yoke.
Figure 2.
SSPWMW-VRR slot leakage flux MEC model.
The role of the magnetic slot wedge is critical in regulating the distribution of slot leakage flux. By adjusting the wedge’s thickness and its positioning relative to the slot, the leakage flux can be controlled to minimize distortion in the resolver’s magnetic field. This fine-tuning reduces the variability in the slot leakage inductance, helping to stabilize the resolver’s output signal.
MEC analysis offers several advantages:
- Accurate Simulation: It provides a precise simulation of the magnetic behavior, capturing complex interactions between the stator, rotor, and magnetic slot wedge.
- Key Input for Machine Learning: The insights gained from MEC analysis, including flux densities and inductance variations, serve as critical features for machine learning models that will be used in later stages to optimize the stator slot design.
- Complementary to PSO: The optimized winding configuration obtained from PSO is further refined through MEC, which identifies how the magnetic circuit behaves with these optimized windings. This sequential approach ensures that both winding and magnetic circuit optimizations are aligned.
By modeling the intricate magnetic properties using MEC, this analysis plays a crucial role in the integrated optimization framework. It not only enhances the accuracy of the resolver by mitigating the adverse effects of slot leakage flux but also serves as a foundational step in generating high-quality data for machine learning-driven stator slot shape optimization. Thus, MEC analysis bridges the gap between winding optimization and machine learning, ensuring that the entire system is fine-tuned for optimal resolver performance.
2.4. Stator Slot Shape Optimization Using Machine Learning
The final step in optimizing the SSPWMW-VRR involves the use of machine learning models to fine-tune the stator slot shape based on the results obtained from previous stages, including the PSO for winding design and the MEC analysis of slot leakage flux. Machine learning enables more precise predictions and optimizations, minimizing the need for exhaustive physical simulations.
By employing advanced models such as XGBoost and MLP, the optimization framework utilizes data from both FEA and MEC simulations. These models are trained on datasets constructed from key electromagnetic features, including flux density, inductance variations, and other critical parameters. This allows the models to predict how different stator slot configurations impact the resolver’s accuracy, performance, and overall signal quality.
2.4.1. Simulation System Framework
The machine learning-driven optimization process is structured into three distinct layers (illustrated in Figure 3):
Figure 3.
Framework combining XGBoost with finite element analysis (FEA).
- Inner Layer (Simulation Layer): This layer is powered by CST Studio Suiteand Opera FEA software, where detailed electromagnetic simulations of the VRR are performed. These simulations provide foundational data regarding key parameters such as magnetic flux density distribution, field lines, and other electromagnetic characteristics, which serve as critical inputs for the machine learning models, shown in Figure 4. The data collected at this stage are crucial for the training and validation of machine learning algorithms.
Figure 4. Magnetic field distribution in SSPWMW-VRR. (a) Magnetic flux density distribution in the stator slots. (b) Magnetic field line distribution in the stator slots. - Middle Layer (Data Processing and Feature Extraction): This layer utilizes MATLAB to convert the electrical signals obtained from FEA into the angle error signals that are crucial for resolver-to-digital conversion. The data processing includes extracting relevant electromagnetic features like flux density and slot leakage flux and transforming them into a format suitable for machine learning models using Python scripts. This stage ensures that the data are prepared for training and validation in the machine learning stage. The use of both Windows and Ubuntu operating systems in this process reflects the flexibility of our approach, allowing for the use of different software tools across platforms.
- Outer Layer (Machine Learning and Optimization): This layer involves training machine learning models, specifically XGBoost and MLP, on the processed data. XGBoost serves as Option 1, leveraging its gradient-boosting framework for better interpretability and feature importance analysis, making it effective at capturing simpler relationships between the parameters and outputs. MLP serves as Option 2, capable of modeling more complex, non-linear interactions among parameters, which allows it to handle intricate relationships within the data. Although both models can be used independently, they can also complement each other, providing a comprehensive approach to understanding and optimizing the stator slot parameters for enhanced resolver accuracy. This dual approach allows for flexibility in choosing the most suitable model based on specific design needs.
2.4.2. Machine Learning Models: XGBoost and MLP
Two machine learning models, XGBoost and MLP, are employed to optimize the stator slot shape. These models are designed to capture complex relationships between slot parameters and resolver performance. The optimization process is described as follows:
- Data Preparation: Electromagnetic data from FEA and MEC simulations are compiled into a comprehensive dataset. This dataset includes key features such as stator slot width, jaw width, and slot wedge thickness, as well as target variables like magnetic flux densities, torque ripple values, and induced voltage errors. The dataset is then divided into training and testing sets to facilitate model training and evaluation.
- XGBoost Model Training: XGBoost is employed to model the non-linear relationships between stator slot parameters and resolver performance. The model is trained using the dataset, with hyperparameters such as learning rate and tree depth optimized via Grid Search. XGBoost is particularly useful for quickly assessing the impact of individual slot parameters on performance, providing feature importance rankings that guide further optimizations.
- Multi-Layer Perceptron Model Training: For more complex parameter interactions, an MLP is employed. The MLP is trained using back-propagation and the Adam optimizer, with multiple hidden layers to capture intricate relationships between slot shape and resolver accuracy. Neural networks are particularly effective in cases wherein the data exhibits high-dimensional, non-linear dependencies, making them a powerful tool for refining stator slot designs.
- Model Validation and Comparison: After training, both models are evaluated on the test dataset. Metrics such as MAE and RMSE are used to compare their performance. While XGBoost offers faster training times and immediate insights into parameter importance, MLP provides deeper insights into more complex patterns, yielding higher accuracy in certain cases. The results from both models are then validated against the FEA simulations to ensure their reliability.
Through these steps, XGBoost and neural network models were able to quickly and accurately evaluate the effect of stator slot shape on the performance of the VRR. The combination of machine learning-based optimization results and finite element simulations not only improved design efficiency but also allowed for the stator slot shape optimization without requiring extensive physical experiments.
2.5. Integrated Optimization Framework
The optimization framework for the SSPWMW-VRR combines several advanced techniques into a cohesive process to improve both accuracy and overall performance. The core components of this framework include PSO for winding configuration, MEC analysis for detailed magnetic behavior assessment, and machine learning models for refining the stator slot shape. Together, these methods ensure that the resolver’s electromagnetic properties are optimized through a multi-stage, integrated process.
1. PSO: The first step in the integrated framework is the optimization of the sine and cosine windings using PSO. This step focuses on minimizing the inner product between the two windings, thereby ensuring their orthogonality, which is crucial for reducing harmonic distortion. By achieving an optimal winding configuration, PSO provides a solid foundation for the resolver’s performance, laying the groundwork for further refinements in the magnetic circuit and slot design. This initial optimization not only minimizes harmonic distortion but also enhances the signal quality, improving the overall resolver accuracy.
2. MEC Analysis: Following PSO, the MEC method is employed to provide a detailed analysis of the stator slot leakage flux. MEC models the magnetic behavior of the stator and rotor, taking into account the fluctuations in leakage inductance caused by rotor movement. This step refines the understanding of the resolver’s magnetic circuit, enabling the accurate modeling of magnetic flux distributions and interactions. The MEC analysis outputs critical data on magnetic characteristics, which are subsequently fed into the machine learning models. The insights gained from MEC ensure that the magnetic properties of the stator are robust, preparing the system for precise shape optimization.
3. Machine Learning-Based Stator Slot Shape Optimization: The final step in the integrated framework is the fine-tuning of the stator slot shape using machine learning. Based on the optimized winding configuration from PSO and the detailed magnetic data from MEC, machine learning models—specifically XGBoost and MLP—are trained to predict the resolver’s performance under various slot shape configurations. These models analyze the impact of slot dimensions such as width, jaw size, and slot wedge thickness on the resolver’s accuracy. By leveraging FEA-generated datasets, the machine learning models enable a rapid exploration of the design space, providing precise recommendations for slot shape optimizations.
- XGBoost excels in handling non-linear relationships between stator slot parameters and resolver performance. Its feature importance analysis identifies which slot parameters most significantly affect the resolver’s accuracy, making it particularly effective for rapid, iterative design adjustments.
- MLP is used to capture more complex, deep interactions between the slot parameters. By training the MLP model on the same dataset, it uncovers intricate patterns that may not be apparent in simpler models, providing a more nuanced optimization of the resolver design.
Both models are integral to predicting the optimal stator slot dimensions and are trained on data generated from FEA simulations of various stator configurations. The machine learning models take advantage of the data insights provided by the earlier stages—PSO and MEC—allowing for precise and efficient stator slot shape optimization. By integrating these models, the framework ensures that the final design exhibits minimal harmonic distortion and enhanced signal quality, all while minimizing the need for time-consuming physical simulations.
4. Benefits of the Integrated Approach: The integrated optimization framework, as shown in Figure 5, demonstrates the synergy between each step in the process. PSO provides an optimized winding configuration that minimizes harmonic distortion. MEC offers a detailed understanding of the magnetic circuit and slot leakage flux, and machine learning allows for the precise optimization of the stator slot shape. Together, these techniques create a comprehensive, data-driven process that significantly improves resolver accuracy while reducing harmonic content. This leads to superior performance in applications requiring high-precision motor control.
Figure 5.
Integrated optimization framework.
By combining global search algorithms like PSO with detailed magnetic analysis and advanced predictive modeling, this framework provides an efficient pathway to optimizing the SSPWMW-VRR design. The resulting system is both robust and adaptable, capable of achieving high accuracy without the need for extensive physical testing or iterative design adjustments.
3. Experimental Design and Results Analysis
Traditional finite element methods (FEMs) for designing VRRs require simulating each parameter individually, which can be a time-consuming process due to the step size settings. Fine step sizes are needed for higher accuracy but significantly increase the computational load, while coarse step sizes may miss critical parameter influences. Additionally, the vast amount of data generated from simulating all parameter variations makes it challenging for engineers, especially those with less experience, to identify which parameters play a decisive role in optimization.
By combining FEM with ML, PSO, and MEC techniques, the hybrid approach overcomes these limitations. ML methods such as XGBoost can predict the key factors influencing the optimization objective based on trained models, thus reducing the number of FEM simulations needed. This significantly speeds up the optimization process. For example, XGBoost’s feature importance analysis identifies the most influential parameters, while PSO efficiently searches for optimal solutions based on these insights.
Moreover, MEC analysis provides a more refined understanding of magnetic behavior, offering critical data for ML model training, which further enhances prediction accuracy. While specific time savings were not quantified, the hybrid approach’s potential for reduced design iterations and more efficient optimization is clear.
In the following sections, we will analyze the experimental results obtained from the PSO, MEC, and machine learning optimizations, and compare them with traditional FEM-based approaches. The aim is to validate the proposed hybrid optimization framework’s effectiveness in improving the accuracy and efficiency of VRR design.
3.1. PSO Results and Winding Turn Optimization
After running PSO for winding optimization, a significant reduction in harmonic distortion and improved orthogonality were achieved. The optimized winding configurations were validated through analytical calculations and simulation data, demonstrating marked improvements in resolver accuracy.
By varying the winding distribution coefficient within a range of 20–500 using PSO, the algorithm seeks values that minimize the inner product of the sine and cosine windings and ensure the balance of positive and negative turns. As the winding configurations are discrete, only specific values satisfy both these conditions. Figure 6 illustrates the distribution of values for multiple pole–pair configurations in a 10-slot stator, highlighting the instances wherein the inner product is zero and the sum of positive and negative turns is balanced, thus achieving orthogonality and symmetry.
Figure 6.
Distribution of for different pole–pair and slot combinations.
The PSO optimization was performed for 1-pole, 2-pole, 3-pole, and 4-pole configurations with a 10-slot stator. The results reveal significant differences between odd and even pole–pair configurations in terms of achieving optimal values that satisfy both the inner product and winding turn balance conditions.
- 1-Pole, 10-Slot Configuration: The PSO results for the 1-pole, 10-slot configuration identified five values wherein the inner product equals zero and the sum of positive and negative turns is perfectly balanced (i.e., the sum is zero). This suggests that achieving orthogonality and symmetry is more straightforward in odd-pole configurations like the 1-pole setup.
- 2-Pole, 10-Slot Configuration: For the 2-pole, 10-slot configuration, two values resulted in zero inner product and balanced positive and negative winding turns. However, there was also one case wherein the inner product was zero, but the positive and negative turns were not balanced, indicating an imbalance in the winding distribution. This suggests that, while even-pole configurations can achieve orthogonality, they are more prone to winding turn imbalances.
- 3-Pole, 10-Slot Configuration: In the 3-pole, 10-slot configuration, similar to the 1-pole case, five values were found wherein both the inner product was zero and the positive and negative turns were balanced. The results reinforce the observation that odd-pole configurations have a higher likelihood of achieving both orthogonality and symmetry.
- 4-Pole, 10-Slot Configuration: For the 4-pole, 10-slot configuration, two values resulted in both zero inner product and balanced winding turns, while one case exhibited zero inner product but an imbalance between the positive and negative turns. This pattern is consistent with the 2-pole configuration, wherein even-pole configurations tend to face more challenges in achieving winding symmetry.
The analysis reveals that odd pole–pair configurations (1-pole and 3-pole) have more instances of values that satisfy both orthogonality (zero inner product) and symmetry (balanced positive and negative turns), making them more favorable for achieving optimal winding design. In contrast, even pole–pair configurations (2-pole and 4-pole) tend to show fewer instances of balanced turns, despite achieving orthogonality, which makes them less optimal in simultaneously fulfilling both conditions. These insights provide valuable guidance for optimizing resolver winding designs, especially when selecting the appropriate pole–pair and slot combinations.
3.2. MEC Analysis and Slot Leakage Flux Optimization
Following the PSO optimizations, the MEC method was applied to reduce slot leakage flux. The first leakage circuit passes from tooth top i to tooth top i + 1. The second leakage circuit passes through the gap between the excitation and signal windings, entering tooth i. The third leakage circuit starts from tooth top i, passes through the slot and slot bottom, and enters the stator yoke. The transmission and distribution of leakage flux can be affected by adjusting the size of the magnetic slot wedge and the gap between it and the slot bottom, thereby influencing SSPWMW-VRR performance and output. If we consider exciting current as = , where I is amplitude and is the angular frequency, the total magneto motive force F can be expressed as follows:
Here, represents the total magnetic flux, and denotes the total magnetic conductance.
Figure 7 shows the air gap magnetic field distribution when the rotor salient pole’s centerline corresponds to the slot centerline at 0°, 90°, 180°, and 270° positions, allowing for a detailed observation of how the slot leakage flux fluctuates with the rotation of the salient pole rotor. To accurately analyze this phenomenon, an equivalent magnetic circuit model based on the variations in the slot leakage flux was established. As shown in Figure 2, this study introduces , and within the slot to comprehensively describe the influence of the slot leakage flux on the output signal. Unlike conventional motor slot leakage inductance, the asymmetrical positions of and at opposite sides of the slot opening are due to the salient pole effect. Assuming a minimal influence of the salient pole on the slot leakage flux, it can be approximated that is equivalent and can also be treated as approximately similar. To simplify the analysis, a star-to-delta transformation is applied to certain sections of some components. Figure 8 shows the resultant simplified equivalent magnetic circuit. Observation reveals that the induced voltage on the secondary winding considering , , and linked with turns can be expressed as follows:
Figure 7.
Magnetic field distribution in the rotor at various positions.
Figure 8.
SSPWMW-VRR simplified MEC.
Here, can be expressed as follows:
can be expressed as follows:
and can be expressed as follows:
In the expressions,
Here, , and represent the magnetic conductance of the tooth signal winding section, tooth magnetizing winding section, rotor, and stator core yoke, respectively; , and represent the corresponding core magnetic path lengths at their positions. A denotes the cross-sectional area of the iron core. denotes the magnetic permeance of the magnetic slot wedge expressed as follows:
Here, represents the relative magnetic permeability of the magnetic slot wedge; denotes the cross-sectional area of the slot wedge; denotes the width of the slot wedge. Given that and are connected in parallel, a composite magnetic permeance can be derived accordingly as (10).
Due to the convex pole effect, assuming that the leakage flux path of the slot can be approximated as a Witch of Agnesi curve, can be expressed as follows:
The a value in the Cartesian equation changes with the convex pole effect and can be expressed as follows (12):
Similarly, and can be expressed as follows:
Additionally, the magnetic fluxes and at both ends of the magnetic slot wedge display periodic changes similar to due to variations in the salient pole rotor position. The model comprises essential elements, such as segmented winding, sinusoidal and cosine distribution winding, and magnetic slot wedges that limit fluctuations in slot leakage flux while accounting for the influence of the salient pole rotor position on magnetic fluxes and conductance. Figure 9 depicts errors obtained using the values from Table 1 to compute an analytical model.
Figure 9.
SSPWMW-VRR magnetic equivalent circuit model inductive harmonic error.
Table 1.
Geometrical parameters of the studied resolver.
Despite challenging calculations involving numerous variables, the MEC model offers valuable insights into the impact of various design parameters on SSPWMW-VRR performance through its magnetism attributes. Figure 9 shows that rounding off turns in the winding decreases output signal accuracy, similar to that observed with conventional VRR; however, incorporating magnetic slot wedges at slot openings helps mitigate this effect by enhancing signal precision. Utilizing optimization studies along with performance evaluation using MEC models combined with FEA allows for a more precise examination of the electric circuit properties.
3.3. Electromagnetic Field Simulation and Dataset Construction
In advancing the resolver optimization process, we constructed an artificial dataset by systematically varying key stator slot parameters using FEA simulations. The dimensions of the stator slots—including slot width (), jaw width (), slot wedge thickness (), and the spacing between windings—are crucial in determining the resolver’s performance. These parameters influence magnetic flux distribution, leakage flux, and the electromagnetic coupling between the stator and rotor.
3.3.1. Simulation Process and Parameter Selection
The simulation process was structured into the following stages:
- Input Parameter Variations: We systematically varied key stator slot dimensions to generate multiple resolver designs. The parameters were adjusted based on the ranges and step sizes outlined in Table 2.
Table 2. Stator slot parameter ranges for optimization. - FEA Simulation: Each design configuration was evaluated using FEA simulations, providing detailed analyses of electromagnetic behavior, including magnetic flux distribution and performance metrics such as torque ripple and induced voltage.
- Data Collection: The simulation results were compiled into a dataset containing both the input parameters (stator slot dimensions) and the output performance metrics (e.g., magnetic flux densities, torque ripple, induced voltage waveforms, and position errors).
The key parameters selected for optimization are summarized in Table 2, and their physical representations are illustrated in Figure 10.
Figure 10.
Stator slot parameters: 1. , 2. , 3. , 4. , 5. , 6. .
3.3.2. Dataset Construction and Analysis
The dataset generated from FEA simulations captures the intricate relationships between stator slot design and resolver performance metrics. These metrics serve as output features for machine learning models used to optimize resolver design. To better understand the initial performance characteristics before optimization, the dataset was analyzed using statistical visualizations.
- Error Distribution: The error distribution, shown in Figure 11a, provides insight into the spread and frequency of different error magnitudes. The error distribution analysis reveals a mean error of 0.275° and a median of 0.270°, with a standard deviation of 0.062°. The range of errors spans 0.432°, indicating variability in the resolver’s initial performance. Identifying the prevalent error ranges highlights the areas that require further optimization. This statistical analysis allows for a deeper understanding of where the model may need improvements.
Figure 11. Error distribution and parameter correlation analysis. - Parameter Correlations: The correlation heatmap (Figure 11b) highlights relationships between key stator slot parameters and resolver errors. The correlation matrix between stator slot parameters and error values reveals critical insights into parameter interactions. For instance, shows a slight positive correlation with error at 0.078, while is negatively correlated at -0.372. These insights provide a basis for predicting how changes in one parameter can impact others, thereby influencing overall resolver accuracy.
- Parameter Relationships: The scatter plot matrix (Figure 12) illustrates pairwise relationships between the stator slot parameters. The pairwise relationships between parameters, analyzed through the correlation matrix, assist in identifying key patterns and interactions. For example, and display minimal correlations with other parameters, indicating their isolated influence on the model’s performance.
Figure 12. Scatter plot matrix showing relationships between stator slot parameters.
These insights formed the basis for the machine learning model development, revealing key parameters that influence resolver performance. By leveraging this dataset, the optimization of stator slot designs is guided by both empirical data and machine learning predictions to enhance resolver accuracy.
3.4. Machine Learning-Based Stator Slot Shape Optimization
The analysis of feature importance derived from the XGBoost model highlights that is the most influential parameter with an importance score of 0.536, followed by at 0.291 and at 0.117. These findings indicate that the width of the slot () plays a critical role in determining the resolver’s accuracy, making it a primary target for optimization. In contrast, parameters like , , and show lower importance scores (0.023, 0.020, and 0.013, respectively), suggesting a lesser impact on error reduction. These results provide valuable guidance for focusing optimization efforts on the most impactful design variables.
3.4.1. XGBoost Model for Error Prediction
XGBoost is an ensemble algorithm known for its efficiency in handling large datasets with complex features. In this study, XGBoost was employed to model the relationship between stator slot parameters and the position error of the VRR. The input features for the model included the following:
- Stator Slot Dimensions: Slot width (), jaw width (), and slot wedge thickness ().
- Winding Spacings: Spacing between signal and excitation windings (), spacing between excitation winding and stator inner diameter (), and spacing between slot wedge and stator inner diameter ().
The model’s target variable was the position error obtained from FEA simulations. After training, the XGBoost model was capable of predicting position errors quickly, eliminating the need for repeated, time-consuming FEA simulations. The feature importance analysis emphasizes that optimizing and dimensions can lead to significant improvements in resolver accuracy, providing a strategic direction for refining the stator slot design (Figure 13).
Figure 13.
Features Contribution from XGBoost Model.
Data Preprocessing
Before training the XGBoost model, data preprocessing was performed to enhance model robustness and accuracy. The dataset was divided into training (70%), validation (15%), and testing (15%) sets to evaluate the model’s generalization capabilities. To mitigate the impact of outliers and scale the features appropriately, the RobustScaler from the scikit-learn library was employed for both the input features and the target variable. The RobustScaler centers the data using the median and scales it according to the interquartile range (IQR), defined as follows:
Hyperparameter Tuning
The XGBoost regression model was utilized to predict the relationship between stator slot parameters and the position error of the VRR. In the XGBoost model, regularization parameters such as lambda (L2 regularization term) and alpha (L1 regularization term) were fine-tuned to prevent overfitting. The model also benefits from built-in learning rate adjustment (shrinkage) to reduce the impact of each tree and enhance the overall robustness of the model. To optimize the hyperparameters and enhance model performance, a grid search was conducted using GridSearchCV with 3-fold cross-validation and negative mean squared error as the scoring metric. The hyperparameters and their tested ranges were the following:
- Learning Rate (learning_rate): {0.05, 0.1, 0.15}
- Number of Trees (n_estimators): {200, 300, 400}
- Maximum Tree Depth (max_depth): {7, 9, 11}
- Subsample Ratio of Columns (colsample_bytree): {0.7, 0.9, 1.1}
- Minimum Child Weight (min_child_weight): {5, 7, 9}
The best hyperparameter combination found was the following:
- Learning Rate: 0.1
- Number of Trees: 300
- Maximum Tree Depth: 9
- Subsample Ratio of Columns: 0.9
- Minimum Child Weight: 7
The final XGBoost model was configured as follows:
xgb_model = XGBRegressor(
max_depth = 9,
learning_rate = 0.1,
n_estimators = 300,
colsample_bytree = 0.9,
min_child_weight = 7,
objective = `reg:squarederror’,
booster = `gbtree’,
random_state = 0
)
Model Training and Evaluation
The model was trained on the training set and evaluated on the validation set to fine-tune the hyperparameters. After training, the XGBoost model achieved a MAE of 0.1172 on the test set, demonstrating its effectiveness in predicting position errors based on stator slot parameters.
3.4.2. Multi-Layer Perceptron for Complex Parameter Optimization
The traditional MLP was selected for this study due to its effectiveness in modeling complex, non-linear relationships in regression problems where input and output data do not have a temporal or sequential dependency. Unlike recurrent neural networks (RNNs), which are designed for sequential data processing and are more computationally intensive, MLPs are well-suited for static input–output mapping tasks like stator slot shape optimization. Additionally, MLPs require less training time and computational resources compared to more complex architectures, making them a practical choice for rapid prototyping and iterative design processes in electromagnetic device optimization. To capture complex non-linear relationships between the stator slot parameters and position error, an MLP model was employed. The MLP model, with its multi-layer architecture, is well-suited for learning intricate patterns from the dataset.The MLP model structure consists of the following:
- Input Layer: Six neurons corresponding to the six slot design parameters (, , , , , and ).
- Hidden Layers: The number of neurons and layers was optimized using GridSearchCV.
- Output Layer: A single neuron representing the position error.
The MLP used ReLU activation functions for non-linearity and the Adam optimizer to minimize the mean squared error (MSE) loss function, improving model convergence and prediction accuracy (Figure 14).
Figure 14.
Schematic diagram of the MLP architecture for stator slot shape optimization.
Data Preprocessing
Similar to the XGBoost model, data preprocessing was performed using the RobustScaler to center and scale the features and target variable. The dataset was split into training, validation, and testing sets with the same proportions. To prevent overfitting and enhance generalization, we employed L2 regularization (weight decay) with a coefficient of 0.01 in the MLP model. Additionally, dropout layers with a dropout rate of 0.2 were inserted between hidden layers to randomly deactivate neurons during training, further reducing the risk of overfitting. The Adam optimizer was used due to its adaptive learning rate capabilities, which improve convergence speed and performance.
MLP Model Architecture
To capture complex non-linear relationships between the stator slot parameters and position error, a MLP model was employed. The architecture and training parameters of the MLP model were as follows:
- Input Layer: Six neurons corresponding to the six stator slot design parameters.
- Hidden Layers:
- -
- First Hidden Layer: 100 neurons with ReLU activation function.
- -
- Second Hidden Layer: 50 neurons with ReLU activation function.
- Output Layer: One neuron with a linear activation function for regression output.
The MLP model was implemented using the Keras library, and the architecture was defined as follows:
MLP_model = Sequential([
Dense(100, activation = `relu’, input_shape = (6,)),
Dense(50, activation = `relu’),
Dense(1)
])
Model Compilation and Training
The model was compiled and trained using the following settings:
- Optimizer: Adam.
- Loss Function: MSE.
- Batch Size: 32.
- Epochs: 10,000.
- Validation: Model performance was monitored on the validation set after each epoch.
Although the number of epochs was set to a high value (10,000), the validation loss was monitored to prevent overfitting. Early stopping could be considered if the validation loss ceased to improve over several epochs.
Model Training and Evaluation
The MLP model was trained on the training set and evaluated on the validation set to fine-tune the model parameters. After training, the MLP model achieved an MAE of 0.1258 on the test set. While the MLP model effectively captured complex relationships, its performance was slightly less accurate than the XGBoost model for this specific task.
3.4.3. Model Performance Comparison and FEA Validation
Both models were evaluated based on predictive accuracy, convergence speed, and computational efficiency. The key performance metrics used for comparison were MAE, mean squared error (MSE), root mean squared error (RMSE), and R-squared (), a statistical measure used to evaluate the performance of a regression model.
- XGBoost Model: The XGBoost model exhibited an MAE of 0.117, an MSE of 0.027, and an RMSE of 0.164, with an value of 0.961, indicating high predictive accuracy and a strong correlation with the FEA values. The model showed smaller offsets and a lower absolute error compared to the MLP, consistently providing more reliable predictions across most data points.
- MLP Model: The MLP model achieved an MAE of 0.126, an MSE of 0.028, and an RMSE of 0.168, with an value of 0.960. While the MLP showed slightly higher errors and larger deviations from the FEA results compared to the XGBoost model, it was still effective in modeling non-linear interactions, albeit with longer training times.
To validate the optimized designs from the machine learning models, FEA simulations were conducted. Key performance indicators assessed included a comparison between the model predictions and the FEA results. The results from the simulations revealed substantial improvements in the optimized designs:
- Reduction in position errors. The XGBoost model achieved an average error reduction of approximately 10% compared to the MLP model.
- Enhanced signal orthogonality, observed as a decrease in absolute errors across samples.
- Lower harmonic distortion in induced voltages, with an average reduction in error magnitude from 0.17 to 0.12.
The effectiveness of the machine learning-driven optimization is demonstrated in Figure 15, which compares the predicted values from both the XGBoost and MLP models with the actual results from the FEA simulations. Both models exhibit a high degree of trend consistency with the FEA values, with only minimal differences. This strong alignment and low discrepancy between the predicted values and the FEA results highlight the success of both models in achieving accurate predictions.
Figure 15.
FEA vs. predicted values with error bands.
The analysis of Figure 16 and Figure 17 provides a detailed comparison of the offset and absolute error between the XGBoost and MLP model predictions with the actual FEA values.
Figure 16.
Model predictions vs. FEA values: offset comparison.
Figure 17.
Absolute error comparison: XGBoost vs. MLP.
In Figure 16, the offset comparison illustrates how the predictions from both models deviate from the FEA values. The XGBoost model displayed a maximum offset of 0.16, while the MLP reached up to 0.17. This demonstrates XGBoost’s superior ability to maintain closer alignment with the FEA values, with less deviation from the true values.
Figure 17 further supports this conclusion by comparing the absolute errors between the two models. XGBoost showed an average absolute error of 0.12, while MLP’s average error was 0.13, indicating XGBoost’s higher prediction accuracy across the sample set.
Moreover, when examining the overall prediction performance through the MAE, XGBoost’s MAE of 0.117 and RMSE of 0.164 were lower compared to MLP’s 0.126 MAE and 0.168 RMSE, indicating XGBoost’s effectiveness in error minimization and alignment with FEA simulation results.
In summary, both visual and numerical analyses show that the XGBoost model provides better optimization results, achieving a 10% reduction in average absolute error and a smaller maximum offset, thus aligning more closely with the FEA results.
3.4.4. Experimental Results and Discussion
Following the optimization of the stator slot design using the machine learning models, prototypes of the SSPWMW-VRR were manufactured based on the optimized parameters. These prototypes were then tested to validate the effectiveness of the optimization process in comparison with a conventional VRR. Figure 18a shows the experimental setup for testing the SSPWMW-VRR prototype on a high-precision rotary table. To reduce the influence of eccentricity on the output signal, fine adjustments were made to the center position of the resolver using a two-axis horizontal slide table. Any static installation eccentricity was minimized by precisely aligning the stator and shaft. Figure 18b displays the dynamic test system for evaluating the prototype.
Figure 18.
High-precision low-speed dynamic test system for resolver.
The structure of the dynamic test system is shown in Figure 19. The setup includes a high-precision rotary table that synchronously drives both the resolver and an encoder. The system is designed to generate stable excitation signals, sample resolver output synchronously, and decode the resolver’s position using a high-precision 32-bit encoder to calculate error deviations.
Figure 19.
Schematic of resolver test and analysis system.
As shown in Figure 20a, the oscilloscope captures the waveform from the SSPWMW-VRR prototype, demonstrating significant improvements in signal stability when compared to the conventional VRR output (Figure 20b). The optimized design effectively reduces amplitude and phase variations, highlighting the success of the machine learning-driven optimization process. Comparative experiments were conducted on resolvers with a 37 mm outer diameter to evaluate the accuracy of the optimized design, with prototypes of the conventional VRR and SSPWMW-VRR being tested.
Figure 20.
Experimental output signal waveform.
The error evaluation in Figure 21 indicates that the maximum error in the output signal is not confined to zero position or fixed angle positions, as was often assumed in traditional methods. The use of RDC (resolver-to-digital converter) calculations allows for a more accurate understanding of continuous signal variations and their associated errors. While the conventional VRR demonstrated an error of ±30′, the SSPWMW-VRR prototype significantly reduced this to ±5′, further validating the effectiveness of the optimized design.
Figure 21.
Evaluation of VRRs: conventional vs. SSPWMW.
Harmonic analysis, shown in Figure 22, further supports these findings. The fourth harmonic, primarily attributed to slot leakage flux, was present in all VRR prototypes. The conventional VRR exhibited the highest harmonic amplitude of 6.40, with multiple significant harmonic components. In contrast, the SSPWMW-VRR prototype reduced the harmonic amplitude to 1.94 and showed fewer significant harmonics. These results underscore the improvement in signal quality and reduction in error magnitudes achieved through the optimization process.
Figure 22.
Harmonic analysis of VRR prototypes.
In summary, the experimental results demonstrate the effectiveness of the machine learning-driven optimization algorithm. By comparing the optimized SSPWMW-VRR prototype to a conventional VRR, it is clear that the SSPWMW-VRR offers superior accuracy and signal stability, with significantly lower errors and reduced harmonic distortion. These findings validate the practical application of the optimization techniques developed in this study.
4. Discussion
4.1. Advantages of the Proposed Method
The proposed hybrid optimization framework, integrating PSO, MEC analysis, and advanced machine learning techniques, offers several significant advantages:
- Improved Accuracy: The optimized SSPWMW-VRR design demonstrates a substantial reduction in position errors and harmonic distortion compared to conventional VRRs, enhancing overall resolver performance.
- Efficiency in Design Process: By leveraging machine learning models such as XGBoost and MLP, the framework reduces the need for extensive FEA simulations and physical prototyping, accelerating the design and optimization process.
- Comprehensive Optimization: The integration of PSO for winding optimization, MEC analysis for magnetic behavior, and machine learning for stator slot shape optimization ensures that all critical aspects of the resolver design are addressed systematically.
- Flexibility and Adaptability: The framework can be adjusted to accommodate different design parameters and constraints, making it applicable to a wide range of resolver configurations.
4.2. Challenges and Limitations in Real-World Applications
While the optimized SSPWMW-VRR design demonstrates significant improvements in accuracy and signal quality under controlled conditions, several challenges remain when considering its implementation in high-precision applications such as EVs and aerospace systems. These challenges primarily stem from the complexities associated with real-world operating conditions, manufacturing processes, and material behaviors.
One of the main difficulties in applying the optimized VRR design to high-precision applications is the computational intensity and time required for accurate electromagnetic simulations. The VRR simulations involve long calculation cycles and demand high precision to capture the intricate electromagnetic interactions accurately. In our study, we leveraged the linear characteristics of magnetic materials, which facilitated the machine learning model training using simulation data. However, in real-world applications like EVs and aerospace systems, the magnetic materials often operate near or beyond their linear regions, exhibiting saturation effects that significantly influence the electromagnetic behavior of the resolver.
Incorporating the saturation characteristics of magnetic materials into simulations introduces additional complexities. The non-linearities associated with magnetic saturation require more sophisticated modeling techniques and increase computational demands. This poses a challenge for machine learning-based optimization, as the models must now account for non-linear material behaviors, which may not have been adequately captured in the training data derived from linear simulations. Consequently, extending our optimization framework to applications involving magnetic saturation necessitates the development of more advanced machine learning models capable of handling non-linearities in electromagnetic fields.
Another challenge lies in the variability introduced by manufacturing processes and installation conditions. In practical scenarios, the geometric dimensions of the resolver components and their assembly may deviate from the design specifications due to manufacturing tolerances and installation inaccuracies. These deviations can lead to discrepancies between the simulated performance and actual behavior of the resolver. To address this issue, it is essential to consider the statistical distribution of manufacturing and assembly parameters in the simulation models.
Introducing stochastic variations into the simulation parameters, such as spatial position randomization, can enhance the robustness of the optimization process. By accounting for possible variations in component dimensions, material properties, and installation positions, the machine learning models can be trained to predict performance across a range of realistic scenarios. This approach improves the consistency between simulation results and actual production outcomes, leading to designs that are more tolerant to manufacturing imperfections and environmental influences.
Environmental factors such as temperature fluctuations, mechanical vibrations, and electromagnetic interference in EVs and aerospace applications also impact the resolver’s performance. These factors can alter the magnetic properties of materials and affect the stability of the resolver’s output signals. Therefore, future work should incorporate environmental considerations into the simulation and optimization processes to ensure the resolver’s reliability under varying operating conditions.
4.3. Challenges in Extending the Optimization Method to Other Machine Topologies
While the proposed hybrid optimization framework has demonstrated significant improvements in the design and performance of the SSPWMW-VRR, extending this method to other machine topologies, such as induction motors and synchronous reluctance motors, presents several challenges.
Firstly, different machine types have varying magnetic characteristics, structural configurations, and operational principles. Induction motors rely on electromagnetic induction to generate torque, involving complex interactions between stator and rotor magnetic fields. Synchronous reluctance motors, on the other hand, operate based on the anisotropy of the rotor’s magnetic reluctance. These fundamental differences mean that the MEC models and optimization strategies developed for the VRR may not be directly applicable to other machines without significant modifications.
Secondly, the parameter space for other machine types is often larger and more complex. For instance, induction motors have additional parameters like rotor bar geometry, end-ring characteristics, and slip, which influence performance. This increased complexity requires more sophisticated optimization algorithms and longer computational times to explore the design space effectively.
Moreover, the machine learning models need to be retrained with new datasets specific to the machine type under consideration. The input features, target variables, and relationships between them can differ substantially from those of the VRR. Collecting sufficient high-quality data for training can be time-consuming and may require extensive FEA simulations or experimental measurements.
Adjusting the optimization algorithms, such as PSO, to accommodate the unique constraints and objectives of other machines also adds to the complexity. The fitness functions must be redefined to reflect different performance metrics, such as efficiency, power factor, or torque ripple, which are critical in other machine types.
In addition, manufacturing and material considerations can pose challenges. Different machines may use various materials with distinct magnetic properties, thermal characteristics, and mechanical strengths. Incorporating these factors into the MEC models and optimization framework requires careful adaptation and validation.
Therefore, while the hybrid optimization framework shows promise, its application to other machine topologies necessitates significant efforts in model development, data acquisition, and algorithm adaptation. Future research could focus on customizing the MEC models for different machines, expanding the optimization algorithms to handle more complex parameter spaces, and developing generalized machine learning models capable of capturing the nuances of various electrical machines.
4.4. Future Research Directions
Future work could focus on the following:
- Non-linear Material Modeling: Incorporating the effects of magnetic saturation and non-linear material properties into the simulation and optimization processes to enhance the accuracy of predictions in real-world applications.
- Robustness to Manufacturing Variations: Developing optimization techniques that account for manufacturing tolerances and installation variabilities to improve the consistency between simulated and actual resolver performance.
- Application to Other Machine Topologies: Extending the optimization framework to other types of electrical machines, such as induction motors and synchronous reluctance motors, by adapting the MEC models and machine learning algorithms to handle their unique characteristics.
- Advanced Machine Learning Models: Exploring the use of more sophisticated machine learning models, such as deep learning architectures or ensemble methods, to capture complex non-linear relationships and improve prediction accuracy.
- Environmental Considerations: Incorporating the effects of environmental factors, such as temperature fluctuations and electromagnetic interference, into the optimization process to ensure resolver reliability under varying operating conditions.
5. Conclusions
In this study, the performance of a SSPWMW-VRR was optimized through a multi-layered approach, integrating PSO, MEC analysis, and advanced machine learning techniques such as XGBoost and MLP.
The primary objective of this paper was to optimize the stator structure of the VRR by leveraging advanced machine learning techniques to enhance resolver accuracy and performance. The results confirm that integrating machine learning models into the design process effectively addresses the limitations of conventional VRRs, such as winding asymmetry and harmonic distortions, leading to substantial improvements in resolver accuracy and signal quality.
The PSO algorithm was instrumental in optimizing the winding distribution to achieve sinusoidal orthogonality and minimize harmonic distortion. MEC analysis further provided detailed insights into the magnetic behavior within the stator slots, enabling the fine-tuning of slot leakage flux, thereby improving the overall electromagnetic performance. The application of machine learning techniques, particularly XGBoost and MLP, was a key innovation in this research. These models allowed for precise optimization of the stator slot shape, reducing the reliance on traditional trial-and-error methods and extensive physical simulations.
The optimized designs were validated through FEA simulations and real-world experimental tests. The machine learning models demonstrated a high degree of accuracy, with XGBoost exhibiting a MAE of 0.1172, compared to 0.1258 for MLP, thus confirming that XGBoost provided superior performance in this context. Experimental results further validated the efficacy of the optimized design, as the SSPWMW-VRR prototype achieved a significant reduction in position errors (from ±30′ to ±5′) and harmonic distortion compared to a conventional VRR.
Future work will focus on extending the optimization framework to account for non-linear material behaviors, manufacturing variabilities, and environmental factors, thereby addressing the challenges identified in both real-world applications and in adapting the method to other machine topologies. By incorporating magnetic saturation effects, stochastic modeling, and customizing models for different machine types, we aim to further enhance the robustness and applicability of the optimized VRR design in high-precision applications like electric vehicles and aerospace systems.
Overall, this study demonstrates the potential of combining optimization algorithms, detailed electromagnetic modeling, and machine learning techniques to improve the design and performance of VRRs. The proposed SSPWMW-VRR exhibits enhanced accuracy, signal stability, and reduced harmonic content, making it a promising solution for high-precision applications such as electric vehicles and aerospace systems.
Author Contributions
All authors contributed equally to the concept of the paper and investigation of methodologies, writing, and drawing of figures; original draft preparation and editing, conceptualization, investigation, and methodology: W.L.; supervision, project administration, funding acquisition, writing—review: S.H.; machine learning algorithm development, synthetic data generation, and validation: S.Y.; implementation of PSO algorithms and parametric modeling using FEA: Q.L. All authors have read and agreed to the published version of the manuscript.
Funding
This research was funded by National Natural Science Foundation of China grant number 52107112.
Data Availability Statement
The original contributions presented in the study are included in the article, further inquiries can be directed to the corresponding author/s.
Conflicts of Interest
The authors declare no conflicts of interest.
Abbreviations
The following abbreviations are used in this manuscript:
| VRRs | Variable Reluctance Resolvers |
| EVs | Electric Vehicles |
| PMSMs | Permanent Magnet Synchronous Motors |
| FEA | Finite Element Analysis |
| AI | Artificial Intelligence |
| ML | Machine Learning |
| NSGA-II | Non-dominated Sorting Genetic Algorithm II |
| XGBoost | Extreme Gradient Boosting |
| SSPWMW | Segmented Sinusoidal Parameter Winding with Magnetic Wedge |
| PSO | Particle Swarm Optimization |
| MEC | Magnetic Equivalent Circuit |
| PCB | Printed Circuit Board |
| NN | Neural Networks |
| MLP | Multi-Layer Perceptron |
| DNN | Deep Neural Network |
| MAE | Mean Absolute Error |
| RMSE | Root Mean Square Error |
| MSE | Mean Squared Error |
| R-squared |
References
- Ge, X.; Zhu, Z.Q.; Ren, R.; Chen, J.T. A Novel Variable Reluctance Resolver for HEV/EV Applications. IEEE Trans. Ind. Appl. 2016, 52, 2872–2880. [Google Scholar] [CrossRef]
- Kim, K.C.; Hwang, S.J.; Sung, K.Y.; Kim, Y. A study on the fault diagnosis analysis of variable reluctance resolver for electric vehicle. In Proceedings of the SENSORS, Waikoloa, HI, USA, 1–4 November 2010; pp. 290–295. [Google Scholar] [CrossRef]
- Kim, K.C. Analysis on the Charateristics of Variable Reluctance Resolver Considering Uneven Magnetic Fields. IEEE Trans. Magn. 2013, 49, 3858–3861. [Google Scholar] [CrossRef]
- Kim, J.; Lee, C. Angular position error detection of variable reluctance resolver using simulation-based approach. Int. J. Automot. Technol. 2013, 14, 651–658. [Google Scholar] [CrossRef]
- Tootoonchian, F. Design and Optimization of a Multi-Turn Variable Reluctance Resolver. IEEE Sens. J. 2019, 19, 7275–7282. [Google Scholar] [CrossRef]
- Neidig, N.; Wanke, A.; Werner, Q.; Doppelbauer, M. Influence of a variable reluctance resolver on an E-motor-system. In Proceedings of the 2016 18th European Conference on Power Electronics and Applications (EPE’16 ECCE Europe), Karlsruhe, Germany, 5–9 September 2016; pp. 1–10. [Google Scholar] [CrossRef]
- Xiao, L.; Li, Z.; Bi, C. Optimization of a Reluctance Resolver. In Proceedings of the 2018 Asia-Pacific Magnetic Recording Conference (APMRC), Shanghai, China, 15–17 November 2018; pp. 1–2. [Google Scholar] [CrossRef]
- Nasiri-Gheidari, Z.; Alipour-Sarabi, R.; Tootoonchian, F.; Zare, F. Performance Evaluation of Disk Type Variable Reluctance Resolvers. IEEE Sens. J. 2017, 17, 4037–4045. [Google Scholar] [CrossRef]
- Tootoonchian, F. Proposal of new windings for 5-X variable reluctance resolvers. IET Sci. Meas. Technol. 2018, 12, 651–656. [Google Scholar] [CrossRef]
- Tolstykh, O.A.; Balkovoi, A.P.; Tiapkin, M.G.; Markov, A.S. Research and development of the 4X-variable reluctance resolver. In Proceedings of the 2016 IEEE NW Russia Young Researchers in Electrical and Electronic Engineering Conference (EIConRusNW), St. Petersburg, Russia, 2–3 February 2016; pp. 704–709. [Google Scholar] [CrossRef]
- Sun, L.; Lu, Y. Rotor-position Sensing System based on one type of Variable-reluctance Resolver. In Proceedings of the IECON 2006—32nd Annual Conference on IEEE Industrial Electronics, Paris, France, 6–10 November 2006; pp. 1162–1165. [Google Scholar] [CrossRef]
- Mao, F.; Du, L.; Gu, J.; Jin, L.; Xu, Z. Study on Structure Parameters Optimization of Reluctance Resolver. In Proceedings of the 2018 21st International Conference on Electrical Machines and Systems (ICEMS), Jeju, Republic of Korea, 7–10 October 2018; pp. 2829–2833. [Google Scholar] [CrossRef]
- Shang, J.; Liu, C.; Zou, J. The analysis for new axial variable reluctance resolver with air-gap complementary structure. In Proceedings of the 2009 International Conference on Electrical Machines and Systems, Tokyo, Japan, 15–18 November 2009; pp. 1–6. [Google Scholar] [CrossRef]
- Hanselman, D.; Thibodeau, R.; Smith, D. Variable-reluctance resolver design guidelines. In Proceedings of the 15th Annual Conference of IEEE Industrial Electronics Society, Philadelphia, PA, USA, 6–10 November 1989; Volume 1, pp. 203–208. [Google Scholar] [CrossRef]
- Sun, L. Analysis and Improvement on the Structure of Variable Reluctance Resolvers. IEEE Trans. Magn. 2008, 44, 2002–2008. [Google Scholar] [CrossRef]
- Ge, X.; Zhu, Z.Q.; Ren, R.; Chen, J.T. Analysis of Windings in Variable Reluctance Resolver. IEEE Trans. Magn. 2015, 51, 8104810. [Google Scholar] [CrossRef]
- Hanselman, D. Resolver signal requirements for high accuracy resolver-to-digital conversion. IEEE Trans. Ind. Electron. 1990, 37, 556–561. [Google Scholar] [CrossRef]
- Hanselman, D. Signal processing techniques for improved resolver-to-digital conversion accuracy. In Proceedings of the IECON’90: 16th Annual Conference of IEEE Industrial Electronics Society, Pacific Grove, CA, USA, 27–30 November 1990; Volume 1, pp. 6–10. [Google Scholar] [CrossRef]
- Li, W.T.; Huang, S.R. Variable-reluctance resolver rotor design based on FEA and Matlab co-simulation. In Proceedings of the 2015 IEEE International Conference on Applied Superconductivity and Electromagnetic Devices (ASEMD), Shanghai, China, 20–23 November 2015; pp. 238–239. [Google Scholar] [CrossRef]
- Qian, Z.; Qi, L.; Li, G.; Deng, W.; Sun, Z.; Chen, Q. Analysis of Vibration and Noise in Electric Drive System Under Resolver and Motor Rotor Coupling Eccentricity. IEEE Trans. Transp. Electrif. 2024, 10, 1827–1836. [Google Scholar] [CrossRef]
- Saneie, H.; Nasiri-Gheidari, Z.; Tootoonchian, F. Accuracy Improvement in Variable Reluctance Resolvers. IEEE Trans. Energy Convers. 2019, 34, 1563–1571. [Google Scholar] [CrossRef]
- Li, Z.; Xiao, L.; Bi, C. Frequency Domain Finite-Element Analysis of Variable Reluctance Resolver. In Proceedings of the 2018 Asia-Pacific Magnetic Recording Conference (APMRC), Shanghai, China, 15–17 November 2018; pp. 1–2. [Google Scholar] [CrossRef]
- Qu, R.; Lipo, T. Analysis and modeling of airgap & zigzag leakage fluxes in a surface-mounted-PM machine. In Proceedings of the Conference Record of the 2002 IEEE Industry Applications Conference, 37th IAS Annual Meeting (Cat. No. 02CH37344), Pittsburgh, PA, USA,, 13–18 October 2002; IEEE: Piscataway, NJ, USA, 2002; Volume 4, pp. 2507–2513. [Google Scholar] [CrossRef]
- Saed, N.; Asgari, S.; Mirsalim, M. Zigzag leakage flux modeling in permanent magnet machines with cylindrical magnets. In Proceedings of the 2018 9th Annual Power Electronics, Drives Systems and Technologies Conference (PEDSTC), Tehran, Iran, 13–15 February 2018; pp. 95–98. [Google Scholar] [CrossRef]
- Faiz, J.; Tabatabaei, I.; Sharifi-Ghazvini, E. A Precise Electromagnetic Modeling and Performance Analysis of a Three-Phase Squirrel-Cage Induction Motor under Mixed Eccentricity Condition. Electromagnetics 2004, 24, 471–489. [Google Scholar] [CrossRef]
- Ge, X.; Zhu, Z.Q. A Novel Design of Rotor Contour for Variable Reluctance Resolver by Injecting Auxiliary Air-Gap Permeance Harmonics. IEEE Trans. Energy Convers. 2016, 31, 345–353. [Google Scholar] [CrossRef]
- Ismail, M.M.; Xu, W.; Wang, X.; Junejo, A.K.; Liu, Y.; Dong, M. Analysis and Optimization of Torque Ripple Reduction Strategy of Surface-Mounted Permanent-Magnet Motors in Flux-Weakening Region Based on Genetic Algorithm. IEEE Trans. Ind. Appl. 2021, 57, 4091–4106. [Google Scholar] [CrossRef]
- Akbari, M.; Rezaei-Zare, A.; Cheema, M.A.M.; Kalicki, T. Air Gap Inductance Calculation for Transformer Transient Model. IEEE Trans. Power Deliv. 2021, 36, 492–494. [Google Scholar] [CrossRef]
- Maramba Gamage, D.; Ranasinghe, M.; Dinavahi, V. Application of Artificial Intelligence Techniques on Computational Electromagnetics for Power System Apparatus: An Overview. IEEE Open Access J. Power Energy 2024, 11, 130–140. [Google Scholar] [CrossRef]
- Raia, M.R.; Ruba, M.; Nemes, R.O.; Martis, C. Artificial Neural Network and Data Dimensionality Reduction Based on Machine Learning Methods for PMSM Model Order Reduction. IEEE Access 2021, 9, 102345–102354. [Google Scholar] [CrossRef]
- Hsieh, M.F.; Lin, L.H.; Huynh, T.A.; Dorrell, D. Development of Machine Learning-Based Design Platform for Permanent Magnet Synchronous Motor Toward Simulation Free. IEEE Trans. Magn. 2023, 59, 8205705. [Google Scholar] [CrossRef]
- Liu, F.; Wang, X.; Wei, H. Electromagnetic Performance Analysis, Prediction, and Multiobjective Optimization for U-Type IPMSM. IEEE Trans. Ind. Electron. 2024, 71, 10322–10334. [Google Scholar] [CrossRef]
- Jastrzębski, M.; Kabziński, J. Approximation of Permanent Magnet Motor Flux Distribution by Partially Informed Neural Networks. Energies 2021, 14, 5619. [Google Scholar] [CrossRef]
- Buettner, M.A.; Monzen, N.; Hackl, C.M. Artificial Neural Network Based Optimal Feedforward Torque Control of Interior Permanent Magnet Synchronous Machines: A Feasibility Study and Comparison with the State-of-the-Art. Energies 2022, 15, 1838. [Google Scholar] [CrossRef]
- Bae, S.B.; Choi, D.S.; Min, S.G. Artificial Hunting Optimization: A Novel Method for Design Optimization of Permanent Magnet Machines. IEEE Trans. Transp. Electrif. 2024, 10, 3305–3319. [Google Scholar] [CrossRef]
- Pan, Z.; Fang, S. Combined Random Forest and NSGA-II for Optimal Design of Permanent Magnet Arc Motor. IEEE J. Emerg. Sel. Top. Power Electron. 2022, 10, 1800–1812. [Google Scholar] [CrossRef]
- Wang, X.; Wang, Y.; Wu, T. The Review of Electromagnetic Field Modeling Methods for Permanent-Magnet Linear Motors. Energies 2022, 15, 3595. [Google Scholar] [CrossRef]
- Jim Hassan, T.; Jangula, J.; Ramchandra, A.R.; Sugunaraj, N.; Chandar, B.S.; Rajagopalan, P.; Rahman, F.; Ranganathan, P.; Adams, R. UAS-Guided Analysis of Electric and Magnetic Field Distribution in High-Voltage Transmission Lines (Tx) and Multi-Stage Hybrid Machine Learning Models for Battery Drain Estimation. IEEE Access 2024, 12, 4911–4939. [Google Scholar] [CrossRef]
- Alharkan, H. Torque Ripple Minimization of Variable Reluctance Motor Using Reinforcement Dual NNs Learning Architecture. Energies 2023, 16, 4839. [Google Scholar] [CrossRef]
- Li, C.; Wang, G.; Zhang, G.; Zhao, N.; Gao, Y.; Xu, D. Torque Ripples Minimization of Sensorless SynRM Drives for Low-Speed Operation Using Bi-HFSI Scheme. IEEE Trans. Ind. Electron. 2021, 68, 5559–5570. [Google Scholar] [CrossRef]
- Kamali, T.; Stashuk, D.W. Transparent Electrophysiological Muscle Classification From EMG Signals Using Fuzzy-Based Multiple Instance Learning. IEEE Trans. Neural Syst. Rehabil. Eng. 2020, 28, 842–849. [Google Scholar] [CrossRef]
- Benninger, M.; Liebschner, M.; Kreischer, C. Fault Detection of Induction Motors with Combined Modeling- and Machine-Learning-Based Framework. Energies 2023, 16, 3429. [Google Scholar] [CrossRef]
- Murphey, Y.L.; Masrur, M.; Chen, Z.; Zhang, B. Model-based fault diagnosis in electric drives using machine learning. IEEE/ASME Trans. Mechatronics 2006, 11, 290–303. [Google Scholar] [CrossRef]
- Wentao, L.; Xin, Z.; Wenlei, W.; Zhengbin, R.; Zhi, W.; Jia, C. Modular Absolute Position Corner Detection Device. China. CN109474129B, 9 April 2021. [Google Scholar]
Disclaimer/Publisher’s Note: The statements, opinions and data contained in all publications are solely those of the individual author(s) and contributor(s) and not of MDPI and/or the editor(s). MDPI and/or the editor(s) disclaim responsibility for any injury to people or property resulting from any ideas, methods, instructions or products referred to in the content. |
© 2024 by the authors. Licensee MDPI, Basel, Switzerland. This article is an open access article distributed under the terms and conditions of the Creative Commons Attribution (CC BY) license (https://creativecommons.org/licenses/by/4.0/).





















