Investigating the Parameter-Driven Cathode Gas Diffusion of PEMFCs with a Piecewise Linearization Model
Abstract
:1. Introduction
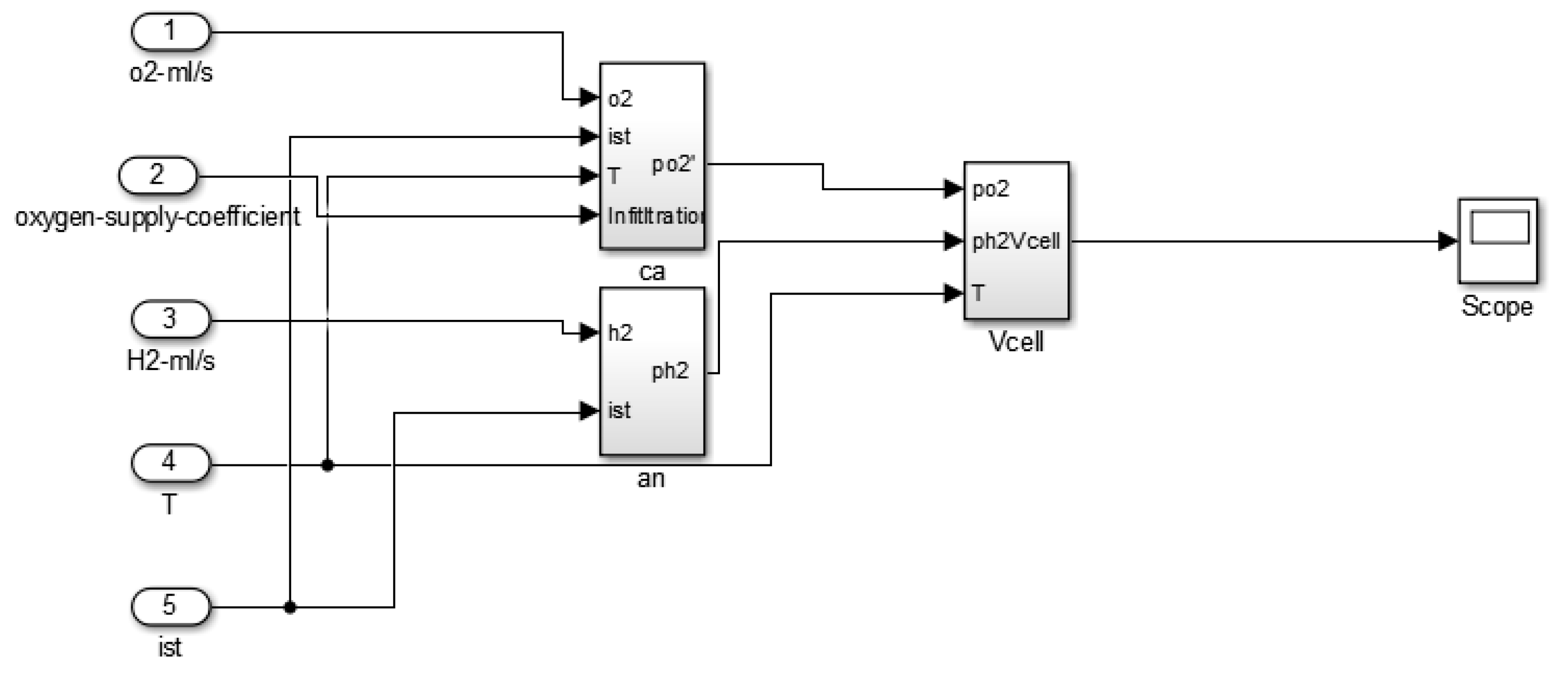
2. Simulation of the Membrane Electrode Assembly
3. Model Development
3.1. Cathode Flow Model
3.2. Open Circuit Voltage Model
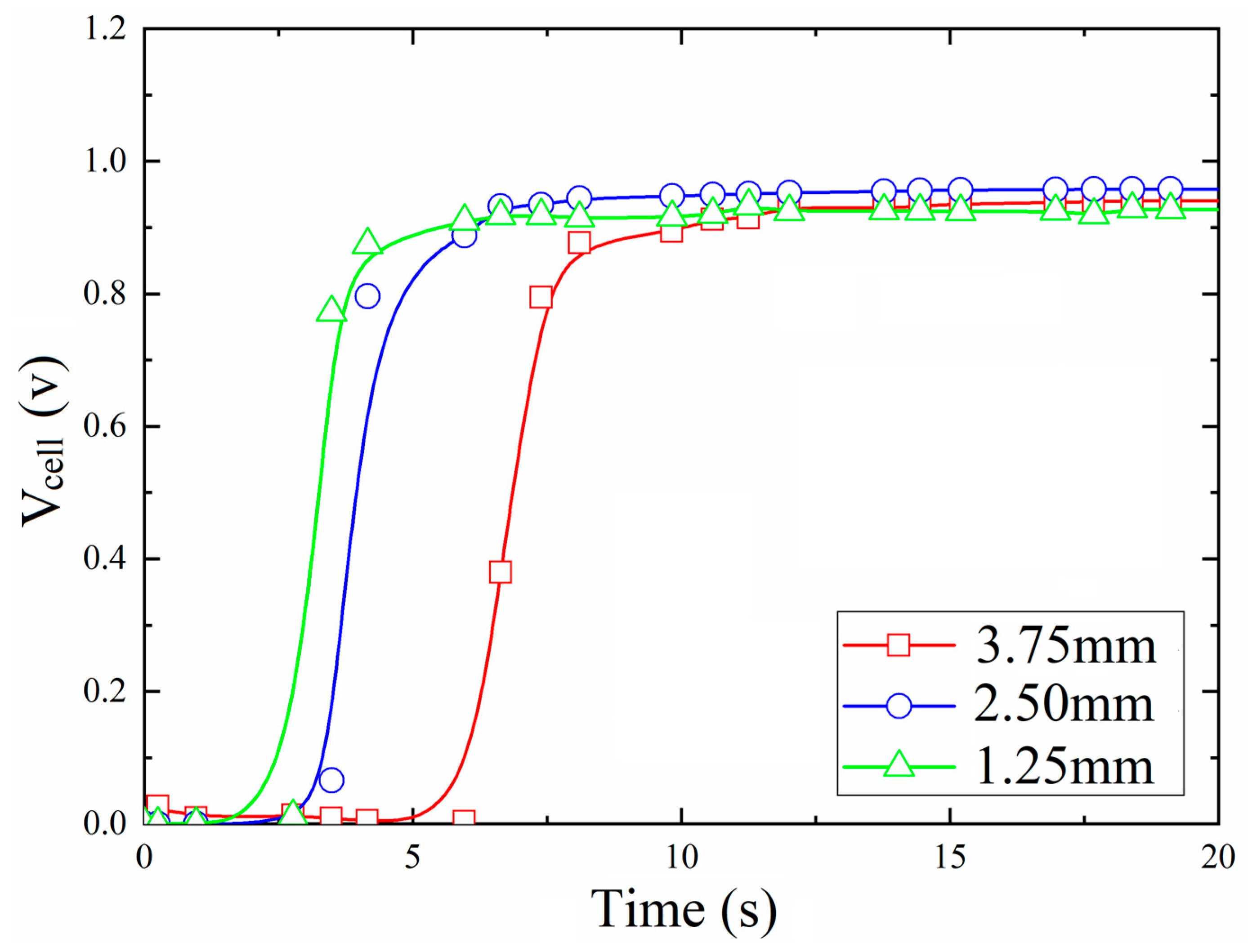
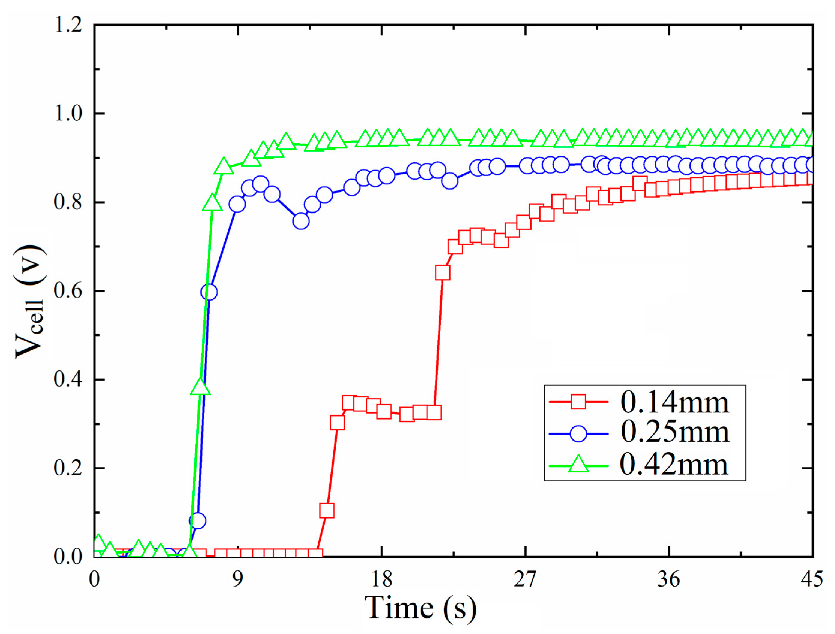
4. Experiments and Discussions
5. Conclusions
Author Contributions
Funding
Data Availability Statement
Conflicts of Interest
Nomenclature
| N | reacted moles of oxygen |
| I | individual cell current, A |
| t | time, s |
| actual-oxygen-supply-coefficient | |
| oxygen volumetric flow rate, mL/s | |
| permeation capacity | |
| flow influence factor | |
| gas velocity, (m/s) | |
| T | temperature of a single cell, K |
| S | effective surface area of the electrode, m2 |
| D | area of the gas tunnel cross-section, m2 |
| Vcell | a fuel cell voltage, V |
| E | electrode potential or thermodynamic potential, V |
| Vact | activation overvoltage, V |
| Vohmic | ohmic overvoltage, V |
| E0 | standard electrode potential, V |
| t0 | penetration time, s |
| hydrogen partial pressure, bar | |
| oxygen partial pressure, bar | |
| d | thickness of diffusion layer, m |
References
- Tian, H.; Cui, X.; Shi, J. Emerging electrocatalysts for PEMFCs applications: Tungsten oxide as an example. Chem. Eng. J. 2021, 421, 129430. [Google Scholar] [CrossRef]
- Chu, T.; Xie, M.; Yu, Y.; Wang, B.; Yang, D.; Li, B.; Ming, P.; Zhang, C. Experimental study of the influence of dynamic load cycle and operating parameters on the durability of PEMFC. Energy 2022, 239, 22356. [Google Scholar] [CrossRef]
- Zhao, J.; Chang, H.; Luo, X.; Tu, Z.; Chan, S.H. A novel type of PEMFC-based CCHP system with independent control of refrigeration and dehumidification. Appl. Therm. Eng. 2022, 204, 117915. [Google Scholar] [CrossRef]
- Jiao, D.; Jiao, K.; Zhong, S.; Du, Q. Investigations on heat and mass transfer in gas diffusion layers of PEMFC with a gas–liquid-solid coupled model. Appl. Energy 2022, 316, 118996. [Google Scholar] [CrossRef]
- Deng, S.; Zhang, J.; Zhang, C.; Luo, M.; Ni, M.; Li, Y.; Zeng, T. Prediction and optimization of gas distribution quality for high-temperature PEMFC based on data-driven surrogate model. Appl. Energy 2022, 327, 120000. [Google Scholar] [CrossRef]
- Herdem, M.S.; Farhad, S.; Hamdullahpur, F. Modeling and parametric study of a methanol reformate gas-fueled HT-PEMFC system for portable power generation applications. Energy Convers. Manag. 2015, 101, 19–29. [Google Scholar] [CrossRef]
- Xu, Y.; Qiu, D.; Yi, P.; Lan, S.; Peng, L. An integrated model of the water transport in nonuniform compressed gas diffusion layers for PEMFC. Int. J. Hydrog. Energy 2019, 44, 13777–13785. [Google Scholar] [CrossRef]
- Rahman, M.A.; Sarker, M.; Mojica, F.; Chuang, P.Y.A. A physics-based 1-D PEMFC model for simulating two-phase water transport in the electrode and gas diffusion media. Appl. Energy 2022, 316, 119101. [Google Scholar] [CrossRef]
- Cindrella, L.; Kannan, A.M.; Lin, J.F.; Saminathan, K.; Ho, Y.; Lin, C.W.; Wertz, J. Gas diffusion layer for proton exchange membrane fuel cells-a review. J. Power Sources 2009, 194, 146–160. [Google Scholar] [CrossRef]
- Xu, C.; Wang, H.; Cheng, T.A. Wave-shaped flow channel design and optimization of PEMFCs with a groove in the gas diffusion layer. Int. J. Hydrog. Energy 2023, 48, 4418–4429. [Google Scholar] [CrossRef]
- He, P.; Mu, Y.T.; Park, J.W.; Tao, W.Q. Modeling of the effects of cathode catalyst layer design parameters on performance of polymer electrolyte membrane fuel cell. Appl. Energy 2020, 277, 115555. [Google Scholar] [CrossRef]
- Wang, L.; Morales-Collazo, O.; Joan, F.B.; Jia, H. Dimeric ionic liquid for improving performance and durability of PEMFCs. J. Power Sources 2023, 556, 232488. [Google Scholar] [CrossRef]
- Matamoros, L.; Brüggemann, D. Concentration and ohmic losses in free-breathing PEMFC. J. Power Sources 2007, 173, 367–374. [Google Scholar] [CrossRef]
- Zhou, Z.; Ye, L.; Qiu, D.; Peng, L.; Lai, X. Experimental investigation and decoupling of voltage losses distribution in proton exchange membrane fuel cells with a large active area. Chem. Eng. J. 2023, 452, 139497. [Google Scholar] [CrossRef]
- Pan, W.; Chen, Z.; Chen, X.; Wang, F.; Dai, G. Analytical and numerical investigation of flow distribution in PEMFC stacks. Chem. Eng. J. 2022, 450, 137598. [Google Scholar] [CrossRef]
- Sun, Y.; Mao, L.; Wang, H.; Liu, Z.; Lu, S. Simulation study on magnetic field distribution of PEMFC. Int. J. Hydrog. Energy 2022, 47, 33439–33452. [Google Scholar] [CrossRef]
- Ma, R.; Xie, R.; Xu, L.; Huang, Y.; Li, Y. A Hybrid Prognostic Method for PEMFC With Aging Parameter Prediction. IEEE Trans. Transp. Electrif. 2021, 7, 2318–2331. [Google Scholar] [CrossRef]
- Zhao, Y.; Mao, Y.; Zhang, W.; Tang, Y.; Wang, P. Reviews on the effects of contaminations and research methodologies for PEMFC. Int. J. Hydrog. Energy 2022, 45, 23174–23200. [Google Scholar] [CrossRef]
- Chugh, S.; Chaudhari, C.; Sonkar, K.; Sharma, A.; Kapur, G.S.; Ramakumar, S.S.V. Experimental and modelling studies of low temperature PEMFC performance. Int. J. Hydrog. Energy 2020, 45, 8866–8874. [Google Scholar] [CrossRef]
- Kwon, O.J.; Shin, H.S.; Cheon, S.H.; Oh, B.S. A study of numerical analysis for PEMFC using a multiphysics program and statistical method. Int. J. Hydrog. Energy 2015, 40, 11577–11586. [Google Scholar] [CrossRef]
- Behrou, R.; Pizzolato, A.; Forner-Cuenca, A. Topology optimization as a powerful tool to design advanced PEMFCs flow fields. Int. J. Heat Mass Transf. 2019, 135, 72–92. [Google Scholar] [CrossRef]
- Nishimura, A.; Toyoda, K.; Kojima, Y.; Ito, S.; Hu, E. Numerical Simulation on Impacts of Thickness of Nafion Series Membranes and Relative Humidity on PEMFC Operated at 363 K and 373 K. Energies 2021, 14, 8256. [Google Scholar] [CrossRef]
- Yu, X.; Zhang, C.; Fan, M.; Deng, B.; Huang, C.; Xu, J.; Liu, D.; Jiang, S. Experimental study of dynamic performance of defective cell within a PEMFC stack. Int. J. Hydrog. Energy 2022, 47, 8480–8491. [Google Scholar] [CrossRef]
- Saeed, F.; Saidan, M.; Said, A.; Mustafa, M.; Abdelhadi, A.; Al-Weissi, S. Effect of flow rate, flow direction, and silica addition on the performance of membrane and the corrosion behavior of Pt–Ru/C catalyst in PEMFC. Energy Convers. Manag. 2013, 75, 36–43. [Google Scholar] [CrossRef]
- Iulianelli, A.; Clarizia, G.; Gugliuzza, A.; Ebrasu, D.; Bevilacqua, A.; Trotta, F.; Basile, A. Sulfonation of PEEK-WC polymer via chloro-sulfonic acid for potential PEM fuel cell applications. Int. J. Hydrog. Energy 2010, 35, 12688–12695. [Google Scholar] [CrossRef]
- Alberro, M.; Marzo, F.F.; Manso, A.P.; Domínguez, V.; Barranco, J.; Garikano, X. Electronic modeling of a PEMFC with logarithmic amplifiers. Int. J. Hydrog. Energy 2015, 40, 3708–3718. [Google Scholar] [CrossRef]
- Pei, P.; Li, Y.; Xu, H.; Wu, Z. A review on water fault diagnosis of PEMFC associated with the pressure drop. Appl. Energy 2016, 173, 366–385. [Google Scholar] [CrossRef]
- Yu, R.; Guo, H.; Ye, F.; Chen, H. Multi-parameter optimization of stepwise distribution of parameters of gas diffusion layer and catalyst layer for PEMFC peak power density. Appl. Energy 2022, 324, 119764. [Google Scholar] [CrossRef]
- Meng, T.; Cui, D.; Ji, Y.; Cheng, M.; Tu, B.; Lan, Z. Optimization and efficiency analysis of methanol SOFC-PEMFC hybrid system. Int. J. Hydrog. Energy 2022, 47, 27690–27702. [Google Scholar] [CrossRef]
- Musio, F.; Tacchi, F.; Omati, L.; Stampino, P.G.; Dotelli, G.; Limonta, S.; Brivio, D.; Grassini, P. PEMFC system simulation in MATLAB-Simulink® environment. Int. J. Hydrog. Energy 2011, 36, 8045–8052. [Google Scholar] [CrossRef]
- Chesalkin, A.; Kacor, P.; Moldrik, P. Heat Transfer Optimization of NEXA Ballard Low-Temperature PEMFC. Energies 2021, 14, 2182. [Google Scholar] [CrossRef]






| Carbon Support | Thickness (mm) | Electrical Resistivity (mΩ/cm2) | Gas Permeability (mL·mm/cm2·h·mmAq) |
|---|---|---|---|
| 1 | 0.14 | 3.0 | 187 |
| 2 | 0.25 | 5.8 | 3250 |
| 3 | 0.42 | 3.6 | 1236 |
| Simulation Results | Diffusion Layer Thickness (d) | Penetration Time (t0) | Permeation Capacity () |
|---|---|---|---|
| A | 1.25 mm | 3.0 s | 6.1 × 10−5 |
| B | 2.50 mm | 3.6 s | 5.1 × 10−5 |
| C | 3.75 mm | 5.9 s | 3.1 × 10−5 |
Disclaimer/Publisher’s Note: The statements, opinions and data contained in all publications are solely those of the individual author(s) and contributor(s) and not of MDPI and/or the editor(s). MDPI and/or the editor(s) disclaim responsibility for any injury to people or property resulting from any ideas, methods, instructions or products referred to in the content. |
© 2023 by the authors. Licensee MDPI, Basel, Switzerland. This article is an open access article distributed under the terms and conditions of the Creative Commons Attribution (CC BY) license (https://creativecommons.org/licenses/by/4.0/).
Share and Cite
Gu, S.; Wang, J.; You, X.; Zhuang, Y. Investigating the Parameter-Driven Cathode Gas Diffusion of PEMFCs with a Piecewise Linearization Model. Energies 2023, 16, 3770. https://doi.org/10.3390/en16093770
Gu S, Wang J, You X, Zhuang Y. Investigating the Parameter-Driven Cathode Gas Diffusion of PEMFCs with a Piecewise Linearization Model. Energies. 2023; 16(9):3770. https://doi.org/10.3390/en16093770
Chicago/Turabian StyleGu, Siwen, Jiaan Wang, Xinmin You, and Yu Zhuang. 2023. "Investigating the Parameter-Driven Cathode Gas Diffusion of PEMFCs with a Piecewise Linearization Model" Energies 16, no. 9: 3770. https://doi.org/10.3390/en16093770
APA StyleGu, S., Wang, J., You, X., & Zhuang, Y. (2023). Investigating the Parameter-Driven Cathode Gas Diffusion of PEMFCs with a Piecewise Linearization Model. Energies, 16(9), 3770. https://doi.org/10.3390/en16093770

