Robust Maximum Efficiency Tracking Control of Wirelessly Powered Directly Supplied Heart Pumps
Abstract
1. Introduction
2. Heart Pump Operation and Motor Drive
Voltage Limitation of Field Oriented Control (FOC)
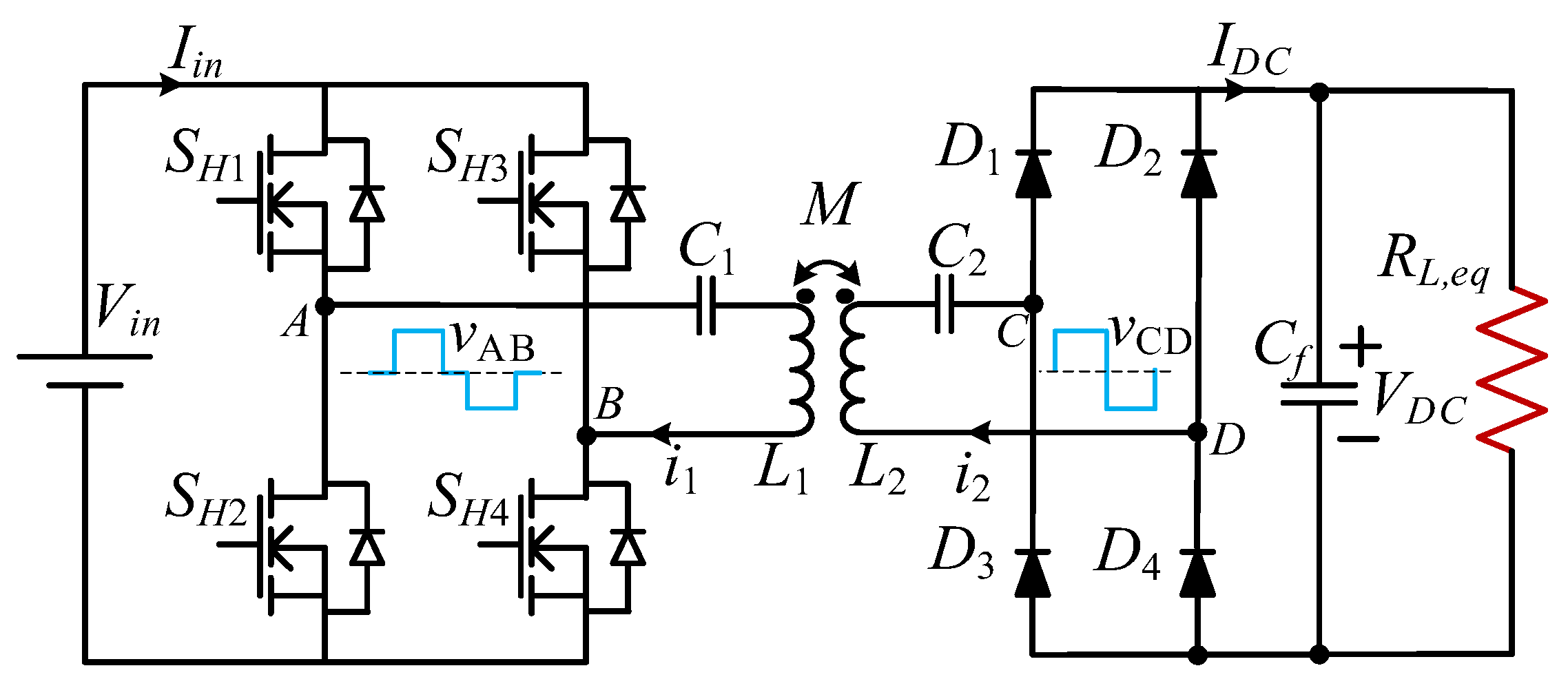
3. SS Compensated WPTS Design
3.1. Series-Series Compensation
3.2. WPTS Maximum Efficiency Tracking
3.3. Wireless Power Transfer Network Design
4. Robust Controller
4.1. System Model and System Uncertainties
4.2. Controller Design
4.3. Selection of Weighting Factors
5. Experimental Results
6. Conclusions
Author Contributions
Funding
Conflicts of Interest
References
- Knecht, O.; Bosshard, R.; Kolar, J.W. High-Efficiency Transcutaneous Energy Transfer for Implantable Mechanical Heart Support Systems. IEEE Trans. Power Electron. 2015, 30, 6221–6236. [Google Scholar] [CrossRef]
- Kirklin, J.K.; Pagani, F.D.; Kormos, R.L.; Stevenson, L.W.; Blume, E.D.; Myers, S.L.; Miller, M.A.; Baldwin, J.T.; Young, J.B.; Naftel, D.C. Eighth annual INTERMACS report: Special focus on framing the impact of adverse events. J. Heart Lung Transplant. 2017, 36, 1080–1086. [Google Scholar] [CrossRef] [PubMed]
- Hosseinipour, M.; Gupta, R.; Bonnell, M.; Elahinia, M. Rotary mechanical circulatory support systems. J. Rehabil. Assist. Technol. Eng. 2017, 4, 205566831772599. [Google Scholar] [CrossRef]
- Slaughter, M.S.; Myers, T.J. Transcutaneous Energy Transmission for Mechanical Circulatory Support Systems: History, Current Status, and Future Prospects. J. Card. Surg. 2010, 25, 484–489. [Google Scholar] [CrossRef]
- Pagani, F.D. Continuous-Flow Rotary Left Ventricular Assist Devices with ‘3rd Generation’ Design. Semin. Thorac. Cardiovasc. Surg. 2008, 20, 255–263. [Google Scholar]
- Letzen, B.; Park, J.; Tuzun, Z.; Bonde, P. Design and Development of a Miniaturized Percutaneously Deployable Wireless Left Ventricular Assist Device: Early Prototypes and Feasibility Testing. ASAIO J. 2018, 64, 147–153. [Google Scholar] [CrossRef]
- Knecht, O.; Kolar, J.W. Impact of Transcutaneous Energy Transfer on the electric field and specific absorption rate in the human tissue. In Proceedings of the IECON 2015—41st Annual Conference of the IEEE Industrial Electronics Society, Yokohama, Japan, 9–12 November 2015; pp. 004977–004983. [Google Scholar]
- Chen, Q.; Wong, S.C.; Tse, C.K.; Ruan, X. Analysis, Design, and Control of a Transcutaneous Power Regulator for Artificial Hearts. IEEE Trans. Biomed. Circuits Syst. 2009, 3, 23–31. [Google Scholar] [CrossRef]
- Dunn, J.L.; Nusem, E.; Straker, K.; Gregory, S.; Wrigley, C. Human Factors and User Experience Issues with Ventricular Assist Device Wearable Components: A Systematic Review. Ann. Biomed. Eng. 2019, 47, 2431–2488. [Google Scholar] [CrossRef] [PubMed]
- Zhang, Z.; Pang, H.; Georgiadis, A.; Cecati, C. Wireless Power Transfer—An Overview. IEEE Trans. Ind. Electron. 2019, 66, 1044–1058. [Google Scholar] [CrossRef]
- Zhang, W.; Wong, S.-C.; Tse, C.K.; Chen, Q. Analysis and Comparison of Secondary Series- and Parallel-Compensated Inductive Power Transfer Systems Operating for Optimal Efficiency and Load-Independent Voltage-Transfer Ratio. IEEE Trans. Power Electron. 2014, 29, 2979–2990. [Google Scholar] [CrossRef]
- Zhang, W.; Mi, C.C. Compensation Topologies of High-Power Wireless Power Transfer Systems. IEEE Trans. Veh. Technol. 2016, 65, 4768–4778. [Google Scholar] [CrossRef]
- Hou, J.; Chen, Q.; Zhang, Z.; Wong, S.-C.; Tse, C.K. Analysis of Output Current Characteristics for Higher Order Primary Compensation in Inductive Power Transfer Systems. IEEE Trans. Power Electron. 2017, 33, 6807–6821. [Google Scholar] [CrossRef]
- Meng, X.; Qiu, D.; Lin, M.; Tang, S.C.; Zhang, B. Output Voltage Identification Based on Transmitting Side Information for Implantable Wireless Power Transfer System. IEEE Access 2019, 7, 2938–2946. [Google Scholar] [CrossRef]
- Sohn, Y.H.; Choi, B.H.; Lee, E.S.; Lim, G.C.; Cho, G.-H.; Rim, C.T. General Unified Analyses of Two-Capacitor Inductive Power Transfer Systems: Equivalence of Current-Source SS and SP Compensations. IEEE Trans. Power Electron. 2015, 30, 6030–6045. [Google Scholar] [CrossRef]
- Zeng, Y.; Qiu, D.; Meng, X.; Zhang, B.; Tang, S.C. Optimized Design of Coils for Wireless Power Transfer in Implanted Medical Devices. IEEE J. Electromagn. RF Microwaves Med. Biol. 2018, 2, 277–285. [Google Scholar] [CrossRef]
- Li, Y.; Sun, Y.; Dai, X. μ-Synthesis for Frequency Uncertainty of the ICPT System. IEEE Trans. Ind. Electron. 2013, 60, 291–300. [Google Scholar] [CrossRef]
- Li, Y.; Du, H.; Yang, M.; He, Z. Two-Degree-of-Freedom H∞ Robust Control Optimization for the IPT System with Parameter Perturbations. IEEE Trans. Power Electron. 2018, 33, 10954–10969. [Google Scholar] [CrossRef]
- Xia, C.; Wang, W.; Ren, S.; Wu, X.; Sun, Y. Robust Control for Inductively Coupled Power Transfer Systems with Coil Misalignment. IEEE Trans. Power Electron. 2018, 33, 8110–8122. [Google Scholar] [CrossRef]
- Xia, C.; Wang, W.; Chen, G.; Wu, X.; Zhou, S.; Sun, Y. Robust Control for the Relay ICPT System under External Disturbance and Parametric Uncertainty. IEEE Trans. Control Syst. Technol. 2017, 25, 2168–2175. [Google Scholar] [CrossRef]
- Hakemi, A.; Jovanovic, D.; Vilathgamuwa, D.M.; Walker, G.R.; Pauls, J. Generic Uncertainty Parameter Analysis and Optimization of Series-Series Wireless Power Transfer System for Robust Controller Design. IEEE Trans. Ind. Electron. 2021, 69, 4107–4118. [Google Scholar] [CrossRef]
- Xia, C.; Sun, Q.; Li, X.; Hu, A.P. Robust μ-Synthesis Control of Dual LCL Type IPT System Considering Load and Mutual Inductance Uncertainty. IEEE Access 2019, 7, 72770–72782. [Google Scholar] [CrossRef]
- Knecht, O.; Kolar, J.W. Performance Evaluation of Series-Compensated IPT Systems for Transcutaneous Energy Transfer. IEEE Trans. Power Electron. 2019, 34, 438–451. [Google Scholar] [CrossRef]
- Pirbodaghi, T.; Asgari, S.; Cotter, C.; Bourque, K. Physiologic and hematologic concerns of rotary blood pumps: What needs to be improved? Heart Fail. Rev. 2014, 19, 259–266. [Google Scholar] [CrossRef]
- Moazami, N.; Fukamachi, K.; Kobayashi, M.; Smedira, N.G.; Hoercher, K.J.; Massiello, A.; Lee, S.; Horvath, D.J.; Starling, R.C. Axial and centrifugal continuous-flow rotary pumps: A translation from pump mechanics to clinical practice. J. Heart Lung Transplant. 2013, 32, 1–11. [Google Scholar] [CrossRef] [PubMed]
- Mosskull, H.; Galic, J.; Wahlberg, B. Stabilization of Induction Motor Drives with Poorly Damped Input Filters. IEEE Trans. Ind. Electron. 2007, 54, 2724–2734. [Google Scholar] [CrossRef]
- Zare, F.; Soltani, H.; Kumar, D.; Davari, P.; Delpino, H.A.M.; Blaabjerg, F. Harmonic Emissions of Three-Phase Diode Rectifiers in Distribution Networks. IEEE Access 2017, 5, 2819–2833. [Google Scholar] [CrossRef]
- Krishnan, R. Permanent Magnet Synchronous and Brushless DC Motor Drives, 1st ed.; CRC Press: Boca Raton, FL, USA, 2010. [Google Scholar]
- Veltman, A.; Pulle, D.; de Doncker, R.W. Fundamentals of Electrical Drives; Springer: Berlin/Heidelberg, Germany, 2007. [Google Scholar]
- Wang, C.-S.; Stielau, O.H.; Covic, G.A. Design Considerations for a Contactless Electric Vehicle Battery Charger. IEEE Trans. Ind. Electron. 2005, 52, 1308–1314. [Google Scholar] [CrossRef]
- Zahid, Z.U.; Dalala, Z.M.; Zheng, C.; Chen, R.; Faraci, W.E.; Lai, J.-S.J.; Lisi, G.; Anderson, D. Modeling and control of series-series compensated inductive power transfer system. IEEE J. Emerg. Sel. Top. Power Electron. 2015, 3, 111–123. [Google Scholar] [CrossRef]
- Skogestad, I.P.S. Multivariable Feedback Control: Analysis and Design, 2nd ed.; John Wiley & Sons: Hoboken, NJ, USA, 2005. [Google Scholar]
- Gu, D.-W.; Petkov, P.H.; Konstantinov, M.M. Robust Control Design with MATLAB®; Springer: London, UK, 2013. [Google Scholar]
- Wang, Z.-Q.; Sznaier, I.; Batarseh, I.; Bu, J. Robust controller design for a series resonant converter. IEEE Trans. Aerosp. Electron. Syst. 1996, 32, 221–233. [Google Scholar] [CrossRef]
- Lundström, P.; Skogestad, S.; Wang, Z.-Q. Performance weight selection for H-infinity and μ-control methods. Trans. Inst. Meas. Control 1991, 13, 241–252. [Google Scholar] [CrossRef]
- Yu, C.Y.; Tamura, J.; Lorenz, R.D. Optimum dc bus voltage analysis and calculation method for inverters/motors with variable dc bus voltage. IEEE Trans. Ind. Appl. 2013, 49, 2619–2627. [Google Scholar] [CrossRef]
- Jones, E.A.; Wang, F.F.; Costinett, D. Review of Commercial GaN Power Devices and GaN-Based Converter Design Challenges. IEEE J. Emerg. Sel. Top. Power Electron. 2016, 4, 707–719. [Google Scholar] [CrossRef]




















| Parameter | Value |
|---|---|
| L1, L2 | 38.2 µH, 38.1 µH |
| C1, C2 | 668 pF, 673 pF |
| DC link capacitor | 220 µF |
| H-bridge switching frequency (Fsw) | 1 MHz |
| Motor | DMB0224c10002 |
| Motor drive switching frequency | 20 kHz |
| K (Coupling factor) | 0.4–0.5 |
| Vin | 50 V |
| Vout | 18 V–30 V |
| Po | 2.5 W–5 W |
| RL,ac,d | 120 Ω |
| Title 1 | Title 2 |
|---|---|
| wI | |
| wP | |
| wU | 5 |
| Controller order | 15 |
| Maximum µ value | 0.96 |
Disclaimer/Publisher’s Note: The statements, opinions and data contained in all publications are solely those of the individual author(s) and contributor(s) and not of MDPI and/or the editor(s). MDPI and/or the editor(s) disclaim responsibility for any injury to people or property resulting from any ideas, methods, instructions or products referred to in the content. |
© 2023 by the authors. Licensee MDPI, Basel, Switzerland. This article is an open access article distributed under the terms and conditions of the Creative Commons Attribution (CC BY) license (https://creativecommons.org/licenses/by/4.0/).
Share and Cite
Hakemi, A.; Jovanovic, D.; Vilathgamuwa, M.; Walker, G.R. Robust Maximum Efficiency Tracking Control of Wirelessly Powered Directly Supplied Heart Pumps. Energies 2023, 16, 1517. https://doi.org/10.3390/en16031517
Hakemi A, Jovanovic D, Vilathgamuwa M, Walker GR. Robust Maximum Efficiency Tracking Control of Wirelessly Powered Directly Supplied Heart Pumps. Energies. 2023; 16(3):1517. https://doi.org/10.3390/en16031517
Chicago/Turabian StyleHakemi, Amir, Dejan Jovanovic, Mahinda Vilathgamuwa, and Geoffrey R. Walker. 2023. "Robust Maximum Efficiency Tracking Control of Wirelessly Powered Directly Supplied Heart Pumps" Energies 16, no. 3: 1517. https://doi.org/10.3390/en16031517
APA StyleHakemi, A., Jovanovic, D., Vilathgamuwa, M., & Walker, G. R. (2023). Robust Maximum Efficiency Tracking Control of Wirelessly Powered Directly Supplied Heart Pumps. Energies, 16(3), 1517. https://doi.org/10.3390/en16031517

