Insight into the Effect of Natural Fracture Density in a Shale Reservoir on Hydraulic Fracture Propagation: Physical Model Testing
Abstract
1. Introduction
2. Experimental Methods
2.1. Synthetic Shale Blocks Preparation
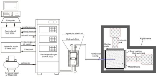
2.2. Experimental System and Design
3. Results and Analysis
3.1. Pump Pressure Curve Profile
3.2. HF and NF Interaction Behaviors
3.3. Failure Morphology Analysis
3.4. Hydraulic Fracturing Effectiveness Evaluation
4. Discussion
5. Conclusions
- (1)
- Natural fracture density is critical to the propagation behaviors of hydraulic fractures during fluid injection. The experimental results indicate that the natural fracture density plays a crucial role in the initiation and propagation of hydraulic fractures, and fracture density will play a significant role in making decisions for gas well production, treating pressures, and the corresponding stimulated reservoir volumes.
- (2)
- A new index that can reflect the fracturing effectiveness is proposed to consider the spatial evolution of the fracturing network. The fracturing effectiveness increases with the increase in natural fracture density, and the non-linear behaviors of HF and NF interactions can be well reflected by an index of “P-SRV”.
- (3)
- The dense fracture network is prone to changing the propagation paths of hydraulic fractures, and the resulting branching, offsetting, and diverting behaviors can easily occur. In addition, evidence of mixed mode I-II and I-III propagation modes can be observed from the experimental results. It is suggested that we should develop fully 3D simulation models to account for the mixed mode fracture propagation behaviors and to perfect the existing simulation models.
Author Contributions
Funding
Institutional Review Board Statement
Informed Consent Statement
Data Availability Statement
Conflicts of Interest
References
- Gale, J.F.W.; Laubach, S.E.; Olson, J.E. Natural fractures in shale: A review and new observations. AAPG Bull. 2014, 98, 2165–2216. [Google Scholar] [CrossRef]
- Ding, W.; Li, C.; Li, C.; Xu, C.; Jiu, K.; Zeng, W.; Wu, L. Fracture development in shale and its relationship to gas accumulation. Geosci. Front. 2012, 3, 97–105. [Google Scholar] [CrossRef]
- Khan, J.A.; Padmanabhan, E.; Haq, I.U.; Yekeen, N.; Mumtaz, M.; Prajapati, S. Experimental assessment of fracture initiation and wettability in low and high brittle shales by CO2 foam fracturing fluids. Energy Fuels 2022, 36, 8288–8300. [Google Scholar] [CrossRef]
- Zou, J.; Jiao, Y.Y.; Tan, F.; Lv, J.; Zhang, Q. Complex hydraulic-fracture-network propagation in a naturally fractured reservoir. Comput. Geotech. 2021, 135, 104165. [Google Scholar] [CrossRef]
- Lei, Y.; Luo, X.; Wang, X. Characteristics of silty laminae in Zhangjiatan Shale of southeastern Ordos Basin, China: Implications for shale gas formation. AAPG Bull. 2015, 99, 661–687. [Google Scholar] [CrossRef]
- De Sousa Junior, L.C.; dos Santos, L.O.S.; de Souza Rios, V.; Araújo, C.; Celes, W.; Sepehrnoori, K. Methodology for geomechanically controlled transmissibility through active natural fractures in reservoir simulation. J. Pet. Sci. Eng. 2016, 147, 7–14. [Google Scholar] [CrossRef]
- Yang, K.; Gao, D. Numerical simulation of hydraulic fracturing process with consideration of fluid–solid interaction in shale rock. J. Nat. Gas Sci. Eng. 2022, 102, 104580. [Google Scholar] [CrossRef]
- King, G.E. Thirty years of gas shale fracturing: What have we learned? Paper SPE 133456. In Proceedings of the SPE Annual Technical Conference and Exhibition, Florence, Italy, 19–22 September 2010. [Google Scholar]
- Gale, J.F.W.; Reed, R.M.; Holder, J. Natural fractures in the Barnett Shale and their importance for hydraulic fracture treatments. AAPG Bull. 2007, 91, 603–622. [Google Scholar] [CrossRef]
- Zhang, J.; Yu, Q.; Li, Y.; Pan, Z.; Liu, B. Hydraulic fracture vertical propagation mechanism in interlayered brittle shale formations: An experimental investigation. Rock Mech. Rock Eng. 2022, 1–22. [Google Scholar] [CrossRef]
- Wang, Y.; Yi, X.F.; Li, P.; Cai, M.F.; Sun, T. Macro-meso damage cracking and volumetric dilatancy of fault block-in-matrix rocks induced by freeze–thaw-multistage constant amplitude cyclic (F-T-MSCAC) loads. Fatigue Fract. Eng. Mater. Struct. 2022, 45, 2990–3008. [Google Scholar] [CrossRef]
- Wang, Y.; Li, X.; Zhou, R.Q.; Tang, C.A. Numerical evaluation of the shear stimulation effect in naturally fractured formations. Sci. China Earth Sci. 2015, 58, 371–383. [Google Scholar] [CrossRef]
- Zhai, M.; Wang, D.; Zhang, Z.; Zhang, L.; Yang, F.; Huang, B.; Zhong, A.; Li, L. Numerical simulation and multi-factor optimization of hydraulic fracturing in deep naturally fractured sandstones based on response surface method. Eng. Fract. Mech. 2022, 259, 108110. [Google Scholar] [CrossRef]
- Bahorich, B.; Olson, J.E.; Holder, J. Examining the effect of cemented natural fractures on hydraulic fracture propagation in hydrostone block experiments. In Proceedings of the SPE Annual Technical Conference and Exhibition, San Antonio, TX, USA, 8–10 October 2012. [Google Scholar]
- Fan, T.; Zhang, G. Laboratory investigation of hydraulic fracture networks in formations with continuous orthogonal fractures. Energy 2014, 74, 164–173. [Google Scholar] [CrossRef]
- Wang, Y.; Li, X.; Zhang, B. Analysis of fracturing network evolution behaviors in random naturally fractured rock blocks. Rock Mech. Rock Eng. 2016, 49, 4339–4347. [Google Scholar] [CrossRef]
- Dehghan, A.N.; Goshtasbi, K.; Ahangari, K. The effect of natural fracture dip and strike on hydraulic fracture propagation. Int. J. Rock Mech. Min. Sci. 2015, 75, 210–215. [Google Scholar] [CrossRef]
- Wang, Y.; Li, C.H. Investigation of the effect of cemented fractures on fracturing network propagation in model block with discrete orthogonal fractures. Rock Mech. Rock Eng. 2017, 50, 1851. [Google Scholar] [CrossRef]
- Wang, Y.; Li, X.; He, J.; Zhao, Z.; Zheng, B. Investigation of fracturing network propagation in random naturally fractured and laminated block experiments. Energies 2016, 9, 588. [Google Scholar] [CrossRef]
- Berchenko, I.; Detournay, E.; Chandler, N.; Martino, J. An in-situ thermo-hydraulic experiment in a saturated granite I: Design and results. Int. J. Rock Mech. Min. Sci. 2004, 41, 1377–1394. [Google Scholar] [CrossRef]
- Casas, L.; Miskimins, J.L.; Black, A.; Green, S. Laboratory hydraulic fracturing test on a rock with artificial discontinuities; SPE paper no. 103617-MS. In Proceedings of the PE Annual Technical Conference and Exhibition, San Antonio, TX, USA, 24–27 September 2006. [Google Scholar]
- Sarmadivaleh, M.; Rasouli, V. Test design and sample preparation procedure for experimental investigation of hydraulic fracturing interaction modes. Rock Mech. Rock Eng. 2015, 48, 93–105. [Google Scholar] [CrossRef]
- Bandis, S.C.; Barton, N.R.; Christianson, M. Application of a new numerical model of joint behaviour to rock mechanics problems. In Proceedings of the International Conference on Rock Joints, Lulea, Sweden, 15–20 September 1985; pp. 345–356. [Google Scholar]
- Guo, T.; Zhang, S.; Qu, Z.; Zhou, T.; Xiao, Y.; Gao, J. Experimental study of hydraulic fracturing for shale by stimulated reservoir volume. Fuel 2014, 128, 373–380. [Google Scholar] [CrossRef]
- Hou, B.; Chen, M.; Li, Z.M.; Wang, Y.H.; Diao, C. Propagation area evaluation of hydraulic fracture networks in shale gas reservoirs. Pet. Explor. Dev. 2014, 41, 833–838. [Google Scholar] [CrossRef]
- Mayerhofer, M.J.; Lolon, E.P.; Warpinski, N.R.; Cipolla, C.L.; Walser, D.; Rightmire, C.M. What is stimulated rock volume (SRV)? In Proceedings of the 2008 SPE Shale Gas Production Conference, Fort Worth, TX, USA, 16–18 November 2008; SPE 119890.
- Kresse, O.; Cohen, C.; Weng, X.; Gu, H.G.; Wu, R.T. Numerical modeling of hydraulic fracturing in naturally fractured formations. In Proceedings of the 45th US Rock Mechanics Symposium, San Francisco, CA, USA, 26–29 June 2011. Paper ARMA 11-363. [Google Scholar]
- Cooke, M.L.; Pollard, D.D. Fracture propagation paths under mixed mode loading within rectangular blocks of polymethyl methacrylate. J. Geophys. Res. 1996, 101, 3387–3400. [Google Scholar] [CrossRef]
- Wang, Y.; Li, X.; Zhang, B.; Zhao, Z.H. Optimization of multiple hydraulically fractured factors to maximize the stimulated reservoir volume in silty laminated shale formation, Southeastern Ordos Basin, China. J. Pet. Sci. Eng. 2016, 145, 370–381. [Google Scholar] [CrossRef]
- Nagel, N.B.; Sanchez-Nagel, M.A.; Zhang, F.; Garica, B.L. Coupled numerical evaluations of the geomechanical interactions between a hydraulic fracture stimulation and a natural fracture system in shale formations. Rock Mech. Rock Eng. 2013, 46, 581–609. [Google Scholar] [CrossRef]
- Kim, C.M.; Abass, H.H. Hydraulic fracture initiation from horizontal wellbores: Laboratory experiments. In Proceedings of the 32nd US Symposium, Rotterdam, Balkema; Balkema, A.A., Ed.; American Rock Mechanics Association: Alexandria, VA, USA, 1991; pp. 231–240. [Google Scholar]
- Wang, Y.; Tan, P.F.; Han, J.; Li, P. Energy-driven fracture and instability of deeply buried rock under triaxial alternative fatigue loads and multistage unloading conditions: Prior fatigue damage effect. Int. J. Fatigue 2023, 168, 107410. [Google Scholar] [CrossRef]
- Wang, Y.; Su, Y.; Xia, Y.; Wang, H.; Yi, X. On the effect of confining pressure on fatigue failure of block-in-matrix soils exposed to multistage cyclic triaxial loads. Fatigue Fract. Eng. Mater. Struct. 2022, 45, 2481–2498. [Google Scholar] [CrossRef]
- Cerfontaine, B.; Collin, F. Cyclic and fatigue behaviour of rock materials: Review, interpretation and research perspectives. Rock Mech. Rock Eng. 2018, 51, 391–414. [Google Scholar] [CrossRef]
- Wang, Y.; Mao, T.; Xia, Y.; Li, X.; Yi, X. Macro-meso fatigue failure of bimrocks with various block content subjected to multistage fatigue triaxial loads. Int. J. Fatigue 2022, 163, 107014. [Google Scholar] [CrossRef]
















| Model Block Number | Mix Ratio of Cemented NF (/) | Cubic Unit Size (Side Length-mm) | Amount /Group | Groups | Amount Number |
|---|---|---|---|---|---|
| 1 | 1:0 | 30 | 343 | 1 | 343 |
| 2 | 1:4 | 30 | 343 | 1 | 343 |
| 3 | 1:0 | 40 | 125 | 1 | 125 |
| 4 | 1:4 | 40 | 125 | 1 | 125 |
| 5 | 1:0 | 70 | 27 | 1 | 27 |
| 6 | 1:4 | 70 | 27 | 1 | 27 |
| Mix Ratio | UCS (MPa) | Tensile Strength (MPa) | Friction Angle (°) | Cohesion (MPa) | Elastic Molds (GPa) | Poisson’s Ratio (/) | Permeability (mD) | Porosity (%) |
|---|---|---|---|---|---|---|---|---|
| 1:0 | 18.481 | 3.45 | 24.43 | 5.94 | 4.345 | 0.32 | 0.17 | 2.03 |
| 1:4 | 18.036 | 2.64 | 30.33 | 2.32 | 6.538 | 0.37 | 0.14 | 3.22 |
| Sample No. | Natural Fracture Spacing (mm) | Mix Ratio of Paste Cement (/) | UCS of Paste Interface (MPa) | σv(MPa) | σH(MPa) | σh(MPa) | Pump Rate (ml/min) |
|---|---|---|---|---|---|---|---|
| 1 | 30 | 1:0 | 18.481 MPa | 4.28 | 2.13 | 1.42 | 50 |
| 2 | 40 | 1:0 | 18.481 MPa | 4.28 | 2.13 | 1.42 | 50 |
| 3 | 70 | 1:0 | 18.481 MPa | 4.28 | 2.13 | 1.42 | 50 |
| 4 | 30 | 1:4 | 18.306 MPa | 4.28 | 2.13 | 1.42 | 50 |
| 5 | 40 | 1:4 | 18.306 MPa | 4.28 | 2.13 | 1.42 | 50 |
| 6 | 70 | 1:4 | 18.306 MPa | 4.28 | 2.13 | 1.42 | 50 |
Disclaimer/Publisher’s Note: The statements, opinions and data contained in all publications are solely those of the individual author(s) and contributor(s) and not of MDPI and/or the editor(s). MDPI and/or the editor(s) disclaim responsibility for any injury to people or property resulting from any ideas, methods, instructions or products referred to in the content. |
© 2023 by the authors. Licensee MDPI, Basel, Switzerland. This article is an open access article distributed under the terms and conditions of the Creative Commons Attribution (CC BY) license (https://creativecommons.org/licenses/by/4.0/).
Share and Cite
Wu, J.; Li, X.; Wang, Y. Insight into the Effect of Natural Fracture Density in a Shale Reservoir on Hydraulic Fracture Propagation: Physical Model Testing. Energies 2023, 16, 612. https://doi.org/10.3390/en16020612
Wu J, Li X, Wang Y. Insight into the Effect of Natural Fracture Density in a Shale Reservoir on Hydraulic Fracture Propagation: Physical Model Testing. Energies. 2023; 16(2):612. https://doi.org/10.3390/en16020612
Chicago/Turabian StyleWu, Jihuan, Xuguang Li, and Yu Wang. 2023. "Insight into the Effect of Natural Fracture Density in a Shale Reservoir on Hydraulic Fracture Propagation: Physical Model Testing" Energies 16, no. 2: 612. https://doi.org/10.3390/en16020612
APA StyleWu, J., Li, X., & Wang, Y. (2023). Insight into the Effect of Natural Fracture Density in a Shale Reservoir on Hydraulic Fracture Propagation: Physical Model Testing. Energies, 16(2), 612. https://doi.org/10.3390/en16020612

