Next Article in Journal
Actions to Handle Increasing Distributed Generation and Rising Voltage during Low-Demand Periods: Tap Staggering Practices and Field Tests in the Italian Transmission Network
Next Article in Special Issue
Induction Motor Improved Vector Control Using Predictive and Model-Free Algorithms Together with Homotopy-Based Feedback Linearization
Previous Article in Journal
Simple Empirical Relation for an Evacuated-Tube Solar Collector Performance Prediction from Solar Intensity
Previous Article in Special Issue
Comparative Study of Passivity, Model Predictive, and Passivity-Based Model Predictive Controllers in Uninterruptible Power Supply Applications
 
 
Font Type:
Arial Georgia Verdana
Font Size:
Aa Aa Aa
Line Spacing:
Column Width:
Background:
Article

Robust Predictive Current Control of PMSG Wind Turbines with Sensor Noise Suppression

School of Electrical Engineering, Shandong University, Jinan 250061, China
*
Author to whom correspondence should be addressed.
Energies 2023, 16(17), 6255; https://doi.org/10.3390/en16176255
Submission received: 9 August 2023 / Revised: 22 August 2023 / Accepted: 26 August 2023 / Published: 28 August 2023
(This article belongs to the Special Issue Advanced Control in Power Electronics, Drives and Generators)

Abstract

:
Model predictive control (MPC) is an efficient and multi-functional control scheme for synchronous permanent magnet generators (PMSGs). However, the effective management of traditional MPC depends on precise system models. Multiple uncertainties of permanent magnet flux, motor inductance, filter inductance and parameter measurement noise will limit MPC’s performance. The conventional linear extended state observer (ESO) can perform robust predictive control of the ultralocal model of the PMSG system to cope with parameter mismatches. However, the ESO is limited in balancing disturbance rejection with measurement noise attenuation. Since the amplification of high-frequency noise pollution can lead to both poor control performance and system instability, this challenge is of significant importance. To solve the problem, a new hybrid parallel cascaded ESO (PCESO) model-free predictive control framework is proposed using the three-level neutral-point-clamped (NPC) power electronic converter, on both the machine side and grid side. Analytical discussions of the time and frequency domain characteristics of the PCESO demonstrate its superior characteristics over the ESO. The proposed method can effectively balance parameter mismatch, disturbance rejection and high-frequency noise suppression. Finally, the effectiveness of the proposed method, under uncertainties of parameter mismatches, measurement noise and permanent magnet flux, is verified through real-time hardware-in-the-loop tests on a back-to-back grid-tied PMSG interfaced with an NPC power converter.

1. Introduction

As an excellent renewable energy source, high-power offshore wind power has great potential [1]. Compared with the doubly-fed induction generator, the direct driven permanent magnet synchronous generator (PMSG) has the advantages of wider wind speed working range, higher energy conversion efficiency, easier maintenance, and higher power grid support capability [2,3]. So, the PMSG has become the mainstream of offshore wind power.
A high-power PMSG mainly uses the three-level neutral point clamp converter (3L-NPC), whose main control objectives are: (1) fast response to current and power reference, (2) balancing the voltage of two capacitors on the DC bus to ensure normal operation of the converter and (3) suppressing switching frequency to control energy loss. Effective control is essential to the converter with multiple nonlinear control targets. Model predictive control (MPC) provides an effective solution for multi-objective control of low switching frequency power electronic equipment and has been widely used in various power electronic converters and power transmission systems [4,5]. It exhibits advantages such as predictive control based on models, excellent dynamic control ability, multi-objective optimization ability and adaptability to multiple operating conditions, making it very suitable for the control requirements of PMSG back-to-back converters [6,7].
Unfortunately, MPC is sensitive to noise and parameter changes. In practical PMSGs, parameter deviations such as permanent magnet flux, motor inductance and filter inductance are inevitable, and parameter measurement can generate noise. This leads to a decrease in MPC control effectiveness, such as steady-state errors and increased control ripple [8]. Therefore, improving the robustness of MPC to parameter mismatch and sensor noise has become a significant research objective.
To suppress the interference of parameter mismatch and noise on MPC, multiple model-based control strategies have been proposed by the academic community. Ref. [9] proposes a robust MPC method for a DC-DC floating interleaved boost converter, which is robust to system parameters and DC voltage in white noise environments. Ref. [10] proposes a cascaded MPC based on torque balance, which has robustness to speed under measurement noise conditions. Ref. [11] uses a state observer to reduce current distortion without increasing the amount of computation, and retains sufficient response speed in noisy environments. Ref. [12] uses artificial neural networks for machine learning to deal with white noise and has lower computational time. These model-based robust MPCs rely on precise models, and once the model deviates, their control effectiveness will deteriorate sharply.
Unlike model-based methods, model-free MPC abandons model parameters and eliminates the impact of model parameters on control effectiveness. The implementation of observer-based robust predictive control is relatively simple and effective. Refs. [13,14] propose an MPC strategy based on an improved extended state observer (ESO). By using partial model parameters, the system is guaranteed to be free from noise interference through generalized integration [13], and current robustness is achieved by reconstructing the intermediate phase [14]. However, the dynamic performance of these methods is poor [14]. Refs. [15,16] proposed a cascade extended state observer (CESO). Compared with an ESO, it is not a nonlinear filter, so it can effectively consider noise suppression and dynamic performance. [17] proposed an improved high-order CESO that is robust to time-varying disturbances and noise. However, a CESO has poor robustness to parameter mismatch. Refs. [18,19] proposed hybrid ESOs comprising cascaded and paralled ESOs. Compared with a CESO, hybrid ESOs are more robust to parameter mismatch and show that multifrequency ESOs [20] have some promise in achieving robust control of power electronics and electric drives. This study is motivated by the research gaps on the robust MPC under measurement noise for PMSG wind turbines. A new solution based on the model-free predictive current control with parallel cascade ESO (MFPCC-PCESO) is proposed in this paper. The main contributions are as follows.
  • Ultralocal model-based model-free predictive control of PMSGs is proposed using the hybrid parallel cascade extended state observer (PCESO). The PCESO has stronger parameter robustness than conventional linear ESO and can more effectively suppress measurement noise.
  • A PCESO is applied to improve the disturbance rejection and measurement noise suppression performance of a three-level NPC converter-driven PMSG through an MFPCC-PCESO framework. By observing the stator and grid current, predicted values of these states are obtained to ensure the robust control performance.
  • The effectiveness of the proposed method is verified by several scenario tests on a real-time hardware-in-the-loop laboratory test bench.
The contents of this article are organized as follows. In Section 2, the system models of PMSGs are presented. Section 3 reviews the classical ESO MPC framework. In Section 4, we introduce the hybrid MFPCC-PCESO framework. Section 5 collects the verification and analysis. Finally, Section 6 concludes this paper.

2. System and Modeling

The discrete and continuous time models of the three-level back-to-back PMSG wind power generation system are introduced in this section (see Figure 1). The machine side is represented by the subscript m, and the power grid side is represented by the subscript g. The variables i , v , e , R , L represent the converter’s current and voltage, grid voltage, resistance and inductance. The capacitor voltages V c 1 , V c 2 and ω m are the voltages of the equalizing capacitor C 1 , C 2 on the DC bus and the speed of the PMSG, respectively. The powers P, Q are the output active and reactive power, respectively. The back-to-back 3L-NPC includes two three-level converters and a DC link. There are two equalizing capacitors in the DC link. The AC voltage of the converter is expressed as:
v g , m abc = v g , m a v g , m b v g , m c = V c 1 + V c 2 6 2 1 1 1 2 1 1 1 2 u g , m + V c 1 V c 2 6 2 1 1 1 2 1 1 1 2 u g , m
where u g , m is the switch state combination, and v g , m abc is the output AC voltage of the converter. The DC link voltage V dc is the sum of the voltages of two equalizing capacitors. Only when the voltage of the equalizing capacitor is similar can the inverter generate sine voltage. Due to the real-time fluctuation of the voltage of the equalizing capacitor, the continuous time model of V dc and neutral point voltage difference V o are as follows:
d V dc ( t ) d t = I dc ( t ) / C = [ I g ( t ) I m ( t ) ] / C d V o d t = d ( V c 1 V c 2 ) d t = ( | u m abc | T i m abcT | u g abc | T i g abcT ) / C
where I g ( t ) = i g abc ( t ) · u g abc ( t ) and I m ( t ) = i m abc ( t ) · u m abc ( t ) are the components of active power generated by the output current on the grid side and the machine side, respectively. Capacitor C is the capacitance of the equalizing capacitor. Due to limitations in laboratory facilities, the proposed method is based on a hidden pole PMSG for modeling. The continuous time model of the PMSG is shown below:
d i m dq ( t ) d t = R s / L s ω e ( t ) ω e ( t ) R s / L s i m dq ( t ) + 1 / L s 0 0 1 / L s v m dq ( t ) + 0 ψ p m ω e ( t ) L s
where ψ pm is the permanent magnetic flux of the PMSG. A resistor inductance filter connects the grid-side converter to the grid. The continuous time model on the grid side is as follows:
d i g dq ( t ) d t = R g L g ω g L g ω g R g i g dq ( t ) + 1 / L g 0 0 1 / L g e g d ( t ) v g d ( t ) e g q ( t ) v g q ( t )
The discrete time model of (1)–(4) is as follows:
i m dq [ k + 1 ] = 1 R s L s T s ω e [ k ] T s ω e [ k ] 1 T s R s L s i m dq [ k ] + T s L s 0 0 T s L s v m dq [ k ] + 0 T s ψ p m ω e [ k ] L s
i g dq [ k + 1 ] = 1 T s R g / L g T s L g ω g T s L g ω g 1 T s R g / L g i g dq [ k ] + T s L g 0 0 T s L g e g d [ k ] v g d [ k ] e g q [ k ] v g q [ k ]
V o [ k + 1 ] = V o [ k ] + T s ( | u m abc [ k ] | T i m abcT [ k ] | u g abc [ k ] | T i g abcT [ k ] ) / C

3. Classical Predictive Control and Ultralocal Framework

This section will introduce the classical MPC and MPC using the ultralocal model with states estimated with ESO (MPC-ESO).

3.1. Classical Sequential Optimization Hybrid MPC Framework

For the three-level back-to-back direct drive permanent magnet wind turbine system, the control targets of the machine side (shown in Figure 2a) mainly include:
(1)
Stator current. The PMSG needs to adjust its output power within the rated wind speed range in real-time so that the speed and torque follow the reference. Current i m q * is obtained through the speed PI outer loop, where i m q is proportional to the torque. By controlling i m q to follow i m q * , the speed and torque can be controlled. Set i m d * to 0 to improve current efficiency. ESO is used to obtain the observed values of the stator current i ^ m d [ k + 1 ] , i ^ m q [ k + 1 ] and F at the next moment instead of (5). The cost function of the stator current is shown in (8).
i ^ m dq [ k + 1 ] = i ^ m dq [ k ] + T s ( F ^ m dq [ k ] + α v m dq [ k ] ) T s γ 1 ( i ^ m dq [ k ] i m dq _ mea [ k ] ) F ^ m dq [ k + 1 ] = F ^ m dq [ k ] T s γ 2 ( i ^ m dq [ k ] i m dq _ mea [ k ] ) i ^ m dq [ k + 2 ] = i ^ m dq [ k + 1 ] + T s ( F ^ m dq [ k + 1 ] + α v m dq [ k + 1 ] ) J m i = ( i ^ m d [ k + 2 ] i m d * ) 2 + ( i ^ m q [ k + 2 ] i m q * ) 2
(2)
Switching frequency of the machine-side converter. To reduce switching losses and meet the limits of heat dissipation conditions and system efficiency, the converter must operate at a low switching frequency of 1–3 kHz. The cost function is as follows:
J m S = S m a [ k ] S m a [ k 1 ] 2 + S m b [ k ] S m b [ k 1 ] 2 + S m c [ k ] S m c [ k 1 ] 2
where S m a , b , c [ k ] is the predicted switch state of the selected switch vector, and S m a , b , c [ k 1 ] is the current switch state.
For the three-level back-to-back direct drive permanent magnet wind turbine system, the control targets of the grid side (shown in Figure 2b) mainly include:
(1)
Grid current. The PMSG requires fast and accurate power and current tracking to reduce DC bus voltage V dc fluctuations caused by wind speed changes. By obtaining i g d * through the PI outer loop of the DC bus voltage, controlling i g d to follow i g d * can maintain a constant V dc . Set i g q * to 0 to increase the power factor. The ESO is used to obtain the observed values of the grid current i ^ g d [ k + 1 ] , i ^ g q [ k + 1 ] and F at the next moment instead of (6). Then, the cost function of the grid-side current is as follows:
i ^ g dq [ k + 1 ] = i ^ g dq [ k ] + T s ( F ^ g dq [ k ] + α v g dq [ k ] ) T s γ 1 ( i ^ g dq [ k ] i g dq _ mea [ k ] ) F ^ g dq [ k + 1 ] = F ^ g dq [ k ] T s γ 2 ( i ^ g dq [ k ] i g dq _ mea [ k ] ) i ^ g dq [ k + 2 ] = i ^ g dq [ k + 1 ] + T s ( F ^ g dq [ k + 1 ] + α v g dq [ k + 1 ] ) J g i = ( i ^ g d [ k + 2 ] i g d * ) 2 + ( i ^ g q [ k + 2 ] i g q * ) 2
(2)
Neutral-point voltage balance. Under normal working conditions, the voltage of C 1 and C 2 should be equal, the maximum voltage of the upper and lower bridge arms is V dc / 2 and the output voltage is the sinusoidal AC voltage. If the neutral point voltage shifts, the maximum and minimum values of the output voltage are not equal. Therefore, it is necessary to ensure that the voltage between C 1 and C 2 is equal. The cost function of the neutral point voltage difference is shown in (2).
(3)
Switching frequency of the grid-side converter. The importance of controlling the grid-side switching frequency is the same as the machine side. Therefore, the cost function of the grid-side switching frequency is as follows:
J g v = ( V o ) 2 , J g S = S g a [ k ] S g a [ k 1 ] 2 + S g b [ k ] S g b [ k 1 ] 2 + S g c [ k ] S g c [ k 1 ] 2

3.2. Classical Linear ESO

The classical model-based MPC introduced in Section 2 has limitations of poor robustness to multiple uncertainties, including parameter and sensor noise uncertainties. The use of the linear ESO in Section 3.1 can improve robustness in the prediction of state variables.
In this section, we first discussed the ESO’s working principle, then constructed the classic ESO MPC framework. When explaining the working principle of the ESO, use the 3L-NPC on the power grid side as an example. Its continuous time model is as follows:
i g dq ( t ) d t : = x ˙ = R g L g ω g L g ω g R g i g d q ( t ) + 1 L g 0 0 1 L g e g dq ( t ) : = F 1 L g 0 0 1 L g v g dq ( t ) : = α 0 u
where x is the state variable, u is the control variable, F is the total disturbance of the system and y is the output variable. As shown in Figure 3a, MPC will generate control bias if noise N is added to the sensor detecting y. So, the robustness of MPC needs to consider two aspects: (1) parameter mismatch causing error Δ x u p ; and (2) sensor noise pollution causing error Δ x h p . If the prediction of the state variable in the normal undisturbed state of MPC is x p , the resulting summation of prediction errors Δ x p becomes:
Δ x p = Δ x u p + h = 1 Δ x h p .
To make the system robust to parameter mismatch and noise, it is necessary to make Δ x p 0 . To achieve this goal, the ultralocal model of the PMSG system is as follows:
x ˙ = F + α u , y = x + N
where x = i m , g dq , p , u = v m , g dq , y is the measured system output variable, N is the measurement noise of the sensor, represented in this paper by Gaussian white noise, and α is the non-zero input gain. As shown in Figure 3b, the variable estimation model for the robust control of the system of the ESO is as follows [16]:
z ^ ˙ = F ^ + α u γ 1 ( z ^ y ) , F ^ ˙ = γ 2 ( z ^ y )
where { z ^ , F ^ } are the estimates of { x , F } and { γ 1 , γ 2 } are the ESO error gains of the estimated and measured state variables. Its characteristic polynomial is s 2 + γ 1 j s + γ 2 j  [21]. The parameters of ESO error gain are selected according to the characteristic polynomial. The relationship between the controller bandwidth ω 0 and parameter γ 1 , γ 2 is γ 1 = 2 ω 0 , γ 2 = ω 0 2 [22], where ω 0 is the pole of ESO. Although the ESO requires a larger α to improve its noise rejection performance, high-frequency noise interference will be generated, which will generate higher-order harmonics and worsen the steady-state control performance of the system. Meanwhile, if the gain is reduced to attenuate noise, the transient performance will be poor and can lead to instability. Therefore, this paper will solve this challenge by a new method discussed in the next section.

4. Proposed Hybrid MFPCC-PCESO Framework

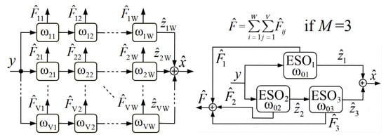
To solve the problem of the ESO’s inability to balance noise suppression and parameter mismatch, series or parallel estimation of multiple ESOs with different bandwidths has become an attractive solution [20]. This is generally carried out by estimating multiple system disturbances F ^ j through sub-ESOs of different frequencies. When estimating the system, calculate the sum of multiple disturbances j = 1 M F ^ j as the disturbance estimation value. It improves parameter robustness under noisy conditions by jointly estimating disturbances from multiple ESOs [18].
We propose a PCESO that uses not only multiple sub-ESOs to estimate and sum the system disturbance F ^ j , but also uses multiple sub-ESOs to estimate and sum the z ^ . This method can effectively balance the robustness of parameter mismatch and noise suppression. The proposed PCESO is structurally depicted in Figure 4. There are several rows and columns of sub-ESOs (V and W, respectively, in the Figure 4) [19]. There are a total of M sub-ESOs. The sub-frequency of each sub-ESO is ω 0 j . The time-domain model of the PCESO (three sub-frequencies) is as follows:
z ^ ˙ 1 ( t ) = F ^ 1 ( t ) + α u ( t ) γ 11 z ^ 1 ( t ) y ( t ) ; F ^ ˙ 1 = γ 21 z ^ 1 ( t ) y ( t ) z ^ ˙ 2 ( t ) = F ^ 2 ( t ) + α u ( t ) γ 12 z ^ 2 ( t ) y ( t ) ; F ^ ˙ 2 = γ 22 z ^ 2 ( t ) y ( t ) z ^ ˙ 3 ( t ) = F ^ 3 ( t ) + α u ( t ) γ 13 z ^ 3 ( t ) z ^ 2 ( t ) ; F ^ ˙ 3 = γ 23 z ^ 3 ( t ) z ^ 2 ( t )
where the augmented state z ^ j is the estimated value of the j-th child ESO for the state variable x j at sub-frequency ω 0 j . The error gains are γ 1 j = 2 ω 0 j , γ 2 j = ω 0 j 2 with poles ω 0 j . The estimated total disturbance is F ^ = j = 1 3 F ^ j . x ^ ( s ) and F ^ ( s ) are as follows:
x ^ ( s ) = [ y ( ( 2 ω 01 s + ω 01 2 ) ζ 2 ζ 3 + ( 2 ω 02 s + ω 02 2 ) + ( 2 ω 03 s + ω 03 2 ) ζ 1 ) + α u s ( ζ 2 ζ 3 + ζ 1 s 2 + 2 ( ω 01 + ω 02 ) ζ 1 s + ω 01 2 ζ 1 + ω 02 2 ζ 1 ) ] / ζ F ^ ( s ) = ( ω 01 2 ζ 2 ζ 3 + ω 02 2 ζ 1 ζ 3 + ω 03 2 ( 2 ω 02 s + ω 02 2 ) ζ 1 ) ( y s α u ) / ζ
where ζ 1 = ( s + ω 01 ) 2 , ζ 2 = ( s + ω 02 ) 2 , ζ 3 = ( s + ω 03 ) 2 , and ζ = ζ 1 ζ 2 ζ 3 . The total number M of sub-ESOs can be used for tuning the sub-frequencies as: [ ω 01 , ω 02 , ω 03 ] = ω 0 M 2 , ω 0 M , ω 0 . The transfer function from the disturbance to state estimate errors G x F ( s ) = e x ^ ( s ) / F ( s ) and the transfer function from the measurement noise to state estimate error G x N ( s ) = e x ^ ( s ) / N ( s ) are (where e x = x x ^   y = x + N ):
G x F ( s ) = 1 2 s [ ζ 1 1 + ( s 2 + 2 ( ω 02 + ω 03 ) s + ω 02 2 + ω 03 2 ) ζ 2 1 ζ 3 1 ] G x N ( s ) = 1 2 [ ( 2 ω 01 s + ω 01 2 ) ( 2 ω 03 s + ω 03 2 ) ζ 1 1 ζ 3 1 + ( 2 ω 02 s + ω 02 2 ) ζ 2 1 ]
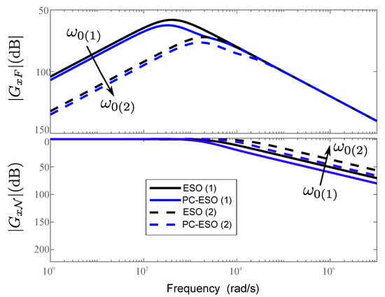
Figure 5 shows the Bode plots of the proposed PCESO compared with a classical linear ESO at M = 3 and ω 0 = 3 kHz. The bode plot of G x F shows the disturbance robustness. From the Bode magnitude plot of G x F , the PCESO has the smallest estimation error in a noise-free environment and is more robust to parameters. And, it has high estimation accuracy over a wide frequency range. Also, the PCESO has the lower state estimation error for both low and high bandwidths. Nonetheless, both have better disturbance rejection (lower state estimation error) as the bandwidth increases. Bode plots of | G x N | show the noise attenuation ability. It can be seen that, in a Gaussian white noise environment, both the ESO and PCESO have good noise suppression ability (with a high-frequency roll-off slope of −20 dB/decade). However, the PCESO has a lower error magnitude, for both low and high bandwidths. This indicates the superior noise suppression potential of the PCESO over the ESO.

Proposed MFPCC-PCESO Framework

We observe the predicted value of stator current i ^ m dq [ k + 1 ] and F m dq at k + 1 moment by the proposed M = 3 PCESO. The discrete time model on the machine side is as follows:
i ^ m dq , 1 [ k + 1 ] = i ^ m dq , 1 [ k ] + T s ( F ^ m dq , 1 [ k ] + α v m dq [ k ] ) T s γ 11 ( i ^ m dq , 1 [ k ] i m dq _ mea [ k ] ) F ^ m dq , 1 [ k + 1 ] = F ^ m dq , 1 [ k ] T s γ 21 ( i ^ m dq , 1 [ k ] i m dq _ mea [ k ] ) i ^ m dq , 2 [ k + 1 ] = i ^ m dq , 2 [ k ] + T s ( F ^ m dq , 2 [ k ] + α v m dq [ k ] ) T s γ 12 ( i ^ m dq , 2 [ k ] i m dq _ mea [ k ] ) F ^ m dq , 2 [ k + 1 ] = F ^ m dq , 2 [ k ] T s γ 22 ( i ^ m dq , 2 [ k ] i m dq _ mea [ k ] ) i ^ m dq , 3 [ k + 1 ] = i ^ m dq , 3 [ k ] + T s ( F ^ m dq , 3 [ k ] + α v m dq [ k ] ) T s γ 13 ( i ^ m dq , 3 [ k ] i ^ m dq , 2 [ k ] ) F ^ m dq , 3 [ k + 1 ] = F ^ m dq , 3 [ k ] T s γ 23 ( i ^ m dq , 3 [ k ] i ^ m dq , 2 [ k ] )
Delay compensation is achieved through two-step predictive control to balance the calculation time of the controller. The predicted values of the stator current i ^ m dq [ k + 2 ] observed at time k + 2 are as follows:
i ^ m dq [ k + 1 ] = i ^ m dq [ k ] + T s ( F ^ m dq , j [ k ] + α v m dq [ k + 1 ] ) ( j = 2 3 γ 1 j ) ( i ^ m dq , 2 [ k + 1 ] i ^ m dq , 1 [ k + 1 ] ) i ^ m dq [ k + 2 ] = i ^ m dq [ k + 1 ] + T s ( F ^ m dq , j [ k + 1 ] + α v m dq [ k + 1 ] )
where F ^ m dq , j , and i ^ m dq , j are computed from the PCESO (19). The weights { 0.2 , 0.8 } prioritize the noise-suppression term with a higher weight of 0.8 . Similarly, the observed values of the grid current i ^ g dq [ k + 1 ] , F g dq and i ^ g dq [ k + 2 ] in the grid side are computed is as follows:
i ^ g dq , 1 [ k + 1 ] = i ^ g dq , 1 [ k ] + T s ( F ^ g dq , 1 [ k ] + α v g dq [ k ] ) T s γ 11 ( i ^ g dq , 1 [ k ] i m dq _ mea [ k ] ) F ^ g dq , 1 [ k + 1 ] = F ^ g dq , 1 [ k ] T s γ 21 ( i ^ g dq , 1 [ k ] i m dq _ mea [ k ] ) i ^ g dq , 2 [ k + 1 ] = i ^ g dq , 2 [ k ] + T s ( F ^ g dq , 2 [ k ] + α v g dq [ k ] ) T s γ 12 ( i ^ g dq , 2 [ k ] i m dq _ mea [ k ] ) F ^ g dq , 2 [ k + 1 ] = F ^ g dq , 2 [ k ] T s γ 22 ( i ^ g dq , 2 [ k ] i m dq _ mea [ k ] ) i ^ g dq , 3 [ k + 1 ] = i ^ g dq , 3 [ k ] + T s ( F ^ g dq , 3 [ k ] + α v g dq [ k ] ) T s γ 13 ( i ^ g dq , 3 [ k ] i ^ g dq , 2 [ k ] ) F ^ g dq , 3 [ k + 1 ] = F ^ g dq , 3 [ k ] T s γ 23 ( i ^ g dq , 3 [ k ] i ^ g dq , 2 [ k ] )
i ^ g dq [ k + 1 ] = i ^ g dq [ k ] + T s ( F ^ g dq , j [ k ] + α v g dq [ k + 1 ] ) ( j = 2 3 γ 1 j ) ( i ^ g dq , 3 [ k + 1 ] i ^ g dq , 2 [ k + 1 ] ) i ^ g dq [ k + 2 ] = i ^ g dq [ k + 1 ] + T s ( F ^ g dq , j [ k + 1 ] + α v g dq [ k + 1 ] )

5. Validation and Discussion

In this section, the results for the real-time hardware-in-the-loop (HiL) validation (test bench shown in Figure 6) of the control performance of the proposed MFPCC-PCESO are presented and discussed. The parameters of the test system are shown in Table 1. Classical MPC in [23] and MPC-ESO are compared with the proposed method. The weight factors of the three methods of MPC are the same, namely: k m i = 1 , k m S = 1 × 10 3 , k g i = 1 , k g v = 1 × 10 3 , k g S = 1 × 10 2 . The measurement noise of the sensor is represented by Gaussian white noise with a standard deviation of σ = 0.05 p . u . , which is added to the measured stator and grid currents (in d q domain).

5.1. Performance under Nominal Conditions

This scenario tests the three methods’ performances without parameter mismatch and measurement noise. The active power decreased from 2 MW to 1 MW at 0.1 s and back to 2 MW at 0.25 s. The dynamic performance is shown in Figure 7. For the machine side, the plots are: speed, electromagnetic torque, d q and three-phase stator currents. On the grid side, there is the DC-link voltage, d q and three-phase grid current, and output power. The steady-state performance is shown in Figure 8. The plots are electromagnetic torque, three-phase and d q stator current on the machine side. There is three-phase and d q grid current, output power and the current spectrum, on the grid side.
Under dynamic conditions, the proposed MFPCC-PCESO achieves global stability and fast tracking performance (just like MPC and MPC-ESO) for both machine- and grid-side control (Figure 7); it has fast-tracking of power; the DC voltage is stable in all conditions; and the capacitor voltage is effectively controlled. In order to ensure excellent dynamic performance, under nominal conditions, when noise suppression is not a priority, the value of M for the PCESO should be set to 1.1.
Due to the use of multiple ESOs in series and in parallel to calculate F and x, the PCESO has higher observation accuracy and faster observation response speed. Under steady-state conditions, the proposed method has good steady-state current like the classical MPC. Furthermore, compared with the MPC-ESO, the proposed method produces lower total harmonic distortion (THD) than the MPC-ESO for both stator and grid-side currents, while maintaining excellent steady-state reference tracking of all control objectives. This demonstrates the superior steady-state performance of the MFPCC-PCESO under nominal conditions.

5.2. Robustness to L g Parameter Mismatch and Measurement Noise

This scenario compares the robust control performance of the proposed MFPCC-PCESO relative to the other two state of the art methods under conditions of measurement noise along with parameter mismatches of grid-side 0.5 L g and 2 L g . The active power decreased from 2 MW to 1 MW at 0.1 s and back to 2 MW at 0.25 s. Dynamic performances are shown in Figure 9 and Figure 10; there are DC voltage, capacitor voltage, d q axis and three-phase grid current, and output power. Figure 11 shows the steady-state performance of the three methods under parameter mismatches of 0.5 L g and 2 L g with sensor measurement noise. There are three-phase and d q axis grid current, output power, and the current spectrum.
Figure 9 and Figure 10 show that all three methods have acceptable dynamic performance when parameter mismatches of 0.5 L g and 1.5 L g and current measurement noise are applied. Due to parameter mismatch and noise, classical MPC has a large d q current and power offset, as well as a large current ripple. MPC-ESO has a certain degree of robustness due to the presence of ESO, and it can be found that accurate power tracking can also be achieved with parameter mismatch. Nonetheless, the proposed MFPCC-PCESO sustains the fast dynamic response of MPC with highest suppression of current and power ripples.
The steady-state performance results are shown in Figure 11. These indicate that under both parameter mismatches of 0.5 L g and 2 L g , it is challenging for classical MPC to balance parameter mismatch and noise suppression. So the observed MPC-based current i ^ g dq has a significant deviation, resulting in poor steady-state performance and high THD. However, the proposed MFPCC-PCESO can give both noise suppression and parameter mismatch robustness. When the mismatch is 0.5 L g , MFPCC-PCESO gives 44.8 % , and 25.4 % lower THD than MPC and MPC-ESO, respectively. When the mismatch is 2 L g , MFPCC-PCESO gives 27.5 % , and 18.5 % lower THD than MPC and MPC-ESO, respectively. In addition, the active power deviation with the proposed method is lower than classical MPC’s by 58.5 % and 68.2 % for 0.5 L g and 2 L g mismatches, respectively. Furthermore, the frequency spectra of MPC and MPC-ESO shows that higher-frequency noise components are amplified; but these high-frequency noises are consistently attenuated with the proposed method. This is because the proposed method effectively eliminates the influence of white noise by comprehensively weighting the observation errors under different gains through the series parallel connection of ESO. It balances the noise suppression ability at low gain and parameter robustness at high gain. At ( 0.31 2.95 ) L g , proposed method operates normally.

5.3. Robustness to L s Parameter Mismatch and Measurement Noise

This scenario compares the robust control performance of the classical MPC, MPC-ESO and MFPCC-PCESO under parameter mismatches of 0.5 L s and 2 L s , and measurement noise conditions. The active power decreased from 2 MW to 1 MW at 0.1 s and back to 2 MW at 0.25 s. Dynamic performance is shown in Figure 12 and Figure 13; there is speed, electromagnetic torque, d q axis and three-phase stator current. Figure 14 shows the steady-state performance of the three methods under parameter mismatches of 0.5 L s and 2 L s with noise. There is electromagnetic torque, three-phase and d q axis stator current and the current spectrum.
The dynamic responses in Figure 12 and Figure 13 show that, due to parameter mismatch of 0.5 L s and 2 L s with current measurement noise, classical MPC is unable to accurately respond to torque reference when the speed changes, and has significant torque fluctuations, deviations and overshoots, resulting in poor dynamic performance. This is because traditional MPC requires accurate models to predict the d q axis current, and noise and parameter mismatches can reduce its control quality. The proposed MFPCC-PCESO overcomes the challenges by improved robustness to multiple uncertainties, resulting in superior dynamic performance than MPC and the MPC-ESO.
Steady-state control performance for L s mismatches are shown in Figure 14: classical MPC has a larger current ripple and THD due to its inability to suppress noise. Both the MPC-ESO and proposed MFPCC-PCESO are based on the ultralocal model and have better immunity to parameter variations than MPC. However, the MPC-ESO’s is weaker in noise suppression than the proposed method. Specifically, the MPC-ESO has poor high-frequency noise attenuation attributes in Figure 14c,e. However, the proposed method has superior ability for sensor noise attenuation in both low- and high-frequency ranges. Hence, at 0.5 L s mismatch, the MFPCC-PCESO gives 71.1 % and 22.3 % lower THD than MPC and the MPC-ESO, respectively. At 2 L s mismatch, the MFPCC-PCESO gives 33.4 % and 32.3 % lower THD than MPC and the MPC-ESO, respectively. Furthermore, the maximum torque deviation of the MFPCC-PCESO is 87.2 % and 78.5 % lower than MPC’s at 0.5 L s and 2 L s , respectively.
The proposed method can balance parameter mismatch and noise suppression, with smaller current ripple and torque offset. This is due to the PCESO’s more stable observation of d q axis current, so the proposed method has better steady-state performance. Due to the small steady-state fluctuations of the proposed method, it requires fewer state changes, resulting in a lower switching frequency. At ( 0.26 3.51 ) L s , the proposed method operates normally.

5.4. Robustness to ψ p m Parameter Mismatch and Measurement Noise

Since classical MPC no longer works properly under parameter mismatch of 0.5 ψ p m and 1.5 ψ p m with measurement noise conditions, this section compares the robust control performance of the MPC-ESO and MFPCC-PCESO with parameter mismatch and noise. The active power decreased from 2 MW to 1 MW at 0.1 s and back to 2 MW at 0.25 s. As shown in the dynamic performance of Figure 15 and Figure 16, there is speed, electromagnetic torque, d q axis and three-phase stator current. The steady-state performance of the three methods under parameter mismatches of 0.5 ψ p m and 1.5 ψ p m with noise show electromagnetic torque, three-phase and d q axis stator current, and the current spectrum.
It can be found that, due to parameter mismatch of 0.5 ψ p m and 1.5 ψ p m with current measurement noise, the electromagnetic torque of the MPC-ESO generates about 10% static difference. When the ESO faces flux parameter mismatch and noise, the noise will deteriorate its robust control effect, reducing the dynamic and steady-state control performance. This means that its current observation values have greater fluctuations and deviations, its torque fluctuations are more severe and the current ripple is stronger.
The MFPCC-PCESO still maintains excellent noise suppression performance in the case of magnetic flux mismatch, and has more accurate current observation accuracy. This enables the proposed method to accurately track torque changes and reduce torque fluctuations and current ripple. And, it has better control performance and current THD. The proposed method has a lower switching frequency, but the neutral voltage difference between the two methods is similar.
The proposed method can effectively estimate the d q axis current in various parameter mismatch environments containing Gaussian white noise with low estimation error. At the same time, the proposed method can effectively suppress noise and cope with parameter mismatch, and has strong robustness. In addition to excellent steady-state and dynamic performance, the proposed method also performs well for secondary control objectives. It has a lower switching frequency and a lower neutral voltage difference. At ( 0.34 2.48 ) ψ p m , the proposed method operates normally.

5.5. Overall Performance Evaluation

Table 2 and Table 3 show the summary of overall control performances for all tested scenarios. The computational time of the proposed MFPCC-PCESO is less than 4 % higher than classical MPC, and yet it produces a reduction in noise THD, active power deviation and torque deviation by up to 45 % , 68 % and 87 % , respectively. In addition, the improved performance is achieved at about the same or lower switching frequency than classical MPC or an MPC-ESO for all tested cases, indicating that efficiency was not traded off.

6. Conclusions

In this paper, the limitations of MPC for the control of a PMSG wind turbine was studied. Starting from the ultralocal model of the PMSG system, a multi-frequency hybrid parallel cascade ESO (PCESO) framework was proposed to address this challenge. The control performance of the proposed MFPCC-PCESO is verified through a hardware-in-the-loop PMSG test bench. When the grid filter parameter mismatch is 0.5 L g to 2 L g , the MFPCC-PCESO gives up to 44.8 % , and 25.4 % lower THD than MPC and the MPC-ESO, respectively. Also, the active power deviation is lower than classical MPC’s by 58.5 % and 68.2 % for 0.5 L g and 2 L g mismatches, respectively. Under stator inductance parameter mismatches from 0.5 L s to 2 L s mismatch, the MFPCC-PCESO gives up to 71.1 % and 22.3 % lower THD than MPC and the MPC-ESO, respectively. The maximum torque deviation of the MFPCC-PCESO is 87.2 % and 78.5 % lower than MPC’s at 0.5 L s and 2 L s , respectively. Furthermore, the frequency spectra of MPC and the MPC-ESO shows that higher-frequency noise components are amplified, but these high-frequency noises are consistently attenuated with the proposed method. Compared with classical MPC with an ESO, without trading off the computational burden or efficiency, the proposed MFPCC-PCESO has better parameter and noise robustness, as well as excellent dynamic and steady-state performance in the case of mismatched stator inductance, grid-side inductance and permanent magnet flux parameters. Future work will focus on applying the proposed method to practical PMSG wind power generation systems and testing its effectiveness under actual operating conditions.

Author Contributions

Conceptualization, Z.Z. and J.L.; methodology, J.L. and O.B.; software, J.L. and O.B.; validation, J.L. and O.B.; formal analysis, J.L. and O.B.; investigation, J.L. and Z.L.; resources, J.L.; data curation, J.L.; writing—original draft preparation, J.L. and O.B.; writing—review and editing, J.L., O.B. and Z.Z.; visualization, J.L. and Z.L.; supervision, Z.Z.; project administration, Z.Z.; funding acquisition, Z.Z. All authors have read and agreed to the published version of the manuscript.

Funding

This research was funded by National Key R & D Program of China under 2022YFB4201700, in part by the General Program of National Natural Science Foundation of China under Grant 51977124, 52277192, and 52277191.

Data Availability Statement

No new data were created or analyzed in this study. Data sharing is not applicable to this article.

Conflicts of Interest

The authors declare no conflict of interest.

References

  1. Zhang, Z.; Wang, F.; Wang, J.; Rodríguez, J.; Kennel, R. Nonlinear Direct Control for Three-Level NPC Back-to-Back Converter PMSG Wind Turbine Systems: Experimental Assessment With FPGA. IEEE Trans. Ind. Inform. 2017, 13, 1172–1183. [Google Scholar] [CrossRef]
  2. Grimm, F.; Zhang, Z.; Abdelrahem, M.; Kennel, R. Computationally efficient predictive control of three-level NPC converters with DC-link voltage balancing: A priori state selection approach. In Proceedings of the 2017 IEEE International Symposium on Predictive Control of Electrical Drives and Power Electronics (PRECEDE), Pilsen, Czech Republic, 4–6 September 2017; Volume 1, pp. 72–77. [Google Scholar]
  3. Li, J.; Hu, S.; Li, M.; Zhu, Y.; Kong, D.; Xu, H. Research on the application of parallel back-to-back PWM converter on direct-drive wind power system. In Proceedings of the 2008 Third International Conference on Electric Utility Deregulation and Restructuring and Power Technologies, Nanjing, China, 6–9 April 2008; Volume 1, pp. 2504–2508. [Google Scholar]
  4. Garcia, C.; Mohammadinodoushan, M.; Yaramasu, V.; Norambuena, M.; Davari, S.A.; Zhang, Z.; Khaburi, D.; Rodriguez, J. FCS-MPC Based Pre-Filtering Stage for Computational Efficiency in a Flying Capacitor Converter. IEEE Access 2021, 9, 111039–111049. [Google Scholar] [CrossRef]
  5. Vazquez, S.; Rodriguez, J.; Rivera, M.; Franquelo, L.G.; Norambuena, M. Model Predictive Control for Power Converters and Drives: Advances and Trends. IEEE Trans. Ind. Electron. 2017, 64, 935–947. [Google Scholar] [CrossRef]
  6. Karamanakos, P.; Geyer, T. Guidelines for the Design of Finite Control Set Model Predictive Controllers. IEEE Trans. Power Electron. 2020, 35, 7434–7450. [Google Scholar] [CrossRef]
  7. Zhang, Y.; Jin, J.; Huang, L. Model-Free Predictive Current Control of PMSM Drives Based on Extended State Observer Using Ultralocal Model. IEEE Trans. Ind. Electron. 2021, 68, 993–1003. [Google Scholar] [CrossRef]
  8. Zhu, S.; Huang, W.; Zhao, Y.; Lin, X.; Dong, D.; Jiang, W.; Zhao, Y.; Wu, X. Robust Speed Control of Electrical Drives With Reduced Ripple Using Adaptive Switching High-Order Extended State Observer. IEEE Trans. Power Electron. 2022, 37, 2009–2020. [Google Scholar] [CrossRef]
  9. Sartipizadeh, H.; Harirchi, F.; Babakmehr, M.; Dehghanian, P. Robust Model Predictive Control of DC-DC Floating Interleaved Boost Converter With Multiple Uncertainties. IEEE Trans. Energy Convers. 2021, 36, 1403–1412. [Google Scholar] [CrossRef]
  10. Sawma, J.; Khatounian, F.; Monmasson, E.; Idkhajine, L.; Ghosn, R. Robustness Study of a Cascaded Dual Model-Predictive Control Applied to Synchronous Motors. IEEE Trans. Ind. Electron. 2019, 66, 7219–7228. [Google Scholar] [CrossRef]
  11. Pérez-Estévez, D.; Doval-Gandoy, J. A Model Predictive Current Controller With Improved Robustness Against Measurement Noise and Plant Model Variations. IEEE Open J. Ind. Appl. 2021, 2, 131–142. [Google Scholar] [CrossRef]
  12. Wang, S.; Dragicevic, T.; Gontijo, G.F.; Chaudhary, S. K; Teodorescu, R. Machine Learning Emulation of Model Predictive Control for Modular Multilevel Converters. IEEE Trans. Ind. Electron. 2021, 68, 11628–11634. [Google Scholar] [CrossRef]
  13. Yang, X.; Hu, H.; Hu, H.; Liu, Y.; He, Z. A Quasi-Resonant Extended State Observer-Based Predictive Current Control Strategy for Three-Phase PWM Rectifier. IEEE Trans. Ind. Electron. 2022, 69, 13910–13917. [Google Scholar] [CrossRef]
  14. Le, V.-T.; Lee, H.-H. Grid-Voltage Sensorless Model-Free Predictive Current Control for PWM Rectifiers With Measurement Noise Suppression. IEEE Trans. Power Electron. 2022, 37, 10681–10697. [Google Scholar] [CrossRef]
  15. Łakomy, K.; Madonski, R. Cascade extended state observer for active disturbance rejection control applications under measurement noise. ISA Trans. 2020, 109, 1–10. [Google Scholar] [CrossRef] [PubMed]
  16. Łakomy, K.; Madonski, R.; Dai, B.; Yang, J.; Kicki, P.; Ansari, M.; Li, S. Active Disturbance Rejection Control Design with Suppression of Sensor Noise Effects in Application to DC–DC Buck Power Converter. IEEE Trans. Ind. Electron. 2022, 69, 816–824. [Google Scholar] [CrossRef]
  17. Ahmad, S.; Ali, A. On Active Disturbance Rejection Control in Presence of Measurement Noise. IEEE Trans. Ind. Electron. 2022, 69, 11600–11610. [Google Scholar] [CrossRef]
  18. Babayomi, O.; Zhang, Z. Model-Free Predictive Control of Power Converters with Cascade-Parallel Extended State Observers. IEEE Trans. Ind. Electron. 2023, 70, 10215–10226. [Google Scholar] [CrossRef]
  19. Babayomi, O.; Zhang, Z.; Li, Z.; Heldwein, M.L.; Rodríguez, J. Robust Predictive Control of Grid-Connected Converters: Sensor Noise Suppression with Parallel-Cascade Extended State Observer. IEEE Trans. Ind. Electron. 2023, 1–13. [Google Scholar] [CrossRef]
  20. Babayomi, O.; Zhang, Z. Model-Free Predictive Control of Power Converters with Multifrequency Extended State Observers. IEEE Trans. Ind. Electron. 2023, 70, 11379–11389. [Google Scholar] [CrossRef]
  21. Madonski, R.; Shao, S.; Zhang, H.; Gao, Z.; Yang, J.; Li, S. General error-based active disturbance rejection control for swift industrial implementations. Control Eng. Pract. 2019, 84, 218–229. [Google Scholar] [CrossRef]
  22. Gao, Z. Scaling and bandwidth-parameterization based controller tuning. In Proceedings of the 2003 American Control Conference, Denver, CO, USA, 4–6 June 2003; Volume 6, pp. 4989–4996. [Google Scholar]
  23. Cui, Z. Research on the Design of Model Predictive Control Weighting Factors of Wind Turbine Systems. Master’s Thesis, Shandong University, Jinan, China, 2020. [Google Scholar]
Figure 1. Simplified topology of 3L-NPC back-to-back converter-based PMSG wind turbine system.
Figure 1. Simplified topology of 3L-NPC back-to-back converter-based PMSG wind turbine system.
Energies 16 06255 g001
Figure 2. Control block diagram of ESO MPC framework: (a) machine-side; (b) grid-side.
Figure 2. Control block diagram of ESO MPC framework: (a) machine-side; (b) grid-side.
Energies 16 06255 g002
Figure 3. Control block diagram: (a) classical MPC; (b) ESO-based MPC.
Figure 3. Control block diagram: (a) classical MPC; (b) ESO-based MPC.
Energies 16 06255 g003
Figure 4. Hybrid PCESO’s structure and a sample PCESO with three sub-frequency levels.
Figure 4. Hybrid PCESO’s structure and a sample PCESO with three sub-frequency levels.
Energies 16 06255 g004
Figure 5. Bode plots for PCESO frequency response ( ω 0 ( 1 ) = 3 krad / s and ω 0 ( 2 ) = 15 krad / s ).
Figure 5. Bode plots for PCESO frequency response ( ω 0 ( 1 ) = 3 krad / s and ω 0 ( 2 ) = 15 krad / s ).
Energies 16 06255 g005
Figure 6. Hardware-in-the-loop platform.
Figure 6. Hardware-in-the-loop platform.
Energies 16 06255 g006
Figure 7. Dynamic performance without parameter mismatch and noise. Machine-side: (a) Classical MPC; (b) MPC-ESO; (c) Proposed MFPCC-PCESO. Grid-side: (d) Classical MPC; (e) MPC-ESO; (f) Proposed MFPCC-PCESO.
Figure 7. Dynamic performance without parameter mismatch and noise. Machine-side: (a) Classical MPC; (b) MPC-ESO; (c) Proposed MFPCC-PCESO. Grid-side: (d) Classical MPC; (e) MPC-ESO; (f) Proposed MFPCC-PCESO.
Energies 16 06255 g007
Figure 8. Steady-state performance without parameter mismatch and noise. Machine-side: (a) Classical MPC; (b) MPC-ESO; (c) Proposed MFPCC-PCESO. Grid-side: (d) Classical MPC; (e) MPC-ESO; (f) Proposed MFPCC-PCESO.
Figure 8. Steady-state performance without parameter mismatch and noise. Machine-side: (a) Classical MPC; (b) MPC-ESO; (c) Proposed MFPCC-PCESO. Grid-side: (d) Classical MPC; (e) MPC-ESO; (f) Proposed MFPCC-PCESO.
Energies 16 06255 g008
Figure 9. Dynamic performance of 0.5 L g : (a) Classical MPC; (b) MPC-ESO; (c) Proposed MFPCC-PCESO.
Figure 9. Dynamic performance of 0.5 L g : (a) Classical MPC; (b) MPC-ESO; (c) Proposed MFPCC-PCESO.
Energies 16 06255 g009
Figure 10. Dynamic performance of 2 L g : (a) Classical MPC; (b) MPC-ESO; (c) Proposed MFPCC-PCESO.
Figure 10. Dynamic performance of 2 L g : (a) Classical MPC; (b) MPC-ESO; (c) Proposed MFPCC-PCESO.
Energies 16 06255 g010
Figure 11. Steady-state performance under L g parameter mismatches: (a) Classical MPC of 0.5 L g ; (b) MPC-ESO of 0.5 L g ; (c) Proposed MFPCC-PCESO of 0.5 L g ; (d) Classical MPC of 2 L g ; (e) MPC-ESO of 2 L g ; (f) Proposed MFPCC-PCESO of 2 L g .
Figure 11. Steady-state performance under L g parameter mismatches: (a) Classical MPC of 0.5 L g ; (b) MPC-ESO of 0.5 L g ; (c) Proposed MFPCC-PCESO of 0.5 L g ; (d) Classical MPC of 2 L g ; (e) MPC-ESO of 2 L g ; (f) Proposed MFPCC-PCESO of 2 L g .
Energies 16 06255 g011
Figure 12. Dynamic performance of 0.5 L s : (a) Classical MPC; (b) MPC-ESO; (c) Proposed MFPCC-PCESO.
Figure 12. Dynamic performance of 0.5 L s : (a) Classical MPC; (b) MPC-ESO; (c) Proposed MFPCC-PCESO.
Energies 16 06255 g012
Figure 13. Dynamic performance of 2 L s : (a) Classical MPC; (b) MPC-ESO; (c) Proposed MFPCC-PCESO.
Figure 13. Dynamic performance of 2 L s : (a) Classical MPC; (b) MPC-ESO; (c) Proposed MFPCC-PCESO.
Energies 16 06255 g013
Figure 14. Steady-state performance: (a) Classical MPC of 0.5 L s ; (b) MPC-ESO of 0.5 L s ; (c) Proposed MFPCC-PCESO of 0.5 L s . (d) Classical MPC of 2 L s ; (e) MPC-ESO of 2 L s ; (f) Proposed MFPCC-PCESO of 2 L s .
Figure 14. Steady-state performance: (a) Classical MPC of 0.5 L s ; (b) MPC-ESO of 0.5 L s ; (c) Proposed MFPCC-PCESO of 0.5 L s . (d) Classical MPC of 2 L s ; (e) MPC-ESO of 2 L s ; (f) Proposed MFPCC-PCESO of 2 L s .
Energies 16 06255 g014
Figure 15. Results for parameter mismatches of 0.5 ψ pm : (a) Dynamic performance of MPC-ESO; (b) Steady-state performance of MPC-ESO; (c) Dynamic performance of proposed MFPCC-PCESO; (d) Steady-state performance of proposed MFPCC-PCESO.
Figure 15. Results for parameter mismatches of 0.5 ψ pm : (a) Dynamic performance of MPC-ESO; (b) Steady-state performance of MPC-ESO; (c) Dynamic performance of proposed MFPCC-PCESO; (d) Steady-state performance of proposed MFPCC-PCESO.
Energies 16 06255 g015
Figure 16. Performance for parameter mismatches of 2 ψ pm : (a) Dynamic performance of MPC-ESO; (b) Steady-state performance of MPC-ESO; (c) Dynamic performance of proposed MFPCC-PCESO; (d) Steady-state performance of proposed MFPCC-PCESO.
Figure 16. Performance for parameter mismatches of 2 ψ pm : (a) Dynamic performance of MPC-ESO; (b) Steady-state performance of MPC-ESO; (c) Dynamic performance of proposed MFPCC-PCESO; (d) Steady-state performance of proposed MFPCC-PCESO.
Energies 16 06255 g016
Table 1. System configuration.
Table 1. System configuration.
ParameterValueParameterValue
Generator stator resistance [ R s ]0.054 [ Ω ]Grid-side resistance [ R g ]0.00156 [ Ω ]
Generator stator inductance [ L s ]17.4 [mH]Grid-side inductance [ L g ]1.55 [mH]
Permanent-magnet flux linkage [ ψ p m ]42 [Wb]DC-link capacitance [ C 1 ( C 2 )]8.4 [mF]
Generator rotor inertia [J]4000 [kg · m 2 ]DC-link voltage [ V dc ]5200 [V]
number of pairs [ N p ]42Sample time [ T s ]100 [ μ s]
Grid (phase) voltage [ e g ]3300 [V]Number of levels [M]3
Grid frequency [ ω g ]100 π [rad/s]Bandwidth [ ω 0 ]3 [kHz]
Table 2. Summary of performance results for test scenarios.
Table 2. Summary of performance results for test scenarios.
ParameterClassical MPCMPC-ESOMFPCC-PCESO
Max. deviation of i ^ g d (nominal)104.52 A176.61 A102.11 A
Max. V o (nominal)14.04 V17.74 V14.43 V
Max. deviation of i ^ m q (nominal)50.45 A94.91 A57.66 A
Max. deviation of i ^ g d at 0.5 L g 364.02 A186.21 A73.28 A
Max. V o at 0.5 L g 43.42 V16.38 V12.41 V
Max. deviation of i ^ g d at 2 L g 200.63 A160.98 A78.09 A
Max. V o at 2 L g 33.73 V21.58 V14.69 V
Max. deviation of i ^ m q at 0.5 L s 977.93 A352.01 A92.50 A
Max. V o at 0.5 L s 12.09 V11.51 V10.06 V
Max. deviation of i ^ m q at 2 L s 985.14 A255.89 A102.11 A
Max. V o at 2 L s 12.15 V11.57 V11.50 V
Max. deviation of i ^ m q at 0.5 ψ pm -175.40 A97.31 A
Max. V o at 0.5 ψ pm -11.51 V10.92 V
Max. deviation of i ^ m q at 1.5 ψ pm -290.73 A67.27 A
Max. V o at 1.5 ψ pm -13.32 V13.13 V
Grid-side THD at nominal 4.41 % 6.14 % 4.53 %
Grid-side THD at 0.5 L g 13.35 % 9.83 % 7.29 %
Grid-side THD at 2 L g 7.51 % 6.49 % 5.33 %
Mach.-side THD at nominal 2.89 % 3.34 % 2.92 %
Mach.-side THD at 0.5 L s 15.52 % 5.88 % 4.46 %
Mach.-side THD at 2 L s 9.47 % 7.54 % 5.23 %
Avg. switch. freq. (machine-/grid-side)1.37/1.33 kHz1.30/1.29 kHz1.27/1.25 kHz
Table 3. Comparison of dynamic performance and computational time of five methods.
Table 3. Comparison of dynamic performance and computational time of five methods.
MethodComputational TimeOvershoot (Nominal)Min. Bandwidth
MPC in [23]28.19 μ s4.21 p.u.-
MPC-ESO26.37 μ s4.59 p.u.0.98 kHz
CESO33.64 μ s17.86 p.u.0.95 kHz
CP-ESO [18]34.82 μ s15.75 p.u.1.14 kHz
MFPCC-PCESO29.18 μ s3.99 p.u.0.87 kHz
Disclaimer/Publisher’s Note: The statements, opinions and data contained in all publications are solely those of the individual author(s) and contributor(s) and not of MDPI and/or the editor(s). MDPI and/or the editor(s) disclaim responsibility for any injury to people or property resulting from any ideas, methods, instructions or products referred to in the content.

Share and Cite

MDPI and ACS Style

Li, J.; Babayomi, O.; Zhang, Z.; Li, Z. Robust Predictive Current Control of PMSG Wind Turbines with Sensor Noise Suppression. Energies 2023, 16, 6255. https://doi.org/10.3390/en16176255

AMA Style

Li J, Babayomi O, Zhang Z, Li Z. Robust Predictive Current Control of PMSG Wind Turbines with Sensor Noise Suppression. Energies. 2023; 16(17):6255. https://doi.org/10.3390/en16176255

Chicago/Turabian Style

Li, Junda, Oluleke Babayomi, Zhenbin Zhang, and Zhen Li. 2023. "Robust Predictive Current Control of PMSG Wind Turbines with Sensor Noise Suppression" Energies 16, no. 17: 6255. https://doi.org/10.3390/en16176255

APA Style

Li, J., Babayomi, O., Zhang, Z., & Li, Z. (2023). Robust Predictive Current Control of PMSG Wind Turbines with Sensor Noise Suppression. Energies, 16(17), 6255. https://doi.org/10.3390/en16176255

Note that from the first issue of 2016, this journal uses article numbers instead of page numbers. See further details here.

Article Metrics

Back to TopTop