Next Article in Journal
A New Path towards Sustainable Energy Transition: Techno-Economic Feasibility of a Complete Hybrid Small Modular Reactor/Hydrogen (SMR/H2) Energy System
Next Article in Special Issue
Analysis of Secondary Controller on MTDC Link with Solar PV Integration for Inter-Area Power Oscillation Damping
Previous Article in Journal
Robust Predictive Current Control of PMSG Wind Turbines with Sensor Noise Suppression
Previous Article in Special Issue
DC Admittance Model of VSCs for Stability Studies in VSC-HVDC Systems
 
 
Font Type:
Arial Georgia Verdana
Font Size:
Aa Aa Aa
Line Spacing:
Column Width:
Background:
Article

Actions to Handle Increasing Distributed Generation and Rising Voltage during Low-Demand Periods: Tap Staggering Practices and Field Tests in the Italian Transmission Network

1
Department of Engineering and Architecture, University of Trieste, Via Valerio 10, 34127 Trieste, Italy
2
Terna Rete Italia S.p.A., Via Botticelli 139, 10154 Torino, Italy
3
AcegasApsAmga S.p.A., Via del Teatro 5, 34121 Trieste, Italy
*
Author to whom correspondence should be addressed.
Energies 2023, 16(17), 6258; https://doi.org/10.3390/en16176258
Submission received: 13 July 2023 / Revised: 17 August 2023 / Accepted: 24 August 2023 / Published: 28 August 2023
(This article belongs to the Special Issue Advanced Electric Power System 2023)

Abstract

This paper deals with the voltage regulation strategies implemented in the Italian transmission network to face the increasing problem of high voltages during time periods characterized by low demand. After an introduction in which this very actual problem is discussed, the focus is on tap staggering practices. Although tap staggering is not a new idea, it is gaining practical importance only in the very last few years as a means of enhancing the inductive power drawn from the grid and, therefore, limiting the voltage rise. Accordingly, tap staggering contributes to the mitigation of the problems caused by the increasing penetration of renewable energy sources and thus can allow an increase in the share of renewable energy sources. The paper presents the different tap staggering practices that are being defined by the Italian transmission system operator and reports some tap staggering tests recently performed on large autotransformers as well as phase-shifter transformers.

1. Introduction

In the last decade, an increasing upward trend in voltages in some parts of the transmission systems has been taking place, mainly in low-demand periods like nights, weekends, and holidays [1,2,3]. Two important factors are behind this trend. First, in operating conditions characterized by low demand and high production from nonprogrammable renewable sources, the committed sets of production units (PUs) with regulation capability are particularly small. Second, the reactive energy drawn/introduced from/into the transmission systems is changing, with a clear progressive reduction in the total annual reactive energy drawn (“inductive energy”) and a clear progressive increase in the total annual reactive energy introduced (“capacitive energy”). In Italy, the total amount of capacitive energy introduced in HV networks roughly doubled in the period 2014–2020, approaching the total amount of inductive energy drawn [3]. Table 1 shows that, in this period, the total amount of reactive energy exchanged between HV networks and the sum of distribution networks and HV users has remained approximately constant at nearly 50 TVArh/year, but there has been a clear progressive decrease in inductive energy and a clear progressive increase in capacitive energy [4]. In 2020, the latter almost matched the former. In the figures reported, distribution systems are by far the main part.
Transmission system operators (TSOs) control voltages and manage reactive energy in their HV networks by means of proper devices/techniques (which include synchronous compensators, capacitor banks, shunt reactors, STATCOMs, and transformer tap staggering) and stocking up resources in the dispatching services market (MSD). In order to meet voltage regulation requirements, the current upward trend in voltages in some parts of the transmission systems forces TSOs to commit additional PU compared to those committed as a result of the electricity markets. On the one hand, this leads to increased dispatching costs and, on the other hand, constitutes an obstacle to the increasing penetration of nonprogrammable renewable sources required by the ongoing energy transition process. This latter aspect is made even more crucial and urgent by the recent tensions in energy prices and dramatic geopolitical events.
As for dispatching costs, in 2014, the cost incurred by Terna, the Italian TSO, on the MSD for reactive energy management was estimated at approximately 150 M€ [5]. But, in the two years 2018–2019, this cost rose to more than 1000 M€/year [4].
In addition, the increasing voltages in some parts of the transmission system have caused a significant increase in TSO investments for devices for voltage regulation and reactive energy control (in the period 2020–2026, the total investment costs, made and planned, are estimated at approximately 1 G€ [4]).
As for nonprogrammable renewable sources, their increasing penetration has important effects on the generators in service, as they lead to small sets of regulating PUs committed as a result of the electricity markets and, consequently, to the need to commit additional PUs in order to provide adequate system security and network services (like voltage regulation).
Aiming to allow an increasing share of nonprogrammable renewable generation, Terna has started, since the second half of 2021, a revision of its real-time management processes. In particular, special effort has been focused on reducing the commitment of PUs not resulting from the electricity markets but required to provide adequate system security and services.
The TSO has several means to counteract the rising trend in voltage values during low-demand periods. In detail, the actions based on already existing network components are listed below. Note that the actions performed on compensation devices generally have higher priority than configuration changes or power flow changes. For example, shunt reactor management has higher priority than PST control, tap change on autotransformers (ATRs), disconnection of ATRs, disconnection of lines, and so on.
  • Synchronous generator excitation control on the primary transmission network (which includes the 380–220 kV voltage levels);
  • Shunt reactor management;
  • Active power flow control on the primary kV transmission network by means of phase-shifting transformers (PSTs) and set point changes in HVDC links;
  • Changes in HVDC filter arrangement;
  • Network configuration changes by acting on parallel busbar switch breakers;
  • Control of ATRs on-load tap changers (OLTCs) and disconnection of ATRs;
  • Distributed tap staggering (TS) of ATRs with limited tap unbalance (see Section 3) and/or localized TS of ATRs (and, when available, of PSTs).
In addition, the following actions can also be performed, but note that they are costly for the system:
  • Active power flow changes by means of PU re-dispatching;
  • Early PU commitment and/or delayed PU decommitment;
  • Commitment of PUs not programmed as a result of the electricity markets.
In agreement with what is reported above, the target of Terna is to minimize the impact of the three latter actions while trying to maximize the benefit obtained through the implementation of the previous “not costly” actions. The benefit consists of a higher share of nonprogrammable renewable source generation allowed, reduced dispatching costs, or both.
From the viewpoint of organization, different actions have been put in place:
  • A push/acceleration for the installation of reactive power compensators like shunt reactors, synchronous compensators, and STATCOMs;
  • Close coordination between the National and Regional Control Centers for managing the primary transmission and subtransmission networks with a view to voltage regulation in the overall system;
  • Creation of a list of maneuvers on the network intended to limit system voltages. For example, the list indicates the lines that can be disconnected, the effect of each disconnection, and information concerning the possibility of performing TS;
  • Creation of teams of experts supporting 24 h the control rooms in the decisions concerning the acquisition of PUs not committed as a result of the electricity markets.
Although TS is a means for reactive power management that has been known for a long time, it has been gaining increasing importance only in the very last few years to help counteract the actual problem of high voltages during periods of low demand. As TS does not require the connection of new components to the power system, it is cheaper than other solutions like the installation of new shunt reactors (in Italy, the investment costs for the installation of new shunt reactors in the 4 years 2021–2024 will be approximately 48 M€ [4]). Moreover, operative field data suggest that the reliability of shunt reactors could be lower than that of TRSs, ATRs, and PSTs involved in TS. However, TS stresses the involved machines more, and it is still early to evaluate any reliability reductions.
The following sections specifically concern TS and describe the application rules that are being defined by the Italian TSO. Section 2 briefly reports the principles of TS performed on TRSs/ATRs and PSTs and includes a short comparison among different available techniques for reactive power management.
Section 3 analyzes the different modalities adopted by the Italian TSO for TS implementation/management. Section 4 reports the results of recent field tests performed on both ATRs and PSTs in the Italian primary transmission network. Section 3 and Section 4 present some original rules/solutions for what concerns the TS performed using PSTs and distributed or localized TS.

2. Principles of Tap Staggering

The theory of TS is briefly described in this section. TS consists of operating in parallel two tap-change transformers (TRSs) or ATRs on a dedicated secondary busbar with different tap positions [6,7,8]. This configuration provides a means of absorbing reactive power and thus contributes to regulating voltage in the substation area in low-load periods. The reactive power absorbed at the input node and therefore the voltage variation on the primary side depends on its short-circuit power and steady-state operating conditions before TS implementation.
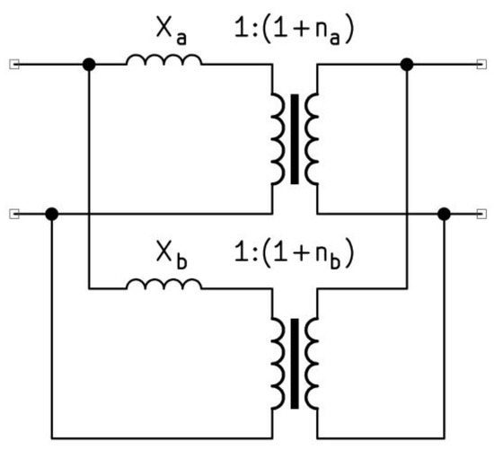
Consider two tap-change TRSs connected in parallel. The number of turns of the secondary windings depends on the selected taps. Assume the upper TRS has ( 1 + n a ) turns, and the bottom TRS has ( 1 + n b ) turns. By neglecting the no-load currents and the series (short-circuit) resistances, this arrangement is represented by the circuit reported in Figure 1 [9]. This circuit can be transformed in the “equivalent transformer” illustrated in Figure 2.
The parameters of the resulting equivalent transformer (i.e., series reactance X e q , per unit tap-change setting neq and transversal admittance Y e q ) can be expressed as follows as a function of the per unit tap-change settings n a and n b and the series (or short circuit) reactances X a and X b :
Y e q = j [ ( n b n a ) 2 X a ( 1 + n a ) 2 + X b ( 1 + n b ) 2 ]
n e q = n a X a ( 1 + n a ) 2 ( n a n b ) X a ( 1 + n a ) 2 + X b ( 1 + n b ) 2
X e q = X a X b [ X a ( 1 + n a ) 2 + X b ( 1 + n b ) 2 ] [ X a ( 1 + n a ) 2 + X b ( 1 + n b ) 2 ] 2
Equation (1) shows that unequal tap-change settings ( n a n b ) give rise to an equivalent transversal reactive admittance, with reactive power absorption from the upstream power system. Therefore, this arrangement can be used to improve voltage regulation during light-load conditions. If TS is performed with TRSs in no-load operation (see Section 3), according to Figure 2, the reactive power absorbed is only due to the resulting transversal admittance Y e q .
Note that, in principle, this action has the same qualitative effect of other devices capable of absorbing reactive power, like shunt reactors, TCRs (i.e., continuously controlled reactors [10]), and synchronous compensators. However, the costs are very different. Unlike the existing TRSs or ATRs of an electrical substation, shunt reactors, TCRs, and synchronous compensators must be regarded as new devices to be installed by the TSO. Accordingly, if TRSs or ATRs can be operated, during light-load conditions, in TS configuration (this possibility must be verified case-by-case by the TSO), this practice can allow the installation of new devices to be avoided.
Aiming to compare these different techniques, first we note that the high and very high dynamic responses of respectively synchronous compensators and TCRs are not required to face the problem of rising voltages in low-demand periods. As is known, in most cases, these techniques are used in order to obtain other technical benefits: system inertia and short-circuit power increase (synchronous compensators), fast dynamic voltage regulation, and/or system stability increase (TCRs). It follows that, in practice, the most significant comparison can be performed between transformer TS and shunt reactors. Shunt reactors are relatively simple but allow just an on/off operation (reactive power cannot be regulated). On the other hand, their connection/disconnection is not subject to the network checks required by TS (see Section 3). Table 2 briefly summarizes the main differences concerning both costs and technical aspects of these four techniques.
Aiming to increase the circulation current between the two TRSs and thus the reactive power absorbed from the upstream network, the taps selected on the two OLTCs must be changed in opposite directions. Assuming that:
  • The same OLTC tap-change settings (with opposite sign) are used for the two TRSs: n a = Δ n and n b = Δ n ;
  • The series reactances X a and X b are equal (in practice, often the two involved TRSs/ATRs are twins and the limited difference between the two reactances due to the different number of turns n a and n b can be neglected).
From Equation (1), denoting by X the series reactances X a and X b , the resulting transversal admittance Y e q is:
Y ˙ e q j 4 Δ n 2 2 X ( 1 + Δ n 2 )   j 2 Δ n 2 X
More generally, given the nominal data of the involved machines and the tap position settings, the reactive power absorbed in TS operation can be estimated.
The typical values of the ATRs used in Italian HV substations are as follows: nominal power A is 250 MVA, short-circuit impedance X s c goes from 11% to 12%, and OLTC ±10% with ±5 taps and 11 total positions. According to Equation (4), the maximum reactive power that two typical ATRs can absorb in a no-load configuration is approximately 40 MVAr.
TS can also be performed using two TRSs under normal load. In this case, the currents caused by the TS add to the load currents, and therefore, the two TRSs carry different currents. It follows that the maximum allowed unbalance in the selected taps is generally lower than the maximum one. At the rated current, the reactive power that can be absorbed by two TRSs operated in TS in under-load mode depends on (1) the load level and (2) the power factor. Obviously, the reactive power that can be absorbed is lower than that in the no-load mode. In addition, the secondary voltage of the two TRSs in parallel is subject to more stringent constraints.
In principle, TS can also be performed by exploiting the normal layout of the primary substations (owned by the distribution system operators, DSO), which include two HV/MV TRSs in parallel [7,11,12]. However, in this case, the benefits mainly concern the upstream TSO HV network, whereas TS is performed by DSO machines.
In practice, until today, Italian DSOs have not performed TS on their TRSs. However, as already mentioned in Section 1, DSOs are responsible for most of the capacitive energy introduced in HV networks. Therefore, for DSOs (and HV users), recent tariff regulation concerning the reactive energy exchanged with HV networks, in force since 1 April 2023, states that capacitive energy cannot be introduced into HV networks in any time slot and sets the unit fees to be applied in case of noncompliance with this prescription [13]. In this regard, DSOs are developing network models to predict grid behavior. In addition, they are utilizing the provisions of the Italian compulsory standards for connections to improve their capability of managing reactive energy.
A general assumption for Terna is that the available assets already installed on the grid and able to provide multi-service performance should do so. This idea can also be applied to the case of PSTs. It is known that these machines are used to control the active power flow on the electric transmission lines they are connected to, by acting on the voltage phase angle difference between the two nodes at the extremities of the lines. However, exploiting a proper arrangement, a PST can also be used to absorb reactive power, and therefore, in “TS mode” [9].
The TS mode is obtained by closing the PST bypass circuit (see the field test described in Section 4.2 below). Accordingly, unlike TS performed with two TRSs/ATRs, one PST is sufficient. The current absorbed depends on the equivalent reactances of the PST, which depend in turn on the selected tap. However, PSTs are generally connected on interconnection lines between neighboring countries or on important transmission lines. Therefore, the possibility of operating a PST in TS mode must be verified case-by-case, since in this case, the machine is subtracted to its primary task of active power flow regulation.
For a PST with a symmetrical structure (as in the case of the field test illustrated in Section 4.2), the input and output voltages have equal magnitudes, and the voltage difference between the input and output, Δ V , depends on the selected tap (which determines the phase shift angle introduced, α ) and on the input voltage magnitude V :
Δ V = 2 V sin ( α / 2 )  
The TS mode is obtained by closing the PST bypass circuit. The current absorbed depends on the equivalent reactances of the PST, which depend in turn on the selected tap.
For a two magnetic core machine (depicted in Figure 3), as the involved PST is in the field test reported below, reference [14] provides the equivalent shunt and series reactances as a function of the phase shift angle, α .
The shunt reactance X s h u n t ( α )   is defined as the equivalent reactance, which crossed by the series input current I of the PST produces the reactive losses of the shunt (exciting) unit. The series reactance X s e r i e s ( α )   is defined as the equivalent reactance, which crossed by the same series input current I produces the reactive losses of the series unit. The equations are as follows:
X s h u n t ( α ) = 4 ( sin ( α 2 ) ) 2 ( X 3 + X 4 max ( n 3 n 4 max ) 2 )  
X s e r i e s ( α ) = X 1 + X 2 ( n 1 n 2 ) 2 X 2 ( n 1 n 2 ) 2 ( sin ( α 2 ) ) 2  
where:
  • n 1 (fixed) is the number of turns of the series windings (series unit);
  • n 2 (fixed) is the number of turns of the delta-connected “booster” windings (series unit);
  • n 3 (fixed) is the number of turns of the star-connected exciting windings (exciting unit);
  • n 4 (variable and selected by the OLTC) is the number of turns of the star-connected regulation windings (exciting unit).
The total equivalent reactance of the PST X ( α ) , which crossed by the series input current I produces the total PST reactive power absorption, is then the sum of X s h u n t ( α ) and X s e r i e s ( α ) :
X ( α ) = ( X 1 + X 2 ( n 1 n 2 ) 2 ) + 4 ( sin ( α 2 ) ) 2 ( X 3 + X 4 max ( n 3 n 4 max ) 2 X 2 ( n 1 2 n 2 ) 2 )
where each reactance X i refers to the i-th winding made up of n i turns.
Finally, the total reactive power absorbed Q is:
Q = 3   X ( α ) I 2
Using these models, the reactive power that can be absorbed by any given PST can be theoretically calculated.

3. Tap Staggering Application Rules of the Italian TSO

As already reported, TS is one of the actions that can be used to counteract rising voltage values in low-demand time periods. TS can be either programmed to define a time for its actuation or implemented in real time. In the Italian primary transmission network, TS can be performed using the following:
  • Two ATRs connected in the same electrical substation;
  • One PST (using a PST in “TS mode” requires giving up the active power control of the PST: if this is acceptable, the machine can be used during a limited time interval for TS purposes. The TS test with PST described below exploits a (not frequent) situation where two PSTs are installed in the same substation).
From a power system perspective, TS can be performed involving a higher or lower number of nearby electrical substations. The former case is referred to as “distributed” TS. It is performed using ATRs with a limited tap unbalance, typically not exceeding 50% of the maximum unbalance allowed by OLTCs. The latter case is referred to as “localized” TS and can be performed using ATRs but also PSTs (when available), setting the tap unbalance to the maximum (provided that the rules listed below are satisfied). Of course, distributed TS causes less stress to the involved machines but, on the other hand, involves more machines than localized TS. In all cases, once the critical conditions time is over, best practice says to stop TS in order to limit wear on the involved machines.
As already reported in Section 2, TS performed with two ATRs of a substation can be performed either at no-load (more effective case) or under normal-load conditions. Performing TS at no-load requires the real-time control rooms to check the possibility of excluding two ATRs from their normal operation. If the network conditions do not allow this exclusion, TS can be performed with the machines under load.

3.1. Tap Staggering with ATRs in No-Load Operation

In this operative mode, the two ATRs run at no-load on a dedicated (insulated) busbar. This arrangement is possible when:
  • The load supplied by the underlying local network allows the exclusion from service of two ATRs in the considered substation;
  • The ATRs in normal operation (i.e., those not dedicated to TS) and/or the actual network conditions allow the safe operation of the underlying network;
  • In TS operation, the following application rules are currently established:
  • The real-time room controls that the currents circulating in the two machines remain within their limits;
  • In the case that one ATR opens, the secondary of the other (still in service) ATR must be immediately opened as well.
As to the stress caused by TS in the involved machines, Terna is performing characterization campaigns to define the usage limits of OLTCs as a function of ATR secondary voltage. At present, for not-yet characterized families of devices, conservative limits are used (i.e., 50% of the OLTC regulation range).

3.2. Tap Staggering with Normally Loaded ATRs

When the operating conditions of the network and/or the number of ATRs available in the area do not allow for the dedication of two ATRs for TS in no-load operation, TS in the involved substation can be performed using two ATRs in normal under-load operation with the secondary sides connected to the same busbar. The two ATRs are connected in parallel, and TS is performed, changing in opposite directions the operating taps of the two OLTCs.
The current caused by the unbalance in OLTCs adds vectorially to the load currents and thus different currents are obtained in the two ATRs. As the taps are changed, one ATR takes more load, and the other ATR takes less load. This implies that the unbalance in OLTC positions must be limited and, consequently, a lower reactive power can be absorbed compared with the maximum reactive power absorbed in the no-load mode [12]. Also, in the under-load mode, the currents circulating in the two machines must be continuously controlled.
If one ATR is opened during the operation in TS, the OLTC of the other ATR must be adjusted in order to keep the secondary voltage at a proper value within normal operation limits. A correct secondary voltage will be restored in the times required by OLTC maneuvering.
As explained in the previous paragraph with regard to the no-load mode, also in the under-load mode, the control room controls that the currents circulating in the two machines remain within their limits.

4. Field Tests

4.1. Tap Staggering with ATRs in No-Load Operation

This paragraph briefly reports a TS field test with ATRs in no-load operation recently performed in the 380 kV substation Parma Vigheffio, in Northern Italy. The two ATRs involved are both rated 250 MVA and have the following data: short-circuit impedance X s c = 0.12 and OLTC ±10% with ±5 taps.
As a first step (at approximately 11:30 AM in Figure 4), the two ATRs were set in parallel with the secondary side closed on the isolated 132 kV busbar dedicated to the test. Of course, this action resulted in the cancellation of the previous active power flow, as indicated by the dotted curve in Figure 4.
Next, the two transformers were operated at different (not symmetrical) tap positions: +5 taps for one ATR (which means Δ n = 0.1 p.u.) and −2 taps for the second ATR (which means Δ n = 0.04 p.u.). The reactive power measurements show opposite flows on the two transformers, with a total balance of approximately 22 MVAr absorbed at the network connection point. The reactive power absorbed is actually approximately 8% of the rated power of the machines, as expected on the basis of the theoretical models reported in Section 2. This result confirms experimentally very well what was foreseen analytically. Overall, the TS test lasted approximately 8 h.

4.2. Tap Staggering with PST

This paragraph reports a TS field test performed with a PST in the 380 kV substation Foggia, in Southern Italy. Under the supervision of the TSO National Control Center, the test started after checking the network operative conditions and power flows involved.
Figure 5 shows the operational configuration adopted for the test in the involved substation in which two PSTs are installed.
PST A is the machine under test. TS operation is obtained by closing the bypass disconnector and selecting a proper tap (angle shift) (in order to allow PST A operation with the bypass closed, some block signals of the PST automatic control must be turned off). Meanwhile, PST B is kept in normal operation, pushing active power on the 380 kV line Foggia-Troia, on which it is connected.
This configuration (evidenced by the thick lines in Figure 4) allowed the normal operation of the 380 kV line Foggia-Troia, on which the active power flow was approximately 400 MW.
The main technical data of the two identical PSTs are as follows: symmetrical structure with two magnetic cores (see Figure 3), buck and boost regulation, throughput rating P T is 1800 MVA, nominal rating of the two units P D is 543.2 MVA, 33 taps, maximum phase shift at no-load α 0 is 17.5°.
The theoretical analysis based on the considerations reported in Section 2 provides a maximum expected reactive power absorption of approximately 150 MVAr for the PST in TS operation. The test had the following main targets:
  • To check the maximum reactive power absorption estimated (approximately 150 MVAr);
  • To check the effect produced on the voltages in the area.
We briefly report the main results of the test. The first result, shown in Figure 6, regards the maximum reactive power absorbed, which was approximately 140 MVAr, broadly in line with the expected theoretical value.
As to the effect of TS on voltage regulation, the reactive power absorbed during the test led to a voltage reduction of approximately 2.5 kV at the Foggia 380 kV node, as Figure 7 illustrates. The other voltages shown in Figure 7 are those recorded at two neighboring nodes of the 380 kV network.
For reasons of safe operation during the TS test, the automatic voltage regulations (AVRs) of the nearby rotating PUs were not suppressed/modified. The AVR operation reduces the TS effect on the voltages in the area (in other words, the TS effect is weakened). Measurements performed during the test showed that the voltage reduction caused an overall reactive power change of approximately 75 MVAr coming from the four synchronous generators in operation in the area (see Figure 8). This reactive power amount would have resulted in a further voltage reduction at the Foggia 380 kV substation that could be evaluated at roughly 1–1.5 kV, for a total of almost 4 kV (approximately 1% of the nominal voltage). Figure 8 clearly shows the reduction in the reactive power absorbed by the generators in correspondence with the peak of the reactive power absorbed by the PST under the test.

5. Conclusions

In the very last few years, TS has been gaining practical importance as a possible action aimed at counteracting the rising voltage trend that occurs in low-demand time periods in some areas of HV networks.
This paper describes the TS application rules that are being defined by the Italian TSO and reports some recent field tests performed on large ATRs and PSTs. Considering the very limited literature available today on this subject, these contents can be considered, at least to a certain extent, original.
TS can be performed using couples of ATRs located in the same substation, either in no-load operation or in normal under-load operation. The former case provides the most effective results, but this operative mode is not always allowed, as it requires the exclusion of two ATRs from their normal operation.
A further possibility is given by TS performed with PSTs. Even though ATRs are far more widespread than PSTs, PSTs usually have a larger rated power and regulation range and can absorb large reactive power in TS operation.
Finally, this paper reports the main results of recent TS field tests performed by the Italian TSO using both ATRs and PSTs. The test results confirm the effectiveness of TS and the correctness of the theoretical models used.
From an overall power system perspective, an important technical advantage connected with TS implementation is an increase in the nonprogrammable renewable generation allowed without violation of voltage constraints. Of course, this advantage can also be obtained by installing various types of voltage-controlling devices (for example, shunt reactors). A first qualitative comparison between TS and shunt reactors can be performed, considering both the costs and reliability of the two solutions. As for the costs, the comparison is clearly in favor of TS. Concerning reliability, some faults that happened on shunt reactors in Italy could lead to the same conclusion, even though more time is still needed to obtain the necessary operative experience for TS. A further advantage of TS is the possibility of controlling, step-by-step, the reactive power absorbed, whereas shunt reactors usually allow just on–off operation. On the other hand, shunt reactors do not require careful network checks for the connection/disconnection required by transformer TS.

Author Contributions

All the authors contributed to design the research approach. S.Q. and A.M. (Alessio Marchesin) dealt with conceptualization and methodology; S.Q. and A.M. (Alessandro Mauri) wrote and edited the original draft, including formal analysis and graphing; P.M. and A.M. (Alessio Marchesin) took care of resources and data. All the authors revised the manuscript. All authors have read and agreed to the published version of the manuscript.

Funding

This research received no external funding.

Data Availability Statement

Additional data and measurements not explicitly provided in the manuscript may be subject to censorship by Terna S.p.A. as they are of a sensitive nature.

Acknowledgments

The authors acknowledge Davide Rampazzo for his precious technical support.

Conflicts of Interest

The authors declare no conflict of interest.

Nomenclature

PUproduction unit
HVhigh voltage
MVmedium voltage
TSOtransmission system operator
DSOdistribution system operator
MSDdispatching services market
PSTphase-shifting transformer
ATRautotransformer
TRStransformer
OLTCon-load tap changer
TStap staggering
TCRthyristor controlled reactor
AVRautomatic voltage regulator

References

  1. National Grid. Electricity Ten Year Statement; National Grid: London, UK, 2012; pp. 221–223. [Google Scholar]
  2. Kaloudas, C.G.; Ochoa, L.F.; Fletcher, I.; Marshall, B.; Majithia, S. Investigating the declining reactive power demand of UK distribution networks. In Proceedings of the IEEE Power & Energy Society General Meeting (PESGM), Denver, CO, USA, 26–30 July 2015; pp. 1–5. [Google Scholar] [CrossRef][Green Version]
  3. ARERA. The Italian Regulatory Authority for Energy, Networks and Environment. DCO 515/21, Appendix 2, Analisi Dei Flussi Di Energia Reattiva Nelle Reti in Alta e Altissima Tensione (Analysis of Reactive Energy Flows in HV Networks). Available online: https://www.arera.it/allegati/docs/21/515-21appendice2.pdf (accessed on 17 August 2023).
  4. ARERA. The Italian Regulatory Authority for Energy, Networks and Environment. DCO 515/21, Completamento Della Regolazione Tariffaria Dell’energia Reattiva (Completion of Reactive Energy Tariff Regulation). Available online: https://www.arera.it/allegati/docs/21/515-21.pdf (accessed on 17 August 2023).
  5. ARERA. The Italian Regulatory Authority for Energy, Networks and Environment. DCO 420/16, Regolazione Tariffaria Dell’energia Reattiva per le Reti in Alta e Altissima Tensione e per le Reti di Distribuzione (Reactive Energy Tariff Regulation for HV Networks and Distribution Networks). Available online: https://www.autorita.energia.it/allegati/docs/dc/420-16.pdf (accessed on 17 August 2023).
  6. Chen, L.; Li, H. Optimised Reactive Power Supports using Transformer Tap Stagger in Distribution Networks. IEEE Trans. Smart Grid 2017, 8, 1987–1996. [Google Scholar] [CrossRef]
  7. Chen, L.; Li, H.; Cox, S.; Bailey, K. Ancillary Service for Transmission Systems by Tap Stagger Operation in Distribution Networks. IEEE Trans. Power Deliv. 2016, 31, 1701–1709. [Google Scholar] [CrossRef]
  8. Weedy, B.M.; Cory, B.J.; Jenkins, N.; Ekanayake, J.B.; Strbac, G. Electric Power Systems, 5th ed.; John Wiley & Sons: Chichester, UK, 2012; pp. 180–181. ISBN 978-0-470-68268-5. [Google Scholar]
  9. O’Kelly, D. The Representation of Tap-Change Transformers in Power System Networks. Int. J. Electr. Eng. Educ. 1970, 8, 187–192. [Google Scholar] [CrossRef]
  10. Constantin, M.; Eremia, M.; Toma, L. Comparative analysis between conventional voltage control using reactors and continuous voltage control using TCR in the Romanian transmission grid. In Proceedings of the IEEE PowerTech, Grenoble, France, 16–20 June 2013; pp. 1–6. [Google Scholar] [CrossRef]
  11. Chen, L.; Li, H.; Turnham, V.; Brooke, S. Distribution network supports for reactive power management in transmission systems. In Proceedings of the IEEE PES Innovative Smart Grid Technologies Conference Europe (ISGT Europe), Istanbul, Turkey, 15–16 October 2014; pp. 1–6. [Google Scholar] [CrossRef]
  12. Wang, D.; Chen, L.; Li, H.; Wang, Z.; Turnham, V. Impacts of tap stagger on currents of power transformers. In Proceedings of the IEEE PES Innovative Smart Grid Technologies Conference Europe (ISGT-Europe), Turin, Italy, 26–29 September 2017. [Google Scholar] [CrossRef]
  13. ARERA. The Italian Regulatory Authority for Energy, Networks and Environment. Testo Integrato Delle Disposizioni per L’erogazione Dei Servizi di Trasmissione e Distribuzione Dell’energia Elettrica. Available online: https://www.arera.it/allegati/docs/19/568-19TIT.pdf (accessed on 17 August 2023).
  14. European Network of Transmission System Operators for Electricity—ENTSO-E. Phase Shift Transformers Modeling, Version 1.0.0. 2014. Available online: https://eepublicdownloads.entsoe.eu/clean-documents/CIM_documents/Grid_Model_CIM/ENTSOE_CGMES_v2.4_28May2014_PSTmodelling.pdf (accessed on 17 August 2023).
Figure 1. Electrical scheme of two tap-change transformers connected in parallel.
Figure 1. Electrical scheme of two tap-change transformers connected in parallel.
Energies 16 06258 g001
Figure 2. Equivalent transformer.
Figure 2. Equivalent transformer.
Energies 16 06258 g002
Figure 3. Circuit diagram of a two magnetic core symmetrical PST.
Figure 3. Circuit diagram of a two magnetic core symmetrical PST.
Energies 16 06258 g003
Figure 4. Active and reactive power of two ATRs in TS.
Figure 4. Active and reactive power of two ATRs in TS.
Energies 16 06258 g004
Figure 5. Substation layout, where PST A is in TS and PST B is in pushing mode (C and O stand, respectively, for close and open).
Figure 5. Substation layout, where PST A is in TS and PST B is in pushing mode (C and O stand, respectively, for close and open).
Energies 16 06258 g005
Figure 6. Reactive power absorbed during the TS test (changing with the selected taps).
Figure 6. Reactive power absorbed during the TS test (changing with the selected taps).
Energies 16 06258 g006
Figure 7. Voltages measured at the 380 kV nodes of Foggia, Deliceto, and Rotello.
Figure 7. Voltages measured at the 380 kV nodes of Foggia, Deliceto, and Rotello.
Energies 16 06258 g007
Figure 8. Reactive power absorbed by four rotating PUs in the area of the test.
Figure 8. Reactive power absorbed by four rotating PUs in the area of the test.
Energies 16 06258 g008
Table 1. Total amounts of reactive energy exchanged between the HV grids and distribution systems/HV users.
Table 1. Total amounts of reactive energy exchanged between the HV grids and distribution systems/HV users.
YearInductive Energy [TVArh/year]Capacitive Energy [TVArh/year]Total Reactive Energy Exchanged [TVArh/year]
201436.113.449.5
201832.517.950.4
201929.920.350.4
202025.323.148.4
Table 2. Comparison among different techniques capable of facing the problem of rising voltage during low-demand periods.
Table 2. Comparison among different techniques capable of facing the problem of rising voltage during low-demand periods.
TechniqueCostMain AdvantagesMain Disadvantages
Transformer Tap StaggeringLowConnection of new devices
is not needed;
several available machines can be used.
Operation must be verified case-by-case by the TSO.
Shunt reactorsHighRelatively simple;
operation is largely independent of network conditions.
Only on/off operation.
TCRVery highContinuous reactive power control;
high dynamics.
High dynamics are not needed for this voltage regulation problem.
Synchronous compensatorsVery highContinuous reactive power control;
increase in system inertia and short-circuit power.
Inertia is not involved in this voltage regulation problem.
Disclaimer/Publisher’s Note: The statements, opinions and data contained in all publications are solely those of the individual author(s) and contributor(s) and not of MDPI and/or the editor(s). MDPI and/or the editor(s) disclaim responsibility for any injury to people or property resulting from any ideas, methods, instructions or products referred to in the content.

Share and Cite

MDPI and ACS Style

Quaia, S.; Mauri, A.; Marchesin, A.; Manià, P. Actions to Handle Increasing Distributed Generation and Rising Voltage during Low-Demand Periods: Tap Staggering Practices and Field Tests in the Italian Transmission Network. Energies 2023, 16, 6258. https://doi.org/10.3390/en16176258

AMA Style

Quaia S, Mauri A, Marchesin A, Manià P. Actions to Handle Increasing Distributed Generation and Rising Voltage during Low-Demand Periods: Tap Staggering Practices and Field Tests in the Italian Transmission Network. Energies. 2023; 16(17):6258. https://doi.org/10.3390/en16176258

Chicago/Turabian Style

Quaia, Stefano, Alessandro Mauri, Alessio Marchesin, and Paolo Manià. 2023. "Actions to Handle Increasing Distributed Generation and Rising Voltage during Low-Demand Periods: Tap Staggering Practices and Field Tests in the Italian Transmission Network" Energies 16, no. 17: 6258. https://doi.org/10.3390/en16176258

APA Style

Quaia, S., Mauri, A., Marchesin, A., & Manià, P. (2023). Actions to Handle Increasing Distributed Generation and Rising Voltage during Low-Demand Periods: Tap Staggering Practices and Field Tests in the Italian Transmission Network. Energies, 16(17), 6258. https://doi.org/10.3390/en16176258

Note that from the first issue of 2016, this journal uses article numbers instead of page numbers. See further details here.

Article Metrics

Back to TopTop