Collaborative Optimization of Transmission and Distribution Considering Energy Storage Systems on Both Sides of Transmission and Distribution
Abstract
1. Introduction
- We constructed a transmission–distribution collaborative optimization framework that considers the ESSs in the transmission system and the ESSs in the distribution system, and we decouple the time-domain coupling constraints of the ESSs through Lyapunov optimization;
- We embedded the Lyapunov optimization-based decoupling scheme of the ESSs constraints into the ATC algorithm and proposed the ATC-L method, and we realize a solution to the hierarchical co-optimization problem of the transmission–distribution systems.
2. The Framework Formulation of the Transmission–Distribution Co-Optimization
2.1. Overview of the Models and the Algorithm
2.2. Modeling of Distribution System Optimization
2.2.1. Objective Function
2.2.2. Constraints of Distribution System Optimization
- Power Operation Constraints
- 2.
- Operating Constraints of DESS
- 3.
- Operating Constraints of MTwhere and are the minimum and maximum power of the MT j in the distribution system i, respectively; and are the maximum and minimum ramp limits of the MT j in the distribution system i, respectively.
2.3. Modeling of the Transmission System Optimization
2.3.1. Objective Function
2.3.2. Constraints of Transmission System Optimization
- Power Operation Constraints
- 2.
- Operating Constraints of TP units
- 3.
- Operating Constraints of CESS
- 4.
- Renewable Energy Output Constraints
- 5.
- The Uncertainty in the Cost of Energy
3. Model Transformation for Transmission–Distribution Co-Optimization
3.1. Model Transformation Based on Lyapunov Optimization
3.1.1. The Virtual Queue Stability Problem
- When , the DESS is in the charging state, and there are
- 2.
- When , the DESS is in the discharge state, and there are
- When , the DESS is in the charging state, and there are
- 2.
- When , the DESS is in the discharge state, and there are
3.1.2. Transformation of Lyapunov Drift Penalty (L-DP) Function
3.2. Solution Model for the Transmission–Distribution System Co-Optimization Problem
| Algorithm 1: Analytical target cascading based on Lyapunov optimization (ATC-L) |
| Input: Optimization problem D3 and T3 model. Output: Optimal Solution for the Collaborative Optimization of Transmission System and Distribution System.
|
4. Case Studies
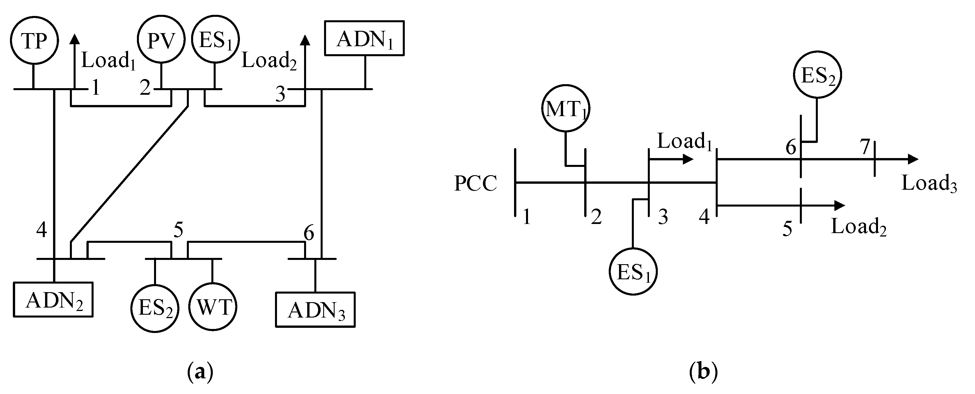
4.1. The Test Scenario
4.2. Analysis of Optimization Results
4.3. Large-Scale System Analysis
4.4. Sensitivity Analysis
4.4.1. The Energy Storage Price Sensitivity Analysis
4.4.2. Effect of Different Confidence Levels on Cost
5. Conclusions
Author Contributions
Funding
Institutional Review Board Statement
Informed Consent Statement
Data Availability Statement
Acknowledgments
Conflicts of Interest
References
- Golombek, R.; Lind, A.; Ringkjøb, H.K.; Seljom, P. The role of transmission and energy storage in European decarbonization towards 2050. Energy 2022, 239, 122159. [Google Scholar] [CrossRef]
- Rahman, M.A.; Kim, J.H.; Hossain, S. Recent advances of energy storage technologies for grid: A comprehensive review. Energy Storage 2022, 4, e322. [Google Scholar] [CrossRef]
- Chen, S.; Li, Z.; Li, W. Integrating high share of renewable energy into power system using customer-sited energy storage. Renew. Sustain. Energy Rev. 2021, 143, 110893. [Google Scholar] [CrossRef]
- Arteaga, J.; Zareipour, H.; Amjady, N. Energy storage as a service: Optimal pricing for transmission congestion relief. IEEE Open Access J. Power Energy 2020, 7, 514–523. [Google Scholar] [CrossRef]
- Li, X.; Wang, S. Energy management and operational control methods for grid battery energy storage systems. CSEE J. Power Energy Syst. 2019, 7, 1026–1040. [Google Scholar] [CrossRef]
- Xue, G.; Wu, C.; Xu, Z.; Liu, Z. An Economic study of Power Secondary Frequency Regulation with Different Energy Storage Systems. In Proceedings of the 2022 IEEE 5th International Electrical and Energy Conference (CIEEC), Nanjing, China, 27–29 May 2022; IEEE: Piscataway, NJ, USA, 2022; pp. 4448–4454. [Google Scholar] [CrossRef]
- Liu, J.; Hu, H.; Yu, S.S.; Trinh, H. Virtual Power Plant with Renewable Energy Sources and Energy Storage Systems for Sustainable Power Grid-Formation, Control Techniques and Demand Response. Energies 2023, 16, 3705. [Google Scholar] [CrossRef]
- Mi, Y.; Chen, Y.; Yuan, M.; Li, Z.; Tao, B.; Han, Y. Multi-Timescale Optimal Dispatching Strategy for Coordinated Source-Grid-Load-Storage Interaction in Active Distribution Networks Based on Second-Order Cone Planning. Energies 2023, 16, 1356. [Google Scholar] [CrossRef]
- Leon, J.I.; Dominguez, E.; Wu, L.; Alcaide, A.M.; Reyes, M.; Liu, J. Hybrid energy storage systems: Concepts, advantages, and applications. IEEE Ind. Electron. Mag. 2020, 15, 74–88. [Google Scholar] [CrossRef]
- Zhang, T.; Wang, J.; Wang, H.; Ruiyang, J.; Li, G.; Zhou, M. On the coordination of transmission-distribution grids: A dynamic feasible region method. IEEE Trans. Power Syst. 2022, 38, 1855–1866. [Google Scholar] [CrossRef]
- Neely, M.J. Stochastic network optimization with application to communication and queueing systems. Synth. Lect. Commun. Netw. 2010, 3, 1–211. [Google Scholar]
- Li, P.; Sheng, W.; Duan, Q.; Li, Z.; Zhu, C.; Zhang, X. A Lyapunov optimization-based energy management strategy for energy hub with energy router. IEEE Trans. Smart Grid 2020, 11, 4860–4870. [Google Scholar] [CrossRef]
- Fan, S.; Liu, J.; Wu, Q.; Cui, M.; Zhou, H.; He, G. Optimal coordination of virtual power plant with photovoltaics and electric vehicles: A temporally coupled distributed online algorithm. Appl. Energy 2020, 277, 115583. [Google Scholar] [CrossRef]
- Rajaei, A.; Fattaheian-Dehkordi, S.; Fotuhi-Firuzabad, M.; Moeini-Aghtaie, M. Decentralized transactive energy management of multi-microgrid distribution systems based on ADMM. Int. J. Electr. Power Energy Syst. 2021, 132, 107126. [Google Scholar] [CrossRef]
- Chen, Z.; Li, Z.; Guo, C.; Wang, J.; Ding, Y. Fully distributed robust reserve scheduling for coupled transmission and distribution systems. IEEE Trans. Power Syst. 2020, 36, 169–182. [Google Scholar] [CrossRef]
- Dung, N.V.; Trung, N.L.; Abed-Meraim, K. Robust subspace tracking with missing data and outliers: Novel algorithm with convergence guarantee. IEEE Trans. Signal Process. 2021, 69, 2070–2085. [Google Scholar] [CrossRef]
- Nawaz, A.; Wang, H. Distributed stochastic security constrained unit commitment for coordinated operation of transmission and distribution system. CSEE J. Power Energy Syst. 2020, 7, 708–718. [Google Scholar] [CrossRef]
- Wang, Y.; Yu, Z.; Dou, Z.; Qiao, M.; Zhao, Y.; Xie, R.; Liu, L. Decentralized Coordination Dispatch Model Based on Chaotic Mutation Harris Hawks Optimization Algorithm. Energies 2022, 15, 3815. [Google Scholar] [CrossRef]
- Wang, Z.; Shen, C.; Liu, F.; Wu, X.; Liu, C.C.; Gao, F. Chance-constrained economic dispatch with non-Gaussian correlated wind power uncertainty. IEEE Trans. Power Syst. 2017, 32, 4880–4893. [Google Scholar] [CrossRef]
- Scarabaggio, P.; Grammatico, S.; Carli, R.; Dotoli, M. Distributed demand side management with stochastic wind power forecasting. IEEE Trans. Control Syst. Technol. 2021, 30, 97–112. [Google Scholar] [CrossRef]
- Scarabaggio, P.; Carli, R.; Dotoli, M. Noncooperative Equilibrium-Seeking in Distributed Energy Systems Under AC Power Flow Nonlinear Constraints. IEEE Trans. Control Netw. Syst. 2022, 9, 1731–1742. [Google Scholar] [CrossRef]
- Tosserams, S.; Etman, L.F.P.; Papalambros, P.Y.; Rooda, J.E. An augmented Lagrangian relaxation for analytical target cascading using the alternating direction method of multipliers. Struct. Multidiscip. Optim. 2006, 31, 176–189. [Google Scholar] [CrossRef]
- Michelena, N.; Park, H.; Papalambros, P.Y. Convergence properties of analytical target cascading. AIAA J. 2003, 41, 897–905. [Google Scholar] [CrossRef]
- Mongird, K.; Viswanathan, V.; Balducci, P.; Alam, J.; Fotedar, V.; Koritarov, V.; Hadjerioua, B. An Evaluation of Energy Storage Cost and Performance Characteristics. Energies 2020, 13, 3307. [Google Scholar] [CrossRef]
- Liu, G.; Tomsovic, K. Quantifying spinning reserve in systems with significant wind power penetration. IEEE Trans. Power Syst. 2012, 27, 2385–2393. [Google Scholar] [CrossRef]
- Morales, J.M.; Conejo, A.J.; Pérez-Ruiz, J. Economic valuation of reserves in power systems with high penetration of wind power. IEEE Trans. Power Syst. 2009, 24, 900–910. [Google Scholar] [CrossRef]
- Iacobucci, R.; McLellan, B.; Tezuka, T. The Synergies of Shared Autonomous Electric Vehicles with Renewable Energy in a Virtual Power Plant and Microgrid. Energies 2018, 11, 2016. [Google Scholar] [CrossRef]











| Transmission System | Distribution System | ||||||||||
|---|---|---|---|---|---|---|---|---|---|---|---|
| ESS Number | T_1 | T_2 | D_1 | D_2 | D_3 | ||||||
| Rated Power/MW | 150 | 200 | 15 | 20 | 10 | 15 | 15 | 20 | |||
| Rated Capacity/MWh | 750 | 1200 | 30 | 40 | 30 | 45 | 15 | 40 | |||
| Efficiency | 65% | 65% | 85% | 85% | 85% | 85% | 85% | 85% | |||
| Initial SOC | 50% | 50% | 50% | 50% | 50% | 50% | 50% | 50% | |||
| Minimum SOC | 10% | 10% | 20% | 20% | 20% | 20% | 20% | 20% | |||
| Maximum SOC | 90% | 90% | 80% | 80% | 80% | 80% | 80% | 80% | |||
| Unit Type | TP | MT_1 | MT_2 | MT_3 | |||||||
| Rated Power/MW | 300 | 20 | 25 | 15 | |||||||
| Minimum Power/MW | 100 | 0 | 0 | 0 | |||||||
| Climbing Limit/MW/h | ±100 | ±10 | ±10 | ±5 | |||||||
| Unit Type | PV | WT | / | ||||||||
| Rated Power/MW | 450 | 450 | |||||||||
| Load Number | T_1 | T_2 | D_1 | D_2 | D_3 | D_4 | D_5 | D_6 | D_7 | D_8 | D_9 |
| Load Ratio/MW | 223 | 275 | 5 | 10 | 5 | 10 | 5 | 5 | 10 | 5 | 5 |
| Transmission System | Distribution System | ||||
|---|---|---|---|---|---|
| ESS Number | T_1 | T_2 | D_1 | D_2 | D_3 |
| Cost Per MWh/USD/MWh | 62.92 | 105.82 | |||
| Fixed Cost/USD/MW/day | 78.28 | 104.37 | |||
| Unit Type | TP | MT_1 | MT_2 | MT_3 | |
| Quadratic Cost Coefficient/USD/MW2 | 0.41 | 1.08 | 1.11 | 1.43 | |
| Primary Cost Coefficient/USD/MW | 11.26 | 29.31 | 27.13 | 25.94 | |
| Constant Term Cost/USD/day | 2164 | 1120 | 1041 | 1100 | |
| Unit Type | PV | WT | / | ||
| Daily Operating Cost/MW | 144.60 | ||||
| Unit Curtailment Penalty Cost/USD/MW | 503.50 | 555.60 | |||
| Transmission System | Distribution System | |||
|---|---|---|---|---|
| Number of nodes | 30 | 118 | 22 | 141 |
| Number of ESSs | 5 | 15 | 5 | 15 |
| Number of TP | 2 | 6 | / | |
| Number of PV | 2 | 6 | / | |
| Number of WT | 2 | 6 | / | |
| Number of MT | / | 3 | 9 | |
| Number of Load | 5 | 15 | 5 | 20 |
| Case Number | Algorithm Settings | Energy Storage System Configuration |
|---|---|---|
| C-A1 | ATC-L | Transmission and Distribution Systems |
| C-A2 | ATC-L | Without ESSs |
| C-A3 | ATC-L | Transmission System Only |
| C-A4 | ATC-L | Distribution System Only |
| C-A5 | ATC | Transmission and Distribution Systems |
| C-A6 | Centralized Optimization | Transmission and Distribution Systems |
| C-B2 | ATC-L | Transmission and Distribution Systems |
| C-B2 | ATC | Transmission and Distribution Systems |
| C-C3 | ATC-L | Transmission and Distribution Systems |
| C-C3 | ATC | Transmission and Distribution Systems |
| Case No. | MT Cost/USD | DESS Cost/USD | CESS Cost/USD | RECPC 1/USD | REFC 2/USD | TP Cost/USD | Total Cost/USD |
|---|---|---|---|---|---|---|---|
| C1 | 97,125.3 | 13,492.7 | 141,556.7 | 130,291.1 | 476,595.0 | 205,772.0 | 1,064,832.8 |
| C2 | 102,898.0 | 0 | 0 | 370,138.6 | 476,595.0 | 298,748.4 | 1,248,380.0 |
| C3 | 102,260.1 | 27,684.0 | 0 | 348,673.5 | 476,595.0 | 283,298.9 | 1,238,511.5 |
| C4 | 97,125.3 | 0 | 141,556.7 | 140,498.1 | 476,595.0 | 212,243.8 | 1,068,019.9 |
| C5 | 97,125.3 | 13,492.7 | 132,512.0 | 162,856.2 | 476,595.0 | 197,359.6 | 1,079,941.9 |
| C6 | 97,125.3 | 13,492.7 | 142,042.7 | 128,631.3 | 476,595.0 | 206,207.8 | 1,064,094.8 |
| Case No. | C-A1 | C-A5 | C-B1 | C-B2 | C-C1 | C-C2 |
|---|---|---|---|---|---|---|
| The computation time/s | 2.79 | 4.29 | 4.83 | 9.10 | 16.00 | 46.10 |
| Confidence | MT Cost/USD | DESS Cost/USD | TESS Cost/USD | CPC/USD | REFC/USD | TP Cost/USD | Total Cost/USD |
|---|---|---|---|---|---|---|---|
| 0.99 | 97,125.3 | 13,492.7 | 118,398.4 | 282,522.00 | 476,595.0 | 187,273.3 | 1,175,406.7 |
| 0.95 | 97,125.3 | 13,492.7 | 125,131.9 | 218,184.5 | 476,595.0 | 195,117.1 | 1,125,646.4 |
| 0.9 | 97,125.3 | 13,492.7 | 141,556.7 | 130,291.1 | 476,595.0 | 205,772.0 | 1,064,832.8 |
| 0.85 | 97,173.2 | 13,492.7 | 167,500.0 | 335,73.6 | 476,595.0 | 217,266.3 | 1,005,600.9 |
| 0.8 | 104,418.8 | 626.2 | 162,588.4 | 0 | 476,595.0 | 234,465.4 | 978,693.8 |
Disclaimer/Publisher’s Note: The statements, opinions and data contained in all publications are solely those of the individual author(s) and contributor(s) and not of MDPI and/or the editor(s). MDPI and/or the editor(s) disclaim responsibility for any injury to people or property resulting from any ideas, methods, instructions or products referred to in the content. |
© 2023 by the authors. Licensee MDPI, Basel, Switzerland. This article is an open access article distributed under the terms and conditions of the Creative Commons Attribution (CC BY) license (https://creativecommons.org/licenses/by/4.0/).
Share and Cite
Xu, Z.; He, J.; Liu, Z.; Zhao, Z. Collaborative Optimization of Transmission and Distribution Considering Energy Storage Systems on Both Sides of Transmission and Distribution. Energies 2023, 16, 5199. https://doi.org/10.3390/en16135199
Xu Z, He J, Liu Z, Zhao Z. Collaborative Optimization of Transmission and Distribution Considering Energy Storage Systems on Both Sides of Transmission and Distribution. Energies. 2023; 16(13):5199. https://doi.org/10.3390/en16135199
Chicago/Turabian StyleXu, Zekai, Jinghan He, Zhao Liu, and Zhiyi Zhao. 2023. "Collaborative Optimization of Transmission and Distribution Considering Energy Storage Systems on Both Sides of Transmission and Distribution" Energies 16, no. 13: 5199. https://doi.org/10.3390/en16135199
APA StyleXu, Z., He, J., Liu, Z., & Zhao, Z. (2023). Collaborative Optimization of Transmission and Distribution Considering Energy Storage Systems on Both Sides of Transmission and Distribution. Energies, 16(13), 5199. https://doi.org/10.3390/en16135199

