Catalytic Upgrading of Plastic Waste of Electric and Electronic Equipment (WEEE) Pyrolysis Vapors over Si–Al Ash Pellets in a Two-Stage Reactor
Abstract
1. Introduction
1.1. E-Waste
1.2. Catalytic Upgrading
2. Materials and Methods
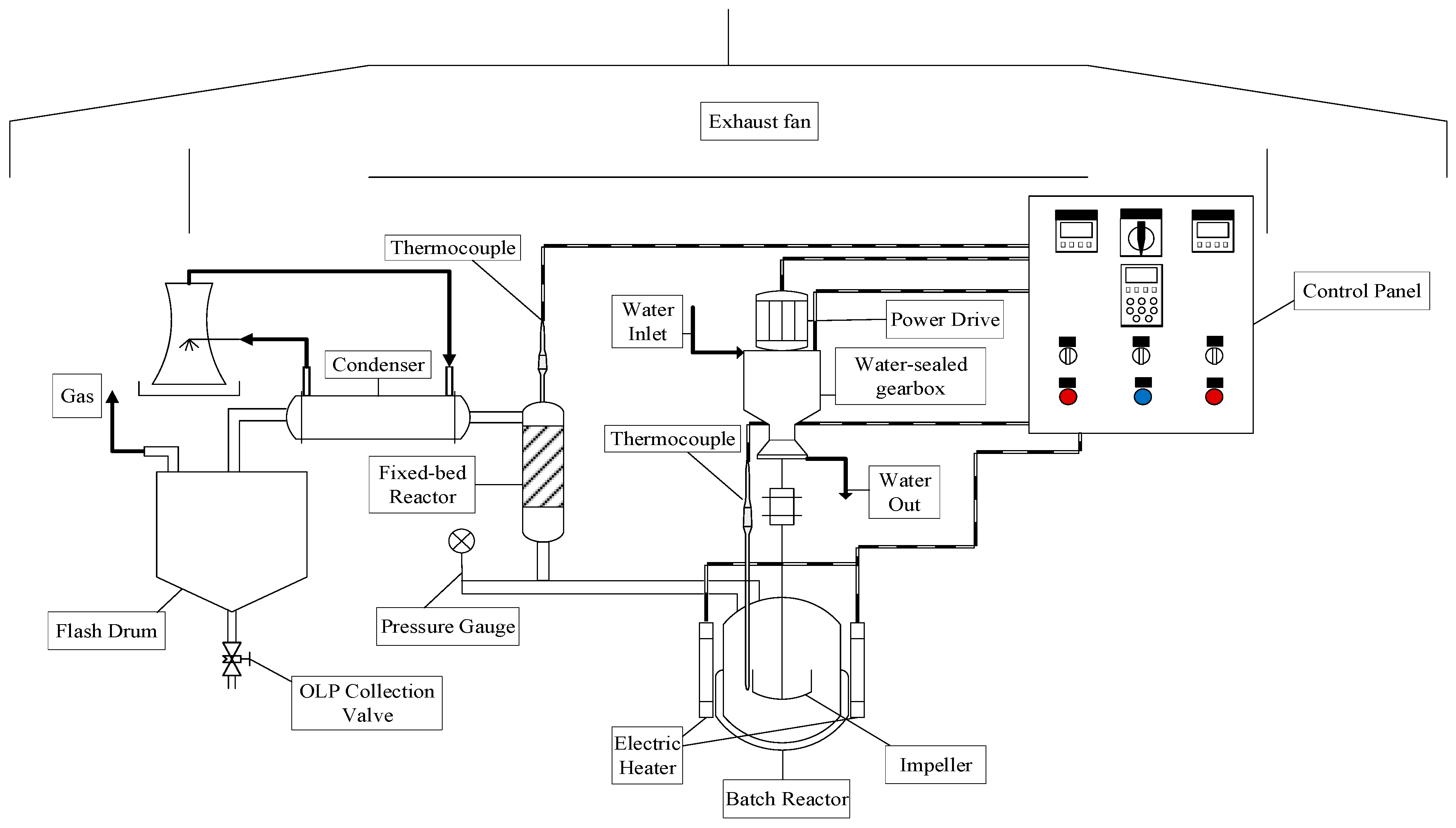
2.1. Methodology
2.2. Materials
2.3. Experimental Procedure
2.4. Feed Characterization
2.5. Physicochemical and Chemical Composition of Bio-Oil
2.5.1. Physicochemical Characterization of Bio-Oil
2.5.2. Chemical Composition of Bio-Oil
2.6. Characterization of Si–Al Ash Pellets and Chars
2.6.1. SEM and EDX Analysis
2.6.2. XRD Analysis
2.6.3. XRF Analysis
2.7. Mass Balances and Calculation of Yield of Reaction Products
3. Results
3.1. Characterization of the Catalyst
3.1.1. SEM Analysis
3.1.2. EDX Analysis
3.1.3. XRD Analysis
3.1.4. XRF Analysis
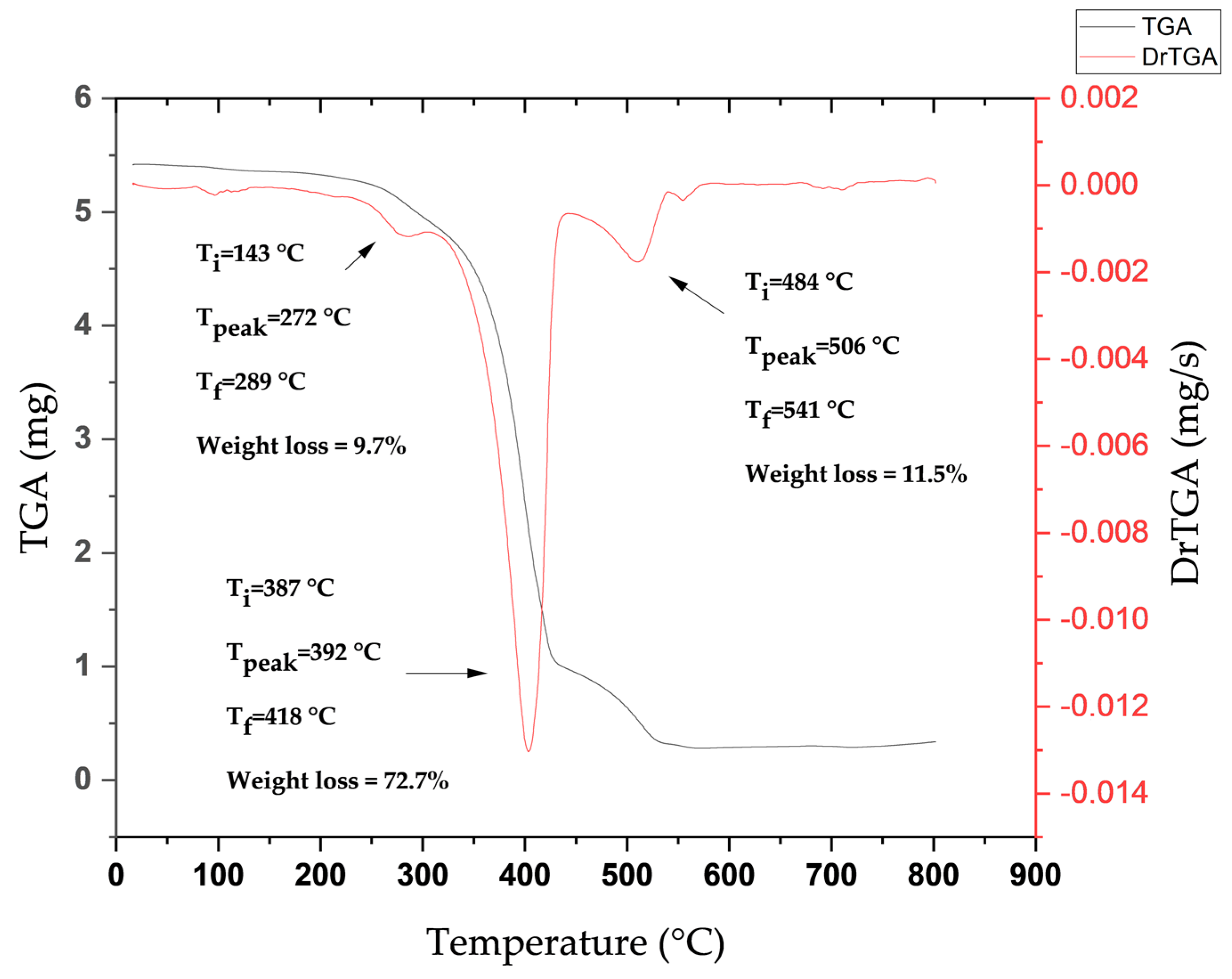
3.2. Feed Characterization (TG Analysis)
3.3. Investigation of Thermal Cracking of WEEE Plastic
3.3.1. Mass Balance and Yield of Reaction Products
3.3.2. Physical–Chemical Characteristics and Chemical Composition of Thermal Cracking Bio-Oil
3.4. Upgrading of WEEE Plastic Pyrolysis Vapors over Chemically Treated Carbon Pellets
3.4.1. Mass Balance and Yield of Reaction Products
3.4.2. Physical–Chemical Characteristics and Chemical Composition of Bio-Oil Obtained through Catalytic Upgrading
4. Conclusions
Supplementary Materials
Author Contributions
Funding
Acknowledgments
Conflicts of Interest
Abbreviations
| ABS | Acrylonitrile–butadiene–styrene copolymer |
| Br–ABS | Brominated ABS |
| C/F | Catalyst-to-feed ratio |
| EDX | Dispersive energy spectrometry |
| GC/MS | Gas chromatography/mass spectrometry |
| HDPE | High density polyethylene |
| HIPS | High impact polystyrene |
| LDPE | Low density polyethylene |
| MHSW | Municipal household solid waste |
| NCG | Non-condensable gas |
| PAH | Polycyclic aromatic hydrocarbon |
| PC | Polycarbonate |
| PE | Polyethylene |
| PET | Polyethylene terephthalate |
| PP | Polypropylene |
| PVC | Polyvinylchloride |
| SEM | Scanning electron microscopy |
| TG | Thermogravimetry |
| XRD | X-ray diffraction |
| XRF | X-ray fluorescence |
| WEEE | Waste electric and electronic equipment |
References
- Thiounn, T.; Smith, R.C. Advances and Approaches for Chemical Recycling of Plastic Waste. J. Polym. Sci. 2020, 58, 1347–1364. [Google Scholar] [CrossRef]
- Kasar, P.; Sharma, D.K.; Ahmaruzzaman, M. Thermal and Catalytic Decomposition of Waste Plastics and Its Co-Processing with Petroleum Residue through Pyrolysis Process. J. Clean. Prod. 2020, 265, 121639. [Google Scholar] [CrossRef]
- Global Plastics Outlook; OECD: Paris, France, 2022; ISBN 9789264654945.
- Neuwahl, F.; Cusano, G.; Benavides, J.G.; Holbrook, S.; Roudier, S. Best Available Techniques (BAT) Reference Document for Waste Incineration; European Comission, Publications Office of the European Union: Luxembourg, 2019; ISSN 1831-9424. [Google Scholar] [CrossRef]
- Wong, S.L.; Ngadi, N.; Abdullah, T.A.T.; Inuwa, I.M. Current State and Future Prospects of Plastic Waste as Source of Fuel: A Review. Renew. Sustain. Energy Rev. 2015, 50, 1167–1180. [Google Scholar] [CrossRef]
- Papari, S.; Bamdad, H.; Berruti, F. Pyrolytic Conversion of Plastic Waste to Value-Added Products and Fuels: A Review. Materials 2021, 14, 2586. [Google Scholar] [CrossRef]
- Jha, K.K.; Kannan, T.T.M. Recycling of Plastic Waste into Fuel by Pyrolysis—A Review. Mater. Today Proc. 2021, 37, 3718–3720. [Google Scholar] [CrossRef]
- Panda, A.K.; Singh, R.K.; Mishra, D.K. Thermolysis of Waste Plastics to Liquid Fuel: A Suitable Method for Plastic Waste Management and Manufacture of Value Added Products—A World Prospective. Renew. Sustain. Energy Rev. 2010, 14, 233–248. [Google Scholar] [CrossRef]
- Jahirul, M.I.; Rasul, M.G.; Schaller, D.; Khan, M.M.K.; Hasan, M.M.; Hazrat, M.A. Transport Fuel from Waste Plastics Pyrolysis—A Review on Technologies, Challenges and Opportunities. Energy Convers. Manag. 2022, 258, 115451. [Google Scholar] [CrossRef]
- Williams, P.T.; Slaney, E. Analysis of Products from the Pyrolysis and Liquefaction of Single Plastics and Waste Plastic Mixtures. Resour. Conserv. Recycl. 2007, 51, 754–769. [Google Scholar] [CrossRef]
- Mangesh, V.L.; Padmanabhan, S.; Tamizhdurai, P.; Ramesh, A. Experimental Investigation to Identify the Type of Waste Plastic Pyrolysis Oil Suitable for Conversion to Diesel Engine Fuel. J. Clean. Prod. 2020, 246, 119066. [Google Scholar] [CrossRef]
- Sharma, B.K.; Moser, B.R.; Vermillion, K.E.; Doll, K.M.; Rajagopalan, N. Production, Characterization and Fuel Properties of Alternative Diesel Fuel from Pyrolysis of Waste Plastic Grocery Bags. Fuel Process. Technol. 2014, 122, 79–90. [Google Scholar] [CrossRef]
- Li, D.; Lei, S.; Wang, P.; Zhong, L.; Ma, W.; Chen, G. Study on the Pyrolysis Behaviors of Mixed Waste Plastics. Renew. Energy 2021, 173, 662–674. [Google Scholar] [CrossRef]
- Muhammad, C.; Onwudili, J.A.; Williams, P.T. Catalytic Pyrolysis of Waste Plastic from Electrical and Electronic Equipment. J. Anal. Appl. Pyrolysis 2015, 113, 332–339. [Google Scholar] [CrossRef]
- Sudhir, M.; Desai, B.; Chetan, M.; Galage, K. Production and Analysis of Pyrolysis Oil from Waste Plastic in Kolhapur City. Int. J. Eng. Res. Gen. Sci. 2015, 3, 590–595. [Google Scholar]
- Lee, K.H.; Shin, D.H. Characteristics of Liquid Product from the Pyrolysis of Waste Plastic Mixture at Low and High Temperatures: Influence of Lapse Time of Reaction. Waste Manag. 2007, 27, 168–176. [Google Scholar] [CrossRef] [PubMed]
- Kiran, N.; Ekinci, E.; Snape, C.E. Recyling of Plastic Wastes via Pyrolysis. Resour. Conserv. Recycl. 2000, 29, 273–283. [Google Scholar] [CrossRef]
- Sogancioglu, M.; Ahmetli, G.; Yel, E. A Comparative Study on Waste Plastics Pyrolysis Liquid Products Quantity and Energy Recovery Potential. Energy Procedia 2017, 118, 221–226. [Google Scholar] [CrossRef]
- Kumar, S.; Prakash, R.; Murugan, S.; Singh, R.K. Performance and Emission Analysis of Blends of Waste Plastic Oil Obtained by Catalytic Pyrolysis of Waste HDPE with Diesel in a CI Engine. Energy Convers. Manag. 2013, 74, 323–331. [Google Scholar] [CrossRef]
- Miskolczi, N.; Nagy, R. Hydrocarbons Obtained by Waste Plastic Pyrolysis: Comparative Analysis of Decomposition Described by Different Kinetic Models. Fuel Process. Technol. 2012, 104, 96–104. [Google Scholar] [CrossRef]
- Miskolczi, N.; Angyal, A.; Bartha, L.; Valkai, I. Fuels by Pyrolysis of Waste Plastics from Agricultural and Packaging Sectors in a Pilot Scale Reactor. Fuel Process. Technol. 2009, 90, 1032–1040. [Google Scholar] [CrossRef]
- Papuga, S.V.; Gvero, P.M.; Vukić, L.M. Temperature and Time Influence on the Waste Plastics Pyrolysis in the Fixed Bed Reactor. Therm. Sci. 2016, 20, 731–741. [Google Scholar] [CrossRef]
- Khan, M.Z.H.; Sultana, M.; Al-Mamun, M.R.; Hasan, M.R. Pyrolytic Waste Plastic Oil and Its Diesel Blend: Fuel Characterization. J. Env. Public Health 2016, 2016, 1–6. [Google Scholar] [CrossRef] [PubMed]
- Das, P.; Tiwari, P. The Effect of Slow Pyrolysis on the Conversion of Packaging Waste Plastics (PE and PP) into Fuel. Waste Manag. 2018, 79, 615–624. [Google Scholar] [CrossRef] [PubMed]
- Zhang, Y.; Duan, D.; Lei, H.; Villota, E.; Ruan, R. Jet Fuel Production from Waste Plastics via Catalytic Pyrolysis with Activated Carbons. Appl. Energy 2019, 251, 113337. [Google Scholar] [CrossRef]
- Ratnasari, D.K.; Nahil, M.A.; Williams, P.T. Catalytic Pyrolysis of Waste Plastics Using Staged Catalysis for Production of Gasoline Range Hydrocarbon Oils. J. Anal. Appl. Pyrolysis 2017, 124, 631–637. [Google Scholar] [CrossRef]
- Xue, Y.; Johnston, P.; Bai, X. Effect of Catalyst Contact Mode and Gas Atmosphere during Catalytic Pyrolysis of Waste Plastics. Energy Convers. Manag. 2017, 142, 441–451. [Google Scholar] [CrossRef]
- Singh, R.K.; Ruj, B.; Sadhukhan, A.K.; Gupta, P.; Tigga, V.P. Waste Plastic to Pyrolytic Oil and Its Utilization in CI Engine: Performance Analysis and Combustion Characteristics. Fuel 2020, 262, 116539. [Google Scholar] [CrossRef]
- Kremer, I.; Tomić, T.; Katančić, Z.; Erceg, M.; Papuga, S.; Vuković, J.P.; Schneider, D.R. Catalytic Pyrolysis of Mechanically Non-Recyclable Waste Plastics Mixture: Kinetics and Pyrolysis in Laboratory-Scale Reactor. J. Env. Manag. 2021, 296, 113145. [Google Scholar] [CrossRef] [PubMed]
- Barbarias, I.; Lopez, G.; Artetxe, M.; Arregi, A.; Bilbao, J.; Olazar, M. Valorisation of Different Waste Plastics by Pyrolysis and In-Line Catalytic Steam Reforming for Hydrogen Production. Energy Convers. Manag. 2018, 156, 575–584. [Google Scholar] [CrossRef]
- Huo, E.; Lei, H.; Liu, C.; Zhang, Y.; Xin, L.; Zhao, Y.; Qian, M.; Zhang, Q.; Lin, X.; Wang, C.; et al. Jet Fuel and Hydrogen Produced from Waste Plastics Catalytic Pyrolysis with Activated Carbon and MgO. Sci. Total Environ. 2020, 727, 138411. [Google Scholar] [CrossRef] [PubMed]
- Pratt, L.M.; Kim, J.; Lo, H.Y.; Xiao, D. Brown Grease Pyrolysis under Pressure: Extending the Range of Reaction Conditions and Hydrocarbon Product Distributions. Fuel 2021, 289, 119782. [Google Scholar] [CrossRef]
- Balcazar, J.G.C.; Dias, R.A.; Balestieri, J.A.P. Analysis of Hybrid Waste-to-Energy for Medium-Sized Cities. Energy 2013, 55, 728–741. [Google Scholar] [CrossRef]
- Hasan, M.M.; Rasul, M.G.; Khan, M.M.K.; Ashwath, N.; Jahirul, M.I. Energy Recovery from Municipal Solid Waste Using Pyrolysis Technology: A Review on Current Status and Developments. Renew. Sustain. Energy Rev. 2021, 145, 111073. [Google Scholar] [CrossRef]
- Sikarwar, V.S.; Zhao, M.; Clough, P.; Yao, J.; Zhong, X.; Memon, M.Z.; Shah, N.; Anthony, E.J.; Fennell, P.S. An Overview of Advances in Biomass Gasification. Energy Environ. Sci. 2016, 9, 2939–2977. [Google Scholar] [CrossRef]
- Sikarwar, V.S.; Zhao, M.; Fennell, P.S.; Shah, N.; Anthony, E.J. Progress in Biofuel Production from Gasification. Prog. Energy Combust. Sci. 2017, 61, 189–248. [Google Scholar] [CrossRef]
- Buekens, A.; Yang, J. Recycling of WEEE Plastics: A Review. J. Mater. Cycles Waste Manag. 2014, 16, 415–434. [Google Scholar] [CrossRef]
- Hall, W.J.; Williams, P.T. Removal of Organobromine Compounds from the Pyrolysis Oils of Flame Retarded Plastics Using Zeolite Catalysts. J. Anal. Appl. Pyrolysis 2008, 81, 139–147. [Google Scholar] [CrossRef]
- Hall, W.J.; Williams, P.T. Analysis of Products from the Pyrolysis of Plastics Recovered from the Commercial Scale Recycling of Waste Electrical and Electronic Equipment. J. Anal. Appl. Pyrolysis 2007, 79, 375–386. [Google Scholar] [CrossRef]
- Hall, W.J.; Williams, P.T. Fast Pyrolysis of Halogenated Plastics Recovered from Waste Computers. Energy Fuels 2006, 20, 1536–1549. [Google Scholar] [CrossRef]
- Nakaji, Y.; Tamura, M.; Miyaoka, S.; Kumagai, S.; Tanji, M.; Nakagawa, Y.; Yoshioka, T.; Tomishige, K. Low-Temperature Catalytic Upgrading of Waste Polyolefinic Plastics into Liquid Fuels and Waxes. Appl. Catal. B 2021, 285, 119805. [Google Scholar] [CrossRef]
- Fan, L.; Zhang, Y.; Liu, S.; Zhou, N.; Chen, P.; Liu, Y.; Wang, Y.; Peng, P.; Cheng, Y.; Addy, M.; et al. Ex-Situ Catalytic Upgrading of Vapors from Microwave-Assisted Pyrolysis of Low-Density Polyethylene with MgO. Energy Convers. Manag. 2017, 149, 432–441. [Google Scholar] [CrossRef]
- Fan, L.; Su, Z.; Wu, J.; Xiao, Z.; Huang, P.; Liu, L.; Jiang, H.; Zhou, W.; Liu, S.; Ruan, R. Integrating Continuous-Stirred Microwave Pyrolysis with Ex-Situ Catalytic Upgrading for Linear Low-Density Polyethylene Conversion: Effects of Parameter Conditions. J. Anal. Appl. Pyrolysis 2021, 157, 105213. [Google Scholar] [CrossRef]
- Ma, C.; Yu, J.; Yan, Q.; Song, Z.; Wang, K.; Wang, B.; Sun, L. Pyrolysis-Catalytic Upgrading of Brominated High Impact Polystyrene over Fe and Ni Modified Catalysts: Influence of HZSM-5 and MCM-41 Catalysts. Polym. Degrad. Stab. 2017, 146, 1–12. [Google Scholar] [CrossRef]
- Wang, S.; Kim, H.; Lee, D.; Lee, Y.R.; Won, Y.; Hwang, B.W.; Nam, H.; Ryu, H.J.; Lee, K.H. Drop-in Fuel Production with Plastic Waste Pyrolysis Oil over Catalytic Separation. Fuel 2021, 305, 121440. [Google Scholar] [CrossRef]
- Bagri, R.; Williams, P.T. Catalytic Pyrolysis of Polyethylene. J. Anal. Appl. Pyrolysis 2002, 63, 29–41. [Google Scholar] [CrossRef]
- Nishino, J.; Itoh, M.; Ishinomori, T.; Kubota, N.; Uemichi, Y. Development of a Catalytic Cracking Process for Converting Waste Plastics to Petrochemicals. J. Mater. Cycles Waste Manag. 2003, 5, 89–93. [Google Scholar] [CrossRef]
- Dai, L.; Zhou, N.; Cobb, K.; Chen, P.; Wang, Y.; Liu, Y.; Zou, R.; Lei, H.; Mohamed, B.A.; Cheng, Y.; et al. Insights into Structure–Performance Relationship in the Catalytic Cracking of High Density Polyethylene. Appl. Catal. B 2022, 318, 121835. [Google Scholar] [CrossRef]
- Zhou, N.; Dai, L.; Lyu, Y.; Wang, Y.; Li, H.; Cobb, K.; Chen, P.; Lei, H.; Ruan, R. A Structured Catalyst of ZSM-5/SiC Foam for Chemical Recycling of Waste Plastics via Catalytic Pyrolysis. Chem. Eng. J. 2022, 440, 135836. [Google Scholar] [CrossRef]
- Hwang, K.R.; Choi, S.A.; Choi, I.H.; Lee, K.H. Catalytic Cracking of Chlorinated Heavy Wax from Pyrolysis of Plastic Wastes to Low Carbon-Range Fuels: Catalyst Effect on Properties of Liquid Products and Dechlorination. J. Anal. Appl. Pyrolysis 2021, 155, 105090. [Google Scholar] [CrossRef]
- Marino, A.; Aloise, A.; Hernando, H.; Fermoso, J.; Cozza, D.; Giglio, E.; Migliori, M.; Pizarro, P.; Giordano, G.; Serrano, D.P. ZSM-5 Zeolites Performance Assessment in Catalytic Pyrolysis of PVC-Containing Real WEEE Plastic Wastes. Catal. Today 2022, 390–391, 210–220. [Google Scholar] [CrossRef]
- Ma, C.; Yu, J.; Chen, T.; Yan, Q.; Song, Z.; Wang, B.; Sun, L. Influence of Fe Based ZSM-5 Catalysts on the Vapor Intermediates from the Pyrolysis of Brominated Acrylonitrile-Butadiene-Styrene Copolymer (Br-ABS). Fuel 2018, 230, 390–396. [Google Scholar] [CrossRef]
- Shafaghat, H.; Gulshan, S.; Johansson, A.C.; Evangelopoulos, P.; Yang, W. Selective Recycling of BTX Hydrocarbons from Electronic Plastic Wastes Using Catalytic Fast Pyrolysis. Appl. Surf. Sci. 2022, 605, 125964. [Google Scholar] [CrossRef]
- Chen, T.; Yu, J.; Ma, C.; Bikane, K.; Sun, L. Catalytic Performance and Debromination of Fe–Ni Bimetallic MCM-41 Catalyst for the Two-Stage Pyrolysis of Waste Computer Casing Plastic. Chemosphere 2020, 248, 125964. [Google Scholar] [CrossRef] [PubMed]
- Pinto Bernar, L.; Campos Ferreira, C.; Fernando de Freitas Costa, A.; Jorge da Silva Ribeiro, H.; Gomes dos Santos, W.; Martins Pereira, L.; Mathias Pereira, A.; Lobato Moraes, N.; Paula da Costa Assunção, F.; Alex Pereira da Mota, S.; et al. Catalytic Upgrading of Residual Fat Pyrolysis Vapors over Activated Carbon Pellets into Hydrocarbons-like Fuels in a Two-Stage Reactor: Analysis of Hydrocarbons Composition and Physical-Chemistry Properties. Energies 2022, 15, 4587. [Google Scholar] [CrossRef]
- Ferreira, C.C.; Bernar, L.P.; de Freitas Costa, A.F.; da Silva Ribeiro, H.J.; Santos, M.C.; Moraes, N.L.; Costa, Y.S.; Baia, A.C.F.; Mendonça, N.M.; da Mota, S.A.P.; et al. Improving Fuel Properties and Hydrocarbon Content from Residual Fat Pyrolysis Vapors over Activated Red Mud Pellets in Two-Stage Reactor: Optimization of Reaction Time and Catalyst Content. Energy 2022, 15, 5595. [Google Scholar] [CrossRef]
- Tseng, R.L. Mesopore Control of High Surface Area NaOH-Activated Carbon. J. Colloid Interface Sci 2006, 303, 494–502. [Google Scholar] [CrossRef]
- Rocha de Castro, D.; da Silva Ribeiro, H.; Hamoy Guerreiro, L.; Pinto Bernar, L.; Jonatan Bremer, S.; Costa Santo, M.; da Silva Almeida, H.; Duvoisin, S.; Pizarro Borges, L.; Teixeira Machado, N. Production of Fuel-Like Fractions by Fractional Distillation of Bio-Oil from Açaí (Euterpe Oleracea Mart.) Seeds Pyrolysis. Energy 2021, 14, 3713. [Google Scholar] [CrossRef]
- Appleby, W.G.; Gibson, J.W.; Good, G.M. Coke Formation in Catalytic Cracking. Ind. Eng. Chem. Process Des. Dev. 1962, 1, 102–110. [Google Scholar] [CrossRef]
- Fertani-Gmati, M.; Brahim, K.; Khattech, I.; Jemal, M. Thermochemistry and Kinetics of Silica Dissolution in NaOH Solutions: Effect of the Alkali Concentration. Acta 2014, 594, 58–67. [Google Scholar] [CrossRef]
- David Jackson, S. Processes Occurring during Deactivation and Regeneration of Metal and Metal Oxide Catalysts. Chem. Eng. J. 2006, 120, 119–125. [Google Scholar] [CrossRef]
- Argyle, M.; Bartholomew, C. Heterogeneous Catalyst Deactivation and Regeneration: A Review. Catalysts 2015, 5, 145–269. [Google Scholar] [CrossRef]
- Zhang, X.; Sun, L.; Chen, L.; Xie, X.; Zhao, B.; Si, H.; Meng, G. Comparison of Catalytic Upgrading of Biomass Fast Pyrolysis Vapors over CaO and Fe(III)/CaO Catalysts. J. Anal. Appl. Pyrolysis 2014, 108, 35–40. [Google Scholar] [CrossRef]
- Sun, Z.; Xu, B.; Rony, A.H.; Toan, S.; Chen, S.; Gasem, K.A.M.; Adidharma, H.; Fan, M.; Xiang, W. Thermogravimetric and Kinetics Investigation of Pine Wood Pyrolysis Catalyzed with Alkali-Treated CaO/ZSM-5. Energy Convers. Manag. 2017, 146, 182–194. [Google Scholar] [CrossRef]
- Chang, C.-C.; Wan, S.-W. China’s Motor Fuels from Tung Oil. Ind. Eng. Chem. 1947, 39, 1543–1548. [Google Scholar] [CrossRef]
- Vasile, C.; Brebu, M.A.; Karayildirim, T.; Yanik, J.; Darie, H. Feedstock Recycling from Plastic and Thermoset Fractions of Used Computers (I): Pyrolysis. J. Mater. Cycles Waste Manag. 2006, 8, 99–108. [Google Scholar] [CrossRef]
- Saraji-Bozorgzad, M.; Geissler, R.; Streibel, T.; Mühlberger, F.; Sklorz, M.; Kaisersberger, E.; Denner, T.; Zimmermann, R. Thermogravimetry Coupled to Single Photon Ionization Quadrupole Mass Spectrometry: A Tool To Investigate the Chemical Signature of Thermal Decomposition of Polymeric Materials. Anal. Chem. 2008, 80, 3393–3403. [Google Scholar] [CrossRef]
- Roussi, A.T.; Vouvoudi, E.C.; Achilias, D.S. Pyrolytic Degradation Kinetics of HIPS, ABS, PC and Their Blends with PP and PVC. Acta 2020, 690, 178705. [Google Scholar] [CrossRef]
- Jung, S.-H.; Kim, S.-J.; Kim, J.-S. Thermal Degradation of Acrylonitrile–Butadiene–Styrene (ABS) Containing Flame Retardants Using a Fluidized Bed Reactor: The Effects of Ca-Based Additives on Halogen Removal. Fuel Process. Technol. 2012, 96, 265–270. [Google Scholar] [CrossRef]
- Jung, S.-H.; Kim, S.-J.; Kim, J.-S. The Influence of Reaction Parameters on Characteristics of Pyrolysis Oils from Waste High Impact Polystyrene and Acrylonitrile–Butadiene–Styrene Using a Fluidized Bed Reactor. Fuel Process. Technol. 2013, 116, 123–129. [Google Scholar] [CrossRef]
- Bhaskar, T.; Murai, K.; Matsui, T.; Brebu, M.A.; Uddin, M.A.; Muto, A.; Sakata, Y.; Murata, K. Studies on Thermal Degradation of Acrylonitrile–Butadiene–Styrene Copolymer (ABS-Br) Containing Brominated Flame Retardant. J. Anal. Appl. Pyrolysis 2003, 70, 369–381. [Google Scholar] [CrossRef]
- Bridgwater, A.V. Renewable Fuels and Chemicals by Thermal Processing of Biomass. Chem. Eng. J. 2003, 91, 87–102. [Google Scholar] [CrossRef]
- Mastral, F.J.; Esperanza, E.; García, P.; Juste, M. Pyrolysis of High-Density Polyethylene in a Fluidised Bed Reactor. Influence of the Temperature and Residence Time. J. Anal. Appl. Pyrolysis 2002, 63, 1–15. [Google Scholar] [CrossRef]
- Al-Salem, S.M.; Lettieri, P. Kinetic Study of High Density Polyethylene (HDPE) Pyrolysis. Chem. Eng. Res. Des. 2010, 88, 1599–1606. [Google Scholar] [CrossRef]
- Abbas-Abadi, M.S.; Haghighi, M.N.; Yeganeh, H.; McDonald, A.G. Evaluation of Pyrolysis Process Parameters on Polypropylene Degradation Products. J. Anal. Appl. Pyrolysis 2014, 109, 272–277. [Google Scholar] [CrossRef]
- López, A.; de Marco, I.; Caballero, B.M.; Laresgoiti, M.F.; Adrados, A. Influence of Time and Temperature on Pyrolysis of Plastic Wastes in a Semi-Batch Reactor. Chem. Eng. J. 2011, 173, 62–71. [Google Scholar] [CrossRef]
- Onwudili, J.A.; Insura, N.; Williams, P.T. Composition of Products from the Pyrolysis of Polyethylene and Polystyrene in a Closed Batch Reactor: Effects of Temperature and Residence Time. J. Anal. Appl. Pyrolysis 2009, 86, 293–303. [Google Scholar] [CrossRef]
- Maniscalco, M.; la Paglia, F.; Iannotta, P.; Caputo, G.; Scargiali, F.; Grisafi, F.; Brucato, A. Slow Pyrolysis of an LDPE/PP Mixture: Kinetics and Process Performance. J. Energy Inst. 2021, 96, 234–241. [Google Scholar] [CrossRef]
- Miskolczi, N.; Hall, W.J.; Angyal, A.; Bartha, L.; Williams, P.T. Production of Oil with Low Organobromine Content from the Pyrolysis of Flame Retarded HIPS and ABS Plastics. J. Anal. Appl. Pyrolysis 2008, 83, 115–123. [Google Scholar] [CrossRef]
- Brebu, M.; Azhar Uddin, M.; Muto, A.; Sakata, Y.; Vasile, C. The Role of Temperature Program and Catalytic System on the Quality of Acrylonitrile-Butadiene-Styrene Degradation Oil. J. Anal. Appl. Pyrolysis 2002, 63, 43–57. [Google Scholar] [CrossRef]
- Harussani, M.M.; Sapuan, S.M.; Rashid, U.; Khalina, A.; Ilyas, R.A. Pyrolysis of Polypropylene Plastic Waste into Carbonaceous Char: Priority of Plastic Waste Management amidst COVID-19 Pandemic. Sci. Total Environ. 2022, 803, 149911. [Google Scholar] [CrossRef]
- Manoj, B.; Kunjomana, A.G. Study of Stacking Structure of Amorphous Carbon by X-ray Diffraction Technique. Int. J. Electrochem. Sci. 2012, 7, 3127–3134. [Google Scholar]
- Iwanek (nee Wilczkowska), E.M.; Kirk, D.W. Application of Slow Pyrolysis to Convert Waste Plastics from a Compost-Reject Stream into Py-Char. Energy 2022, 15, 3072. [Google Scholar] [CrossRef]
- Joni, I.M.; Nulhakim, L.; Panatarani, C. Characteristics of TiO2 Particles Prepared by Simple Solution Method Using TiCl3 Precursor. J. Phys. Conf. Ser. 2018, 1080, 012042. [Google Scholar] [CrossRef]
- Chin, H.S.; Cheong, K.Y.; Razak, K.A. Review on Oxides of Antimony Nanoparticles: Synthesis, Properties, and Applications. J. Mater. Sci. 2010, 45, 5993–6008. [Google Scholar] [CrossRef]
- Maafa, I. Pyrolysis of Polystyrene Waste: A Review. Polymer 2021, 13, 225. [Google Scholar] [CrossRef] [PubMed]
- Nunome, Y.; Suzuki, T.; Nedjalkov, I.; Ueki, Y.; Yoshiie, R.; Naruse, I. Generation Behavior of Tar from ABS, PC, and PE during Pyrolysis and Steam Gasification by Mass Spectrometry. J. Mater. Cycles Waste Manag. 2019, 21, 1300–1310. [Google Scholar] [CrossRef]
- Zhang, S.; Zhang, H.; Liu, X.; Zhu, S.; Hu, L.; Zhang, Q. Upgrading of Bio-Oil from Catalytic Pyrolysis of Pretreated Rice Husk over Fe-Modified ZSM-5 Zeolite Catalyst. Fuel Process. Technol. 2018, 175, 17–25. [Google Scholar] [CrossRef]

















| Specifications | Units |
|---|---|
| Particle size (mm) | 3.9–4.1 |
| Mean particle diameter (mm) | 4.0 |
| Surface area (m2/g) | 900 |
| Moisture (%) | 5.0 (maximum) |
| Density (g/cm³) | 0.45–0.55 |
| pH | 9.0–11.0 |
| Catalyst | |||||||||
|---|---|---|---|---|---|---|---|---|---|
| Virgin Pellets | Si–Al Ash Pellets | Used Si–Al Ash Pellets | |||||||
| Chemical Elements | Mass [%.wt] | Atomic Mass [%.wt] | SD | Mass [%.wt] | Atomic Mass [%.wt] | SD | Mass [%.wt] | Atomic Mass [%.wt] | SD |
| C | - | - | - | - | - | - | 43.28 | 56.58 | 0.37 |
| O | 58.21 | 72.00 | 0.11 | 61.67 | 74.58 | 0.08 | 31.67 | 31.08 | 0.30 |
| Mg | 0.94 | 0.77 | 0.02 | 1.01 | 0.80 | 0.02 | 0.30 | 0.19 | 0.02 |
| Al | 10.93 | 8.02 | 0.04 | 10.77 | 7.73 | 0.03 | 4.20 | 2.44 | 0.04 |
| Si | 22.49 | 15.85 | 0.07 | 17.88 | 12.32 | 0.04 | 8.67 | 4.85 | 0.07 |
| K | 2.05 | 1.04 | 0.02 | 1.93 | 0.96 | 0.01 | 1.18 | 0.47 | 0.02 |
| Ca | 1.40 | 0.69 | 0.01 | 1.72 | 0.83 | 0.01 | 4.84 | 1.90 | 0.04 |
| Fe | 3.07 | 1.09 | 0.02 | 2.20 | 0.76 | 0.01 | 3.50 | 0.98 | 0.04 |
| Ti | 0.45 | 0.19 | 0.01 | 0.49 | 0.20 | 0.01 | 0.23 | 0.08 | 0.01 |
| Na | 0.40 | 0.34 | 0.03 | 1.82 | 1.53 | 0.02 | 2.05 | 1.40 | 0.04 |
| Mn | 0.06 | 0.02 | 0.01 | 0.05 | 0.02 | 0.01 | 0.08 | 0.02 | 0.01 |
| Component | %.wt/.wt |
|---|---|
| SiO2 | 44.01 |
| Al2O3 | 15.59 |
| Fe2O3 | 6.28 |
| CaO | 5.21 |
| MgO | 1.19 |
| TiO2 | 0.95 |
| P2O5 | 0.12 |
| Na2O | 3.92 |
| K2O | 2.14 |
| Fire loss | 20.59 |
| Process Parameters | Temperature [°C] | |||
|---|---|---|---|---|
| 350 | 400 | 450 | 500 | |
| Mass of plastic waste [g] | 600.5 | 600.5 | 600.5 | 615.0 |
| Cracking time [min] | 120 | 120 | 120 | 120 |
| Mass of solids (coke) [g] | 115.1 | 128.8 | 149.8 | 112.5 |
| Mass of liquids (OLP) [g] | 232.9 | 357.0 | 382.5 | 393.1 |
| Mass of gas [g] | 252.5 | 114.7 | 68.2 | 109.4 |
| Yield of liquids [%] | 38.78 | 59.45 | 63.70 | 63.92 |
| Yield of solids [%] | 19.17 | 21.45 | 24.94 | 18.29 |
| Yield of gas [%] | 42.05 | 34.22 | 11.36 | 17.79 |
| Temperature (°C) | Reaction Time (min) | Bio-Oil Quantity (g) | Density (g/cm3) | Viscosity (mm2/s) | Acid Value (mg KOH/g) |
|---|---|---|---|---|---|
| 350 | 15 | 96.5 | 0.92 | 1.30 | 26.9 |
| 30 | 82.5 | 0.92 | 1.33 | 27.7 | |
| 45 | 53.9 | 0.92 | 1.44 | 27.5 | |
| Total | 232.9 | 0.92 | 1.34 | 27.4 | |
| 400 | 15 | 100.2 | 0.91 | 0.98 | 80.9 |
| 30 | 101.3 | 0.93 | 1.35 | 26.2 | |
| 45 | 98.2 | 0.94 | 1.38 | 31.7 | |
| 60 | 57.3 | 0.95 | 1.26 | 48.8 | |
| Total | 357.0 | 0.93 | 1.24 | 46.7 | |
| 450 | 15 | 103.2 | 0.91 | 1.46 | 33.0 |
| 30 | 95.5 | 0.98 | 1.36 | 24.8 | |
| 45 | 94.7 | 0.96 | 1.36 | 77 | |
| 60 | 89.1 | 0.91 | 1.32 | 28.3 | |
| Total | 382.5 | 0.94 | 1.38 | 40.8 | |
| 500 | 15 | 85.9 | 0.95 | 1.50 | 134.0 |
| 30 | 97.8 | 0.91 | 1.56 | 23.1 | |
| 45 | 150.3 | 0.92 | 1.38 | 18.1 | |
| 60 | 59.1 | 0.96 | 1.31 | 84.7 | |
| Total | 393.1 | 0.93 | 1.44 | 54.7 |
| Process Parameters | Catalyst Quantity [%.wt] | |||
|---|---|---|---|---|
| 0.0 | 2.5 | 5.0 | 7.5 | |
| Mass of plastic waste [g] | 600.5 | 600.5 | 600.5 | 600.5 |
| Cracking time [min] | 120 | 120 | 120 | 120 |
| Mass of solids (coke) [g] | 149.8 | 70.5 | 104.6 | 148.3 |
| Mass of liquids (OLP) [g] | 382.5 | 437.7 | 417.2 | 418.4 |
| Mass of gas [g] | 68.2 | 92.3 | 78.6 | 33.8 |
| Yield of liquids [%] | 63.70 | 72.88 | 69.47 | 69.67 |
| Yield of solids [%] | 24.94 | 11.74 | 17.42 | 24.70 |
| Yield of gas [%] | 11.36 | 15.37 | 13.09 | 5.63 |
| Catalyst Quantity (%) | Reaction Time (min) | Bio-Oil Quantity (g) | Density (g/cm3) | Viscosity (mm2/s) | Acid Value (mg KOH/g) |
|---|---|---|---|---|---|
| 0.0 | 15 | 103.2 | 0.91 | 1.46 | 33.0 |
| 30 | 95.5 | 0.98 | 1.36 | 24.8 | |
| 45 | 94.7 | 0.96 | 1.36 | 77 | |
| 60 | 89.1 | 0.91 | 1.32 | 28.3 | |
| Total | 382.5 | 0.94 | 1.38 | 40.8 | |
| 2.5 | 30 | 169.8 | 0.90 | 0.93 | 16.8 |
| 45 | 138.2 | 0.92 | 1.28 | 18.8 | |
| 60 | 129.7 | 0.92 | 1.52 | 23.0 | |
| Total | 437.7 | 0.91 | 1.21 | 19.3 | |
| 5.0 | 15 | 90.4 | 0.91 | 1.06 | 10.4 |
| 30 | 103.5 | 0.89 | 0.94 | 14.4 | |
| 45 | 104.2 | 0.92 | 1.34 | 21.6 | |
| 60 | 119.1 | 0.92 | 1.34 | 15.7 | |
| Total | 417.2 | 0.91 | 1.18 | 15.7 | |
| 7.5 | 15 | 127.7 | 0.88 | 0.99 | 33.8 |
| 30 | 106.6 | 0.90 | 1.19 | 20.8 | |
| 45 | 73.7 | 0.90 | 1.65 | 15.3 | |
| 60 | 110.4 | 0.90 | 1.61 | 1.15 | |
| Total | 418.4 | 0.89 | 1.38 | 16.6 |
| Catalyst Quantity (%.wt) | Brominated Composition (%.area) |
|---|---|
| 0.0 | 0.17 |
| 2.5 | 0.59 |
| 5.0 | 0.40 |
| 7.5 | 0.44 |
Disclaimer/Publisher’s Note: The statements, opinions and data contained in all publications are solely those of the individual author(s) and contributor(s) and not of MDPI and/or the editor(s). MDPI and/or the editor(s) disclaim responsibility for any injury to people or property resulting from any ideas, methods, instructions or products referred to in the content. |
© 2023 by the authors. Licensee MDPI, Basel, Switzerland. This article is an open access article distributed under the terms and conditions of the Creative Commons Attribution (CC BY) license (https://creativecommons.org/licenses/by/4.0/).
Share and Cite
de Freitas Costa, A.F.; Ferreira, C.C.; da Paz, S.P.A.; Santos, M.C.; Moreira, L.G.S.; Mendonça, N.M.; da Costa Assunção, F.P.; de Freitas, A.C.G.d.A.; Costa, R.M.R.; de Sousa Brandão, I.W.; et al. Catalytic Upgrading of Plastic Waste of Electric and Electronic Equipment (WEEE) Pyrolysis Vapors over Si–Al Ash Pellets in a Two-Stage Reactor. Energies 2023, 16, 541. https://doi.org/10.3390/en16010541
de Freitas Costa AF, Ferreira CC, da Paz SPA, Santos MC, Moreira LGS, Mendonça NM, da Costa Assunção FP, de Freitas ACGdA, Costa RMR, de Sousa Brandão IW, et al. Catalytic Upgrading of Plastic Waste of Electric and Electronic Equipment (WEEE) Pyrolysis Vapors over Si–Al Ash Pellets in a Two-Stage Reactor. Energies. 2023; 16(1):541. https://doi.org/10.3390/en16010541
Chicago/Turabian Stylede Freitas Costa, Augusto Fernando, Caio Campos Ferreira, Simone Patrícia Aranha da Paz, Marcelo Costa Santos, Luiz Gabriel Santos Moreira, Neyson Martins Mendonça, Fernanda Paula da Costa Assunção, Ana Carolina Gomes de Albuquerque de Freitas, Roseane Maria Ribeiro Costa, Isaque Wilkson de Sousa Brandão, and et al. 2023. "Catalytic Upgrading of Plastic Waste of Electric and Electronic Equipment (WEEE) Pyrolysis Vapors over Si–Al Ash Pellets in a Two-Stage Reactor" Energies 16, no. 1: 541. https://doi.org/10.3390/en16010541
APA Stylede Freitas Costa, A. F., Ferreira, C. C., da Paz, S. P. A., Santos, M. C., Moreira, L. G. S., Mendonça, N. M., da Costa Assunção, F. P., de Freitas, A. C. G. d. A., Costa, R. M. R., de Sousa Brandão, I. W., da Costa, C. E. F., da Mota, S. A. P., de Castro, D. A. R., Duvoisin, S., Jr., Borges, L. E. P., Machado, N. T., & Bernar, L. P. (2023). Catalytic Upgrading of Plastic Waste of Electric and Electronic Equipment (WEEE) Pyrolysis Vapors over Si–Al Ash Pellets in a Two-Stage Reactor. Energies, 16(1), 541. https://doi.org/10.3390/en16010541

