Abstract
The energy efficiency of a system and the performance level of its equipment and installations are the two key elements based on which the investment decision in its modernization is made. They are also very important for setting up optimal operation strategies. The energy audit is a well-known and worldwide recognized tool for calculating energy performance indicators and developing improvement measures. This paper is a synthesis of the energy audit results performed for a district heating network that uses geothermal energy as its primary source of energy. The location of the heating system is inside a university campus. The first part explains the necessity of a comprehensive study on district heating networks and introduces the defining elements that characterize the analyzed equipment and installations. The complex energy balance methodology that has been developed and applied to this district heating system is presented in the second part of the paper. Next, the methodology for collecting the input data for the energy and mass balance is explained. In the final part, the numerical values of the performance indicators and the technical measures that must be applied to improve energy efficiency are shown, and conclusions are drawn.
1. Introduction
Energy is vital for the economic and social development of a nation [1]. If an accelerated economic growth scenario is considered, the global energy demand is expected to increase by 20% between 2020–2050 [2]. Although this scenario is unlikely to happen for various political, social, and economic reasons—including the environmental impact restrictions—the pressure on the planet’s energy resources will remain high for decades to come. The major levers for moderating the energy consumption from depletable resources, such as fossil fuels, might be more restrictions with respect to environmental impact, increasing the price of fossil fuels, intensive promotion of renewable energy sources, and increasing the energy efficiency of the end-users.
According to information published by the World Watch Institute, buildings are responsible for 40% of annual global energy consumption [3]. Therefore, an optimal energy management both inside the buildings and outside it, in all systems that transport and distribute heat is essential to temper the energy consumption [4,5].
Energy losses in the transmission and distribution networks of heat carrier agents depend directly on the condition of the pipes and the quantity of thermal agents transported through the pipeline or needed by the buildings. For this reason, in energy efficiency analysis of heating fluids networks, buildings cannot be circumvented. Currently, the energy efficiency issues of the heating network-building is treated holistically, in accordance with the international standards ISO 50001 [5] and ISO 50006 [6].
According to the two standards, the holistic approach of energy management of an entire company or parts of it, is to identify the influence factors for energy consumption and energy losses, to establish and characterize—from both technical and economic point of view—the appropriate measures to reduce energy consumption while having as main objectives the increase of energy efficiency, reducing environmental impact and sustainable development. This involves at least the following influence factors: weather conditions, buildings occupancy, construction materials used and type of insulation, duration of use and degradation degree of the buildings, applied air conditioning solutions, and the type of activities carried out. University campuses—as spaces for educational services—consist of specific groups of different type of buildings having a significant energy consumption [7]. Therefore, as an important measure of energy efficiency on university campuses, energy audits have been proven to be a topical issue [8,9,10,11,12,13,14,15,16].
This paper presents the methodology and results of the energy audit performed on a university campus heating system. It follows the recommendations ISO 50001 and ISO 50006 for establishing the energy baseline, evaluating energy performance indicators, and identifying and characterizing the potential for energy efficiency. The main contributions of the authors are:
- Find the energy consumption area for which the detailed energy audit should be done;
- Identify the systems to be analyzed together with their components and related technical specifications;
- Develop the actual complex energy balance based on the measurements and specific data of the equipment and installations;
- Identify measures to reduce energy consumption in order to develop an optimized energy balance;
- Perform economic efficiency calculations for the identified optimization measures;
- Calculate the greenhouse gas emissions and assess the environmental impact.
2. Description of the Analyzed System
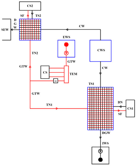
The university campus to which this article refers belongs to the University of Oradea (UO), a higher education institution of public interest in Romania, certified for education services and scientific research. Sustainability is an important element for the development of UO, and because it is privileged to have access to a renewable energy source, the UO central campus is heated using geothermal water [17]. The UO campus uses both electrical energy (EE) and thermal energy (TE), but this paper is focused on the latter since it is based on the results of a detailed energy audit having the TE consumption system as its target. Because within this heating system with geothermal water as the primary energy source (HSGWPE) there are several electric-driven pumps for water circulation, the energy audit becomes a complex one. So, even if the electricity consumption is significantly lower than the thermal energy, it is still considered in the analysis. Figure 1 shows the components of the heating system with geothermal water as the primary energy source (HSGWPE), including the transmission pipeline (for the geothermal water), the heat exchangers inside the thermal substations, and the distribution network that connects the main thermal substation (TS1), and the end-users (campus buildings and other users).
Figure 1.
HSGWPE diagram: EWS—geothermal extraction well station; IWS—injection well station; TS1, TS2—thermal substations; CS1, CS2—TE end users; CS—other TE consumers; TEM—TE meter, GTW—hot geothermal water; DGW—depleted geothermal water; TN—transmission network (for GTW); DN—distribution network; SF—secondary fluid; CWS—cold water (CW) source; SEW—sewer.
All the equipment needed to perform the extraction, circulation, and energy transfer of the GWT is located inside the geothermal extraction well station (EWS) and thermal substations (TS1, TS2). The energy depleted geothermal water (DGW) from TS1 is transferred to the injection well station (IWS), while DGW from TS2 (HEx5 and HEx6) is discharged to sewer. The circulation pumps for the secondary circuit are located in TS as well.
Inside the thermal substations (presented in Figure 2 and Figure 3), the geothermal water transfers its heat to either a secondary circuit for building/space heating or to cold water (CW) to prepare DHW. Each of the 10 installed plate HEx covers the demand of specific end-users and are designed for:
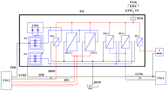
Figure 2.
Main thermal station diagram (TS1): DHW—domestic hot water; PS1, PS2—pumping stations; CWS—cold water source (for water losses and DHW); SFS, SFR—secondary fluid supply and return pipes; TEM—own TE meter; HE,i, HEi.j—heat exchangers; UCD1, UCD2—underground concrete ducts; CS1.1, CS1.2—TE consumers for TS1.
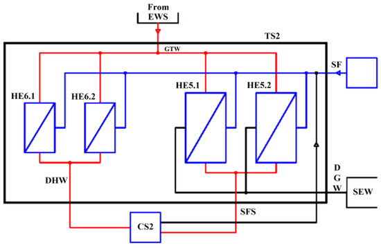
Figure 3.
Second thermal station diagram (TS2).
- 1.
- Production of secondary fluid for space heating:
- HEx1.1 and HEx1.2 (2 × 100%)—for buildings: A, C, D, E, F, G, H, I, L, K, houses, and block of flats;
- HEx2.1 and HEx2.2 (2 × 100%)—for buildings: B, N, M, O, P, R, C1, C2, S, T, U, V, X, Y, Z, shooting room (TIR), IMT research laboratory (L-IMT), ID printing house (T-ID), sports field, and wooden church;
- HEx4—for building J (floor heating);
- HEx5.1 and HEx5.2 (2 × 100%)—for the new students’ dormitory (C3).
- 2.
- DHW production:
- HEx3—for buildings: C1, C2, O, R, L-IMT, D, E, F, S, U, L, B, C, shooting room, and locker rooms;
- HEx6.1 and HEx6.2 (2 × 100%)—for the new students’ dormitory (C3).
The technical information of the HSGWPE equipment and components are specified in [17], Table 1 just exemplifying a synthesis of the HEx technical data.
Table 1.
Technical data of the plate heat exchangers installed into the UO thermal stations.
The geothermal water that is used by the University of Oradea is extracted from drilling no. 4796, located inside the campus (Figure 4). The drilling length is 2900 m, and the well is equipped with a line-shaft vertical pump. It produces a maximum flowrate of 45 l/s, while the geothermal water has a wellhead temperature of 86 °C. Currently, the TS demand for geothermal water does not exceed 30 L/s.
Figure 4.
UO central campus plan and HSGWPE components.
The geothermal water transmission network consists of a pipeline through which the primary thermal agent (geothermal water) is circulated from the extraction well station to both TS1 and TS2. The aerial steel pipeline of the TN1 has a length of 150 m and an inner diameter of Φ = 250 mm. It is insulated with reinforced mineral wool, covered with a protective steel sheet, and mounted on metal supports. The TN2 is a pre-insulated steel pipe having a nominal diameter of Φ = 114 mm and a length of 135 m out of which 80% buried directly into the ground.
As for the thermally depleted geothermal water, the Municipality of Oradea recently implemented a project to enhance the utilization factor of the geothermal energy. A new geothermal well was drilled and used as an injection well, thus creating a geothermal doublet that significantly increases the efficiency and durability of geothermal water use [18,19]. The geothermal well inside the UO campus was selected to discharge its heat-depleted geothermal water back into the reservoir [20]. Therefore, DGW from TS1 is no longer flushed to the sewer but reinjected.
The pipes of the secondary fluid distribution network (DN) are mostly made of steel, insulated with mineral wool, or pre-insulated. They are laid underground at a depth of 60–80 cm. The distribution network is of the radial type [21]. The circulation of the secondary water along the distribution network and inside the buildings is provided by the pumps located inside the thermal stations.
The heated secondary water exiting from HEx1 is transmitted through a main supply (flow) pipeline made of steel and insulated with mineral wool (Φ = 250 mm), placed inside an underground concrete duct (UCD1) for thermal and mechanical anti-corrosion protection. Connecting sections of the distribution network separate from this main flow pipe, supplying the above-mentioned buildings. Additionally, buildings C and L are supplied directly from HEx1. Similarly, the heated secondary water form HEx2 is transmitted through a main steel pipeline, mineral wool insulated (Φ = 278 mm), placed inside a main underground concrete duct (UCD2) that separates into two other concrete thermal ducts (UCD2.1, UCD2.2) hosting the pipelines from which the connections to the above-listed buildings are made. From HEx4, the heated secondary water is sent directly to building J through an underground buried steel pipeline insulated with mineral wool. The central heating installation of building C3 is supplied directly from HEx5.
The DHW prepared in HEx3 is transmitted to the students’ dormitories (C1, C2) through a pipe placed inside UCD2 and, respectively, through underground direct buried pipes to the other consumers. DHW produced by HEx6 is injected directly into the piping system of students’ dormitory C3.
Most of the distribution network piping is made of steel pipelines insulated with mineral wool, but some DN parts that were more recently commissioned, together with the connection to buildings, use pre-insulated steel pipes (Table A1). Nevertheless, some connections are made of a PPR (polypropylene) pipe. The heating elements inside the buildings are wall-mounted, except for building J, where floor heating was installed. About 90% of the radiators are made of cast iron, with the rest being made of aluminum or steel.
The main technical data used in this study for both the heat distribution network and heated buildings are summarized in Table A1.
When passing through the radiators, the heated secondary water is cooled down, becoming thermally depleted. Then, it returns to the TS and is reintroduced back into the circuit by using the electrical driven pumps from pumping stations PS1 and PS2. Here is also the place where make-up water from the municipality utility is introduced into the heating circuit to compensate for water losses.
According to thermal energy balance models [22,23,24,25,26,27,28,29], the reference measurement unit is “1 second,” therefore the energy components are usually assessed using kJ/s ≡ kW. Considering the specificity of the activities carried out by the UO and the available information, the annual, monthly, and hourly detailed energy balance (CEB) was prepared. The energy load of each piece of equipment and installations targeted by the CEB has been within normal range.
Some of the data needed for CEB have been collected from the UO database, where important information has been recorded for years. This is the case with the operating data related to geothermal water. For the other electrical and non-electrical input data, the following instrumentation has been used:
- Network Analyzer, Chauvin Arnoux CA 8334, that is equipped with 3 voltage measurement channels and 3 current measurement channels, capturing and recording all the parameters, transients, alarms, and waveforms simultaneously. The current sensors connected are actually transformer clamps with a round jaw shape and uniformly distributed winding that offer a high level of accuracy and a minimum phase difference. For voltage measurements, crocodile clips were used.
- Thermocamera Fluke Ti20 has a temperature range of −20 °C to +250 °C and an accuracy of ±2 °C or 2%. The spatial resolution (IFOV) is 2.5 mRad and the view field is 23° × 17°.
- Measuring devices existing in HSGWPE:
- Thermal energy meter for the geothermal water (SONTEX type), EN1434, θϵ (20 °C–200 °C), Δθ = (3–150) K and an accuracy of 2%;
- Flow meter for cold water (for DHW preparation and make-up water), SENSUS type, with a a HRI-Mei-B3 sensor reading device that provides a high-resolution pulse output with a flow direction signal, and a maximum flow rate of 25 m3/h;
- Electromagnetic flow sensors Isomag MS 5000, compact version, together with its MV 800 transducer;
- Industrial analogic manometers having a pressure range of 0 to 12 bars.
All these sensors are metrologically checked, and if necessary, calibration is performed.
The measurement errors do not exceed 2%, thus being below the allowed error margins (regulations for energy balances).
3. Calculation Methodology for Energy Efficiency Indicators
According to the usual practice [22,23,24,25,26,27,28,29], if the energy carrier agent is hot water (as it is in the HSGWPE), both energy balance and mass balance are suitable.
3.1. Energy Balance
The general equation is:
where WI—input energy entered into the system [kJ]; WU—useful energy [kJ]; Wp—energy losses [kJ]; WCPT—own consumption [kJ].
WI = WU + Wp + WCPT,
- Input energy (WI)
WI = WGTW + WEE,
- Useful energy (WU) is the thermal energy supplied to end-users within the UO campus and, also, to third parties, and is calculated as follows:
- Own consumption (WCPT) represents the energy needed to drive the pumps within HSGWPE, therefore:
WCPT = WEE,
- Energy losses (WP) are expressed as follows:
Wp = Wp,TN + Wp,TS + Wp,DN,
3.2. Mass Balance
It can be written for each circuit, as follows:
- In the primary circuit (EWS-HEx), the geothermal water is circulated through the transport network pipeline and heat exchanger. Therefore, the equation is:
DGTW = DE,HEx + Dp,1,
- In the secondary circuit (distribution network), the mass balance equation is:
DS,DN = DR,DN + Dp,2,
All the flow rates (DGTW, DE,HEx, DS,DN, DR,DN) are directly measured, while water losses (Dp,1, Dp,2) are calculated.
3.3. Calculation of the CEB Components
3.3.1. Energy Inputs
Geothermal water (GWT) is the main energy carrier agent through which energy flows into the analyzed system, according to [11,12,13,14,15,16,17,18], therefore it can be written:
where iEWS—enthalpy of the well-head geothermal water (just exiting the EWS) [kJ/kg]; iDGW—enthalpy of thermally depleated geothermal water, when exiting the HSGWPE [kJ/kg]; τ—duration of analysis [h]
WGTW = DGTW (iEWS − iDGW) τ,
The electricity input will be calculated as follows:
where Pmed—mean power absorbed by the “i” receiver of the analyzed system [kW].
3.3.2. Energy Losses
- Transmission network (TN) losses will be calculated as follows:
- Thermal substation (TS) losses have 2 components:
- a.
- Energy losses for the HEx—are calculated based on the heat exchanger energy balance.
The energy of the HEx geothermal water outlet:
WE,GS = DE,GS (iE,GS − iDGW) τ,
Energy transferred by the primary circuit agent-GWT (through the HEx):
W1,HEx = WI,GS − WE,HEx,
The input and output energy of the secondary fluid (WI,SF, WE,SF):
where DI,SF—HEx input flow rate for the secondary fluid [kg/s], (iI,SF, iE,SF)—enthalpy of the HEx input and output of secondary fluid [kJ/kg]
WI,SF = DI,SF iI,SF τ,
WE,SF = DI,DN iE,SF τ
Energy received by the secondary fluid inside the HEx:
W2,HEx = WE,SF − WI,SF,
HEx energy losses:
Wp,HEx = W1,HEx − W2,HEx,
- b.
- Energy losses in TS piping
It results that overall energy losses for TS is:
Wp,TS = Wp,HEx + Wp,pipe,
- Distribution network (DN) energy losses is calculated using:
Wpi = [(DS,Ii iS,Ii − DS,Ei iS,Ei) + (DR,Ii iR,Ii − DR,Ei iR,Ei)] τ
3.3.3. Useful Energy
It is calculated for each building (WU,i) and for the entire HSGWPE (WU), as follows:
WU,i = (DS,Ei iS,Ei − DR,Ii iR,Ii) τ,
To determine the enthalpy values (i) for energy carrier agents (GTW, DHW, SF) properties table for water will be used [30].
3.3.4. Energy Performance Indicators
They are expressed in accordance with [22,23,24,25,26,27,28,29]:
- HSGWPE gross energy efficiency:
- HSGWPE net energy efficiency:
- HEx efficiency:
- Pipeline temperature (heat) losses (percentage):
- Pipeline specific temperature losses:
- Specific thermal energy consumption of buildings (per area unit or volume unit):
This indicator can also be calculated for the entire analyzed system:
3.3.5. Environmental Impact Assessment
Since the primary energy source is a “clean” one, the thermal energy being transferred from the geothermal water, the assessment is limited to the calculation of the amount of pollutants released into the atmosphere while the electricity needed to drive the pumps is generated. Therefore, the energy mix should be considered. By the time this study was developed, the average energy mix specific to Romania had the following GHG values [31]:
- CO2 = 314.52 g/kWh;
- SO2 = 34.74 g/kWh;
- NOX = 0.64 g/kWh.
4. Survey, Measurements, and Results
Most of the data required for the assessment of the CEB components were measured using the devices presented in Section 2, while the others were taken from the beneficiary’s database.
4.1. Gathered Data from the UO Database
In order to perform the energy audit, historical data and offline recordings were gathered from the UO database. Table 2 shows the values of the geothermal water supplied to the campus heating system for the 2018 and 2019 periods, without including private consumers (houses, blocks).
Table 2.
HSGWPE geothermal water input.
Figure 5 shows the monthly distribution of GTW consumption in 2018 and 2019.
Figure 5.
HSGWPS geothermal water monthly consumption.
Analyzing the GTW consumption, it can be found that it is much higher in the winter time than the rest of the year, which means that most of the GTW is used for heating.
To increase the accuracy of the analysis, Table 3 and Table 4, respectively, and Figure 6 and Figure 7 show the most important measured data (temperatures and flowrates) that characterize the daily consumption of thermal energy for a winter month and a summer month in the year 2019.
Table 3.
Temperatures and flowrates of the GTW, SF (space heating and DHW) in TS1 (January 2019).
Table 4.
Temperatures and flowrates of GTW and SF (DHW) in TS1 [July 2019].
Figure 6.
TE daily consumption for TS1 [January 2019].
Figure 7.
TE daily consumption for TS1 [July 2019].
4.2. Data from Direct Measurements
Additional measuring devices (mentioned in Section 2) were used to collect on-site data that was added to the already existing ones (gathered from the databases). Direct and detailed measurements on HSGWPE equipment and components were performed in the interval 20–22 January 2020.
4.2.1. Power Analyzer Recordings
Measurements were performed in order to determine the amount of EE consumed by HSGWPE. Figure 8 shows the daily load curves for TS1 electricity consumers. They were monitored, and data was recorded by the power analyzer [17].
Figure 8.
Daily load curves for TS1 electricity consumers.
4.2.2. Thermal Camera Measurements
Using a Ti20-Fluke infrared thermometer, temperature measurements were performed at 40 points of HSGWPE equipment and installations [17]. These points have a precise location—exactly the places where temperature values are important in order to describe HSGWPE status, the partial consumption and losses, and to be able to identify measures to reduce energy losses. Figure 9 and Figure 10 show a selection of images taken by the thermal camera.
Figure 9.
HEx1 geothermal water inlet pipe.
Figure 10.
HEx1 geothermal water outlet pipe.
4.2.3. Synthesis of Measured Data
Direct measurements performed on the HSGWPE equipment and components, using the power analyzer, the thermal camera Ti20, and the existing measuring devices, resulted in the following values, presented in Table 5 and Table A2 (in the Appendix A).
Table 5.
Measurement data collected 20–22 January 2020 (average values).
5. Results
Using the methodology for CEB presented in Section 3, the numerical values of CEB components were determined. The obtained results were structured as follows:
- CEB—current load (hourly);
- CEB—maximum load (for a winter month);
- CEB—minimum load (for a summer month);
- Annual CEB.
CEB components are shown in energy flow tables and diagrams (Sankey). The last part of this Section shows the values of the energy performance indicators and GHG indicators.
5.1. Hourly Complex Energy Balance
It is performed based on the data collected from direct measurements, by applying the methodology for calculating CEB presented in Section 3.
5.1.1. Details and Clarifications with Respect to the Calculated Values
- a.
- SF flow rate inside the distribution networks as well as at the entrance point to buildings were not measured because of their inaccessibility, therefore:
- SF flow rate inside the HEx was estimated based on the rated values, considering the GTW flow rate as well;
- SF flow rate inside the buildings (Di) was estimated as a share of the total flow rate (Dt) using the quasi-empirical equation:
Because UCD2.2 piping has got a circulation pump for the secondary fluid, the length of its pipeline was not considered. When calculating the total useful flow rate of the secondary fluid (buildings inlet), distribution network losses were cosidered, as well. During CEB survey and performed measurements, no secondary fluid leaks were reported.
- b.
- SF temperature was not measured directly. Temperature measurements were performed on the non-insulated surface of heating pipes placed inside the underground concrete thermal duct, on sections connected to buildings. When comparing the directly measured temperatures of GTW and SF with the measurements of the pipe temperature, a negligible deviation has been found for SF and deviations of (2–4) °C—for GTW.
- c.
- GTW flow rate
- Based on the measured data, the shares of GHW between TS1 and TS2, for a winter month, is:DGTW = DI,GS1 + DI,GS2 = 72 m3/h,So, DI,GS1 = 64.44 m3/h (89.5%), DI,GS2 = 7.56 m3/h (10.5%).
- Similarly, for a summer month: DI,GS1 = 10.5 m3/h; DI,GS2 = 2.32 m3/h;
- For TS1, the shares of SF for space heating and DHW is: DI,GS1 = 57.53 m3/h (winter) and DI,GS1 = 10.5 m3/h (summer) exclusively for DHW preparation (18.2%). Therefore, the GTW flow rate used for space heating in thermal substation TS1 is about 81.8% of the total flow rate in January 2019, representing 47.03 m3/h;
- The shares between HEx1, HEx2 and HEx4 are: 1%—for HEx4 (GWT input to this HEx is controlled); between HEx1 and HEx2—depending on their capacity: 63.2% for HEx2 and 36.8% for HEx1;
- For TS2, for the most represantative winter month—January—the share of GTW between HEx5 and HEx6 is calculated according to the above results: HEx5 (DHW): 2.32 m3/h (30.7%); HEx6 (space heating): 7.56—2.32 = 5.24 m3/h (69.3%).
- d.
- Wellhead GTW temperature in EWS (outlet pipe from EWS) is 85 °C, according to drilling 4796 documentation [21].
- e.
- Distribution network losses (sections connected to TS1) were calculated based on the average values [28], resulting in Dp,2 = 11.33—10.9 = 0.43 m3/h; Dp,2 = 10.32 m3/day (3.8%). No losses were reported for the transmission network, distribution network supplied from TS2, or inside the buildings. So, all SF losses belong to the DN and for calculations purposes, it was proportionally split between the two underground concrete thermal ducts: UCD1: 0.16 m3/h (1.4%); on UCD2: 0.27 m3/h (2.4%).
5.1.2. Enthalpy Values
The key data for any thermal energy balance is enthalpy. Based on the measured values for temperature, and using the specific tables [30], the enthalpy values for the involved energy carrier agents were determined (Table 6).
Table 6.
Enthalpy values of energy carrier fluids inside TS at hourly load.
5.1.3. Flow Rates
Based on the above hypothesis and results, the following flow rate values are obtained for the detailed analysis period, 20–22 January 2020:
- a.
- GTW flow rate
- GTW inlet pipe to TS1: DI,GS1 = 64.44 m3/h; split between the four heat exchangers as follows: HEx1: 19.2 m3/h; HEx2: 33 m3/h; HEx3: 11.7 m3/h; HEx4: 0.54 m3/h;
- GTW inlet pipe to TS2: DI,GS2 = 7.56 m3/h; out of which HEx5: 5.24 m3/h; HEx6: 2.32 m3/h.
Usually, high-capacity heat exchangers (HEx1, HEx2) have very good energy efficiency. In [32] a value of 98% is indicated when operating at nominal load. Additionally, the variation in energy efficiency with respect to load is presented. Therefore, for the HEx load during the detailed analysis period, the following efficiency values were considered (HEx + connecting pipes inside TS): HEx1, HEx2 and HEx3—95%; HEx5, HEx6—65%; and HEx4—50%.
- b.
- SF flow rate has been calculated based on the energy balance equation for each heat exchanger and its connections using:
ηHEx × WI,HEx = WE,HEx,
The obtained values are shown in Table 7.
Table 7.
Average SF flow rate in 20–22 January 2020.
5.1.4. Systemic Assessment of Useful Energy
Based on the measured and collected data and applying the dedicated equations, the useful energy for each building has been calculated. The resulting values are presented in Table 8.
Table 8.
Hourly values of useful energy components in 20–22 January 2020.
5.1.5. Real Hourly Energy Balance
- a.
- HSGWPE input energy was calculated according to the CEB methodology, considering the flow rate and enthalpy variation values. Average power values were used to calculate the electricity input [28]. The results are listed in Table 9.
Table 9. Average hourly values of WI 20–22 January 2020. - b.
- Energy losses in HEx and its connecting pipes were calculated based on their estimated efficiency:Wp,SCD = (1 − ηSCD)·WGTWHEx,
- c.
- DN energy losses were calculated using the energy balance equation and the results are shown in Table 10:WI,DN = WU + Wp,DN,
Table 10. Average hourly values of DN energy losses, period 20–22 January 2020.
Table 11. HSGWPE real hourly energy balance, period 20–22 January 2020.
Figure 11. Energy flow diagram of the real hourly CEB, 20–22 January 2020. - d.
- DN input energy was calculated as a difference between the energy input and energy losses. For example, the energy input to the distribution network through HEx1 is:WI,DNHEx1 = (2.547 − 0.127)·106 kJ = 2.42·106 kJ,
5.2. Annual Energy Balance
To calculate the CEB components, data from 2019 were used, as this is the most relevant in terms of the current state of HSGWPE performance. The annual consumption of thermal energy, and subsequently geothermal water, decreased in 2019 compared to 2018 (as shown in Table 2), mainly because of energy efficiency improvements to thermal substations and buildings. Additionally, the outdoor temperatures in that winter were slightly higher than usual, resulting in a lower heat demand. The electricity consumption in the analyzed system is much lower than the thermal energy consumption and is considered to be proportional to the handled energy carrier agents.
The results of the energy calculations are presented in Table 12, while in Figure 12 the annual CEB diagram is represented.
Table 12.
Results of the real CEB, for maximum load, minimum load, and average [(overall year 2019).
Figure 12.
Energy flow diagram of the real CEB for HSGWPE [overall year 2019].
5.3. Energy Performance Indicators (EnPI)
They were calculated applying the methodology given in Section 3, based on the data presented in Section 4, respectively 5.1 and 5.2. The results are shown in Figure 13 and Table 13.
Figure 13.
Energy performance indicators for HSGWPE.
Table 13.
Supply pipe temperature drop (hourly load) and TE specific hourly consumption for space heating 20–22 January 2020.
5.4. Environmental Impact Assessment
In Romania, the primary energy comes from fossil fuels for the vast majority of thermal energy end-users. This is not the case in UO, where—for the moment—the thermal energy source is geothermal water that does not release GHGs into the atmosphere. Nevertheless, the UO campus may be connected to the Municipality of Oradea district heating network in the near future. This is more likely because the wellhead station is not the property of UO, and in other similar cases in Oradea, the produced thermal energy is injected into the municipality’s district heat network. Therefore, the environmental impact will be assessed considering the hypothesis that UO is supplied from the same source of energy as the municipality’s district heating system. This is a cogeneration power plant firing natural gas. About 90% of the total thermal energy is produced by natural gas combustion that results in CO2 and NOx emissions. The following values of the emission factor [33] εCO2 = 50·10 3 g/GJ; εNOx = 150 g/GJ are considered.
The results are presented in Table 14, considering the environmental impact of the electricity consumption as well.
Table 14.
Pollutants estimated to be released in the energy production process (TE—from the municipality district heating network) [tons].
This assessment was made considering that the current TS will continue to operate and SF will be supplied from the municipality’s district heating system as the primary energy agent.
6. Recommended Measures to Improve Energy Efficiency
Most of the big Romanian cities have large district heating systems to serve their populations, and their thermal energy flows are huge. Centralized heating systems can also be found in industrial parks and platforms, as well as on university campuses. Therefore, the energy efficiency of heat carrier networks is a topical issue, both for the managers of the district heating companies and for the end-user. The performed measurements and calculations, together with the analyses of energy use for HSGWPE on the UO campus, allow the assessment of installations and equipment states, and their efficiency levels. To identify and develop energy conservation opportunities and recommend measures to improve energy and economic efficiency, while reducing the negative impact on the environment are the key elements of this energy audit. The conclusions refer to both the thermal network (transmission network + thermal substations + distribution network) and the buildings, but the recommendations are made only for the thermal network as the buildings have not been analyzed in detail as they are not the object of this paper.
Based on the calculated data, the following measures to improve energy efficiency were identified (Table 15).
Table 15.
Recommended measures to improve energy efficiency on the UO campus HSGWPE.
Work Assumptions
Hypothesis 1 (H1).
Keep the present renewable energy source (geothermal water).
Hypothesis 2 (H2).
The source of thermal energy is going to be the municipality district heating network.
To analyze the economic efficiency of the proposed measures and to assess the payback period, the net present value indicator was applied [33]. The assessment was made for the year 2020, considering a 30% increase in thermal energy consumption for space heating on the UO campus with respect to 2019 values.
By applying the recommended measures presented in Table 15, a predicted optimized CEB is developed, with its components highlighted in Figure 14a,b.
Figure 14.
Energy flow diagram of the predicted optimized annual energy balance (a) forecast 2020—Hypothesis 1; (b) forecast 2020—Hypothesis 2.
The estimated EnPIs are shown in Table 16, while the estimated GHGs emissions for Hypothesis 2 are shown in Table 17.
Table 16.
Estimated EnPI—according to the predicted optimized CEB.
Table 17.
Estimation of pollutant emissions developed for the consumed energy [forecast 2020 – optimized CEB—Hypothesis 2.
The reduction of GHG emissions by implementing energy efficiency improvement measures will be in line with the 2020 forecast:
- ΔCO2 = 862 tons/year;
- ΔSO2 = 5.1 tons/year;
- ΔNOx = 2.49 tons/year.
7. Conclusions
Conceptually, the University of Oradea heating network is compatible with the principles of sustainable development, the source of thermal energy being a renewable one (geothermal water), rationally exploited, and mostly reinjected (after use), so that the reservoir maintains its energy potential.
In operational terms, the University of Oradea heating network has a number of technological and functional deficiencies, requiring substantial rehabilitation/modernization. A more rigorous settlement of the thermal energy consumption of private consumers (blocks of flats, houses) is recommended.
The buildings supplied by the UO heating network have not been analyzed in detail in terms of energy efficiency, not being included in the subject of this analysis. Estimates of the specific consumption of buildings (Table 14) show:
- The average value of the indicator “specific consumption of thermal energy per square unit” (= 161 kWh/m2 year) is competitive for the current state of educational buildings in Romania, for which average values of total energy consumption (TE + EE) are recommended [23,24,25] in the range [200–296] kWh/m2·yr;
- A large dispersion of the energy efficiency of buildings can be observed, values in the range: = [39 ÷ 364] kWh/m2·year for thermal energy only. The buildings having higher values than the national average (248 kWh/m2·year) are: C3, Y, P, R, Z, and S;
- Most of the buildings included in this study have a higher value of than the maximum recommended for nZEB public buildings [34], but some of the buildings included in the national statistics are equipped with complex systems: heating, ventilation, and air conditioning.
According to the energy audit methodology, the energy balance components are divided on energy types and HSGWPE components. The largest amount of the input energy (about 98.5%) is renewable, namely geothermal water, with electricity having a much lower share (about 1.5%). The input energy is transferred to end-users, mainly through thermal substation TS1 (about 89.5%) and about 10.5% through TS2 and is used for space heating (about 64%—annual average) and domestic hot water production (36%—annual average).
Energy losses are calculated for the system components (transmission network, thermal substations, and distribution network) and during different periods of operation (winter season—when both SF for space heating and DHW are produced, respectively, and summer season—when only DHW is produced). Atypically, there is a better energy efficiency during the lower demand period, respectively in the summertime when only DHW is produced, which mainly highlights the very advanced wear of the DN pipeline insulation.
Energy losses (% of input energy) are distributed as follows: presented in Figure 15.
Figure 15.
Energy losses in transmission network, thermal stations and distribution network.
For all the highlighted components (TN, TS, DN), the energy losses exceed the rated values [35] and usual values [28,36]. The worst component is the distribution network of secondary fluid, having very high losses.
These DN losses are either flow losses (leaks) or heat transfer losses (mainly conduction). The latter ones are dominant and are caused by the total absence of pipeline insulation or a highly degraded one. Nevertheless, flow losses have significant values (about 0.43 m3/h) meaning about 3.8% in winter months. The values of the “temperature drop” indicators (pT, pS, Table 13) are pointing out very probable flow losses on sections UCD1, UCD2 and the connecting sections to buildings M and N.
DN sections highlighted in Table 14—meaning the great majority of the heating network—has energy losses through insulation above the standardized limit of the newly commissioned heating networks (where pSmax = 0.5 °C/km) [35].
Based on the values listed in Table 14, a hierarchy of DN sections can be carried out, indicating the degradation degree of the pipelines’ insulation, thus setting the priority order for rehabilitation.
TS energy losses are significant and consists of both radiation losses of connecting pipes (mostly without insulation) and the inevitable losses in HEx which often work at partial loads.
TN energy losses are above the standard limit for new heating network [35]. This is both because there are areas without insulation, and the poor quality of insulation. For instance, the insulation of section TN1 is mineral wood—probably wet, while section TN2 has pre-insulated pipes that seems to be degraded.
Thermally depleted geothermal water still has a significant energy potential. The largest part (89.5%—peak load in wintertime and 81.9%—summer lower demand) is reinjected into the reservoir by using the injection well, but the recommendation of this study is to introduce the cascaded uses of geothermal water in order to further cool it by extracting more energy. Additionally, thermally depleted geothermal water discharged from thermal substation TS2 is sent as waste water into the sewer system. This is not a sustainable solution. Therefore, it is recommended to collect it and send it to the injection well.
So, based on all the above findings resulting from the measurements and calculations of BEC, a set of measures to improve the energy performance of the heating system were recommended in Section 6. In order to determine the impact of these proposed improvement measures, a predicted optimized energy balance is developed. It shows a reduction of energy losses both in TN and DN, leading to an increase of about 30% for the energy performance indicators (from 56.1% to 85.9%).
Modernization and rehabilitation works are under way at the University of Oradea campus, targeting the heating system as well. As a future work, the authors intend to do a new analysis in order to calculate the real impact of the implementation of our recommended measures and compare those values with the ones calculated in this paper in the predicted optimized BEC.
Author Contributions
Conceptualization, G.B., I.F. and C.H.; Data curation, A.F. and A.B.; Formal analysis, C.H., C.B. and A.B.; Funding acquisition, G.B.; Investigation, I.F., A.F. and A.B.; Methodology, G.B., I.F. and C.B.; Project administration, C.H.; Resources, C.H.; Supervision, G.B.; Visualization, C.B. and A.B.; Writing—original draft, I.F.; Writing—review & editing, C.B. All authors have read and agreed to the published version of the manuscript.
Funding
This research received no external funding.
Institutional Review Board Statement
Not applicable.
Informed Consent Statement
Not applicable.
Data Availability Statement
Not applicable.
Conflicts of Interest
The authors declare no conflict of interest.
Abbreviations
| CEB | complex energy balance |
| CS | thermal energy consumer |
| CW | cold water |
| CWS | cold water source |
| DGW | depleted geothermal water |
| DHW | domestic hot water |
| DN | distribution network |
| EE | electrical energy |
| EWS | extraction well station |
| GHG | greenhouse gases |
| GWT | geothermal water |
| HEx | heat exchanger |
| HSGWPE | heating system with geothermal water as primary energy |
| IWS | injection well station |
| PPR | polypropylene |
| SEW | sewer |
| SF | secondary fluid |
| TE | thermal energy |
| TN | transmission network |
| TS | thermal station |
| UCD | underground concrete duct |
| UO | University of Oradea |
Appendix A
Table A1.
Components of the heat distribution network and buildings involved in HSGWPE.
Table A1.
Components of the heat distribution network and buildings involved in HSGWPE.
| DN Section | Building | ||||||
|---|---|---|---|---|---|---|---|
| From | To | Length [m] | Diameter [inch] | Pipe and Insulation Material | Code | Area Sd [×103 m2] | Volume [×103 m3] |
| TS1/HEx1 | C | 25 | 4 | St/MW | C | 4.3 | 16.13 |
| TS1/HEx1 | L | 25 | 4 | St/MW | IT | 1.31 | 4.22 |
| TS1/HEx1 | UCD1 | 80 | 8 | steel/no insulation | - | - | - |
| UCD1 | A | 55 | 3 | St/MW | A | 2.13 | 8.3 |
| UCD1 | D + E | 38 | 4 | St/MW | D + E | 4.7 | 21.9 |
| UCD1 | F | 21 | 3 | St/MW | F | 1.77 | 8.04 |
| UCD1 | I | 2 | 2 | steel/no insulation | I | 0.73 | 2.65 |
| A | H | 4 | 1.5 | steel/no insulation | H | 0.061 | 0.15 |
| E | G | 4 | 1.5 | St/MW | G | 0.053 | 0.11 |
| TS1/HEx2 | UCD2 | 180 | 8 | St/MW | - | - | - |
| UCD2.1 | UCD2.1 | 110 | 1.5 | steel/no insulation | - | - | - |
| UCD2.2 | UCD2.2 | 285 | 4 | steel/no insulation | - | - | - |
| UCD2 | B | 7 | 4 | steel/no insulation | B | 3.52 | 13.04 |
| UCD2 | M | 9 | 1.5 | steel/no insulation | M | 0.96 | 3.1 |
| UCD2 | N | 10 | 1.5 | St/MW | N | 0.11 | 0.41 |
| UCD2.1 | A | 13 | 2 | steel/no insulation | A | 0.86 | 3.29 |
| UCD2.1 | P | 5 | 2 | steel/no insulation | P | 0.74 | 4.46 |
| UCD2.1 | R | 7 | 2 | St/MW | R | 0.15 | 0.42 |
| UCD2.1 | Shooting room | 2 | 1.5 | steel/no insulation | Shooting room | 0.12 | 0.37 |
| UCD2.1 | Sports field | 57 | 1.25 | PPR | Sports field | 0.04 | 0.04 |
| UCD2.1 | L-IMT | 38 | 1.5 | St/PI | L-IMT | 0.59 | 2.01 |
| UCD2.1 | T-ID | 37 | 2 | PPR | T-ID | 0.27 | 0.78 |
| UCD2 | T | 239 | 3 | St/PI | T | 2.73 | 9.69 |
| UCD2 | S | 95 | 8 | St/PI | S | 5.87 | 31.6 |
| UCD2 | C2 | 55 | 4 | St/MW | C2 | 3.88 | 10.11 |
| UCD2-C2 | C1 | 151 | 4 | St/MW | C1 | 3.88 | 10.11 |
| UCD2.2 | U | 12 | 4 | St/MW | U | 1.04 | 3.77 |
| UCD2.2 | V | 9 | 2 | St/PI | V | 2.87 | 9.98 |
| UCD2.2 | X | 18 | 2 | St/PI | X | 0.67 | 2.54 |
| UCD2.2 | Y | 24 | 2 | St/PI | Y | 0.23 | 0.68 |
| UCD2.2 | Z | 16 | 2 | St/PI | Z | 0.39 | 1.48 |
| C1 | Wooden church | 106 | 1.5 | St/MW | Wooden church | 0.05 | 0.18 |
| TS1/HEx4 | J | 65 | 2 | PPR | J | 0.54 | 1.92 |
| TS1/HEx1 | K | 64 | 2 | PPR | K | 0.10 | 0.39 |
| TS2/HEx5 | C3 | 4 | 3 | PPR | C3 | 2.68 | 7.22 |
| TS1/HEx1 | C | 25 | 4 | St/MW | C | 4.3 | 16.13 |
Where: UCD1, UCD2 (UCD2.1 UCD2.2)—underground concrete thermal duct; (d, l)—diameter and length of the section; (Sd, V)—surface area and volume of the heated building; St/MW—steel pipe, insulated with mineral wool, St/PI—steel pipe, pre-insulated; PPR—polypropylene pipe.
Table A2.
HSGWPE temperature measurements using thermal camera.
Table A2.
HSGWPE temperature measurements using thermal camera.
| Measurement Point | Temperature [°C] | Measurement Point | Temperature [°C] |
|---|---|---|---|
| GTW inlet pipe, HEx1 | 81.1 | i/o pipe/ambient building R | 49.2/44.3/17.1 |
| GTW inlet pipe, HEx2 | 81.5 | i/o pipe/ambient shooting room | 49.2/44.3/17 |
| GTW inlet pipe, HEx3 | 80.4 | i/o pipe/ambient L-IMT | 45.2/35/25.2 |
| GTW outlet pipe, HEx4 | 44.7 | i/o pipe/ambient T-ID | 48.6/36.2/20.6 |
| GTW outlet pipe, HEx2 | 47.2 | i/o pipe/ambient building T | 45.2/35.2/23.7 |
| SF supply pipe from HEx1 | 56.7 | i/o pipe/ambient building S | 49.2/34/21 |
| SF supply pipe from HEx2 | 57.2 | i/o pipe/ambient building C1 | 49.4/45/26.7 |
| SF return pipe from DN, to HEx1 | 39.7 | i/o pipe/ambient building C2 | 49.5/43/26.1 |
| SF return pipe from DN to HEx2 | 41.1 | i/o pipe/ambient building U | 47.7/33.8/20 |
| GTW outlet pipe, HEx3 | 40.1 | i/o pipe/ambient building V | 49.7/41.1/24 |
| CW inlet pipe in HEx3 | 12.4 | i/o pipe/ambient building X | 51.1/43.8/22.7 |
| DHW supply pipe from HEx3 | 43.2 | i/o pipe/ambient building Y | 46.9/34.4/21.6 |
| i/o pipe/ambient building C | 57/46.6/25.6 | i/o pipe/ambient building Z | 49.2/40.7/22.8 |
| i/o pipe/ambient building J | 36.6/26.6/20 | i/o pipe/ambient building C3 | 46/41/25 |
| i/o pipe/ambient building K | 55.9/50.6/22 | i/o pipe/ambient block of flats | 47.7/42.8/25 |
| i/o pipe/ambient building I | 53.5/39.2/27 | i/o pipe/ambient private houses | 47.7/42. /25 |
| i/o pipe/ambient buildings D + E | 56.1/42.2/23 | i/o pipe/ambient building M | 47.5/40/19.2 |
| i/o pipe/ambient building F | 53.4/40.6/25.8 | i/o pipe/ambient building L | 50.4/37.9/25 |
| i/o pipe/ambient building A | 55.6/42.9/24.7 | GTW pipeline at EWS | 80.8 |
| i/o pipe/ambient building B | 50.1/44.2/25.1 | GTW, HEx5 and HEx6 i/o pipe | 81/44.1 |
| i/o pipe/ambient building N | 47.2/42.5/17.5 | DHW supply pipe from HEx6 | 40.1 |
| i/o pipe/ambient building O | 49.7/45.2/23.3 | DHW inlet pipe in (C1 + C2) | 35.6 |
| i/o pipe/ambient building P | 49.2/40.5/23 | SF supply pipeline from HEx5/ inlet pipe to C3/ambient C3 | 50/41/25 |
References
- Gupta, P.; Anand, S.; Gupta, H. Developing a roadmap to overcome barriers to energy efficiency in buildings using best worst method. Sustain. Cities Soc. 2017, 31, 244–259. [Google Scholar] [CrossRef]
- World Energy Balances-Analysis, IEA. Available online: https://www.iea.org/reports/world-energy-balances-overview (accessed on 15 January 2022).
- Report of World Watch Institute. Available online: https://www.worldwatchinstitute.org (accessed on 15 January 2022).
- Mahdi, A.M.J. Energy Audit a step to effective Energy Management. Int. J. Trend Res. Dev. 2018, 5, 521–525. [Google Scholar]
- ISO 50001:2011; Energy Management Systems. Available online: https://www.iso.org/obp/ui/#iso:std:iso:50001:ed-1:v1:en (accessed on 15 January 2022).
- ISO 50006:2014; Energy Management Systems—Measuring Energy Performance Using Energy Baselines (EnB) and Energy Performance Indicators (EnPI). Available online: https://www.iso.org/obp/ui/#iso:std:iso:50006:ed-1:v1:en (accessed on 15 January 2022).
- Batlle, E.A.O.; Palacio, J.C.E.; Lora, E.E.S.; Reyes, A.M.M.; Moreno, M.M.; Morejón, M.B. A methodology to estimate baseline energy use and quantify savings in electrical energy consumption in higher education institution buildings: Case study, Federal University of Itajubá (UNIFEI). J. Clean. Prod. 2020, 244, 118551. [Google Scholar] [CrossRef]
- Chaichan, M.T.; Kazem, H.A. Energy conservation and management for houses and building in Oman—Case study. Saudi J. Eng. Technol. 2016, 1, 69–76. [Google Scholar]
- Shcherbak, V. Using the university’s energy efficiency knowledge hub for energy renovation and energy modernization of university buildings. J. Manag. 2021, 34, 35–44. [Google Scholar] [CrossRef]
- Gryshchenko, I. Implementing best practices for improving energy efficiency in universities. J. Manag. 2021, 34, 9–17. [Google Scholar] [CrossRef]
- Shafie, S.M.; Nu’man, A.H.; Yusuf, N.N.A.N. Strategy in Energy Efficiency Management: University Campus. Int. J. Energy Econ. Policy 2021, 11, 310–313. [Google Scholar] [CrossRef]
- Ruviaro, A.; Sperandio, M.; Ebert, P.; Boaski, M.A.F.; Mallmann, J.F. Energy Efficiency Studies in a Brazilian University Campus. In Proceedings of the IEEE PES Transmission & Distribution Conference and Exhibition—Latin America (T & D-LA), Lima, Peru, 18–21 September 2018. [Google Scholar]
- Koçalioğlu, H.L.; Onat, A. University campus building energy modeling: A case study. In Proceedings of the 6th International Conference on Advances in Mechanical Engineering, Istanbul, Turkey, 20–22 October 2021; pp. 215–221. [Google Scholar]
- Nizamutdinova, Z.F.; Krivchikov, N.E. Architecture of the University campus in terms of maximum energy efficiency. IOP Conf. Ser. Mater. Sci. Eng. 2020, 880, 012068. [Google Scholar] [CrossRef]
- Guan, J.; Nord, N.; Chen, S. Energy planning of university campus building complex: Energy usage and coincidental analysis of individual buildings with a case study. J. Energy Build. 2016, 124, 99–111. [Google Scholar] [CrossRef]
- Shcherbak, V.; Ganushchak-Yefimenko, L.; Nifatova, O.; Dudko, P.; Savchuk, N.; Solonenchuk, I. Application of international energy efficiency standards for energy auditing in a university buildings. Glob. J. Environ. Sci. Manag. 2019, 5, 501–514. [Google Scholar] [CrossRef]
- Felea, I.; Blaga, A.; Felea, A. Energy audit report on the geothermal heat supply system at University of Oradea. 2020. Available online: www.epsystems.ro (accessed on 24 February 2022).
- Kamila, Z.; Kaya, E.; Zarrouk, S.J. Reinjection in geothermal fields: An updated worldwide review 2020. Geotherm. J. 2021, 89, 101970. [Google Scholar] [CrossRef]
- Gavriliuc, R.; Roșca, M.; Bendea, C. Geothermal Energy in Romania—Country Update 2015–2019. In Proceedings of the World Geothermal Congress 2020, Den Haag, The Netherlands, 11–14 June 2019. [Google Scholar]
- Utilization of Geothermal Energy by Producing Thermal Heating Agent for PT902 Consumers and Reinjection. Available online: www.oradea.ro (accessed on 1 March 2022).
- Drilling Report for 4796 Well at University of Oradea, National Center for Geothermal Research. Available online: www.uoradea.ro (accessed on 1 March 2022).
- Guidelines for Performing and Analyzing Energy Balances, Romanian Agency for Energy Conservation Decision No. 56/2003. Available online: https://lege5.ro/Gratuit/hezdgnrx/principii-generale-de-elaborare-si-analiza-a-bilanturilor-energetice-anexa?dp=gi2dcmjtga3da (accessed on 21 February 2022).
- Cleveland, C. Encyclopedia of Energy; Academic Press: Oxford, UK, 2004; Volume 1–6. [Google Scholar]
- Carabulea, A.; Carabogdan, G. Real and optimal energy models and balances, R.S.R.; Academy Publishing House: Bucharest, Romania, 1986. [Google Scholar]
- Carabogdan, G. Energy Balances. Problems and Applications for Engineers; “Tehnica” Publishing House: Bucharest, Romania, 1986. [Google Scholar]
- Calantzis, F.; Revoltella, D. Do energy audits help SMEs to realize energy-efficiency opportunities ? Energy Econ. 2019, 83, 229–239. [Google Scholar] [CrossRef]
- Badiola, M.; Basurko, O.C.; Gabina, G. Integration of energy audits in the Life Cycle Assessment methodology to improve the environmental performance assessment of Recirculating Aquaculture Systems. J. Clean. Prod. 2017, 157, 155–166. [Google Scholar] [CrossRef]
- Felea, I.; Crenci, E.; Szabo, E. Analysis of Energy Performance of a Cogeneration Source. J. Sustain. Energy 2019, 10, 49–59. [Google Scholar]
- Răducanu, C.; Patrascu, R. Thermal Energy Balances; University “Politecnica”Bucharest Print House: Bucharest, Romania, 2004. [Google Scholar]
- Popa, I.; Popa, T. Thermotechnical Tables; IDOC: Bucharest, Romania, 1986. [Google Scholar]
- ANRE, 2019, Report on the Results of the Electricity Market Monitoring. Available online: www.anre.ro (accessed on 21 February 2022).
- Pleșa, A. Utilaje Termice—Schimbătoare de Căldură Cu Plăci; Mediamira Publishing House: Cluj Napoca, Romania, 2008; Volume I. [Google Scholar]
- Guidelines for Performing Energy Audits, the National Authority for Energy Regulation Decision No. 21232014. Available online: https://www.anre.ro/ro/eficienta-energetica/legislatie/legislatie-efic-en (accessed on 21 February 2022).
- EU Recommendation 2016/1318 on nZEB Buildings. Available online: www.europa.eu (accessed on 21 February 2022).
- Norm for Design, Execution and Operation of Central Heating Installations, I13/2015; MatrixRom Publishing House: Bucharest, Romania, 2016.
- Dinu, C. Thermal Energy Distribution; University of Craiova Publishing House: Craiova, Romania, 2014. [Google Scholar]
Disclaimer/Publisher’s Note: The statements, opinions and data contained in all publications are solely those of the individual author(s) and contributor(s) and not of MDPI and/or the editor(s). MDPI and/or the editor(s) disclaim responsibility for any injury to people or property resulting from any ideas, methods, instructions or products referred to in the content. |
© 2022 by the authors. Licensee MDPI, Basel, Switzerland. This article is an open access article distributed under the terms and conditions of the Creative Commons Attribution (CC BY) license (https://creativecommons.org/licenses/by/4.0/).