You are currently viewing a new version of our website. To view the old version click .
Energies
  • Article
  • Open Access

14 April 2022

Dynamics and Control of an Energy-Efficient, Power-Regenerative, Hydrostatic Wind Turbine Dynamometer

and
Department of Mechanical Engineering, University of Minnesota, Minneapolis, MN 55414, USA
*
Author to whom correspondence should be addressed.
This article belongs to the Special Issue Advancement in Wind Turbine Technology

Abstract

Dynamometers are used to evaluate the real-world performances of drivetrains in various loading conditions. Due to its superior power density, high bandwidth, and design flexibility, a hydrostatic power-regenerative dynamometer is an ideal candidate for hydrostatic wind turbine transmission testing. A dynamometer can emulate the wind turbine rotor dynamics and allow the investigation of the performance of a unique hydrostatic drivetrain without actually building the physical system. The proposed dynamometer is an energy-efficient system with counter-intuitive control challenges. This paper presents the dynamics, control synthesis, and experimental validation of a power-regenerative hydrostatic dynamometer. A fourth-order non-linear model with three inputs was formulated for the dynamometer. The strength of input–output couplings was identified, and two different decoupling controllers were designed and implemented. During wind turbine testing, the synchronous generator turns at a constant speed and the system model is linear. A steady-state decoupling controller was developed for independent control of the drive and transmission. The implemented decoupling controller demonstrated a negligible change in rotor speed for a 40 bar step increase in pressure, but a 20 bar pressure spike for a 4 rpm step change in rotor speed. However, during starting and stopping, the synchronous generator speed is not constant, and the system model is nonlinear. Therefore, a steady-state decoupling controller will not work. Thus, a decentralized controller with feed-forward control and gain scheduling was designed and implemented. A reference command was designed to avoid cavitation, pressure spikes, and power flow reversal during start-up. The experimental results show precise tracking in steady-state and transient operations. The decentralized controller demonstrated a negligible change in rotor speed for a 40 bar step increase in pressure but a 100 bar pressure spike for a 4 rpm step increase in rotor speed. The pressure spike was reduced by 80 bar with the implementation of feed-forward gain. The proposed electro-hydro-mechanical system requires less power and has the potential to reduce energy expenditure by 50 % .

1. Introduction

Transmissions are used to transmit power from the prime mover to the load. Speed-reducing gearbox transmissions are used in vehicles for the transmission of engine power to the wheels. Hydrostatic transmissions have superior power to weight ratios to gearbox transmissions and are frequently used in machine tools and construction equipment [1,2]. Unlike a vehicle, a wind turbine requires a speed-increasing transmission to transfer power from the low-speed rotor to the high-speed generator. A heavy, fixed ratio gearbox is usually used in a wind turbine [3]. A continuously variable hydrostatic transmission (HST) is a lighter, cheaper, and more reliable alternative [4,5,6]. For this reason, an HST is also used in tidal and wave energy conversion [7,8]. An HST decouples the generator from the rotor and allows the generator to rotate at grid frequency without an expensive power converter [9]. In this paper, we consider the single-pump, single-motor HST shown in Figure 1. This HST consists of a fixed-displacement radial piston pump and a variable-displacement axial piston motor. In the real turbine, the pump is mounted on the turbine rotor and the motor is connected to a synchronous generator.
Figure 1. Schematic of an HST drive train.
The real-world performance of a transmission is tested using a dynamometer to emulate loading conditions. A dynamometer is also required to validate advanced HST wind turbine control design and improve the performance of the components [10,11]. Conventional dynamometers are powered by a prime mover, which powers the transmission. The power from the transmission is fed to a resistive load, where power is dissipated as heat. National Renewable Energy Laboratory (NREL) has a power-loop dynamometer in which the power from the generator load is fed back to the prime mover through the grid [12]. In this design, the prime mover must be outproduce the rated power of the transmission. The effect of real-world loading on the transmission during transient wind requires a fast, precise, and powerful dynamometer. Due to their superior power density, high bandwidth, and flexibility, hydrostatic dynamometers are used in automotive applications [13,14].
RWTH Aachen University has reported a power-regenerative dynamometer for a 1 MW hydrostatic wind test platform [15]. In this design, the output power of this system is directly used to assist the input hydraulically, reducing the required prime mover power. This HST wind turbine and the power-regenerative hydrostatic dynamometer have multiple pumps and motors. At the University of Minnesota, a power-regenerative hydrostatic dynamometer for a single pump and a motor HST have been developed. The dynamometer consists of the HST under investigation and a hydrostatic drive (HSD) to emulate the real wind turbine rotor. Due to the power loop, this unique power-regenerative dynamometer needs a small prime mover and is energy efficient.
Due to the limited number of control actuators, the input–output behavior of this multivariable system is coupled and the system exhibits counter-intuitive control challenges. In the idealized limit of an incompressible fluid with no leakage, the displacement of the HST motor and HSD pump cannot be independently varied, reducing the number of independent inputs from three to two. In real use, the two displacements can be varied, but the system is difficult to control. The original contributions of this paper are explaining the input–output coupling of the power-regenerative dynamometer and presenting a suitable controller for various phases. The latter is an application of multivariable control theory to a practical problem. With this approach, the coupled system is easy to operate, enabling more extensive use of power-regenerative dynamometers in various applications.
To address the control challenge in this multiple-input multiple-output (MIMO) system, a dynamical model of the dynamometer was developed. The input–output coupling behavior and control structures were studied using the relative gain array (RGA). Although an advanced controller could be designed for this MIMO system, the control objective of the dynamometer is to independently control the HSD and the HST so that the developed controller for the HST wind turbine can be translated to the real turbine. Due to this control limitation, for wind turbine testing, a fully decoupled steady-state controller was designed for the linear time-invariant system. However, for starting and stopping, the system was made nonlinear, and a gain scheduling decentralized controller was developed. A reference signal was designed for the starting and stopping to overcome cavitation, pressure spikes in the hydraulic circuits, and maintain the power flow direction. The operation and control performance of the dynamometer were experimentally validated.
The design and dynamic models of the test platform are described in Section 2. The inputs and outputs coupling behavior and selection of the control structure are presented in Section 3. The controller syntheses for the test phase and start/stop phase are discussed in Section 4 and Section 5. Power consumption by the dynamometer is shown in Section 6, and concluding remarks are presented in Section 7.

2. Dynamics of the Power Regenerative Dynamometer

The dynamometer consists of two closed-loop hydrostatic circuits, as shown in Figure 2. Each hydrostatic loop has a hydraulic pump driving a hydraulic motor. The wind turbine hydrostatic transmission (HST) under investigation is in the left block of the figure. The hydrostatic drive (HSD), to emulate the wind turbine rotor, is in the right block. The HST has a fixed-displacement, low-speed, high-torque pump and a variable-displacement, high-speed, low-torque motor. The HSD has a variable-displacement high-speed, low-torque pump driving a fixed displacement, low-speed, high-torque motor [16].
Figure 2. Schematic of a power-regenerative test platform.
The output power of the HSD drives the HST pump through the low-speed shaft. Instead of dissipating the turbine output power, the HST output power drives the HSD through the high-speed shaft, allowing power regeneration. An electric motor is mounted on the high-speed shaft, between the HSD pump and HST motor, to compensate for power losses in the circuit. The motor is powered by a variable frequency drive (VFD) and controls the speed of the high-speed shaft. This enabled the test stand to operate with less electric power and eliminated the use of resistors as loads. A photo of the power-regenerative dynamometer is shown in Figure 3. Specifications of key components are listed in Table 1.
Figure 3. A power-regenerative hydrostatic dynamometer developed at the University of Minnesota.
Table 1. Key components of the power-regenerative test platform.
The energy conversion occurs from mechanical to hydraulic and then back to mechanical in the HSD and HST. A unified bond graph model of the dynamometer is shown in Figure 4 [17]. The energy storage elements; the inertia in the mechanical system, I 1 and I 2 ; and fluid capacitance, C 3 and C 4 , are shown in red. The mechanical and hydraulic losses are modeled as R elements. Three control inputs are shown in red boxes. The power flows between HSD and HST in the clockwise direction. The losses in energy conversion in the HSD and HST are replenished by electrical input.
Figure 4. Energy conversion in the power-regenerative dynamometer.
A high-fidelity mathematical model was developed to represent the dynamic behavior of the power-regenerative dynamometer [16]. The dynamometer is governed by high speed (HS) generator shaft dynamics, low-speed (LS) rotor shaft dynamics, and HSD and HST pressure dynamics. The dynamic equation consists of four states, HS shaft speed, ω s , rotor speed, ω r , HSD pressure, p d , and HST pressure, p t ; and three inputs, HSD pump normalized swash plate angle, χ , HST motor normalized swash plate angle, α , and the electric motor torque, τ e , as shown in Equations (1)–(4).
J s ω ˙ s + b s ω s = τ e + α D m p t χ D pd p d
p d ˙ = β e V d χ D pd ω s D md ω r L ld p d
J rot ω ˙ r + b r ω r = D md p d D p p t ,
p t ˙ = β e V t D p ω r α D m ω s L lt p t
Equations (1) and (3) are speed dynamic equations, where J s is the combined moment of inertia of the HS shaft, HST motor, and HSD pump; and J rot is the combined moment of inertia of the rotor, HST pump, and HSD motor. b s and b r are the damping constants of the HS and LS shaft, including torque losses in the pumps and motors.
Equations (2) and (4) are the pressure dynamics equations. The first term on the right-hand side is the flow from the pump, the second term is the flow into the motor, the third term is the leakage loss in the hydraulic system, ( Q ld = L ld p d , Q lt = L lt p t ) .
The HSD pump and HST motor swash plates are controlled by electro-hydraulic valves. The dynamics of the normalized swash plate positions, α and χ , can be modeled as first-order systems with input voltages, v t and v d . The gain and time constant were found in the experiment, and the transfer functions are given by
α ( s ) = 0.105 0.38 s + 1 v t ( s ) , χ ( s ) = 0.091 0.3 s + 1 v d ( s ) , v t , v d [ 0 , 10 ]
The parameters of the above dynamical equations were experimentally evaluated [16]. The parameters of the test platform are listed in Table 2.
Table 2. System parameters in the dynamic model.
In Equations (1), (2) and (4), the states are multiplied with the inputs and the equations of the system are non-linear. However, when ω s is constant, Equations (2)–(4) become linear. In Equation (1), the HS shaft speed, ω s , is regulated by the electric motor torque, τ e , which is controlled by the VFD. The control bandwidth of the VFD is approximately one-hundred-times higher than the system bandwidth so that ω s can be controlled faster than other states and can be considered a time-varying parameter. As a result, the equations of the dynamometer become linear and parameter-varying with states ω r , p d and p t , and inputs v d and v t . The MIMO system can be represented as a transfer function matrix for further control synthesis.
p d ω r p t = g 11 ( s ) g 12 ( s ) g 21 ( s ) g 22 ( s ) g 31 ( s ) g 32 ( s ) v d v t
where g ij are transfer functions containing the time-varying parameter ω s .
The dynamometer is equipped with pressure, flow, temperature, torque, and speed sensors. The sensors are calibrated, and the overall uncertainty of each sensor is less than 1.5 % . The sensor measurements were collected by National Instruments data acquisition system sampling at 1 kHz. The real-time data acquisition and control were realized using Matlab Simulink.

3. Coupling between Inputs and Outputs

The control objective of the dynamometer is to independently control the HSD and the HST so that the HST wind turbine can be tested under all operating conditions. Additionally, the developed controller for the HST wind turbine can be easily placed in a real turbine. Decentralized control is implemented to treat this MIMO system as two SISO systems. The design of the decentralized control system involves the control structure selection, i.e., the choice of input and output pairings, and the design of the controller for each loop [18,19].

3.1. Control Structure Selection

The relative gain array (RGA) is used as a tool for control structure selection in a MIMO system [20,21]. The RGA is the ratio of the open-loop to closed-loop gains and is independent of input and output scaling. The RGA matrix, G ( s ) , is defined as
R G A = ( s ) = G ( s ) × ( G 1 ( s ) ) T
where ‘×’ denotes element by element multiplication (Schur product). ( s ) is a measure of the interaction between inputs and outputs as a function of frequency ( s = j ω ). The plant has three states and two inputs with three possible pairings, as shown in Equation (8). The plant transfer function is G i R 2 × 2 for all i = [ 1 , 2 , 3 ] .
p d p t = G 1 ( s ) v d v t , p d ω r = G 2 ( s ) v d v t , ω r p t = G 3 ( s ) v d v t
The RGA elements are a measure of sensitivity to relative element-by-element uncertainty. The sum norm, | | | | s u m , is close to the minimized conditioned number, γ * , so that a plant with large RGA elements is always ill-conditioned. To avoid instability due to interaction in the control region, we chose input and output pairings for which the RGA element is close to 1. The RGA elements are a function of the frequency. The diagonal and off-diagonal RGA elements are plotted with respect to the frequency in Figure 5. In the low-frequency control region, the RGA values of plant G 2 and G 3 are close to one, but plant G 1 has a higher value. The steady-state RGA matrices are shown below.
( G 1 ( 0 ) ) = 307.8 306.8 306.8 307.8 , ( G 2 ( 0 ) ) = 0.62 0.38 0.38 0.62 , ( G 3 ( 0 ) ) = 0.38 0.62 0.62 0.38
Figure 5. RGA elements of the plant. (a) RGA element of G 1 ; (b) RGA element of G 2 ; (c) RGA element of G 3 .
Plant G 1 has large RGA elements at the crossover frequency ( ω c < 10 rad / s ), as shown in Figure 5. The sum norm, | | ( G 1 ( 0 ) ) | | s u m , and minimized condition number are large, which indicates that the plant is sensitive to input uncertainty and is difficult to control. This means that the HST and HSD pressures are strongly coupled and cannot be controlled independently.
In plant G 2 , diagonal RGA elements are close to one, which suggests input–output pairings of p d v d and ω r v t . In plant G 3 , off-diagonal RGA elements are close to one, which suggests input–output pairings of p t v d and ω r v t . RGA matrices of both G 2 and G 3 suggest controlling the pressure with the HSD swash plate and the rotor speed with the HST swash plate. Although the plants G 2 and G 3 are suitable for controller design, plant G 2 was selected for further control synthesis due to its diagonal dominance.
The RGA matrix guides us for the input and output pairing; however, it does not indicate significant one-way coupling. To measure the one-way coupling, the performance relative gain array is computed for the plant G 2 to understand the effect of disturbances under decentralized control [22].
P R G A = Γ ( s ) = G diag ( s ) × ( G 1 ( s ) ) , Γ ( 0 ) = 0.62 31.30 0.007 0.62
The off-diagonal element of the steady-state value of the PRGA matrix, γ 12 , is high, indicating strong one-directional coupling from the HST swash plate input to the HSD pressure output.
Physical understanding of the coupling: It is important to understand the source of coupling in the power-regenerative dynamometer. At steady state, p d ˙ = p t ˙ = 0 , and assuming no leakage loss, Q ld = Q lt = 0 , the rotor speed can be derived from the dynamic equations Equations (2) and (4).
ω r = D pd ω s D md χ = D m ω s D p α ,
At constant HS speed, the rotor speed, ω r , increases with increasing the HSD and HST swash plate position. The fixed ratio of the swash plate position given by Equation (10) depends on D pd and D m . With this assumption, it is impossible to independently vary α and χ , and the number of control inputs reduces from two to one. In practice, the system is difficult to control with these two inputs independently.
At constant rotor speed and assuming no leakage loss, Q ld = Q lt = 0 , the changes in HSD and HST pressures can be derived from the dynamic Equations (2) and (4).
Δ p d = Δ p t = β e D pd ω s V d Δ χ = β e D m ω s V t Δ α ,
The above equation shows that the HSD and HST pressure can be increased by increasing the HSD swash plate position and decreasing the HST swash plate position.
With the knowledge of input–output coupling in the MIMO system, the next goal is to design a controller for the smooth operation of the dynamometer. The dynamometer is operated in three phases, start, turbine test, and stop. During the start phase, the system goes from rest to the test phase. The stop phase reverts the system back to rest. The design of the test phase controller is discussed below, followed by that of the start–stop phase controller.

4. Test Phase Control

During the test phase, the HST drivetrain is tested in the virtual wind turbine environment. The rotor speed emulates a wind turbine rotor and is driven by the HSD using hardware-in-the-loop (HIL) simulation [23]. The HS shaft rotates at the synchronous speed of the generator, which is a constant. With the HS shaft speed, ω s , being constant, the dynamics are linear. In a practical application, HST pressure, p t , is controlled by the HST motor swash plate voltage, v t , to maximize the power capture. The effect of the large rotor inertia of the real turbine is taken into account in the HIL simulation. From the RGA analysis in Section 3, p d cannot be selected along with p t for the controller design. Thus, for the HIL wind turbine setup, ω r is controlled by the HSD pump swash plate voltage, v d . To realize two single-input single-output (SISO) control loops, a decoupling controller is a viable option.
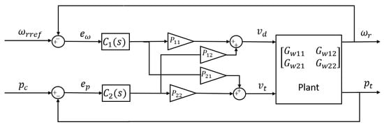
The plant, G w ( s ) , is a 2 × 2 transfer function matrix. A precompensator, P ( s ) , is introduced to convert the resultant system into a nearly diagonal transfer function in the operating bandwidth. Dynamic coupling may be possible, but inaccuracy in the dynamic model may cause problems in the stability and robustness of the system. Thus, a steady-state precompensator is used.
P ( s ) = G w ( s ) 1 d i a g ( G w ( s ) ) , P ( 0 ) = 0.3779 0.4064 0.5785 0.3779
A diagonal controller, C ( s ) , was designed for the diagonal plant G w P . The schematic of the decoupling controller is shown in Figure 6. The control design for each SISO loop is discussed below.
Figure 6. Schematic of the decoupling controller.
Rotor Speed Control: The rotor speed, ω r , is controlled by the HSD pump swash plate angle, v d . The transfer function from v d to ω r at synchronous speed is
G w 11 ( s ) = 1.19 e 6 ( s + 4.94 ) ( s + 2.63 ) ( s + 6.55 ) ( s + 9.43 + 314.6 i ) ( s + 9.43 314.6 i )
The frequency response of the transfer function is shown in Figure 7a. A PI controller, C 1 ( s ) ( = 0.0765 + 0.376 s ) , was designed to have zero tracking error and disturbance rejection at low frequencies. The sensitivity and complementary sensitivity of the closed-loop plant are shown in Figure 7b. The bandwidth of the system is around 1 rad/s.
Figure 7. Open-loop and closed-loop frequency response of the rotor speed. (a) Frequency response of G w 11 ( s ) ; (b) closed-loop response of the plant G w 11 ( s ) .
HST Pressure Control: The HST pressure, p t , is controlled by the HST motor swash plate voltage, v t . The transfer function from v t to p t at synchronous speed, ω s , of 1200 rpm, is
G w 22 ( s ) = 8191 ( s + 10.23 + 222.46 i ) ( s + 10.23 222.46 i ) ( s + 3.33 ) ( s + 6.55 ) ( s + 9.43 + 314.6 i ) ( s + 9.43 314.6 i )
The transfer function has a negative gain, which means that the HST pressure decreases with an increase in HST motor swash plate voltage. The frequency response of the transfer function is shown in Figure 8a. Due to the negative gain, the phase at low frequency is approximately 180 degrees. All open-loop poles are in the left-hand plane and the open-loop plant is stable.
Figure 8. Open-loop and closed-loop frequency responses of the HST pressure. (a) Frequency response of G w 22 ( s ) . (b) Closed-loop response of the plant G w 22 ( s ) .
A PI controller, C 2 ( s ) ( = 0.0058 0.0165 s ) , is designed to control the HST motor swash plate voltage, v d , such that it tracks the reference pressure command, p c , and also rejects disturbances. The sensitivity and complementary sensitivity of the closed-loop plant are shown in Figure 8b. The bandwidth of the pressure control is around 3 rad/s.

Control Validation

The two SISO controllers and decoupling matrix were implemented on a power-regenerative test platform. The schematic of the control architecture is shown in Figure 9. The objective of this decoupling controller is to minimize the effect of each controller on the others. It means with a change in rotor speed should not affect the pressure and vice versa.
Figure 9. Schematic of the test phase control architecture.
The performance of the controller was validated on the dynamometer. The system was operated at an HSD pressure of 80 bar and a rotor speed of 30 rpm. A step input of 40 bar was applied to the pressure reference, p c , at t = 20 s, and a step input of 4 rpm was added to the rotor speed reference, ω rref at t = 50 s. The closed-loop response with a decoupling gain is shown in Figure 10. It can be seen that both the HST pressure controller and the rotor speed controller tracked the reference signals. The change in the pressure command had a negligible effect on the rotor speed. A change in the rotor speed command affected the pressure, causing a pressure drop of about 20 bar. This was due to quick and large increases in both HSD and HST swash plate voltage. We can conclude that, with the steady-state decoupling gain, the cross-coupling interaction can be minimized, and the system can be treated as two SISO systems for control.
Figure 10. HST pressure and rotor speed with respect to the step input.

5. Start and Stop Phase Controller Design

During the start phase, the dynamometer is driven from rest to the initial condition of the test phase. During the stop phase, the dynamometer is driven from the final state of the test phase to rest. Unlike the test phase, the HS shaft speed, ω s , in the start or stop phase varies over time, and the system has parameter-varying nonlinear dynamics. The low speed and pressure dynamics of the HST and HSD are difficult to model. The steady-state decoupling controller developed for the test phase is very sensitive to model error and low-pressure uncertainties. Therefore, a decentralized controller was formulated for the start or stop phase.
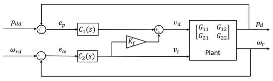
In contrast to the test phase, there were no constraints in the selection of input–output pairing for the controller design. Thus, the input–output pairings were selected from the RGA analysis in Section 3. A decentralized controller was designed for the 2 × 2 plant with the HSD pressure and the rotor speed as outputs and the HSD and HST swash plate positions as inputs.
p d = G 11 v d + G 12 v t ω r = G 21 v d + G 22 v t
The concept of a SISO technique was applied to design a controller for the HSD pressure, p d , and for the rotor speed, ω r , using v d and v t as inputs. The interactions between v t and p d , and between v d and ω r , are treated as disturbances.
HSD Pressure Control: The HSD pressure, p d , is controlled by the HSD swash plate angle, v d . The transfer function from v d to p d is
G 11 ( s ) = 8.267 ( s + 8.62 + 222.44 i ) ( s + 8.62 222.44 i ) ω s ( s + 2.63 ) ( s + 6.55 ) ( s + 9.43 + 314.6 i ) ( s + 9.43 314.6 i )
The transfer function G 11 depends on the HS shaft speed, ω s . The controller is designed for an ω s of 1200 rpm . All open-loop poles are in the left-hand plane and the open-loop plant is stable. The frequency response of the transfer function closely matches with the plot shown in Figure 7a.
A PID controller, C 1 ( s ) ( = 0.0027 + 0.0072 s + 0.0002 s 0.0256 s + 1 ) , was designed to control the HSD swash plate angle, v d , such that it tracks the reference pressure command p d , and also rejects the disturbance. The sensitivity and complementary sensitivity of the closed-loop plant is shown in Figure 11a. To ensure the robustness of the plant, the bandwidth of the pressure control was set to 2 rad/s.
Figure 11. Closed-loop frequency response of HSD pressure and rotor speed control. (a) Frequency response of the plant G 11 ( s ) . (b) Frequency response of the plant G 22 ( s ) .
Rotor Speed Control: The rotor speed, ω r , is controlled by the HST swash plate angle, v t . The transfer function from v t to ω r is
G 22 ( s ) = 824.5 ( s + 8.15 ) ω s ( s + 3.33 ) ( s + 6.55 ) ( s + 9.43 + 314.6 i ) ( s + 9.43 314.6 i )
The transfer function G 22 depends on the HS speed, ω s . The controller was designed for an ω s of 1200 rpm . The frequency response of the transfer function also resembles Figure 8a.
A PI controller, ( C 2 ( s ) = 0.165 + 0.342 s ) , was designed to have zero tracking error and disturbance rejection at low frequencies. The sensitivity and complementary sensitivity of the closed-loop plant are shown in Figure 11b. The bandwidth of the system was set to 1 rad/s.
Feedforward Gain: The PRGA-matrix in Section 3.1 shows that there is a strong one-directional coupling of the HSD swash plate voltage v t , with the HSD pressure p d . The feedforward action enhances the performance of the decentralized controller. A feedforward gain, G ff , is computed such that the coupling between v t and p d is compensated for in the operating frequency band.
G 12 ( s ) v t G ff ( s ) G 11 ( s ) v t G ff ( s ) [ G 11 ( s ) ] 1 G 12 ( s )
The feedforward gain depends on the frequency. The gain also relies on the accurate inverse of G 11 , which may cause robustness issues. For ease of implementation, a steady-state feedforward gain, K f = G ff ( 0 ) = 0.65 , was used in the dynamometer.

5.1. Experimental Results

The above two SISO controllers gain were designed for ω s = 1200 rpm. However, in the start or stop phase, the HS shaft speed operates at 100–1800 rpm. To maintain a constant bandwidth of the controller throughout the operating range of the HS speed, the controller gain is modified in real-time in proportion to ω s , as shown below.
C i ( s ) = ω s 1200 C i ( s )
The two SISO controllers with feedforward gain were implemented on the power-regenerative test platform. The schematic of the control architecture is shown in Figure 12.
Figure 12. Schematic start and stop phase control architecture.
The performance of the controller at ω s = 1200 rpm was validated on the dynamometer. The system was operated at an HSD pressure of 100 bar and rotor speed of 30 rpm. A step input of 40 bar was applied to the pressure reference, p d , at t = 20 s, and a step input of 4 rpm was added to the rotor speed reference, ω d , at t = 50 s. The closed-loop response with a feedforward gain K f , and without K f , is shown in Figure 13. It can be observed that both the HSD pressure controller and the rotor speed controller tracked the reference signals. The change in the pressure command had a minor effect on the rotor speed. On the other hand, a change in the rotor speed command produced a pronounced pressure drop of nearly 100 bar, indicating a strong interaction between v t and p d , as discussed in Section 3.1. This interaction was reduced by using a feedforward gain, K f , which restrained the abrupt pressure drop.
Figure 13. Pressure and rotor speed in response to the step input.
In Figure 13, it can be seen that when increasing the rotor speed, the HSD and HST swash plate voltages must be increased. When raising the pressure, the HSD swash plate voltage needs to be increased and the HST swash plate voltage needs to be decreased. These observations are consistent with our discussion of the physical understanding of coupling in Section 3.1.

5.2. Start and Stop Reference Shaping

In the start and stop phase, the desired trajectory for HSD pressure, p dd ( t ) , rotor speed, ω rd ( t ) , and HS shaft speed, ω sd ( t ) , are required for the controller implementation. These reference trajectories are generated by a supervisory controller with the knowledge of the target test phase initial conditions for HSD pressure, p dt , rotor speed, ω rt , and HS shaft speed, ω st . There are multiple paths to shape the reference trajectories, but special attention is required for the coupled power-regenerative dynamometer to avoid input saturation, pressure spikes, and cavitation.
The swash plate positions are constrained by the ratio of the rotor speed to the HS shaft speed, shown in Equation (10). A convenient strategy is fixing the slopes of ω rd and ω sd . Since the displacement ratio is fixed, ω rd and ω sd reach their target values at different times. Results from simulation studies demonstrate that the strategy could raise critical issues. Figure 14 shows simulation results for constant slope trajectories with the initial test values for ω st of 1000 rpm and for ω rt of 25 rpm or 30 rpm.
Figure 14. Simulation of start and stop phase for ω st = 1000 rpm with a constant slope. (a) HSD and HST input for ω rt = 25 rpm. (b) HSD and HST input for ω rt = 35 rpm.
In Figure 14a, during the start phase, the rotor speed converges on the target value earlier than the HS speed, resulting in an abrupt decrease in swash plate position. During the stop phase, the rotor speed reaches the final value earlier than the HS shaft speed, causing a dip in the swash plate inputs.
In Figure 14b, during the start phase, the rotor speed converges on the target value later than the HS speed, resulting in a sudden increase in swash plate positions. During the stop phase, the rotor speed reaches the final value later than the HS speed, causing a surge in the swash plate inputs and saturation of the HST swash plate input.
To overcome the coordination issue, the slope of the HS shaft speed, λ , is fixed while that of the rotor speed is computed such that both the HS shaft speed and the rotor speed reach their final values (initial test conditions) simultaneously, as shown in Equation (20), where, ω sd ( 0 ) and ω rd ( 0 ) are the initial value of the start phase.
ω sd ( t ) = ω sd ( 0 ) + λ t ω rd ( t ) = ω rd ( 0 ) + λ ( ω rt ω rd ( 0 ) ω st ω sd ( 0 ) ) t
The pressure trajectory was designed to avoid cavitation in the hydraulic circuit. In the start phase, the desired pressure, p dd , was linearly increased to 50 bar and held constant till the rotor speed reached ω rt . Thereafter, it increased exponentially till its value equaled p dt . In the stop phase, p dd was decreased exponentially to 30 bar.

5.3. Experimental Results

Upon implementing the aforementioned algorithm, the experimental results were found to track the desired value, as shown in Figure 15. We can see that abrupt fluctuation in the swash plate input was avoided with the application of the new algorithm.
Figure 15. Experimental results of start and stop phase.
Small pressure oscillations at low pressure can be attributed to negligible pressure damping of the system, arising due to near-zero leakage in the hydraulic components. The amplitude of the oscillation has been minimized by introducing a bypass circuit in the HSD.
The HSD pump was designed for high-speed operations. During low-speed conditions, the swash plate movement is impeded due to sticking, which prevents pressure build-up. To resolve this issue, a dither signal is added to the HSD swash plate input.

6. Power Consumption

The dynamometer operates in three phases, start, test, and stop. The controller switches from the start phase to the test phase to the stop phase. To be bumpless, the initial condition of the test phase is set to the final state of the start phase and the initial condition of the stop phase is set to the final state of the test phase. To avoid integrator wind-up, the integrator in the controller is set to zero at the beginning of any new phase.
In the test phase, the performance of the HST was evaluated for a 60 kW variable speed wind turbine. A hardware-in-the-loop experimental procedure was implemented on the dynamometer to simulate real turbine rotor torque on the LS shaft [23]. The power consumed by the dynamometer was plotted with respect to wind speed in Figure 16. Without any power regeneration, the power consumption by the dynamometer would equal the rotor power, P r . With power regeneration, the dynamometer only requires power to overcome the losses in the HSD and HST. Due to the near-identical design of the HSD and HST, the power losses in the HST ( P r P t ) are similar to those in the HSD. The power consumed in the regenerative dynamometer is approximately equal to twice the losses in the HST. At low wind speeds, the power consumption with and without regeneration is nearly the same, because of high losses in the hydraulic circuit. At high wind speeds, the power consumption by the regenerative dynamometer is around 50 % less than it would be without regeneration. The efficiency of the HST, the ratio of output power ( P t ) over input power ( P r ), is shown in the bottom plot of Figure 16. The efficiency is measured with ISO-68 hydraulic oil. Higher efficiency at high wind speed means lower losses in the HST system.
Figure 16. Power consumption during wind turbine testing.

7. Conclusions

In this paper, we described the dynamics, control, and experimental validation of a power regenerative hydrostatic wind turbine dynamometer. The control strategy enables the testing with precise pressure tracking to maximize the power capture and rotor speed tracking to emulate the real wind turbine conditions on the dynamometer. The pressure control and rotor control are designed to have a bandwidth close to 1 rad/s. Due to the regeneration, the dynamometer requires 50 % less energy.
Due to regeneration and the limited number of control actuators, the input–output behavior of this multivariable system is highly coupled and difficult to control. The input–output coupling and control structures were studied using RGA analysis, revealing that the HST and HSD pressures are strongly coupled and cannot be controlled independently. The system is linear during the test phase and non-linear during the start and stop phase. A steady-state decoupling PID controller was designed and implemented for the test phase. Experimental results demonstrate precise tracking of HST pressure and rotor speed independently by actuating the HST motor and HSD pump swash plates. The implemented decoupling controller demonstrated a negligible change in the rotor speed for a 40 bar step increase in pressure, but a 20 bar pressure spike for a 4 rpm step change in rotor speed.
A decentralized controller was designed and implemented for the start and stop phase. Experimental results demonstrate precise tracking of rotor speed and HSD pressure by actuating the HST motor and HSD pump swash plates. The strong, one-directional coupling between the HST swash plate input and the HSD pressure output was eliminated by integrating a feed-forward gain into the controller. With the feed-forward gain, the pressure spike was reduced by 80 bar. Along with providing suitable reference commands, the system is capable of smooth start-up and shut-down without any cavitation or pressure spikes.
Future goals are evaluating and improving the performance of the hydrostatic wind turbine drivetrain using the power-regenerative dynamometer. The dynamometer will allow us to develop and test advanced control methods, alternative fluids, more efficient components, and short-term energy storage by hybridization. Promising test results from the hydrostatic wind turbine transmission dynamometer could lead to field testing and commercialization.

Author Contributions

Conceptualization, B.M.; methodology, investigation, and data curation, B.M.; writing—original draft preparation, B.M.; writing—review and editing, B.M. and K.A.S.; All authors have read and agreed to the published version of the manuscript.

Funding

National Science Foundation (NSF) grant # 1634396 .

Institutional Review Board Statement

Not applicable.

Data Availability Statement

Not applicable.

Acknowledgments

We are thankful to other graduate students in our laboratory for helping us in setting up the experiments. We also thank Eaton, Linde, Danfoss, Bosch Rexroth, Flo-tech, and ExxonMobil for donating the components for the dynamometer.

Conflicts of Interest

The authors declare no conflict of interest.

References

  1. Watton, J. Fluid Power Systems: Modeling, Simulation, Analog and Microcomputer Control; Prentice Hall International (UK) Ltd.: Herts, UK, 1989. [Google Scholar]
  2. McCloy, D.; Martin, H.R. Control of Fluid Power: Analysis and Design; John Wiley & Sons: Chichester, UK, 1980. [Google Scholar]
  3. Manwell, J.F.; McGowan, J.G.; Rogers, A.L. Wind Energy Explained: Theory, Design and Application; John Wiley & Sons: Hoboken, NJ, USA, 2010. [Google Scholar]
  4. Rampen, W.; Dumnov, D.; Taylor, J.; Dodson, H.; Hutcheson, J.; Caldwell, N. A digital displacement hydrostatic wind-turbine transmission. Int. J. Fluid Power 2021, 21, 87–112. [Google Scholar] [CrossRef]
  5. Laguna, A.J.; Diepeveen, N.F.; Van Wingerden, J.W. Analysis of dynamics of fluid power drive-trains for variable speed wind turbines: Parameter study. IET Renew. Power Gener. 2014, 8, 398–410. [Google Scholar] [CrossRef]
  6. Yin, X.; Zhang, W.; Zhao, X. Current status and future prospects of continuously variable speed wind turbines: A systematic review. Mech. Syst. Signal Process. 2019, 120, 326–340. [Google Scholar] [CrossRef]
  7. Yin, X.; Zhao, X. ADV preview based nonlinear predictive control for maximizing power generation of a tidal turbine with hydrostatic transmission. IEEE Trans. Energy Convers. 2019, 34, 1781–1791. [Google Scholar] [CrossRef]
  8. Hoang, H.T.; Quang, T.D.; Ahn, K.K. A study on wave energy harvesting using hydrostatic transmission. In Proceedings of the 2011 11th International Conference on Control, Automation and Systems, Gyeonggi-do, Korea, 26–29 October 2011; pp. 1600–1605. [Google Scholar]
  9. Mohanty, B.; Dhople, S.; Stelson, K.A. A dynamical model for a hydrostatic wind turbine transmission coupled to the grid with a synchronous generator. In Proceedings of the 2019 American Control Conference (ACC), Philadelphia, PA, USA, 10–12 July 2019; pp. 5774–5779. [Google Scholar]
  10. Lin, S.; Qi, P.; Zhao, X. Power generation control of a hydrostatic wind turbine implemented by model-free adaptive control scheme. Wind. Energy 2020, 23, 849–863. [Google Scholar] [CrossRef]
  11. Ali, A.E.; Deldar, M.; Anwar, S. Optimal control of hydrostatic drive wind turbines for improved power output in low wind-speed regions. Energies 2021, 14, 5001. [Google Scholar] [CrossRef]
  12. Musial, W.; McNiff, B. Wind Turbine Testing in the NREL Dynamometer Test Bed; Technical Report; National Renewable Energy Lab. (NREL): Golden, CO, USA, 2000. [Google Scholar]
  13. Wang, Y.; Song, X.; Sun, Z. Hybrid powertrain control with a rapid prototyping research platform. In Proceedings of the 2011 American Control Conference (ACC), San Franciso, CA, USA, 29 June–1 July 2011; pp. 997–1002. [Google Scholar]
  14. Du, Z.; Cheng, T.; Li, P.Y.; Loon Cheong, K.; Chase, T.R. Virtual vehicle control concept for hydrostatic dynamometer control. J. Dyn. Syst. Meas. Control 2017, 139, 021009. [Google Scholar] [CrossRef] [Green Version]
  15. Schmitz, J.; Vukovic, M.; Murrenhoff, H. Hydrostatic transmission for wind turbines: An old concept, new dynamics. In Proceedings of the ASME/BATH 2013 Symposium on Fluid Power and Motion Control, Sarasota, FL, USA, 6–9 October 2013; p. V001T01A029. [Google Scholar]
  16. Mohanty, B.; Stelson, K.A. High fidelity dynamic modeling and control of power regenerative hydrostatic wind turbine test platform. In Proceedings of the BATH/ASME 2018 Symposium on Fluid Power and Motion Control, Bath, UK, 12–14 September 2018; p. V001T01A051. [Google Scholar]
  17. Mohanty, B.; Stelson, K.A. Bond graph model of a power regenerative hydrostatic transmission dynamometer. In Proceedings of the ICBGM 2021, San Diego, CA, USA, 8–10 November 2021; pp. 27–34. [Google Scholar]
  18. Goodwin, G.C.; Graebe, S.F.; Salgado, M.E. Control System Design; Prentice Hall: Upper Saddle River, NJ, USA, 2001. [Google Scholar]
  19. Skogestad, S.; Postlethwaite, I. Multivariable Feedback Control: Analysis and Design, 2nd ed.; John Wiley & Sons: Hoboken, NJ, USA, 2007. [Google Scholar]
  20. Bristol, E. On a new measure of interaction for multivariable process control. IEEE Trans. Autom. Control 1966, 11, 133–134. [Google Scholar] [CrossRef]
  21. Grosdidier, P.; Morari, M. Interaction measures for systems under decentralized control. Automatica 1986, 23, 309–319. [Google Scholar] [CrossRef]
  22. Grosdidier, P. Analysis of interaction direction with the singular value decomposition. Comput. Chem. Eng. 1990, 14, 687–689. [Google Scholar] [CrossRef]
  23. Mohanty, B.; Stelson, K.A. Experimental validation of a hydrostatic transmission for community wind turbines. Energies 2022, 15, 376. [Google Scholar] [CrossRef]
Publisher’s Note: MDPI stays neutral with regard to jurisdictional claims in published maps and institutional affiliations.

Article Metrics

Citations

Article Access Statistics

Multiple requests from the same IP address are counted as one view.