You are currently on the new version of our website. Access the old version .
EnergiesEnergies
  • Article
  • Open Access

9 April 2022

Defining and Specifying Design Considerations for Distribution Transformers in Large-Scale Solar Photovoltaic Plants

and
Department of Electrical and Electronic Engineering Technology, University of Johannesburg, Johannesburg 2028, South Africa
*
Author to whom correspondence should be addressed.

Abstract

In the new era of the renewable energy market in South Africa, there is a knowledge gap in the technical standards relating to distribution transformers, which are exclusively intended to serve in large-scale solar photovoltaic (PV) applications. The problem arises from the reality that these transformers are compelled to facilitate an environment with a potentially high risk of an unacceptable level of harmonics and distortion. What manufacturers currently need is a comprehensive transformer specification for DT transformers in PV applications, as the standards currently in use for regular transformers have so far proven to be inadequate. The latter triggers the need for this work to contribute to the advancement of this knowledge gap by mapping a comparative analysis of defining and specifying the design considerations for solar PV transformers. Initially, the computation of the various transformer losses at multifaceted active-part structures under normal conditions by employing the proposed finite element analysis (FEA) is presented. Then, two design case studies are described and the harmonic load current content to which the transformer will be susceptible during operation is specified and used for the analysis. Lastly, the design losses computed using the proposed FEA are substantiated using practical measurements.

1. Introduction

In recent years, South Africa has witnessed a substantial increase in the commissioning of utility-scale solar photovoltaic (PV) plants to explore greener energy options as part of the government’s Renewable Energy Independent Power Producer Procurement Programme (REIPPPP). The REIPPPP obtains the supply of power through independent power producers (IPPs) in the form of competitive tender bidding designed to facilitate private sector investment into grid-connected renewable energy (RE) generation in South Africa [1,2]. The programme has since granted the deployment of renewable energy projects to the IPPs, which has yielded a joint generation capacity of 4103 MW. The mass of this capacity is segmented between wind and photovoltaic power, with the remainder of the capacity shared among concentrated solar power (CSP), small hydropower, biomass power, and landfill gas power. To date, wind power, PV power, and CSP have a peak capacity of 2.1 GW, 1.5 GW, and 0.5 GW, respectively [3].
The steady growth of the population of South Africa, accompanied by an increasing interest in the fourth industrial revolution and a large-scale electrification programme to provide electricity to remote rural areas, has led to a sharp increase in the energy demand. The primary energy in South Africa is predominantly generated by coal, which is abundant and economical. The Integrated Resource Plan (IRP) [4,5] has, since its inception in 2010, been accountable for transforming the energy sphere and strengthening the optimal use of renewable energy resources to minimize the number of carbon emissions generated by coal [6,7].

2. Design Considerations for Solar PV DT Transformer

2.1. Transformer Losses

The total transformer losses are holistically catalogued as follows as the total of the no-load losses, copper losses, winding Eddy losses, and other stray losses in Equation (1). The no-load losses materialise when the transformer is energised in conformity with the nameplate ratings. However, the low voltage (LV) winding is open-circuited in the way that a no-load current is flowing through the winding conductors. The no-load losses arise from harmonic voltage excitation of the core steel material.
P T O T = P N L L + P L L = P N L L + P c u + P W E C + P O S L
where
P L L   Load loss (in kW)
P N L L   No-load loss (in kW)
P c u   Copper loss (in kW)
P W E C   Winding eddy loss (in kW)
P O S L   Other stray loss (in kW).
The load losses can be fragmented into the copper loss and stray losses (the sum of P W E C and   P O S L ) and are triggered by the time-varying magnetic flux in the tank walls, core clamping structures, flitch plates, core steel, winding conductors, etc. The copper losses can be evaluated from the measured winding resistance. The stray losses can be ascertained by subtracting the copper losses from the load losses. The measurement of the stray losses is not practically feasible. In practice, the percentage distribution of losses in various metallic structures can then be computed by FEM simulations. This work also aims to contribute some insight into the stray loss distribution, particularly for solar PV transformers in the South African grid.

2.1.1. Copper Loss under Harmonic Conditions

The copper loss can be estimated by multiplying the square of the root mean square (r.m.s) load current and the measured resistance. Under harmonic load current, the copper loss can be expressed as follows in Equation (2) [8].
P c u = P c u R a t e d × h = 1 h = m a x I h I R 2  
where
P c u   Copper loss under harmonic conditions
P c u R a t e d   Copper loss at rated conditions
h   Harmonic order
I h   Harmonic load current.
If the effective r.m.s per-unit harmonic load current evaluated according to the supplied harmonic spectrum increases, then the copper losses will also be increased appropriately.

2.1.2. Winding Eddy Loss under Harmonic Conditions

The winding Eddy loss under harmonic conditions tends to increase with the square of the harmonic load current, and is directly proportional to the harmonic order, as in Equation (3) [8].
P W E C = P W E C R a t e d × F H L W E L
It is appropriate to describe a single value that may be applied to evaluate the transformer capability when delivering power to the connected load. It is this feature that accounts for the inflated winding Eddy losses and, subsequently, the temperature rise and generation of hotspots in the winding conductors. From the above, it can be additionally seen that the proportionality factor F H L W E L is the ratio of the winding Eddy loss under harmonic conditions and at a fundamental frequency, respectively. The description of the factor is expressed as follows in Equation (4) [8].
F H L W E L = h = 1 h = m a x h 2 I h I R 2 / h = 1 h = m a x I h I R 2
Equation (4) allows for the harmonic factor to be computed in response to the effective r.m.s value of the distorted harmonic currents. Harmonic analysers including Tektronix, Rohde, and Fluke, allow computations to be carried out in response to the harmonics standardized to the fundamental harmonic.

2.1.3. Other Stray Loss under Harmonic Conditions

Other stray losses are generated by the stray flux impinging upon the surface of various active part components. When a unit in-service is exposed to harmonic load currents, these losses will also increase. The other stray losses under harmonic load conditions are expressed as follows in Equation (5) [8,9].
P O S L = P O S L R a t e d × F H L O S L
The other stray losses in the tank walls, core clamping structures, flitch plates, core steel, winding conductors, etc., also tend to increase with the square of the harmonic load current. On the other hand, these losses will inflate at a value proportional to the exponent 0.8 of the harmonic order. The effective r.m.s heating resulting from these losses triggers overheating of the insulating oil. This effect may be evaluated by the other stray loss harmonic factor, as expressed in Equation (6) [8].
F H L O S L = h = 1 h = m a x h 0.8 I h I R 2 / h = 1 h = m a x I h I R 2
The exponent of 0.8 has been substantiated by empirical studies carried out by manufacturers based on their in-house best practice, and is a mainstream practice in the industry.

2.1.4. Transformer Maximum Loading Capacity

A method for evaluating the admissible operating conditions of a new and in-service transformer may be based on the computation of the transformer capacity by deriving a maximum current derating factor when supplying a harmonic load current. The winding loss that will be generated on account of supplying a harmonic load current at a region of high winding Eddy loss is calculated as follows in Equation (7) [8,9,10].
P L L = I 2 p u × 1 + F W E C × P E C _ R p . u
where
P E C _ R p . u   Rated winding Eddy loss density (p.u)
F W E C   Winding Eddy current harmonic loss factor.
In Equation (8), the calculation of the maximum per-unit r.m.s current under a harmonic load current is provided. The latter will facilitate the guarantee that the concentrated locale of losses in the winding conductors does not surpass the losses at the fundamental frequency conditions.
I m a x p u = P L L R p . u 1 + F W E C × P W E C R p . u  
where
P L L R p . u   Rated load loss (p.u)
I m a x p u   Maximum current (p.u).
The product of the rated current and the result of Equation (8) will then yield the maximum rated current in Amps.

2.2. Transformer Harmonic Loss Weighting Factors

2.2.1. Emanuel et al. Winding Eddy Loss Correction Function

A correction function for estimating the winding Eddy losses under harmonic conditions was proposed by Emanuel et al. in [9]. Their correction function is based on the expression in Equation (9).
Δ P E C = n π fh B ^ x 6 2 1 + δ b h 2 β x y 2 γ F H
where
nf   Frequency of the sinusoidal magnetic field
γ   Specific conductor conductivity
b ,   h Width and height of the conductor
B ^ x , B ^ y   Local induction axial and radial components
δ b h     b / h Ratio of width and height of the conductor
F H   Winding Eddy loss correction function.
The corresponding correction function is based on the expression in Equation (10).
F H = 6 3 × sinh sin cosh + cos
The conductor dimension in relation to the depth of the skin effect can be expressed as follows in Equation (11).
= h π μ 0 γ n f

2.2.2. Thango et al. Winding Eddy Loss Correction Function

The presumption that the winding Eddy loss is proportional to the square of the harmonic load current and the harmonic order is only realistic for winding conductors with small dimensions. In the case of larger conductor dimensions, the aforementioned presumptions culminate in a conservative estimation of the winding Eddy loss. In this work, a winding Eddy loss correction function that results in increased accuracy in the projection of the transformer capability under harmonic load currents is formulated. The corrected function in this work is published by the author in the article [10] as follows in Equation (12).
P E C = π 2 6 f 2 b 2 B 0 2 ρ
The Eddy current problem forms part of the area of quasi-stationary electromagnetic effects of conductors. Insomuch that, the displacement current enclosed by the winding conductors may incessantly be ignored in relation to the conductive current. This is indeed the case, even at high frequencies, given that, in practice, only winding conductors comprising high electric conductivity are used. Eddy currents give rise to uneven dissemination of the current density in a studied cross-sectional area of a conducting conductor. This inherently leads to a rise in joule heating as opposed to the state produced by the direct current (DC). The Eddy currents and related uneven dissemination of the magnetic flux are known as the skin effect. The rise in current density gives rise to resistive heating as opposed to the DC resistance, as well as a reduction in the inductance. In addressing the skin effect problem, this study adopts the Maxwell equations and remodels these equations to treat the quasi-stationary electromagnetic effects of the conductors [10].
Here, the correction function proposed by Thango et al. is derived as follows in Equation (13). The formulation of this correction function is detailed in [10].
F H = 3 × sinh sin cosh cos
where
  Conductor skin depth in relation to the conductor thickness.
It follows that the conductor skin depth in relation to the conductor thickness can be expressed as follows in Equation (14).
= H c o n d u c t o r δ  
where
H c o n d u c t o r   Conductor thickness
δ   Winding conductor skin depth.
At the fundamental frequency (50 Hz), the conductor skin depth in relation to the conductor thickness is expressed as follows in Equation (15).
δ R = ρ μ π f  
Under harmonic load currents, the conductor skin depth in relation to the conductor thickness is expressed as follows in Equation (16).
= ρ μ π h f = δ R h    
By applying Equation (16), the conductor skin depth of a rectangular copper conductor at a fundamental frequency of 50 Hz and 75 °C is 10.63 mm. Under harmonic load currents, the proportionate skin depth in respect of the rectangular conductor dimensions can be expressed as follows in Equation (17):
h = H c o n d u c t o r δ R h = R h
The additional winding Eddy losses that will be yielded under the proposed correction function, which considers the skin depth at a high harmonic order, is expressed as follows in Equation (18) [11,12,13,14,15].
P W E C = P W E C R a t e d × h = 1 h = m a x F H h 2 I h I R 2  
Standardizing the winding Eddy loss generated by the harmonic load current to the winding Eddy loss under a rated condition leads to a correction harmonic loss factor, which is expressed as follows in Equation (19).
F H L W E L = h = 1 h = m a x F H h 2 I h I R 2 / h = 1 h = m a x I h I R 2
The significance of the loss factor above is illustrated in Figure 1, where the harmonic loss function is plotted with respect to the harmonic order for a winding conductor with a thickness of 6.4 mm at 75 °C.
Figure 1. Comparison of the winding Eddy loss correction functions.
It may be observed that the skin effect appears to have an impact at the fourth harmonic order. For small winding conductor dimensions, the skin effect is only significant at high harmonic orders. The IEEE method is observed to approach h 2 as the harmonic order increases as a result of the neglected depth of penetration. The proposed loss factor considers both the effect of the axial and radial conductor dimensions, and the field impinging upon the surface of the conductor is observed to be less as a result of the skin effect.

2.3. Transformer Derating Factors

2.3.1. Transformer K-Factor Procedure

A method denoted as the K-factor for the proper selection of transformers that will particularly be in-service to a harmonically contaminated environment is expressed as follows in Equation (20). The objective of this method is essential to compute a factor K that accounts for the increase in the winding Eddy losses and to designate a suitable transformer designed with the capability to withstand the operational conditions of the harmonic load currents to which it will be subjected in-service [16,17,18,19,20,21,22,23,24].
K F a c t o r = h = 1 h = m a x h 2 I h 2
where
I h   Portion of the effective r.m.s per-unit load current at harmonic order h .
Based on a supplied harmonic spectrum by the utility owner or IPP at the point of inquiry to the manufacturers, the K-factor can be attained. Based on that value, the transformer K-rating can be designated to the nearest value according to the industry-accepted rating range of 4, 9, 13, 20, 30, 40, and 50. A high value of the K-factor suggests that winding Eddy loss on the unit will be K times the winding Eddy loss at a fundamental frequency (50 Hz).

2.3.2. Transformer Factor-K Procedure

Another approach to evaluate the capability of the transformers to supply harmonic load current is ascribed to as the factor-K. In this method, a newly designed transformer or an installed transformer at a site is evaluated based on how much the continuous power rating should be reduced, called “derating”, to ensure that total r.m.s harmonic load current does not surpass the losses designed for at the fundamental frequency. The factor-K is expressed as follows in Equation (21) [16,17,18,19,20].
F a c t o r K = 1 + e 1 + e × I R I h 2 × h = 2 h = m a x h q I h I R 2
where
e   local density of the winding Eddy loss to copper loss at a fundamental frequency, and a reference temperature of 75 °C
q   conductor type constant.
The exponent q has been substantiated by empirical studies carried out by manufacturers based on their in-house best practice and is a mainstream practice in the industry. The designated values are 1.7 and 1.5 for round and rectangular winding conductors, respectively.

2.4. Proposed Finite Element Analysis

The assessment of the winding Eddy losses using 3D FEM would yield unerring results; however, the computational complexity would widen. Fortunately, in many instances, an alleviation of 2D is feasible without appreciable imprecision. The 2D FEM technique is the most prevalent in the computation of the Eddy losses. By taking into consideration transformer symmetry, one-half of the transformer can be modelled in contrast to the entire unit. The ability of higher-order elements to capture complex data representation is employed to enhance the accuracy of the field solution. The case studies presented herein have been simulated using plane axisymmetric solutions. The main components of the developed FEM model are demonstrated in Figure 2.
Figure 2. Developed 2D FEM model: 40 MVA 88/11 kV.
The objective of the developed 2D FEM model is to determine the transformer losses in various metallic structures. The model takes into consideration the skin effect. For this work, only the simulation of the normal case will be considered. Based on this model, the flux density inside the windings should also be determined. The simulation of the model is axisymmetric, except for the clamp and the core. The material properties applicable to this model are tabulated in Table 1.
Table 1. Material properties.
The simulation of the developed model should yield field lines, total magnetic field distribution, flux density components within the tank walls, and loss densities in the structural parts.

2.4.1. FEM Field Solution

In Figure 3, a field solution of a 40 MVA, 88/11 kV transformer is presented. It is observed that the magnetic flux leakage between the LV and HV projects upwards and curves radially across the windings. The magnetic flux leakage is further observed to be more concentrated at the interface between the windings and then declines to diverge away from the winding interspace. As a result of the high magnetic core permeance, the inner LV winding has a significant inclination to draw the magnetic flux leakage. On the HV winding, the magnetic flux leakage is segregated among the tank walls, flitch plate, core clamping structure, and other metallic structures.
Figure 3. 40 MVA, 88/11 kV transformer field solution.
In the uppermost end of the LV and HV windings, the conductors are susceptible to a disposed magnetic field with two-component members—an axial and radial component. The winding Eddy loss is triggered by these components.

2.4.2. Winding Loss Calculation

In the developed FEM model, the Eddy currents are produced by the magnetic flux leakage that permeates the windings. The latter does not present a major effect on the magnetic field, impinging on the surface of the conductors, provided that conductor size is less than the depth that the Eddy currents penetrate the conductors. Each of the winding conductors is susceptible to the axial and radial flux density components, which yield the Eddy currents. The axial and radial components of the winding Eddy losses can be attained by employing Equation (12), which is well-founded for the conductor dimensions that are less than the skin depth of penetration. This provides the Eddy current loss per unit volume of the conductor for each of the flux density components. The radial Eddy loss component of the flux density materializes in the conductor height dimension, while the axial Eddy loss component is generated on the conductor width. The magnitude of the winding Eddy losses is largely dependent on the conductor dimensions and the magnetic field intensity. Consequently, the sum of the Eddy losses and the copper losses are integrated over the cross-sectional area of the conductors using Equation (19). Finally, an electrical designer can compute the transformer design losses.

2.5. Measurements

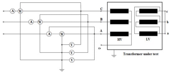
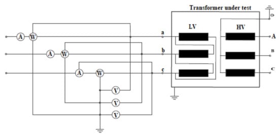
The no-load and loss measurements at the manufacturer’s premises were performed in accordance with the IEC 60076-7 standard [20,21,22,23] to attain the copper losses and the no-load losses at a fundamental frequency (50 Hz) and current. The arrangement drawing of the no-load and load loss test is illustrated in Figure 4 and Figure 5, respectively.
Figure 4. No-load loss test arrangement drawing.
Figure 5. Load loss test arrangement drawing.
The no-load loss test is performed by gradually supplying the LV winding with voltage until it reaches the rated voltage, as shown below, while the HV windings are open-circuited. The ammeter (A), wattmeter (W), and voltmeter (V) are connected to the LV winding, as illustrated below.
The load loss test is performed by supplying the HV winding, as shown below, while the LV windings are short-circuited. The voltage supplied on the HV winding is induced until it reaches the diagram plate rated current. The individual loss measurements were taken at the principal tapping at rated conditions.

3. Results: Design Case Studies

3.1. Case 1: 40 MVA, 88/11 kV Transformer

A 40 MVA, 88/11 kV transformer with a vector group YNd1, Z = 8%, and ONAN/ONAF cooling is studied. The LV winding is an ordinary disc type, composed of rectangular continuously transposed copper conductors with strand dimensions of 6.4 × 1.4 mm. The HV winding is also a disc type winding, composed of twin paper winding conductors with strand dimensions of 10.7 × 2 mm.

3.1.1. Winding Loss Computation

The winding losses evaluated by FEM in every single disc are computed at a reference temperature of 75 °C, marked with a disc number from the top to the bottom, as illustrated in Table 2. To evaluate the total winding losses, they are multiplied with respective winding mean lengths. The stray loss results in other metallic structures are then obtained, as tabulated in Table 3.
Table 2. Estimated losses per disc (W/m) on the LV winding—Case 1.
Table 3. Losses in metallic structures—Case 1.
The corresponding transformer losses measured at the principal tap position are tabulated in Table 4.
Table 4. Measured rated losses (kW)—Case 1.
The comparison between the measured and simulated loss values yields the percentage errors indicated in Table 4.

3.1.2. Computation of the Winding Hotspot Factor (HSF)

The developed 2D FEM model can further be employed to compute the hotspot factor of the windings. This factor can be estimated as the density of the maximum winding loss that triggers the hotspot temperature to the average winding loss. The estimation of the HSF for the LV winding can then be estimated as shown below in Equation (22).
H S F = P W i n d i n g m a x P w i n d i n g ¯
The hotspot factor is then computed as 1098 . Based on the detailed accessibility of the information in relation to the winding Eddy losses, the formula in Equation (23) is proposed for the estimation of the winding Eddy loss density.
σ = P E C m a x P E C ¯
Here, P E C m a x is the winding disc with the maximum winding Eddy loss along the winding and the and mean Eddy loss considers the components, P E C ¯ = P E C A x i a l ¯ + P E C R a d i a l ¯ . It follows that the current density for the LV winding, in this case, is 23.783 .

3.2. Case 2: 10 MVA 22/11 KV Transformer

A 10 MVA 22/11 KV transformer with a vector group YNd1, Z = 8%, and ONAN cooling is studied. The LV winding is an ordinary disc type, composed of rectangular copper conductors with strand dimensions of 4.1 × 2.6 mm. The HV winding is also a disc type winding composed of single paper winding conductors with strand dimensions of 8.2 × 4.7 mm.
The calculated winding losses on each winding disc calculated at an operating temperature of 75 °C are tabulated in Table 5. The corresponding losses in various metallic structures of the studied transformer are summarized in Table 6.
Table 5. Estimated losses per disc (W/m) on the LV winding—Case 2.
Table 6. Losses in metallic structures—Case 2.
The measured rated transformer losses at principal tapping are tabulated in Table 7.
Table 7. Measured rated losses (kW)—Case 2.
The results of the comparison of the measured and proposed FEM model yield a percentage error of less than 5%. The hotspot factor of the LV winding is computed as 1.229 and the corresponding Eddy current density is evaluated as 3.707 by applying Equations (22) and (23).

3.3. Design Considerations for Harmonics

The evaluation of the harmonic current profile is carried out on a 40 MVA, 88/11 kV transformer, presented as Case study 1 in the previous chapter, which operates in a solar PV plant in the Northern Cape. The investigated unit supplies several nonlinear loads during the period of operation. The significant harmonic levels that this unit is subjected to are measured by a Hioki 9624-50 PQA-HiVIEW Pro Power Quality Analyser. Figure 6 presents the harmonic profile that the studied unit is subjected to during operation.
Figure 6. Harmonic current profile.
It can be observed that the supplied harmonic profile has a significant third and fifth harmonic content. If a new transformer is designed to facilitate a solar PV application with a significant harmonic content, it must be specified with a harmonic current profile, as measured at the point of common coupling. The electrical designer cannot estimate nor can the IPP require the designer to apply standard harmonic current distribution tables. In case the harmonic profile of the load to be supplied by a transformer is unknown, then the IPP and the electrical designer are likely to suffer from short unit service life and premature failure. Subsequently, adequate measures must be undertaken in order to guarantee a conservative design for solar PV plant application. Guiding principles on how this information can be applied to establish adequate unit sizing are also detailed in the subsequent section.

3.3.1. Harmonic Loss Factor Computation

Provided in this section are the calculation methods for determining the practicability of an existing oil-immersed transformer to supply the harmonic current profile in Figure 6 as a proportion of the total load. The information given in the application is also intended to correctly specify new units envisaged to supply a load, a proportion of which consists of distorted load currents.
Three methods are described in this section. The first method is based on the IEEE Std. C57.110-2018, which computes the harmonic loss factor of the winding Eddy losses, as demonstrated in the next sub-section. The second method is based on an attempt by Emanuel et al. [9] to capture the skin effect on the winding conductors under harmonic conditions. The third method is proposed in this work to accurately apprehend the magnetic field penetration in the winding conductors as a result of the skin effect.

3.3.2. IEEE Std. C57.110-2018 Method

In Table 8, the computation of the harmonic loss factors based on the IEEE Std. C57.110-2018 are presented by contemplating the supplied harmonic spectrum in Figure 6. For an existing unit, this method presumes that the winding currents are measured at the rated currents of the unit in-service.
Table 8. Computation of the harmonic loss factor (IEEE Std. C57.110-2018).
The total of the third column is 1.234 and presents the r.m.s load current on a per-unit basis. The winding Eddy loss harmonic loss factor for the supplied harmonic profile is then the ratio of the total of column 6 and column 3. It follows that the harmonic loss factor for the other stray losses for the supplied harmonic current profile will be the ratio of column 7 and column 3. It can be observed in Table 8 that the harmonic loss factor for the winding Eddy losses (column 6) is assumed to correspond exactly to the product of the square of the harmonic order and the harmonic load current. The harmonic loss factor for the other stray losses (column 7) has a similar trend, except the harmonic order has an exponent of 0.8.
In order to calculate the total increased losses on account of the supplied harmonic profile, a 40 MVA, 88/11 kV transformer, presented as Case study 1 in the previous section, are examined and tabulated. This transformer has a full load current of 2099A on the LV winding and the winding Eddy loss at the region of peak loss ratio is 11% of the local copper loss. To calculate the load losses in Table 9 under the supplied harmonic current profile, the rated loss components are carried out as follows in Equation (24).
P L L p u = P L L _ R p u × 1.11 2
Table 9. Computation of the harmonic loss factor.
The square root of the per-unit r.m.s load current of the supplied harmonic profile is 1.11 p.u, with a square root of 1.234 p.u, in Table 8.
The peak per-unit winding Eddy loss occurred on the LV winding and is computed using the proposed Equation (25) below as the average of 11% of the average copper loss.
P E C R p u = P E C ¯ P D C ¯ × 100 %
It follows that the peak per-unit winding Eddy loss is 11 % .
Considering that the harmonic load currents can considerably increase the winding Eddy losses in the winding conductors, this increase must be considered in the temperature rise calculations when a new design is specified. For individual winding conductors, the p.u winding Eddy loss in the region of the maximum loss concentration can be determined for fundamental frequency conditions at a rated load current by the manufacturer, as shown below with the other stray losses equated to zero, on the condition that they do not exist on the winding conductors. The p.u loss concentration in these regions of the maximum winding Eddy loss can then be evaluated for the supplied harmonic current profile as 2.334   p . u .
The p.u maximum load current corresponding to the design value of the loss concentration in the maximum loss concentration for the fundamental frequency condition at the rated load current is computed as 0.766   p . u and the maximum permissible per-unit harmonic load current provided the supplied harmonic current is computed as 1609   A . Consequently, with the supplied harmonic current profile, the studied transformer capability is estimated at 77% of the rated full-load current capability, or 1609 A.

3.3.3. Improved Winding Eddy Loss Factor Method

Another approach for determining the additional winding Eddy losses when a harmonic current profile is described by Emanuel et al. [10]. A comprehensive computation of the winding Eddy loss factor necessary to evaluate the additional losses that will be produced as a result of the supplied harmonic load current is tabulated in Table 10.
Table 10. Computation of the harmonic loss factor (Emanuel et al.).
It follows that the effective winding Eddy loss is the ratio of column 6 and column 3 above, yielding 8.426. The total particular standardized losses are 2.378 . The value of the maximum harmonic load current producing this loss as a sinusoidal current is 0.759 and the maximum permissible per-unit harmonic load current provided the supplied harmonic current is 1593   A . Consequently, with the supplied harmonic current profile, the studied transformer capability is estimated at 75.8% of the rated full-load current capability, or 1593 A.

3.3.4. Thango et al. Winding Eddy Loss Factor Method

The standardised harmonic current profile applying the winding Eddy loss factor proposed by Thango et al. is shown in Table 11 by applying Equation (18) to Equation (19).
Table 11. Computation of the harmonic loss factor (Thango et al. method).
It follows that the effective winding Eddy loss is the ratio of column 6 and column 3 above, yielding 6.948. The total particular standardised load loss is 2.178 and the value of the maximum harmonic load current producing this loss as sinusoidal current is 0.793 , calculated using Equations (22) and (23). The maximum permissible per-unit harmonic load current provided the supplied harmonic current is 1665   A .
Consequently, with the supplied harmonic current profile, the studied transformer capability is estimated at 79.3% of the rated full-load current capability, or 1665 A.

3.4. Methods Comparison

As in Table 12, the proposed winding Eddy loss factor under consideration of the skin effect results in a 3.48% increase compared to the IEEE Std. C57.110-2018 method as a result of the low harmonic orders, while the factor proposed by Emanuel allows for a 1% decrease in the current.
Table 12. Harmonic loss factor comparison.
Figure 7 presents a graphical comparison of the different correction factor methods. The figure demonstrates the significance of the proposed winding Eddy loss factor where the factors are presented with respect to the harmonic order for the compared methods.
Figure 7. Harmonic loss factor comparison (conductor dimension of 6.4 mm).
The IEEE Std. C57.110-2018 method is observed to be accurate for low harmonic orders less than six and provides a conservative estimation at a harmonic order above six as it approaches   h 2 . The proposed winding Eddy loss factor accounts for both the axial and radial winding Eddy losses.

3.5. Transformer Derating

The application of the K-rating procedures to evaluate the capability of solar PV transformers to supplied harmonic load currents is given in the article published by the author in [10]. Table 13 shows the computation of the K-Factor for the supplied harmonic load current of Figure 6 on a p.u basis. Subsequent to evaluating the K-Factor value for a unit operating under a harmonic current profile, this allows one to select the closest higher value from the ratings indicated in Section 2.3.1. The K-factor will essentially indicate a value that the transformer can operate safely to the designed service lifetime.
Table 13. Computation of the K-Factor.
Provided with the harmonic current profile, the initial step is to calculate the r.m.s load current on a per-unit basis, which is 1.234 in this instance. Subsequently, the squares of the proportional values for individual harmonic currents are evaluated, carrying out the K-Factor. Based on the K-Factor value of 8.144 and the range of rating, the studied unit can be specified as a K-9 rating transformer. The maximum permissible p.u harmonic load current with the given harmonic profile is 1890 A. The amount of derating necessary for the studied unit to handle the supply of the considered harmonic current profile is calculated in Table 14.
Table 14. Computation of the Factor-K.
The initial step to determine the Factor-K is to ascertain the value of e , which is the ratio of the winding Eddy loss to the load losses at a fundamental frequency of 50 Hz. The electrical designer should be able to supply this value; alternatively, the value ranges from 0.05 to 0.1. In this case study, a value of 0.01 is applied. The empirical exponent q . is heavily reliant on the transformer design and is generally obtainable from the manufacturer. This value ranges from 1.5 to 1.7, and a value of 1.7 is considered in this case study. Finally, the transformer would need to be de-rated to 85. 52% (1/1.17) of the nominal power rating, which is 34. 21 MVA when supplying this spectrum.
For solar PV applications, the selection of a new transformer can be carried out by applying the K-factor. Alternatively, where an existing conventional distribution transformer is used to supply the harmonic load currents, the suitable derating based on the K-Factor can be applied. The results of the K-rating methods are summarized in Table 15.
Table 15. Derating factor comparison.
The amount of derating by the methods above yields an error of estimate of 11% and 17.6%, respectively, on the adequate power rating supply for the supplied harmonic current profile. The maximum permissible harmonic load current increases by 30.45% and 11%, respectively.

4. Conclusions

In conformity with the computations and examination conducted in this work, the harmonic description considered in the design process affirms that the final transformer design will operate correctly at the specific operating conditions in a solar PV plant by employing the correction factors to compute the Eddy current loss and sizing of the transformer based on the K-Factor and Factor-K designs. The loss correction factors specified in this work should be used to estimate the increase in winding Eddy losses of the transformer design for a particular harmonic profile design, and the harmonic profile should be indicated at the design stage by the independent power producer or utility owner planning to purchase the DT.
It is worthy to note that magnetic shielding is often employed by local manufacturers to alleviate the harmonic effect. The transformer design might be capable of withstanding harmonic load currents for solar PV applications with the optimal shield design and location. Nonetheless, the usage of a magnetic shield should be investigated in a future study, including finite element method modelling simulations, to assess the influence of the shield on the magnetic flux density. This information is imperative when evaluating the location of the hotspot regions.

Author Contributions

B.A.T. conceptualized, carried out the computations, investigated, wrote, and prepared the article. P.N.B. was responsible for editing the article. All authors have read and agreed to the published version of the manuscript.

Funding

This research received no external funding.

Institutional Review Board Statement

Not applicable.

Data Availability Statement

Not applicable.

Acknowledgments

The authors would like to thank local manufacturers and utilities for their contribution in the database.

Conflicts of Interest

The authors declare no conflict of interest.

References

  1. Department of Energy. South African Energy Sector Report; Department of Energy: Gauteng, South Africa, 2018.
  2. Department of Energy. Independent Power Producers Procurement Programme; Department of Energy: Gauteng, South Africa, 2017.
  3. Department of Energy. The IPP Office, and Eskom; Department of Energy: Gauteng, South Africa, 2019.
  4. International Renewable Energy Agency. South African Power Pool: Planning and Prospectus for Renewable Energy; International Renewable Energy Agency: Gauteng, South Africa, 2013. [Google Scholar]
  5. GreenCape. Utility-Scale Renewable Energy-Market Intelligence Report; GreenCape: Cape Town, South Africa, 2019. [Google Scholar]
  6. The World Bank. Solar Resource Data: Solargis; The World Bank: Bratislava, Slovakia, 2017. [Google Scholar]
  7. SolarPower Europe. Global Market Outlook 2018–2022; SolarPower Europe: Brussels, Belgium, 2019. [Google Scholar]
  8. IEEE C57. IEEE Recommended Practice for Establishing Liquid immersed and Dry-Type Power Transformers and Distribution Transformer Capability when Supplying Non-sinusoidal Load Current. 2018. Available online: https://ieeexplore.ieee.org/document/8511103 (accessed on 30 January 2022).
  9. Emanuel, A.E.; Wang, X. Estimation of Loss of Life of Power Transformers Supplying Nonlinear Loads. IEEE Trans. Power Appar. Syst. 1985, PAS-104, 628–636. [Google Scholar] [CrossRef]
  10. Thango, B.A.; Jordaan, J.A.; Nnachi, A.F. A Novel Approach for Evaluating Eddy Current Loss in Wind Turbine Generator Step-Up Transformers. Adv. Sci. Technol. Eng. Syst. J. 2021, 6, 488–498. [Google Scholar] [CrossRef]
  11. Thango, B.A.; Jordaan, J.A.; Nnachi, A.F. Selection and Rating of the Step-up Transformer for Renewable Energy Application. SAIEE Afr. Res. J. 2020, 111, 50–55. [Google Scholar] [CrossRef]
  12. Dakin, T.W. Electrical Insulation Deterioration Treated as a Chemical Rate Phenomenon. Trans. Am. Inst. Electr. Eng. 1948, 67, 113–122. [Google Scholar] [CrossRef]
  13. Berberich, L.J.; Dakin, T.W. Guiding Principles in the Thermal Evaluation of Electrical Insulation Power Apparatus and Systems. Trans. Am. Inst. Electr. Eng. Part III Power Appar. Syst. 1956, 75, 752–761. [Google Scholar]
  14. Yadzami-Asrami, M.; Mirzaie, M.; Akmal, A.S.; Gholomian, S.A. Life estimation of transformer under non-linear loads using calculated loss by 2D-FEM. J. Electr. Syst. 2011, 7, 12–24. [Google Scholar]
  15. Vajpai, J.; Mehta, V. Estimation of Loss of Life due to Hot Spot Development in Power Transformer using MATLAB. Intl. J. Comput. Commun. Instrum. Eng. 2016, 3, 29–35. [Google Scholar]
  16. Bicen, Y.; Aras, F.; Kirkici, H. Lifetime estimation and monitoring of power transformer considering annual load factors. IEEE Trans. Dielectr. Electr. Insul. 2014, 21, 1360–1367. [Google Scholar] [CrossRef]
  17. Sadati, S.B.; Yadzami-Asrami, M.; Taghipour, M. Effects of harmonic current content and ambient temperature on load ability and life time of distribution transformers. Int. Rev. Electr. Eng. 2010, 5, 1444–1451. [Google Scholar]
  18. Arvind, D.; Khushdeep, S.; Deepak, K. Condition monitoring of power transformer: A Review. In Proceedings of the 2008 IEEE/PES Transmission and Distribution Conference and Exposition, Bogota, Colombia, 13–15 August 2008. [Google Scholar]
  19. Yadzami-Asrami, M.; Mirzaie, M.; Akmal, A.S. Investigation on impact of current harmonic contents on the distribution transformer losses and remain life. In Proceedings of the 2010 IEEE International Conference on Power and Energy, Kuala Lumpur, Malaysia, 29 November–1 December 2010. [Google Scholar]
  20. Ishak, M.T.; Wang, Z. Transformer Hotspot Temperature Calculation using IEEE Loading Guide. In Proceedings of the 2008 International Conference on Condition Monitoring and Diagnosis, Beijing, China, 21–24 April.
  21. Susa, D.; Nordman, H. A Simple Model for Calculating Transformer Hot-Spot Temperature. IEEE Trans. Power Deliv. 2009, 24, 1257–1265. [Google Scholar] [CrossRef]
  22. Gouda, O.E.; Amer, G.M.; Salem, W.A. Predicting transformer temperature rise and loss of life in the presence of harmonic load currents. Ain Shams Eng. J. 2012, 3, 113–121. [Google Scholar] [CrossRef] [Green Version]
  23. Dao, T.; Phung, B.T. Study of voltage harmonic effect on temperature rise in distribution transformer. In Proceedings of the 2016 IEEE International Conference on Power System Technology (POWERCON), Wollongong, Australia, 28 September–1 October 2016. [Google Scholar]
  24. Dao, T.; Phung, B.T. Effects of voltage harmonic on losses and temperature rise in distribution transformers. IET Gener. Transm. Distrib. 2018, 12, 347–354. [Google Scholar] [CrossRef]
Publisher’s Note: MDPI stays neutral with regard to jurisdictional claims in published maps and institutional affiliations.

Article Metrics

Citations

Article Access Statistics

Multiple requests from the same IP address are counted as one view.