Abstract
Power angle stability of power systems is one of the main factors which restricts the power transmission capacity. In order to prevent the power angle instability of power systems, phase sequence exchange (PSE) is a recently developed emergency control technique that reduces the power angle by 120°. This paper proposes a new phase sequence exchange technology based on a modular multi-level converter (MMC). In this paper, the concept of deceleration area ratio is proposed, that is used to characterize the power angle stability of the power system, and the phase sequence exchange theory based on an MMC is analyzed. A phase sequence exchange circuit based on a modular multilevel converter (MMC) is designed. In this paper, the system parameters of the MMC-based PSE are optimized. Finally, a model is developed on PSCAD. The simulation results show that the MMC-based phase sequence exchange technology can effectively improve the power angle stability of the power system.
1. Introduction
In recent years, there have been many blackouts in the world, such as the blackout in Brazil in 2011 and the blackout in India in 2012, all of which were caused by line trips and the transfer of power flow, causing the system power angle to become unstable. Ensuring and improving the stability of power systems has always been a crucial topic in power systems [1]. The power system stability is divided into three categories: power angle stability, voltage stability, and frequency stability. Studying the measures to improve the power angle stability improves the stability of the power system and the transmission capacity of the line [2].
At present, the existing approaches for improving the stability of power systems include reducing the equivalent reactance of the line means of split wire and series capacitor compensation, using an automatic adjusting excitation device, using fast cutting faults and automatic reclosing equipment, reducing the mechanical power output of prime motor after fault by switching the valve and other measures [3,4,5]. However, these measures often need to be completed in the initial stages of power grid planning and construction. After a serious fault occurs in the system, cutting generator, cutting load [6,7], DC power modulation and other measures should be taken [3,8,9]. When the system is seriously out of step, corresponding separation measures are taken to prevent large-scale power outages. These measures result in the reduction of the generator and load, or the change of grid structure.
In order to prevent the power angle instability of power systems, phase sequence exchange (PSE) is a recently developed emergency control technique that reduces the power angle by 120°. The PSE technology switches the generator grid-connected phase sequence from A-a, B-b, and C-c to A-c, B-a, and C-b, by switching the connection of the generator grid connection point as the system is about to be or has been unstable. It reduces the power angle by 120°, significantly increases the deceleration area, and thus improves the power angle stability of the system. The authors of refs. [10,11] proved the feasibility of this method by theoretical analysis, but no implementation device has been proposed. A new control method was proposed by ref. [12] for reducing impulse current and voltage. It theoretically analyzes the problems caused by direct PSE, but still no specific implementation method is mentioned. For quick acting circuit breakers, hybrid, coupled negative voltage and mechanical DC circuit breakers [13,14,15] exist. They can break current in a few milliseconds without waiting for the current to cross zero. However, they are all used to break the DC current, while they have not been applied to the AC power grid. In ref. [16], a power electronic device applied to PSE was proposed. Although the deceleration area can be increased to a certain extent and the stability of the power angle of the system can be improved, the improvement effect is limited. However, if the power increased, so does the phase sequence exchange makes the deceleration area smaller than the acceleration area, meaning that the phase sequence exchange is not conducive to stabilizing of the system. In this case, the commutation sequence operation has no effect.
The direct PSE technology in the literature is to quickly switch the connection mode of three-phase wire through an electronic device to achieve rapid reduction of the power angle by 120°. This paper proposes a new phase sequence exchange technology based on a modular multi-level converter (MMC). During normal operation, the generator is AC connected to the grid, and the phase sequence is A-a, B-b, and C-c. When the fault occurs, the system is converted to the back-to-back VSC-HVDC operation mode. When the speed decreases to synchronous speed and the power angle is 120° ahead, the commutation sequence is switched to A-c, B-a, C-b to connect to the grid. It reduces the power angle by 120°. The PSE based on an MMC proposed in this paper adds the back-to-back VSC-HVDC operation stage in the phase sequence exchange process. The adjustability of DC power provides two benefits. First, by setting the DC power greater than the mechanical power, compared with the direct PSE technology, the PSE based on MMC has a larger deceleration area, the power angle is suppressed to increase too fast, and the system stability is improved. Second, by optimizing the DC power, phase sequence exchange can be carried out when the power angle is 120° ahead of the stable equilibrium point and the speed is synchronous speed, so that the power angle can be reduced by 120° directly to the stable equilibrium point. Not only can the originally unstable system be restored to stable operation, but also the power oscillation during the system recovery process can be reduced, so that the system that originally lost power angle stability can resume stable operation and reduce the oscillation in the recovery process.
The main objectives of this paper are as follows:
1. This paper proposes a new phase sequence exchange technology based on a modular multi-level converter (MMC). Compared with direct PSE, PSE based on an MMC has a larger deceleration area, which is more conducive to system recovery and stability.
2. A phase sequence exchange circuit based on a modular multi-level converter (MMC) is designed.
3. The system parameters of the MMC-based PSE are optimized.
4. A model is developed on PSCAD. The simulation results show that the MMC-based phase sequence exchange technology can effectively improve the power angle stability of the power system.
The chapters of this paper are arranged as follows:
In Section 2, the concept of deceleration area ratio is proposed to characterize the power angle stability of the power system, and the theory of PSE based on an MMC is analyzed, as well as its application range. In Section 3, the structure and circuit of PSE based on an MMC are designed and how it works is explained in detail. In Section 4, by optimizing the design of the DC power and voltage during the phase sequence exchanging, the generator can directly enter a stable state after completing the phase sequence exchange, which reduces the power oscillation process when the generator repeatedly enters the acceleration and deceleration area, and further improves the power angle stability of the system. A model is developed on PSCAD in Section 5. Concluding remarks are provided in Section 6.
2. Basic Principles of the Phase Sequence Exchange Technology
Considering the one-machine to infinite bus (OMIB) system as an example, this paper analyzes the principle of improving the angle stability of power systems using the PSE technology. The mechanism of direct PSE technology and PSE based on MMC is compared and analyzed. The power angle threshold of PSE technology is set to .
The generator is connected to the infinite system through double-circuit lines, as shown in Figure 1. At some time, a permanent fault occurs in one of the double circuits, and then the faulty line is removed by line protection. In the analysis, the generator model uses the classical second-order model, which approximately considers the excitation system and the generator’s no-load electromotive force as constant. The rotor motion equations of the generator are given by:
where is the angular velocity of the power generator, rad/s, denotes the synchronous electrical angular velocity, rad/s, and represents the inertia time constant, s.
Figure 1.
Diagram of the single machine infinite system.
In Figure 1, is the direct axis reactance of the generator, Ω, is the transformer reactance, Ω, is the line reactance, Ω, is the generator power angle, rad, U is the infinite system voltage, V. A, B, and C represent the three phases of the generator side, while a, b, and c denote the three phases of the grid side.
In normal operation, three phases are connected in correspondence, while the phase difference is 120°. The power angle characteristics of the generator in normal operation, during fault process, and after fault excision meet (2)~(4), respectively.
where P1 is the power before the fault, MW, P2 is the power during the fault, MW, P3 is the power after the fault, MW, and is the additional impedance of the positive sequence extended network at the fault point, Ω.
According to (2)–(4), the power angle characteristics of the generator under different states are drawn (cf. Figure 2). In Figure 2, is the power angle of stable operation before fault, is the stable equilibrium point after fault resection, is the power angle at the time of fault removal and is the unstable equilibrium point. As the fault excision is late and is large, the acceleration area is larger than the deceleration area , and therefore the generator will become unstable.
Figure 2.
Generator angle characteristic.
In order to facilitate the stability analysis, this paper defines the deceleration area ratio , the deceleration area divided by the acceleration area , as shown in Equation (5).
When is greater than 1, the system can restore stability after a fault; when is less than 1, the system will lose stability after a fault; when is equal to 1, the system is in a critically stable state; when the is larger, the system stability is stronger.
When the fault conditions are the same, the acceleration area is constant. In order to increase , we need to increase the deceleration area and improve the power angle stability of the generator. As shown in Figure 3, the PSE device is installed at the grid connection point of the generator, in order to solve the problem of generator power angle instability.
Figure 3.
Single machine infinite system with phase sequence exchanging equipment.
As shown in the dotted box in Figure 3, when the power angle of the generator increases to a certain angle after a fault occurs, the phase sequence is quickly switched, so that the generator and the power grid are respectively connected in A-c, B-a, and C-b, forming the PSE operation. Since the phase angle difference between the three phases is 120°, the equivalent power angle after PSE decreases by 120°. The power angle relation after the PSE is given by.
where is the power angle in the PSE process, rad. According to (4), the power angle characteristic curve before and after the PSE is shown in Figure 4, where is the stable equilibrium point after PSE and is the unstable equilibrium point after PSE.
Figure 4.
Power angle characteristic curve before and after phase sequence exchanging.
It can be seen from Figure 4 that the output electromagnetic power jumps from the curve to curve, after the phase sequence is switched at angle , which increases the deceleration area . As shown by in Figure 4, the equation of the total deceleration area is summarized as follows.
When is less than 30°, the mechanical power is located below the intersection of and , and is zero. After the PSE, the power angle decreases by 120°. At this time, the power angle is greater than the stable equilibrium point. Thus, the generator speed continues to decelerate after PSE at the power angle , and the power angle continues to decrease. The energy generated by the fault is further consumed, until the speed decreases to the synchronous speed. If the damping consumption is considered, the oscillation gradually decreases until it becomes stable, and the difference between the new stable equilibrium point and the original one is 120°.
When is greater than 30°, the mechanical power is above the intersection of and , and is greater than zero. The power angle of the generator accelerates before PSE. After the PSE, the power angle decreases by 120°. At this time, the power angle is less than the stable equilibrium point. Thus, the generator speed continues to accelerate after PSE at the power angle , and the power angle continues to increase. It then accelerates and decelerates several times until the oscillation attenuates and stabilizes. The angle difference between the new stable equilibrium point and the original one is 120°. However, when the mechanical power PT continues to increase, then further increases, so that is greater than . The phase sequence exchange makes the deceleration area smaller than the acceleration area, meaning that the phase sequence exchange is not conducive to stabilizing of the system. In this case, the commutation sequence operation has no effect.
In order to increase the deceleration area, increase the deceleration area ratio , and improve the stability of the power system, this paper proposes a PSE technology based on MMC. During normal operation, the generator is AC connected to the grid, and the phase sequence is A-a, B-b, and C-c. When the fault occurs, the system is converted to the back-to-back VSC-HVDC operation mode based on MMC, and the DC power is set to the maximum power P3 in order to slow down the generator. When the generator power angle is smaller than the unstable equilibrium point after the commutation sequence, the commutation sequence is switched to A-c, B-a, C-b to connect to the grid. It reduces the power angle by 120°. The circuit of PSE based on MMC will be described in detail in Section 3. After the PSE based on MMC, the deceleration area is shown in Formula (7). The power angle characteristic curve before and after the commutation sequence is shown in Figure 5. The PSE based on an MMC adds the back-to-back VSC-HVDC operation stage in the phase sequence exchange process. The change of generator power angle in PSE based on an MMC is analyzed as follows. According to Equation (1), the fault occurs at , the mechanical power is greater than the electromagnetic power, the rotor speed of the generator accelerates, and the power angle increases. The fault is cleared at and the generator is switched to VSC-HVDC operation mode. As the electromagnetic power is greater than the mechanical power, the generator speed slows down. However, since the generator speed is greater than the synchronous speed at this time, the power angle will also increase until the generator speed decreases to the synchronous speed, and the power angle will not increase. Then, phase sequence exchange is carried out, and the power angle is finally reduced by 120°. Compared with the direct commutation sequence method, the deceleration area is greatly increased, and the deceleration area ratio is improved, which is more conducive to improving the power angle stability of the power system.
Figure 5.
Power angle characteristic curve before and after phase sequence changing based on a MMC.
The following will compare the deceleration area ratio and its effective boundary of the three technologies: without PSE, direct PSE, and PSE based on a MMC. For a power system, the primary parameters of the grid are fixed, and the acceleration area and deceleration area depend on the stable operation power angle before the fault and the power angle at the time of fault removal. The deceleration area ratio is as follows:
is the deceleration area ratio of no PSE. is the deceleration area ratio of direct PSE. is the deceleration area ratio of PSE based on a MMC. Taking the N − 1 three-phase fault in the power grid as an example, select and , and make the deceleration area ratio of three different technologies as shown in Figure 6. X-axis is , Y-axis is , and Z-axis is . The yellow section is the section with = 1. The part above the yellow section in the figure is the stable region of the system. When the stable operation power angle before the fault is smaller and the power angle at the time of fault removal is smaller, the is larger and the system is more stable. For ease of analysis, Figure 7 is a cross-sectional view of the three technologies at = 1. The red shaded area in the figure is the area where the is greater than 1 when no measures are taken. The green shaded area is the area where the is greater than 1 when the direct PSE is used, and the blue marked area is the area where the is greater than 1 when the PSE based on MMC is used. For different and , there are different regions in Figure 7. For the region A, the of the three methods are all greater than 1. For region B, if no measures are taken, the KDAR is less than 1, while the of the direct MMC and PSE based on an MMC is greater than 1. For the region C, the of the direct MMC is less than 1, while the of no measures and PSE based on an MMC is greater than 1. For the region D, the is less than 1 without taking measures and the direct MMC, while the of PSE based on an MMC is greater than 1. The for the E region are all less than 1. It can be seen from the figure that the effective boundary of PSE based on an MMC is much more than the other two. Therefore, it can effectively improve the deceleration area ratio and improve the power angle stability of the system.
Figure 6.
Effective boundary 3D map of three technologies.
Figure 7.
Cross-sectional view of the three technologies at KDAR = 1.
Comparison of the existing safety and stability control system, direct PSE, and MMC PSE-based technology is shown in Table 1.
Table 1.
Comparison of different measures to improve system stability.
3. Phase Sequence Exchange Technology Based on MMC
This paper designs a phase sequence exchange system based on an MMC, referring to the back-to-back VSC-HVDC transmission system [17]. The generator grid-connected phase sequence is ABC in normal operation. It switches to CAB after fault. When the fault occurs, the system is converted to the back-to-back VSC-HVDC operation mode based on MMC, and the DC power is properly adjusted in order to slow down the generator. As the generator speed decreases to synchronous speed, the grid-connected phase sequence is switched to A-c, B-a, and C-b, restoring the stability of the system. Compared with PSE by power electronic switch, the PSE system based on MMC can avoid overvoltage or overcurrent in the direct phase sequence exchange process. It can also reduce the power oscillation of the generator in the recovery and make the system quickly restore stability.
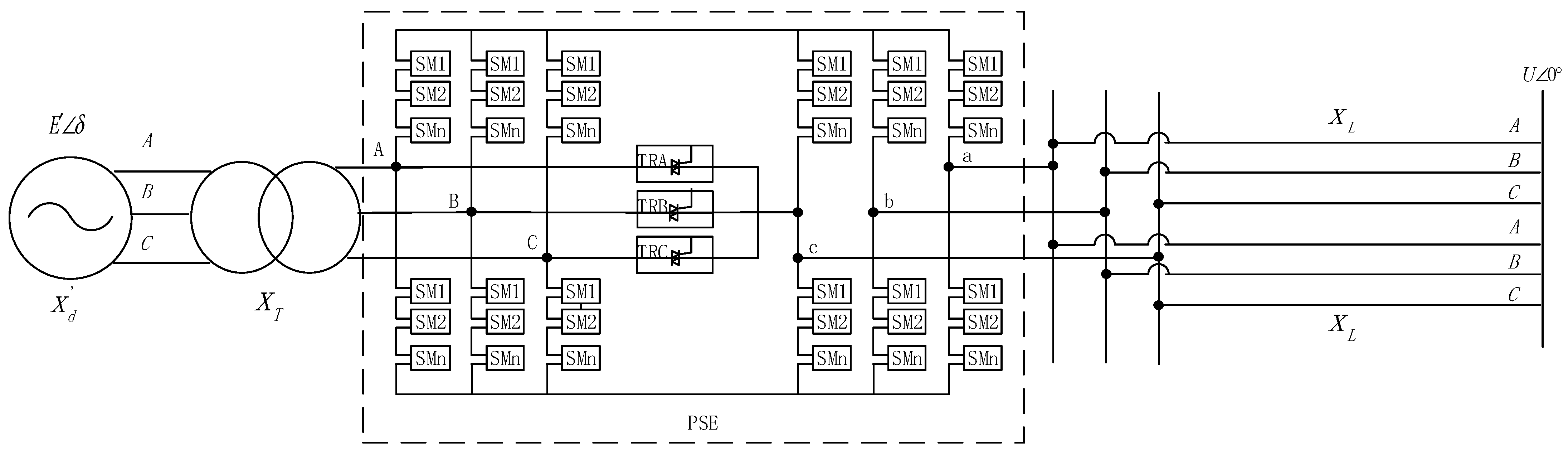
The main circuit of the PSE system is shown in Figure 8. In Figure 8, ABC is the three phase on the generator side, and abc is the three phase on the grid side. PSE based on an MMC consists of two converter units on the machine side and the grid side. Each commutation unit consists of three phase bridge arms. Each phase bridge arm is divided into upper and lower bridge arms. The loop of each phase is composed of multiple modular multilevel converter (MMC) submodules. The submodules have the same structure and are placed in a series. There are two differences with the previous circuit structure of the VSC-HVDC system: the submodule structure and the addition of TRA, TRB, and TRC branches.
Figure 8.
Main circuit of the phase sequence exchanging system.
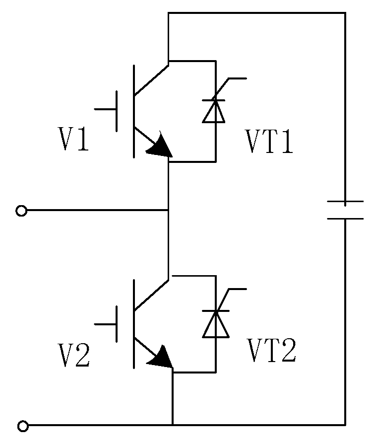
The internal structure diagram of the submodule is presented in Figure 9. In contrast to the previous one in the VSC-HVDC circuit, where V1 and V2 are IGBT, VT1 and VT2 are thyristors in reverse parallel with IGBT, while the IGBT is connected in parallel with a diode in the previous submodule. Due to the uncontrollability of the diode, even if IGBT is off, the upper diode will turn on and charge the capacitor, as long as the submodule bears the direct voltage. When the submodule bears an inverse voltage, the lower diode will turn on, and the submodule will be short-circuited. Therefore, the submodules of the VSC-HVDC system cannot form an open circuit in the past. After the diode of the submodule is changed to the thyristor, the latter can be turned off by controlling the pulse, thus forming the submodule open circuit. The submodule can perform the six working states shown in Table 2. In the table, 1 corresponds to on state and 0 corresponds to off state. When V2 and VT2 are on, V1 and VT1 are off, and the submodule is short-circuited. When V1, V2, VT11, and VT2 are off, and the submodule is open circuit. These two operating states are used in the AC operating mode. When VT1 is on, V1, V2, and VT2 are off, and the submodule is connected to the main circuit as a capacitor. When V1 is on, V2, VT1, and VT2 are off, and the submodule is connected to the main circuit as a capacitor. When V2 is on, V1, VT1, and VT2 are off, and the submodule is connected to the main circuit but the capacitor is bypassed. When VT2 is on, V1, V2, and VT2 are off, and the submodule is connected to the main circuit but the capacitor is bypassed. These four operating states are used in the VSC operating mode.
Figure 9.
Submodule.
Table 2.
Submodule working states.
The new added topologies TRA, TRB, and TRC in Figure 8 are the bidirectional thyristors that can perform the rapid transformation of AC and DC operations through control. Since the VSC-HVDC system has two poles, it can be directly used to form a two-phase transmission in AC transmission, and a third branch should be provided to form a three-phase transmission.
The process of realizing the commutation sequence is summarized as follows:
As shown in Figure 10a, three-phase A, B, and C at the feeder are respectively connected with three-phase a, b, and c at the receiver through the commutation loop, in normal AC operation. Note that the circuit conduction mode is represented by solid lines.
Figure 10.
Operation mode of the phase sequence exchanging system. (a) AC transmission before PSE. (b) DC transmission during PSE. (c) AC transmission after PSE.
V2 and VT2 of all the submodules of the upper bridge arm in the loop of phase A are on, V1 and VT1 are off, and the whole submodule is short-circuited. The lower bridge arm of loop phase A and TRA switch devices are closed. The feeder of phase A and the receiver of phase a are connected by the upper pole line.
V2 and VT2 of all the submodules of the lower bridge arm in loop phase B are on, V1 and VT1 are off, and the whole submodule is short-circuited. The upper bridge arm of phase B and TRB switch devices are closed. The feeder of phase B and the receiver of phase b are connected by the lower pole line.
The upper and lower bridge arms of loop phase C are closed, and TRC of loop phase C is on. The feeder of phase C and the receiver of phase c are then connected by the central pole line.
When a phase conversion is required, TRA, TRB, and TRC are off, while the input and withdrawal of V1, V2, VT1, and VT2 of the submodule are switched according to Table 1. The PSE system is turned on and off in accordance with the modular multi-level VSC-HVDC control.
The PSE system performs like a back-to-back VSC-HVDC transmission system, whose power is transmitted through DC, as shown in Figure 10b.
The active power and reactive power transmitted by the PSE system, can be decoupled from each other and independently controlled in four quadrants by independent control loops.
The active power and reactive power exchanged between the PSE system and the AC system are given by:
where is the bus voltage of the AC system, represents the voltage output by the converter valve side of the commutation sequence system, denotes the equivalent reactance, and is the phase angle difference between and .
Equations (9) and (10) show that in the commutation sequence system, if AC system and inductive reactance remain, the value of the active power mainly depends on the value of the phase angle difference , while the exchange of reactive power mainly depends on the value of .
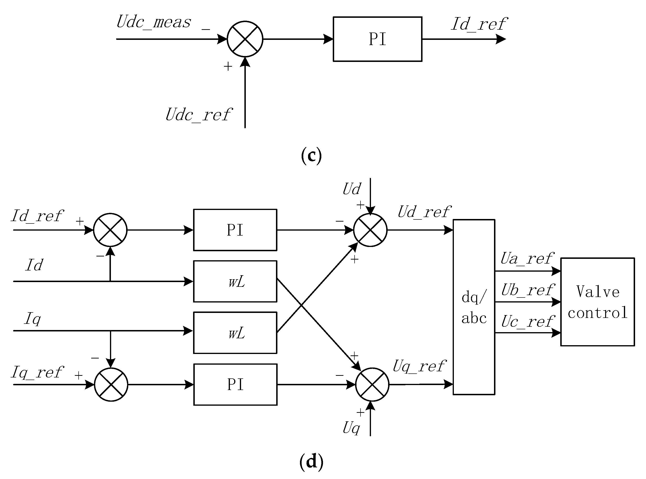
Referring to the control mode of back-to-back VSC-HVDC transmission, the d q axis can be decoupled to perform the separate control of active power and AC voltage, or separate control of DC voltage and AC voltage. In the PSE device, double closed-loop control strategy is used in converter control. The control mode of the generator side converter is set to constant active power control mode and constant AC voltage control mode, in order to make the transmission of active power and AC voltage constant, respectively, shown in Figure 11a,b. The control mode of the converter on the grid side is set to constant DC voltage control mode and constant AC voltage control mode to keep the DC voltage and AC voltage constant, respectively, shown in Figure 11b,c. The outer loop controller outputs the Id and Iq reference of the inner loop current controller. Inner loop controller outputs the voltage reference of valve control, shown in Figure 11d.

Figure 11.
Control logic diagram; (a) constant active power control loop of outer loop; (b) constant AC voltage control loop of outer loop; (c) constant DC voltage control loop of outer loop; (d) current control loop of the inner loop.
By resuming AC transmission after PSE, the AC three-phase A, B, and C at the feeder are respectively connected with the three-phase c, a, and b at the receiver to restore the AC transmission, as shown in Figure 10c.
By changing the status of the submodules, phase A at the feeder and phase c at the receiver are connected by the central pole line. Phase B at the feeder is connected with phase c at the receiver by the upper pole line. Phase C at the feeder and phase b at the receiver are connected by the lower pole line. After the phase sequence exchange, the power angle decreases by 120°.
According to the structure of the circuit, the phase sequence can be switched from ABC to BCA through the control of the bridge arm, performing the phase sequence exchange of 240°, or switched from ABC to original phase sequence ABC, in order to achieve the phase sequence exchange of 360°.
The flexible HVDC system based on MMC does not require to install AC filters on both sides, and its DC power can be manually set. The PSE device based on an MMC can maintain the power transmission and output certain electromagnetic power by control during the PSE process, increasing the deceleration area to slow down the generator, which is conducive to system recovery.
4. Parameter Optimization Design of Commutation Sequence System Based on An MMC
This section also considers the OMIB system as an example. A schematic diagram of the power grid using the phase sequence exchange equipment based on an MMC, is shown in Figure 12.
Figure 12.
Equivalence diagram with MMC-based phase sequence exchanging system.
The PSE based on an MMC proposed in this paper increases the deceleration area ratio and improves the power angle stability of the power system. However, when the power angle is not at the stable equilibrium point when the phase sequence conversion is completed and switched back to the AC mode, the generator needs to go through multiple acceleration and deceleration processes, and the power will return to stability after the power oscillation. For the MMC-based PSE, since the DC power and the recovery time can be controlled, we can adjust the appropriate DC power to make the generator enter the deceleration state and reduce the speed. When the speed decreases to synchronous speed and the power angle is 120° ahead, the phase sequence exchange is performed, and the commutation sequence is switched to CAB connection and grid connection. Not only can the originally unstable system be restored to stable operation, but also the power oscillation during the system recovery process can be reduced.
The equal area criterion is also used for analysis. The device of PSE runs in AC during normal operation, while U1 and U2 on both sides of the PSE device are connected as A-a, B-b, and C-c. The steady state power angle of the generator is . It can be seen from Figure 8 that, when the line fault occurs, the generator enters , the mechanical power is greater than the electromagnetic power during the fault period from to , and therefore the speed and the power angle increase.
When the power angle increases to , the protective device moves to cut the faulty circuit, and the PSE device starts. The system switches to the VSC-HVDC operation and controls the output electromagnetic power constant to become greater than the mechanical power PT, which makes the generator decelerate. However, due to the fact that the speed is higher than the synchronous speed, the power angle continues to increase. is 120° ahead of the stable equilibrium . When the power angle increases to and the deceleration area is equal to the acceleration area , the generator speed returns to the synchronous speed. At this time, the system switches to AC operation, and the grid-connected phase sequence switches to A-c, B-a, and C-b, which is equivalent to the power angle decrease by 120°. The power angle returns directly to the stable equilibrium point . Therefore, the system returns to stability and the power oscillation during the recovery process is reduced. The power angle characteristics are shown in Figure 13.
Figure 13.
Generator angle characteristic with MMC-based phase sequence exchanging system.
When the PSE device is operated in DC, the device is flanked by two AC systems separated by DC, whose voltage may differ in magnitude, phase, and frequency. However, when switching from DC operation to AC operation, it is necessary to have the same frequency, voltage, phase sequence, and a phase difference of 120°, in order to reduce the disturbance in the PSE process. This process is similar to the connected generator synchronous check grid. However, the phase difference between the generator and the system is required to be close to 0, when the generator is connected to the grid, while it is required to be 120° when the PSE system switches from DC to AC. To do so, when the PSE device is in DC operation, the generator side converter should set reasonable active power reference value and AC voltage reference value , and the power grid side converter should set reasonable DC voltage reference value and AC voltage reference value .
Considering the requirements of frequency, phase sequence, and phase on both sides of the device, when the DC state is switched back to the AC state, a reasonable should be selected in order to increase the power angle to , and simultaneously reduce the speed to synchronous speed. The following conditions are then met:
The left integral of (11) is the acceleration area during the fault, while the right integral is the deceleration area during VSC-HVDC operation in the PSE process. When the deceleration area is equal to the acceleration area, it means that the generator speed at this time returns to the synchronous speed. Equation (12) indicates that the power angle is 120° ahead of the stable operating point. At this moment, the generator speed is a synchronous speed, the PSE system is switched from VSC-HVDC transmission to AC transmission. The grid-connected phase sequence switches to A-c, B-a, and C-b, which is equivalent to the power angle decrease by 120°. Finally, the generator reaches the stable operation point, and the system recovers the stable operation.
The determination of requires analysis of the control mode and parameter requirements in the VSC-HVDC operation. As the system is in VSC-HVDC transmission, the PSE device is connected with two independent AC systems isolated by VSC-HVDC lines, as shown in Figure 12. The active power of the generator side, DC transmission, and grid side are equal. The electrical parameters on the generator side of the PSE device satisfies the following equation. It means that the AC power on the generator side is equal to the DC power.
Considering the voltage requirements on both sides of the PSE device when switching from DC to AC, the electrical parameters on the grid side of the PSE device meets the following equation. It means that the AC power on the grid side is equal to the DC power.
Since is constant, when the transmission power and are determined, it can be easily shown that is constant according to (14). In this process, the generator speed gradually decreases while the angle is still increasing. When the voltages on both sides of the PSE device have the same amplitude and the 120° difference in angle, the device switches to AC.
The DC power reference values in the PSE process can be obtained by (11)–(15).
According to Figure 14, the voltage phasor diagram is drawn to determine the values of and , as shown in Figure 10. Since the voltages on both sides of the PSE device before and after the PSE operation are the same, the values of and can be computed as:
Figure 14.
System voltage phasor diagram.
By referring to the previous analysis, the MMC-based PSE device can restore the stability of the system which may have been unstable. After PSE, the generator speed is a steady synchronous speed, and the power angle is a new steady power angle. Therefore, the generator can directly enter the stable state. Compared with the direct PSE without an MMC, the power oscillation process caused by the generator repeatedly entering the acceleration and deceleration area is restrained, and the power angle stability of the system is further improved. The flow chart of the process is shown in Figure 15.
Figure 15.
The flow chart of the PSE process.
The phase sequence exchange system based on an MMC is not only applicable for point-to-network systems accessed by power plants, but also to the interregional tie lines. It can also transform the back-to-back DC systems of Yue Gaoling and Ling Bao into phase sequence exchange systems that use the AC connection across regions in normal operation, to efficiently play the advantages of AC networking. After fault or disturbance, the system can keep the integrity of the grid structure and improve the power angle stability of the system.
5. Simulation Modeling and Verification
The electromagnetic transient model of one-machine to infinite bus power grid is developed in PSCAD to verify the efficiency of the PSE system (cf. Figure 1). The specific parameters are given by: reference capacity , generator side reference voltage , grid side reference voltage , no-load electromotive force , direct axis reactance , quadrature axis reactance , transformer short-circuit impedance of 20%, single AC line reactance , and infinite system bus voltage By referring to the Power System Stability Calculation Guide, the power system stability requires three-phase permanent N − 1 verification, and the fault excision time of a 220 kV line is 0.12 s.
It can be deduced by theoretical calculation and simulation that the steady-state power angle is 63.7°, as the transmission power of the double-circuit lines is 180 MW. If no measures or direct PSE are taken under this working condition, the system cannot restore a stable operation after fault.
- Simulation without Phase Sequence Exchange System
In the case where the phase sequence exchange system is not used, this paper simulates a three-phase permanent fault on line 2 at 4 s. The circuit breakers on both sides of the fault line are disconnected and the fault is removed at 0.12 s after the fault. Consequently, the power transmitted by line 2 decreases to zero, line 1 runs as a single line, the transmission power oscillates, and finally the system will be unstable. The power waveform of the transmission line is represented by the red line in Figure 16. The power angle and rotation speed of the generator are represented by the red line in Figure 17.
Figure 16.
Power of the double-circuit transmission line.
Figure 17.
Power angle and speed of the generator.
- B
- Simulation with Direct Phase Sequence Exchange System
The case of direct PSE is also simulated. The simulation model uses the ideal switch to quickly change the three-phase sequence. According to the conclusion obtained from the analysis in Section 2, direct PSE is carried out as the power angle is 150°, and the deceleration area is the largest. The simulation waveform (cf. Section 5A) shows that the power angle is 150° at 0.452 s after the fault. Therefore, a direct PSE is carried out. The power waveform of the transmission line is represented by the green line in Figure 16. The generator power angle and rotate speed are represented by the green line in Figure 17.
- C
- Simulation Using the Phase Sequence Exchange System Based on MMC
In order to improve the transient stability of the system, this paper develops a model of PSE system based on an MMC. Its structure is detailed in Section 3. The simulation system conditions are similar to those in Section 5A,B, except for the PSE device.
First, according to the system, the DC power of the PSE in the VSC-HVDC operation mode is calculated. Before the fault, the system transmission power is 180 MW, PT = 0.72 p.u. Clearance moment power angle is 82.37°. Because it is a three-phase grounding fault, there is no connection between the generator and the system, and the reactance xΔ between the two is ∞. Substituting into Formula (16), it can be concluded that the PDC is 220 MW. Considering the loss of 2~3% in back-to-back VSC-HVDC, take the DC power as 225 MW when the PSE runs in the flex mode. Considering the power margin when running in the flexible straight mode, the rated capacity of the designed flexible straight running mode is 250 MW. Since the rated voltage of the AC system is 220 kV, the peak value of the phase voltage is 179.6 kV, and the modulation ratio is selected as 0.72, so the rated DC voltage is ±250 kV.
The DC voltage of the PSE device based on an MMC is ±250 kV, the DC rated capacity is 250 MW, the AC rated voltage is 220 kV, and each bridge arm has 100 submodules.
The system runs normally in the grid-connected phase sequence of A-a, B-b, and C-c before the fault. It switches to the VSC-HVDC operation after the fault is removed. The power generator operates with constant active power and constant AC voltage, while the power grid operates with constant DC voltage and constant AC voltage. The transmission power is set to 225 MW in VSC-HVDC operation, using the previously detailed calculation. The output electromagnetic power of the generator is equal to the transmission power of DC operation. The power waveform of the transmission line is represented by the blue line in Figure 16. The power angle and rotation speed of the generator are represented by the blue line in Figure 17. According to the calculation and analysis, the steady-state power angle of the generator should be 80°, after the double circuit is turned into a single circuit. Figure 18 is an enlarged view of the blue line in Figure 17. It can be seen from Figure 18 that the generator speed decreases to a synchronous speed at 0.65 s after the fault, and the work angle is 200° (80° plus 120°). In addition, the PSE system switches the VSC-HVDC operation to AC operation and simultaneously carries out the PSE operation, so that the three phases are connected to each other as A-c, B-a, and C-b.
Figure 18.
Power angle and speed of the generator with phase sequence exchanging system based on an MMC (magnified blue line in Figure 17).
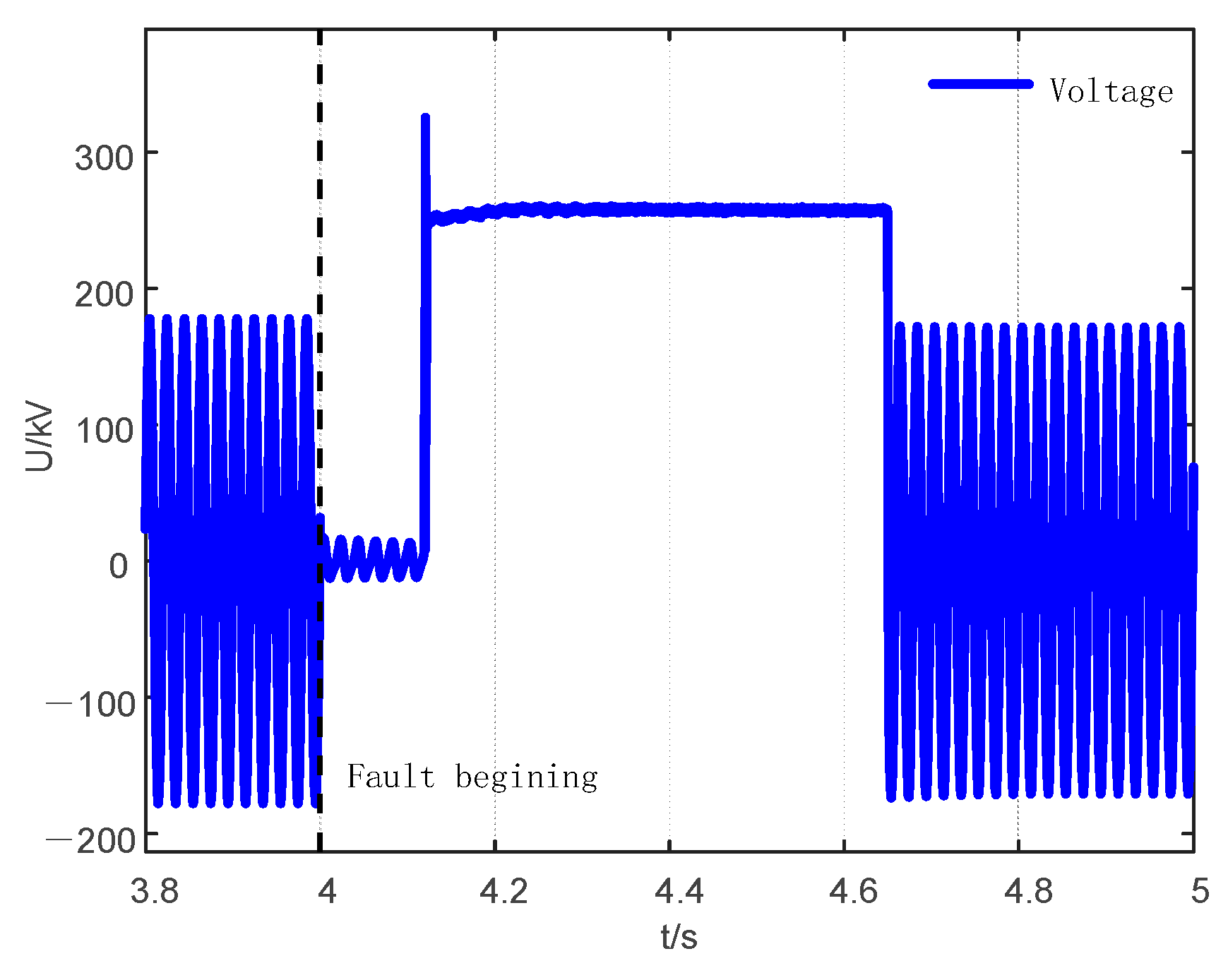
Figure 19 presents the voltage diagram of the mid-point of the PSE technology. When the PSE device runs in AC mode, the voltage is AC. When it switches to the DC mode, the voltage is DC 250 kV.
Figure 19.
Midpoint voltage waveform of the commutation sequence system based on an MMC.
It can be seen from Figure 16 and Figure 17 that, due to the fact that the mechanical power is greater than the electromagnetic power, the generator speed and power angle increase during the fault. When the fault is cleared, the power angle of the generator is 82.3° and the speed is 1.019 p.u. After the fault is removed, the electromagnetic power of the generator recovers, the generator speed starts to decrease, but it remains greater than the synchronous speed if no measures are taken (red waveform). Because of the insufficient deceleration area, the generator power angle exceeds the unstable balance angle at 0.5 s after the fault. Therefore, the generator speed and power angle continue to increase. Line 1 power is reduced to zero during the fault and starts to recover after the fault is cleared. At 0.343 s after the fault, the maximum power was 228 MW, and then the power began to drop. At 0.751 s after the fault, the power dropped below zero, and then the power oscillated. Consequently, the system will lose stability.
After using the direct PSE (green waveform), Line 1 power drops to zero during the fault and begins to recover after the fault is cleared. Therefore, the electromagnetic power is less than the mechanical power, and the generator speed increases. At 0.343 s after the fault, the maximum power is 228 MW. The performance up to this point is the same as the system without PSE. At 0.452 s after the fault, a direct PSE is carried out. The power angle is reduced from 150° to 30°. It reduces the power angle by 120°, and significantly increases the deceleration area. The electromagnetic power is reduced, and the minimum power is 23 MW when it reaches 0.5 s after the fault. Again, the electromagnetic power is less than the mechanical power, and the generator speed increases. The electromagnetic power is greater than the mechanical power, and the generator starts to slow down again at 0.625 s after the fault. The generator speed and power angle continue to increase, and the system loses stability at 0.885 s after the fault. As for the work condition with large transmission power of the line and steady-state power angle, the analysis demonstrates that a deceleration period is increased using the direct phase sequence exchange system, compared with no measures. However, the system still loses stability due to the fact that the total deceleration area is smaller than the total acceleration area.
The following will describe the situation after using the phase-changing sequence system based on an MMC (blue waveform). The power angle before fault is 63.7° and the generator speed is 1 p.u. During the fault, the power of line 1 decreases to zero, and the generator power angle and rotational speed power increase. When the fault is cleared, the power angle of the generator is 82.3° and the generator speed is 1.019 p.u. After the fault is cleared, the system enters the VSC-HVDC operation, and the power starts to increase. At 0.283 s after the fault, the power reaches 225 MW and keeps running at constant power. At this time, the power angle is 141° and the generator speed is 1.017 p.u. The generator starts to slow down in DC operation, since the electromagnetic power is greater than the mechanical power. As the generator speed is still greater than the synchronous speed, the power angle continues to increase, but the growth rate slows down. At 0.65 s after the fault, the power angle of the generator is 200°, and the speed is reduced to the rated speed. At this time, the PSE system is then switched back to AC operation, and the phase sequence is changed to A-c, B-a, and C-b. The power angle is reduced by 120°. The power angle of the generator returns to the stable equilibrium point, and the system returns to stability.
After the system restores to stability, all the transmission power (180 MW) of the double-circuit lines is transferred to line 1. It can be deduced from the simulation that the PSE system based on an MMC can restore the original unstable system to become stable, and significantly restrain the power oscillation during the recovery, which improves the power angle stability of the power system.
6. Conclusions
This paper proposes a new PSE technology based on a modular multilevel converter (MMC), in order to improve the power angle stability of the power system. In this paper, the concept of deceleration area ratio is proposed to characterize the power angle stability of the power system, and the PSE theory based on an MMC is analyzed. The method proposed in this paper operates in VSC-HVDC mode during the phase sequence exchanging process, which greatly increases the deceleration area and expands the application boundary compared to direct PSE. In this paper, a phase sequence exchange circuit based on a modular multilevel converter (MMC) is designed. This paper proposes an optimal selection method for the system parameters of the PSE based on an MMC. By optimizing the design of the DC power and voltage during the phase sequence exchanging, the generator can directly enter a stable state after completing the phase sequence exchange, which reduces the power oscillation process when the generator repeatedly enters the acceleration and deceleration area, and further improves the power angle stability of the system. Finally, simulation results demonstrate the effectiveness of PSE based on an MMC.
PSE technology based on an MMC can maintain the integrity of the grid structure by avoiding cutting the generator after fault, and improve the power angle stability of the power system. In the new power system with new energy as the main body, the generator can be avoided to be cut off after the fault, which reduces the loss of inertia after the fault and is beneficial to the stability of the system. In future work, a further study on the secondary control protection system of PSE based on an MMC and its application in various complex systems are of our interest.
Author Contributions
Conceptualization, P.D.; Formal analysis, P.D. and P.S.; Methodology, P.D. and writing-original draft, P.D.; Funding acquisition, S.H.; Investigation, T.X.; Software, H.L.; Validation, J.L.; Writing—review & editing, Y.L. All authors have read and agreed to the published version of the manuscript.
Funding
This research received no external funding.
Institutional Review Board Statement
Not applicable.
Informed Consent Statement
Not applicable.
Conflicts of Interest
The authors declare no conflict of interest.
Nomenclature
| PSE | Phase sequence exchange |
| MMC | Modular multilevel converter |
| VSC | voltage source converter |
| HVDC | High-voltage direct current system |
| OMIB | One-machine infinite bus |
| IGBT | Insulated-gate bipolar transistor |
| SSCB | Solid-state circuit breaker |
References
- Shu, Y.; Tang, Y. Analysis and recommendations for the adaptability of China’s power system security and stability relevant standards. CSEE J. Power Energy Syst. 2017, 3, 334–339. [Google Scholar] [CrossRef]
- Liu, Y.; Song, Y.; Wang, Z.; Shen, C. Optimal Emergency Frequency Control Based on Coordinated Droop in Multi-Infeed Hybrid AC-DC System. IEEE Trans. Power Syst. 2021, 36, 3305–3316. [Google Scholar] [CrossRef]
- Li, J.; Chen, S.; Wang, X.; Pu, T. Load Shedding Control Strategy in Power Grid Emergency State Based on Deep Reinforcement Learning. CSEE J. Power Energy Syst. 2022, 8, 1175–1182. [Google Scholar]
- Islam, S.R.; Sutanto, D.; Muttaqi, K.M. Coordinated Decentralized Emergency Voltage and Reactive Power Control to Prevent Long-Term Voltage Instability in a Power System. IEEE Trans. Power Syst. 2015, 30, 2591–2603. [Google Scholar] [CrossRef]
- Islam, S.R.; Sutanto, D.; Muttaqi, K.M. A Distributed Multi-Agent Based Emergency Control Approach Following Catastrophic Disturbances in Interconnected Power Systems. IEEE Trans. Power Syst. 2016, 31, 2764–2775. [Google Scholar] [CrossRef]
- Li, H.; Guo, K.; Hao, G.; Mao, M.; Zhou, L. Decentralized Communication Based Two-Tier Volt-Var Control Strategy for Large-Scale Centralized Photovoltaic Power Plant. IEEE Trans. Sustain. Energy 2022, 13, 592–606. [Google Scholar] [CrossRef]
- Huang, Q.; Huang, R.; Hao, W.; Tan, J.; Fan, R.; Huang, Z. Adaptive Power System Emergency Control Using Deep Reinforcement Learning. IEEE Trans. Smart Grid 2020, 11, 1171–1182. [Google Scholar] [CrossRef]
- Xie, X.; Zhang, Y.; Meng, K.; Dong, Z.Y.; Liu, J. Emergency control strategy for power systems with renewables considering a utility-scale energy storage transient. CSEE J. Power Energy Syst. 2021, 7, 986–995. [Google Scholar]
- Li, Z.; Yao, G.; Geng, G.; Jiang, Q. An Efficient Optimal Control Method for Open-Loop Transient Stability Emergency Control. IEEE Trans. Power Syst. 2017, 32, 2704–2713. [Google Scholar] [CrossRef]
- Shaofeng, H.; Yifan, L.; Hui, L. A New Technology Applied to Power System Stability Control: Phase Sequence Exchange Technology. IEEE Access 2019, 7, 93002–93009. [Google Scholar]
- Yifan, L.; Shaofeng, H.; Hui, L. Application of Phase Sequence Exchange in Emergency Control of a Multi-Machine System. Int. J. Electr. Power Energy Syst. 2020, 121, 106136. [Google Scholar]
- Yifan, L.; Shaofeng, H.; Hui, L. A New Phase Sequence Exchanging Control Method for Reducing Impulse Current and Voltage. IEEE Access 2019, 7, 164734–164745. [Google Scholar]
- Morishita, Y.; Ishikawa, T.; Yamaguchi, I. Applications of DC Breakers and Concepts for Superconducting Fault-Current Limiter for a Dc Distribution Network. IEEE Trans. Appl. Supercond. 2009, 19, 3658–3664. [Google Scholar] [CrossRef]
- Sen, S.; Mehraeen, S. Improving Low-Voltage DC Circuit Breaker Performance through an Alternate Commutating Circuit. IEEE Trans. Ind. Appl. 2019, 55, 6127–6136. [Google Scholar] [CrossRef]
- Li, S.; Xu, J.; Lu, Y.; Zhao, C. An Auxiliary DC Circuit Breaker Utilizing an Augmented MMC. IEEE Trans. Power Deliv. 2019, 34, 561–571. [Google Scholar] [CrossRef]
- Yifan, L.; Shaofeng, H.; Hui, L. Improvement and Dynamic Simulation Test of the Power Electronic Device Applied to Phase Sequence Exchange Technology. IEEE Trans. Ind. Electron. 2022, 69, 3193–3202. [Google Scholar]
- Noroozian, M.; Edris, A.; Kidd, D.; Keri, A.J.F. The Potential Use of Voltage-Sourced Converter-Based Back-to-Back Tie in Load Restorations. IEEE Trans. Power Deliv. 2003, 18, 1416–1421. [Google Scholar] [CrossRef]
Publisher’s Note: MDPI stays neutral with regard to jurisdictional claims in published maps and institutional affiliations. |
© 2022 by the authors. Licensee MDPI, Basel, Switzerland. This article is an open access article distributed under the terms and conditions of the Creative Commons Attribution (CC BY) license (https://creativecommons.org/licenses/by/4.0/).



















