Next Article in Journal
Identification of Contributing Factors to Organizational Resilience in the Emergency Response Organization for Nuclear Power Plants
Next Article in Special Issue
Investigation of Different Rotational Speed Characteristics of Multistage Axial Compressor in CAES System
Previous Article in Journal
Partial Discharge Characteristics of C3F7CN Gas Mixture Using the UHF Method
Previous Article in Special Issue
Thermodynamic Analysis and Optimization Design of a Molten Salt–Supercritical CO2 Heat Exchanger
 
 
Font Type:
Arial Georgia Verdana
Font Size:
Aa Aa Aa
Line Spacing:
Column Width:
Background:
Article

Study on the Performance of a Solar Heating System with Seasonal and Cascade Thermal-Energy Storage

1
Institute of Engineering Thermophysics, Chinese Academy of Sciences, Beijing 100190, China
2
University of Chinese Academy of Sciences, Beijing 100049, China
3
National Energy Large Scale Physical Energy Storage Technologies R&D Center (Bijie), Bijie 551712, China
*
Author to whom correspondence should be addressed.
These authors contributed equally to this work.
Energies 2022, 15(20), 7733; https://doi.org/10.3390/en15207733
Submission received: 7 September 2022 / Revised: 1 October 2022 / Accepted: 14 October 2022 / Published: 19 October 2022

Abstract

Seasonal solar thermal-energy storage systems used for space heating applications is a promising technology to reduce greenhouse gas emissions. A novel solar heating system with seasonal and cascade thermal-energy storage based on zeolite water is proposed in this study. The system’s efficiency is improved through cascade storage and the release of solar energy. The energy storage density is improved through the deep coupling of daily energy storage and cross-seasonal energy storage. A mathematical model of the system-performance analysis is established. The system performances in the non-heating and heating seasons and throughout the year are analyzed by considering the Chifeng City of China as an application case. The results indicate that the average collection efficiency of the proposed system is 2.88% higher in the non-heating season and 7.4% higher in the heating season than that of the reference system. Furthermore, the utilization efficiency of the proposed system is 37.16%, which is 3.26% higher than that of the reference system. Further, the proposed system has a supply heat of 2135 GJ in the heating season, which is 9.66% higher than the reference system. This study provides a solution for the highly efficient solar energy utilization for large-scale space-heating applications.

1. Introduction

Renewable energy can contribute to reducing primary energy consumption and environmental impacts. However, the use of renewable energy is limited by its intermittency and volatility. Thermal energy storage (TES) technology can be used to address the mismatch between renewable-energy supply and fluctuating demand, and greatly increase the efficiency of renewable energy [1].
In the past decade, TES systems have been extensively applied and studied [2,3,4,5,6,7,8]. TES technology can be classified into sensible heat storage, latent heat storage, and thermochemical heat storage according to different heat-storage mechanisms. It can be further classified into short-term and long-term heat storage based on the heat-storage period. The seasonal TES (STES) system can solve the time- and space-discrepancy problems of solar energy utilization, and thus, it has been used in space heating [9,10,11,12,13,14,15,16].
STES systems possess many patterns, such as seasonal hot water tank TES, seasonal underground TES, and seasonal thermochemical heat storage. Solar heating systems with STES have generally been adopted and investigated because they can solve the time and location mismatch between solar energy and heat load. Kulkarni [17] investigated the thermal responses of seasonal heat storage and solar thermal systems. The results indicated an enormous waste of exergy in the system based on a natural gas boiler, compared with the systems based on heat pumps with seasonal heat storage and solar thermal collectors with an efficiency of 0.47. Zhao [18] simulated the feasibility of seasonal underground thermal-energy storage in Tianjin, China. The results indicated a thermal recovery ratio of less than 67% and different temperature distributions under the three modes. Dada [19] simulated a novel seasonal heat-storage system dedicated to storing heat in the ground during the hot period and then recovering it during the cold period. This approach led to a remarkable increase in temperature levels as well as heat-energy recovery efficiency, which increased from 41% to 71%. Liu [20] investigated the thermal equilibrium of a solar seasonal storage system coupled with a ground-source heat pump. The results showed that the solar-energy utilization efficiency was 50.2%. The feasibility of seasonal thermochemical heat storage has been investigated [21,22,23]. It was found that STES overcomes the drawback of the intermittency of solar energy and contributes to storing heat in summer for use in winter. Therefore, the seasonal solar TES (SSTES) system is a promising technology that minimizes greenhouse gas emissions by harnessing solar energy for space-heating applications.
Thermochemical heat-storage technology, which has the advantages of high energy density and long duration, is recognized as a promising TES technology for short- and long-term storage applications. Sorption heat storage, a classical thermochemical heat-storage technology, is divided into different types according to various sorption materials such as zeolite, silica gel, and hygroscopic salts. Zeolite 13X has many advantages, such as sufficient heat of adsorption as a hydrophilic material, high thermal-storage density, tolerance to water, no-swelling property, utilization of low-temperature thermal energy, and environmental protection. Therefore, zeolite 13X has been adopted and investigated for many adsorption thermal-storage systems [24,25,26,27].
However, previous studies on STES have always focused on the recovery quantity of heat storage without the recovery quality of heat storage. The temperature recovery must be less than 100% in sensible and latent heat storage. However, temperature recovery can be more than 100% in thermochemical heat-storage technology, for example, adsorption heat pumps [25,26,27].
This study aims to build a novel solar heating system with seasonal and cascade thermal-energy storage based on zeolite water and verify the feasibility of this system by selecting the case of a district heating network in Chifeng, China. Furthermore, sensitivity analyses of the proposed system are analyzed in detail. This study provides a solution for more efficient solar energy utilization for large-scale space-heating applications.

2. System Description

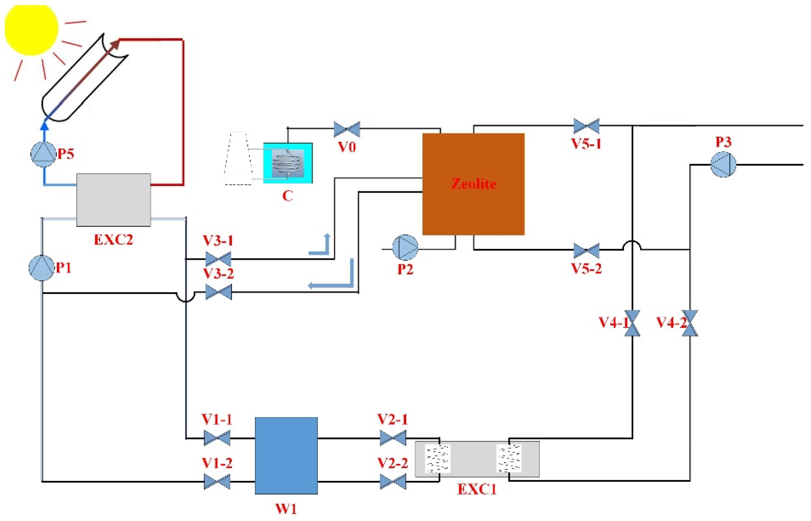
Figure 1 illustrates a solar heating system with seasonal and cascade TES based on zeolite water—comprised of solar thermal collectors, a zeolite adsorption reactor, a condenser (C), water tanks (W1 and W2), pumps (P1–P4), heat exchangers (EXC1–EXC3) and valves (V0–V10-3). The zeolite adsorption reactor consisted of many reaction units, and each reaction unit could run independently. The zeolite adsorption reactor was filled with zeolite and was set by embedded heat exchangers.
In the non-heating season, the solar heat-collection, zeolite adsorption, and medium-temperature TES subsystems work, while the low-temperature TES, energy release, and heating subsystems do not work. Based on the desorption dynamic of zeolite, the desorption reaction occurred quickly when the zeolite moisture content was higher and did not occur easily when the zeolite moisture content was lower. To improve the efficiency of solar-energy utilization, the system adopted solar-energy cascade heat storage and zeolite cascade desorption. Medium-temperature heat was collected and stored in tank W2 when the solar radiation intensity was lower, and the stored heat was used to desorb zeolite with a higher moisture content. Here, tank W2 also played a role in regulating the desorption time. In this operating mode, valves V2-1, V2-2, V4-1, V4-2, and V0 were opened. High-temperature heat was collected and used to desorb zeolite with a lower moisture content when the solar radiation intensity was higher. Moreover, in this operating mode, valves V3-1, V3-2, V4-1, V4-2, and V0 were opened. Thus, the amount of solar energy collected via all operating modes was eventually stored in the zeolite adsorption reactor. In the reactor, an endothermic desorption reaction occurred, and the wet zeolite became dry to complete the regeneration of zeolite; at the same time, water vapor was generated during the endothermic reaction, which was removed from the reactor and condensed in condenser C.
In the heating season, the system adopted cascade heat storage and release to improve energy efficiency. During the charging process, medium-temperature heat was stored in tank W2 when the solar radiation intensity was higher, and valves V2-1 and V2-2 were opened in the operating mode. Low-temperature heat was stored in tank W1 when the solar radiation intensity was low, and valves V1-1 and V1-2 were opened in operating mode. During the discharging process, the heating backwater was heated sequentially by stored low-temperature and medium-temperature heat. It was then used for heating when the heating load was low or when solar energy was abundant. Moreover, V5-1, V5-2, V6-1, V6-2, V7-1, V7-2, V8-1, V8-2, and V10-1 were opened in this operating mode. The backwater was heated by the stored low-temperature, medium-temperature, and zeolite adsorption heat alternatively. Subsequently, it was used for heating when the heating load was high, or the solar energy was insufficient. An exothermic adsorption reaction occurred in the reactor, and the dry zeolite became wet. Furthermore, V5-1, V5-2, V6-1, V6-2, V7-1, V7-2, V8-1, V8-2, V9-1, and V9-2 were opened in this operating mode.

3. Mathematical Model

To simplify the proposed model, the following assumptions were considered:
(1)
The radiation loss of any component and pipeline of the system were ignored;
(2)
The average irradiation intensity of solar energy and the average atmospheric temperature were specified for any hour;
(3)
The space-heating load on any day of each natural month was assumed to be constant and stable;
(4)
The temperature and mass ratio of adsorbed water on the zeolite were uniform at any point in the reaction unit;
(5)
The zeolite particles were packed uniformly in the reactor, and the void fraction was uniform;
(6)
The thermodynamic properties of zeolites were stable.

3.1. Collection of Solar Energy

Equation (1) [17,20] describes the efficiency of solar collection. Meteorological parameters and hourly daily irradiation intensity are shown in Figure 2, Figure 3 and Figure 4 for the Chifeng City of China. The irradiation intensity increased and then decreased on any day. Furthermore, Figure 5 and Figure 6 show that solar collection efficiency varies with different irradiation intensities and heat-collection temperatures. The efficiency increased with an increase in the irradiation intensity when the heat-collection temperature was constant. The efficiency decreased with increased heat-collection temperature when the irradiation intensity was constant. The heat-collection temperature greatly affected the efficiency under a lower irradiation intensity. To improve the collection efficiency of solar energy, the system collected high- and low-temperature heat at high and low irradiation intensities, respectively. The energy of the solar collection can be calculated using Equation (2). The average collection efficiency of solar energy can be calculated using Equation (3).
η s c = 0.762 0.2125 × t c t 0 G 0.001672 × ( t c t 0 ) 2 G .
Q s c = 0 τ G × A × η s c ( τ ) d τ .
η ¯ s c = 0 τ G × A × η s c ( τ ) d τ 0 τ G × A d τ .

3.2. Adsorption and Desorption

The rates of desorption and adsorption were calculated using the desorption and adsorption dynamic models expressed in Equations (4) and (5) [28,29]. The equilibrium mass ratio of adsorbed water on the zeolite was obtained during the charging process using Equation (6). During the discharging process, the zeolite was in contact with water, and the equilibrium mass ratio of adsorbed water on the zeolite was set as the maximum mass ratio of 0.261 [28].
d x d τ = A exp E a ( d e s ) R T z x x e q .
d x d τ = A exp E a ( a d s ) R T z x e q x .
x e q = x max exp K T z T s 1 n .
As shown in Figure 7, the transient physisorption capacity of the zeolite in the desorption process obtained using the mathematical model and experiment [29] was in good agreement. Thus, it can be seen that the proposed model is adaptable.
As shown in Figure 8, the transient physisorption capacity of the zeolite during the adsorption process obtained using the mathematical model and experiment [30] were in good agreement. Thus, it can be validated that the proposed model is adaptable.
The energy balance for the charging process of the system can be expressed using Equation (7), where the term on the left-hand side represents the heat transferred from the heat source in the embedded heat exchanger. Furthermore, the first and second terms on the right-hand side of the equation represent the sensible heat change of the wet zeolite and desorption heat stored by the zeolite, respectively. The heat of charging was obtained using Equation (8).
The energy balance for the discharge process of the system can be expressed using Equation (9), where the term on the left-hand side represents the generated adsorption heat, and the first and second terms on the right-hand side represent the sensible heat changes of the wet zeolite and supplied water in the embedded heat exchanger, respectively. The heat of discharging is calculated using Equation (10).
m w c p w ( T w , i n T w , o u t ) d τ = M z ( c p z + x c p s ) d T z d τ d τ + M z Δ H d e s d x d τ d τ .
Q c h a r g e = M z Δ H d e s Δ x .
M z Δ H a d s , w d x d τ d τ = M z ( c p z + x c p s ) d T z d τ d τ + m w c p w ( T w , o u t T w , i n ) d τ .
Q d i s c h a r g e = M z Δ H a d s , w Δ x .

3.3. Performance Evaluation Indexes

Several indexes were adopted in this study to evaluate the performances of the SSTES system based on zeolite water.
(1) Efficiency of the total system
The efficiency of the total system is defined as the amount of obtained space heating divided by the amount of solar heat collection and can be expressed using Equation (11).
η s y s t e m = Q s c , h e a t i n g + Q d i s c h a r g e Q s c , h e a t i n g + Q s c , n o - h e a t i n g .
(2) Utilization efficiency of solar energy
Solar energy utilization efficiency is defined as the amount of obtained space heating divided by the amount of solar radiation heat and can be expressed using Equation (12).
η s o l a r = Q s c , h e a t i n g + Q d i s c h a r g e Q s r , h e a t i n g + Q s r , n o - h e a t i n g .
(3) Efficiency of TES based on zeolite water.
The efficiency of TES based on zeolite water is defined as the heat of discharging divided by the heat of charging and can be expressed using Equation (13).
η z e o l i t e = Q d i s c h a r g e Q c h a r g e .
(4) Energy density:
The mass-energy density of zeolite is defined as the heat of discharging divided by the mass of zeolite and can be expressed using Equation (14).
The mass-energy density of zeolite:
D m , z = Q d i s c h a r g e M z .
The volume energy density of zeolite is defined as the heat of discharging divided by the volume of zeolite and can be expressed using Equation (15).
The volume energy density of zeolite:
D v , z = Q d i s c h a r g e V z = Q d i s c h a r g e M z ρ z .
The mass-energy density of the system is defined as the amount of obtained space heating divided by the mass of zeolite and can be expressed using Equation (16).
The mass-energy density of the system:
D m , s = Q s c , h e a t i n g + Q d i s c h a r g e M z .
The volume energy density of the system is defined as the amount of obtained space heating divided by the volume of zeolite and can be expressed using Equation (17).
The volume energy density of the system:
D v , s = Q s h V z = Q s c , h e a t i n g + Q d i s c h a r g e M z ρ z .
(5) Entransy of supply water
The Entransy of the supply water is defined by Equation (18). Space heating can be expressed using Equation (19).
Entransy of supply water:
E n s w = 1 2 Q s w T s w .
Space heating:
Q s w = m s w c s w ( t s w t b w ) d τ .

4. Case Study

The physical properties and operational conditions adopted in the calculations were used to simulate the characteristics of the proposed system and are listed in Table 1. The non-heating season was defined as the period from 16 April to 14 October, and the remaining months were defined as the heating season.

4.1. Performance of the Proposed System during the Non-Heating Season

A typical day in each month was selected to show the characteristics of the charging process in detail. Figure 9 shows a schematic of the temperature of the solar collection on a typical day in July. The system collected high- (135 °C) and medium-temperature (105 °C) heat under high and low irradiation intensities, respectively. The durations for solar collection at 135 °C and 105 °C were planned based on half of the heat of the collection because this value best reflects the characteristics of the proposed collection mode.
The simulation results are listed in Table 2 under the specified conditions on a typical day of each month.
The accumulation of heat energy for the entire non-heating season can be obtained by summing the daily amount. Table 3 lists the simulation results of the proposed system during the non-heating season under the specified conditions. As observed from the table, the average collection efficiency of solar energy is 0.69. The ratio of desorption energy to collection heat is 0.90. The ratio represents the energy-conversion efficiency of the energy-storage process.

4.2. Performance of the Proposed System during the Heating Season

A typical day in each month was selected to reveal the characteristics of the discharging process in detail. Here, Figure 10 shows a schematic of the temperature of the solar collection on a typical day in January. The system collected medium- (100 °C) and low-temperature (70 °C) heat under high and low irradiation intensities, respectively. The duration of solar collection at 100 °C and 70 °C was planned based on half of the heat of the collection.
The simulation results are listed in Table 4 under the specified conditions on a typical day of each month.
The accumulation of heat energy for the entire heating season can be obtained by summing the daily amounts. Here, Table 5 lists the simulation results of the proposed system during the heating season under the specified conditions. As observed from the table, the average collection efficiency of solar energy is 0.68. The proportion of heat supplied at 120 °C reached 0.95. This is because the adsorption heat was insufficient to heat the supply water at 85 °C.

4.3. Annual Performance of the Proposed System

The proposed system exhibits a good performance because it adopts solar cascade heat collection, cascade storage of heat energy, and cascade heating. To better illustrate the advantages of the proposed system, we simulated a conventional system and compared the performance of the two systems.
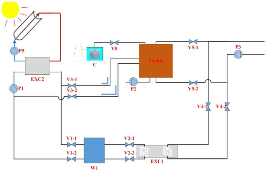
Here, Figure 11 shows a conventional solar-heating system with STES based on zeolite water. In the non-heating season, the solar heat-collection and zeolite adsorption subsystems worked, while the TES, energy release, and heating subsystems did not work. In this operating mode, valves V3-1, V3-2, and V0 were opened. Collected solar energy was eventually stored in the zeolite adsorption reactor. In the heating season, the system adopted heat storage and heat release. During the charging process, high-temperature heat was stored in tank W1, and valves V1-1 and V1-2 were opened in this operating mode. During the discharging process, the backwater was heated using the stored heat, and then, it was used for heating when the heating load was low or when the solar energy was abundant. Valves V2-1, V2-2, V4-1, and V4-2 were opened in this operating mode. The backwater was heated using the stored heat and zeolite adsorption heat simultaneously, and then it was used for heating when the heating load was high, or the solar energy was insufficient. An exothermic adsorption reaction occurred in the reactor, and the dry zeolite became wet. Valves V2-1, V2-2, V4-1, V4-2, V5-1, and V5-2 were opened in this operating mode.
The operating conditions of the proposed and reference systems are listed in Table 6.
The performances of the two systems under the specified conditions are listed in Table 7. The proposed system had several advantages. It had a supply heat of 2135 GJ, which is 188 GJ higher than that of the reference system. The efficiency of the total system was 54.18%, which is 1.28% higher than that of the reference system, and the utilization efficiency of solar energy was 37.16%, which is 3.26% higher than that of the reference system.

5. Sensitivity Analyses

Typical days in July and January were selected, and sensitivity analyses were performed to investigate the characteristics of the proposed system in detail.

5.1. Analyses for the Non-Heating Season

5.1.1. Medium Temperature of Solar Collection

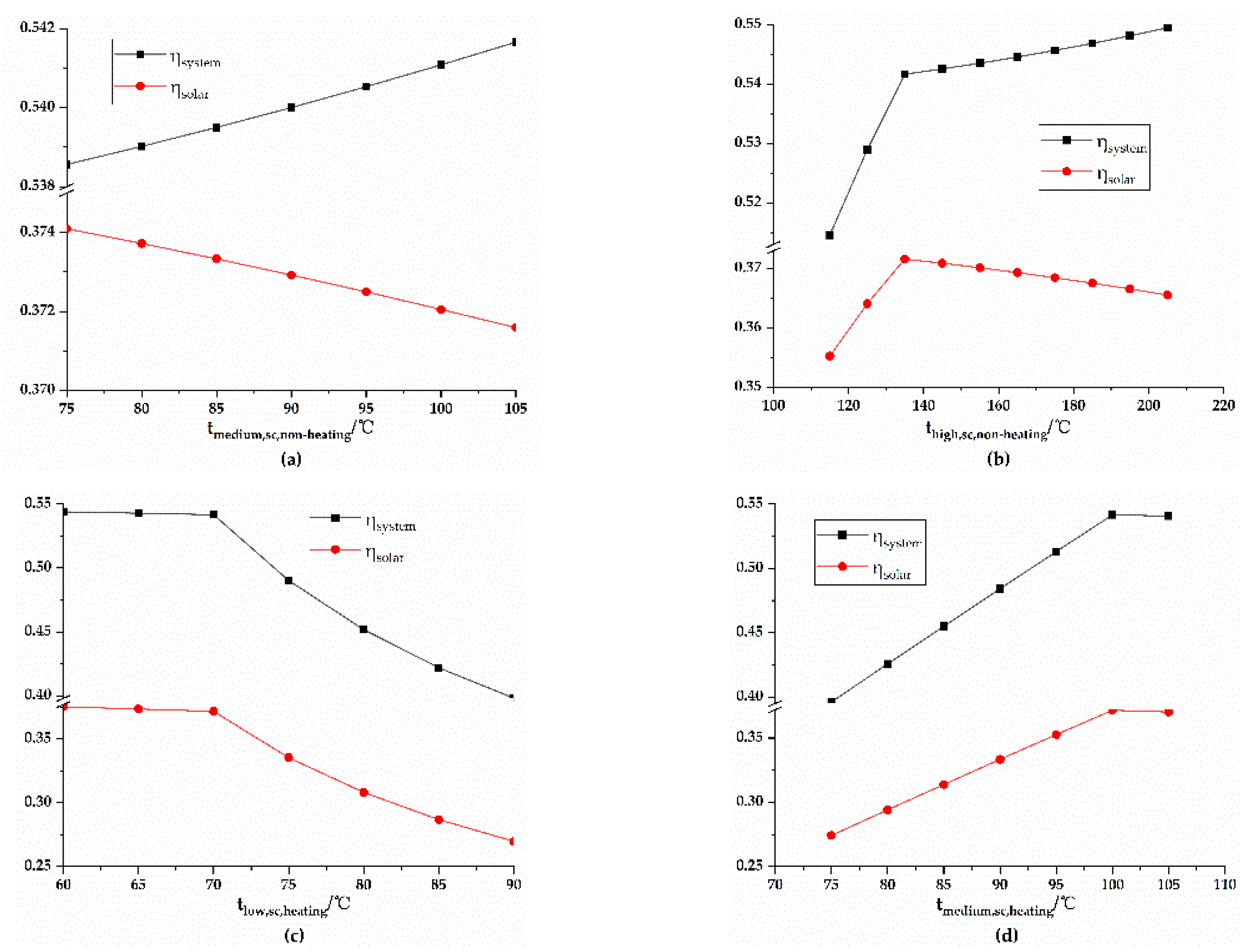
Here, Figure 12 shows the variations in the final mass ratio of adsorbed water on zeolite, the mass of zeolite, the heat of solar collection and the desorption heat of zeolite with the medium temperature of solar collection during the non-heating season. As observed from the figure, the mass of zeolite decreased with the increase in the medium temperature of solar collection in the non-heating season. This is because the desorption depth of zeolite at the medium temperature of solar collection increased. The higher the temperature of zeolite, the lower the equilibrium mass ratio of adsorbed water on zeolite was. As the desorption depth of zeolite increased, the mass of zeolite decreased. Similarly, the final mass ratio of adsorbed water on zeolite decreased.
As observed from the figure, the heat of solar collection decreased with the increase in the medium temperature of solar collection in the non-heating season. This is because the higher the temperature of solar collection, the lower the efficiency of solar collection and the heat of solar collection. Similarly, the desorption heat of zeolite exhibited the same trend. This is because only the sensible loss was included in thermal loss, and the desorption heat of zeolite was equal to the difference between the heat of solar collection and the thermal loss.

5.1.2. High Temperature of Solar Collection

Figure 13 shows the variations in the final mass ratio of adsorbed water on zeolite, the mass of zeolite, the heat of solar collection and the desorption heat of zeolite with the high temperature of solar collection during the non-heating season. As observed from the figure, the mass of zeolite decreased with the increase in the high temperature of solar collection in the non-heating season. This is because the heat of solar collection at medium temperature decreased. The higher the temperature of solar collection, the lower the heat of solar collection. At half of the total heat of solar collection, the heat of solar collection at medium temperature decreased. Meanwhile, the mass ratio of the adsorbed water on zeolite, which could be desorbed, was unchanged because the equilibrium mass ratio of the adsorbed water on the zeolite remained constant at medium temperature. However, the final mass ratio of the adsorbed water on the zeolite decreased and then remained unchanged. When the high temperature of solar collection in the non-heating season was less than 135 °C, the mass ratio of the adsorbed water on the zeolite that can be desorbed decreased. This is because the equilibrium mass ratio of the adsorbed water on the zeolite decreased. When the high temperature of solar collection in the non-heating season was greater than 135 °C, the mass ratio of the adsorbed water on the zeolite that can be desorbed remained unchanged. This is because the heat of solar collection at high temperature was limited and was equal to half of the total heat of solar collection.
As observed from the figure, the heat of solar collection decreased with the increase in the high temperature of solar collection in the non-heating season. This is because the higher the temperature of solar collection, the lower the efficiency of the solar collection and the heat of the solar collection. However, the desorption heat of zeolite first increased rapidly and then decreased gradually. This is because the desorption heat of zeolite was equal to the difference between the heat of solar collection and the thermal loss. When the high temperature of solar collection in the non-heating season was less than 135 °C, the thermal loss significantly decreased because the mass ratio of the adsorbed water on the zeolite that can be desorbed decreased. In addition to the sensible heat loss, much of the heat of solar collection could not be converted into desorption heat of zeolite because of the limitation of the equilibrium mass ratio of the adsorbed water on the zeolite. When the high temperature of solar collection in the non-heating season was greater than 135 °C, only sensible loss was included in the thermal loss.

5.2. Analyses for the Heating Season

5.2.1. Low Temperature of Solar Collection

Figure 14 shows the variations in the temperature, the mass, the heat and the entransy of supply water with the low temperature of solar collection during the heating season. As observed from the figure, the mass of supply water decreased with the increase in the low temperature of solar collection in the heating season. This is because the heat of solar collection at a low temperature decreased with the increase in the low temperature of solar collection in the heating season. However, the temperature of the supply water increased and then remained unchanged. When the low temperature of solar collection in the heating season was less than 70 °C, the temperature of the supply water increased because of the decrease in the mass of the supply water. When the low temperature of solar collection in the heating season was greater than 70 °C, the supply water temperature remained unchanged. This is because the medium temperature of solar collection was constant during the heating season.
As observed from the figure, the heat of the supply water first decreased gradually. It then reduced rapidly with the increase in the low temperature of solar collection in the heating season. When the low temperature of solar collection in the heating season was less than 70 °C, the heat of the supply water decreased gradually because the heat of solar collection decreased. When the low temperature of solar collection in the heating season was greater than 70 °C, the heat of supply water decreased rapidly. This is because much of the heat of solar collection at medium temperature could not be converted into the heat of the supply water owing to the limitation of the temperature difference in heat exchange. However, the entransy of the supply water first increased gradually and then decreased rapidly. The maximum entransy of supply water was 875.1 MJK/(m2*d) when the low temperature of solar collection in the heating season was 70 °C.

5.2.2. Medium Temperature of Solar Collection

Here, Figure 15 shows the variations in the temperature, the mass, the heat and the entransy of supply water with the medium temperature of solar collection during the heating season. As observed from the figure, the mass of the supply water decreased with the increase in the medium temperature of solar collection in the heating season. This is because the heat of solar collection at low temperatures decreased. At half of the total heat of solar collection, the heat of solar collection at low temperatures decreased. However, the supply water temperature first increased and then remained unchanged. When the medium temperature of solar collection in the heating season was less than 100 °C, the temperature of the supply water increased. This is because of the limitation of temperature difference of heat exchange. When the medium temperature of solar collection in the heating season was greater than 100 °C, the temperature of the supply water remained unchanged. This is because the heat of solar collection at medium temperature was limited and was equal to half of the total heat of solar collection in the heating season.
As observed from the figure, the heat of supply water first increased rapidly and then decreased gradually with the increase in the medium temperature of solar collection in the heating season. When the medium temperature of solar collection in the heating season was less than 100 °C, the heat of supply water increased rapidly. This is because an increasingly lesser amount of heat from solar collection at medium temperature could not be converted into the heat of the supply water owing to the limitation of the temperature difference in the heat exchange rate. When the medium temperature of solar collection in the heating season was greater than 100 °C, the heat of the supply water decreased gradually because the heat of solar collection decreased. The maximum heat of the supply water was 4.889 MJ/(m2*d) when the medium temperature of solar collection in the warm season was 100 °C. Meanwhile, the entransy of the supply water first increased rapidly and then decreased gradually. The maximum entransy of the supply water was 875.1 MJK/(m2*d) when the medium temperature of solar collection in the warm season was 100 °C.

5.3. Analyses of Annual Performance

Here, Figure 16 shows the variations in the efficiency of the total system and the utilization efficiency of solar energy full year. As observed from Figure 16a, the efficiency of the total system increased, and the utilization efficiency of solar energy decreased with the increase in the medium temperature of solar collection in the non-heating season. As observed from Figure 16b, the utilization efficiency of solar energy increased rapidly. Subsequently, they decreased gradually, and the efficiency of the total system first increased rapidly and then increased gradually with the high temperature of solar collection during the non-heating season. As observed from Figure 16c, the utilization efficiency of solar energy and the efficiency of the total system first decreased gradually and then decreased rapidly with the increase in the low temperature of solar collection in the heating season. As observed from Figure 16d, the utilization efficiency of solar energy and the efficiency of the total system first increased rapidly. It then decreased gradually with the increase in the medium temperature of solar collection in the heating season.

6. Conclusions

Based on the cascade utilization of energy, a novel solar-heating system with seasonal and cascade TES based on zeolite water is proposed. Furthermore, a mode is proposed in which high-temperature heat is collected under a higher irradiation intensity and low-temperature heat is collected under a lower irradiation intensity. The proposed system is helpful in improving the efficiency of solar collection. In the non-heating season, solar energy was collected and stored in the zeolite. In the heating season, space heating was supplied through cascade heat release. The following conclusions can be drawn from the numerical simulations performed:
(1)
Compared with the reference system, the solar cascade heat collection could improve the average efficiency of heat collection in the proposed system. The average heat collection efficiency is 69.08%, which is 2.88% higher than that of the reference system during the non-heating season, and 67.71%, which is 7.4% higher than that of the reference system during the heating season. Therefore, the proposed system has a high solar-energy utilization efficiency of 37.16%, which is 3.26% higher than the reference system’s.
(2)
The supply heat generated with the proposed system during the heating season is 2135 GJ, which is 9.66% higher than the reference system. The system’s mass-energy density and volume energy density are 586 kJ/(kg zeolite) and 614 MJ/(m3 zeolite), which are 5.02% and 5.14% higher than that of the reference system, respectively. The system performance depends on the physical properties of the zeolite and the proposed system.
(3)
According to the sensitivity analyses of the proposed system, the utilization efficiency of solar energy for a full year is generated when the high temperature of the solar collection is 135 °C during the non-heating season under the specified conditions. Similarly, the utilization efficiency of solar energy full year is generated when the medium temperature of solar collection is 100 °C during the heating season when the other parameters remained unchanged.

Author Contributions

Resources, H.C.; Visualization, X.Z. and D.X.; Writing—original draft, X.Y.; Writing—review & editing, Y.X. All authors have read and agreed to the published version of the manuscript.

Funding

This research was funded by [The National Science Fund] grant number [52006223], by [International Partnership Program of CAS] grant number [182211KYSB20170029], by [Dalian National Laboratory for Clean Energy] grant number [DNL202017], by [Guizhou Province Large Scale Physical Energy Storage Engineering & Technology Research Center program] grant number [No. [2017]5308].

Conflicts of Interest

The authors declare no conflict of interest.

Abbreviations

xMass ratio of adsorbed water on zeolite
tTemperature (°C)
TTemperature (K)
AFrequency factor (s−1)
Ea(des)Activation energy of desorption (kJ/mol)
Ea(ads)Activation energy of adsorption (kJ/mol)
RGas constant (kJ/(K*mol))
TzZeolite temperature (K)
xeqEquilibrium mass ratio of adsorbed water on zeolite
xmaxMaximum mass ratio of adsorbed water on zeolite
KCoefficient
TsCorresponding saturation temperature (K)
nCoefficient
MzMass of zeolite (kg)
MwMass of water in tank W1 at the end of first stage (kg)
ρzDensity of zeolite (kg/m3)
VzVolume of zeolite (m3)
cpzSpecific heat of dry zeolite (kJ/(kg*K))
cpsSpecific heat of steam (kJ/(kg*K))
mwMass flowrate of water (kg/s)
cwSpecific heat of supply water (kJ/(kg*K))
cpwSpecific heat of water (kJ/(kg*K))
TwTemperature of water (K)
ΔHdesDesorption enthalpy of zeolite (kJ/kg-steam)
ΔHads,zwAdsorption enthalpy of zeolite within water (kJ/kg-water)
QchargeHeat of charging (kJ)
QdischargeHeat of discharging (kJ)
Qsc,heatingHeat of solar collection in heating season (kJ)
Qsc,no-heatingHeat of solar collection in non-heating season (kJ)
Qsr,heatingHeat of radiation in heating season (kJ)
Qsr,no-heatingHeat of radiation in non-heating season (kJ)
QshLoad of space heating (kJ)
AArea of solar collection (m2)
ηsystemEfficiency of total system
ηsolarUtilization efficiency of solar energy
ηzeoliteEfficiency of thermal-energy storage based on zeolite-water
ηscEfficiency of solar collection
η ¯ s c Average efficiency of solar collection
tcTemperature of solar collection (°C)
t0Atmospheric temperature (°C)
GIrradiation intensity (W/m2)
τTime
Dm,zMass energy density of zeolite (kJ/kg zeolite)
Dv,zVolume energy density of zeolite (kJ/m3 zeolite)
Dm,sMass energy density of system (kJ/kg zeolite)
Dv,sVolume energy density of system (kJ/m3 zeolite)
EnswEntransy of supply water (JK)

References

  1. Mahon, H.; O’Connor, D.; Friedrich, D.; Hughes, B. A review of thermal energy storage technologies for seasonal loops. Energy 2021, 239, 122207. [Google Scholar] [CrossRef]
  2. Rostami Zadeh, K.; Mirjalily, S.A.A.; Oloomi, S.A.A. Dynamic simulation and comparison of a combined heat and power system with/without thermal energy storage. J. Energy Resour. Technol. 2021, 143, 052106. [Google Scholar] [CrossRef]
  3. Kumar, P.; Singh, P.K.; Nagar, S. Heat Transfer Analysis of Graphene Reinforced PCM for Thermal Energy Storage. IOP Conf. Ser. Mater. Sci. Eng. 2021, 1116, 012052. [Google Scholar] [CrossRef]
  4. Kulkarni, P.; Muthadhi, A. Thermal energy storage cement mortar with direct incorporation of organic and inorganic phase change materials. Innov. Infrastruct. Solut. 2021, 6, 1–16. [Google Scholar] [CrossRef]
  5. Arteconi, A.; Ferracuti, F.; Tascioni, R.; Mahkamov, K.; Kenisarin, M.; Costa, C.; Cabeza, L.F.; de Gracia, A.; Halimic, E.; Mullen, D. Black box modelling of a latent heat thermal energy storage system coupled with heat pipes. IOP Conf. Ser. Mater. Sci. Eng. 2021, 1139, 012010. [Google Scholar] [CrossRef]
  6. Singh, P.K.; Nagar, S.; Singh, M. Experimental analysis of Thermal Efficiency of functionalized Graphene (COOH) reinforced PCM for thermal energy storage system. IOP Conf. Ser. Mater. Sci. Eng. 2021, 1116, 012008. [Google Scholar] [CrossRef]
  7. McDaniel, B.; Kosanovic, D. Modeling of combined heat and power plant performance with seasonal thermal energy storage. J. Energy Storage 2016, 7, 13–23. [Google Scholar] [CrossRef]
  8. Zhang, J.; Cho, H.; Mago, P.J.; Zhang, H. Multi-objective particle swarm optimization (MOPSO) for a distributed energy system integrated with energy storage. J. Therm. Sci. 2019, 28, 1221–1235. [Google Scholar] [CrossRef]
  9. Jonin, M.; Khosravi, M.; Eichler, A.; Villasmil, W.; Schuetz, P.; Jones, C.N.; Smith, R.S. Exergy-based model predictive control for design and control of a seasonal thermal energy storage system. J. Phys. Conf. Ser. 2019, 1343, 012066. [Google Scholar] [CrossRef]
  10. Sharan, P.; Kitz, K.; Wendt, D.; McTigue, J.; Zhu, G. Using Concentrating Solar Power to Create a Geological Thermal Energy Reservoir for Seasonal Storage and Flexible Power Plant Operation. J. Energy Resour. Technol. 2021, 143, 010906. [Google Scholar] [CrossRef]
  11. Pathak, A.D.; Nedea, S.; Zondag, H.; Mctigue, J.; Zhu, G. A DFT-based comparative equilibrium study of thermal dehydration and hydrolysis of CaCl 2 hydrates and MgCl 2 hydrates for seasonal heat storage. Phys. Chem. Chem. Phys. 2016, 18, 10059–10069. [Google Scholar] [CrossRef] [PubMed]
  12. Nowamooz, H.; Nikoosokhan, S.; Chazallon, C. Seasonal thermal energy storage in shallow geothermal systems: Thermal equilibrium stage. J. Geotherm. Res. Soc. Jpn. 2015, 37, 59–63. [Google Scholar] [CrossRef]
  13. Rostampour, V.; Keviczky, T. Probabilistic energy management for building climate comfort in smart thermal grids with seasonal storage systems. IEEE Trans. Smart Grid 2018, 10, 3687–3697. [Google Scholar] [CrossRef]
  14. Anibas, C.; Kukral, J.; Possemiers, M.; Huysmans, M. Assessment of Seasonal Aquifer Thermal Energy Storage as a Groundwater Ecosystem Service for the Brussels-Capital Region: Combining Groundwater Flow, and Heat and Reactive Transport Modeling. Energy Procedia 2016, 97, 179–185. [Google Scholar] [CrossRef]
  15. Osorio, J.D.; Hovsapian, R.; Ordonez, J.C. Effect of multi-tank thermal energy storage, recuperator effectiveness, and solar receiver conductance on the performance of a concentrated solar supercritical CO2-based power plant operating under different seasonal conditions. Energy 2016, 115, 353–368. [Google Scholar] [CrossRef]
  16. Tulus, V.; Boer, D.; Cabeza, L.F.; Jiménez, L.; Guillén-Gosálbez, G. Enhanced thermal energy supply via central solar heating plants with seasonal storage: A multi-objective optimization approach. Appl. Energy 2016, 181, 549–561. [Google Scholar] [CrossRef]
  17. Poredoš, P.; Vidrih, B.; Poredoš, A. Performance and Exergy Analyses of a Solar Assisted Heat Pump with Seasonal Heat Storage and Grey Water Heat Recovery Unit. Entropy 2020, 23, 47. [Google Scholar] [CrossRef]
  18. Zhao, J.; Chen, Y.; Li, X. Optimization for operating modes based on simulation of seasonal underground thermal energy storage. Front. Energy Power Eng. China 2008, 2, 298–301. [Google Scholar] [CrossRef]
  19. Dada, M.A.; Benchatti, A. Assessment of Heat Recovery and Recovery Efficiency of a Seasonal Thermal Energy Storage System in a Moist Porous Medium. Int. J. Heat Technol. 2016, 34, 701–708. [Google Scholar] [CrossRef]
  20. Liu, L.; Zhu, N.; Zhao, J. Thermal equilibrium research of solar seasonal storage system coupling with ground-source heat pump. Energy 2016, 99, 83–90. [Google Scholar] [CrossRef]
  21. Mahon, D.; Henshall, P.; Claudio, G.; Eames, P. Feasibility study of MgSO4 + zeolite based composite thermochemical energy stores charged by vacuum flat plate solar thermal collectors for seasonal thermal energy storage. Renew. Energy 2020, 145, 1799–1807. [Google Scholar] [CrossRef]
  22. Yan, T.; Zhang, H.; Yu, N.; Li, D.; Pan, Q.W. Performance of thermochemical adsorption heat storage system based on MnCl2-NH3 working pair. Energy 2021, 239, 122327. [Google Scholar] [CrossRef]
  23. Jiang, L.; Liu, W.; Lin, Y.; Wang, R.; Zhang, X.; Hu, M. Hybrid thermochemical sorption seasonal storage for ultra-low temperature solar energy utilization. Energy 2021, 239, 122068. [Google Scholar] [CrossRef]
  24. Boycheva, S.V.; Zgureva, D.M.; Marinov, I.K.; Yankov, I.; Ivanov, A. Studies on the thermochemical energy storage in the coal ash zeolite/water system. IOP Conf. Ser. Mater. Sci. Eng. 2021, 1032, 012033. [Google Scholar] [CrossRef]
  25. Tatlier, M. Theoretical investigation of performances of zeolite Y and SAPO-34 coatings for adsorption heat pump applications. Heat Mass Transf. 2021, 57, 975–984. [Google Scholar] [CrossRef]
  26. Rocky, K.A.; Pal, A.; Rupam, T.H.; Nasruddin; Saha, B.B. Zeolite-graphene composite adsorbents for next generation adsorption heat pumps. Microporous Mesoporous Mater. 2021, 313, 110839. [Google Scholar] [CrossRef]
  27. Zhang, L.; Xue, B.; Chen, T.; Li, G. Silane functionalization on zeolite 13X surface for direct steam generation in a solid sorption heat pump. Energy Convers. Manag. 2021, 244, 114457. [Google Scholar] [CrossRef]
  28. Lu, Y.Z.; Wang, R.Z.; Zhang, M.; Jiang, Z.S. Thermodynamic and experimental investigation on adsorption cold storage with zeolite-water pair. J. Chem. Ind. Eng. 2003, 54, 357–361. (In Chinese) [Google Scholar]
  29. Xue, B.; Iwama, Y.; Tanaka, Y.; Nakashima, K.; Wijayanta, A.T.; Nakaso, K.; Fukai, J. Cyclic steam generation from a novel zeolite-water adsorption heat pump using low-grade waste heat. Exp. Therm. Fluid Sci. 2013, 46, 54–63. [Google Scholar] [CrossRef]
  30. Xu, J.X.; Li, T.X.; Wang, R.Z. Sorption characteristics and heat storage performance of MgCl2/13X zeolite composite sorbent. J. Chem. Ind. Eng. 2016, 67, 348–355. (In Chinese) [Google Scholar]
Figure 1. Schematic of the proposed system.
Figure 1. Schematic of the proposed system.
Energies 15 07733 g001
Figure 2. Meteorological parameters in the Chifeng city of China.
Figure 2. Meteorological parameters in the Chifeng city of China.
Energies 15 07733 g002
Figure 3. Daily irradiation intensity hour by hour in the heating season.
Figure 3. Daily irradiation intensity hour by hour in the heating season.
Energies 15 07733 g003
Figure 4. Daily irradiation intensity hour by hour in the non-heating season.
Figure 4. Daily irradiation intensity hour by hour in the non-heating season.
Energies 15 07733 g004
Figure 5. Variation of solar-energy collection efficiency in the non-heating season.
Figure 5. Variation of solar-energy collection efficiency in the non-heating season.
Energies 15 07733 g005
Figure 6. Variation of solar-energy collection efficiency in the heating season.
Figure 6. Variation of solar-energy collection efficiency in the heating season.
Energies 15 07733 g006
Figure 7. Comparison between experiment and calculation of transient physisorption capacity of zeolite during the desorption process.
Figure 7. Comparison between experiment and calculation of transient physisorption capacity of zeolite during the desorption process.
Energies 15 07733 g007
Figure 8. Comparison between experiment and calculation of transient physisorption capacity of zeolite during the adsorption process.
Figure 8. Comparison between experiment and calculation of transient physisorption capacity of zeolite during the adsorption process.
Energies 15 07733 g008
Figure 9. Schematic of the temperature of solar collection on a typical day in July.
Figure 9. Schematic of the temperature of solar collection on a typical day in July.
Energies 15 07733 g009
Figure 10. Schematic of the temperature of solar collection on a typical day in January.
Figure 10. Schematic of the temperature of solar collection on a typical day in January.
Energies 15 07733 g010
Figure 11. The conventional solar-heating system with STES based on zeolite water.
Figure 11. The conventional solar-heating system with STES based on zeolite water.
Energies 15 07733 g011
Figure 12. Variations in the key parameters with the medium temperature of solar collection in the non-heating season.
Figure 12. Variations in the key parameters with the medium temperature of solar collection in the non-heating season.
Energies 15 07733 g012
Figure 13. Variations in the key parameters with the high temperature of solar collection in the non-heating season.
Figure 13. Variations in the key parameters with the high temperature of solar collection in the non-heating season.
Energies 15 07733 g013
Figure 14. Variations in the key parameters with the low temperature of solar collection in the heating season.
Figure 14. Variations in the key parameters with the low temperature of solar collection in the heating season.
Energies 15 07733 g014
Figure 15. Variations in the key parameters with the medium temperature of solar collection in the heating season.
Figure 15. Variations in the key parameters with the medium temperature of solar collection in the heating season.
Energies 15 07733 g015
Figure 16. Variations in the performance of the system full year. ((ad) denote four different variables on the horizontal axis.)
Figure 16. Variations in the performance of the system full year. ((ad) denote four different variables on the horizontal axis.)
Energies 15 07733 g016
Table 1. Physical properties and operational conditions of the proposed system.
Table 1. Physical properties and operational conditions of the proposed system.
ItemValue
Specific heat of supply water [kJ/(kg·°C)]4.4
Specific heat of dry zeolite [kJ/(kg·°C)]0.71
Density of dry zeolite [kg/m3]1047
Specific heat of steam [kJ/(kg·°C)]2.245–5.3047 × 10−4 T
Adsorption enthalpy of zeolite [kJ/(kg-water)]1230
Desorption enthalpy of zeolite [kJ/(kg-steam)]3800
Mass ratio of adsorbed water on zeolite at the end of adsorption0.2349 [29]
Areas of solar collector [m2]1000
Temperature difference of the heat transfer of solar system [°C]5
Temperature difference of the heat transfer of water tank [°C]10
High temperature of collection in the non-heating season [°C]135
Medium temperature of collection in the non-heating season [°C]105
Medium temperature of collection in the heating season [°C]100
Low temperature of collection in the heating season [°C]70
Temperature of backwater of the main heating network [°C]25
Medium temperature of supply water [°C]85
High temperature of supply water [°C]120
Table 2. Simulation results for a typical day of each month in the non-heating season.
Table 2. Simulation results for a typical day of each month in the non-heating season.
ItemApr.MayJun.Jul.Aug.Sep.Oct.
Final mass ratio of adsorbed water on zeolite0.070.070.070.070.070.070.07
Amount of collection [GJ]13.1814.8315.8916.2014.3111.868.06
Average efficiency of solar collection0.67820.68590.69390.69720.68890.67670.6570
Duration of solar collection at 135 °C [h]3.664.084.084.084.083.672.95
Duration of solar collection at 105 °C [h]6.346.926.926.926.926.335.05
Mass of desorbed zeolite [t]18.8421.1922.7223.2720.4516.9611.52
Desorption heat of zeolite [GJ]11.8613.3414.3014.5812.8810.687.25
Ratio of desorption energy to collection heat0.900.900.900.900.900.900.90
Table 3. Simulation results for the non-heating season.
Table 3. Simulation results for the non-heating season.
ItemValue
Total amount of radiation in the non-heating season [GJ]3689
Total amount of collection in the non-heating season [GJ]2549
Average collection efficiency of solar energy0.69
Maximum volume of water in W2 [m3]193
Duration of solar collection at 135 °C in the non-heating season [h]708
Duration of solar collection at 105 °C in the non-heating season [h] 1207
Total mass of desorbed zeolite in the non-heating season [t]3642
Volume of desorbed zeolite in the non-heating season [m3]3479
Desorption heat of zeolite in the non-heating season [GJ]2294
Ratio of desorption energy to collection heat0.90
Table 4. Simulation results for a typical day of each month in the heating season.
Table 4. Simulation results for a typical day of each month in the heating season.
ItemOct.Nov.Dec.Jan.Feb.Mar.Apr.
Amount of collection [GJ]8.426.254.474.898.1810.8813.64
Average efficiency of solar collection0.69310.67210.63350.63870.67270.68660.7059
Duration of solar collection at 70 °C [h]5.054.454.464.485.065.736.33
Duration of solar collection at 100 °C [h]2.952.552.542.522.943.273.67
Mass of supply water [t]31.8923.6616.9318.5230.9841.2151.66
Table 5. Simulation results for the heating season.
Table 5. Simulation results for the heating season.
ItemValue
Total amount of radiation in the heating season [GJ]2055
Total amount of collection in the heating season [GJ]1392
Average collection efficiency of solar energy0.68
Maximum volume of water in W1 [m3]109
Maximum volume of water in W2 [m3]109
Duration of solar collection at 100 °C in the heating season [h]523
Duration of solar collection at 70 °C in the heating season [h]910
Total amount of adsorption heat in the heating season [GJ]743
Total amount of supply heat in the heating season [GJ]2135
Ratio of adsorption heat to heat of solar collection for supply0.53
Total heat of supply water at 85 °C [GJ]102
Total heat of supply water at 120 °C [GJ]2033
Proportion of supply heat at 85 °C0.05
Proportion of supply heat at 120 °C0.95
Table 6. Operating conditions of the proposed and reference systems.
Table 6. Operating conditions of the proposed and reference systems.
ItemReference SystemProposed System
Mass ratio of adsorbed water on zeolite at the end of adsorption0.23490.2349
Areas of solar collector [m2]10001000
Temperature difference of the heat transfer of solar system [°C]55
Temperature difference of the heat transfer of water tank [°C]1010
High temperature of collection in the non-heating season [°C]135135
Medium temperature of collection in the non-heating season [°C]105
Medium temperature of collection in the heating season [°C]100100
Low temperature of collection in the heating season [°C]70
Temperature of backwater of main heating network [°C]2525
Medium temperature of supply water [°C]8585
High temperature of supply water [°C]/120
Table 7. Performances of the proposed and reference systems.
Table 7. Performances of the proposed and reference systems.
ItemReference SystemProposed System
Total amount of collection in the non-heating season [GJ]24422549
Total mass of desorbed zeolite in the non-heating season [t]34913642
Volume of desorbed zeolite in the non-heating season [m3]33343479
Desorption heat of zeolite in the non-heating season [GJ]21982294
Ratio of desorption energy to collection heat0.900.90
Total amount of collection in the heating season [GJ]12391392
Total amount of adsorption heat in the heating season [GJ]708743
Total amount of supply heat in the heating season [GJ]19472135
Total heat of supply water in 85 °C [GJ]1947102
Total heat of supply water in 120 °C [GJ]02033
Proportion of supply heat in 85 °C100%5%
Proportion of supply heat in 120 °C095%
Efficiency of the total system52.90%54.18%
Utilization efficiency of solar energy33.90%37.16%
Efficiency of TES based on zeolite water32.37%32.37%
Mass energy density of the system [kJ/kg-zeolite]558586
Volume energy density of the system [MJ/m3-zeolite]584614
Mass energy density of zeolite [kJ/kg-zeolite]203204
Volume energy density of zeolite [MJ/m3-zeolite]212214
Average efficiency of collection of in the non-heating season66.20%69.08%
Average efficiency of collection of in the heating season60.31%67.71%
Publisher’s Note: MDPI stays neutral with regard to jurisdictional claims in published maps and institutional affiliations.

Share and Cite

MDPI and ACS Style

Yue, X.; Xu, Y.; Zhou, X.; Xu, D.; Chen, H. Study on the Performance of a Solar Heating System with Seasonal and Cascade Thermal-Energy Storage. Energies 2022, 15, 7733. https://doi.org/10.3390/en15207733

AMA Style

Yue X, Xu Y, Zhou X, Xu D, Chen H. Study on the Performance of a Solar Heating System with Seasonal and Cascade Thermal-Energy Storage. Energies. 2022; 15(20):7733. https://doi.org/10.3390/en15207733

Chicago/Turabian Style

Yue, Xiuyan, Yujie Xu, Xuezhi Zhou, Dehou Xu, and Haisheng Chen. 2022. "Study on the Performance of a Solar Heating System with Seasonal and Cascade Thermal-Energy Storage" Energies 15, no. 20: 7733. https://doi.org/10.3390/en15207733

APA Style

Yue, X., Xu, Y., Zhou, X., Xu, D., & Chen, H. (2022). Study on the Performance of a Solar Heating System with Seasonal and Cascade Thermal-Energy Storage. Energies, 15(20), 7733. https://doi.org/10.3390/en15207733

Note that from the first issue of 2016, this journal uses article numbers instead of page numbers. See further details here.

Article Metrics

Back to TopTop