Next Article in Journal
Phenyl Vinylsulfonate, a Novel Electrolyte Additive to Improve Electrochemical Performance of Lithium-Ion Batteries
Next Article in Special Issue
Model Development for State-of-Power Estimation of Large-Capacity Nickel-Manganese-Cobalt Oxide-Based Lithium-Ion Cell Validated Using a Real-Life Profile
Previous Article in Journal
Investigations of Vertical-Axis Wind-Turbine Group Synergy Using an Actuator Line Model
Previous Article in Special Issue
Prediction of Battery SOH by CNN-BiLSTM Network Fused with Attention Mechanism
 
 
Font Type:
Arial Georgia Verdana
Font Size:
Aa Aa Aa
Line Spacing:
Column Width:
Background:
Brief Report

Thévenin’s Battery Model Parameter Estimation Based on Simulink

1
Department of Energy (DENERG), Politecnico di Torino, Corso Duca degli Abruzzi, 24, 10129 Turin, Italy
2
Energy Center, Politecnico di Torino, Via P. Borsellino 38/18, 10129 Turin, Italy
3
Department of Applied Science and Technology (DISAT), Politecnico di Torino, Corso Duca degli Abruzzi, 24, 10129 Turin, Italy
*
Author to whom correspondence should be addressed.
Energies 2022, 15(17), 6207; https://doi.org/10.3390/en15176207
Submission received: 29 July 2022 / Revised: 21 August 2022 / Accepted: 23 August 2022 / Published: 26 August 2022

Abstract

:
Lithium-ion batteries (LIB) proved over time to be one of the best choices among rechargeable batteries. Their small size, high energy density, long life, and low maintenance need make them a prominent candidate for the role of the most widespread energy storage system. They have the potential to monopolize the green technology sector. An accurate definition of the parameters defining the behaviour of the battery in different operating conditions is thus essential, as their knowledge proves crucial in certain fields such as those that involve electric vehicles. This paper proposes the estimation of the values of the parameters of the Thévenin equivalent circuit of a LIB commercial cell. Experimental data obtained through constant current charge/discharge cycles are analysed through a Simulink model, and results are obtained as a function of the state of charge (SOC) for a fixed and controlled temperature value. The results achieved with the proposed model can monitor the salient parameters of the equivalent circuit with an error between 7 and 10%.

1. Introduction

In recent years, the growing concern for both environmental issues related to atmospheric pollution and for the use of fossil fuels paved the way for a new “idea” of energy, green, ecologic, and economic, whose consolidation represents an important goal for the social and economic development of most countries. One of the main problems with this kind of energy is the difficulty with its storage. The development of production technologies is strictly connected to the progress in storage technology. The extensive use of renewable resources due to their highly uncertain nature needs the continuous use of electrical storage systems. Lithium-ion batteries in this context are an issue in the literature [1,2,3]. Being among the most advanced rechargeable batteries, they have drawn much attention from researchers and companies in the last decades. Li-ion batteries show significant benefits in terms of power and energy density, estimated life, working temperature range, and capacity [4,5,6]. Beginning with the production of the first rechargeable Li-ion battery in 1976, in approximately a decade the technological issues were addressed. The ceaseless evolution of these devices led to an extension of the fields of application of LIBs, starting from mobile phones in the early 1990s, to digital cameras, personal computers, and finally to the transport sector, both in electric and in hybrid vehicles [7]. This implied a substantial increase in the demand for LIBs, a trend which—according to previsions—will protract for the rest of the decade [8]. It is almost immediate to notice the importance held by the development of these batteries when we think of the ever-increasing functionalities of mobile phones, tablets, and personal computers, as well as the safety performance and low cost required to operate in electric vehicles. Furthermore, LIBs employment is strongly increasing for energy storage, to moderate the impact of the discontinuous and fluctuating green energy supply from renewable sources on the electricity grid and to store excess energy produced in times of high supply and low demand. In this context, the cost for production of large-scale Li-ion batteries for grid application will need to be strongly cut down.
Intensive research is still being conducted on various types of materials for the electrodes, the electrolyte, and the separator, as well as on the physical behaviour and on the computer-aided monitoring of the batteries.
A key point towards carbon neutrality, the decarbonization of the transport sector is an issue that is currently being addressed worldwide by both public and private bodies. Although the diffusion of electric motors in the heavy transport sector is still irrelevant (with an exception being busses and trams for public transport)—and even less so for the aviation and maritime sectors—important progress was made in the last decades for light vehicles; either cars, motorcycles and scooters, or bikes.
LIBs are the energy source for electric vehicles; thus, their development determines the speed and the quality degree at which EVs grow. To date, an efficient and reliable battery monitoring system (BMS) is the key to grant a safe operation of LIBs. The central operator of lithium-ion batteries, the BMS must be able to balance the cells, ensuring uniformity between the individual elements in terms of nominal capacity, internal resistance, and self-discharge. The possibility of parameterising the battery elements is an important simplifying aspect of the operation process. There are various steps in the making of a BMS, as the analysis of requirements, the modelling and simulation, the research for a control strategy and the hardware experimentation all need an efficient model to identify the characteristic parameters of li-ion batteries [9,10,11,12]. Chen et al. studied lithium-ion batteries via an equivalent circuit model by varying the state of charge (SOC). The proposed model is third order in the RC network in Thévenin’s model. Some physical evaluations were included, and the proposed model was validated using Simulink with experimental data [13]. Ding et al. proposed an improved first-order Thévenin model for LIB cells with an accuracy of around 1% with experimental data [14].
This study aims at determining the value of those parameters for the Thévenin equivalent circuit (1st and 2nd order) of a commercial LIB cell, whose experimental data were obtained through charge/discharge cycles at a fixed and controlled temperature and for different values of current.

2. Battery Model

To design an important system such as a battery monitoring system and for it to properly work, a suitable battery model—including charging/discharging characteristics, state of charge (SOC) and state of health (SOH) estimation, and real-time simulation—is indispensable. Different battery models were proposed through the years: thermal, electrochemical, multi-physics coupled, equivalent circuit models (ECMs), and machine learning models. Li-ion batteries’ performance and safety depend on both internal and external parameters, such as temperature, vibrations, ageing, and self-discharge. A suitable model is chosen to allow the identification of the characteristics describing the battery, and it is the base for the estimation of its state. In the modelling section, three scales are considered: material level, cell level, and battery pack level. The first one is used to describe microscopic phenomena related to charge transfer, and diffusion of the lithium ions; the second one deals with transport, thermodynamic, mechanical, and kinetic phenomena; the third one considers the complete set of cells and studies its behaviour during operation.
ECMs are widely used, thanks to their efficient online implementation and modest computational cost, although their calculations are not always accurate to the highest degree [15]. Equivalent circuits consist of voltage sources, resistors, and capacitors which simulate the dynamic characteristics of the battery, to describe the relationship between tension and current shown when the battery is working [7,16,17,18]. The two most common circuits in literature are the first and second order Thévenin equivalent circuit and the PNGV (Partnership for a New Generation of Vehicles) [14,19,20]. These models offer two significant benefits: they are not excessively complex, while still representing adequately the static and dynamic characteristics of LIBs. Therefore, they can be implemented without problems and their parameters can be found easily.
A schematic of the three circuits is shown in Figure 1. In all of them, the tension Voc is the open circuit voltage (OCV), which varies non-linearly with the SOC, R0 is the ohmic resistance of the electrolyte and the battery connection resistance, Ri is the polarization resistance, Ci is the polarization capacitance, and VL is the load voltage [7,21]. The RC branch describes the non-linear polarization of LIBs. In the second order Thévenin circuit, two RC branches are present, while in the PNGV circuit there is an added capacitance term related to the OCV, 1/V’oc.
In this study, the first- and second order Thévenin equivalent circuits were analysed, and their parameters were obtained as functions of the SOC, for different operative conditions during the discharge phase (constant current 1C, 2C and C/3) fixing the temperature.

3. Experimental Set-Up

The battery under investigation is an NMC 811 cathode (LiNi0.8Mn0.1Co0.1O2) and graphite anode for a voltage window of 2.8-4.25 V. Data were extracted from an experimental study already published by Ma et al. (2016) [22]. The rated tension designed was fixed to 3.7 V, while the specific capacity ranged around 215 mAh/g at 4.2 V, as reported from Li-Fun Technology (Xinma Industry Zone, Golden Dragon Road, Tianyuan District, Zhuzhou City, Hunan Province, PRC, 412000).
The battery underwent two equal consecutive charge/discharge cycles, starting from a completely discharged state. It was initially charged at a constant current up to the rated tension, then the charging phase continued at constant tension until the SOC reached 100%. It was conducted at a constant current, and the test was repeated for different values of current, namely (1C), (~2C), and (C/3). The second cycle started immediately after the null value of SOC had been reached. The tests were conducted with the internal temperature of the battery fixed at 25 °C. The temperature was fixed with a calorimeter even if the battery temperature could increase during the operation. This has a non-negligible effect on the parameters, and on the internal resistance; it depends not only on the SOC but also on the temperature.

4. Results and Validation

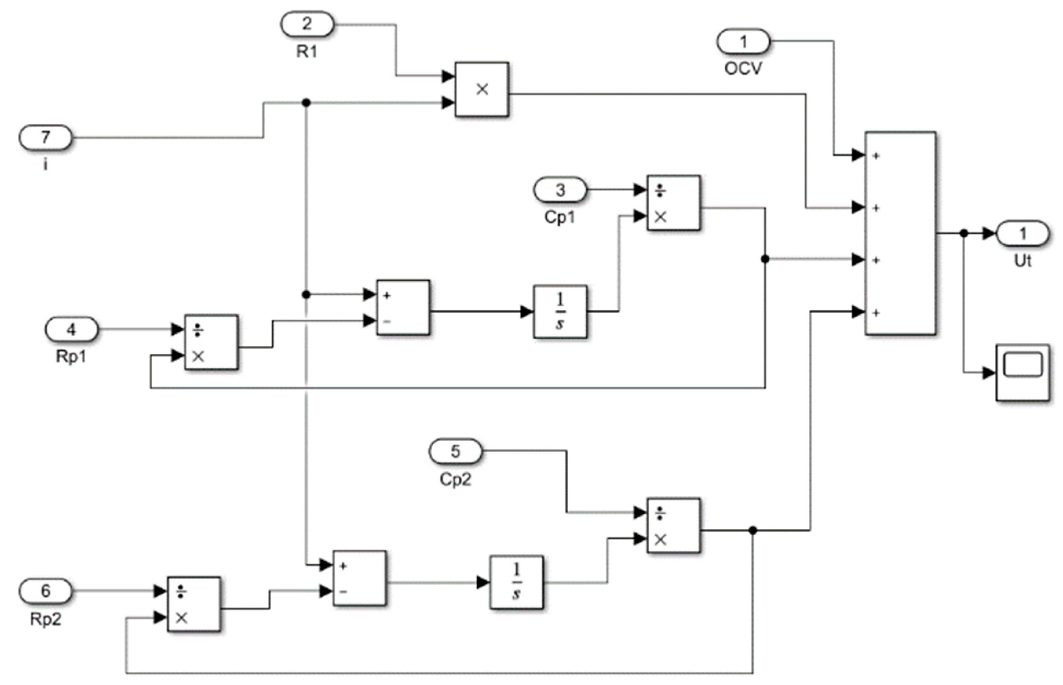
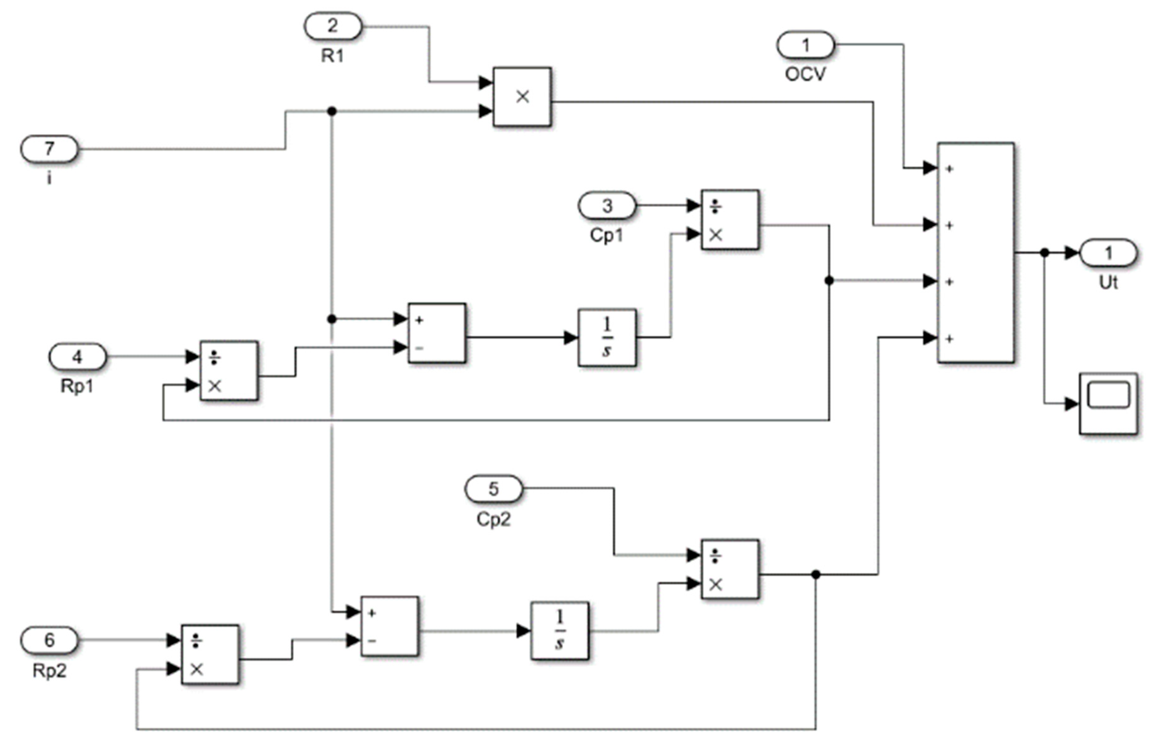
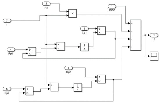
The results obtained through the Equivalent Circuit simulation have undergone a curve fitting—realized with the dedicated Matlab tool—according to the Ordinary Least Squares method. The first order Thévenin model (see Figure 1a) and the second order Thévenin model (see Figure 1c) were implemented in Matlab-Simulink [23]. The scheme implemented in Simulink is reported in Figure 2 where the terminal Voltage is implemented in Figure 3 as a submodule. The State of Charge (SOC) calculation is implemented in Figure 4. Looking at the estimated parameters (Table 1, Figure 5 and Figure 6), one can see that the obtained data and the trends reported are comparable to those published in the literature with even third order Thévenin models [15,21,24].
It is immediately apparent that the behaviour of the open-circuit voltage follows the discharge voltage; and thus, a decrease in the state of charge corresponds to a decrease in the open-circuit voltage (OCV). The internal resistance R0 strongly depends on both the state of charge and the C-rate. Both are supported by the literature [24,25,26], and such a strong variation is also tied to the temperature rise during the test [27]. Similar considerations can be made for polarisation resistances R1 and R2 whose values, as for the internal resistance, increase when the discharge current is lower and with lower SOC. Yuan et al. focused on the BMS to control the LIB system. It was found that with increasing SOC values, the time constant and the polarization resistance decreased accordingly [28].
The polarisation capacitance parameters Cp1 and Cp2 behave oppositely with increasing the C-rate. In the initial phase of the discharge process (with a high SOC value), these parameters are high and decrease rapidly as the residual charge decreases. These values are following the study of Dongliang [29]. The polarization phenomenon plays a key role in the battery discharge process, and the initial moments are undoubtedly the most critical, as the current instantly goes from zero to the nominal value, instead of gradually increasing. If it is also considered that chemical reactions are not completely balanced in the initial stages, it is possible to justify such polarization behaviour for high SOC values. After obtaining the parameter values necessary to describe the equivalent circuits (Figure 2 and Figure 3), it is possible to implement—again in Simulink—a model to check the consistency of the results with the experimental data, as proposed by Zhang et al. [7]. The model for the second-order circuit is shown in Figure 4 where both the terminal Voltage and the State of Charge (SOC) calculations are implemented as submodules and shown in Figure 6 and in Figure 5, respectively.
To perform a comparison between the experimental and the simulated behaviour, the relative error of the voltage is reported in the following figure (Figure 7). It is possible to notice that the deviation is almost negligible in the intermediate phases, while it is more relevant in the starting and ending phases of the discharge process. Increasing the C-rate, with all other variables being equal, means that more current is available. With the first and final stages removed, there is an increase in the simulation error as the C rate increases. This increase is linked to the greater value of available current and the fact that this value can vary continuously over time, so there is a greater variability.
As previously stated, this is mainly due to three factors. First, the polarization mechanism plays a key role. Although the current through the battery is constant, it appears as being impulsive in the first moments of the process, varying instantaneously from a null value to the test value. Furthermore, electrochemical reactions in these phases tend to be unbalanced. Finally, there is an important influence of the battery temperature, which will reasonably increase during the discharge, thus reaching a higher value in the last phase.

5. Conclusions

Various categories of models are generally used to study Li-ion batteries: thermal, electrochemical, multi-physics coupled, equivalent circuit models (ECMs), and machine learning based. Among them, ECMs are widespread, thanks to their efficient implementation and low computational costs. In this work, the parameters characterizing the first- and second order Thévenin equivalent circuit have been estimated as a function of the state of charge and the discharge current, through a Simulink model at a fixed temperature value. The operating temperature is an important variable for the SOC estimation. The results were then validated using another model, simulating the voltage behaviour during discharge, and comparing it with the experimental data. The estimation error achieved is below 10%. Future studies will be focused on the effect of temperature on the estimation error using a similar model here developed.

Author Contributions

Conceptualization, G.B. and D.P.; methodology, G.B. and D.P.; software, G.B.; validation, G.B., D.P. and P.D.; formal analysis, G.B., D.P. and P.D.; investigation, G.B. and D.P.; data curation, G.B.; writing—original draft preparation, G.B.; writing—review and editing, D.P.; supervision, D.P. All authors have read and agreed to the published version of the manuscript.

Funding

The APC was funded by D.P.

Informed Consent Statement

Informed consent was obtained from all subjects involved in the study.

Data Availability Statement

Not applicable.

Acknowledgments

Thanks to Prof. Silvia Bodoardo, battery workshop leader.

Conflicts of Interest

The authors declare no conflict of interest.

Abbreviations

BMSbattery management system
Cipolarization capacitance
DODdepth of discharge
ECMsequivalent circuit models
EVselectric vehicles
LIBlithium-ion batteries
OCV—Vocopen circuit voltage
PNGVpartnership for a new generation of vehicles
R0internal resistance
Ripolarization resistance
SOCstate of charge (%)
VLload voltage

References

  1. Kebede, A.A.; Kalogiannis, T.; van Mierlo, J.; Berecibar, M. A comprehensive review of stationary energy storage devices for large scale renewable energy sources grid integration. Renew. Sustain. Energy Rev. 2022, 159, 112213. [Google Scholar] [CrossRef]
  2. Zerrahn, A.; Schill, W.-P.; Kemfert, C. On the economics of electrical storage for variable renewable energy sources. Eur. Econ. Rev. 2018, 108, 259–279. [Google Scholar] [CrossRef]
  3. Alkhalidi, A.; Alrousan, T.; Ishbeytah, M.; Abdelkareem, M.A.; Olabi, A.G. Recommendations for energy storage compartment used in renewable energy project. Int. J. Thermofluids 2022, 15, 100182. [Google Scholar] [CrossRef]
  4. Jaguemont, J.; Boulon, L.; Dubé, Y. A comprehensive review of lithium-ion batteries used in hybrid and electric vehicles at cold temperatures. Appl. Energy 2016, 164, 99–114. [Google Scholar] [CrossRef]
  5. Wu, L.; Fu, X.; Guan, Y. Review of the Remaining Useful Life Prognostics of Vehicle Lithium-Ion Batteries Using Data-Driven Methodologies. Appl. Sci. 2016, 6, 166. [Google Scholar] [CrossRef]
  6. Sbarufatti, C.; Corbetta, M.; Giglio, M.; Cadini, F. Adaptive prognosis of lithium-ion batteries based on the combination of particle filters and radial basis function neural networks. J. Power Sources 2017, 344, 128–140. [Google Scholar] [CrossRef]
  7. Zhang, L.; Peng, H.; Ning, Z.; Mu, Z.; Sun, C. Comparative Research on RC Equivalent Circuit Models for Lithium-Ion Batteries of Electric Vehicles. Appl. Sci. 2017, 7, 1002. [Google Scholar] [CrossRef]
  8. Available online: https://www.bloomberg.com/news/articles/2020-12-17/this-is-the-dawning-of-the-age-of-the-battery (accessed on 28 July 2022).
  9. Cao, Y.; Mansir, I.B.; Mouldi, A.; Aouaini, F.; Bouzgarrou, S.M.; Marzouki, R.; Dahari, M.; Wae-hayee, M.; Mohamed, A. Designing a system for battery thermal management: Cooling LIBs by nano-encapsulated phase change material. Case Stud. Therm. Eng. 2022, 33, 101943. [Google Scholar] [CrossRef]
  10. Murugan, M.; Saravanan, A.; Elumalai, P.V.; Murali, G.; Dhineshbabu, N.R.; Kumar, P.; Afzal, A. Thermal management system of lithium-ion battery packs for electric vehicles: An insight based on bibliometric study. J. Energy Storage 2022, 52, 104723. [Google Scholar] [CrossRef]
  11. Mitra, A.; Kumar, R.; Singh, D.K.; Said, Z. Advances in the improvement of thermal-conductivity of phase change material-based lithium-ion battery thermal management systems: An updated review. J. Energy Storage 2022, 53, 105195. [Google Scholar] [CrossRef]
  12. Li, A.; Yuen, A.C.Y.; Wang, W.; Weng, J.; Yeoh, G.H. Numerical investigation on the thermal management of lithium-ion battery system and cooling effect optimization. Appl. Therm. Eng. 2022, 215, 118966. [Google Scholar] [CrossRef]
  13. Chen, D.; Xiao, L.; Yan, W.; Guo, Y. A novel hybrid equivalent circuit model for lithium-ion battery considering nonlinear capacity effects. Energy Rep. 2021, 7, 320–329. [Google Scholar] [CrossRef]
  14. Ding, X.; Zhang, D.; Cheng, J.; Wang, B.; Luk, P.C.K. An improved Thevenin model of lithium-ion battery with high accuracy for electric vehicles. Appl. Energy 2019, 254, 113615. [Google Scholar] [CrossRef]
  15. Omariba, Z.B.; Zhang, L.; Kang, H.; Sun, D. Parameter Identification and State Estimation of Lithium-Ion Batteries for Electric Vehicles with Vibration and Temperature Dynamics. World Electr. Veh. J. 2020, 11, 50. [Google Scholar] [CrossRef]
  16. Stroe, A.-I.; Stroe, D.-I.; Swierczynski, M.; Teodorescu, R.; Kær, S.K. Lithium-ion battery dynamic model for wide range of operating conditions. In Proceedings of the 2017 International Conference on Optimization of Electrical and Electronic Equipment (OPTIM) & 2017 Intl Aegean Conference on Electrical Machines and Power Electronics (ACEMP), Brasov, Romania, 25–27 May 2017; pp. 660–666. [Google Scholar] [CrossRef]
  17. Feng, T.; Yang, L.; Zhao, X.; Zhang, H.; Qiang, J. Online identification of lithium-ion battery parameters based on an improved equivalent-circuit model and its implementation on battery state-of-power prediction. J. Power Sources 2015, 281, 192–203. [Google Scholar] [CrossRef]
  18. Nikolian, A.; Firouz, Y.; Gopalakrishnan, R.; Timmermans, J.-M.; Omar, N.; van den Bossche, P.; van Mierlo, J. Lithium Ion Batteries—Development of Advanced Electrical Equivalent Circuit Models for Nickel Manganese Cobalt Lithium-Ion. Energies 2016, 9, 360. [Google Scholar] [CrossRef]
  19. Liu, X.; Li, W.; Zhou, A. PNGV Equivalent Circuit Model and SOC Estimation Algorithm for Lithium Battery Pack Adopted in AGV Vehicle. IEEE Access 2018, 6, 23639–23647. [Google Scholar] [CrossRef]
  20. Qiu, D.; Ma, X.; Ge, F.; Zhang, J.; Zhu, D. Improved PNGV equivalent circuit model for battery characteristics. In Proceedings of the 2nd International Conference on Applied Mathematics, Modelling, and Intelligent Computing (CAMMIC 2022), SPIE, Kunming, China, 25–27 March 2022; pp. 934–939. [Google Scholar] [CrossRef]
  21. Daowd, M.A.A.H.; Omar, N.; Verbrugge, B.; van den Bossche, P.; van Mierlo, J. Battery Models Parameter Estimation based on Matlab/Simulink. In Proceedings of the 25th Electric Vehicle Symposium (EVS-25), Shenzhen, China, 5–8 November 2010. [Google Scholar]
  22. Ma, L.; Nie, M.; Xia, J.; Dahn, J.R. A systematic study on the reactivity of different grades of charged Li[NixMnyCoz]O2 with electrolyte at elevated temperatures using accelerating rate calorimetry. J. Power Sources 2016, 327, 145–150. [Google Scholar] [CrossRef]
  23. Simulink-Simulazione e Progettazione Model-Based. (n.d.). Available online: https://it.mathworks.com/products/simulink.html (accessed on 29 July 2022).
  24. Yao, L.W.; Aziz, J.; Kong, P.Y.; Idris, N. Modeling of lithium-ion battery using MATLAB/Simulink. In Proceedings of the IECON 2013-39th Annual Conference of the IEEE Industrial Electronics Society, Vienna, Austria, 10–13 November 2013. [Google Scholar] [CrossRef]
  25. Chen, Q.; Jiang, J.; Ruan, H.; Zhang, C. Simply designed and universal sliding mode observer for the SOC estimation of lithium-ion batteries. IET Power Electron. 2017, 10, 697–705. [Google Scholar] [CrossRef]
  26. Khanum, F.; Louback, E.; Duperly, F.; Jenkins, C.; Kollmeyer, P.J.; Emadi, A. A Kalman Filter Based Battery State of Charge Estimation MATLAB Function. In Proceedings of the 2021 IEEE Transportation Electrification Conference & Expo (ITEC), Chicago, IL, USA, 21–25 June 2021; pp. 484–489. [Google Scholar] [CrossRef]
  27. Carthy, K.M.; Gullapalli, H.; Ryan, K.M.; Kennedy, T. Electrochemical impedance correlation analysis for the estimation of Li-ion battery state of charge, state of health and internal temperature. J. Energy Storage 2022, 50, 104608. [Google Scholar] [CrossRef]
  28. Yuan, B.; Zhang, B.; Yuan, X.; Wang, J.; Chen, L.; Bai, L.; Luo, S. Study on the Relationship Between Open-Circuit Voltage, Time Constant and Polarization Resistance of Lithium-Ion Batteries. J. Electrochem. Soc. 2022, 169, 060513. [Google Scholar] [CrossRef]
  29. Lu, D. Identifying Physical Model Parameter Values for Lithium-Ion Cells. Ph.D. Thesis, University of Colorado Colorado Springs, Colorado Springs, CO, USA, 2022. Available online: https://www.proquest.com/docview/2662586456/abstract/C1079B08D9AD4DE8PQ/1 (accessed on 29 July 2022).
Figure 1. (a) First-order Thévenin, (b) PNGV, (c) Second order Thévenin.
Figure 1. (a) First-order Thévenin, (b) PNGV, (c) Second order Thévenin.
Energies 15 06207 g001
Figure 2. Simulation model for the second order RC circuit.
Figure 2. Simulation model for the second order RC circuit.
Energies 15 06207 g002
Figure 3. Terminal voltage calculation submodule of the second-order RC circuit.
Figure 3. Terminal voltage calculation submodule of the second-order RC circuit.
Energies 15 06207 g003
Figure 4. Simulation model for the SOC calculation.
Figure 4. Simulation model for the SOC calculation.
Energies 15 06207 g004
Figure 5. Estimated parameters—First order Thévenin model.
Figure 5. Estimated parameters—First order Thévenin model.
Energies 15 06207 g005
Figure 6. Estimated parameters—Second order Thévenin model.
Figure 6. Estimated parameters—Second order Thévenin model.
Energies 15 06207 g006
Figure 7. Simulation output error.
Figure 7. Simulation output error.
Energies 15 06207 g007
Table 1. Estimated parameters—First order Thévenin model.
Table 1. Estimated parameters—First order Thévenin model.
1C
SOC (%)Voc (V)R0 (mΩ)R1 (mΩ)Cp1 (kF)
203.8539.1430.47258.55
603.9796.1120.39968.25
1004.1572.3150.201290.9
2C
SOC (%)Voc (V)R0 (mΩ)R1 (mΩ)Cp1 (kF)
203.9416.8910.41265.2
604.0214.9600.313124.0
1004.1352.5720.180350.9
C/3
SOC (%)Voc (V)R0 (mΩ)R1 (mΩ)Cp1 (kF)
203.75215.730.65515.29
603.9038.7270.49319.88
1004.1653.7910.359143.5
Publisher’s Note: MDPI stays neutral with regard to jurisdictional claims in published maps and institutional affiliations.

Share and Cite

MDPI and ACS Style

Barletta, G.; DiPrima, P.; Papurello, D. Thévenin’s Battery Model Parameter Estimation Based on Simulink. Energies 2022, 15, 6207. https://doi.org/10.3390/en15176207

AMA Style

Barletta G, DiPrima P, Papurello D. Thévenin’s Battery Model Parameter Estimation Based on Simulink. Energies. 2022; 15(17):6207. https://doi.org/10.3390/en15176207

Chicago/Turabian Style

Barletta, Giulio, Piera DiPrima, and Davide Papurello. 2022. "Thévenin’s Battery Model Parameter Estimation Based on Simulink" Energies 15, no. 17: 6207. https://doi.org/10.3390/en15176207

APA Style

Barletta, G., DiPrima, P., & Papurello, D. (2022). Thévenin’s Battery Model Parameter Estimation Based on Simulink. Energies, 15(17), 6207. https://doi.org/10.3390/en15176207

Note that from the first issue of 2016, this journal uses article numbers instead of page numbers. See further details here.

Article Metrics

Back to TopTop