Next Article in Journal
A Hybrid Simulation Model to Predict the Cooling Energy Consumption for Residential Housing in Hong Kong
Previous Article in Journal
Modelling, Design and Control of a Standalone Hybrid PV-Wind Micro-Grid System
 
 
Font Type:
Arial Georgia Verdana
Font Size:
Aa Aa Aa
Line Spacing:
Column Width:
Background:
Review

Gas Engine-Driven Heat Pumps for Small-Scale Applications: State-of-the-Art and Future Perspectives

DING, Department of Engineering, University of Sannio, 82100 Benevento, Italy
*
Author to whom correspondence should be addressed.
Energies 2021, 14(16), 4845; https://doi.org/10.3390/en14164845
Submission received: 14 July 2021 / Revised: 30 July 2021 / Accepted: 3 August 2021 / Published: 9 August 2021

Abstract

Gas engine-driven heat pumps are an interesting option to satisfy space heating and cooling demands aiming at energy saving, environmental impact and operating costs’ reduction. This work presents (i) a comprehensive review updated on gas engine-driven heat pumps research activities, (ii) the investigation of the central role of this technology in the air conditioning sector and (iii) the future perspectives regarding gas engine heat pumps’ diffusion in the context of the energy sector decarbonisation. The outcomes highlight that gas engine heat pumps could have better environmental performance compared to electric heat pumps both in heating and cooling operations. Moreover, they could play a pivotal role in the fight against climate change and energy security since they can guarantee an energy mix differentiation moving from electricity to natural gas and renewable gases’ usage. Indeed, by 2030, a lower-carbon gas grid could be supported by renewable gases. A further investigation has concerned diffusion of gas heat pumps activated from biofuels produced by local biomass in an energy community scenario based on a low-temperature energy district network. A novel biomass-based GEHP interacting with a low-temperature district heating network is proposed here. This system could save more than 30% of primary energy compared to biomass-fuelled boilers.

Graphical Abstract

1. Introduction

The main consequences of the increasing demand in final energy are the need to enhance the contribution from renewable sources and the interest in the more efficient utilisation of fossil fuels. Among them, natural gas represents the cleanest source, and it does not require refining and it is easily recovered and moved with a low or negligible environmental impact, even if the potential leakage in some parts of the supply chain should be considered for an accurate evaluation. Furthermore, according to a medium-term energy strategy, the lock-in of fossil-based assets from a decarbonisation perspective should be considered when moving to sustainable sources. Space heating and cooling represent the highest level of final energy consumption in the EU. To achieve the GHG reduction goals, the EU is putting strong effort into moving to a more sustainable scenario, promoting the use of lower environmental impact fossil fuels, such as natural gas, and biofuels using the pre-existing pipeline grid.
Final energy demand for space conditioning in EU28 (2015 data, [1]) is approximately 3474 TWh, of which 3387 are for heating and 87 TWh for cooling. Space heating demand is shared among industry (10%), residential (65%) and tertiary (25%) sectors. Natural gas is the main energy carrier (42%), followed by fuel oil (12%), biomass (12%) and electricity (12%). District heating covers 9% and coal 8%. Electricity is used for activating electric heaters and EHPs, while natural gas is mainly used to activate boilers for space heating purposes. On the basis of these data, attention needs to be paid to the future role of natural gas.
The transition towards decarbonising gas supply and use could be based on the following elements:
  • Introduction of high-energy conversion efficiency equipment.
  • Reduction of methane leakage through pipeline by means of grid modernisation and leak detection systems.
  • Improving contribution of low-/zero-carbon gases.
  • Introduction of carbon removal technologies.
To reach a low-/zero-carbon future, natural gas utilities will not only have to consider the reduction of methane leakage and improvement in efficiency of natural gas end-uses but will also increase the contribution of renewable fuels. These fuels provide the opportunity to decarbonise gas supply while using existing/improved gas pipelines and allowing end-users to use the same equipment designed for natural gas [2].
Different scenarios are considered in [3], and by 2030, it is expected that natural gas will continue to have a dominant role, remaining stable. By 2030, there will be a light reduction in gas demand for heating purposes due to building retrofits. On the basis of this data, gas heat pumps, thanks to an energy conversion efficiency higher than 30–40% compared to gas boilers, should show an important contribution to decarbonisation goals. Considering different scenarios of GEHP penetration in the replacement of boilers, a strong reduction of CO2 emission could be estimated. With a thermal efficiency of natural gas boiler equal to 0.95, a global efficiency of GEHP equal to 1.4 and an emission factor of 0.205 kg CO2 per kWh of primary energy related to natural gas, a sensitivity analysis on an energy and environmental basis is reported in Figure 1. In case of GEHPs, cover space heating demand of tertiary and industry sectors (35% of total heating demand), that generally have a heating load compatible with GEHP size, a saving of primary energy of about 400 TWh (12%) per year is reached. The reduction of environmental impact corresponds to 82 × 106 tons of CO2 emissions per year. These data highlight the importance in promoting the introduction of high-efficiency units to reach the 2030 and 2050 climate goals.
Furthermore, space heating and cooling by means of natural gas-fuelled systems, such as GEHP, could provide a strong contribution in terms of CO2 emission reduction due to the high emission factor of thermoelectric power plants that affects the indirect EHP impact on the environment.
Starting from these key points, GEHPs could occupy a prominent role in the decarbonisation strategy, and for this reason, different researchers have focused their interest on this topic. In particular, different reviews have been reported on papers with reference to GEHPs; nevertheless, they are mainly focused on the most widespread technological solutions involving GEHPs activated by fossil fuels and the majority refer to old data. Hepbasli et al. [4] proposed a review of GEHPs used for residential and industrial applications on the basis of design and experimental works in the period 1989–2007. Rosato et al. [5] presented a review on GEHPs updated to 2013. It is confined to fossil-based devices with a nominal heating capacity lower than 100 kW, commercially available. Other short reviews have been published as the results of American development projects aimed at promoting the GEHPs installation in the residential sector [6] or on field tests performed on GEHPs installed in the Netherlands and the USA [7].
Further R&D studies highlighting the state-of-the-art on GEHPs are included in Section 3, in which for 49 research groups, detailed activities covering the period 1975–2020 are reported.
In addition, it is important to highlight that there is another element, poorly investigated in the literature, that provides a pivotal function to GEHP in the environmental matter. It refers to the introduction of renewable fuels such as syngas, biogas, biomethane and hydrogen (so-called “green hydrogen” available through the electrolysis of water using renewable electricity), as shown in Figure 2. Syngas and biogas could be directly used in GEHP units or, thorough an upgrading process, methane (biomethane) could be obtained feeding a natural gas network.
To achieve net-zero GHG emissions in the European Union by 2050, low-carbon forms of gases to replace much of the natural gas consumption will be required. Consequently, GEHPs fed by biogas, biomethane and by a mix of methane and hydrogen (5%), available using the surplus of renewable electricity (Power-to-Gas, P2G), could strongly improve the renewable energy use. Hydrogen could also be combined with carbon dioxide (sequestrating it) to obtain methane by means of the Sabatier process (Gas-to-Gas, G2G).
According to a scenario foreseen for 2030 [8], it is expected a gas demand of 4518 TWh partly covered by a contribution from renewable gases up to 11% (497 TWh), with 27% of this contribution due to hydrogen and the remaining part covered by biomethane. The average emission factor due to gas taken from the pipeline will reduce from 0.205 kg CO2 per kWh of primary energy to 0.182 kg CO2/kWh. This element could further help technologies able to use this fuel in an efficient way, such as GEHPs.
A few studies have investigated the use of renewable fuel in activating the GEHP. In [9], a GEHP fed by biogas was experimentally investigated. The landfill gas is preliminary purified, removing particulate matter, H2S and condensate water, and also reducing the CO2 concentration. After the treatment, biogas can be used to activate the GEHP engine. The results obtained in heating mode on an experimental basis highlight a good agreement with the performance of the natural gas-fuelled unit. The global energy efficiency of the unit reaches 1.4, while the COP of the heat pump is 4.2.
Another experimental analysis was performed by Jordan et al. [10], in which an air-cooled biogas-fired engine is used to activate a water-to-water heat pump to cover both process heating and cooling demand of a dairy facility.
Blázquez et al., in their studies [11,12,13], considered the use of biogas to activate ground-source GEHP. In [11], an energy analysis of a biogas-fuelled GEHP is performed, considering warm (Ancona, Italy), medium (Edinburgh, Scotland) and cold (Karlstad, Sweden) climate areas. This analysis is further extended including economic and environmental aspects in [12]. In [13], an energy, environmental and economic analysis is performed considering the introduction of biogas-fired GEHP in different European countries.
In [14], a biogas engine-driven heat pump meeting the space heating and cooling loads is simulated. Energy saving in summer and winter periods is evaluated. In [15], an upgrade, including an electric generator, of GEHP proposed in [14] is studied.
In [16], a biogas engine-driven heat pump has been evaluated on an exergy basis, developing a mathematical model.

1.1. Aim of the Work and Scientific Novelty

The papers reported above evidenced that, to the best of the authors’ knowledge, few works have focused on reviewing GEHPs, and those that have are old papers especially devoted to the analysis of fossil-based GEHPs. Moreover, a gap in the scientific literature related to renewable-based GEHPs has also been highlighted.
Therefore, in order to overcome these literature drawbacks, the present paper aims to address the following advances in the framework of GEHPs:
  • A comprehensive review of the state-of-the-art related to GEHPs, updated to date.
  • An investigation related to the importance of GEHPs in decarbonisation of space heating and cooling sectors.
  • An analysis related to the future perspectives of GEHP diffusion in the contest of decarbonisation of the energy sector. More precisely, with reference to this point, the possibility to fuel GEHP with renewable sources such as syngas, biogas, biomethane and hydrogen is investigated. Furthermore, the GEHPs’ role in low-temperature district heating networks (LTDH), for which supply temperature is about 50 °C or even less, is examined. There are several advantages in combining biofuels-fired GEHP units and LTDH networks, such as reduction of network heat losses, reduction of environmental impact due to use of renewable fuels, improvement of energy conversion efficiency with respect to boiler, valorisation of local biomass (syngas) and biogas from livestock. This novel application could contribute to realizing the renewable energy community, especially in rural and mountain areas not connected to gas pipelines.
Therefore, these factors in the actual scenario justify the interest in finding more efficient technologies in using natural or renewable gas sources. Among them, the gas engine-driven heat pumps (GEHPs) represent an attractive option due to their high energy conversion efficiency and capability in exploiting gaseous fuels based on different compositions.
In the following sections, the advantages and limits (Section 1.2), engine heat recovery (Section 1.3.1 and Section 1.3.2), operating modes (Section 1.3.3 and Section 1.3.4), as well as a possible application in using a biofuel (Section 1.3.5) in GEHPs will be described.
An historical review section (Section 2) reporting the main elements affecting the developing phase, the evolution and future trends of the technology has been added.
R&D activities (Section 3) on GEHPs will be analysed, reporting, for different research groups, data on experimental results, field and laboratory tests as well as on simulation models.
GEHP field tests’ results (Section 3.2.1) in buildings of residential, tertiary and industrial sectors will be reported. Experimental activity (Section 3.2.1) in test rigs to evaluate the GEHP performance at different operating conditions will also be analysed.
A focus on GEHP modelling (Section 3.2.2) based on mathematical functions (regression curves), derived through curves fitting experimental data and based on equations related to conservation laws of physics, thermodynamics, specific correlations and physical characteristics of the GEHP components, has also been investigated.
Finally, in the conclusion, the main outcomes as well as the main elements affecting the future challenge of GEHPs are reported (Section 4).
In Figure 3, the flowchart followed to analyse GEHP technology is shown.

1.2. GEHP: Advantages and Limits

The main components of a GEHP are a gas-fired engine (GE) and a reversible vapour compression heat pump (HP), including an open compressor, a condenser, an expansion valve and an evaporator [4]. The engine is commonly fuelled by natural gas, even if, where a natural gas distribution network is not available, propane or liquefied petroleum gas (LPG) represent a valid alternative. Similar to an electric-driven heat pump (EHP), the GEHP could be generally used, with respect to HP section, in two operating modes, by means of a 4-way valve, to satisfy heating and cooling demands.
The thermal/cooling power of the HP condenser/evaporator of the GEHP can be regulated by acting on the compressor’s speed by changing the rotary speed of the prime mover.
The most common prime mover is the liquid-cooled reciprocating internal combustion engine, even if some studies are focused on different technologies, such as rotary and Stirling engines [17,18,19]. In [17], experimental analysis of a GEHP based on a free-piston Stirling engine is reported, and also, in [19], Berchowitz et al. analysed a free-piston Stirling engine activating a CO2 heat pump. In [18], a 6-cylinder Stirling engine interacting with a heat pump is reported.
In comparison to the operation of EHP, a GEHP avoids transmission and distribution electricity losses thanks to the fact that the fuel conversion process is close to the end-user. A further benefit is the availability of the waste heat of the engine that could be recovered to provide additional thermal power. The heat recovery is performed by means of a heat transfer fluid (i.e., water–glycol mixture), utilizing both the energy of exhaust gases and the waste heat released by the engine cylinder jacket in case of using a liquid-cooled internal combustion engine. A further heat exchanger is introduced in the GEHP to transfer the thermal energy recovered from the engine to a secondary circuit, linked to the end-user, in which liquid water flows. The gas engine heat recovery could also be used to remove frost from the finned-tube evaporator when GEHP works in heating mode at low outdoor air temperatures. In a GEHP, the engine surplus heat makes possible the increasing temperature of the heat transfer fluid after the interaction with the HP condenser.
In heating operating mode, the waste heat available from the engine could be used in two main ways [20]: direct and indirect recovery.
In the first configuration, the heat output at the heat pump condenser is enhanced by the heat recovered by the engine, and this is also known as the “4-pipe configuration” because two pipes for the refrigerant and two for the hot liquid water connect outdoor and indoor units.
In the second configuration, the heat recovered from the engine increases the lower temperature at the heat pump evaporator, thus reducing the influence of outdoor air temperature and increasing the thermal power output. This solution is often called the “2-pipe configuration”.
In cooling operating mode, the GEHP can work only in direct recovery mode.
Moreover, a GEHP can offer several other benefits over EHP and boilers [20,21,22]:
  • Lower primary energy input: A GEHP system operating in cooling mode with heat recovery from the engine could require at least less than 24% of primary energy than an EHP/boiler-based configuration. For the EHP, primary energy has to be evaluated taking into account the power grid efficiency that strongly depends on the energy mix.
  • Lower primary energy required compared to natural gas-fired boiler up to 40%.
  • Good performance at low outdoor air temperature: Thanks to the heat recovered from the engine, the effect of outdoor temperature on GEHP performance is less pronounced in comparison to the operation of an EHP. The ratio between thermal power and that one delivered at an air temperature equal to 7 °C for GEHPs [23] and EHPs [24,25] is reported in Figure 4. Thermal power delivered by GEHPs remains close to the rated power up to −3.4 °C, then shows a linear reduction with outdoor air temperature. The EHPs show a more pronounced dependence on temperature and the thermal power constantly decreases with temperature. Figure 4 also highlights that the dependence of this ratio with outside air temperature is less pronounced for GEHPs. At an air temperature of −20 °C, the GEHP delivers 70% of the rated thermal power, while an EHP reduces this value to 50–60%. These trends are in agreement with results reported for a similar graph presented for GEHP and EHP available on the market in the 1990s [26].
  • Lower transient start-up time: GEHPs have a reduced transient start-up due to heat recovered from the engine, allowing to reach the desired indoor comfort condition in less time, especially in cold climates.
  • Lower environmental impact: on an environmental basis, GEHP working both in heating mode and in cooling mode has a lower impact in terms of CO2 emissions with respect to an EHP-based system.
  • Lower summer electricity peak [22]: Due to increased diffusion of EHPs mainly for space cooling purposes in residential buildings, the electricity peaks moved from a winter period to a summer one [27]. In Italy, this trend started in 2005, with few exceptions [5]. For this reason, the GEHPs have been paid increasing interest in the heating, ventilation and air conditioning (HVAC) field in recent years thanks to their advantage of reducing the electricity needs for space heating and cooling demands commonly satisfied by electric-driven units.
  • Energy mix differentiation: Moving from electricity to natural gas for heating and cooling purposes leads to a differentiation of the Country energy mix. This element should also be appropriately considered in a future scenario characterised by a strong diffusion of the electric vehicle, that could lead to issues for the power grid.
The main disadvantages of a GEHP in comparison to an EHP are:
  • Higher investment costs: Due to the presence of more components such as gas engine and heat recovery system, usually, the GEHP has an investment cost about two times higher compared to an EHP [28]. Furthermore, the specific investment cost is in the range of 390–540 € per kW of cooling power. This range is evaluated on the basis of data available from the cooling unit’s dealer [29], a report on GEHP [30] and a Master’s thesis [31]. Figure 5 reports the investment cost per cooling power, as a function of the size, for GEHPs [29] and EHPs [29]. This specific cost shows a more marked reduction for GEHP, moving from about 540 €/kW (45 kW) to about 390 €/kW (71 kW, 85 kW), while for EHP, there is a linear reduction. The specific extra cost of GEHP in comparison with EHP moves from about 300 €/kW (45 kW) to about 180 €/kW (71 kW, 85 kW), highlighting the greatest economic interest in GEHP units with a cooling power at least higher than 71 kW.
  • Higher weight and size: Similar to the previous point, the prime mover leads the GEHP to have a larger size that is more than double in comparison with an EHP. In the following, these aspects will be analysed in more detail (see Figure 6 and Figure 7).
  • Higher maintenance costs: The presence of an engine leads the maintenance costs to be about three times higher [28]. The progress of this technology allows a large maintenance interval, as declared by manufacturers, of 10,000 h, mainly consisting of replacing lubricating oil, oil and air filter, spark plugs and open compressor drive belt. Extraordinary maintenance is required after 80,000–100,000 operating hours.
  • Lower efficiency of GEHP working in heating mode with respect to the EHP-based system interacting with the power grid. This result, of course, depends on power grid efficiency and GEHP layout (direct–indirect heat recovery system).
As previously stated, a GHEP is a more complex unit than an EHP that currently represents the most widespread technology for space heating and cooling. In particular, the gas-engine and the heat recovery system (exhaust gas, engine coolant) lead the components unit numbers to be four times higher than the ones of an EHP [20]. This element led the manufacturers to invest in R&D to reduce the volume and weight of gas-fired units [22]. Herein, the most diffused gas engine-driven heat pumps available during the past years and the ones currently commercialised on the market are considered. Both air-to-air and air-to-water GEHPs on the market are mainly covered by Japanese units, and the main characteristics of both the oldest and newest (Aisin [32], Yanmar [33], Panasonic [34]) devices are reported in Table A1, Table A2 and Table A3 included in Appendix A. In the following figures (Figure 6, Figure 7, Figure 8 and Figure 9), a comparison among the oldest and newest GEHPs available on the European market, and EHPs (Aermec [35], Mitsubishi [36]) will be presented on the basis of the data reported in Appendix A.
In Figure 6 and Figure 7, volume and weight as functions of cooling capacity of Japanese GEHPs (blue rhombus [32,33,34]) and EHPs (green triangle [35,36]) currently available on the market are reported, respectively. The same figures also include data for GEHPs available in the first stage of commercialisation (from the 1980s to the 1990s) [26] manufactured by Japanese, Italian, Germany and USA companies, and no longer available on the market. From the Figure 6, Figure 7, Figure 8 and Figure 9 analysed herein, the following general conclusions can be derived:
  • The volume and the weight increase with cooling capacity.
  • The GEHPs on the market cover a range of cooling capacity between 22.4 and 85 kW to meet commercial and multi-family buildings.
  • GEHP manufacturers have left the small-scale units (4.6–20.5 kW) suitable for residential apartments (up to four indoor units) due to EHPs cost reduction (Figure 5) and to the improvement in part load efficiency thanks to the introduction of the inverter. To the best of the authors’ knowledge, small units with a cooling capacity equal to 14 and 18 kW are currently available only on the Japanese market.
  • At the same cooling capacity, GEHPs require a higher volume (about two times) (Figure 6) and they have a greater weight (2–3 times) (Figure 7) than EHPs. These differences depend on the presence of an internal combustion engine and heat recovery system (exhaust gas, engine coolant) that leads the components’ unit numbers to be four times higher than those of an EHP.
  • GEHP manufacturers succeeded in the constant reduction of the outdoor unit size, as stated by the comparison of the trends of GEHPs currently commercialised (blue line) and the oldest ones (red line).
Furthermore, the presence of a gas engine could lead the outdoor unit to have a noise impact greater than the electric motor of an EHP. This impact could have prevented the spread of GHPs that are commonly installed in urban areas. To overcome this issue, the manufacturers paid great attention to the noise reduction, introducing the following measures:
  • Right location of anti-vibration elements used to couple the engine to the chassis, also increasing the lifetime of the engine.
  • A proper design of the engine muffler, that in a GEHP integrates a heat exchanger for engine waste heat recovery.
  • Introduction of soundproofing panels on the GEHP casing.
Figure 8 presents the noise (in dBA at 1 m) emitted by both old [26] and new [32,33,34] GEHPs and EHPs [35,36], and the following considerations could be derived:
  • The noise slightly increases with unit size.
  • There is no significant difference between the oldest and the newest GEHPs.
  • Thanks to the noise mitigation, EHP and GEHP noises are comparable.
In Figure 9, the ratios between heating and cooling capacity both for GEHPs [26,32,33,34] and EHPs [35,36] units are reported. The market trend of these devices shows whether or not considering the size, there is a good agreement and an almost constant value (1.11–1.13) with respect to the above-mentioned ratio. The oldest GEHPs present a wider range and higher values of heating to cooling capacity ratio (1.04–1.74). This is mainly due to the presence in the oldest GEHPs of both direct and indirect recovery configurations to use the engine waste heat, while the GEHPs currently available on the market only provide an indirect recovery approach.

1.3. GEHP: Energy and Environmental Analysis

Different GEHP operating modes and configurations could be found in the literature and on the market. The main elements to characterise a GEHP depend on:
  • Engine heat recovery (direct, indirect).
  • Operating mode (heating, cooling, combined heating and cooling).
  • Presence of electricity generator (EG), activated by prime mover (PM), delivering power to activate GEHP auxiliaries and an external power load.
  • Heat sink and heat source, such as outdoor air, ground (soil or bedrock) and water (river, lake, sea, evaporative cooling tower, ground water or wastewater from industrial applications or sewage).
  • Thermo-vector fluid (water, air).

1.3.1. Direct Engine Heat Recovery

In this section, different operating strategies and energy performance indexes characterizing GEHP with direct use of thermal energy available from a gas engine are considered. In this configuration, there is not an electric generator, and the following operating modes could be considered:
  • Heating mode
  • Cooling mode
  • Combined heating and cooling mode
  • Electricity “production” mode
In addition to the primary energy supplied to the engine (PM, prime mover), E P P M , the GEHP needs electricity ( E e l A U X ) from the power grid to feed its auxiliaries (AUX). Primary energy due to electricity requirements depends on the power grid efficiency ( η e l P P ).
The first configuration (heating mode) (Figure 10) is characterised by the direct use of the useful thermal energy available from the prime mover, i.e., an internal combustion engine. The energy system shown in Figure 10 consists of an engine, PM, for which the primary input ( E P P M ) is generally due to natural gas. This component delivers mechanical energy ( E m P M ), that depends on its mechanical efficiency ( η m P M ), to activate the heat pump (HP), and also useful thermal energy ( E t h P M ), recovered by engine liquid coolant and exhaust gases, to the end-user. Currently, PM control volume also includes heat exchangers able to recover heat from the engine. The term E t h P M depends on the thermal efficiency index, defined as η t h P M , and the primary energy input. Mechanical energy input to the compressor ( E m C P , H P ) is evaluated considering the mechanical transmission components (gear box, pulley, etc.) between the engine and the compressor by means of transmission efficiency index ( η t r G B ). A further thermal contribution ( E t h C D , H P ) to the end-user is due to the HP by means of its condenser (CD) that depends on the HP’s coefficient of performance (COPHP). Thermal energy input to the evaporator, E t h E V , H P , depends on the interaction with the external ambient. In the scheme of Figure 10, the heating load is split into two flows due to different temperature levels that can be reached by the secondary heat transfer fluid (e.g., water) interacting with the condenser (up to 50 °C) and the engine recovery heat exchanger (up to 65 °C). In the proposed configuration, the two heat exchangers work in parallel, even if they could be arranged in series on the basis of the end-user’s thermal demands (e.g., heating and domestic hot water).
According to a control volume including only the heat pump, the COPHP could be defined in Equation (1) [37] as:
C O P H P = E t h C D , H P E m C P , H P
Some authors [38] proposed a further performance index, Equation (2):
C O P G E H P = E t h C D , H P + E t h P M E m C P , H P
The energy index that could be introduced to characterise this configuration is the primary energy ratio (PER), defined as the useful energy output to the primary input due to a fuel. PER index is defined in Equation (3) as [39]:
P E R t h G E H P = E t h G E H P E p P M + E p A U X , P P = E t h P M + E t h C D , H P E p P M + E e l A U X η e l P P
Due to the low electricity demand of the auxiliaries in comparison to the heat output of the GEHP, and also to the variability of the power grid efficiency, the PER index could be simplified by neglecting PP primary energy contribution, see Equation (4) [40]:
P E R t h G E H P = E t h G E H P E p P M = E t h P M + E t h C D , H P E p P M
This index is also defined as gas utilisation efficiency (GUE) [5]. Many manufacturers provide GUE values at defined nominal conditions.
The second configuration, shown in Figure 11, shows the GEHP in cooling operating mode. In this scheme, there is no valorisation of thermal energy available from the internal combustion engine. This is a typical GEHP operation mode in summer to meet space cooling load thanks to the contribution of the heat pump only ( E c o E V , H P ). The interaction with the ambient due to heat pump by means of the condenser, E t h C D , H P , is shown in Figure 11.
The PER index is defined as the useful energy output to the primary input due to a fuel. It is defined in Equation (5) as [39]:
P E R c o G E H P = E c o E V , H P E p P M + E p A U X , P P
Additionally, in this case, the PER index could be simplified by neglecting auxiliaries, as in Equation (6) [41]:
P E R c o G E H P = E c o E V , H P E p P M
Considering a control volume including only the heat pump, the energy efficiency ratio (EERHP) could be defined in Equation (7) as [37]:
E E R H P = E c o E V , H P E m P M  
Figure 12 shows an upgrade of the configuration of Figure 11 combining heating and cooling operation modes. In this case, the thermal energy available from the engine could supply heating needs of the end-user, e.g., domestic hot water (DHW). This configuration is proposed for some GEHPs available on the market by introduction of the so-called DHW kit. The primary energy ratio is defined in Equation (8) [39]:
P E R c o , t h G E H P = E c o E V , H P + E t h P M E p P M + E p A U X , P P
Similar to Equations (4) and (6), this PER could be modified as [42]:
P E R c o , t h G E H P = E c o E V , H P + E t h P M E p P M
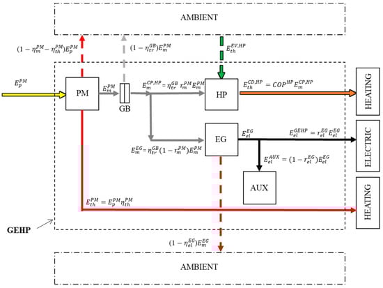
The three previous configurations could be modified by introducing an electric generator activated by the prime mover. In this case, there is no need for an external power grid and the EG itself provides electric energy both to GEHP auxiliaries and to the other electric end-user loads (electricity “production” mode). In Figure 13, a GEHP including the EG and working in heating operating mode is reported. Mechanical energy available from GB by means of PM is split between the electric generator and the heat pump by means of the   r m P M parameter. Its value is, strictly speaking, in the range between 0 and 1, and it is defined in Equation (10) as:
r m P M = E m C P , H P η t r G B E m P M
When   r m P M is null, the heat pump section does not work, while a unitary value means that EG is switched off. The other parameter affecting this configuration is   r e l E G , which varies between 0 and 1. In case there is not a surplus of electricity available from EG, its value is null. In case electric and thermal useful outputs are available, the proposed system works as a cogeneration (CHP, combined heat and power) system: there is a combined production of thermal and electric energy starting from a single primary energy source.
The PER index could be defined through the following equations describing the configuration with (Equation (11)) and without (Equation (12)) electricity surplus to the end-user:
P E R t h , e l G E H P = E t h P M + E t h C D , H P + E e l G E H P E p P M = E t h G E H P + E e l G E H P E p P M
P E R t h G E H P = E t h P M + E t h C D , H P E p P M = E t h G E H P E p P M
A further configuration including the EG could be introduced considering the cooling operating mode (Figure 14). Similar to the previous scheme, there are two possible configurations: in the first case, the electric power delivered by EG is equal to auxiliaries’ demand of the GEHP ( r e l E G = 0); in the second case, the capacity of EG exceeds the auxiliaries’ power demand and the GEHP can also activate an external electric load. In this last case, the system works as a combined cooling heating and power system (CCHP).
PER could be defined through the following equations, describing the configurations with (Equation (13)) and without (Equation (14)) electricity surplus if operated in cooling mode [38]:
P E R t h , c o , e l G E H P = E t h P M + E c o E V , H P + E e l G E H P E p P M
P E R t h , c o G E H P = E t h P M + E c o E V , H P E p P M
In case there is not a thermal energy recovery ( E t h P M ) from PM, the previous equations could be rearranged in the following ways:
P E R c o G E H P = E c o E V , H P E p P M
P E R c o , e l G E H P = E c o E V , H P + E e l G E H P E p P M

1.3.2. Indirect Engine Heat Recovery

In the following, the configurations with an indirect use of thermal energy available from the engine are presented.
Figure 15 reports a GEHP in heating operating mode. In this layout, thermal energy available from the heat recovery system of the engine (PM) is used to improve vapour compression heat pump (HP) performance through a heat exchanger interacting with the HP evaporator. In this way, there is an increase in refrigerant pressure/temperature at the evaporator, leading to an improvement in the coefficient of performance of the heat pump. The PER in heating operation mode is defined in Equation (17) as [39]:
P E R t h G E H P = E t h C D , H P E p P M + E p A U X , P P
Neglecting the GEHP auxiliaries, it could be modified as [40]:
P E R t h G E H P = E t h C D , H P E p P M
For the proposed configuration, on the basis of the GEHP load and outdoor air condition, only a part of the thermal energy available from the engine could be used to improve the performance of the HP section. The remaining available part is dissipated towards the ambient. A different configuration could be considered to increase the use of thermal energy available from the engine and thus improve the performance of the GEHP. In this case, less than the available amount of thermal energy from the PM is used to improve the HP performance, and a further heat exchanger could be added to fully recover thermal energy from the engine. This configuration is reported in Figure 16, and by means of the r t h P M factor thermal energy from PM, could be fully valorised to improve the HP performance ( r t h P M = 0), to directly satisfy end-user thermal load ( r t h P M = 1) or could be shared between two options (0 < r t h P M < 1).
In this case, the PER is defined as (Equation (19)) [39]:
P E R t h G E H P = E t h C D , H P + E t h P M , U S E p P M + E p A U X , P P
Neglecting the GEHP auxiliaries, it could be modified as [40]:
P E R t h G E H P = E t h C D , H P + E t h P M , U S E p P M
The GEHP including an EG could be represented as in Figure 17. The PER index could be defined through the following equations, characterizing the scheme with (Equation (21)) and without (Equation (22)) electricity surplus:
P E R t h , e l G E H P = E t h C D , H P + E t h P M , U S + E e l G E H P E p P M
P E R t h G E H P = E t h C D , H P + E t h P M , U S E p P M
In cooling operation modes, the GEHP with indirect engine heat recovery works as a direct engine heat recovery GEHP (see Figure 11, Figure 12 and Figure 14).
To highlight the energy conversion efficiency of GEHPs, in the following, the most diffused GEHP installed during the past years and the units currently available on the European market are considered. The data used to realise the next figures are available in Table A1, Table A2 and Table A3, included in Appendix A.
PER as a function of the rated cooling power for different GEHP operating modes will be shown. In Figure 18, the PER index of air-to-air GEHPs working in heating and cooling modes is reported. The PER of the newest models [32,33,34] for both heating and cooling mode decreases with the GEHP size.
To understand this behaviour, it is fundamental to highlight that:
  • For old GEHP models, there were many manufacturers using a high range of engine models that were also able to cover a high range of cooling power.
  • Due to a reduction of EHP investment costs, the GEHP manufacturers left the market covered by low cooling power (<20 kW).
  • To reduce the cost of GEHP, the manufacturers decided to use the same components for different cooling sizes, as stated by datasheets. Different outdoor units of the models actually available on the market have the same engine displacement, weight, volume and refrigerant charge.
  • For new GEHPs, there is a limited number of engines, 3–4 models, included in Japanese units, and they are generally produced by the same manufacturer.
  • Combining the effects of the two previous key points, low size units work at higher efficiency conditions. The reduction of PER with cooling power is also due to the reduction of engine mechanical efficiency, for which a maximum is reached for lower GEHP sizes.
For example, a Japanese manufacturer [32] for three models in the range 22.4–35.5 of cooling power uses the same engine (953 cm3), having the same volume (2559 cm3), weight (565 kg), R410A content (11 kg) and compressor number (1 scroll), for outdoor units. In Figure 18, inside a green ellipse, the PER in heating (red circles) and cooling (blue rhombus) modes of the above-cited models are highlighted. The PER in cooling mode moves from 1.49 (cooling capacity 22.4 kW) to 1.35 (cooling capacity 35.5 kW). There is also a similar trend of the PER in heating mode.
It could also be noted that for new GEHP units, the PER in heating mode is generally higher than the PER in cooling mode. The average PER for heating (1.51) is about 7% higher than the corresponding value in cooling (1.41).
For the oldest models [26], an increasing trend with the cooling capacity for both PERs is found and their difference is higher: the average value for heating mode is 1.21, while for cooling mode it is 0.88. In this case, the trend of PER, generally increasing with cooling power, is different from that of new units due to the wide variety of engine models and GEHP manufacturers. Furthermore, very high PER for old units in heating mode could be justified by the use of direct engine heat recovery mode configuration.
In the range covered by the newest and oldest GEHPs (20–70 kW), the performances of the models available on the market appear to be higher.
In Figure 19, a comparison between air-to-air and air-to-water GEHPs currently available on the market is proposed. It appears that at the same cooling capacity, the PERs of water source heat pumps are worst due to the introduction of further devices (heat exchanger, thermal storage, etc.) that lead to the addition of other energy losses. The average PER in cooling mode for air-to-air (A/A) GEHP is 1.40, while for the air-to-water (A/W) unit, is 1.27. In heating mode, the PER difference is lighter (A/A: 1.51, A/W: 1.48). A similar explanation provided for air-to-air units to justify the decreasing trend of PER with cooling power could also be considered for air-to-water units.
Some GEHP models include the ability to add a DHW (Domestic Hot Water) kit to exploit thermal recovery from the engine when GEHP works in cooling mode. In this case, the PER of the unit strongly increases, as shown in Figure 20, moving from 1.4 (cooling only) to 1.9 (combined heating and cooling) with an improvement of about 36%.

1.3.3. Comparison GEHP/EHP: Heating Mode

In order to evaluate in which operating conditions the GEHP could guarantee advantages in terms of primary energy saving and CO2 emission reduction with respect to the EHP-based system, a sensitivity analysis is performed here.
The comparison is carried out on the basis of equal thermal energy delivered to the end-user. For this reason, in the EHP-based system, a natural gas boiler is also included to meet the thermal requirements not satisfied by EHP at low air temperatures.
In Figure 21, the proposed system (PS), including GEHP and the traditional system (TS) composed by EHP and the boiler, are shown. The information used for the comparison is taken from experimental work on air-to-water GEHP [43] and manufacturer data for EHP [44], while for the boiler, a thermal efficiency equal to 0.926 has been estimated. The emission factor for natural gas is equal to 0.205 kg CO2/kW hEp.
The thermal power delivered by EHP and integration of the boiler at low temperatures are considered in Figure 22. GEHP is able to cover the global thermal power met by the reference system.
Table 1 reports the emission factors and power grid efficiency [45] for some European countries in order to evaluate the locations or the outdoor air temperatures in which GEHP could be preferable to the EHP-based system. The data reported in Table 1 take into account power plant auxiliaries and grid losses and are related to thermoelectric plants only.
A comparison between two systems is also reported in Figure 23 in terms of primary energy saving (Equation (23)):
P E S = E p P S E p T S E p T S
From Figure 23, it appears that PES is strongly influenced by the electric efficiency of the power grid. The GEHP-based system could be considered interesting only for low-efficiency power grid systems, not very common in Europe. A GEHP with direct heat recovery from the engine should have a better performance than EHP-based systems.
The proposed system is compared to an EHP-based system in Figure 24 by means of avoiding carbon dioxide emissions (Equation (24)):
Δ C O 2 = C O 2 T S C O 2 P S C O 2 T S
On an environmental basis, GEHP appears more interesting than traditional systems in different EU countries, and in particular, its impact is the lowest considering EU28 data. This result highlights the role that GEHPs could have in decarbonisation goals that need to be achieved by 2030 and by 2050 in the EU. A further improvement of the environmental impact could be added thanks to the contribution of biomethane and green hydrogen to the gas network.

1.3.4. Comparison GEHP/EHP: Cooling Mode

In this section, a comparison between GEHP with and without the DHW kit and EHP working in cooling mode combined or not with a boiler on an energy and environmental basis is reported. The comparison is performed considering that both the systems deliver the same amount of cooling and thermal energy. In Figure 25, GEHP and EHP/B systems are shown. The reference electric efficiency is considered equal to 0.437 according to the EU28 power grid average value [45], while for the natural gas-fuelled boiler, thermal efficiency is 0.926. The emission factors considered for environmental analysis are 0.634 kg CO2/kW hel [45] for electricity (EU28, Table 1) and 0.205 kg CO2/kW hEp for natural gas. The information used for the PER evaluation is taken from [43] for GEHP and from [44] for EHP.
In Figure 26, PES shows an improvement as a function of outdoor air temperature. PES is always positive when the GEHP system equipped with a DHW kit is considered. A primary energy saving in the range 24–40% is guaranteed by the GEHP system if compared to EHP/B. The GEHP configuration without thermal recovery is preferable to EHP only with outdoor air temperature higher than 34 °C.
In Figure 27, ΔCO2 is reported considering the comparison between GHEP with and without the DHW kit vs. the EHP-based system. GEHP has an environmental impact lower than the EHP/B system, with a percentage reduction in the range 43–50%. Without exhaust heat recovery, GEHP shows better results than the EHP system, avoiding CO2 emissions in the range 20–33%.
In this configuration, the GEHP shows very interesting results in terms of primary energy saving and CO2 emission reduction, highlighting the importance of finding applications in which thermal energy should be exploited during the summer season.

1.3.5. Biomass-Fired Air Source GEHP Serving a Low-Temperature District Heating Network

Different research activities are focused on the coupling of a biomass gasifier with an internal combustion engine to realise a combined heat and power system [46,47,48]. Gabbrielli et al., in [46], experimentally analysed an internal combustion engine activated by syngas available from a biomass gasifier. A CHP system based on internal combustion engine fuelled by syngas produced by a biomass gasifier is experimentally evaluated in [47]. A trigeneration system including a biomass gasifier is modelled in [48]. Starting from this interaction, it could be interesting to use a wood biomass-based gasifier (G) to feed an air-to-water GEHP, serving a LTDH network. This combination could be really interesting in the areas in which local wood (forestry maintenance, short rotation forestry, waste wood from timber industry) or agriculture waste biomass are available [49]. Several advantages can be obtained supporting this path:
  • A proper valorisation of available renewable sources, otherwise unused.
  • To contribute to achieving sustainable energy targets related to thermal energy demand [50].
  • To sustain the local forest-energy chain.
  • To reduce the use of fossil fuels, especially in areas not served by a natural gas distribution network.
  • To support the local community, reducing the risk of leaving areas economically disadvantaged.
Different researchers investigated the introduction of electric-driven heat pumps serving district heating networks. An extensive analysis highlighting the application, advantages and issues of this technology in some areas, is reported in [51].
Thanks to the production of syngas by means of a gasifier treating wood biomass or agriculture by-products, it is possible to realise a zero-carbon district heating network using a renewable and sustainable fuel.
One of the main components of the proposed system is the gasifier, that has a role of converting the primary energy of biomass in a gaseous fuel, defined as synthetic gas (syngas). The process on which the biomass gasification is based could usually be divided into the following reactions: heating and drying, pyrolysis, oxidation and reduction at high temperature.
The ratio between primary energy of produced syngas to biomass primary energy, defined as the efficiency of the gasification process, is generally in the range between 60% and 90% [52,53,54]. Bisht et al., in [52], analysed on a simulative basis a small-scale biomass gasification plant. Ribó-Pérez et al. [53] simulated a gasifier power plant including an electric generator by means of HOMER software. Vargas-Salgado et al. [54] designed, sized and experimentally analysed small-scale fluidised bed gasification plants. The system produces syngas with a gasifier efficiency in the range 59–82%. It mainly depends on biomass composition [55], its moisture content and gasifier technology (fixed bed, fluidised bed). The fuel leaving the gasifier needs to be cooled by means of a heat exchanger (gas cooling unit) and then cleaned removing contaminants (particulate matter, char, ash, etc.). Thermal energy available from the gas cooling unit is generally used to reduce the moisture content of biomass or could be used to satisfy a thermal demand. The main components of syngas are CO, H2, N2, CO2, and CH4, and their percentage depends on various factors, such as biomass and gasifier. It is important to reach a certain lower heating value to guarantee a proper use of syngas in internal combustion engines [56], which represent the most common technology used for this fuel.
A simplified scheme of the proposed LTDH network working in heating mode only is proposed in Figure 28, in which gas cooler unit is removed for the sake of simplicity. The majority of district heating networks work in heating mode only, especially satisfying thermal demand for space heating and domestic hot water. The gasifier efficiency is assumed equal to 75%, and with respect to a small-scale internal combustion engine (30 kW), a mechanical efficiency equal to 32% and a thermal efficiency due to heat recovered by means of a heat exchanger (exhaust gases, engine liquid coolant) of 56%, are considered [57]. Two heat exchangers recovering thermal energy from the HP condenser and engine could also be arranged in series to reach higher temperatures for a water-feeding thermal network. An average COP equal to 4 is estimated for heat pumps working in heating mode, assuming for simplicity the same performance all year-long. Auxiliary plant requirements have also been estimated considering a power grid efficiency of 43.7%. The energy flows of the proposed system are reported in Table 2.
The primary energy ratio for the G-GEHP system is defined as (Equation (25)):
P E R t h G G E H P = E t h P M + E t h C D , H P E p , B i o G + E p A U X , P P
and it is equal to 1.27.
Comparing this system with a commonly used biomass-fuelled boiler with a thermal efficiency of 85%, the GEHP-based system could guarantee a primary energy saving (PES) higher than 30%. Biomass-based district heating systems are very common in northern Europe [58] and also in rural [59] and mountain [60] areas, and the introduction of the proposed system could allow to better exploit local available biomass. The proposed system could also have an important role in the transition towards a low-temperature district heating network.
In Figure 29, the trend of PES as a function of gasifier efficiency and heat pump COP is shown. PES is almost always positive, and it is negative in the worst case (gasifier efficiency 60%, COP 3), and it reaches 52% in the best case (gasifier efficiency 90%, COP 5). This behaviour highlights the advantages on an energy basis of the proposed GEHP system.
This scheme could also be considered for low-temperature district heating and cooling networks, both considering air-to-water GEHP units.
A further interesting configuration could be based on the introduction of a ground-to-water GEHP, further improving the performance of the proposed system.

1.4. Summary of GEHP Technology

The analysis carried out in this section allowed the introduction of this technology, to show the different ways to recover a heat engine (direct, indirect), as well as to highlight the most common layouts of GEHP working in heating, cooling, combined heating and cooling, cogeneration and trigeneration modes.
Furthermore, the analysis aimed to find the improvements of GEHPs during the development of this technology. In particular, with respect to its main competitor (EHP), the main advantages and disadvantages are also highlighted, and a comparison has been performed. In particular, the following main outcomes could be highlighted:
  • GEHPs manufacturers have abandoned the sale of small-scale units (4.6–20.5 kW), suitable for residential apartments (up to four indoor units), due to EHPs’ cost reduction (Figure 2) and to the improvement in part load efficiency on EHP thanks to the introduction of the inverter. To the best of the authors’ knowledge, small units with a cooling capacity equal to 14 and 18 kW are currently available only on the Japanese market.
  • An average volume per unit of cooling power is equal to 0.066 m3/kWco for GEHP on the market and equal to 0.079 m3/kWco for old GEHP, while for actual EHP, the value reaches 0.041 m3/kWco.
  • An average weight per unit of cooling power equal to 16.18 kg/kWco characterizes the GEHP on the market, a higher value is related to old GEHP (23.96 kg/kWco), while the EHP requires 7.70 kg/kWco.
  • The average noise for new GEHPs is 58.83 dBA, for old units is 60.30 dBA, while the EHPs present 62.33 dBA.
  • The average PER of GEHPs working in cooling mode is 1.38 for new units, while it is 0.83 for old models.
  • The average PER of gas engine-driven heat pumps reaches 1.54 for new models, while it is 1.27 for units no longer available on the market.
After introducing GEHP technology, the present work is now focused on the following main topics:
(1)
The historical review of the GEHP development up to now, highlighting the main characteristics of the GEHP units for residential and commercial applications, nowadays commercially available (Section 2).
(2)
The description of the research and development activities based on experimental research, field and laboratory tests, as well as on simulation models of this complex energy conversion system (Section 3).

2. Historical Review

2.1. Development Phase

The development of small gas engine-driven heat pumps was carried out throughout the years by two of the major industrial economies, the United States and Japan. Subsequently, even Europe was involved in research and development programs concerning the GEHPs.
In the USA, there were limitations in developing gas engine-driven heat pumps until the end of the 1970s, and electric-driven heat pumps were preferred for the lowest initial cost and for the easy accessibility of the power grid [61].
The situation evolved during the 1980s, a period in which relevant results in the field of GEHPs were obtained and the first units were commercialised. The main reasons that influenced the competitiveness of gas air conditioning were the decrease of gas prices due to the oil collapse and the improvements of gas supply systems.
Throughout these years, several gas companies in the USA tested different kinds of gas engine-driven heat pumps.
In 1985, York company started to develop the 3 RT (Refrigeration Tonne, 1 RT = 3.5 kW) GEHP, later commercialised in 1992 [62]. The novelties of the unit regarded a new engine, designed by Briggs and Stratton, with both high efficiency and durability (4000 h), and the development of a new open reciprocating compressor [63].
In 1987, a 150 RT gas engine-driven chiller with a COP equal to 1.7 was installed in a Washington DC hotel. Furthermore, this device, equipped with an engine characterised by a 1153 cm3 displacement, was capable to achieve a mechanical power of 115 kW at 3200 rpm. Such unit also provided an engine heat recovery system to make maximum advantage of the waste heat available from the engine and a hot water storage tank to satisfy the hotel’s hot water needs during the summer cooling season [64].
In 2006, research and development projects were started involving different USA partners (US Department of Energy, Oak Ridge National Laboratory, etc.), aiming to introduce residential GEHPs on the USA market, but up to now, the products are not yet available [6]. Nowadays, the majority of the GHEPs commercialised in the USA are mainly imported from Japan.
In Japan, the whole market of small air conditioners for commercial use was oriented toward electric heat pumps, and studies on GEHPs only started in 1979. Nevertheless, the first small gas engine heat pumps were marketed in 1987 [65].
Between 1981 and 1984, fifteen companies (three gas utilities, five engine manufacturers and seven air conditioner manufacturers) performed a research activity developing seven types of gas engine-driven heat pumps based on liquid-cooled internal combustion engines. In addition, tests on durability and feasibility of such systems were conducted, attesting a working time period of 20,000 h, a success that undoubtedly led to the second phase of GEHPs’ development in Japan [20,66].
From 1987, GEHPs were commercialised, and only a year after their launch, 10,000 units were installed. The reasons why sales of GEHPs rapidly increased were manifold [67]:
  • Low running costs and electric consumption.
  • Large heating capacity.
  • No discomfort during defrosting.
Since then, a great variety of models have been produced, finding a wide range of applications.
An important contribution in this field was made by Yamaha Motor Co., who placed small gas engine heat pumps on the market with a power ranging from 1.3 to 5.3 RT (4.6–18.7 kW). These models were all characterised by low levels of noise and vibrations and by high reliability and durability, resulting as suitable for the residential sector [68].
Successively, due to an increasing interest in hotels and sport centres, it was necessary to develop medium-sized GEHPs with a power of 40 RT (141 kW) able to satisfy heating/cooling demands and to also supply hot water (60 °C) [69].
The gas engine-driven heat pumps found application even in the industrial sector, as stated by their application at the Matsudo Factory of Takara Shuzo [70].
In 2003, Osaka Gas released on the market a GEHP integrating a power generator of 1 kW to meet unit auxiliaries’ (cooling fan, cooling water pump) demand and to reduce electricity required by the outdoor unit [71]. Further upgrades of this unit were introduced in the market by joint cooperation between gas companies and GEHP manufacturers, with the aim to meet with the generator external electric loads (up to 4 kW), and also including a battery to allow the GEHP to start even in the absence of the power grid [72,73].
In 2016, Osaka Gas, Toho Gas and Panasonic Corporation jointly developed a hybrid air conditioning system, named “Smart Multi”. This system integrates a GEHP and an EHP interacting with the same refrigerant line, and it is operated by remote control [74,75].
Nowadays, it is easy to find these devices in offices (40%), schools (20%) and industries (10%), while less common is their usage for residential purposes (3%) [76].
Additionally, Europe had a role in developing GEHP technology, as stated by an installation at Festival Hall in London in 1951 [77].
Since 1975, German industries have attempted to develop small gas heat pumps, and the main manufacturers involved in this project were Ford, Volkswagen, Hatzmotorenwerke and Fichtel and Sachs [20].
In particular, Fichtel and Sachs designed a new high-efficiency engine allowing a low level of noise, vibrations and emissions. From this research, the 20 kW model, with the possibility of heating and hot water production, was developed and commercialised [78].
Differently, in Italy, the research involving gas companies and manufacturers was focused on gas engine heat pumps, with power ranging from 80 to 200 kW.

2.2. Market

During 2017, the global heat pump market reached the size of USD 48.18 billion, with the expectation of continuous growth until the achievement of USD 94.42 billion by 2023. In particular, by analysing the four areas (Asia Pacific, Europe, North America and the Rest of the World) in which the global heat pump market is subdivided, the market domination in the Asia Pacific region is expected. This is due to increased investments in residential and commercial areas and growing industrialisation in the China and India regions [79].
Focusing on Europe, from the “European Heat Pump Market Statistics Report” drafted in 2018, it is possible to highlight that heat pump sales have increased by about 11% over 2017, with a total of 1.11 million units sold. Furthermore, supposing a useful life of 20 years, the actual European stock of heat pumps amounts to 10.6 million installed units. The major markets, in France, Italy and Spain, are responsible for half of the sales all across Europe [80].
The actual GEHP market is mainly covered by Japanese manufacturers, even if other companies are trying to introduce other models in the North American area [81] and in Europe [82]. The GEHP units are mainly installed in Japan, reaching a percentage of 92.8% (about 650,000 units) on the cumulative production up to 2015 [73]. The remaining part (7.2%, about 50,000 units) is shared among Republic of Korea, Europe, China, Oceania, North and Latin America, as stated in Figure 30.
With particular regard to the Asia Pacific area, in 2017, the Japanese market reached an air conditioner demand equal to 9.7 million units. In the Japanese market, the role of the GEHP is low even if the penetration of such equipment is higher than in the rest of the world. In the period 2005–2017, the GEHPs installed per fiscal year in Japan were between 12,602 (2010) and 27,920 (2005) (Figure 31) [83]. The figure shows a decreasing trend between 2005 and 2010, with a recovery in the following years, while in the period 2014–2017, the sales remained stable.
In Europe, as stated in Figure 32, the GEHPs have a marginal role in the space heating and cooling market, with 600–800 units sold per fiscal year in the period 2006–2016.
Finally, in Appendix A, the most diffused units installed in the starting phase of GEHP diffusion (Table A1) are reported, as well as the models introduced in recent years on the European market (Table A2 and Table A3).

2.3. Summary of GEHP Evolution Trend

The analysis performed in this section allowed to analyse both the starting development phase of this technology in USA, Japan, Europe and the actual market, which is almost exclusively covered by Japanese units.
The development of this new technology, more complex with respect to the electric heat pump, found these main problems: the choice and the design of engines for stationary use, as well as the transition from prime movers fuelled by liquid fuels (diesel, gasoline) to units fed by natural gas. In particular, the following main outcomes could be highlighted:
  • In Japan, the direct support of gas utilities, engine and air conditioner manufacturers, and the coordination of the Ministry of International Trade and Industry, allowed the birth of a research consortium fundamental for the development and the market supremacy of Japanese GEHPS.
  • To reduce the high first cost, many manufacturers, especially in Europe and the USA, tried to derive GHEP’s engine from automotive ones. The Japanese approach to the design of a new small-scale engine for this stationary use was a further key factor to guarantee long lifetime, high reliability and consequently low maintenance costs.
  • At the start of the developing and market phase, both technologies, direct and indirect heat recovery, are considered. Additionally, in this case, the Japanese choice to focus the attention to the simple and closer to the EHP approach of the 2 pipes was most rewarded by the market.
  • Different R&D projects were not carried out due to the primary problem regarding the engines of automotive derivation not suitable for supporting GEHP operating conditions.

3. Research and Development Activities

In the following section, a review of the R&D activities on GEHP is reported. The analysis covers a period from 1975 to 2020 and it is organised to highlight the contribution of different research groups engaged worldwide in theoretical and experimental analysis of the GEHPs. Furthermore, the different contributions are organised on a temporal basis considering the first paper published by the research group. In some cases, there is only one paper published by the group.

3.1. Overview

3.1.1. Georgia Institute of Technology, USA (1975)

In [84], Honeycheck reported the results of an experimental analysis performed on a GEHP based on an air-cooled rotary internal combustion engine (Wankel engine). At Georgia Institute of Technology (USA), the performance of a prototype of GEHP in heating and cooling modes has been evaluated. An experimental comparison among a gas furnace, an EHP and the GEHP is reported too.

3.1.2. Open University, UK (1984)

Newport [77] reported the results on the design, construction, lab testing and performance evaluation of a GEHP prototype developed with the contribution of an Open University (UK) research group. The system is based on a modified liquid-cooled marine engine with a displacement of 360 cm3. A lab test on the prototype has been carried out at steady-state condition by varying evaporating temperature (−10–10 °C) and hot water inlet/outlet temperatures (35/55, 45/65, 50/70, 35/60 °C) as well as considering intermittent conditions to evaluate the best control strategy, aiming to maximise the performance. The PER obtained was in the range between 0.92 and 1.43, highlighting interesting results.

3.1.3. University of Aston, UK (1984)

In [85], the author, in cooperation with the University of Aston (UK) and an industrial partner, investigated the performance of a GEHP prototype, also focusing on the defrosting techniques on the evaporator. The performance of the system has been experimentally evaluated at steady-state conditions by varying engine speed (1500–3000 rpm) and outdoor air conditions. The unit has been analysed at transient operating condition to evaluate the effect of frost formation on the system energy output. The unit was also used, meeting the energy demand of a swimming pool. A gas fluidised bed for evaporator defrosting was tested, too.

3.1.4. Iowa State University, USA (1990)

Rusk et al. [86] introduced a mathematical model of a GEHP working in heating mode. The engine model was proposed by the authors and it is based on polynomials that provide the different outputs as a function of the engine speed and shaft power. The heat pump model has been taken from other authors [87]. Energy and economic analyses of the GEHP were performed considering two USA locations (Des Moines, Dallas).

3.1.5. Campania Universities Group, Italy (1993–2013)

Intense theoretical and experimental research has been carried out by the GEHP research groups of the Campania Region (Italy), first at the University of Naples Federico II and then at the Sannio and SUN Universities [5,20,26,88,89,90,91,92,93,94,95,96,97]. Throughout their research, the team focused their attention on the study of heat engine-driven heat pumps, devices that allow obtaining high values of PER thanks to the recovery of the waste heat from the engine. Thus, research focused on GEHP were manifold and the starting points were both the definition of reference thermodynamic models and the simulation of their behaviour with the changing of climatic conditions.
In [20], an overview of GEHP status up to the year 1993 has been carried out. The paper reported a short description of the GEHP system, the reasons leading the GEHP introduction and their development. Further topics treated in the paper are related to the history of small-scale GEHP technology development in the USA, Japan and Europe.
In [88], the authors reported field test results performed on a GEHP working in heating mode and used for a residential application in Naples. The best results show a heating power from 5.2 to 5.4 kW and a PER between 1.14 and 1.18. The paper also reported the performance and heating power at partial load.
In [89], an energy and exergetic analysis on a gas engine-driven heat pump is carried out. For the evaluation of the energy and exergetic performance as functions of outdoor temperature in heating mode, a mathematical model was used. This model provided, as a function of outdoor air temperature, the energy input and output of the engine, the condenser and the auxiliary furnace. The model can also simulate at constant and variable compressor speed. The results of the simulations underlined that the exergy destruction was mostly localised in the prime mover, while the losses in the vapour compression heat pump subsystem varied from 20% to 30% of the global exergy input.
A study on the influence of irreversible heat transfer of the GEHP model is conducted in [90]. For developing such a thermodynamic model, it was necessary to introduce the finite-time thermodynamics that allowed for overcoming the limits related to the approach of Classical Thermodynamics. To get closer to the actual machine, the influence of irreversible heat transfer is considered (finite-time approach). The main objective was to predict the optimum operating conditions (maximum thermal power) of an actual system, and therefore a simplified irreversible model was developed.
Similarly, in [91], in reference to a heat engine-driven heat pump with waste heat engine recovery and considering the irreversibility related only to heat transfer under finite temperature differences, the performance of both the prime mover and heat pump were analysed. Furthermore, an endoreversible model was introduced with a more complex heat exchanger network to satisfy the heat demand by means of several heat reservoirs at different temperatures, so the diverse energy requirements (heating and domestic hot water) were simulated.
The aim of Reference [92] was finding the optimum performance of an engine-driven heat pump based on the finite-time thermodynamic approach, which can provide more realistic limits on the optimal operation of energy conversion systems considering the constraints represented by finite-time operation and limited heat exchange area. Initially, only thermal irreversibilities were considered, but successively, to obtain a model closer to reality, the so-called “internal” irreversibilities were taken into account. At the end, a comparison between the performance of the irreversible model and those of existing GEHP units was carried out.
The finite-time theory has also been applied in [93] to evaluate GEHP’s performance as a function of heat exchangers’ thermal resistances. Therefore, this methodology allowed considerations about the optimal allocation of the heat exchangers in the plant design, and moreover, the irreversible model considered herein was even investigated from a thermo-economic point of view, assessing both capital and operating costs.
In parallel, the technical-economic feasibility of different designs providing the use of heat engine-driven heat pumps was examined, and an intense experimental analysis was also conducted to verify the on-site performance of the gas engine-driven heat pumps. The analysis of the data collected during a 3-year field test on a GEHP conducted in an office building in Naples (Italy) was performed in [94]. The performance of a small-size Japanese GEHP (2.2 RT, 3 splits, 7.81 kW in cooling mode and 12.2 kW in heating mode) as a function of the outdoor air temperature, operating mode and the number of active indoor units was investigated. In particular, the highest energy conversion efficiency (PER = 1.25) was reached in heating mode during the operation with 2 or 3 splits, while the efficiency decreased if the machine operated with one indoor unit or in ON/OFF mode. These high performances were obtained even in the case of low values of outdoor air temperature. The last important aspect analysed in this paper regarded the optimum placement of the GEHP with the aim to match the user load, avoiding operation in ON/OFF and the efficiency losses.
The main objective of [26] was the analysis of experimental works (climatic chamber tests, field tests, on-site tests) performed on small GEHPs by the authors and other researchers. The paper also covered a wider analysis of historical development and the market situation of GEHP, focusing the attention on Europe, Japan and the USA. A further section treated the reasons leading to GEHP diffusion.
The problems about performance evaluated on the basis of on-site measurements of heat engine-driven heat pumps were analysed in [95]. In this work, attention was paid firstly to the definition of the GEHP performance parameters and then to the consequent quantities to be measured and monitored. The attempt of obtaining more reliable results with respect to the ones already available, usually achieved with climatic chamber tests, was in contrast with the difficulty of on-site measurement of thermohygrometric properties. Thus, more suitable sensors were detected, and their uncertainties were analysed.
In [96], the monitoring and remote-control system of a GEHP installed in an office located in Naples are described. This unit at nominal operating condition delivers 8.16 kW in heating mode, with a PER equal to 1.22. In this work, the experimental results related to data collected in winter are reported. Furthermore, the thermal power referred to the operation mode with one or two active indoor units and the values of the PER as functions of the outdoor air temperature were presented too. Such values, reported on a daily, monthly and seasonal basis, were in agreement with manufacturer data at partial load operation.
The use of GEHPs in cold climate is highlighted in [97]. These devices in fact offer high heating performance in heating operation mode due to the lower influence of outdoor air temperature compared to electric-driven heat pumps. Moreover, the gas-fuelled system presents a high partial load efficiency thanks to the modulation of the engine power and does not require defrosting operations. Tests executed in the climatic chamber confirmed that the high energy performance is due to both the waste heat recovery from the engine and the rotational speed variation of the engine. Finally, the GEHPs allow to guarantee comfort conditions, supplying warm indoor air flow at high temperatures.
Finally, a review of GEHPs updated to 2013 for residential applications is presented in [5]. In particular, all models with rated heating capacity lower than 100 kW commercially available and their main characteristics are listed. Furthermore, the experimental performance of the units measured by means of field or lab tests are discussed in detail.

3.1.6. Pacific Northwest Laboratory, USA (1995)

At Pacific Northwest Laboratory, under the supervision of Battelle Memorial Institute and with the funding support of the USA Department of Energy, a GEHP was tested in cooling [98] and heating modes [99]. The reports showed the performance and cost-effectiveness of a GEHP unit (Triathlon) produced by a USA company (York). Experimental analyses started in August 1993 and continued through the end of 1995 and were performed in three residential buildings at Fort Sam Houston (San Antonio, TX, USA). Much information on the data acquisition systems, the comparison among the three GEHPs, daily average PER, PER as a function of outdoor air temperature, etc., are included in the work. The gas-fuelled unit reached, considering all the heating periods, a PER equal to 1.28, while in the cooling period, the PER was 1.13, highlighting the good performance of the unit in the field tests, perfectly in agreement with those declared by the manufacturer.

3.1.7. Tianjin University, China (2003–2019)

Yang and other authors, a research group of Tianjin University (China), reported theoretical and experimental analysis of a GEHP system [38,100,101,102,103,104,105,106,107,108,109,110,111,112].
In [100], the authors analysed a mathematical model of a gas engine-driven compression-absorption heat pump (GECAHP) working in cooling mode considering two different layouts. The objective function was the maximum PER, constraining the maximum of the total heat-exchange area per unit of cooling capacity.
In [101], a dynamic model of a GEHP and a smart control simulation are presented to evaluate the dynamic performance of the system in heating mode. A model of each component of the GEHP system (natural gas engine, compressor, condenser, expansion valve, evaporator, cylinder jacket heat exchanger, exhaust gas heat exchanger, auxiliary heater) is reported. The authors proposed a smart control scheme combining the classical PID (proportional–integral–derivative) algorithm and a fuzzy control. The GEHP model was used to test the effect of the proposed control algorithm and the results were satisfactory.
In [102], a mathematical model of a GEHP, based on the model developed in [86], serving an air conditioning system is presented. An energy analysis investigating the influence of various factors, including the outdoor air temperature and humidity in summer and winter, is reported. An energy comparison between the proposed system and a traditional one based on an electric-activated heat pump is also reported.
In [103], an experimental and simulation analysis on a water-to-water GEHP is presented. The paper shows the test results as a function of the engine speed when the evaporating and the condensing temperature are 15 and 44 °C, respectively. Engine natural gas consumption, heating (HP condenser, exhaust gases recovery, engine jacket recovery) and cooling (HP evaporator) outputs, PER, COP and EER are reported as functions of the engine speed. The authors also evaluated the impact on the demand of natural gas and electricity due to a different penetration of GEHPs to satisfy space heating and cooling demands in Beijing (China).
In [38], a GEHP integrating an electric generator was experimentally as well as theoretically analysed. The electric generator is driven by the natural gas engine and can meet GEHP auxiliaries’ demands. The experimental analysis was performed in heating mode by varying engine speed (1300–2000 rpm), water flow rate (2.1–3.9 m3/h) and evaporation temperature (−5 to 2 °C). For each test, the authors evaluated thermal power (condenser, exhaust gases, engine jacket), engine shaft power, fuel consumption and performance indexes.
In [104], the control algorithm of an air-to-water GEHP is described. The GEHP output, and consequently the engine speed, are modified according to the return water temperature. The dynamic responses of the proposed control system are analysed, and the theoretical analysis and simulations are also reported. This control strategy was experimentally analysed in [105], evaluating the engine rotary speed response as a function of different operating condition variations.
In [106], an air-to-water GEHP working in heating mode is experimentally analysed. A numerical model for the main GEHP components (gas engine, heat pump) is also presented. The experimental tests were performed evaluating PER, COP and thermal power output. The results were reported by varying outdoor air temperature (−5, 7 °C), engine speed (1350, 1600, 2000 rpm), hot water flow rate (4.42, 5.09, 5.42 m3/h) and hot water outlet temperature (38, 46, 55 °C). The authors also reported different defrosting processes that could be considered.
In [107], the seasonal performance of a water-to-water GEHP is reported for the combined cooling and heating operating mode. Thermal energy is recovered by both heat pump condenser and engine waste heat. The paper presents a new performance index named the “integrated primary energy ratio” (IPER) based on PER and seasonal performance ratio (SPER). The SPER method, as proposed by the American Refrigeration Institute (ARI), is not suitable to evaluate the performance of GEHP working in combined heating and cooling mode. The proposed index, overcoming the restraints of the SPER, allows evaluating the performance of GEHP on a seasonal basis, performing four experimental tests. To test the validity of the proposed index, IPER, experimental studies on seasonal performance of GEHP have been carried out under the summer working condition. The use of IPER led to an error, evaluated considering 16 experimental tests, equal only to 3.7% if compared to SPER, therefore highlighting the validity of the proposed index.
In [108], the cooling performance of GEHP integrating a generator and using a refrigerant mixture of R134a/R152a was experimentally investigated. Power input and output for gas engine (jacket recovery, exhaust gas, generator power, primary input) and heat pump (cooling capacity, compressor power) as well as system performance (PER, COP) are evaluated by varying engine speed (1300–1900 rpm), evaporator water inlet flow rate (3.51–5.43 m3/h) and evaporator water inlet temperature (12–22 °C).
In [109], a GEHP integrating electricity, thermal and cooling storages is analysed on both an experimental and simulation basis. This unit is designed with the aim to have a stand-alone GEHP system with appropriate size of energy storages as well as an appropriate control system. The authors considered, on a simulation basis, the introduction of this unit for an office building located in Tianjin (China). The authors reported a comparison between experimental and simulation data for typical winter, summer and intermediate days. The simulation results well-agreed with experimental data, where the average difference was 8.9%, 9.63% and 21.7% for the annual primary energy ratio in heating, cooling and intermediate days, respectively.
In [110], three different control strategies in the cooling mode of a GEHP system already proposed in [109] are analysed. The three operating strategies differ on an economic basis and involve the operation of the GEHP and/or the cooling energy storage. A comparison between the GEHP with and without the cooling energy storage is introduced, highlighting the advantages of the first configuration on an energy basis.
In [111], the performance on a simulation basis of a GEHP satisfying heating and cooling loads of different types of buildings (residential, hotel, office, university) located in Tianjin (China) is evaluated. The GEHP also integrates an electricity storage charged by the engine. The results of an experimental analysis considering typical heating and cooling days chosen for preliminary evaluation data were also shown. A comparison between the GEHP model and experimental data led to a relative error lower than 12% in cooling mode and 35.6% in heating mode. A comparison between the GEHP with and without any energy storage is reported.
In [112], a novel solar photovoltaic/thermal system (PV/T)-assisted GEHP system, integrating an electricity and a thermal storage, was presented. The PV/T could not only meet the electricity demand for auxiliaries of the system, but also provide heat for the evaporator of GEHP working in heating mode. Experimental results of a typical winter day are reported for PV/T. An upgrade of the GEHP model, for which details are reported in [109,110,111], including the PV/T, is presented. A comparison on a simulative basis for a typical winter day between the GEHP with and without PV/T matching university building loads is reported. A sensitivity analysis of the proposed GEHP system by varying outdoor air temperature, solar radiation and wind speed is introduced.

3.1.8. Sun Yat-Sen University, China (2004–2008)

Sun, in cooperation with other researchers, performed an experimental analysis on GEHP-based systems in different Chinese Universities [113,114,115,116].
In [113], a prototype of a GEHP was tested at the laboratory of a Chinese company. A comparison in terms of PER between GEHP and three different reference systems based on an electric-driven chiller for cooling and a heating energy conversion system (coal boiler, gas boiler, electrical boiler) is analysed. The GEHP prototype system can save more than 35% of the primary energy compared to the conventional separate systems.
In [114], the experimental results of a prototype of a gas engine-driven compression-absorption heat pump (GECAHP) operating in cooling mode are reported. The gas engine directly drives an open screw compressor in a vapour compression chiller, and the waste heat from the gas engine was used to activate the absorption chiller. The results in terms of cooling output and PER (1.78–1.86) and a comparison between the proposed system and an electric-driven chiller are reported. The gas engine-based system guaranteed a primary energy saving up to 25.2%.
In [115], the experimental results of a prototype of a heat pump driven by a gas industrial engine are analysed: PER (1.9–2.1), heating and cooling outputs as a function of the engine speed (1350–1800 rpm) are reported.
In [116], experimental results of the GECAHP proposed in [114] are shown. PER and cooling output of the unit are reported by varying gas engine speed (1350–1900 rpm), outlet chilled water temperature (5–13 °C) and inlet cooling water temperature (24–31 °C). The PER of the unit reached 1.84 at the rated conditions (cooling output 596 kW).

3.1.9. Shanghai Jiaotong University, China (2004–2005)

Zhang et al. [117,118,119,120] performed experimental and simulative analysis on a GEHP at Shanghai Jiaotong University (China).
An air-to-water GEHP is analysed in Reference [117], starting with the gas engine model proposed in Reference [86]. Experimental results on a gas engine are considered to calibrate and validate the proposed model. The heat pump components (compressor, condenser, evaporator, expansion valve) are characterised considering mathematical models available from the scientific literature. A comparison on a simulative basis between GEHP and an EHP is considered too. Both the technologies are considered on an energy and economic basis in heating and cooling operating modes by varying outdoor air temperature.
In [118], the heating performance of an air-to-water GEHP was experimentally analysed and also simulated using a steady-state model. The gas engine and compressor models are established starting with experimental and manufacturer data. The simulation results in terms of heating power (HP condenser, engine jacket recovery, exhaust gas recovery), PER and COP are reported by varying engine speed (1000–3500 rpm) and outdoor air temperature (from −15 to 13 °C). The PER of the analysed system was in the range of 1.10–1.37.
In [119], a cascade fuzzy control strategy based on a GEHP is described. In an air-to-water GEHP system, the return water temperature of the unit is controlled acting on the opening angle of the engine’s throttle. In case of modification in thermal load, the return water temperature has to change, also affecting the supply water temperature. The aim of the control system is to regulate the return water temperature at a fixed value and to match the end-user demand. The authors performed tests on a GEHP, evaluating the response when the set temperature moved quickly from 44 to 45 °C and the engine speed increased to 100 rpm after stabilisation by using the proposed model and a cascade PI (proportional and integral) control strategy. Comparing the two control strategies, the fuzzy one provided good behaviour (quick response and little overshoot).
Lian et al. [120] analysed a system composed of a GEHP and a water-loop heat pump in different operating modes by means of energy and economic parameters. The authors analysed three cases, named “all cooling”, “all heating” and “part cooling and part heating”, respectively. An economic comparison for an office building is performed on a conventional air-conditioning system, a water-loop heat pump and a GEHP with a water-loop heat pump. The GEHP-based system performed better than the others with a simple pay-back period of less than five years.

3.1.10. University of Maryland, USA (2004)

In [121], Hwang analysed the performances of a GEHP system operating in cooling mode, based on a gas turbine that activated both a vapour compression chiller and a H2O/LiBr absorption chiller. The waste heat from the gas turbine activated the absorption chiller, for which cooling power was used to improve the vapour compression chiller output. A simulative analysis was proposed to evaluate the performances of the proposed system.

3.1.11. University of Padova, Italy (2006–2011)

Lazzarin and Noro [122] reported the on-site operating costs during three years of operation (1999–2001) on a GEHP serving a University building in Vicenza (Italy). A comparison by means of TRNSYS simulation is performed considering the opportunity to deactivate the GEHP and to serve the building with an electric-driven chiller (cooling load) and a district heating grid (heating load). The system based on the GEHP led to better results in terms of operating costs, excluding the option to move towards a district grid-based system.
In [123], Busato et al. reported the main outcomes on an energy, economic and environmental basis due to the use of the GEHP for 10 years, as described in [122]. The analysis was carried out with the aim to evaluate the replacement of the pre-existing GEHP plant due to extra costs for maintenance. Three options were considered: an expensive extraordinary maintenance cost for the repair of the pre-existing GEHP, the introduction of a new GEHP and the use of pre-existing peak boilers and the introduction of an air-cooled chiller. The results highlighted that from an economic point of view, the best option is to keep the existing plant running.

3.1.12. Sejong University, Republic of Korea (2006)

In [124], the authors proposed a control algorithm to manage the operation in dynamic conditions of a GEHP unit. The authors modelled, by means of energy and mass balances, the main components of the GEHP unit, such as gas engine and heat pump (compressor, evaporator, condenser, expansion valve). A PI (Proportional Integral) controller is proposed, and the dynamic results in terms of refrigerant pressures and temperatures at inlet/outlet compressor, cooling output and engine speed are reported.

3.1.13. Ege University, Turkey (2007–2015)

Hepbasli et al. reported an analysis performed on a GEHP using the exergy method, starting from data made available in the literature by other researchers [125] or obtained with experimental tests [126,127,128,129,130], performed on a unit used for drying purposes at the laboratory of Ege University, Izmir (Turkey). Finally, in [4], a review of GEHP systems is reported.
In [125], the author presented an exergy analysis on a GEHP aimed at identifying potential improvements. On the basis of the data available from [98], the exergy destruction in each component of the overall system is evaluated. Exergy efficiencies of the system components are also considered to assess their performance and to highlight potential improvements.
Gungor et al. [126] analysed the drying process of three medicinal and aromatic plants by means of a pilot-scale GEHP drier, which was designed, constructed and installed at the laboratory of Ege University. Drying experiments were performed using a GEHP working in heating mode and able to guarantee an outlet air temperature of 45 °C at the condenser, with an air velocity of 1 m/s. In this work, the performance of the drier along with its main components is evaluated by using energy and exergy analysis.
In [127,128], the authors extended the analysis performed in [126], introducing the exergoeconomic approach. Starting from experimental data, they applied in this study an exergy, economic, energy and mass analysis method. The analysis was performed on each component as well as on the main subsystems of the unit. According to the experimental data, the authors introduced some equations as functions of outdoor air temperature able to predict the values of utilised power, exergy efficiency and improvement potential rate.
In [129], a GEHP drying system was studied using both a conventional and advanced exergy approach. Three medicinal and aromatic plants were dried in a GEHP drier. For each system component, avoidable and unavoidable exergy destructions, modified exergy efficiency indicators and modified exergy destruction ratios were evaluated.
In [130], an advanced exergoeconomic analysis is applied to a GEHP drying system used in the food industry to evaluate its performance. The analysis showed that the cost rate of the unavoidable part of exergy destruction within the system components was lower than the avoidable one. A comparison between the results obtained by the conventional and the advanced exergoeconomic analyses is reported, and a section describing the performance and possible improvements for the overall system is added.
In [4], Hepbasli et al. reported a review of GEHPs used for residential and industrial applications. An analysis on theoretical and experimental studies covering the period 1989–2007 is reported. To evaluate the performance of a GEHP, energy and exergy analysis methods are also described.

3.1.14. Southeast University, China (2007–2019)

Cai et al. analysed, both on a theoretical and experimental basis, a hybrid-power gas engine-driven heat pump at Southeast University (Nanjing, China) [131,132,133,134,135,136,137,138,139,140,141,142]. The proposed system integrated a heat pump, a gas engine, a generator/electric motor and an electricity storage system (EES). Mechanical power available from the gas engine could be used to activate both the heat pump compressor and a generator used to charge, through a converter, electric batteries. The generator could also work as an electric motor using electricity derived from batteries through an inverter and could activate the heat pump compressor.
Reference [131] introduced the proposed GEHP system, integrating the generator/electric motor unit and an EES. This system could work in four different ways on the basis of the gas engine activation, electric energy storage use and end-user load: (A) GE on, EES off, HP on, (B) GE on, EES discharge, HP on, (C) GE on, EES charge, HP on and (D) GE off, EES discharge, HP on. The working mode was chosen, aiming to operate the GEHP at its maximum efficiency given the end-user load. Experimental data, fixing the engine speed at 3100 rpm and varying the part load ratio in the range of 0.56–0.93 (to guarantee an engine mechanical efficiency higher than 30%), are reported. On the basis of these experimental results, a numerical model including all the components of the proposed system is developed to evaluate the best operating mode. A comparison between proposed and conventional GEHP is reported in terms of PER by varying the end-user load.
Reference [132] reported the results of an experimental analysis of the hybrid-power GEHP unit, evaluating energy performance. According to the compressor speed, there are four operating modes (see Reference [131]), whose choice depends on the end-user load and on the minimisation of fuel consumption. The experimental analysis was performed evaluating the rate of the fuel input, the engine speed, the gas engine power output, the electric motor power, the torque output and the compressor speed. On the basis of experimental outcomes, an environmental analysis based on the LCA approach is also introduced for the hybrid-power GEHP considering its installation in Nanjing (hot summer and cold winter).
In [133], the authors reported an experimental analysis in heating and cooling modes of the hybrid-power GEHP system. The GEHP works with a control strategy in which the gas engine operates to minimise the fuel consumption through the gas engine characteristic curve. Heating (condenser, heating mode) and cooling (evaporator, cooling mode) power output, fuel-consumed flow, fuel-consumed rate and mechanical engine efficiency, are reported as a function of compressor revolution speed (750–2400 rpm). Waste heat thermal energy (total, from jacket and from exhaust gas) is also experimentally evaluated in heating and cooling operating modes and reported as a function of compressor speed.
A steady-state model of the hybrid-power GEHP is proposed in [134]. Each component (gas engine, electric motor, generator, electrical energy storage and compressor) of the global system is modelled. According to multiple linear regression theory, the gas engine characteristic curve equation is introduced on the basis of experimental data. By applying the methods of concentrated parameters and linear regression, the model of the compressor is obtained based on the test data. Different operating strategies (see Reference [131]) are introduced, aiming at the energy optimisation of the system in heating mode. The authors reported a sensitivity analysis by changing the transmission ratio to optimise the matching between the engine and compressor.
In [135], an upgrade of the steady-state model proposed in [134] is introduced. To evaluate the accuracy of the proposed model, experimental data collected from the test-rig and simulation data were compared, showing an acceptable agreement. The experimental parameters considered for the model validation were outdoor air temperature (6, 10, 15 °C), inlet temperature of cooling water (35 °C), water flow rate (3.2, 3.6, 4.0 kg/h) and compressor speed (800–2400 rpm). The maximum differences between simulation and experimental results were 8.9%, 5.9%, 9.5% and 8.2% separately, for engine torque, motor torque, thermal energy available from engine and engine mechanical efficiency.
A further upgrade of the steady-state model is reported in [136]. In this paper, the attention was focused on a comprehensive charging/discharging efficiency model of the electrical energy storage and an energy management optimisation strategy. Energy operating parameters of the proposed system, such as engine and electric motor operating torque, fuel consumption rate and efficiency, are investigated. The models are simulated by Matlab/Simulink and experimental results are used to validate the steady-state model.
In [137], the best operating strategy involving the contemporary use of electric motor and gas engine in the hybrid-power GEHP is investigated. The results showed that the optimum hybridisation degree is 0.412. An experimental analysis is carried out to validate the simulation data.
In [138], the hybrid-power GEHP is analysed on both an experimental and simulative basis. The proposed control strategy aimed to keep the gas engine always running with high mechanical efficiency on the basis of different operating strategies already described in [131]. A comparison between experimental and simulation results is reported.
Reference [139] introduced a dynamic control management based on an economic optimisation of the hybrid-power GEHP working in heating mode. Based on the experimental results, the mathematical model of the proposed system is reported. Two control strategies are proposed: the “engine economic zone” and the “engine optimal torque”. In order to compare the economics of the proposed system under the two control strategies, the sum of the gas engine consumption and the equivalent gas consumption due to battery use was calculated.
In [140], the “engine optimal torque” control strategy of the hybrid power gas engine-driven heat pump in heating and cooling mode is considered. Experimental and simulation results, based on a steady-state model, are compared by varying compressor speed (750–2400 rpm), operating mode (heating, cooling) and transmission ratio. This paper focused particular attention on the electricity storage (6.08 kWh, lithium iron phosphate), evaluating the state of charge and of health as a function of the compressor speed.
In [141,142], a further control strategy for the hybrid-power GEHP system, aiming at minimizing the energy consumption, is proposed. The control strategy acted on a continuously variable transmission (CVT) system. The results of the simulation led to a reduction of the average gas consumed rate of the engine for the proposed control strategy between 2% and 10%, with respect to the system without a CVT system.

3.1.15. Oak Ridge National Heat Pump Laboratory, USA (2009–2017)

Mahderekal et al. [143,144,145,146,147,148,149,150,151] analysed GEHP technology on an experimental and simulation basis at the Oak Ridge National Heat Pump Laboratory (ORNL) in Tennessee (USA).
In his PhD thesis [143], the author reported the experimental results obtained on a GEHP working in heating and cooling mode. A GEHP model was introduced by developing a software, able to predict steady-state heating and cooling performance of a variable-speed vapour compression air-to-air heat pump. The GEHP model outputs were compared to experimental results with respect to the compressor speed, energy performance and input/output powers. A comparison between a GEHP and an EHP was performed for an office application (464 m2) at two USA locations, Las Vegas and Chicago.
In [144], an experimental analysis on a GEHP is reported. The experimental tests were performed by varying outdoor air temperature, engine speed and the operating mode (heating, cooling). The tests also included the operating conditions required to obtain appropriate correlations for a GEHP model available in the EnergyPlus software.
In [145], Sohn et al. reported the results of a field-testing of GEHPs used for space heating and cooling at six US Department of Defense installations characterised by high and low ambient temperatures. The energy and economic performance considering one year (2007–2008) of operation are reported.
The analytical model and experimental analysis of a GEHP including an air handling unit (AHU) based on a desiccant wheel (DW) in cooling operation mode are reported in [146]. On the regeneration side of the DW-based AHU, an air-to-coolant heat exchanger is introduced to warm the air to regenerate the desiccant material of the DW. A parametric analysis by varying some factors (compressor speed, outdoor air and regeneration temperatures) is proposed to evaluate the performance and the useful output of GEHP in heating and cooling operation modes.
Reference [147] reported an experimental analysis performed at ORNL on a prototype of GEHP considering different operating modes (heating, cooling), engine speeds (1800, 2400, 3400 rpm) and outdoor air conditions. The prototype, on the basis of the load and the outdoor air temperature, was able to operate in heating operating mode and in direct or in indirect heat recovery modes.
In [148], the challenges considering the parallel use of two different GEHP units used to meet space heating and cooling loads of a residential and an office building are discussed.
In [149], the residential GEHP described in [147] was tested under different operating conditions. An experimental analysis is performed considering heating, cooling and combined heating and cooling operations. In the last operating mode, the waste heat from the engine during cooling operation could be used for auxiliary water heating, improving the efficiency of the system by at least 36%.
In [150], the authors evaluated a low-cost approach for implementing a remote monitoring system based on Arduino hardware and Matlab/Simulink software for a residential GEHP. A field-testing of ten prototypes of GEHP units was performed for ten months (2013–14) in Las Vegas (USA) to assess the effectiveness of the monitoring system.
In [151], the main outcomes from a project aimed to design residential GEHPs in collaboration with an industrial partner are reported. The research group tested at ORNL, in heating and cooling operating modes, two different models based on a water-cooled gas engine with different displacements, 270 and 950 cm3, respectively. The first model was developed between 2010 and 2012 and experimental tests evaluating performance and thermal output were conducted by varying operating mode (heating, cooling), engine speed, outdoor air temperature and engine to compressor transmission ratio. A second model integrating an electricity generator and an electricity energy storage system was designed and tested since 2013. Similar to the first unit, an experimental analysis was performed also considering the capacity of the unit to cover electricity demand both for GEHP auxiliaries and for an external load (up to 2 kW).

3.1.16. Otto-Von-Guericke University, Germany (2010–2014)

Elgendy et al. performed experimental analysis at Otto-Von-Guericke University in Magdeburg (Germany) on a GEHP unit considering different operating modes [21,40,41,42,152,153,154].
In [41,152], the authors reported the experimental results obtained from a GEHP operating in cooling mode. They evaluated the performance of the system by varying the evaporator water inlet temperature (13–24 °C), the evaporator water volumetric flow rate (1.86–2.80 m3/h), the ambient air temperature (19.7–35 °C) and the engine speed (1300–1750 rpm). From the experimental results, the PER, evaluated neglecting electricity due to auxiliaries, was in the range of 1.35 and 1.65.
In [42], the experimental results of the GEHP, characterised by a direct use of engine heat recovery, operating in combined heating and cooling mode, are reported. Experimental tests were performed changing the engine speed (1200–1750 rpm), the ambient air temperature (23.5–34.8 °C), the evaporator water volumetric flow rate (1.99–3.60 m3/h) and the evaporator water inlet temperature (12.2–23.0 °C). The PER was in the range of 1.7 and 2.6.
The authors of [153,154] investigated in their laboratory the performance of a GEHP working in heating mode with direct use of thermal energy recovered from the engine. The paper presents the experimental performance of a GEHP evaluated in a wide range of ambient air temperature (10.9–25.3 °C), condenser water inlet temperature (33–49 °C) and at two engine speeds (1300–1750 rpm). The PER for an outdoor air temperature of 10.9 °C was in the range of 1.18 and 1.28.
In [40], an experimental analysis performed on a GEHP operating in heating mode both in direct and in indirect engine heat recovery is reported. Experiments were conducted over a wide range of engine speeds (1300–2200 rpm), outdoor air temperatures (−3.3–22 °C) and condenser water inlet temperatures (27–48 °C). Maximum primary energy ratio has been estimated with a value of 1.83 with direct engine heat recovery, while it is reduced to 1.25 with indirect valorisation of engine waste heat.
A more detailed analysis of the experimental data shown in [40,41,42,152,153,154] is reported in Reference [21]. The author also introduced polynomial equations, based on experimental data, to evaluate GEHP primary input and thermal/cooling output as a function of different parameters (i.e., outdoor temperature air, engine speed, etc.).

3.1.17. Iran University of Science and Technology, Iran (2010–2013)

Sanaye et al. [155,156,157,158] reported the main outcomes from experimental and simulative analysis performed on a GEHP at Iran University of Science and Technology (Energy Systems Improvement Laboratory, Teheran, Iran).
In [155], a GEHP model based on the characterisation of its main components (compressor, condenser, expansion valve, evaporator and gas engine) is proposed. The authors reported a comparison of the model outputs with experimental tests. The results showed an error for a cooling mode lower than 8% and for a heating mode lower than 9%. The authors considered a GEHP without engine heat recovery, evaluating the performance at different cooling (8.7–22.5 kW) and heating (8.95–26.7 kW) loads.
Sanaye et al. [156] extended the use of the GEHP model proposed in [155] for further units with different heating (18–67 kW) and cooling (14–56 kW) capacities. They compared, by means of energy and economic parameters, the potentiality of GEHP units over the EHP ones, in residential and commercial buildings for different climate regions of Iran (dry temperature, moist temperate, cold, hot and dry).
The authors of [157] proposed a dynamic modelling of a GEHP, already analysed in [155], operating in cooling mode. In the model, a multi-layer perceptron neural network was implemented to predict rotational speed of the gas engine during the system start-up, until achieving the steady-state operating condition. Experimental tests were performed to validate the proposed model, and the average error of the modelling and the measured outputs was lower than 10%.
In [158], a model of GEHP working in heating mode is presented and validated through experimental data. The modelling was performed using typical thermodynamic equations of the system components with the support of Artificial Neural Network (ANN) and the multi-objective genetic algorithm optimisation methods. The comparison of modelling outputs with experimental results showed average errors between 2.9% and 6.2%, which led to an acceptable agreement for gas engine fuel consumption, engine rotational speed, operating pressure, outlet water temperature and GEHP primary energy ratio.

3.1.18. Gasterra, The Netherlands (2010)

In [159], Bakker et al. reported an overview of different gas-fired heat pumps, focusing the attention on the application of these technologies in the Netherlands. Furthermore, the authors analysed the introduction of gas heat pumps in new and existing buildings, highlighting energy, economic and environmental advantages with respect to electric-driven heat pumps. The details of some demonstration projects using GEHPs in different buildings (cinema, sport facility, shopping centre, etc.) are also reported.

3.1.19. Empa, Switzerland (2010)

Brenn et al. [160] reported an energy and environmental simulation comparison among a GEHP, an EHP, a gas-fired boiler and an electrical heater system used to meet building heating demands of a building in Zurich (Switzerland). The authors performed the analysis considering two different outlet hot water temperatures (40 °C, 60 °C).

3.1.20. Qingdao Agricultural University, China (2010–2011)

A biogas engine-driven heat pump, satisfying space heating and cooling loads, is evaluated by means of simulation [14]. Primary energy savings with respect to an EHP reach 25% for a GEHP working in cooling mode, while 37% in heating mode. An upgrade of this system, characterised by the introduction of an electricity generator, is studied in [15].

3.1.21. Harbin Institute of Technology, China (2012)

Li et al. [16] reported an exergy analysis of a biogas GEHP developed by starting with a mathematical model.

3.1.22. Konkuk University, Republic of Korea (2012)

In [161], the authors presented a comparison between GEHP and EHP considering primary energy, operating costs and social costs. The social costs included environmental costs for the impact of greenhouse gas emission. The EHP system is found to be better than the GEHP-based system from an energy and economic point of view. The result of the social cost perspective showed that the GEHP system performed better than the EHP system. A sensitivity analysis by varying COP, natural gas price and electricity rate has also been reported.

3.1.23. Technical University Eindhoven, Holland (2012)

Hissen [162] analysed four GEHPs serving an office building and a restaurant located in Son (Netherlands). The aim of the field test was the evaluation of the effectiveness of a software used for heating and cooling energy consumption predictions and a tool able to detect the faults of HVAC system at an early stage.

3.1.24. Hiroshima Gas Technology Research Institute, Japan (2012)

In [163], a gas company experimentally analysed an air-to-water heat pump in different operating modes, varying outdoor air temperature and outlet hot water temperature (30–75 °C). The results obtained are satisfactory, leading to a PER equal to 1.41 for an outdoor air temperature of 5 °C.

3.1.25. Tokyo University of Marine Science and Technology, Japan (2013–2018)

In [164], the authors analysed the field test data available for 196 GEHPs installed in private and public elementary and junior high schools in Japan (Tokyo, Nagoya and Osaka). These units were divided into 4 groups according to the manufacturing period. From the results, it appears that the gas consumption is 30% higher for private schools. The newest GEHPs show the lowest gas consumption according to the rated data of the unit. From the field data, it appears that thanks to the improvement of GEHP PER, the gas consumption of the units decreased by up to 40% in 20 years.
On the basis of a field test performed on a GEHP in an office building in Japan, the authors in [165] proposed a numerical model based on polynomials. The performance in terms of PER is reported in heating and cooling mode as a function of outdoor air temperature. A comparison between the installed GEHP and an old model is also reported, highlighting the improvement of the PER between 8% and 42%.

3.1.26. Warsaw University of Technology, Poland (2014–2019)

In [166], Rucinski et al. provided an overview of the advantages and disadvantages of GEHP, with a particular focus on applications of this technology in Poland. The basic parameters of the systems, principles of operation, operational problems and approximate costs are mentioned. In [167], a comparison on an energy and economic basis is reported between a GEHP and an EHP, starting from data available in [143].

3.1.27. Jordan University of Science and Technology, Jordan (2014)

Engine-driven heat pumps equipped with different prime movers (gas turbine, diesel engine) with or without an absorption system are compared in [168]. The systems operate in cooling mode and the engine thermal recovery is used to meet end-user energy demand (i.e., DHW), and partly to activate absorption heat pumps (AHP). The authors reported the results of a numerical analysis evaluating for each configuration the performance (PER, COP), thermal and cooling outputs, as a function of condenser (35–50 °C) and evaporator (4.6–14.6 °C) temperatures.

3.1.28. Yantai University, China (2015–2016)

In [169,170], a research group of Yantai University (China) reported experimental and simulative results performed on a GEHP unit.
In [169], the authors presented a hybrid energy conversion system, which is composed of a GEHP and an organic Rankine cycle (ORC) system. Thermal energy available from the gas engine is used to activate the ORC system. Tests on GHEP working in cooling mode are conducted, while the ORC system analysis is based on a mathematical model. GEHP experimental tests are conducted, evaluating cooling power, gas power input, PER, COP and waste heat engine recovery at a fixed outdoor air temperature (30 °C) and by varying engine speed (1200–1800 rpm) and evaporator water inlet temperature (12–24 °C). On the ORC side, a model considering three different working fluids (R245fa, R152a, R123) is proposed and simulated by means of Matlab simulations. On the basis of evaporative ORC temperature in the range 60–90 °C, and condensing temperature of 25.8 °C, the electric efficiency of ORC system was in the range of 7% and 12% with an electricity power output lower than 3 kW.
In [170], a GEHP system with evaporative condenser was considered and the cooling performances were evaluated on an experimental basis over a wide range of outdoor air temperatures (30–36 °C), evaporative condenser air velocities (2.2–3.9 m/s) and gas engine speeds (1200–2200 rpm). The maximum value of PER was 1.55. Compared to the GEHP with an air-cooled condenser, the primary energy saving and CO2 emission reduction of GHEP with evaporative condenser were 16.3% and 8.8%, respectively.

3.1.29. Xi’an Jiaotong University, China (2015–2019)

Zhang et al. experimentally analysed a GEHP at a test facility located at Xi’an Jiaotong University (China) in heating and cooling modes [171,172,173].
Zhang et al. [171] reported the results of experimental tests of the GEHP operating in heating mode. The experimental analysis was performed aiming to evaluate the performance (COP, PER) and the heating output of the unit by varying engine speed (1400–2000 rpm), outdoor air temperature (3–11.8 °C), condenser water flow rate (7.58–9.47 m3/h) and condenser water inlet temperature (38–42 °C). The experimental PER of the unit was in the range of 1.3–1.6.
In [172], the experimental results for a GEHP tested in heating and cooling modes are reported. In combined heating and cooling mode, the engine worked in the range of 1400–2000 rpm, with two outdoor air temperatures (28 °C, 32 °C) and two inlet chilled water temperatures (12 °C, 16 °C). The maximum PER, equal to 1.5, has been reached in case of heat recovery from the engine. The system has been evaluated in heating mode by varying the engine speed (1400–2000 rpm), outdoor air temperature (2.7–12.2 °C) and condenser water flow rate (7.5–9.5 m3/h). The best PER reached in heating mode was about 1.9.
In [173], the authors reported an experimental analysis on a GEHP operating in heating mode. The authors also proposed a mathematical model including the characterisation of the main components of the system (engine, compressor, heat exchangers, expansion valve). The system was tested by varying the gas engine speed from 1400 to 2000 rpm at two outdoor air temperatures (2 °C, 10 °C). The PER was in the range of 1.3 and 1.7. The comparison of simulations and experimental results showed an error lower than 6.7%.

3.1.30. Western Cooling Efficiency Center, USA (2015)

A GEHP installed in an office building is evaluated in [174] with a model developed by means of Energy Plus software. A comparison between three different systems (GEHP, EHP and gas-fired boiler) is proposed for different Californian climate areas and the results for energy and operating costs are reported.

3.1.31. Western University, Canada (2015)

In [7], the results of four different studies on field tests performed in Europe (Netherlands) and the USA (10 locations) on GEHP are reported. The applications comprised: office building, kitchen, cinema and residential building. A comparison between manufacturer and field test data is reported.

3.1.32. University of Žilina, Slovak Republic (2015)

A Slovak research group (University of Žilina) performed an experimental analysis on an air-to-water GEHP evaluating the PER on a daily basis in cooling [175] and heating modes [176]. In particular, the tests have been carried out aiming to evaluate the influence on the performance due to outdoor conditions (wind speed, air temperature, relative humidity, global radiation). An experimental comparison between a GEHP and EHP is also reported.

3.1.33. Hanyang University, Republic of Korea (2015)

In [177], a Korean research group performed an experimental analysis and a model validation on an LNG-fuelled GEHP, focusing on the combustion and emission characteristics of the engine. The authors numerically investigated a reduction strategy for NO and NO2 (NOX) acting on exhaust gas recirculation (EGR) and intake boost systems.

3.1.34. Lappeenranta University of Technology, Finland (2015)

In [178], a comparison among different technologies such as EHP, condensing boiler, ground-source heat pump, AHP and GEHP is considered for an application in Finland.

3.1.35. University of the Ryukyus, Japan (2015)

A comparison on an economic basis between a GEHP and EHP has been performed in [179] by means of Matlab The simulation has been performed considering a residential building.

3.1.36. Tianjin Chengjan University, China (2016–2020)

Liu et al. [180,181,182,183,184,185,186,187] performed an experimental analysis on a GEHP system and also modelled a compression-absorption GEHP unit at Tianjin Chengjan University (China).
In [180], an experimental analysis of a GEHP used for space heating and hot water supply is presented by varying engine speed (1400–2600 rpm), outdoor air temperature (2.4–17.8 °C) and condenser water inlet temperature (30–50 °C). The authors reported experimental data on the performance (COP, PER), primary power input and output (condenser HP, gas engine recovery). The PER of the GEHP was in the range of 1.1 and 1.3.
In [181], an experimental analysis of a prototype of a GEHP working in heating mode is reported. The energy analysis is carried out by varying condenser water inlet temperature (30.6–54.5 °C), speed engine (1400–1600 rpm) and outdoor air temperature (2–18 °C). The outlet hot water temperature from gas engine heat recovery was in the range of 40–60 °C, while the PER was between 1.23 and 1.48.
The GEHP described in [181] is analysed in [182] considering the combined heating and cooling operating mode. The system was studied by varying the evaporator water inlet temperature from 12 to 22 °C, outdoor air temperature from 24.2 to 37 °C and gas engine speed from 1400 to 2000 rpm. The primary energy ratio of the GEHP system was between 1.14 and 1.45, including the contribution of gas engine waste heat recovery.
In [183], a gas engine-driven compression-absorption heat pump (GECAHP) working in heating mode was proposed and simulated. The vapour compression heat pump (HP) is driven by the gas engine mechanical power, while the absorption heat pump (AHP) is activated by the gas engine exhaust gas. Useful thermal power is supplied by a primary circuit (HP condenser, gas engine jacket recovery) and a secondary circuit (absorber and condenser of AHP). In the simulative analysis, two different working pairs, NH3-LiNO3 and NH3-NaSCN, for the AHP were considered. The gas engine and the HP were modelled with polynomials, fitting experimental results [181]. A simplified model was considered for AHP section. A sensitivity analysis by varying gas engine speed (1500–2500 rpm), water inlet temperature (30–45 °C), outdoor air temperature (−5–20 °C) and exhaust gas outlet temperature of an AHP generator (138–175 °C) on the performance of the GECAHP is simulated. A comparison with a conventional GEHP is also considered and it appeared that the total heating capacity and primary energy ratio were higher for GECAHP by 6% and 5%, respectively.
In [184], a different configuration of the GECAHP proposed in [183] is considered and modelled. The heat released by the AHP condenser is transferred to the HP evaporator to improve the COP of the heat pump, and the waste heat from the gas engine (engine cylinder jacket, exhaust gas) is used to activate the AHP generator. On the basis of the model proposed for each GECAHP subsystem, a sensitivity analysis is performed by means of Matlab software, evaluating power input and output, performance indexes (COP, PER), varying gas engine speed (1500–2500 rpm), outdoor air temperature (−20–10 °C), water inlet temperature at the HP condenser (30–50 °C) and recovery water temperature from the gas engine (85–95 °C). Compared with a conventional GEHP system, the proposed GECAHP system improves the heating capacity at low air temperature, but the primary energy ratio is relatively low (1.0–1.1).
In [185], a GEHP is analysed using shower wastewater as a heat source for the HP evaporator. The system is proposed for producing domestic hot water. A thermodynamic model was proposed to evaluate GEHP performance and compare it with an EHP. A sensitivity analysis on GEHP and EHP evaluating outlet hot water temperature is performed by varying tap water temperature, tap water mass flow rate, compressor power input, COP and PER. The system based on a GEHP performed better than the EHP-based configuration, for which the primary input was evaluated considering a power grid efficiency of 40%. Four domestic hot water production technologies, a GEHP recovering shower wastewater, an EHP recovering shower wastewater, an air-to-water EHP and finally a gas-fired boiler, were considered to evaluate economic feasibility. The best choice was the one based on the GEHP exploiting shower wastewater, which guarantees, with respect to the other three solutions, 44.8%, 58.5% and 61.8% of cost savings, respectively.
In [186], the authors reported the experimental tests performed on a water-to-water GHEP working in combined heating and cooling mode. The power outputs (evaporator, engine hat recovery) as well as PER are reported as a function of engine speed (1400 and 1760 rpm) and evaporator inlet chilled temperature (5.9–16.3 °C). The PER without engine heat recovery was in the range of 0.61–0.85, while including the exhaust engine contribution, PER moved to the range of 2.09–2.34.
In [187], the experimental analysis of a water-to-water GEHP operating in heating mode and using R134a and low-GWP refrigerant R152a were investigated and compared. The results were reported as a function of engine speed (1200–1600 rpm), evaporator water inlet temperature (about 13–20 °C) and refrigerant (R134a, R152a). The PER using low GWP refrigerant R152a appeared up to 10.4% higher in comparison with the GEHP using R134a.

3.1.37. Ulster University, UK (2016)

An experimental study of a diesel engine heat pump working in heating mode is presented in [188]. Different tests were performed changing condenser water inlet temperature (35, 45, 55, 65 °C), evaporator water inlet temperature (0, 5, 10, 15 °C) and three different engine speeds (1600, 2000, 2400 rpm). The results showed that PER varied in the range of 0.93–1.33.

3.1.38. University of South Florida, USA (2016)

In [189], an evaluation of the field test performance on GEHPs installed in a commercial building is proposed. The performances of these units were assessed over a period of 10 months and compared to the results reported in the literature. A comparative economic analysis between GEHP and EHP is also reported. The experimental results in cooling mode were not satisfactory, and the results in terms of PER appeared lower than those available in the literature due to many operating hours at low partial load.

3.1.39. Jimei University, China (2016)

In [9], a landfill gas engine-driven heat pump system was experimentally studied. Experimental data in terms of biogas flow rate, exhaust gas engine temperature, heat output (condenser HP, exhaust gas recovery, engine jacket recovery), COP and PER are reported as a function of engine speed. The maximum COP and PER reached were 4.2 and 1.4, respectively.

3.1.40. Ecole Des Moines de Paris, Centre for Energy efficiency of Systems, France (2016)

In [190], a GEHP is simulated using wastewater from the bathroom and kitchen as the cold source and meeting domestic hot water and space heating demands of a hotel located in France. A seasonal PER equal to 2.3 and 2.2 for Trappes and Nice respectively, is obtained.

3.1.41. The Carbon Trust and Rawlings Support Services, UK (2016)

The study reported in [39] was undertaken by the Carbon Trust for the Department for Business, Energy and Industrial Strategy (BEIS) to analyse the GEHP technology potentiality for the UK market. In particular, this study evaluated the potential of this technology in decarbonising the UK economy. The authors reported the data updated to 2016 for the UK with regards to the GEHP future and actual market, costs, performance, barriers and drivers for deployment.

3.1.42. Tsinghua University, China (2017)

A comparison between a GEHP, an AHP and a gas-fired boiler is reported in [191]. The analysis is based on a mathematical model proposed by the authors and validated by means of experimental data available in [40]. The authors, for the GEHP, derived a sensitivity analysis reporting the PER and the heating output (condensed HP, engine jacket recovery, exhaust gas recovery) as a function of outdoor air temperature (−18–20 °C). The initial comparison resulted in better performances of the GEHP while operating in Shanghai (China) and in improved performances of the AHP while working in Beijing (China).

3.1.43. Ludong University, China (2018)

In Reference [192], an engine speed controller for a GEHP is designed and introduced for safe operation and capacity adjustment in dynamic working conditions. An engine speed control model is developed and simulated in Matlab/Simulink environment. The GEHP performance (PER) as well as primary power inputs and outputs both for gas engines and heat pumps have been experimentally evaluated in heating mode by varying engine speed (1300–1900 rpm) and condenser water inlet temperature. The PER obtained is in the range of 1.12 and 1.32.

3.1.44. Energy 350, USA (2018)

In [193], the Northwest Energy Efficiency Alliance (NEEA), an USA non-profit company, supported a field test on a GEHP manufactured in the USA. The units have been installed at the Capital Manor Retirement Community building in Salem (USA) to meet the space heating and DHW demand of the end-user. The GEHP included a small generator able to cover auxiliaries’ demand of the unit. The tests were performed in 2017 and showed an interesting PER equal to 1.34 and a primary energy saving of 39%. On the economic basis, the investment cost as well as the maintenance cost of the GEHP led to a SPB equal to 32.2 years. These costs were too high to consider the introduction of this equipment without any funding support.

3.1.45. Waseda University, Japan (2018)

A system integrating a GEHP and an absorption heat pump is experimentally analysed in [194]. The unit has been tested in heating and cooling mode, focusing the attention on transient start-up behaviour. A simulation model, for which validity has been confirmed by experimental data, has also been introduced.

3.1.46. University of Cádiz, Spain (2019)

In [44], five air-to-water GEHP units were experimentally analysed in a laboratory by varying operating mode (heating, cooling, combined heating and cooling), part load condition, outdoor air temperature and outlet water temperature. On the basis of the experimental results, the authors proposed a mathematical model (bi-quadratic, cubic and quadratic polynomials) able to characterise the five analysed models.

3.1.47. Kogakuin University, Japan (2019)

A system combining GEHP and EHP is evaluated on a simulative basis in [75] for an office building. The proposed system can activate GEHP or EHP according to unitary gas and electricity prices, having the same refrigerant circuit in common.

3.1.48. University of Salamanca, Spain (2019–2021)

In [11], by means of a simulation on an energy basis, the authors compared ground-source EHP and GEHP considering different European locations (Ancona, Edinburgh, Karlstad), meeting space heating load requirements. A further analysis is performed considering biogas feeding GEHP. The authors extended the analysis including environmental and economic aspects in [12,13].

3.1.49. Shahid Rajaee Teacher Training University, Iran (2020)

Varmazyar et al. [195] reported an experimental analysis performed at the university lab of an air-to-water GEHP. The tests were conducted in heating mode, varying air temperature (0–15 °C) and outlet water temperature (40–50 °C), and in cooling mode in a range of air temperature between 25 and 40 °C, while the outlet water temperature was in the range 8.5–14 °C.

3.2. Summary of Studies on GEHPs

Intensive R&D activities on GEHP have been performed worldwide based on experimental research, field and laboratory tests, as well as on simulation models.
In Appendix A, two tables (Table A4 and Table A5), including information (operating mode, engine heat recovery in heating mode, end-user, methodology, analysis performed, heat pump source and references) on the GEHPs analysed in this review are summarised.
Table A4 refers to the GEHPs without the electric generator, while Table A5 includes the papers treating the unit with an electric generator.

3.2.1. Experimental Activities

Different approaches have been considered to perform experimental analysis by means of field tests and test rigs.
The field tests on GEHP using an indirect heat recovery system have been conducted in buildings of different sectors, such as office [88,94,96,145,162], fitness centre [145], museum [145], dining hall/restaurant [145,162], residential [98,99,150], university [122,123], commercial [189], swimming pool [85], university laboratory [175,176], elementary and junior high school [164] and retirement community building [193]. The unit analysed in [193] is also equipped with an electric generator.
For office buildings, different sizes of GEHP systems have been considered, varying from small units [59,65] to large units [136,145]. The results obtained on an energy and economic basis were satisfactory and in line with those declared by the manufacturers.
Additionally, for residential application, the results of the field tests for small-scale units are satisfactory and in agreement with those declared by the manufacturer (see [98,99]).
In [137], GEHPs installed in different schools in Japan show that the improvement of GEHP efficiency led to a strong reduction in the gas consumption up to 40%.
For the university [122,123] application, the results obtained were not satisfactory due to frequent and unexpected failures of the system, leading to extra costs for maintenance, and moreover, discomfort conditions for the occupants. The results of the GHEP installed in a university lab were positive [175,176,196] and in good agreement with manufacturer data.
Particularly interesting is the introduction of a GEHP, fuelled by biogas, serving a commercial building [189]. The energy performance of the system is very interesting, evidencing the importance of supporting the diffusion of renewable-based systems.
Papers reporting on field tests are characterised on the basis of end-user and analysis, as shown in Table 3, considering operating mode specifying heat recovery mode from the engine, as shown in Table 4, and heat pump source and sink, as shown in Table 5.
Intense experimental activities have been carried out by many researchers all over the world through the analysis of GEHP units in laboratories, aiming to evaluate, by modifying different parameters, the performance, mainly at stationary conditions, though some studies also focused their attention on transient [85,105,119,137,144,157] conditions. In other cases, an investigation of GEHP performance reproducing daily heating and cooling loads has been considered [109,110,111].
Much attention was also paid to GEHPs equipped with an electric generator, upgrading the unit as a cogeneration or trigeneration system.
Different authors performed an energy analysis, testing equipment already available on the market, while others focused on prototype analysis.
The GEHP tested are mainly based on spark-ignition engines fuelled by natural gas or renewable landfill gas [9], but there is also a case in which there is a diesel engine [188].
In the majority of the cases, the authors tested GEHP as a black box without evaluating refrigerant properties and limiting the attention only to engine speed, primary input and thermal/cooling output.
Analysis of the GEHP system combined with an absorption heat pump [114,116] and PV/T system [112] are also investigated.
A predominant part of the paper focused on GEHP application for space heating, space cooling and DHW purposes, while some works analyse the use of this technology for food-drying processes [126,127,128,129].
From the results, there appears to be good agreement between experimental and manufacturer data.

3.2.2. Modelling

Different approaches to modelling are considered by authors involved in the GEHP field. In some cases, the performance of the GEHP system or of its components is predicted by means of available measured data. Statistical mathematical models based on mathematical functions (regression curves), derived through curves fitting experimental data, are extrapolated on the basis of operating conditions. Using these functions, it is possible to estimate the performance at any combination of working conditions, not only at experimental data points. The system is seen as a black box and there is not any reference to component modelling.
In other cases, the authors [86,101,109,110,111,112] developed mathematical models starting with a system of equations based on the conservation laws of physics, thermodynamics, specific correlations and physical characteristics of the GEHP subsystems. Preliminarily fixing the desired operating conditions and boundary conditions as input, a software should be used to solve the set of equations, giving as output the predicted performance.
In other cases, simplified models are based on mass, energy and exergy balance equations [90,91,92,93,101,102,109,110,112,125].
Starting with developed models in some works, a simulation analysis on a daily [101,109,110,111,112,174], monthly [103,185], seasonal [86,107,109,120] or annual basis [109,117,121,160,174] is also performed. Other works report a parametric analysis, mainly varying outdoor air temperature [86,89,112,118,127,128,143,165] or other parameters (engine speed, compressor speed, storage tank size, etc.) [109,112,131,135,136,138,139,140,141,142].
In the majority of the papers, the authors performed both the experimental analysis and the modelling of GEHP or a specific subsystem of the unit. A validation of the models has also been performed in these works.
Some authors focused on the use GEHP subsystems’ mathematical models, with particular attention to the engine [38,86,89,106,124,135,155,156,157,158,192], heat pump [86,89,155,156], or specific components (compressor, thermostatic valve, heat exchanger, etc.).
In other studies, models based on experimental data by means of polynomials are considered for single components, such as engine [86,101,102,117,118,134,135,138,139,140,141,142,143,146,173], heat pump [185], compressor [134,138,139,141,142,143,146], the entire GEHP system [103,107,144], or for evaluating the system performance [134,165].
Simulation analysis has been performed mainly considering stationary conditions, but some studies considered transient operating conditions of GEHPs [101,103,124,144,157,192].
Analysis of the GEHP system combined with the desiccant-based HVAC system [146], ORC [169] and ABHP [183] are also investigated.

3.2.3. Studies’ Distribution

From 1957 to 2020, a total of 305 scientific papers on GEHPs have been identified. Figure 33 shows the distribution in various regions of the World. In Europe, the majority of GEHP-related papers has been published in Italy (25), followed by Germany (18). Asia, China and Japan cover more than 38% of world’s scientific literature production (58 and 36 papers in China and Japan, respectively). As regards North America, in the USA, 46 scientific papers on GEHPs have been published. The research progress in some countries such as Australia, South America or Africa (grey regions) is less than in other regions. The results of this figure highlight that great attention has been paid to GEHP not only from researchers of the countries where this technology was firstly developed, but also in other places of the world, in particular in China.
To highlight the temporal trend of the interest of the scientific community in GEHPs, the distribution is reported in Figure 34: A large scientific literature production (33%) was recorded in the late eighties and early nineties. Subsequently, the research progress about gas engine heat pumps came to a halt around the year 2000, and then it started up again. Thereby, in the last 5 years (2015–2020), 51 GEHP-related papers have been published, especially by Chinese research groups.

4. Conclusions and Future Perspectives

A heat pump driven by an internal combustion engine usually fuelled by natural gas is a very interesting alternative to the widespread electric systems, due to its high potential energy saving in commercial and small-scale applications.
From the analysis previously reported, the following conclusions could be derived:
  • The GEHP is a consolidated energy system available on the market: up to 2015, about 700,000 units were installed, with 92.8% in Japan.
  • The development of small gas engine-driven heat pumps was carried out since 1930 in the United States, Japan and Europe. The commercialisation of the first unit in Japan was in 1987.
  • Intensive R&D activities on GEHP have been performed worldwide based on experimental research, field and laboratory tests as well as on simulation models.
In the future, GEHPs will be able to play a decisive role in the air conditioning sector (1.11 million units sold in 2017), characterised by high energy consumption in constant growth, for the following reasons:
  • The GEHPs are very efficient energy conversion systems: They have a high primary energy ratio, up to 1.7 in heating mode and 1.5 in cooling mode. Furthermore, GEHPs can also operate as a combined cooling, heating and power system, increasing the PER up to 2. GEHPs are fuelled by natural gas, that in 2017 covered 22.2% of the total primary energy supplied in the world (13,971 Mtoe) [196]. Driven by continuous growth and strong policy support to curve air pollution, China accounts for 37% of the global increase in natural gas consumption between 2017 and 2023, more than any other country. Furthermore, China became the highest natural gas importer by 2019, and with 171 bcm (billions of cubic meters) of imports estimated by 2023 [197]. In Europe, a substantial number of studies show that the demand of natural gas until 2030 is likely to be stable, and projections of demand for natural gas in 2040 and 2050 vary strongly in different scenarios, but the majority indicate a continuous decline in consumption [3].
  • Energy demand for space heating in the EU is mainly covered by natural gas. This fuel is expected to maintain a predominant role by 2030 and high energy conversion efficiency systems, such as gas heat pumps, should become a reference technology able to contribute to achieving EU28 goals by 2030 and by 2050 in terms of primary energy savings and CO2 emission reductions.
  • On an environmental basis, GEHP is a very interesting option in the EU with respect to EHP-based systems, allowing CO2 emission reduction both in heating and cooling modes. In particular, a reduction of up to 51% is achieved when GEHP operates in combined heating and cooling mode, while it can reach 24% if it works in heating mode.
  • Electricity will not be able to cover all energy needs in the future, so renewable forms of gases such as biomethane and hydrogen (“green hydrogen” produced through the electrolysis of water using renewable electricity) will be an important decarbonisation strategy. Achieving net-zero GHG emissions in the EU by 2050 will almost certainly require the development of low-carbon forms of gases to replace much of the natural gas consumption [3]. Consequently, GEHPs, fuelled by biomethane and by a mix of methane and hydrogen (5%) produced using the surplus of renewable electricity (Power-to-Gas, P2G), could strongly contribute to the increase of renewable energy consumption.
  • The low-carbon natural gas grid combined with GEHP diffusion could contribute to achieving 2030 targets, contributing to a reduction of more than 90 × 106 tons of CO2 per year, considering space heating demand for tertiary and industrial sectors.
  • Biomass-fuelled GEHP units interacting with low-temperature district heating networks could play a very important role in northern Europe as well as in cold European mountain areas. In many cases, district heating networks in these areas are served by low energy conversion efficiency equipment, such as biomass boilers. Moving towards a more efficient and sustainable technology, a primary energy saving of higher than 30% could be reached. The introduction of the proposed system could allow to better exploit local forest and waste agriculture biomasses, also supporting the economy of the areas surrounding the plant.

Author Contributions

C.R., E.M. and M.S. contributed to the design and implementation of the research, to the analysis of the results and to the writing of the manuscript. All authors have read and agreed to the published version of the manuscript.

Funding

This research received no external funding.

Institutional Review Board Statement

Not applicable.

Informed Consent Statement

Not applicable.

Data Availability Statement

Not applicable.

Conflicts of Interest

The authors declare no conflict of interest.

Nomenclature

COPCoefficient of Performance (-)
EEnergy (kWh)
EEREnergy Efficiency Ratio (-)
GUEGas Utilisation Efficiency (-)
HSPFHeat Seasonal Performance Factor (-)
IPERIntegrated Primary Energy Ratio (-)
PERPrimary Energy Ratio (including power grid contribution) (-)
PER’Primary Energy Ratio (excluding power grid contribution) (-)
r m P M Ratio between mechanical energy to HP and mechanical energy output from PM (-)
r t h P M Ratio between thermal energy to EU and thermal energy output from PM (-)
r e l E G Ratio between electric energy to EU and electric energy output from EG (-)
RTRefrigerant Tonnes (1 RT = 3.5 kW)
SEERSeasonal Energy Efficiency Ratio (-)
SPBSimple Payback (y)
SPERSeasonal Performance Ratio (-)
Acronyms
A/AAir-to-air
A/WAir-to-water
AHPAbsorption Heat Pump
AGAAmerican Gas Association
AHUAir Handling Unit
ANNArtificial Neural Network
ARIAmerican Refrigeration Institute
BEISBusiness, Energy and Industrial Strategy
CCHPCombined Cooling Heating and Power
CDCondenser
CHPCombined Heat and Power
CPCompressor
CVTContinuously Variable Transmission
DHWDomestic Hot Water
DOEDepartment of Energy
DWDesiccant Wheel
EESElectric motor and Electricity Storage
EGElectric Generator
EHPElectric-driven Heat Pump
EUEuropean Union
EVEvaporator
FYFiscal Year
GGasifier
GBGear Box
GEGas-fired Engine
GECAHPGas Engine-driven Compression-Absorption Heat Pump
GEHPGas Engine-Driven Heat Pump
GHGGreenhouse Gas
GRIGas Research Institute
HPHeat Pump
HVACHeating Ventilation and Air Conditioning
LCALife Cycle Analysis
LNGLiquefied Natural Gas
LPGLiquefied Petroleum Gas
LTDHLow-Temperature District Heating network
MITIMinistry of International Trade and Industry
NAECANational Energy Conservation Act
NEEANorthwest Energy Efficiency Alliance
ORCOrganic Rankine Cycle
ORNLOak Ridge National heat pump Laboratory
PIProportional Integral
PMPrime Mover
PPPower Plant
PV/TPhotovoltaic/Thermal
rpmrevolution per minute
Greek Symbols
α(kg CO2/kW hel)
ηEfficiency (-)
Subscripts
BioBiomass
cocooling
elelectric
mmechanical
pprimary
SynSyngas
ththermal
trmechanical transmission
Superscripts and Acronyms
AUXAuxiliaries
CDCondenser
CPCompressor
EGElectric generator
EVEvaporator
GBGear Box
GEHPGas Engine-Driven Heat Pump
HPHeat Pump
PMPrime Mover
PPPower Plant

Appendix A

List of Tables:
Table A1. GEHPs available on the market during the past years.
Table A1. GEHPs available on the market during the past years.
ModelCooling Capacity [KW]Heating Capacity [kW]Engine Displacement [cm3]Engine rpmElectric Power Auxiliaries [kW]Gas Consumption Cooling Mode [Nm3/h]Gas Consumption Heating Mode [Nm3/h]Noise [dB]PER Cooling ModePER Heating ModeWeight [kg]Outodoor Unit Dimensions [mm3]Volume [m3]Heating Capacity/Cooling Capacity
YAMAHA 1.3 RT - YGC4.3 (P,L)4.657.562451100:20000.170.50.44500.731.34148600 × 380 × 17500.3991.626
SANYO-HONDA56NANANANANANA0.70.8590750 × 350 × 9500.2491.200
YANMAR6.78.7NANANANANANA0.71120800 × 300 × 10300.2471.299
YAMAHA 2.2*RT7.8212.22931200:2500NA0.720.7560.851.36185800 × 360 × 17200.4951.560
YAMAHA 2.2 RT7.828.162931200:25000.260.720.7520.850.91185800 × 360 × 17290.4981.043
YAMAHA 2.5 RT8.710.52931200:2500NA0.850.87520.780.85186800 × 360 × 17290.4981.207
YORK 3.0 RT10.516.1272.51200:3000NANANANA0.91.7NA1082 × 865 × 9140.8551.533
YANMAR 3.0 RT10.515.74391500:2500NA1.071.2559NANA260950 × 460 × 15440.6751.495
AISIN 3.3 RT11.613.4NANANANANANANANANA850 × 700 × 18501.1011.155
GHP 4.0 RT13.418.5658NANANANA600.781.18NANANA1.381
SACHSNA20NA1200:2400NANANA53NA1.51NANANANA
YANMAR 4.0 RT13.621.74401500:3300NA1.341.22600.70.9NA1000 × 500 × 17800.8901.596
YAMAHA 3.9 RT13.8417.21547900:25000.421.581.55590.7620.9653041050 × 600 × 12900.8131.243
YANMAR 3.7 RT14.221.3NANANANANANANANANANANA1.500
CLIMA VENETA GHP 514.4259051600:2500NA1.81.8680.831.455001250 × 730 × 18901.7251.736
AISIN 5.0 RT17.420.95471200:2800NA1.51.42620.91.1450970 × 700 × 1,8401.2491.201
AISIN 5.0*RT17.426.1547NANANANA620.91.8450970 × 700 × 18401.2491.500
YAMAHA 5.3 RT18.5022.305471000:3000NA1.81.6NANANA4101200 × 700 × 15501.3021.205
AISIN 5.3 RT18.622.3547NANA1.81.658NANA4251180 × 660 × 17501.3631.199
YANMAR 5.0 RT20.526.5NA1200:3200NANANANANANANANANA1.293
YANMAR 5.8 RT20.528.5658NANA2.152.360NANA430890 × 990 × 12991.1451.390
CLIMA VENETA GHP 1027459031200:3300NA3.53.5680.81.347901520 × 890 × 18902.5571.667
YANMAR 7.9 RT27.838.48791200:3300NA2.912.9163NANA5351300 × 700 × 20161.8351.381
SANYO 9.9 RT34.939.519881500:2750NA 2.922.8663NANA10001750 × 1000 × 21703.7981.132
AISIN 13.2 RT37.244.210941500:2750NA3.52.8463NANA9502280 × 700 × 20343.2461.188
SANYO 11.6 RT41.345.41998NANA4.173.8863NANA10501750 × 1,000 × 21703.7981.099
GHP 13 RT43.646.51395NANANANA601.051.17NANANA1.067
SANYO 13.2 RT46.551.2NANANANANANANANANA1850 × 1000 × 21724.0181.101
YAMAHA 13.2 RT48.861.61996700:2000NA4.124.1362NANA9501700 × 1100 × 18803.5161.262
YANMAR 13.2 RT48.85914291200:2500NA4.244.164NANA10001760 × 970 × 19903.3971.209
SANYO 14.9 RT52.360.51998800:2200NA4.954.4164NANA11001750 × 1000 × 21703.7981.157
THERMO K.15 RT53702670.9NANANANANA0.8NA11791930 × 3937 × 12709.6501.321
CARRIER 25 RTNANA30001500:3000NANANANANANA21322324 × 5512 × 133817.140NA
GHPNAFORD VSG 41070901300NANANANANA1.11.6NANANA1.286
Table A2. Air-to-air GEHPs (cooling: A35/A27, heating: A7/A20) available on the European market.
Table A2. Air-to-air GEHPs (cooling: A35/A27, heating: A7/A20) available on the European market.
Manufacturer and ModelAISIN AXGP224E1 8 HPAISIN AXGP280E1 10 HPAISIN AXGP355E1 13 HPAISIN AWGP450F1 16 HPAISIN AWSGP560F1 20 HPAISIN AWGP710F1 25 HPAISIN AWGP850F1 30 HPYANMAR Eco Compact P450YANMAR Eco Compact P560YANMAR Eco Compact P710YANMAR Eco Compact P850PANASONIC U-16GE3E5 16 HPPANASONIC U-20GE3E5 20 HPPANASONICU-25GE3E5 25 HPPANASONIC U-30GE3E5 30 HP
Cooling capacity [kW]22.42835.5455671854556718545567185
Heating capacity [kW]2531.540506380955063809550638095
FuelNatural gas, LPGNatural gas, LPGNatural gas, LPGNatural gas, LPGNatural gas, LPGNatural gas, LPGNatural gas, LPGNatural gasNatural gasNatural gasNatural gasNatural gas, LPGNatural gas, LPGNatural gas, LPGNatural gas, LPG
Primary power input—Cooling mode [kW]1519.226.431.438.954.471.230.940.95160.929.739.160.467.9
Primary power input—Heating mode [kW]15.920.32729.838.153.96829.338.850.659.732.542.553.268.1
Electric power input—Cooling mode [kW]0.420.580.740.640.911.191.490.870.991.451.660.711.021.331.7
Electric power input—Heating mode [kW]0.340.440.570.50.620.741.120.770.921.361.510.60.640.831.45
PER cooling mode [-]1.491.461.341.431.441.311.191.461.371.391.401.521.431.181.25
PER heating mode [-]1.571.551.481.681.651.481.401.711.621.581.591.541.481.501.40
Engine displacement [cm3]9529529521,9981,9981,9982,237NANANANANANANANA
Compressor1 Scroll compressor1 Scroll compressor1 Scroll compressor2 Scroll compressors2 Scroll compressors2 Scroll compressors3 Scroll compressorsNANANANANANANANA
RefrigerantR 410 AR 410 AR 410 AR 410 AR 410 AR 410 AR 410 AR 410 AR 410 AR 410 AR 410 AR 410 AR 410 AR 410 AR 410 A
Refrigerant [kg]11111111.511.511.511.511.811.811.811.810.511.511.511.5
Noise [dB(A)] @ 1m545659585962655758616257586263
Outodoor unit dimensions [mm]2077 × 1400 × 8802077 × 1400 × 8802077 × 1400 × 8802245 × 1660 × 8802245 × 1660 × 8802245 × 1660 × 8802245 × 1660 × 8802170 × 800 × 16902171 × 800 × 16902172 × 800 × 21002173 × 800 × 21002273 × 1650 × 10002274 × 1650 × 10002275 × 1650 × 10002276 × 2026 × 1000
Volume [m3]2.562.562.563.283.283.283.282.932.933.653.653.753.753.754.61
Weight [kg]5655655657657657958708808901,0801,080755780810840
Engine thermal recovery (with DHW kit) - cooling mode [kW]81013.515.719.527.235.61620253015203030
Scheduled maintenance interval [h]10,00010,00010,00010,00010,00010,00010,00010,00010,00010,00010,00010,00010,00010,00010,000
Scheduled engine oil replacement [h]30,00030,00030,00030,00030,00030,00030,00020,00020,00020,00020,000NANANANA
Table A3. Air-to-water GEHPs (cooling: A35/W7, heating: A7/W45) available on the European market.
Table A3. Air-to-water GEHPs (cooling: A35/W7, heating: A7/W45) available on the European market.
ModelAISIN AXGP224E1 AWS8HP-F1(J) AISIN AXGP280E1 10 HP AWS10HP-F1(J)AISIN AXGP280E1 AWS13HP-F1(J)AISIN AWGP450F1 AWS16HP-F1(J)AISIN AWSGP560F1 AWS20HP-F1(J)AISIN AWGP710F1 AWS25HP-F1(J)AISIN AWGP850F1 AWS30HP-F1(J)Yanmar ENCP450JYanmar ENCP560JYanmar ENCP710JYanmar ENCP850J
Cooling Capacity [kW]21.026.533.543.553.063.574.542.052.065.078.0
Heating Capacity [kW]23.530.037.550.062.577.087.548.058.076.090.0
FuelNatural gas, LPGNatural gas, LPGNatural gas, LPGNatural gas, LPGNatural gas, LPGNatural gas, LPGNatural gas, LPGNatural gas, LPGNatural gas, LPGNatural gas, LPGNatural gas, LPG
Primary power input - Cooling mode [kW]15.320.027.730.043.056.070.730.940.951.060.9
Primary power input - Heating mode [kW]15.520.227.034.042.554.261.529.338.850.659.7
Engine heat recovery in cooling mode [kW]8.010.013.519.523.530.544.5NANA30.0NA
PER cooling [-]1.371.331.211.451.231.131.051.361.271.271.28
PER heating [-]1.521.491.391.471.471.421.421.641.491.501.51
PER heating and cooling [-]1.901.831.702.101.781.681.68NANA1.86NA
Compressor1 scroll compressor1 scroll compressor1 scroll compressor2 scroll compressors2 scroll compressors2 scroll compressors3 scroll compressorsNANANANA
RefrigerantR 410 AR 410 AR 410 AR 410 AR 410 AR 410 AR 410 ANANANANA
Refrigerant charge [kg]11.011.011.011.511.511.511.5NANANANA
Noise [dB(A)]54565958596265NANANANA
Dimensions GEHP outdoor unit [mm]2077 × 1400 × 8802077 × 1400 × 8802077 × 1400 × 8802245 × 1660 × 8802245 × 1660 × 8802245 × 1660 × 8802245 × 1660 × 8802170 × 800 × 16902170 × 800 × 16902170 × 800 × 21002170 × 800 × 2100
Dimensions hydronik kit (HK) [mm]915 × 710 × 1020915 × 710 × 1020915 × 710 × 1020915 × 710 × 1020915 × 710 × 1020915 × 710 × 1020915 × 710 × 10201,100 × 1020 × 6751100 × 1020 × 6751100 × 1020 × 6751100 × 1020 × 675
Volume [m3]3.223.223.223.943.943.943.943.693.694.404.40
Weight (GEHP+HK) [kg]72972972992992995910341090110012901290
Scheduled maintenance interval [h]10,00010,00010,00010,00010,00010,00010,00010,00010,00010,00010,000
Scheduled engine oil replacement [h]30,00030,00030,00030,00030,00030,00030,00020,00020,00020,00020,000
Table A4. Summary table for GEHPs without generator analysed in the literature.
Table A4. Summary table for GEHPs without generator analysed in the literature.
Operating ModeEngine Heat Recovery in Heating ModeEnd-UserMethodologyAnalysis PerformedHeat Pump SourceReference
heatingdirectlaboratoryexperimentalEnergy analysisair-to-water[9]
heating and coolingdirectdairy farmexperimentalEnergy analysiswater-to-water[10]
heatingindirectresidential and non-residential buildingssimulationEnergy analysisground source[11]
heatingindirectresidential and non-residential buildingssimulationEnergy, environmental and economic analysisground source[12]
heatingindirectresidential and non-residential buildingssimulationEnergy, environmental and economic analysisground source[12]
heating, coolingdirectbuildingsimulationEnergy analysisair-to-air[14]
heatingdirect simulationExergy analysisair-to-water[16]
heating, cooling, combined heating and coolingdirect, indirectlaboratoryexperimentalEnergy analysisair-to-water[21]
heatingdirectlaboratoryexperimentalEnergy analysisair-to-water[40]
coolingnot consideredlaboratoryexperimentalEnergy analysisair-to-water[41]
combined heating and coolingdirectlaboratoryexperimentalEnergy analysisair-to-water[42]
heating, cooling, combined heating and coolingdirect, indirectlaboratoryexperimental, GEHP model (polynomials)Energy analysisair-to-water[43]
heatingdirectlaboratoryexperimentalEnergy analysisair-to-water[77]
heating, coolingdirectlaboratoryexperimentalEnergy analysisair-to-air[84]
heatingdirectswimming poolexperimental, field test, GEHP model (polynomials)Energy analysisair-to-water[85]
heatingdirect mathematical model, simulationEnergy and economic analysisair-to-air[86]
heatingindirectofficefield testEnergy analysisair-to-air[88]
heatingdirect mathematical model (from literature), thermodynamic model, parametricEnergy and exergy analysis [89]
heatingdirect thermodynamic model, parametric (Carnot factor)Energy and exergy analysis [90]
heatingdirect thermodynamic model, parametric (Carnot factor)Energy and exergy analysis [91]
heatingdirect thermodynamic model, parametric (Carnot factor)Energy and exergy analysis [92]
heatingdirect thermodynamic model, parametric (Carnot factor)Energy and exergy analysis [93]
heating, coolingindirectofficefield testEnergy analysisair-to-air[94]
heatingindirect metrological analysisEnergy analysisair-to-air[95]
heatingindirectofficefield testEnergy analysisair-to-air[96]
coolingindirectresidential buildingfield testEnergy analysisair-to-air[98]
heatingindirectresidential buildingfield testEnergy analysisair-to-air[99]
heatingdirect mathematical model, engine model (polynomial), simulationengine control strategyair-to-water[101]
heating, cooling, combined heating and coolingdirectofficenumerical modelEnergy analysisair-to-air[102]
heating, cooling, combined heating and coolingdirectlaboratory, simulation (hotel, Bejing city)experimental, GEHP model (experimental based curves), simulationEnergy analysiswater-to-water[103]
heatingdirect mathematical model (engine control)engine control strategyair-to-water[104]
heatingdirectlaboratoryexperimentalengine speed responseair-to-water[105]
heatingdirectlaboratoryexperimental, numerical modelEnergy analysisair-to-water[106]
combined heating (condenser + waste engine) and coolingdirectlaboratoryexperimental, GEHP model (polynomials), simulationEnergy analysis (novel seasonal performance index: IPER)water-to-water[107]
combined heating and coolingdirectlaboratoryexperimentalEnergy analysisair-to-water[113]
coolingdirectlaboratoryexperimentalEnergy analysisair-to-water[114]
combined heating and coolingdirectlaboratoryexperimentalEnergy analysiswater-to-water[115]
coolingdirectlaboratoryexperimentalEnergy and economic analysisair-to-water[116]
heating, coolingindirectlaboratoryexperimental (gas engine), engine model (polynomials) and components model, simulationEnergy and economic analysisair-to-water[117]
heatingdirectlaboratoryexperimental, engine model (polynomials) and components modelEnergy analysisair-to-water[118]
heatingdirectlaboratoryexperimental, control strategy modelTime responseair-to-water[119]
heating, cooling, combined heating and coolingdirect, indirectoffice buildingsimulationEnergy and economic analysiswater-to-air[120]
heating, cooling, indirect (ABHP generator) simulationEnergy and economic analysisair-to-air[121]
heating, coolingdirectUniversity buildingfield test (University building), simulationEconomic analysisair-to-water[122]
heating, coolingdirectUniversity buildingfield test (University building), simulationEnergy and economic analysisair-to-water[123]
coolingnot considered simulationEnergy analysisair-to-air[124]
heating, coolingdirectUniversity buildingnumericalEnergy and exergy analysisair-to-water[125]
heatingindirectdrying process for medicinal and aromatic plantsexperimental, numerical modelEnergy and exergy analysisair-to-air[126]
heatingindirectdrying process for medicinal and aromatic plantsexperimental, numerical modelEnergy and exergy analysisair-to-air[127]
heatingindirectdrying process for medicinal and aromatic plantsexperimental, numerical analysis, parametric analysisEnergy and exergy analysisair-to-air[128]
heatingindirectdrying process for medicinal and aromatic plantsexperimental, numerical modelExergy analysisair-to-air[129]
heatingindirectdrying process for medicinal and aromatic plantsexperimentalExergoeconomic analysisair-to-air[130]
heating, coolingindirectlaboratory, office buildingexperimental, numerical modelEnergy, environmental and economic analysisair-to-air[143]
heating, coolingindirectlaboratoryexperimental, GEHP model (polynomials)Energy analysisair-to-air[144]
heating, coolingindirectoffice building, fitness centre, museum, dining hallfield testEnergy and economic analysisair-to-air[145]
heating, coolingindirect engine model (polynomials), compressor model (polynomials), simulationEnergy analysisair-to-air[146]
heating, coolingdirect, indirectlaboratoryexperimental, numerical modelEnergy analysisair-to-air[147]
heating, coolingindirectoffice building, residential building Challenges and opportunities of GEHPair-to-air[148]
heating, cooling, combined heating and coolingdirect, indirectlaboratoryexperimentalEnergy analysisair-to-air[149]
heating, coolingdirectresidentialfield testRemote monitoring systemair-to-air[150]
heating, cooling, combined heating and coolingdirectlaboratoryexperimentalEnergy analysisair-to-air[151]
coolingnot consideredlaboratoryexperimentalEnergy analysisair-to-water[152]
heatingdirectlaboratoryexperimentalEnergy analysisair-to-water[153]
heatingdirectlaboratoryexperimentalEnergy analysisair-to-water[154]
heating, coolingno clear datalaboratory, model validation with experimental dataexperimental, mathematical model (engine, heat pump components)Energy analysisair-to-air[155]
heating, coolingindirectresidential and officemathematical model (engine, heat pump), simulationEnergy and economic analysisair-to-air[156]
coolingnot consideredlaboratory, model validation with experimental dataexperimental, mathematical model (engine, heat pump components), simulation (transient, steady-state model)Energy analysisair-to-air[157]
heatingindirectlaboratory, model validation with experimental dataexperimental, mathematical model (engine, heat pump components), simulationEnergy analysisair-to-water[158]
heatingindirectbuildingsimulationEnergy and environmental analysisair-to-water, ground-to-water[160]
heating, cooling numerical analysisEnergy and economic analysis [161]
heating, coolingindirectoffice building, restaurantfield test, software energy load predictionEnergy analysisair-to-water[162]
heating, coolingindirectlaboratoryexperimental testEnergy analysisair-to-water[163]
heating, coolingindirectelementary and junior high schoolfield test, simulationEnergy analysisair-to-air[164]
heating, coolingindirectoffice buildingexperimental, GEHP models (polynomials)Energy analysisair-to-water[165]
combined heating and coolingdirect numerical analysisEnergy and economic analysis [168]
coolingdirectlaboratoryexperimental (GEHP), simulationEnergy analysisair-to-water[169]
combined heating and coolingdirectlaboratoryexperimentalEnergy and environmental analysisair-to-water[170]
heatingindirectlaboratoryexperimentalEnergy analysisair-to-water[171]
heating, cooling, combined heating and coolingindirectlaboratoryexperimentalEnergy analysisair-to-water[172]
heatingindirectlaboratory, model validation with experimental dataexperimental, engine model (polynomials), simulationEnergy analysisair-to-water[173]
heating, cooling office buildingsimulationEnergy and economic analysisair-to-air[174]
coolingindirectUniversity laboratoryfield testEnergy analysisair-to-water[175]
heatingindirectUniversity laboratoryfield testEnergy analysisair-to-water[176]
heating, coolingindirectresidentialsimulationEconomic analysisair-to-air[179]
heatingdirect, indirectlaboratoryexperimentalEnergy analysisair-to-water[180]
heatingdirectlaboratoryexperimentalEnergy analysisair-to-water[181]
combined heating and coolingdirectlaboratoryexperimentalEnergy analysisair-to-water[182]
heatingdirect engine model (polynomial), parametricEnergy analysisair-to-water[183]
heatingdirect parametricEnergy analysisair-to-water[184]
direct heat pump model (polynomial), parametric, simulationEnergy and analysiswater-to-water[185]
combined heating and coolingdirectlaboratoryexperimentalEnergy analysiswater-to-water[186]
heatingdirectlaboratoryexperimentalEnergy analysiswater-to-water[187]
heatingdirectlaboratoryexperimentalEnergy analysiswater-to-water[188]
heating, coolingnot consideredcommercial buildingfield testEnergy and economic analysisair-to-air[189]
heatingdirecthotelsimulationEnergy analysiswater-to-water[190]
heatingdirectbuildingsimulationEnergy and economic analysisair-to-water[191]
coolingdirect mathematical model (engine), simulation (transient)Energy and economic analysisair-to-air[192]
heating, coolingdirectlaboratoryExperimental, simulation (transient)Energy analysisair-to-water[194]
heating, coolingindirectofficesimulationEnergy analysisair-to-air[75]
heating, coolingindirectlaboratoryexperimentalEnergy analysisair-to-water[195]
Table A5. Summary table for GEHPs with generator analysed in the literature.
Table A5. Summary table for GEHPs with generator analysed in the literature.
Operating ModeEngine Heat Recovery in Heating ModeEnd-UserMethodologyAnalysis PerformedHeat Pump SourceReference
heating, coolingdirectbuildingsimulationEnergy analysisair-to-air[15]
heatingdirectlaboratoryexperimental, mathematical model, simulation, model validationEnergy analysisair-to-water[38]
combined heating and coolingdirectlaboratoryexperimentalEnergy analysisair-to-water[108]
heating, cooling, combined heating and coolingdirectofficeexperimental, mathematical model, simulation, model validationEnergy analysisair-to-water[109]
combined heating and coolingdirectofficeexperimental, mathematical modelEnergy analysisair-to-water[110]
heating, cooling, combined heating and coolingdirectresidential, office, university, hotel buildingexperimental, mathematical model, simulation (daily)Energy analysisair-to-water[111]
heatingdirectlaboratory, university buildingexperimental, mathematical model, simulation (daily, parametric)Energy analysiswater-to-water[112]
heatingdirectlaboratoryexperimental (engine), mathematical model, simulation (parametric)Energy analysisair-to-air[131]
heating, cooling (LCA analysis)directlaboratoryexperimental (gas engine, electric motor), simulation (LCA)Energy analysis (experimental), environmental analysis (LCA)air-to-water[132]
heating, cooling, combined heating and coolingdirectlaboratoryexperimentalEnergy analysisair-to-water[133]
heatingdirectlaboratoryexperimental, mathematical model (polynomials), simulation (parametric)Energy analysisno data[134]
heatingdirectlaboratoryexperimental, mathematical model (polynomials), simulation, model validationEnergy analysisair-to-water[135]
not applicabledirectlaboratoryexperimental (engine only), simulation (steady state model)Energy analysisair-to-water[136]
not applicabledirectlaboratoryexperimental, simulationEnergy analysisair-to-water[137]
heatingdirectlaboratoryexperimental, mathematical model (polynomials), simulationEnergy analysis [138]
heatingdirectlaboratoryexperimental, mathematical model (polynomials)economic optimisationair-to-water[139]
heating, cooling, combined heating and coolingdirectlaboratoryexperimental, mathematical model (polynomials)Energy and economic analysisair-to-water[140]
heatingdirectlaboratoryexperimental, mathematical model (polynomials)Energy analysisair-to-water[141]
heatingdirectlaboratoryexperimental, mathematical model (polynomials)Energy analysisair-to-water[142]
heatingdirectretirement community buildingfield testEnergy and economic analysisair-to-water[193]

References

  1. Fleiter, T.; Elsand, R.; Rehfeldt, M.; Steinbach, J.; Reiter, U.; Catenazzi, G.; Jakob, M.; Rutten, C.; Harmsen, R.; Dittmann, F.; et al. Profile of Heating and Cooling Demand in 2015; Heat Roadmap Europe Report D 3.1. , 2017. Available online: https://heatroadmap.eu/wp-content/uploads/2018/09/3.1-Profile-of-the-heating-and-cooling-demand-in-the-base-year-in-the-14-MSs-in-the-EU28-2.pdf (accessed on 5 August 2021).
  2. Jones, B.; Hill, S.; Culkin, J.; Russell, P. The Role of Gas Networks in a Low-Carbon Future; M.J. Bradley & Associates: Concord, MA, USA, 2020. [Google Scholar]
  3. Cătuţi, M.; Egenhofer, C.; Elkerbout, M. The Future of Gas in Europe: Review of Recent Studies on the Future of Gas; Research Report, n. 2019/03; CEPS: Brussels, Belgium, 2019. [Google Scholar]
  4. Hepbasli, A.; Erbay, Z.; Icier, F.; Colak, N.; Hancioglu, E. A review of gas engine driven heat pumps (GEHPs) for residential and industrial applications. Renew. Sustain. Energy Rev. 2009, 13, 85–99. [Google Scholar] [CrossRef]
  5. Rosato, A.; Sibilio, S.; Scorpio, M. A review of gas engine driven heat pumps for residential applications. In Proceedings of the CLIMA 2013—11th REHVA World Congress and the 8th International Conference on Indoor Air Quality, Prague, Czech Republic, 16–19 June 2013. [Google Scholar]
  6. Glanville, P.; Rowley, P. Review of research, development, and deployment of gas heat pumps in North America. In Proceedings of the 27th World Gas Conference, Washington, DC, USA, 25–29 June 2018; pp. 2383–2409. [Google Scholar]
  7. Patel, M.; Tran, J.; McKenzie, A.; Sferrazza, T. Global Heat Pump Performance Review; Final Report; Western University: London, ON, Canada, 2015. [Google Scholar]
  8. Guidehouse. Setting a Binding Target for 11% Renewable Gas; A Gas for Climate Policy Paper; European Biogas Association: Brussels, Belgium, 2021. [Google Scholar]
  9. Wu, J.; Ma, Y. Experimental study on performance of a biogas engine driven air source heat pump system powered by renewable landfill gas. Int. J. Refrig. 2016, 62, 19–29. [Google Scholar] [CrossRef]
  10. Jordan, R.A.; Cortez, L.A.B.; Barbin, D.F.; De Lucas Junior, J. Heat pump for thermal power production in dairy farm. Eng. Agric. 2016, 36, 779–791. [Google Scholar] [CrossRef][Green Version]
  11. Blázquez, C.S.; Borge-Diez, D.; Nieto, I.M.; Martín, A.F.; González-Aguilera, D. Technical optimization of the energy supply in geothermal heat pumps. Geothermics 2019, 81, 133–142. [Google Scholar] [CrossRef]
  12. Blázquez, C.S.; Borge-Diez, D.; Nieto, I.M.; Martín, A.F.; González-Aguilera, D. Multi-parametric evaluation of electrical, biogas and natural gas geothermal source heat pumps. Renew. Energy 2021, 163, 1682–1691. [Google Scholar] [CrossRef]
  13. Blázquez, C.S.; Borge-Diez, D.; Nieto, I.M.; Martín, A.F.; González-Aguilera, D. Study on geospatial distribution of the efficiency and sustainability of different energy-driven heat pumps included in low enthalpy geothermal systems in Europe. Remote. Sens. 2020, 12, 1093. [Google Scholar]
  14. Xu, Z.; Wu, H.; Wu, M. Energy performance and consumption for biogas heat pump air conditioner. Energy 2010, 35, 5497–5502. [Google Scholar] [CrossRef]
  15. Xu, Z. Model and performance for direct supplying energy system by biogas. In Proceedings of the 2011 International Conference on New Technology of Agricultural Engineering, Zibo, China, 27–29 May 2011; pp. 751–754. [Google Scholar]
  16. Li, X.; Wang, W.; Wang, A.; Li, X.; Wang, Z.; Shi, Y. Exergetic assessment of Biogas Engine-driven Heat Pump Systems for using sewage resource. Adv. Mater. Res. 2012, 455–456, 1251–1256. [Google Scholar] [CrossRef]
  17. Jones, D.O.; Vincent, R.J.; Pfleiderer, G. Performance predictions and test results of a free piston Stirling engine driven heat pump. In Proceedings of the 1986 International Compressor Engineering Conference, West Lafayette, IN, USA, 4–7 August 1986. [Google Scholar]
  18. Yagyu, S.; Fujishima, I.; Fukuyama, Y.; Morikawa, T.; Obata, N.; Corey, J.; Isshiki, N.; Satoh, I. Performance characteristics of a gas engine driven Stirling heat pump. In Proceedings of the 35th Intersociety Energy Conversion Engineering Conference and Exhibit, Las Vegas, NV, USA, 24–28 July 2000. [Google Scholar]
  19. Berchowitz, D.M.; Janssen, M.; Pellizzari, R.O. CO2 Stirling heat pump for residential use. In Proceedings of the 2008 International Refrigeration and Air Conditioning Conference, West Lafayette, IN, USA, 14–17 July 2008. [Google Scholar]
  20. Iannace, G.; Sasso, M.; Sibilio, S. Status of New HVAC Technology: The small Gas Engine Driven Heat Pump. In Proceedings of the Energy and Environment Towards the Year 2000, Capri, Italy, 3–5 June 1993; pp. 265–277. [Google Scholar]
  21. Elgendy, E. Analysis of Energy Efficiency of Gas Driven Heat Pumps. Ph.D. Thesis, Otto-Von-Guericke University, Magdeburg, Germany, 2011. [Google Scholar]
  22. Fukuda, T. Present conditions and future perspective of Gas Engine Heat Pumps in Japan. Heat Pumps Solving Energy Environ. Chall. 1990, 57–68. [Google Scholar] [CrossRef]
  23. Aisin Gas Heat Pump, Multi-Unit Model P450/P560, Service Manual. Available online: https://www.tecno-casa.com/?lang=en (accessed on 5 August 2021).
  24. Fujitsu General Limited, Airstage, Jseries, Model AJ*A54L/AO*54U, Design & Technical Manual. Available online: http://www.fujitsuklime.com/wf-doc/j-serija-vrf-sistem-design-technical-manual.pdf (accessed on 5 August 2021).
  25. Mitsubishi Heavy Industries, VRF Inverter Multi-System Air-Conditioners, KXZ Outdoor Unit, Manual. Available online: https://www.mitsubishi-termal.it/wp-content/uploads/2018/02/vrf_multi_system.pdf (accessed on 5 August 2021).
  26. D’Accadia, M.D.; Sasso, M.; Sibilio, S. A survey on GHP technology. ASME Adv. Energy Syst. Div. 1998, 38, 313–323. [Google Scholar]
  27. EIA (U.S. Energy Information Administration). Hourly Electricity Consumption Varies throughout the Day and across Seasons. Available online: https://www.eia.gov/todayinenergy/detail.php?id=42915 (accessed on 18 February 2021).
  28. Pezzola, L.; Danti, P.; Magnani, S. Performance comparison among Gas Heat Pump, Electric Heat Pump and conventional thermal devices in tertiary sector applications. Energy Procedia 2016, 101, 416–423. [Google Scholar] [CrossRef]
  29. Easyairconditioning. Panasonic GEHP and Samsung EHP Price List. Available online: www.easyairconditioning.com/shop (accessed on 15 April 2020).
  30. Department of Energy and Climate Change. RHI Evidence Report: Gas Driven Heat Pumps—Assessment of the Market, Renewable Heat Potential, Cost, Performance and Characteristics of Non-Domestic Gas Driven Heat Pumps (GDHPs); Delta Energy & Environment Ltd.: London, UK; David Strong Consulting Ltd.: London, UK, 2014. [Google Scholar]
  31. Ivanova, A.; Kovacevic, L. Innovative Concept for the Decentralized Production of Heat and Power and Impact on the Heating and Cooling Network. Master’s Thesis, Politecnico di Milano, Milan, Italy, 2015. [Google Scholar]
  32. Aisin. GEHP Datasheet. Available online: https://www.tecno-casa.com/direct-expansion-gas-engine-heat-pump/?lang=en (accessed on 18 February 2021).
  33. Yanmar. GEHP Datasheet. Available online: https://www.energysystem-yanmar.com/en/technologies/air-air-system-vrf-indoor-units/ (accessed on 18 February 2021).
  34. Panasonic. GEHP Datasheet. Available online: https://www.aircon.panasonic.eu/IT_it/product/eco-g-ge3-series-2-pipe-1/ (accessed on 18 February 2021).
  35. Aermec, VRF Systems, MVAM 2241T–MVAM 6151T Models. Available online: https://global.aermec.com/en/ (accessed on 5 August 2021).
  36. Mitsubishi Electric, VRF-HVRF Systems, Y Next Stage Line, Outdoor Units models PUHY-(E)P Y(S)NW-A(-BS). Available online: https://les.mitsubishielectric.it/uploads/document/VRF_HVRF_CITY_MULTI_CATALOGUE_2018_2272.pdf (accessed on 5 August 2021).
  37. Moran, M.J.; Shapiro, H.N.; Boettner, D.D.; Bailey, M.B. Fundamentals on Engineering Thermodynamics; John Wiley and Sons: Hoboken, NJ, USA, 2014. [Google Scholar]
  38. Chen, Y.; Yang, Z.; Wu, X.; Wang, M.; Liu, H. Theoretical simulation and experimental research on the system of air source energy independence driven by internal-combustion engine. Energy Build. 2011, 43, 1351–1358. [Google Scholar] [CrossRef]
  39. Carbon Trust and Rawlings Support Services. Evidence Gathering—Low Carbon Heating Technologies Gas Driven Heat Pumps; Department for Business, Energy and Industrial Strategy: London, UK, 2016. Available online: https://assets.publishing.service.gov.uk/government/uploads/system/uploads/attachment_data/file/565248/Heat_Pumps_Combined_Summary_report_-_FINAL.pdf (accessed on 5 August 2021).
  40. Elgendy, E.; Schmidt, J. Optimum utilization of recovered heat of a gas engine heat pump used for water heating at low air temperature. Energy Build. 2014, 80, 375–383. [Google Scholar] [CrossRef]
  41. Elgendy, E.; Schmidt, J. Experimental study of gas engine driven air to water heat pump in cooling mode. Energy 2010, 35, 2461–2467. [Google Scholar] [CrossRef]
  42. Elgendy, E.; Schmidt, J.; Khalil, A.; Fatouh, M. Performance of a gas engine heat pump (GEHP) using R410A for heating and cooling applications. Energy 2010, 35, 4941–4948. [Google Scholar] [CrossRef]
  43. Sánchez Ramos, J.; Guerrero Delgado, M.C.; Álvarez Domínguez, S.; Molina Félix, J.L.; Cabeza, L.F. Gas engine heat pump system: Experimental facility and thermal evaluation for 5 different units. Energy Convers. Manag. 2019, 199, 112060. [Google Scholar] [CrossRef]
  44. Aermec, Air to Water Heat Pump, NRG0282 Model. Available online: https://www.aermec.co.uk/portfolio/heat-pumps-air-to-water/ (accessed on 14 July 2021).
  45. ISPRA (Istituto Superiore per la Protezione e la Ricerca Ambientale). Fattori di Emissione Atmosferica di Gas a Effetto Serra nel Settore Elettrico Nazionale e nei Principali Paesi Europei (Atmospheric Emission Factors of Greenhouse Gases from Power Sector in Italy and in the Main European Countries); Report 317/2020, Italy; 2020. Available online: https://www.isprambiente.gov.it/it/pubblicazioni/rapporti/fattori-di-emissione-atmosferica-di-gas-a-effetto-serra-nel-settore-elettrico-nazionale-e-nei-principali-paesi-europei (accessed on 5 August 2021).
  46. Gabbrielli, R.; Seggiani, M.; Frigo, S.; Puccini, M.; Vitolo, S.; Raggio, G.; Puccioni, F. Validation of a small scale woody biomass downdraft gasification plant coupled with gas engine. Chem. Eng. Trans. 2016, 50, 241–246. [Google Scholar]
  47. Elsner, W.; Wysocki, M.; Niegodajew, P.; Borecki, R. Experimental and economic study of small-scale CHP installation equipped with downdraft gasifier and internal combustion engine. Appl. Energy 2017, 202, 213–227. [Google Scholar] [CrossRef]
  48. Wegener, M.; Malmquist, A.; Isalgue, A.; Martin, A.; Arranz, P.; Camara, O.; Velo, E. A techno-economic optimization model of a biomass-based CCHP/heat pump system under evolving climate conditions. Energy Convers. Manag. 2020, 223, 113256. [Google Scholar] [CrossRef]
  49. Chiñas-Palacios, C.; Vargas-Salgado, C.; Aguila-Leon, J.; Hurtado-Pérez, E. A cascade hybrid PSO feed-forward neural network model of a biomass gasification plant for covering the energy demand in an AC microgrid. Energy Convers. Manag. 2021, 232, 113896. [Google Scholar] [CrossRef]
  50. Aste, N.; Buzzetti, M.; Caputo, P.; Del Pero, C. Regional policies toward energy efficiency and renewable energy sources integration: Results of a wide monitoring campaign. Sustain. Cities Soc. 2018, 36, 215–224. [Google Scholar] [CrossRef]
  51. Foster, S.; Love, J.; Walker, I.; Crane, M. Heat Pumps in District Heating Final Report; Department of Energy & Climate Change: London, UK, 2016. [Google Scholar]
  52. Bisht, A.S.; Thakur, N.S. Small scale biomass gasification plants for electricity generation in India: Resources, installation, technical aspects, sustainability criteria & policy. Renew. Energy Focus 2019, 28, 112–126. [Google Scholar]
  53. Ribó-Pérez, D.; Herraiz-Cañete, Á.; Alfonso-Solar, D.; Vargas-Salgado, C.; Gómez-Navarro, T. Modelling biomass gasifiers in hybrid renewable energy microgrids; a complete procedure for enabling gasifiers simulation in HOMER. Renew. Energy 2021, 174, 501–512. [Google Scholar] [CrossRef]
  54. Vargas-Salgado, C.; Hurtado-Pérez, E.; Alfonso-Solar, D.; Malmquist, A. Empirical design, construction, and experimental test of a small-scale bubbling fluidized bed reactor. Sustainability 2021, 13, 1061. [Google Scholar] [CrossRef]
  55. Li, J.; Xu, K.; Yao, X.; Chen, S. Prediction and optimization of syngas production from steam gasification: Numerical study of operating conditions and biomass composition. Energy Convers. Manag. 2021, 236, 114077. [Google Scholar] [CrossRef]
  56. Mazhkoo, S.; Dadfar, H.; HajiHashemi, M.; Pourali, O. A comprehensive experimental and modeling investigation of walnut shell gasification process in a pilot-scale downdraft gasifier integrated with an internal combustion engine. Energy Convers. Manag. 2021, 231, 113836. [Google Scholar] [CrossRef]
  57. Angrisani, G.; Roselli, C.; Sasso, M. Distributed microtrigeneration systems. Prog. Energy Combust. Sci. 2021, 38, 502–521. [Google Scholar] [CrossRef]
  58. Ericsson, K.; Werner, S. The introduction and expansion of biomass use in Swedish district heating systems. Biomass Bioenergy 2016, 94, 57–65. [Google Scholar] [CrossRef]
  59. Caputo, P.; Ferla, G.; Ferrari, S. Evaluation of environmental and energy effects of biomass district heating by a wide survey based on operational conditions in Italy. Energy 2019, 174, 1210–1218. [Google Scholar] [CrossRef]
  60. Soltero, V.M.; Chacartegui, R.; Ortiz, C.; Velázquez, R. Potential of biomass district heating systems in rural areas. Energy 2018, 156, 132–143. [Google Scholar] [CrossRef]
  61. Wurm, J.; Kinast, J. History and status of engine-driven heat pump developments in the U.S. In Proceedings of the Annual meeting of the American Society of Heating, Refrigerating and Air-Conditioning Engineers, Nashville, TN, USA, 28 June 1987. [Google Scholar]
  62. Freedman, S.; French, C.; Nowakowski, G.; Myers, G. Unitary gas heat pump development status in the USA. IEA Heat Pump Cent. Newsl. 1992, 10, 4. [Google Scholar]
  63. Cuttica, J.; Klausing, T.; Procknow, D.; Swartz, B. GRI/YORK engine-driven residential gas heat pump. In Proceedings of the 19th World Gas Conference, Milan, Italy, 20–23 June 1994. [Google Scholar]
  64. Morgan, J.; McNamara, T.; Lindsay, B. Installation and operating experience of a gas engine driven chiller with engine heat recovery. ASHRAE Trans. 1989, 95, 953–959. [Google Scholar]
  65. Miyairi, T. Introductions to small gas engine driven heat pumps in Japan-history and marketing. ASHRAE Trans. 1989, 95, 975–981. [Google Scholar]
  66. Soo, S.L.; Anderson, D.N.; Bauch, T.A.; Sohn, C.W. Technical Assessment of Advanced Cooling Technologies in the Current Market. USACRL Technical Report 97/127, U.S. Army Corps of Engineers, USA. 1997. Available online: https://erdc-library.erdc.dren.mil/jspui/bitstream/11681/19404/1/CERL-TR-97-127.pdf (accessed on 5 August 2021).
  67. Kobayashi, H. Status of the Heat Pump Technology with Internal Combustion Engines with an Application Example in Japan. In VDI Berichte; Springer: Berlin/Heidelberg, Germany, 1991. [Google Scholar]
  68. Kazuta, H. Small gas engines for gas engine heat pumps. IEA Heat Pump Cent. Newsl. 1990, 8, 982–990. [Google Scholar]
  69. Kawasaki, S.; Morimoto, S.; Fukuda, T.; Ito, Y. Development of a medium-size cooling/heating and hot water supply gas engine heat pump system. IEA Heat Pump Cent. Newsl. 1990, 8, 11–14. [Google Scholar]
  70. Sakashita, S. Industrial engine-driven heat pumps in Japan. IEA Heat Pump Cent. Newsl. 1990, 8, 986–992. [Google Scholar]
  71. Osaka Gas Data. Available online: https://www.osakagas.co.jp/en/rd/technical/1198834_6995.html (accessed on 7 April 2020).
  72. Tsukamoto, K.; Furuhashi, Y.; Matsui, A. Development of blackout start Gas Heat Pump air conditioner. In Proceedings of the HPP-CONF11, Montréal, QC, Canada, 12–16 May 2014. [Google Scholar]
  73. Miyakoshi, T.; Yasuda, K.; Yabushita, M. Development of ultra-high-efficiency GHP XAIR II. In Proceedings of the 12th International Symposium on New Refrigerants and Environmental Technology 2016, Kobe, Japan, 1–2 December 2016. [Google Scholar]
  74. Tokyo Gas Data. Available online: https://tokyo-gas.disclosure.site/en/themes/268 (accessed on 18 February 2021).
  75. Kawase, T.; Hashimoto, A.; Yasuda, K.; Nobe, T. Energy performance evaluation of hybrid VRF systems based on Japanese Government-designated method. E3S Web Conf. 2019, 111, 04029. [Google Scholar] [CrossRef]
  76. Tokyo Gas Data. Available online: www.tokyo-gas.co.jp/en/index.html (accessed on 6 February 2020).
  77. Newport, C.A. Evaluation of the Design, Construction and Operation of a Gas Fuelled, Engine Driven Heat Pump, and Its Possible Role in a U.K. Market. Ph.D. Thesis, The Open University, Milton Keynes, UK, 1984. [Google Scholar]
  78. Lück, K. Optimization of internal combustion engine driven heat pump (20 kW heating power). In Energy Saving in Buildings; Ehringer, H., Zito, U., Eds.; Springer: Dordrecht, The Netherlands, 1984. [Google Scholar]
  79. Markets and Markets—Gas Heat Pump Market. Available online: www.marketsandmarkets.com/Market-Reports/heat-pump-market-153294991.html?gclid=Cj0KCQiA-bjyBRCcARIsAFboWg3JdY1XRS4tw8r2ZatkJPEzIJY7-qqXRWk86yHMjkY3lmWNcyTMKAUaAn65EALw_wcB (accessed on 20 February 2020).
  80. European Heat Pump Association. Available online: https://www.ehpa.org/market-data/market-report/report-2018/ (accessed on 21 April 2020).
  81. Tecogen. Available online: https://www.tecogen.com/heat-pumps (accessed on 9 April 2020).
  82. Tedom. Available online: http://test.tedom.com.server.atlatest.cz/en/gas-heat-pump/ (accessed on 9 April 2020).
  83. The Japan Refrigeration and Air Conditioning Industry Association. Available online: http://www.jraia.or.jp/english/statistics/index.html (accessed on 26 March 2020).
  84. Honeycheck, T.S. An Experimental Study of Electric and Natural Gas Heat Pump. Master’s Thesis, Georgia Institute of Technology, Atlanta, GA, USA, 1975. [Google Scholar]
  85. Hickman, C. Investigation of Gas Engine Driven Heat Pump. Ph.D. Thesis, University of Aston, Birmingham, UK, 1984. [Google Scholar]
  86. Rusk, R.P.; Van Gerpen, J.H.; Nelson, R.M.; Pate, M.B. Development and use of a mathematical model of an engine-driven heat pump. ASHRAE Trans. 1990, 96, 282–290. [Google Scholar]
  87. Fischer, S.K.; Rice, C.K. The Oak Ridge Heat Pump Model: I. A Steady-State Computer Design Model for Air-to-Air Heat Pumps; Report of Oak Ridge National Laboratory; Oak Ridge National Laboratory: Oak Ridge, TN, USA, 1983. [Google Scholar]
  88. Bellia, L.; Sasso, M.; Sibilio, S. Field analysis of residential engine driven natural gas heat pump in an office application. In Proceedings of the 4th IEA Heat Pump Conference, Amsterdam, The Netherlands, 26–29 April 1993; pp. 317–324. [Google Scholar]
  89. D’Accadia, M.D.; Sasso, M.; Sibilio, S. Exergy analysis of the gas engine driven heat pump (GHP). Am. Soc. Mech. Eng. Adv. Energy Syst. Div. (Publ.) AES 1994, 33, 263–269. [Google Scholar]
  90. D’Aponte, F.; d’Accadia, M.D.; Sasso, M.; Sibilio, S. Influence of irreversible heat transfer on heat engine driven heat pump performance. Am. Soc. Mech. Eng. Adv. Energy Syst. Div. (Publ.) AES 1995, 35, 29–34. [Google Scholar]
  91. D’Accadia, M.D.; Sasso, M.; Sibilio, S. Design consideration for irreversible heat engine driven heat pumps. In Proceedings of the ECOS’96 Symposium Efficiency, Cost, Optimization, Simulation and Environmental Aspects of Energy Systems, Stockholm, Sweden, 25–27 June 1996; pp. 135–140. [Google Scholar]
  92. D’Accadia, M.D.; Sasso, M.; Sibilio, S. Optimum performance of heat engine-driven heat pumps: A finite-time approach. Energy Convers. Manag. 1997, 38, 401–413. [Google Scholar] [CrossRef]
  93. D’Accadia, M.D.; Sasso, M.; Sibilio, S. Finite-time characterization of irreversible thermally-driven heat pumps. In Recent Advance in Finite-Time Thermodynamics; Wu, C., Chen, L., Chan, J., Eds.; Nova Science Publishes: Hauppauge, NY, USA, 1999; pp. 505–524. [Google Scholar]
  94. D’Aponte, F.; d’Accadia, M.D.; Sasso, M.; Sibilio, S. Test application of a small-size gas engine driven heat pump. In Proceedings of the 5th International Energy Agency Conference on Heat Pumping Technologies, Toronto, ON, Canada, 22–26 September 1996; pp. 85–93. [Google Scholar]
  95. Cascetta, F.; Sasso, S.; Sibilio, S. A metrological analysis of an “in situ” evaluation of the performance of a gas engine-driven heat pump. Measurement 1995, 16, 209–217. [Google Scholar] [CrossRef]
  96. D’Accadia, M.D.; Sasso, M.; Sibilio, S. Field test of a small-size gas engine driven heat pump in an office application: First results. Int. J. Ambient. Energy 1995, 16, 183–191. [Google Scholar] [CrossRef]
  97. D’Accadia, M.D.; Sasso, M.; Sibilio, S. Gas engine driven heat pump: An excellent alterantive in cold climate. In Proceedings of the International Conference Cold Climate HVAC’94, Rovaniemi, Finland, 15–18 March 1994; pp. 119–125. [Google Scholar]
  98. Miller, J.D. Field Test Monitoring and Evaluation of a Residential Gas-Engine-Driven Heat Pump, Volume 1—Cooling Season; Report of Battelle Memorial Institute; Battelle Memorial Institute: Columbus, OH, USA, 1995. [Google Scholar]
  99. Miller, J.D. Field Test Monitoring and Evaluation of a Residential Gas-Engine-Driven Heat Pump, Volume 2—Heating Season; Report of Battelle Memorial Institute; Battelle Memorial Institute: Columbus, OH, USA, 1995. [Google Scholar]
  100. Yang, Z.; Zhang, S.; Zhao, H. Optimization study of combined refrigeration cycles driven by an engine. Appl. Energy 2003, 76, 379–389. [Google Scholar]
  101. Yang, Z.; Zhao, H.; Fang, Z. Modeling and dynamic control simulation of unitary gas engine heat pump. Energy Convers. Manag. 2007, 48, 3146–3153. [Google Scholar]
  102. Xu, Z.; Yang, Z. Saving energy in the heat-pump air conditioning system driven by gas engine. Energy Build. 2009, 41, 206–211. [Google Scholar] [CrossRef]
  103. Yang, Z.; Cheng, H.; Wu, X.; Chen, Y. Research on improving energy efficiency and the annual distributing structure in electricity and gas consumption by extending use of GEHP. Energy Policy 2011, 39, 5192–5202. [Google Scholar] [CrossRef]
  104. Wang, M.; Yang, Z.; Wu, X. Cascade control for the Variable Capacity of Gas Engine-Driven Heat Pumps. In Proceedings of the 12th International Conference on Intelligent Systems Design and Engineering Application, Kochi, India, 27–29 November 2012. [Google Scholar]
  105. Wang, M.; Yang, Z.; Su, X.; Zhang, B.; Wu, X.; Shi, Y. Simulation and experimental research of engine rotary speed for gas engine heat pump based on expert control. Energy Build. 2013, 64, 95–102. [Google Scholar] [CrossRef]
  106. Yang, Z.; Wang, W.B.; Wu, X. Thermal modeling and operating tests for a gas-engine driven heat pump working as a water heater in winter. Energy Build. 2013, 58, 219–226. [Google Scholar] [CrossRef]
  107. Zhang, X.; Yang, Z.; Wu, X.; Su, X.C. Evaluation method of gas engine-driven heat pump water heater under the working condition of summer. Energy Build. 2014, 77, 440–444. [Google Scholar] [CrossRef]
  108. Wu, X.; Yang, Z.; Liu, H.; Huan, Z.; Wang, W. The performance of mixture refrigerant R134a/R152a in a novel gas engine-driven heat pump system. Int. J. Green Energy 2014, 11, 60–74. [Google Scholar] [CrossRef][Green Version]
  109. Zhang, Q.; Yang, Z.; Gao, Y.D. The multi-goal optimal analysis of stand-alone gas engine heat pump system with energy storage (ESGEHP) system. Energy Build. 2017, 139, 525–534. [Google Scholar] [CrossRef]
  110. Zhang, Q.; Yang, Z. The Research on Operating Characteristic of Gas Engine Heat Pump System with Energy Storage (ESGEHP) System. Energy Procedia 2017, 142, 1213–1221. [Google Scholar]
  111. Zhang, Q.; Yang, Z.; Li, N.; Feng, R.; Gao, Y. The influence of building using function on the operating characteristics of the gas engine driven heat pump with energy storage system (ESGEHPs). Energy Build. 2018, 167, 136–151. [Google Scholar] [CrossRef]
  112. Zhang, Q.; Yang, Z.; Li, N.; Feng, R.; Shi, P. A novel solar photovoltaic/thermal assisted gas engine driven energy storage heat pump system (SESGEHPs) and its performance analysis. Energy Convers. Manag. 2019, 184, 301–314. [Google Scholar] [CrossRef]
  113. Sun, Z.G.; Wang, R.Z.; Sun, W.Z. Energetic efficiency of a gas-engine-driven cooling and heating system. Appl. Therm. Eng. 2004, 24, 941–947. [Google Scholar] [CrossRef]
  114. Sun, Z.G.; Guo, K.H. Cooling performance and energy saving of a compression-absorption refrigeration system driven by a gas engine. Int. J. Energy Res. 2006, 30, 1109–1116. [Google Scholar] [CrossRef]
  115. Sun, Z.G. A combined heat and cold system driven by a gas industrial engine. Energy Convers. Manag. 2007, 48, 366–369. [Google Scholar] [CrossRef]
  116. Sun, Z.G. Experimental investigation of integrated refrigeration system (IRS) with gas engine, compression chiller and absorption chiller. Energy 2008, 33, 431–436. [Google Scholar] [CrossRef]
  117. Zhang, R.R.; Lu, X.S.; Li, S.Z.; Gu, A.Z. Energy and economic performance comparison of gas engine and electric driven air-to-water heat pump. In Proceedings of the International Refrigeration and Air Conditioning Conference, West Lafayette, IN, USA, 12–15 July 2004. [Google Scholar]
  118. Zhang, R.R.; Lu, X.S.; Li, S.Z.; Lin, W.S.; Gu, A.Z. Analysis on the heating performance of a gas engine driven air to water heat pump based on a steady-state model. Energy Convers. Manag. 2005, 46, 1714–1730. [Google Scholar] [CrossRef]
  119. Li, S.; Zhang, W.; Zhang, R.R.; Lv, D.; Huang, Z. Cascade fuzzy control for gas engine driven heat pump. Energy Convers. Manag. 2005, 46, 1757–1766. [Google Scholar] [CrossRef]
  120. Lian, Z.; Park, S.-R.; Huang, W.; Baik, Y.J.; Yao, Y. Conception of combination of gas-engine-driven heat pump and water-loop heat pump system. Int. J. Refrig. 2005, 28, 810–819. [Google Scholar] [CrossRef]
  121. Hwang, Y. Potential energy benefits of integrated refrigeration system with microturbine and absorption chiller. Int. J. Refrig. 2004, 27, 816–829. [Google Scholar] [CrossRef]
  122. Lazzarin, R.; Noro, M. District heating and gas engine heat pump: Economic analysis based on a case study. Appl. Therm. Eng. 2006, 26, 193–199. [Google Scholar] [CrossRef]
  123. Busato, F.; Lazzarin, R.M.; Noro, M. Ten years history of a real gas driven heat pump plant: Energetic, economic and maintenance issues based on a case study. Appl. Therm. Eng. 2011, 31, 1648–1654. [Google Scholar] [CrossRef]
  124. Shin, Y.; Yang, H.; Tae, C.S.; Jang, C.Y.; Cho, S. Dynamics modeling of a gas engine-driven heat pump in cooling mode. J. Mech. Sci. Technol. 2006, 20, 278–285. [Google Scholar] [CrossRef]
  125. Hepbasli, A. Exergetic performance assessment of gas engine heat pumps. In Proceedings of the Clima 2007 WellBeing Indoors: REHVA World Congress, Helsinki, Finland, 10–14 June 2007. [Google Scholar]
  126. Gungor, A.; Erbay, Z.; Hepbasli, A. Exergetic analysis and evaluation of a new application of gas engine heat pumps (GEHPs) for food drying processes. Appl. Energy 2011, 88, 882–891. [Google Scholar] [CrossRef]
  127. Gungor, A.; Erbay, Z.; Hepbasli, A. Exergoeconomic analyses of a gas engine driven heat pump drier and food drying process. Appl. Energy 2011, 88, 2677–2684. [Google Scholar] [CrossRef]
  128. Gungor, A.; Erbay, Z.; Hepbasli, A. Exergoeconomic (Thermoeconomic) analysis and performance assessment of a gas engine–driven heat pump drying system based on experimental data. Dry. Technol. 2012, 30, 52–62. [Google Scholar] [CrossRef]
  129. Gungor, A.; Erbay, Z.; Hepbasli, A.; Gunerhan, H. Splitting the exergy destruction into avoidable and unavoidable parts of a gas engine heat pump (GEHP) for food drying processes based on experimental values. Energy Convers. Manag. 2013, 73, 309–316. [Google Scholar] [CrossRef]
  130. Gungor, A.; Tsatsaronis, G.; Gunerhan, H.; Hepbasli, A. Advanced exergoeconomic analysis of a gas engine heat pump (GEHP) for food drying processes. Energy Convers. Manag. 2015, 91, 132–139. [Google Scholar] [CrossRef]
  131. Li, Y.-L.; Zhang, X.-S.; Cai, L. A novel parallel-type hybrid-power gas engine-driven heat pump system. Int. J. Refrig. 2007, 30, 1134–1142. [Google Scholar] [CrossRef]
  132. Wang, Y.; Cai, L.; Shao, X.; Jin, G.; Zhang, X. Analysis on energy-saving effect and environmental benefit of a novel hybrid-power gas engine heat pump. Int. J. Refrig. 2013, 36, 237–246. [Google Scholar] [CrossRef]
  133. Wang, Y.; Cai, L.; Yu, Y.; Zhang, X. Performance study of parallel-type hybrid-power gas engine-driven heat pump system. Energy Build. 2013, 62, 37–44. [Google Scholar] [CrossRef]
  134. Wang, J.; Cai, L.; Wang, Y.; Ma, Y.; Zhang, X. Modeling and optimization matching on drive system of a coaxial parallel-type hybrid-power gas engine heat pump. Energy 2013, 55, 1196–1204. [Google Scholar] [CrossRef]
  135. Jiang, W.; Cai, L.; Wang, J.; Deng, W.; Zhang, X. Simulation and validation of a hybrid-power gas engine heat pump. Int. J. Refrig. 2015, 50, 114–126. [Google Scholar] [CrossRef]
  136. Meng, Q.; Cai, L.; Ji, W.; Yan, J.; Zhang, T.; Zhang, X. Energy management of a hybrid-power gas engine-driven heat pump. Energies 2015, 8, 11254–11275. [Google Scholar] [CrossRef]
  137. Ji, W.; Cai, L.; Men, Q.; Sun, G.F.; Zhang, X. Research for hybridization degree and logic threshold control strategy of the hybrid power gas engine heat pump. Procedia Eng. 2015, 121, 984–991. [Google Scholar] [CrossRef][Green Version]
  138. Wan, X.; Cai, L.; Yan, J.; Ma, X.; Chen, T.; Zhang, X. Power management strategy for a parallel hybrid-power gas engine heat pump system. Appl. Therm. Eng. 2017, 110, 234–243. [Google Scholar] [CrossRef]
  139. Chen, T.; Cai, L.; Wan, X.; Ma, X.; Yan, J.; Zhang, X. Modeling and dynamic energy management control of hybrid-power gas engine heat pump system. Appl. Therm. Eng. 2017, 121, 585–594. [Google Scholar] [CrossRef]
  140. Ma, X.; Cai, L.; Meng, Q.; Chen, T.; Zhang, X. Dynamic optimal control and economic analysis of a coaxial parallel-type hybrid power gas engine-driven heat pump. Appl. Therm. Eng. 2018, 131, 607–620. [Google Scholar] [CrossRef]
  141. Chen, T.; Cai, L. Energy-saving analysis of a hybrid-power gas engine heat pump with continuously variable transmission. Int. Energy J. 2018, 18, 409–418. [Google Scholar]
  142. Yang, Y.; Cai, L.; Chen, T.; Zhou, Q.; Zhang, X. A study of hybrid-power gas engine-driven heat pump control strategy based on instantaneous optimization. IOP Conf. Ser. Earth Environ. Sci. 2019, 242, 032067. [Google Scholar] [CrossRef]
  143. Mahderekal, I.Y. Experimental Evaluation and Modeling of Engine Driven Heat Pump. Ph.D. Thesis, University of Nevada, Las Vegas, NV, USA, 2009. [Google Scholar]
  144. Zaltash, A.; Linkous, R.; Wetherington, R.; Geoghegan, P.; Vineyard, E.; Mahderekal, I.; Gaylord, R. Performance of Gas-Engine Driven Heat Pump Unit; Technical Report; Blue Mountain Energy, Inc.: Las Vegas, NV, USA, 2009. [Google Scholar]
  145. Sohn, C.W.; Holcomb, F.H.; Mahderekal, I.; Young, T.; Sondeno, D. Natural Gas Engine-Driven Heat Pump Demonstration at DoD Installations—Performance and Reliability Summary; Report ERDC/CERL TR-09-10; Blue Mountain Energy, Inc.: Las Vegas, NV, USA, 2009. [Google Scholar]
  146. Mahderekal, I.; Shen, B.; Vineyard, E.A. System modeling of gas engine driven heat pump. In Proceedings of the International Refrigeration and Air Conditioning Conference, West Lafayette, IN, USA, 16–19 July 2012. [Google Scholar]
  147. Abu-Heiba, A.; Mahderekal, I.; Momen, A. Laboratory performance evaluation of residential scale gas engine driven heat pump. In Proceedings of the International Refrigeration and Air Conditioning Conference, West Lafayette, IN, USA, 11–14 July 2016. [Google Scholar]
  148. Abu-Heiba, A.; Mahderekal, I.; Momen, A.; Vineyard, E. Challenges and opportunities of Gas Engine Heat Pumps—Two Case Studies. In Proceedings of the 12th IEA Heat Pump Conference, Rotterdam, The Netherlands, 15–18 May 2017. [Google Scholar]
  149. Vineyard, E.A.; Abu-Heiba, A.; Mahderekal, I. Design and development of a residential gas-fired heat pump. In Proceedings of the 12th IEA Heat Pump Conference, Rotterdam, The Netherlands, 15–18 May 2017. [Google Scholar]
  150. Wetherington, R.; Mahderekal, I.; Abu-Heiba, A.; Vineyard, E. Low-cost control system built upon consumer-based electronics for supervisory control of a gas-operated heat pump. In Proceedings of the 2017 ASHRAE Annual Conference, Long Beach, CA, USA, 24–28 June 2017. [Google Scholar]
  151. Momen, A.M.; Abu-Heiba, A.; Vineyard, E. Multi-Function Gas Fired Heat Pump; CRADA Final Report; Oak Ridge National Laboratory: Oak Ridge, TN, USA, 2015. [Google Scholar]
  152. Elgendy, E.; Schmidt, J. Experimental investigation of gas engine driven heat pump used in water cooling. Online J. Power Energy Eng. 2010, 1, 90–94. [Google Scholar]
  153. Elgendy, E.; Schmidt, J.; Khalil, A.; Fatouh, M. Performance of a gas engine driven heat pump for hot water supply systems. Energy 2011, 36, 2883–2889. [Google Scholar] [CrossRef]
  154. Elgendy, E.; Boye, G.; Schmidt, J.; Khalil, A.; Fatouh, M. Experimental evaluation of a Gas Engine Driven Heat Pump incorporated with heat recovery subsystems for water heating applications. In Proceedings of the World Renewable Energy Congress 2011, Linkoping, Sweden, 8–13 May 2011. [Google Scholar]
  155. Sanaye, S.; Chahartaghi, M. Thermal modeling and operating tests for the gas engine-driven heat pump systems. Energy 2010, 35, 351–363. [Google Scholar] [CrossRef]
  156. Sanaye, S.; Meybodi, M.A.; Chahartaghi, M. Modeling and economic analysis of gas engine heat pumps for residential and commercial buildings in various climate regions of Iran. Energy Build. 2010, 42, 1129–1138. [Google Scholar] [CrossRef]
  157. Sanaye, S.; Chahartaghi, M.; Asgari, H. Dynamic modeling of Gas Engine driven Heat Pump system in cooling mode. Energy 2013, 55, 195–208. [Google Scholar] [CrossRef]
  158. Sanaye, S.; Asgari, H. Thermal modeling of gas engine driven air to water heat pump systems in heating mode using genetic algorithm and Artificial Neural Network methods. Int. J. Refrig. 2013, 36, 2262–2277. [Google Scholar] [CrossRef]
  159. Bakker, E.J.; Van der Garde, J.; Jansen, K.; Traversari, R.; Wagner, P. Gas Heat Pumps—Efficient Heating and Cooling with Natural Gas; GasTerra/Castel International Publishers: Groningen, The Netherland, 2010. [Google Scholar]
  160. Brenn, J.; Soltic, P.; Bach, C. Comparison of natural gas driven heat pumps and electrically driven heat pumps with conventional systems for building heating purposes. Energy Build. 2010, 42, 904–908. [Google Scholar] [CrossRef]
  161. Lee, W.N.; Kim, H.J.; Parka, J.B.; Cho, K.S.; Roh, J.H.; Son, S.Y. Economic analysis of heating and cooling systems from the various perspectives: Application to EHP and GHP in Korea. Renew. Sustain. Energy Rev. 2012, 16, 4116–4125. [Google Scholar] [CrossRef]
  162. Hissel, T.M.K. Case-Study on the Application of Building HVAC Performance Analysis and Fault Detection Using ABCAT. Master’s Thesis, Technical University Eindhoven, Eindhoven, The Netherlands, 2012. [Google Scholar]
  163. Imada, N.; Kitano, K.; Tanaka, K. R&D of the Gas Engine Heat Pump Water Heater and exergy evaluation of the system. In Design for Innovative Value Towards a Sustainable Society; Springer: Berlin/Heidelberg, Germany, 2012; pp. 127–129. [Google Scholar]
  164. Xin, Y.; Kametani, S. A Study on Changing of Energy-Saving Performance of GHP Air Conditioning System with Time-Series Variation. Eng. Technol. Int. J. Civ. Environ. Eng. 2013, 7, 877–882. [Google Scholar]
  165. Nishioka, R.; Kametani, S. Performance evaluation of newest model GHP air conditioning system under actual operation. In Proceedings of the 4th International Conference on Building Energy, Environment, Melbourne, Australia, 5–9 February 2018. [Google Scholar]
  166. Rucinski, A.; Rusowicz, A.; Grzebielec, A. Gas engine driven heat pump—Characteristics, analysis of applications in buildings energy systems. In Proceedings of the 9th International Conference “Environmental Engineering”, Vilnius, Lithuania, 22–23 May 2014. [Google Scholar]
  167. Kuryło, K.; Ruciński, A. A comparative study on electric and gas engine heat pump. In Proceedings of the 14th Research and Development in Power Engineering, Warsaw, Poland, 3–6 December 2019. [Google Scholar]
  168. Najjar, Y.S.H.; Tashtoush, G.M. Performance analysis of green engine-driven systems for space cooling. Int. J. Ambient. Energy 2014, 37, 76–84. [Google Scholar] [CrossRef]
  169. Liu, H.; Zhou, Q.; Zhao, H.; Wang, P. Experiments and thermal modeling on hybrid energy supply system of gas engine heat pumps and organic Rankine cycle. Energy Build. 2015, 87, 226–232. [Google Scholar] [CrossRef]
  170. Liu, H.; Zhou, Q.; Zhao, H. Experimental study on cooling performance and energy saving of gas engine-driven heat pump system with evaporative condenser. Energy Convers. Manag. 2016, 123, 200–208. [Google Scholar] [CrossRef]
  171. Zhang, W.; Wang, T.; Zheng, S.; Peng, X.; Wang, X. Experimental study of the Gas Engine Driven Heat Pump with engine heat recovery. Math. Probl. Eng. 2015, 2015, 417432. [Google Scholar] [CrossRef]
  172. Zhang, W.; Yang, X.; Wang, T.; Peng, X.; Wang, X. Experimental study of a Gas Engine-driven Heat Pump system for space heating and cooling. Civ. Eng. J. 2019, 5, 2282–2295. [Google Scholar] [CrossRef]
  173. Hu, B.; Li, C.; Yin, X.; Cao, F.; Shu, P. Thermal modeling and experimental research of a gas engine-driven heat pump in variable condition. Appl. Therm. Eng. 2017, 123, 1504–1513. [Google Scholar] [CrossRef]
  174. Western Cooling Efficiency Center. Gas Engine Heat Pump Technology. Final Report; California USA. 2015. Available online: https://wcec.ucdavis.edu/wp-content/uploads/2016/06/150430-GEHP-Report.pdf (accessed on 5 August 2021).
  175. Janovcová, M.; Jandacka, J.; Malcho, M. The impact of the weather conditions on the cooling performance of the heat pump driven by an internal natural gas combustion engine. EPJ Web Conf. 2015, 92, 02029. [Google Scholar] [CrossRef]
  176. Janovcová, M. Heat pumps with internal combustion engines using natural gas as an alternative to electric heat pumps. J. Therm. Eng. 2016, 2, 814–819. [Google Scholar] [CrossRef]
  177. Lee, Z.; Lee, K.; Choi, S.; Park, S. Combustion and emission characteristics of an LNG engine for heat pumps. Energies 2015, 8, 13864–13871. [Google Scholar] [CrossRef]
  178. Vakkilainen, E. Benefits of Gas Driven Ground Source Heat Pump Systems. Master’s Thesis, Lappeenranta University of Technology, Lappeenranta, Finland, 2015. [Google Scholar]
  179. Shimoji, T.; Tahara, H.; Matayoshi, H.; Yona, A.; Senjyu, T. Comparison and validation of operational cost in smart houses with the introduction of a heat pump or a gas engine. Int. J. Emerg. Electr. Power Syst. 2015, 16, 59–74. [Google Scholar] [CrossRef]
  180. Dong, F.J.; Liu, F.G.; Li, X.T.; You, X.Y.; Zhao, D.-F. Exploring heating performance of gas engine heat pump with heat recovery. J. Cent. South Univ. 2016, 23, 1931–1936. [Google Scholar] [CrossRef]
  181. Liu, F.G.; Tian, Z.Y.; Dong, F.J.; Yan, C.; Zhang, R.; Yan, A.B. Experimental study on the performance of a gas engine heat pump for heating and domestic hot water. Energy Build. 2017, 152, 273–278. [Google Scholar] [CrossRef]
  182. Liu, F.G.; Tian, Z.Y.; Dong, F.J.; Cao, G.Z.; Zhang, R.; Yan, A.B. Experimental investigation of a gas engine-driven heat pump system for cooling and heating operation. Int. J. Refrig. 2018, 86, 196–202. [Google Scholar] [CrossRef]
  183. Liu, F.; Dong, F.; Yan, A.; Li, Y.; Yan, C.; Li, J. Heating performance of a parallel gas engine compression-absorption heat pump. Appl. Therm. Eng. 2017, 123, 1308–1317. [Google Scholar] [CrossRef]
  184. Liu, F.; Dong, F.; Li, Y.; Jia, L. Study on the heating performance and optimal intermediate temperature of a series gas engine compression-absorption heat pump system. Appl. Therm. Eng. 2018, 135, 34–40. [Google Scholar] [CrossRef]
  185. Liu, F.; Ma, Z.; Zhang, R. A study on the design and analysis of a gas engine heat pump water heater using shower wastewater as heat source. J. Water Reuse Desalination 2019, 9, 310–318. [Google Scholar] [CrossRef]
  186. Liu, F.-G.; Tian, Z.-Y.; Ma, Z.-X.; Jia, L.-L.; Zhang, R.; Yan, A.-B. Experimental research on the property of water source gas engine-driven heat pump system with chilled and hot water in summer. Appl. Therm. Eng. 2020, 165, 114532. [Google Scholar] [CrossRef]
  187. Ma, Z.; Liu, F.; Tian, C.; Jia, L.; Wu, W. Experimental comparisons on a gas engine heat pump using R134a and low-GWP refrigerant R152a. Int. J. Refrig. 2020, 115, 73–82. [Google Scholar] [CrossRef]
  188. Shah, N.N.; Huang, M.J.; Hewitt, N.J. Performance analysis of diesel engine heat pump incorporated with heat recovery. Appl. Therm. Eng. 2016, 108, 181–191. [Google Scholar] [CrossRef]
  189. Kamal, R.; Narasimhan, A.K.; Wickramaratne, C.D.; Bhardwaj, A.; Goswami, Y.; Stefanakos, E.K.; Ingley, H.A. Field performance of gas-engine driven heat pumps in a commercial building. Int. J. Refrig. 2016, 68, 15–27. [Google Scholar] [CrossRef]
  190. Mekdache, A.; Zoughaib, A.; Clodic, D. Heat pump driven by a gas engine for heating and domestic hot water generation. In Proceedings of the 16th International Refrigeration and Air Conditioning Conference, West Lafayette, IN, USA, 11–14 July 2016. [Google Scholar]
  191. Shang, S.; Wu, W.; Wang, B.; Shi, W.; Li, X. Performance comparison and energy saving ratio analysis between absorption heat pump and gas engine-driven heat pump. In Proceedings of the 12th IEA Heat Pump Conference, Rotterdam, The Netherlands, 15–18 May 2017. [Google Scholar]
  192. Wang, M.; Chen, Y.; Liu, Q. Experimental study on the gas engine speed control and heating performance of a gas Engine-driven heat pump. Energy Build. 2018, 178, 84–93. [Google Scholar] [CrossRef]
  193. Energy 350. Natural Gas Internal Combustion Engine Heat Pump Field Trial Final Report; Northwest Energy Efficiency Alliance (NEEA): Portland, OR, USA, 2018; Available online: https://heatpumpingtechnologies.org/annex46/wp-content/uploads/sites/53/2020/10/12-usa-natural-gas-internal-combustion-engine-heat-pump-field-trial-final-report.pdf (accessed on 5 August 2021).
  194. Jeong, J.; Lubis, A.; Saito, K.; Karng, S.; Kim, S.; Kim, K. Start-up behaviour of a combined air-conditioning system in cooling and heating operating modes. Energy Build. 2018, 158, 1346–1357. [Google Scholar] [CrossRef]
  195. Varmazyar, M.; Habibi, M.R.; Jafari, J.; Barati, A. An empirical investigation of a modified Gas Engine Heat Pump in heating and cooling mode for the residential application. Iran. J. Chem. Chem. Eng. 2020, 39, 321–322. [Google Scholar]
  196. IEA. Data and Statistics, Total Primary Energy Supply (TPES) by Source. Available online: https://www.iea.org/data-and-statistics?country=WORLD&fuel=Energy%20supply&indicator=Total%20primary%20energy%20supply%20(TPES)%20by%20source (accessed on 30 May 2020).
  197. IEA. Gas 2018, Analysis and Forecasts to 2023, Executive Summary. Available online: https://webstore.iea.org/download/summary/1235?fileName=English-Gas-2018-ES.pdf (accessed on 30 May 2020).
Figure 1. Savings in primary energy and reduction in CO2 emissions per year considering different GEHP penetrations in satisfying the European space heating demand.
Figure 1. Savings in primary energy and reduction in CO2 emissions per year considering different GEHP penetrations in satisfying the European space heating demand.
Energies 14 04845 g001
Figure 2. Renewable-based gaseous fuels that could feed GEHP (SG: Syngas; NG: Natural gas; BG: Biogas).
Figure 2. Renewable-based gaseous fuels that could feed GEHP (SG: Syngas; NG: Natural gas; BG: Biogas).
Energies 14 04845 g002
Figure 3. Flowchart followed to conduct the analysis of GEHP.
Figure 3. Flowchart followed to conduct the analysis of GEHP.
Energies 14 04845 g003
Figure 4. Ratio between thermal power and thermal power delivered at 7 °C, as a function of outdoor air-dry bulb temperature (indoor air temperature is fixed to 20 °C) for GEHP #1 [23], GEHP #2 [23], EHP #1 [24] and EHP #2 [25].
Figure 4. Ratio between thermal power and thermal power delivered at 7 °C, as a function of outdoor air-dry bulb temperature (indoor air temperature is fixed to 20 °C) for GEHP #1 [23], GEHP #2 [23], EHP #1 [24] and EHP #2 [25].
Energies 14 04845 g004
Figure 5. Investment cost per kW of cooling power for GEHPs and EHPs.
Figure 5. Investment cost per kW of cooling power for GEHPs and EHPs.
Energies 14 04845 g005
Figure 6. Volume of GEHPs (oldest and commercialised) and EHPs as a function of cooling capacity.
Figure 6. Volume of GEHPs (oldest and commercialised) and EHPs as a function of cooling capacity.
Energies 14 04845 g006
Figure 7. Weight of EHP, oldest and newest GEHPs as a function of cooling capacity.
Figure 7. Weight of EHP, oldest and newest GEHPs as a function of cooling capacity.
Energies 14 04845 g007
Figure 8. Noise of GEHPs (oldest and newest) and EHPs as a function of cooling capacity.
Figure 8. Noise of GEHPs (oldest and newest) and EHPs as a function of cooling capacity.
Energies 14 04845 g008
Figure 9. Ratio between heating and cooling capacity for both GEHPs and EHPs.
Figure 9. Ratio between heating and cooling capacity for both GEHPs and EHPs.
Energies 14 04845 g009
Figure 10. GEHP in heating operating mode with direct engine heat recovery.
Figure 10. GEHP in heating operating mode with direct engine heat recovery.
Energies 14 04845 g010
Figure 11. GEHP in cooling mode.
Figure 11. GEHP in cooling mode.
Energies 14 04845 g011
Figure 12. GEHP in combined heating and cooling mode.
Figure 12. GEHP in combined heating and cooling mode.
Energies 14 04845 g012
Figure 13. GEHP with EG in heating mode.
Figure 13. GEHP with EG in heating mode.
Energies 14 04845 g013
Figure 14. GEHP including an EG in cooling operating mode.
Figure 14. GEHP including an EG in cooling operating mode.
Energies 14 04845 g014
Figure 15. GEHP in heating operating mode with indirect engine heat recovery.
Figure 15. GEHP in heating operating mode with indirect engine heat recovery.
Energies 14 04845 g015
Figure 16. GEHP in heating operating mode with direct and indirect engine heat recovery.
Figure 16. GEHP in heating operating mode with direct and indirect engine heat recovery.
Energies 14 04845 g016
Figure 17. GEHP including an EG in cooling operating mode with indirect engine heat recovery.
Figure 17. GEHP including an EG in cooling operating mode with indirect engine heat recovery.
Energies 14 04845 g017
Figure 18. PER as a function of cooling capacity in heating and cooling mode for oldest and newest GEHPs.
Figure 18. PER as a function of cooling capacity in heating and cooling mode for oldest and newest GEHPs.
Energies 14 04845 g018
Figure 19. Comparison among PERs of air-to-water and air-to-air GEHP units.
Figure 19. Comparison among PERs of air-to-water and air-to-air GEHP units.
Energies 14 04845 g019
Figure 20. PER in GEHP in cooling mode without and with DHW kit.
Figure 20. PER in GEHP in cooling mode without and with DHW kit.
Energies 14 04845 g020
Figure 21. Comparison between GEHP-based and EHP/B-based systems.
Figure 21. Comparison between GEHP-based and EHP/B-based systems.
Energies 14 04845 g021
Figure 22. Thermal power delivered by EHP and the boiler as a function of outdoor air temperature.
Figure 22. Thermal power delivered by EHP and the boiler as a function of outdoor air temperature.
Energies 14 04845 g022
Figure 23. PES as a function of outdoor air temperature and power grid efficiency.
Figure 23. PES as a function of outdoor air temperature and power grid efficiency.
Energies 14 04845 g023
Figure 24. ΔCO2 as a function of outdoor air temperature and CO2 emission factor.
Figure 24. ΔCO2 as a function of outdoor air temperature and CO2 emission factor.
Energies 14 04845 g024
Figure 25. Comparison between GEHP with DHW kit and EHP/B.
Figure 25. Comparison between GEHP with DHW kit and EHP/B.
Energies 14 04845 g025
Figure 26. PES of GEHP with and without DHW vs. EHP-based system as a function of outdoor air temperature.
Figure 26. PES of GEHP with and without DHW vs. EHP-based system as a function of outdoor air temperature.
Energies 14 04845 g026
Figure 27. CO2 emissions for GEHP and EHP/B systems as a function of outside air temperature.
Figure 27. CO2 emissions for GEHP and EHP/B systems as a function of outside air temperature.
Energies 14 04845 g027
Figure 28. Biomass-fired air source GEHP serving a low-temperature district heating network.
Figure 28. Biomass-fired air source GEHP serving a low-temperature district heating network.
Energies 14 04845 g028
Figure 29. PES as a function of gasifier efficiency and heat pump COP.
Figure 29. PES as a function of gasifier efficiency and heat pump COP.
Energies 14 04845 g029
Figure 30. Cumulative GEHPs exported from Japan up to 2015.
Figure 30. Cumulative GEHPs exported from Japan up to 2015.
Energies 14 04845 g030
Figure 31. GEHPs installed in Japan (2005–2017) [54].
Figure 31. GEHPs installed in Japan (2005–2017) [54].
Energies 14 04845 g031
Figure 32. GEHPs installed in Europe (2006–2016).
Figure 32. GEHPs installed in Europe (2006–2016).
Energies 14 04845 g032
Figure 33. Distribution of scientific papers across the world.
Figure 33. Distribution of scientific papers across the world.
Energies 14 04845 g033
Figure 34. Scientific publications per year in the period 1957–2020.
Figure 34. Scientific publications per year in the period 1957–2020.
Energies 14 04845 g034
Table 1. Emission factors and power grid efficiency for some European countries [45].
Table 1. Emission factors and power grid efficiency for some European countries [45].
Countryα (kg CO2/kW hel)Power Grid Efficiency (–)
EU280.6340.437
Poland0.7790.427
Germany0.7300.414
Spain0.6930.388
France0.5750.434
UK0.4820.421
Italy0.4820.466
Table 2. Biomass-fired GEHP data.
Table 2. Biomass-fired GEHP data.
Energy FlowSymbolMeasurement Unit (kWh)
Primary energy input to gasifier E p , B i o G 131.73
Primary energy input to PM due to syngas E p , S y n G 98.80
Mechanical energy output to PM E m P M 31.62
Thermal energy output from PM to LTDH E t h P M 55.33
Thermal energy output from condenser heat pump E t h C O , H P 126.46
Electric energy for system’s auxiliaries E e l A U X 5.00
Table 3. Field tests on GEHPs: papers focusing on energy and economic analysis.
Table 3. Field tests on GEHPs: papers focusing on energy and economic analysis.
ApplicationEnergy, ReferenceEconomic, Reference
office[88,94,96,145,162][145]
fitness centre[145][145]
museum[145][145]
residential[98,99]
university[122,123][123]
commercial[189][189]
swimming pool[85]
university laboratory[175,176]
school[164]
retirement building[193][193]
dining hall/restaurant[145][145]
Table 4. Field tests: GEHP operating mode.
Table 4. Field tests: GEHP operating mode.
Operating ModeReference
Heating—direct recovery mode[122,123,150,193]
Heating—indirect recovery mode[88,94,96,99,145,162,164,176]
Cooling[94,98,122,123,145,150,162,164,175,189]
Table 5. Field tests: heat pump source and sink.
Table 5. Field tests: heat pump source and sink.
Heat Pump Source and SinkReference
Air-to-air[88,94,96,98,99,145,150,164,189]
Air-to-water[85,122,123,162,175,176]
Publisher’s Note: MDPI stays neutral with regard to jurisdictional claims in published maps and institutional affiliations.

Share and Cite

MDPI and ACS Style

Roselli, C.; Marrasso, E.; Sasso, M. Gas Engine-Driven Heat Pumps for Small-Scale Applications: State-of-the-Art and Future Perspectives. Energies 2021, 14, 4845. https://doi.org/10.3390/en14164845

AMA Style

Roselli C, Marrasso E, Sasso M. Gas Engine-Driven Heat Pumps for Small-Scale Applications: State-of-the-Art and Future Perspectives. Energies. 2021; 14(16):4845. https://doi.org/10.3390/en14164845

Chicago/Turabian Style

Roselli, Carlo, Elisa Marrasso, and Maurizio Sasso. 2021. "Gas Engine-Driven Heat Pumps for Small-Scale Applications: State-of-the-Art and Future Perspectives" Energies 14, no. 16: 4845. https://doi.org/10.3390/en14164845

APA Style

Roselli, C., Marrasso, E., & Sasso, M. (2021). Gas Engine-Driven Heat Pumps for Small-Scale Applications: State-of-the-Art and Future Perspectives. Energies, 14(16), 4845. https://doi.org/10.3390/en14164845

Note that from the first issue of 2016, this journal uses article numbers instead of page numbers. See further details here.

Article Metrics

Back to TopTop