Abstract
The energy consumption of buildings is very important for both economic and environmental reasons. Newly built buildings are characterized by higher insulation and airtightness of the building envelope, and are additionally equipped with technologies that minimize energy consumption in order to meet legal requirements. In existing buildings, the modernization process should be properly planned, taking into account available technologies and implementation possibilities. Hotel buildings are characterized by a large variability of energy demand, both on a daily and a yearly basis. Monitoring systems, therefore, provide the necessary information needed for proper energy management in the building. This article presents an energy analysis of the Turówka hotel located in Wieliczka (southern Poland). The historical hotel facility is being modernized as part of the project to adapt the building to the requirements of a sustainable building. The modernization proposal includes a trigeneration system with a multifunctional reverse regenerator and control module using neural algorithms. The main purpose is to improve the energy efficiency of the building and adapt it to the requirements of low-energy buildings. The implementation of a monitoring system enables energy consumption to be reduced and improves the energy performance of the building, especially through using energy management systems and control modules. The proposed retrofit solution considers the high energy consumption, structure of the energy demand, and limits of retrofit intervention on façades.
1. Introduction
Ever-tightening energy efficiency regulations and the development of environmental awareness within society contribute to technological progress in energy and sanitary installations. Over the last few decades, energy consumption has clearly increased, which is associated with the requirements currently met by rooms and the increase in the amount of time people spend inside them. The Commission Recommendation (EU) of 7 June 2019 on building modernization [1] points out that buildings account for nearly 40% of the final energy consumption; therefore, the reduction in energy intensity in this regard is one of the most important measures to combat environmental change and global warming [2,3]. The continuous development of the building sector results in an increasing energy demand and, as a result, an increase in carbon dioxide emissions. Today, 50% of final energy consumption is used for heating and cooling purposes, 80% of which is related to ensuring comfortable thermal conditions in buildings. This negative trend may be halted by using renewable energy sources and new solutions with higher efficiency. The effects achieved in this way are not only beneficial to the environment, but, above all, to the consumer, whose operating costs are significantly reduced. The simplest solution to save energy would be to design a building using materials with low thermal conductivity and high-efficiency heating and/or cooling technology.
Both environmental and economic factors have led European Union (EU) regulators to introduce a definition for "nearly Zero-Energy Buildings", hereinafter referred to as "sustainable buildings". Pursuant to the Directive of the European Parliament [4], they are buildings with low demand for heating, cooling, and electricity, which should be covered to a very significant extent by energy from renewable sources. The document [4] does not include the exact values of the coefficients to be met by a building, as these are defined by each Member State. The National Plan for increasing the number of low-energy buildings [5] extends this definition, stating that such a building meets the energy saving and thermal insulation requirements as defined in technical and building regulations. Referring to the Regulation of the Minister of Infrastructure, buildings should correspond to at least the optimum energy performance for new buildings, in force since January 2019 for buildings occupied and owned by public authorities and since 1 January 2021 for other cases. The maximum value of the PE factor, corresponding to yearly primary energy demand, may be calculated from the formula given in amending regulations:
PE = ∆PEH+W + ∆PEC + ∆PEL
The partial volumes depend on the type of building. The PE factor value for heating, domestic hot water, and ventilation purposes, for the period starting on 1 January 2019 for public office buildings and on 31 December 2020 for other buildings, is between 45 and 75 kWh/(m2∙yr). The exception is health care buildings, for which the maximum value of PEH+W is 190 kWh/(m2∙yr). On the other hand, the primary energy factor required for cooling depends on the ratio of the surface area of cooled rooms to the ratio of the surface area of rooms with controlled temperature (heated and cooled). The partial volumes of the PE factor for lighting are calculated only when built-in lighting and non-residential buildings are considered. Depending on for how long lighting is used during the year, the value is between 25 and 50 kWh/(m2∙yr) [6].
It is also worthwhile to mention a report prepared by the Buildings Performance Institute Europe [7], in which proposed nearly zero-energy building (nZEB) definitions for Poland are included. On the basis of the analyses and simulations carried out, minimum levels for four types of buildings have been defined. For single- and multi-family buildings, the PE factor should be in the range of 30 to 50 kWh/(m2∙yr), while the renewable share should be higher than 40%. For office buildings, the PE factor should be in the range of 50 to 60 kWh/(m2∙yr), with the renewable share higher than 40%. For public office buildings, the PE factor should be in the range of 40 to 60 kWh/(m2∙yr), with the renewable share higher than 50%.
1.1. Thermal-Energy Performance of Buildings in Poland
Given that the regulations introduced only apply to new buildings, it is worth determining the energy performance of older buildings, which make up the majority. Based on the data given in the report "Energy performance of building sector in Poland” [8], a graph of the average value of primary and final energy depending on the type and function of a building was created (Figure 1). It can be seen that the highest primary energy values were obtained for educational and health care buildings.
Figure 1.
Average primary energy values by building type/category (Source: authors’ own elaboration based on [8]).
Furthermore, the position of Poland in comparison with other European Union countries in terms of energy consumption in the building sector is of interest (Figure 2). Interestingly, unlike most of the countries mentioned below, Poland is characterized by lower demand for non-residential buildings than for residential ones. This may be due to subsidies, improving energy performance for buildings occupied and owned by public authorities, schools, and offices, but also due to high costs of improving energy performance for single-family buildings. The average energy consumption slightly exceeds the average demand set for EU countries. However, many EU countries, such as Belgium, Estonia, Finland, Lithuania, or Slovakia, are characterized by higher consumption. For comparison purposes, it is also important to mention the climate in a given region, which directly translates into energy consumption, in particular heat energy required to heat rooms.
Figure 2.
Average energy demand for buildings in the European Union (EU) countries (Source: authors’ own elaboration based on recent EU Buildings Database data [9]).
1.2. Methods to Improve Energy Efficiency and Reduce Demand in Buildings
There are many methods to increase savings and energy efficiency. In general, the methods for improving energy efficiency may be divided into two groups: active and passive energy-saving measures. Passive solutions are understood as actions minimizing demand by reducing heat losses in a building. They include thermal insulation of the building envelope and replacement or use of window and door frames with a lower heat transfer coefficient as well as elimination of cold bridges. Active solutions, on the other hand, include the use of higher-efficiency heat generation and distribution systems in a building. They include heat recovery systems or the use of more efficient energy generation sources [10,11,12].
Energy consumption in buildings is largely due to the losses caused by heat exchange between the building and its surroundings. The highest heat energy loss in a building is related to the ventilation system and heat exchange through dividing structures and windows and door frames. In a paper by Charles et al. [13], the authors analyzed the improvement in energy performance of an existing two-story office building built in the late 1960s located in Vancouver, which involved replacing window frames, insulating external dividing structures (walls and roof), and installing renewable energy on an office building. The results showed that the improvement made on the building envelope allowed the reduction of 45% of the annual energy consumption. Furthermore, 83% of this saving was due to the improved insulation of the wall and to the increased airtightness of the building. The glazing replacement also has a significant impact on reducing energy demand. The research of Somasundaram et al. [14] showed that the use of solar film with retrofit double glazing can reduce the annual heating, ventilation, and air conditioning (HVAC) energy consumption by up to 20%. Additionally, using such solutions as solar film installation, retrofit double glazing, air-conditioning, and lighting controls together, the reduction of electricity demand can increase up to 30–40% per annum. Unfortunately, it is not possible to make changes to or replace frames or dividing structures in some cases. Historical buildings under preservation maintenance due to their aesthetic values cannot be modernized in terms of their form and condition. Preserving traditional techniques is crucial. This does not entirely exclude modern technologies, but limits their use considerably. Parts of systems cannot stand out in respect of historical forms of architecture [15,16]. Passive solutions also include architectural and structural solutions, such as the construction of vestibules or porches, shading devices, or natural ventilation [10]. Window location and orientation, as well as the use of shading elements, are also of considerable importance [17].
Active solutions, on the other hand, may involve replacing boilers with higher-efficiency equipment, modernizing or replacing heating and cooling systems, or any changes in ventilation systems. They may include the replacement of gravitational ventilation with mechanical ventilation and the use of heat recovery systems [10]. Furthermore, renewable energy sources, such as collectors, photovoltaic cells, or heat pumps, are increasingly used. The installation of photovoltaic panels mounted on the roofs or nearby buildings is gaining popularity among individual users; hence, many new solutions have appeared on the market, and numerous works on this subject can be found in the literature [18,19]. Similarly, heat pumps, as an increasingly common alternative to conventional heating sources for buildings, have been the subject of many studies [20]. Due to the development of technology, the efficiency of such solutions increases, and thus investments become more profitable. There are also hybrid solutions combining renewable and standard sources to enhance the reliability and efficiency of such systems [21]. The reduction in energy consumption and the resulting savings are also realized by using cogeneration and trigeneration. When implementing these solutions, running gas systems to the building is important. In many cases, the lack of gas connection may prevent the implementation of such solutions. Limited resources of renewable energy sources are increasingly being discussed. Alternative energy sources are being sought, as well as the possibilities of using existing fuel resources. Interesting solutions include the use of biofuels produced from municipal, industrial, or agricultural waste. Given the current waste production level in the EU, the generation of electricity from landfill biogas has great potential. F. Caresana et al. [22] propose a number of solutions to using biogas, including cogeneration systems. A study of a closed landfill in Mexico revealed that the use of energy from biogas obtained from a landfill is possible through monitoring the quantity and composition of the gases produced, while the generation of energy from municipal waste has higher potential compared to agricultural waste and forest residues [23]. In post-mining areas, the remaining methane resources in the rock mass may be an energy source. Once mining operations are completed, it is justified and possible to capture methane from the rock mass. Needless to say, the amount of methane captured decreases over time, but the quality of the methane fuel increases. [24].
1.3. Energy Supply Systems for Sustainable Buildings
The issue that is often faced during building operations is the partial use of the energy that can be generated and variable operating parameters of the system. Importance is also placed on still-high electricity tariffs, which limit the use of many electrically powered solutions. Considerable charges for utilities and energy transmission losses have prompted designers to look for solutions that allow the required heat or electricity to be generated directly where they are needed. Given the savings brought about by a technological combination of many systems, cogeneration and trigeneration systems are gaining popularity.
The analysis of selected sustainable buildings in Europe [25] revealed that the most frequently used energy supply system is the heat pump. Thirty-two buildings were analyzed, and some of them were heated with a gas boiler, a biomass boiler, or district heating. Individual buildings were provided with heat energy through cogeneration units using biomass or air-conditioning units with heating mode. Most of the buildings had photovoltaic panels, and almost one third of them had a ground source heat pump. An example of an nZEB with a biomass boiler is the LUCIA building in Spain, which is owned by the University of Valladolid. Apart from the boiler, the building also features gas engines and photovoltaic panels providing electricity for the building [26].
As a source of electrical power, photovoltaic panels installed on roofs or in the immediate vicinity of a building are very often used. An example may be a system used in the Power House Kjørbo office building [27], capable of producing 210,000 kWh per year, while the surplus is sold to the municipal power grid. Next to the building there are also vertical ground heat exchangers with an output of approximately 100 kWH that heat and prepare domestic hot water.
Another example from Scandinavia is the headquarters of the Norwegian Tax Administration (Skattedirektoratet), where the main source of heat is recovery from an air-to-air heat pump using an exchanger installed in the server room. Peak demand is met together with energy from the municipal network [28].
The use of heat pumps with ground heat exchangers is also an interesting solution. In their paper, Baglivo et al. [29] proposed the use of an air-cooled heat pump coupled with a horizontal air-ground heat exchanger. The air flowing through the exchanger is used to treat the stream of air upstream of the heat pump exchanger. In a warm climate, where the analysis was carried out, this solution increases system efficiency and reduces building energy consumption.
1.4. HVAC Systems for Sustainable Buildings
The ventilation systems in buildings play an important role in exchanging air and providing comfortable conditions for users. Unfortunately, they are also the main source of operating costs. As several studies [30,31,32,33] show, energy demand associated with HVAC systems may constitute 30–60% of total energy consumption. Consequently, they are a potential source of savings, which may be obtained by improving the efficiency of individual systems [34]. The most common solution to limit ventilation-related energy consumption is the use of mechanical ventilation systems coupled with heat recovery. There are many solutions on the market offering air handling units with high-efficiency recovery. Three basic heat recovery systems are in use through regenerators, recuperators, and heat pumps. Traditional systems do not perform their function at sub-zero temperatures and require additional protection against freezing. Tests have shown that not every recuperator provides adequate ventilation of a building due to the ice periodically forming on the exchanger and causing flow to be reduced or stopped completely. The solution is to use additional preheaters or a system of dampers [35]. The use of multi-stage heat recovery systems is becoming more popular. An example may be the OnyxX3-Experience unit by Frapol that combines passive recovery through a recuperative counterflow heat exchanger with active recovery in an inverter heat pump. Tests carried out with the use of this unit revealed that it is possible to significantly reduce electricity consumption in the building by using it [36].
The literature contains numerous interesting solutions concerning ventilation and air-conditioning systems in sustainable buildings [27,28,37,38]. One interesting example is the Power House Kjørbo building that uses demand-controlled ventilation, which measures carbon dioxide as the main parameter determining air quality and the possible need for air treatment. The length of the system was designed to be as short as possible, while parts of the building such as staircases are used, e.g., to extract exhaust air. The building uses displacement ventilation, while the system is equipped with heat exchangers with an efficiency of 85% [27]. Another example may be Skattedirektoratet (the Norwegian Tax Administration building), where, in order to reduce energy demand for the purposes of ventilation and cooling systems, heat gains from office equipment were reduced and heat recovery from exhaust air with an efficiency of 86% were used, along with flow devices such as fans and pumps with low specific fan power [28]. The SOLAR XXI building makes use of a different ventilation concept; the designers decided to use natural ventilation. Air exchange is ensured by the stack effect supported by openings in the facade and ceiling. The openings in the facade and adjustable ventilation openings in all office room doors enable cross air flow from outside and vice versa inside the building. The central room of the building features a skylight that allows air to be ventilated naturally using the stack effect. High comfort and system efficiency are ensured by the use of a number of scenarios regarding the operation of the ventilation system [37]. Another example of an office building transformed into a sustainable building is the Elithis Tower in Dijon. The energy strategy used in the building is based on photovoltaic panels and the management of energy and operation of all technical systems. Air exchange in rooms is ensured by mechanical exhaust and supply ventilation with heat recovery, which is controlled via the building energy model (BEM) system. Three ventilation operation scenarios are applied depending on the season. As in the previous example, there are also openings in the facade that allow the building to be cooled in spring and autumn when combined with low-pressure exhaust fans. The openings in the facade are important in one of the scenarios (free cooling), especially at night during the summer [38].
This article presents a comprehensive approach for the problem of historic buildings related to maintaining historical building requirements and the need to improve energy consumption through optimal retrofit solutions. The study includes an analysis of the energy consumption of heating and cooling systems based on the data from the energy monitoring system. The main purpose is to improve the energy efficiency of the building and adapt it to the requirements of low-energy buildings. The implementation of the monitoring system enables energy consumption to be reduced and improves the energy performance of the building, especially through using energy management systems and control modules, as in the proposed retrofit solution. This analysis was undertaken to investigate the energy consumption structure and assess the suitability of the trigeneration system with multifunctional reverse regenerator and control module using neural algorithms.
2. Methods and System Description
The Turówka hotel is a historical building entered into the register of historical monuments. It is a reconstruction of a historic salt store of 1812. The building is located in Wieliczka (southern Poland) and is a faithful reconstruction of the historical "Turówka" saltworks. Wieliczka lies in the south-central part of Poland near the Kraków. It is best known for its ancient salt mines, which are now a museum. The location of the hotel and its immediate surroundings are shown in Figure 3. The mass and dimensions of the building are the same and the building materials used and window and door frames aim to recreate the structure as faithfully as possible. The building includes four overground floors and the basement. The useful floor area of the hotel section is 5525.00 m2 with a capacity of 19,300 m3. The building has 50 double rooms, a conference room for 40 people, and a restaurant for 90 people. The insulation of dividing structures complies with the minimum requirements of the 2021 Technical Standard. The building is under preservation maintenance, so changes in the building mass are difficult to make, and as a result it is impossible to improve its energy performance through insulation.
Figure 3.
Location of the Turówka hotel (Source: [39]).
Currently, the hotel uses a two-pipe central heating system. It is supplied from a gas boiler house and equipped with two low-temperature boilers (250 and 350 kW) with operating parameters of 80/60 °C. The gas boiler house also includes storage water heaters for domestic hot water, and from there water is distributed to all air heaters in air handling units. To control the temperature of the central heating feed water, a control system with weather compensation was used. Feed and return temperature control depending on the outdoor temperature is achieved by mixing the feed water with the return water using electric three-way mixing valves. The domestic hot water temperature is adjusted by heating circulation pump control. Steel panel radiators with thermostatic valves are installed in rooms. Air exchange in the building is obtained by nine supply and exhaust ventilation units with a total ventilation air stream of 44,400 m3/h. Systems were divided by grouping rooms for similar purposes. All air handling units providing heat recovery and proper air parameters are located in a technical room in the hotel basement. The air handling unit for kitchen air ventilation has an exchanger using glycol, while the air handling unit for the cloakroom does not have a heat recovery system. All other air handling units, on the other hand, have a rotary heat exchanger. A detailed list of modernization suggestions with descriptions of the current situation is given in Table 1.
Table 1.
List of equipment and systems before and after modernization.
The subject of the project by Frapol is a system that combines three basic elements: a multifunctional reverse regenerator (MRR), a trigeneration gas power generator (GAT), and a control module NEURO+ with an adaptive and predictive function and using neural algorithms. In addition, the system includes air handling units, active air regulators, and air filters. The sustainable building project is co-financed by the European Regional Development Fund and is intended to develop an integrated system that allows the microclimate to be accurately controlled in large commercial buildings. It aims to meet requirements concerning nearly zero-energy buildings.
The modernization plan assumes the replacement of air handling units for high-efficiency equipment with reversible and regenerative heat exchangers not requiring external energy for protection against freezing and with controlled humidity recovery. It is planned to use condensing boilers and trigeneration units. The new heating system is to be fully integrated with the cooling and domestic hot water preparation system. The entire system will be controlled by smart adaptive automation using weather forecasts (BEMS). One gas boiler will be replaced by three GAT trigeneration power generators, with their main advantage being a very high use of primary energy in the fuel. The unit has a modern gas-powered engine that ensures heat recovery through the use of additional cooling systems powered by the engine itself. The system also uses the energy of condensing water vapor contained in flue gases, which, as a result, reduces its temperature and allows the recovered energy to be used in the system. Each GAT generator has a system for power distribution between the heat pump compressor and the generator, which ensures that the gas engine operates at constant and optimal power. The source of heat for the district hot water system will be processes of cooling the trigeneration power generator and heat recovery from flue gases, with a total output of 75 kW. Should the output be insufficient, the existing gas boiler will also be used. The building is heated using radiators and heaters located in air handling units, while it is cooled using fan coil units with electronic thermostatic valves controlled by the intelligent energy management system BEMS. The control module NEURO+ ensures that the entire system operates properly. The operation of individual components will be ensured by a controller with neural algorithms, which will enable the operating parameters of individual components to be adjusted as precisely as possible. Depending on the type of component, optimization will be on a weekly or monthly basis. The system will be continuously improved with no users needed. It is planned that the system will allow losses from the non-linear character of building use to be minimized.
This paper includes an analysis of the energy performance of the building, taking into account the heat energy demand of five systems in the building: the heating system, the cooling system, the district hot water preparation system, the technological plant, and heat demand of the swimming pool section. Figure 4 shows a simplified diagram representing the energy balance of the building.
Figure 4.
Energy balance of the building with heat gains and losses.
The GAT generator has been fitted with measuring devices in order to control the main parameters responsible for proper system operation. In addition, heat and cooling energy meters have been installed in main system areas, i.e., feed and return of the high and, depending on demand, low parameter of the refrigerant. Data are transmitted via a serial communications protocol - MODBUS RTU and stored in a recording system. Measurements are made using MULTICAL heat meters by Kamstrup. To ensure measurement stability, flow sensors were submitted to a type approval according to EN 1434 [40], which includes the 2400-hour measurement stability test of the flow sensors. Figure 5 shows the diagram of the GAT trigeneration power generator together with location of the measuring devices.
Figure 5.
Diagram of the trigeneration gas power generator (GAT).
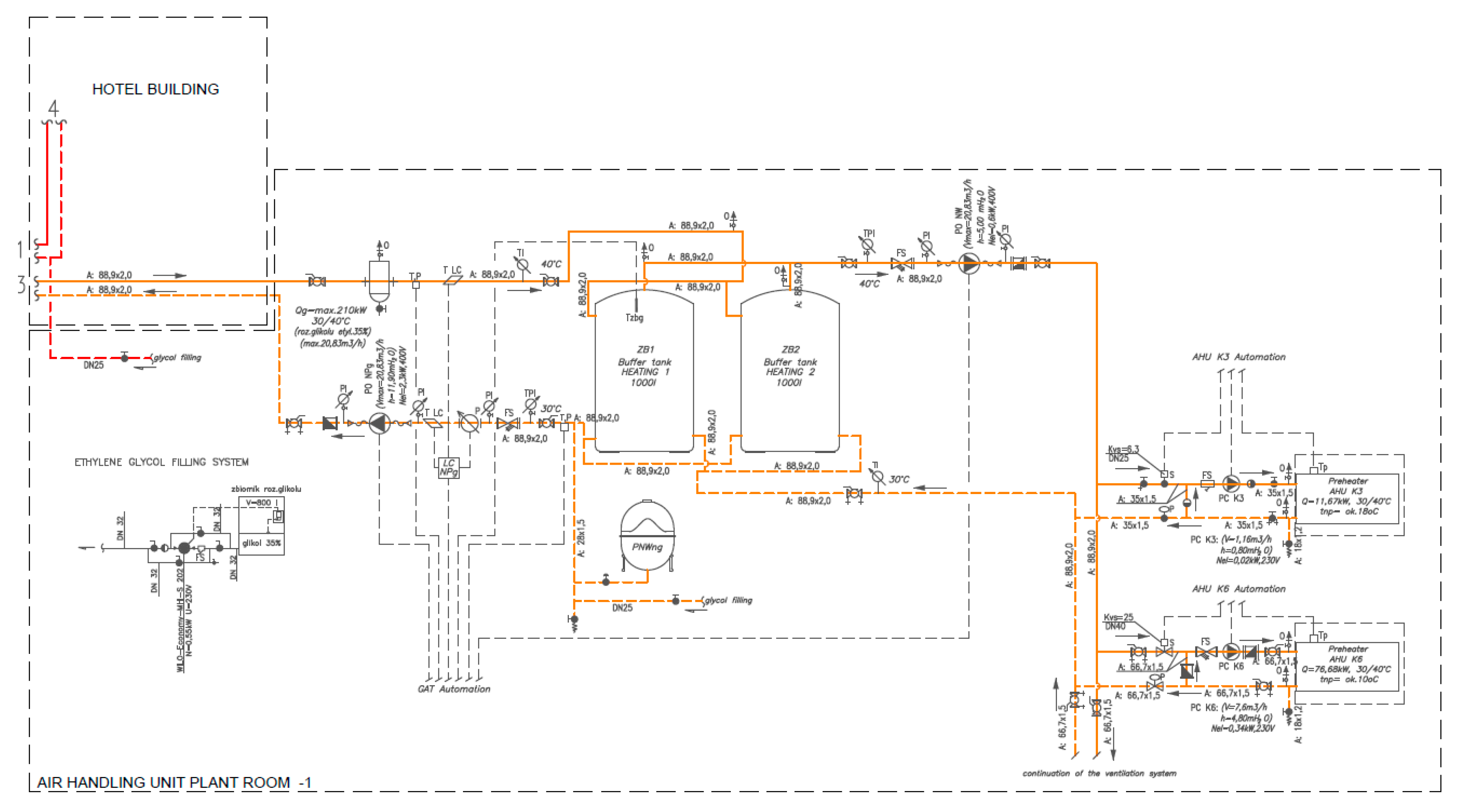
The operation of the trigeneration system designed is based on three GAT power generators that are the main component of power supply. Figure 6 shows the installation diagram of the GAT trigeneration power generators.
Figure 6.
Connection diagram of the GAT generators for installation in the building.
When the heat pump works as a cooling unit, the cooling energy is supplied to the existing chilled water system through the system given in Figure 7. In addition, the functionality is extended by a 2000-liter cooling buffer.
Figure 7.
Diagram of the designed chilled water system.
When the heat pump works as a heating unit, the heat energy is supplied to secondary heaters installed in the air handling units. A diagram of the system is given in Figure 8.
Figure 8.
Diagram of the designed heat system for heating purposes.
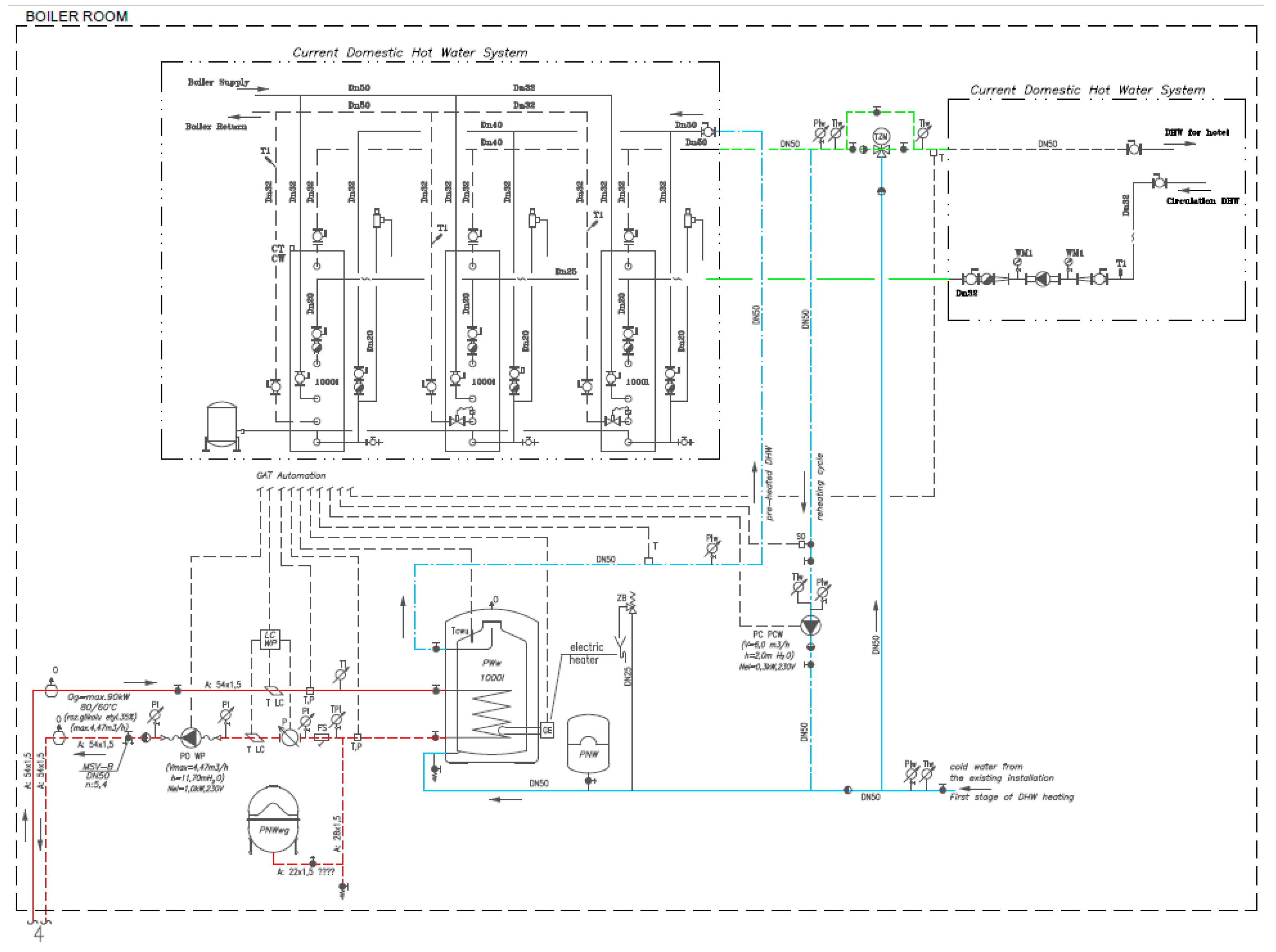
The heat energy from the cooling system for engines of two trigeneration generators and the heat energy recovered from flue gases generated by these devices will be supplied to the district hot water system of the building (Figure 9). On the other hand, the systems for cooling and heat recovery from flue gases generated by the engine of the third generator provide heat for the central heating of the building. Thanks to an additional buffer and an additional circulation system, it is possible to superheat the water stored in the existing tanks.
Figure 9.
Diagram of the designed district hot water system.
All chilled water and heating systems have Kamstrup Multical 403 ultrasonic heat meters with digital communication modules.
3. Results
In this section, a measurement week during the heating season and one during the cooling season are considered. Based on the data collected, the weeks in which the highest or lowest temperatures were observed were selected during the research period. Heat energy demand was considered in four categories: heating/cooling energy for maintaining the desired indoor temperature, energy for district hot water heating, energy for the swimming pool, and the energy for the technological plant. The data collected were analyzed based on hours and days and using second sampling readings. Measurements were taken of the system before modernization and aimed to create an energy consumption profile in order to help optimize the planned energy performance improvement. Hourly data for selected days are given in Table 2.
Table 2.
Energy balance for reference days during heating and cooling seasons.
On the basis of the data collected, daily demand in the building in the analyzed period was determined. The results for both heating and cooling seasons are listed in Table 3.
Table 3.
Energy balance for reference weeks during heating and cooling seasons.
3.1. Heating Season
The period of 12–18 April was analyzed in the heating season. At the beginning, the focus was on heat demand by hour, taking into account the outdoor temperature. It was found that energy demand for domestic hot water heating was highly variable both on a daily and a weekly basis. There was noticeable repeatability between 23:00 and 03:00 when the demand was very low. On the other hand, the energy used for swimming pool purposes was characterized by variation, resembling oscillation regardless of the outdoor temperature and time. The energy used for technological purposes and the heat energy needed to heat the entire building make up the vast majority of the total heat demand of the building, while their changes by hour are similar. An example of changes by hour and a structure of daily heat demand is given in Figure 10.
Figure 10.
Daily heat energy demand—an example of a diagram (13 April): (a) variation of demand during the day by hour; (b) structure of heat demand.
The analysis was then carried out on a weekly basis, comparing heat demand for each of the analyzed systems in Figure 11. Figure 11 also shows the occupancy level. It can be seen that the demand for heat energy for preparing district hot water was strictly dependent on the hotel occupancy. The demand for heat energy needed to heat the building and the demand for heat energy for swimming pool purposes were similar, and clearly dominate over the other values.
Figure 11.
Heat energy demand between 12 and 18 April including hotel occupancy.
Another step was to examine the relationship between heat energy demand and the outdoor temperature in the analyzed period. The data were ordered and divided into groups in specified temperature ranges. Having removed outliers and extremes, linear relationships were plotted in the form of box plots. Graphs for each analyzed system are shown in Figure 12.
Figure 12.
Graphs of heat energy demand depending on the outdoor air temperature: (a) demand for energy needed to heat district hot water; (b) energy for swimming pool purposes; (c) energy for heating purposes; (d) energy for technological purposes.
Dominant trends were observed in the demand for the energy needed to heat the building and for the energy for technological purposes. Consequently, these data were analyzed in more detail, which led to the plotting of a curve with a given equation and correlation coefficient. These graphs are shown in Figure 13.
Figure 13.
Heat energy demand depending on the outdoor air temperature: (a) energy for heating purposes; (b) energy for technological purposes.
3.2. Cooling Season
An analogous procedure was used for the cooling season, in the case of which the demand for cooling energy, the demand for energy for preparing district hot water, and the demand for energy for heating the swimming pool were considered. Hourly analysis was performed first. For district hot water, there was a high variability in its consumption. The lowest values were observed at night. In the case of cooling energy, its distribution depended on the outdoor temperature. At night, these values were very low—as much as 10 times lower than in the afternoon when they were the highest. An example of daily heat and cooling energy consumption is given in Figure 14a. As Figure 14b shows, the energy used for cooling purposes formed the majority of the total energy consumption.
Figure 14.
Daily heat/cooling energy demand—an example of a diagram (4 June): (a) variation of demand during the day by hour; (b) structure of energy demand.
As with the heating period, there was a clear relationship between the hotel occupancy and district hot water consumption. Figure 15, representing energy demand for the period analyzed, reveals the clear dominance of cooling energy in the summer. For heating the swimming pool, the amount of the utility required to maintain comfortable conditions was relatively constant.
Figure 15.
Heat energy demand between 1 and 7 June including hotel occupancy.
Due to the temperature dependence observed, further analysis was carried out only for cooling energy in the cooling season. Box plots and regression graphs with histograms presenting the relationship, together with a regression equation and correlation coefficient, were plotted (Figure 16).
Figure 16.
Cooling energy demand depending on the outdoor air temperature: (a) box plot with nine temperature ranges; (b) regression graph with histograms.
4. Discussion
The analysis of the energy performance for the Turówka hotel was carried out based on days and hours, and performed separately for the heating and cooling seasons. The study considered the energy demand of the building, broken down by systems in the building. The results reveal that heat and cooling energy consumption during the year is highly variable and dependent on numerous factors. The structure of demand in the analyzed periods shows that cooling energy is a clearly dominant load in the cooling season (Figure 14). Trigeneration systems also include combined generation of cooling, which is an incontrovertible advantage of the proposed solution, given the high energy consumption. In the summer, the main building operating costs are, in fact, related to maintaining the right temperature in a room to ensure thermal comfort for users. In addition, a relationship between the cooling load and hotel occupancy was observed (Figure 15), which was associated with being able to control fan coil units in rooms individually. This relationship may be an important assumption when forecasting loads and controlling the entire system. In the heating season, the hotel occupancy is also important, but the prevailing factor is the outdoor temperature, because the demand for heat energy and the demand for the heat energy for swimming pool purposes constitute the majority of the energy demand. For a daily outdoor temperature of 1–6 °C, the energy required for the heating system to work properly is between 25 and 60 kWh (Figure 10). For a daily maximum outdoor temperature of 28.1 °C (variation in the range of 13.8 and 28.1 °C), however, the cooling system causes consumption to be in the range of 20 to 100 kWh (Figure 14).
The analysis revealed that hotel occupancy, time of day, and outdoor temperature have significant impacts on the energy needs of the building. Furthermore, a considerable number of other aspects that have not been considered at this stage of the study may be identified.
5. Conclusions
An in-depth energy analysis of a building is an essential part of improving its energy performance and adapting it to the requirements for low-energy buildings. As this study showed, the energy needed to heat or cool the building is predominant in the case of the building analyzed, which may point to the main advantages of the system described in this paper. The energy demand of the building analyzed depends to a large extent on the occupancy of the hotel. It is very important in terms of introducing modernization in the scope of individual regulation of indoor air parameters, as well as variable airflow supplied to hotel rooms. Monitoring the energy consumption of the building system can help to optimize energy consumption. The neural algorithms used in the control module will allow energy consumption to be determined precisely because, as the relationships show, reliable estimates cannot be made through analysis only based on the outdoor air temperature.
Apart from replacing the current systems with higher-efficiency systems, the proposed solution includes the replacement of both heat energy and electricity source by using a trigeneration system. As a result, it is possible to reduce losses associated with the conversion of the fuel used and to use waste heat, which is returned to the environment in traditional systems, lowering the efficiency of the entire system. In addition to the use of high-efficiency heat recovery and trigeneration gas power generators, the control module is an important part of the entire system. The proposed system is an interesting solution, enabling and ensuring comfortable conditions, while reducing energy consumption in the case of historical buildings. The system described can be used in cases where the objects cannot be subjected to reconstruction and architectural changes, such as objects of great historical and cultural significance.
Author Contributions
Conceptualisation, M.B. and P.M.; methodology, M.B.; software, K.Z., S.K.; validation, M.B., P.M. and S.K.; formal analysis, K.Z.; investigation, S.K.; resources, P.M.; data curation, S.K.; writing—original draft preparation, K.Z.; writing—review and editing, M.B.; visualisation, K.Z.; supervision, P.M.; project administration, M.B.; funding acquisition, P.M. All authors have read and agreed to the published version of the manuscript.
Funding
This research was funded by the European Regional Development Fund, Intelligent Development Program, grant number POIR.01.01.01-00-0720/16.
Conflicts of Interest
The authors declare no conflict of interest.
Nomenclature
| PE | Primary energy factor, kWh/(m2∙yr) |
| ∆PEH+W | Partial volume of the PE factor for the purposes of heating, ventilation, and district hot water preparation, kWh/(m2∙yr) |
| ∆PEC | Partial volume of the PE factor for the purposes of cooling, kWh/(m2∙yr) |
| ∆PEL | Partial volume of the PE factor for the purposes of lighting, kWh/(m2∙yr) |
Abbreviations
| BEMS | Building Energy Management System |
| BEM | Building Energy Model |
| CH | Central Heating |
| DHW | Domestic Hot Water |
| GAT | Trigeneration Gas Power Generator |
| HVAC | Heating, Ventilation, Air Conditioning |
| MRR | Multifunctional Reverse Regenerator |
References
- Commission Recommendation (EU). 2019/1019 of 7 June 2019 on Building Modernization; OECD Publishing: Paris, France, 2019. [Google Scholar]
- Rashid, K.; Mohammadi, K.; Powell, K. Dynamic simulation and techno-economic analysis of a concentrated solar power (CSP) plant hybridized with both thermal energy storage and natural gas. J. Clean. Prod. 2020, 248, 119193. [Google Scholar] [CrossRef]
- Stoll-Kleemann, S.; Johanna Schmidt, U.J. Reducing meat consumption in developed and transition countries to counter climate change and biodiversity loss: A review of influence factors. Reg. Environ. Chang. 2017, 17, 1261–1277. [Google Scholar] [CrossRef]
- Directive 2010/31/EU of the European. Parliament and of the Council of 19 May 2010 on the Energy Performance of Buildings; IWA Publishing: London, UK, 2010. [Google Scholar]
- Ministry of Infrastructure and Development. Krajowy Plan Mający na Celu Zwiększenie Liczby Budynków o Niskim Zużyciu Energii (Projekt z dnia 29-04-2015 r.); Ministry of Infrastructure and Development: Warsaw, Poland, 2015. (In Polish) [Google Scholar]
- Ministry of Infrastructure and Construction. Rozporządzenie Ministra Infrastruktury i Budownictwa z dnia 14 listopada 2017 r. zmieniające rozporządzenie w sprawie warunków technicznych, jakim powinny odpowiadać budynki i ich usytuowanie (Dz.U. 2017 poz. 2285); Ministry of Infrastructure and Construction: Warsaw, Poland, 2017. (In Polish) [Google Scholar]
- Implementing Nearly Zero-Energy Buildings (nZEB) in Poland towards a Definition and Roadmap; Buildings Performance Institute Europe (BPIE): Brussels, Belgium, 2012.
- REPORT: Energy Performance of Buildings in Poland [Stan Energetyczny Budownictwa w Polsce]; BuildDesk, 2009; Available online: http://www.builddesk.pl (accessed on 10 February 2020). (In Polish)
- EU Buildings Database. Available online: https://ec.europa.eu/energy/eu-buildings-database_en (accessed on 11 March 2020).
- Li, X.; Shen, C.; Yu, C. Building energy efficiency: Passive technology or active technology? Indoor Built Environ. 2017, 26, 729–732. [Google Scholar] [CrossRef]
- Energy consumption, indoor thermal comfort and air quality in a commercial office with retrofitted heat, ventilation and air conditioning (HVAC) system. Energy Build. 2019, 201, 202–215. [CrossRef]
- Ligade, J.; Razban, A. Investigation of Energy Efficient Retrofit HVAC Systems for a University: Case Study. Sustainability 2019, 11, 5593. [Google Scholar] [CrossRef]
- Charles, A.; Maref, W.; Ouellet-Plamondon, C.M. Case study of the upgrade of an existing office building for low energy consumption and low carbon emissions. Energy Build. 2019, 183, 151–160. [Google Scholar] [CrossRef]
- Somasundaram, S.; Thangavelu, S.R.; Chong, A. Improving building efficiency using low-e coating based retrofit double glazing with solar films. Appl. Therm. Eng. 2020, 171, 115064. [Google Scholar] [CrossRef]
- Ascionea, F.; De’Rossi, F.; Vanolia, G.P. Energy retrofit of historical buildings: Theoretical and experimental investigations for the modelling of reliable performance scenarios. Energy Build. 2011, 43, 1925–1936. [Google Scholar] [CrossRef]
- D’Agostino, D.; De’Rossi, F.; Marino, C.; Minichiello, F.; Russo, F. Energy retrofit of historic buildings in the Mediterranean area: The case of the Palaeontology Museum of Naples. Energy Procedia 2017, 133, 336–348. [Google Scholar] [CrossRef]
- Muranoa, G.; Primoa, E.; Corradoa, V. The effect of glazing on nZEB performance. Energy Procedia 2018, 148, 320–327. [Google Scholar] [CrossRef]
- Poulek, V.; Dang, M.Q.; Libra, M.; Beránek, V.; Šafránková, J. PV Panel with Integrated Lithium Accumulators for BAPV Applications—One Year Thermal Evaluation. IEEE J. Photovolt. 2020, 10, 150–152. [Google Scholar] [CrossRef]
- Poulek, V.; Matuška, T.; Libra, M.; Kachalouski, E.; Sedláček, J. Influence of increased temperature on energy production of roof integrated PV panels. Energy Build. 2018, 166, 418–425. [Google Scholar] [CrossRef]
- Girard, A.; Gago, E.J.; Muneer, T.; Caceres, G. Higher ground source heat pump COP in a residential building through the use of solar thermal collectors. Renew. Energy 2015, 80, 26–39. [Google Scholar] [CrossRef]
- Rashid, K.; Sheha, M.N.; Powell, K. Real-time optimization of a solar-natural gas hybrid power plant to enhance solar power utilization. In Proceedings of the 2018 Annual American Control Conference (ACC), Milwaukee, WI, USA, 27–29 June 2018; pp. 3002–3007. [Google Scholar]
- Caresana, F.; Comodi, G.; Pelagalli, L.; Pierpaoli, P.; Vagni, S. Energy production from landfill biogas: An italian case. Biomass Bioenergy 2011, 35, 4331–4339. [Google Scholar] [CrossRef]
- Villanueva-Estrada, R.E.; Rocha-Miller, R.; Arvizu-Fernández, J.L.; González, A.C. Energy production from biogas in a closed landfill: A case study of Prados de la Montaña, Mexico City. Sustain. Energy Technol. Assess. 2019, 31, 236–244. [Google Scholar] [CrossRef]
- Borowski, M.; Życzkowski, P.; Łuczak, R.; Karch, M.; Cheng, J. Tests to Ensure the Minimum Methane Concentration for Gas Engines to Limit Atmospheric Emissions. Energies 2020, 13, 44. [Google Scholar] [CrossRef]
- Erhorn, H.; Erhorn-Kluttig, H. Selected Examples of Nearly Zero-Energy Buildings Detailed Report; Concerted Action EPBD, 2014; Available online: https://www.epbd-ca.eu (accessed on 10 February 2020).
- Rey-Hernández, J.M.; González, S.L.; San José-Alonso, J.F.; Tejero-González, A.; Velasco-Gómez, E.; Rey-Martinez, F.J. Smart energy management of combined ventilation systems in a nZEB. In E3S Web of Conferences 111; EDP Sciences: Les Ulis, France, 2019. [Google Scholar]
- Sørensen, Å.L.; Andresen, I.; Walnum, H.; Alonso, M.J.; Fufa, S.M.; Jenssen, B.; Rådstoga, O.; Hegli, T.; Fjeldheim, H. Pilot Building Powerhouse Kjørbo. In As Built Report ZEB PROJEKT Report 35/2017; SINTEF Academic Press: Oslo, Norway, 2017. [Google Scholar]
- Sowa, J. Modernizacja budynków użyteczności publicznej do standardu niemal zeroenergetycznego—Przykłady obiektów norweskich. Rynek Instal. 2017, 7–8, 22–27. [Google Scholar]
- Baglivo, C.; Congedo, P.M.; Laforgia, D. Air cooled heat pump coupled with Horizontal Air-Ground Heat Exchanger (HAGHE) for Zero Energy Buildings in the Mediterranean climate. Energy Procedia 2017, 140, 2–12. [Google Scholar] [CrossRef]
- Noureldin, M.H.S.; Amrin, A.; Sarip, S.Y.; Khawaja, G.; Mahmoud, A.G. Simulation of Operational Faults of Heating, Ventilation and Air Conditioning Systems Compromising Energy Consumption for Abu Dhabi Future Schools (ADFS). Int. J. Eng. Res. Rev. 2016, 4, 97–106. [Google Scholar]
- Wang, F.; Lin, H.; Luo, J. Energy Consumption Analysis with a Weighted Energy Index for a Hotel Building. In Proceedings of the 10th International Symposium on Heating, Ventilation and Air Conditioning (ISHVAC2017), Jinan, China, 19–22 October 2017. [Google Scholar]
- Dong, J.; Winstead, C.; Nutaro, J.; Kuruganti, T. Occupancy-Based HVAC Control with Short-Term Occupancy Prediction Algorithms for Energy-Efficient Buildings. Energies 2018, 11, 2427. [Google Scholar] [CrossRef]
- Guide to Best Practice Maintenance & Operation of HVAC Systems for Energy Efficiency; Council of Australian Governments (COAG): Canberra, Australia, 2012.
- Papakostas, K.T.; Tiganitis, I.; Papadopoulos, A.M. Energy and economic analysis of an auditorium’s air conditioning system with heat recovery in various climatic zones. Therm. Sci. 2018, 18, 933–943. [Google Scholar] [CrossRef]
- Borowski, M.; Jaszczur, M.; Satoła, D.; Kleszcz, S.; Karch, M. Analysis of the temperature, humidity, and total efficiency of the air handling unit with a periodic counterflow heat exchanger. Therm. Sci. 2019, 23, 1175–1185. [Google Scholar]
- Borowski, M.; Karch, M.; Satoła, D. OnyX Experience—Stanowisko badawcze w Akademii Górniczo-Hutniczej. Chłodnictwo Klim. 2018, 4, 78–81. [Google Scholar]
- Gonçalves, H.; Aelenei, L.; Rodrigues, C. SOLAR XXI: A Portuguese Office Building towards Net Zero-Energy Building. REHVA J. 2012, 49, 34–40. [Google Scholar]
- Hernandez, O. Elithis Tower in Dijon, France. Federation of European Heating, Ventilation and Air Conditioning Associations. REHVA J. 2011, 48, 53–57. [Google Scholar]
- National Geoportal. Available online: http://mapy.geoportal.gov.pl (accessed on 10 February 2020).
- European Standard EN-1434:2015 Thermal Energy Meters; BSI: London, UK, 2015.
© 2020 by the authors. Licensee MDPI, Basel, Switzerland. This article is an open access article distributed under the terms and conditions of the Creative Commons Attribution (CC BY) license (http://creativecommons.org/licenses/by/4.0/).















