Single-Diode Models of PV Modules: A Comparison of Conventional Approaches and Proposal of a Novel Model
Abstract
1. Introduction
- Review previous models to build I-V curves of PV modules
- Compare the accuracy of these models
- Propose a higher performance model
- Validate the proposed model by the real PV module’s data
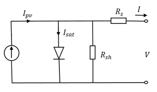
2. Equivalent Circuit of the Single-Diode Model
3. Methodology Extracting Model Parameters from Datasheet Values
- At short-circuit point ( , ):
- At open-circuit point ( , ):
- At the MPP (, ):
3.1. Celik and Acikgoz Method-2007
3.2. Villalva et al., 2009
3.3. Femia 1 et al.-2012
3.4. Femia 2 et al.-2012
3.5. Brano et al.-2010
3.6. Cubas et al.-2014
3.7. Laudani et al., 2014
4. Discussion on Reviewed Modules
4.1. Categorize Methods
4.2. When Changing from One to Another Type of PV Panel
5. Proposed Method
6. Numerical Results
6.1. Investigated Models
6.2. Accuracy Validation
6.3. Models Performances
6.4. Experimental Validation of Proposal Model
- Single-crystalline silicon PV panelAs can be seen in Figure 7, for the single-crystalline silicon Cocoa xSi12922 PV panel, the predicted curves have high agreements with the actual curves. At high levels of solar irradiance and cell temperature (G = 603.8 ; T = 24.8 to G = 1030.2 ; T = 33.3 ), the proposal curves overestimate the output currents. On the other hand, at lower levels of solar irradiance and cell temperature (G = 35.3 ; T = 18.9 to G = 459.9 ; T = 29.5 ), the proposal curves underestimate the output currents.
- Multi-crystalline silicon PV panelFor the multi-crystalline silicon Cocoa mSi0166 PV panel in Figure 8, the model underestimates the current output. At low levels of solar irradiance and cell temperature, the disagreements between predicted curves and issued curves are larger, which can be explained by the uncertainties of experimental data tending to be bigger at low levels of T-G conditions. The predicted curves at high solar irradiance (867.2 and 1030.8 ) have inaccuracies with actual ones.
- HITFor the amorphous silicon (HIT) Cocoa HIT05667 PV panel in Figure 9, there are disagreements between estimated curves and issued curves; in particular, it tends to extend after the MPP.In Figure 7 and Figure 8, the RMSEs of the model are lowest at irradiances (400 to 600 ) and highest at 800 to 1000 . There are two reasons for this tendency. The effectiveness of the SDM applying the proposed method is significantly affected by applying Equations (16) and (17). Consequently, in Figure 7, Figure 8 and Figure 9, the SDM shows more inaccuracies in open-circuit voltage. The RMSEs of the SDM at the solar irradiance from 30 to 270 is higher than the RMSEs of the SDM at the solar irradiance from 400 to 600 because the uncertainty of measuring instruments is higher when measuring at low levels of solar irradiance.As can be seen in Figure 9, the RMSEs are smaller at low levels of solar irradiance and cell temperature. The RMSEs tend to be higher at high levels of solar irradiance (635.1 to 1031.3 ) when they range from 0.2 to 0.3. At low levels of solar irradiance (35.5 to 1687 ) the RMSEs are lower with the RMSEs ranging from 0.05 to 0.1.The tendency of RMSEs in Figure 7 and Figure 8 is not as same as in Figure 9 because in the HIT PV panel, the fill factor is different from the two aforementioned PV types. The error of Equations (16) and (17) contributing to the SDM error surpasses the error of the uncertainty of measurement at low levels of solar irradiance.
7. Conclusions
Author Contributions
Funding
Conflicts of Interest
Nomenclature
| a | diode ideality factor [-] |
| diode ideality factor at the Standard Test Condition (STC) [-] | |
| maximum value of diode ideality factor [-] | |
| bandgap energy of the semiconductor material [J] | |
| G | solar irradiance [] |
| solar irradiance at the STC: 1000 [] | |
| I | current generated by the PV modules [A] |
| Shockley diode current [A] | |
| current at the maximum power point (MPP) [A] | |
| photovoltaic current [A] | |
| photovoltaic current at the STC [A] | |
| reverse saturation current [A] | |
| short-circuit current [A] | |
| short-circuit current at the STC [A] | |
| short-circuit current at other cell temperature (T)- solar irradiance (G) conditions (T-G conditions) [A] | |
| k | Boltzmann constant: |
| thermal coefficient of the short-circuit current [] | |
| thermal coefficient of the open-circuit voltage [] | |
| number of series-connected cells [-] | |
| P | power of the PV module [W] |
| experimental maximum power of the panel [W] | |
| q | electron charge: |
| shunt resistance [] | |
| minimum shunt resistance [] | |
| shunt resistance at other levels of the cell temperature and solar irradiance [] | |
| reciprocal of the slope of the current-voltage (I-V) characteristic of the panel for and [] | |
| series resistance [] | |
| series resistance at other levels of the cell temperature and solar irradiance [] | |
| reciprocal of the slope of the I-V characteristic of the panel for and [] | |
| the pre-defined tolerance of maximum power at the STC [-] | |
| temperature at the STC: [K] | |
| T | cell temperature [K] |
| V | voltage generated by the PV modules [V] |
| voltage at the MPP [V] | |
| open-circuit voltage [V] | |
| open-circuit voltage at other T-G conditions [V] | |
| thermal voltage of the diode [V] |
References
- IEA. Tracking Power; IEA: Paris, France, 2019; Available online: https://www.iea.org/reports/trackingpower-2019 (accessed on 20 January 2020).
- IRENA. Future of Solar Photovoltaic: Deployment, Investment, Technology, Grid Integration and Socio-Economic Aspects (A Global Energy Transformation: Paper); International Renewable Energy Agency: Abu Dhabi, UAE, 2019. [Google Scholar]
- Bader, S.; Ma, X.; Oelmann, B. One-diode photovoltaic model parameters at indoor illumination levels—A comparison. Sol. Energy 2019, 180, 707–716. [Google Scholar] [CrossRef]
- El-Naggar, K.M.; AlRashidi, M.R.; AlHajri, M.F.; Al-Othman, A.K. Simulated Annealing algorithm for photovoltaic parameters identification. Sol. Energy 2012, 86, 266–274. [Google Scholar] [CrossRef]
- Krishnakumar, N.; Venugopalan, R.; Rajasekar, N. Bacterial foraging algorithm based parameter estimation of solar PV model. In Proceedings of the 2013 Annual International Conference on Emerging Research Areas and 2013 International Conference on Microelectronics, Communications and Renewable Energy, Kanjirapally, India, 4–6 June 2013. [Google Scholar]
- Zagrouba, M.; Sellami, A.; Bouaïcha, M.; Ksouri, M. Identification of PV solar cells and modules parameters using the genetic algorithms: Application to maximum power extraction. Sol. Energy 2010, 84, 860–866. [Google Scholar] [CrossRef]
- Ishaque, K.; Salam, Z. An improved modeling method to determine the model parameters of photovoltaic (PV) modules using differential evolution (DE). Sol. Energy 2011, 85, 2349–2359. [Google Scholar] [CrossRef]
- Khanna, V.; Das, B.K.; Bisht, D.; Singh, P.K. A three diode model for industrial solar cells and estimation of solar cell parameters using PSO algorithm. Renew. Energy 2015, 78, 105–113. [Google Scholar] [CrossRef]
- Oliva, D.; Cuevas, E.; Pajares, G. Parameter identification of solar cells using artificial bee colony optimization. Energy 2014, 72, 93–102. [Google Scholar] [CrossRef]
- Lin, P.; Cheng, S.; Yeh, W.; Chen, Z.; Wu, L. Parameters extraction of solar cell models using a modified simplified swarm optimization algorithm. Sol. Energy 2017, 144, 594–603. [Google Scholar] [CrossRef]
- Chen, Y.; Sun, Y.; Meng, Z. An improved explicit double-diode model of solar cells: Fitness verification and parameter extraction. Energy Convers. Manag. 2018, 169, 345–358. [Google Scholar] [CrossRef]
- De Blas, M.A.; Torres, J.L.; Prieto, E.; García, A. Selecting a suitable model for characterizing photovoltaic devices. Renew. Energy 2002, 25, 371–380. [Google Scholar] [CrossRef]
- Wang, G.; Zhao, K.; Shi, J.; Chen, W.; Zhang, H.; Yang, X.; Zhao, Y. An iterative approach for modeling photovoltaic modules without implicit equations. Appl. Energy 2017, 202, 189–198. [Google Scholar] [CrossRef]
- Femia, N.; Petrone, G.; Spagnuolo, G.; Vitelli, M. PV Modeling Power Electronics and Control Techniques for Maximum Energy Harvesting in Photovoltaic Systems; CRC Press: Boca Raton, FL, USA, 2017; pp. 1–33. [Google Scholar]
- Hussein, A. A simple approach to extract the unknown parameters of PV modules. Turkish J. Electr. Eng. Comput. Sci. 2017, 25, 4431–4444. [Google Scholar] [CrossRef]
- Celik, A.N.; Acikgoz, N. Modelling and experimental verification of the operating current of mono-crystalline photovoltaic modules using four- and five-parameter models. Appl. Energy 2007, 84, 1–15. [Google Scholar] [CrossRef]
- Lo Brano, V.; Orioli, A.; Ciulla, G.; Di Gangi, A. An improved five-parameter model for photovoltaic modules. Sol. Energy Mater. Sol. Cells 2010, 94, 1358–1370. [Google Scholar] [CrossRef]
- Gow, J.A.; Manning, C.D. Development of a photovoltaic array model for use in power-electronics simulation studies. IEE Proc. Electr. Power Appl. 1999, 146, 193–200. [Google Scholar] [CrossRef]
- Dehghanzadeh, A.; Farahani, G.; Maboodi, M. A novel approximate explicit double-diode model of solar cells for use in simulation studies. Renew. Energy 2017, 103, 468–477. [Google Scholar] [CrossRef]
- Wang, G.; Zhao, K.; Qiu, T.; Yang, X.; Zhang, Y.; Zhao, Y. The error analysis of the reverse saturation current of the diode in the modeling of photovoltaic modules. Energy 2016, 115, 478–485. [Google Scholar] [CrossRef]
- Arab, A.H.; Chenlo, F.; Benghanem, M. Loss-of-load probability of photovoltaic water pumping systems. Sol. Energy 2004, 76, 713–723. [Google Scholar] [CrossRef]
- Villalva, M.G.; Gazoli, J.R.; Filho, E.R. Comprehensive approach to modeling and simulation of photovoltaic arrays. IEEE Trans. Power Electron. 2009, 24, 1198–1208. [Google Scholar] [CrossRef]
- Cubas, J.; Pindado, S.; Victoria, M. On the analytical approach for modeling photovoltaic systems behavior. J. Power Sources 2014, 247, 467–474. [Google Scholar] [CrossRef]
- Ghani, F.; Duke, M. Numerical determination of parasitic resistances of a solar cell using the Lambert W-function. Sol. Energy 2011, 85, 2386–2394. [Google Scholar] [CrossRef]
- Jain, A.; Kapoor, A. Exact analytical solutions of the parameters of real solar cells using Lambert W-function. Sol. Energy Mater. Sol. Cells 2004, 81, 269–277. [Google Scholar] [CrossRef]
- Ghani, F.; Duke, M.; Carson, J. Numerical calculation of series and shunt resistances and diode quality factor of a photovoltaic cell using the Lambert W-function. Sol. Energy 2013, 91, 422–431. [Google Scholar] [CrossRef]
- Rusirawan, D.; Farkas, I. Identification of model parameters of the photovoltaic solar cells. Energy Procedia 2014, 57, 39–46. [Google Scholar] [CrossRef]
- De Soto, W.; Klein, S.A.; Beckman, W.A. Improvement and validation of a model for photovoltaic array performance. Sol. Energy 2006, 80, 78–88. [Google Scholar] [CrossRef]
- Walker, G. Evaluating MPPT converter topologies using a matlab PV model. J. Electr. Electron. Eng. 2001, 21, 49–55. [Google Scholar]
- Kennerud, K.L. Analysis of Performance Degradation in CDS Solar Cells. IEEE Trans. Aerosp. Electron. Syst. AES-5 1969, 6, 912–917. [Google Scholar] [CrossRef]
- Rodriguez, P.; Sera, D.; Teodorescu, R.; Rodriguez, P. PV Panel Model Based on Datasheet Values PV panel model based on datasheet values. In Proceedings of the IEEE International Symposium on Industrial Electronics, Vigo, Spain, 4–7 June 2007; pp. 2392–2396. [Google Scholar]
- Laudani, A.; Fulginei, F.R.; Salvini, A. Identification of the one-diode model for photovoltaic modules from datasheet values. Sol. Energy 2014, 108, 432–446. [Google Scholar] [CrossRef]
- Bana, S.; Saini, R.P. A mathematical modeling framework to evaluate the performance of single diode and double diode based SPV systems. Energy Rep. 2016, 2, 171–187. [Google Scholar] [CrossRef]
- Ciulla, G.; Lo Brano, V.; Di Dio, V.; Cipriani, G. A comparison of different one-diode models for the representation of I-V characteristic of a PV cell. Renew. Sustain. Energy Rev. 2014, 32, 684–696. [Google Scholar] [CrossRef]
- Humada, A.M.; Hojabri, M.; Mekhilef, S.; Hamada, H.M. Solar cell parameters extraction based on single and double-diode models: A review. Renew. Sustain. Energy Rev. 2016, 56, 494–509. [Google Scholar] [CrossRef]
- Marion, W.; Anderberg, A.; Deline, C.; Glick, S.; Muller, M.; Perrin, G.; Rodriguez, J.; Rummel, S.; Terwilliger, K.; Nrel, T.J.S. User’s Manual for Data for Validating Models for PV Module Performance. 2014. Available online: https://www.nrel.gov/docs/fy14osti/61610.pdf (accessed on 6 October 2019).










| Method | Assumptions (A) Intial Guesses (IG), Initial Caculations (IC) | a | |||
|---|---|---|---|---|---|
| Celik | Analytical | IC: A: | (Equation (12) | Self-revised (Equation (14) | Self-revised (Equation (11) |
| Villalva | Iterative | IG: , A: | Constant (Equation (23)) | Self-revised (Iterative) | Self-revised (Iterative) |
| Femia 1 | Analytical | A: | Constant (Equation (23)) | Constant (Equation (32)) | Constant () |
| Femia 2 | Numerical | A: | Constant (Equation (23)) | Constant | Constant |
| Brano | Iterative | A:, , IC: IG: | Self-revised (Iterative) | Self-revised (Iterative) | Self-revised (Iterative) |
| Cubas | Analytical | IG: a A: | Constant (initial choice) | Const (Equation (44)) | Const (Equation (45)) |
| Laudani | Numerical | IG: | Constant (initial choice) | Const (Equation (53)) | Const (Equation (8)) |
| Cell Type | [V] | [A] | [V] | [A] | [-] | [] | [] |
|---|---|---|---|---|---|---|---|
| Shell SQ150-PC | 43.46 | 4.82 | 33.73 | 4.48 | 72 | −0.161 | 0.0014 |
| Kyocera 175GHT-2 | 28.56 | 8.09 | 7.47 | 23.71 | 48 | −0.107 | 0.00222 |
| Sanyo HIT-240HDE4 | 43.88 | 7.4 | 35.15 | 7.05 | 60 | −0.109 | 0.00221 |
© 2020 by the authors. Licensee MDPI, Basel, Switzerland. This article is an open access article distributed under the terms and conditions of the Creative Commons Attribution (CC BY) license (http://creativecommons.org/licenses/by/4.0/).
Share and Cite
Nguyen-Duc, T.; Nguyen-Duc, H.; Le-Viet, T.; Takano, H. Single-Diode Models of PV Modules: A Comparison of Conventional Approaches and Proposal of a Novel Model. Energies 2020, 13, 1296. https://doi.org/10.3390/en13061296
Nguyen-Duc T, Nguyen-Duc H, Le-Viet T, Takano H. Single-Diode Models of PV Modules: A Comparison of Conventional Approaches and Proposal of a Novel Model. Energies. 2020; 13(6):1296. https://doi.org/10.3390/en13061296
Chicago/Turabian StyleNguyen-Duc, Tuyen, Huy Nguyen-Duc, Thinh Le-Viet, and Hirotaka Takano. 2020. "Single-Diode Models of PV Modules: A Comparison of Conventional Approaches and Proposal of a Novel Model" Energies 13, no. 6: 1296. https://doi.org/10.3390/en13061296
APA StyleNguyen-Duc, T., Nguyen-Duc, H., Le-Viet, T., & Takano, H. (2020). Single-Diode Models of PV Modules: A Comparison of Conventional Approaches and Proposal of a Novel Model. Energies, 13(6), 1296. https://doi.org/10.3390/en13061296

