Abstract
A segmented control model including an improved sliding model control (SMC) and a speed compensation model is applied into the speed control of a segmented permanent magnet linear synchronous motor (PMLSM) to improve the speed precision during the drive process and reduce the speed loss during the switch process. During the drive process of segmented PMLSM, an improved SMC with a disturbance observer (DOB) is used to suppress the speed fluctuation, and a DOB is added to suppress the oscillation caused by the switch part of SMC. During the switch process of a segmented PMLSM, a speed compensation model based on the position feedback of permanent magnet (PM) actuator is designed to reduce the speed loss of a segmented PMLSM, so the speed of PM actuator could be kept at the reference speed when the PM actuator absolutely quits the stator windings. Finally, the simulation and experiment are conducted to verify the control performances of proposed control model, the results indicate that the speed fluctuation of PM actuator and the speed loss during the switch process are mitigated. Therefore, this proposed control model could satisfy requirements of high-stability and celerity of segmented PMLSM in a long-distance automatic transportation system.
1. Introduction
The permanent magnet linear synchronous motor (PMLSM) is widely applied in long-distance automatic transportation systems because of its advantages of high-speed precision, strong reliability, fast response and great power density [1,2,3]. In general, the PMLSM is designed with a long stationary primary stator and a moving secondary actuator. The long stationary primary stator is filled with stator windings, and the moving secondary actuator consists of permanent magnet (PM) arrays [4]. So, the interaction between stator’s magnetic field and actuator’s magnetic field would make the relative movement of the secondary actuator, and then the linear motion of the PM actuator would be realized in the traveling wave magnetic field of stator winding. Furthermore, in order to reduce maintenance costs and improve the expansibility of long-distance automatic transportation systems, the modularized PMLSM model is designed as the form that multiple stage stators are arranged on the railway line with a certain gap [5,6]. Therefore, every stage stator is independently controlled by the main control unit (MCU) when the PM actuator is located on the upside of stator windings during the drive process [7], and then the PM actuator would slide on the stator part during the slide process and the switch process.
The external disturbances are easily transmitted to the secondary actuator of a PMLSM without a buffer device, so the oscillation phenomenon on thrust force of a PMLSM would occur. In addition, the mechanical vibration and shock would affect the control precision of a PMLSM [8], even the resonance possibly happen on the PM actuator at the low-frequency range. Consequently, the speed precision of the PM actuator was weakened [9]. Therefore, the suppression method for speed fluctuation should be investigated to improve the efficiency and stability of a PMLSM. Different from the normal PMLSM with continuous stator windings, the PM actuator of a segmented PMLSM is time-shared driven with three processes—the drive process, the switch process and the slide process. Especially, the effective area between the stator windings and the PM actuator is variable during the switch process, so the electromagnetic (EM) parameters such as the flux linkage and inductance deflected from theoretical values [10]. As a result, the speed fluctuation of a segmented PMLSM would be more serious and obvious than the continuous PMLSM. The research focus of this article is separated into the speed stabilization control during the drive process and the speed compensation control of a segmented PMSLM during the switch process.
During the drive process, the effective area between the stator winding and the PM actuator is constant, so the speed fluctuation is introduced by the load friction, the parameter perturbation and the detent force. Two ways were studied to suppress the speed fluctuation of a segmented PMLSM during the drive process. On the one hand, the structure optimizations of a segmented PMLSM [11,12] were conducted to reduce the oscillation on thrust force, and this part of researches were focused on optimizing structures of cogging [13], stator core [14,15,16], PM actuator [17] and magnetic pole [18,19]. On the other hand, different control strategies were investigated to mitigate the speed fluctuation of a segmented PMLSM. The neural network (NN) was applied to compensate the end effect of a PMLSM to minimize the fluctuation on thrust force [20,21,22], and the position error of a segmented PMLSM is accurately controlled at 0.28 mm. The current compensation model was designed to stabilize the thrust force of a PMLSM based on the position of the PM actuator [23,24]; the speed precision was enhanced by reducing the nonperiodic and uncertain components of detent force [23]. According to the state feedback of proportional-integral-derivative (PID) control, the adaptive feedforward compensation model was used to regulate the thrust force of a segmented PMLSM. The disturbance observer (DOB) [25,26] was used to get the periodic disturbances of a segmented PMLSM such as friction force and force ripple, and then the track precision of a segmented PMLSM was reached to 0.52 μm in [26]. However, those above-mentioned control strategies had high requirements on the exact mathematical model of thrust force, so the accuracy of thrust force would directly affect the speed control of a segmented PMLSM. Therefore, for the purpose of suppressing the influences of uncertain thrust force on the speed control of a segmented PMLSM, the sliding model control (SMC) is used to suppress the fluctuation on thrust force of a segmented PMLSM considering its insensitivity on external disturbance and parameter variation, and then a DOB is added to suppress oscillation caused by the switch part of SMC model in this article.
During the switch process of a segmented PMLSM, one part of PM actuator is still located in the stator winding, but another part of PM actuator had moved out of stator winding, so the variation of effective action area would lead to the variations of EM parameters and thrust force [27]. For the part of PM actuator still located in the stator winding, the thrust force would still drive the PM actuator to keep it at the reference speed. For the part of PM actuator moving out of stator winding, thrust force would prevent the PM actuator leaving from the stator winding. If the speed compensation model is not applied, the speed loss of PM actuator would be increased during the switch process. Therefore, the speed compensation control of a segmented PMLSM during the switch process is worthy of being researched to keep the speed stability and reduce speed loss of PM actuator. There was a little research about the speed compensation control of segmented PMLSM during the switch process. The flux linkage and synchronous inductance of stator winding are regarded as a linear relationship to the effective action area in almost researches [20,21,23]. Furthermore, a speed compensation model is proposed to minimize the influence caused by the variation of EM parameters during the switch process in this article.
This article is organized as follows. The structure of segmented PMLSM is introduced in Section 2. Furthermore, a improved SMC model is designed for the segmented PMLSM during the drive process in Section 3. The speed compensation model is proposed for the segmented PMLSM during the switch process in Section 4. The numerical simulations are performed to verify the effectiveness of proposed control model used in the segmented PMLSM in Section 5. Finally, experiments are conducted to evaluate the control performances of a segmented PMLSM in Section 6.
2. Structure and Principle of Segmented PMLSM
The structure of segmented PMLSM is illustrated in Figure 1, there are two parts including the PM actuator part and the stator part. The PM actuator with a certain PM array is mounted on the slider of the stator part, and it is driven by the three-phase windings (phase a, phase b and phase c) on the stator part. For the stator part, consists of the slider part and the stator winding part with the reasonable gap and length. For the motion of PM actuator, there are three stages including the drive process, the switch process and the slide process. During the drive process of PM actuator, the three-phase windings generate the thrust force to drive the PM actuator according to the reference speed. When the PM actuator moves to the gap between the stator winding and the slider, it works at switch process from the drive process into the slide process. In the slide process, the PM actuator only slides on the stator slider relied on the inertial speed, so the speed of the PM actuator would be reduced. Repeatedly, the long-distance transportation of PM actuator would be realized.
Figure 1.
Structure and operational principle of segmented permanent magnet linear synchronous motor (PMLSM).
3. Model of Segmented PMLSM during Drive Process
3.1. Model Developing of a Segmented PMLSM
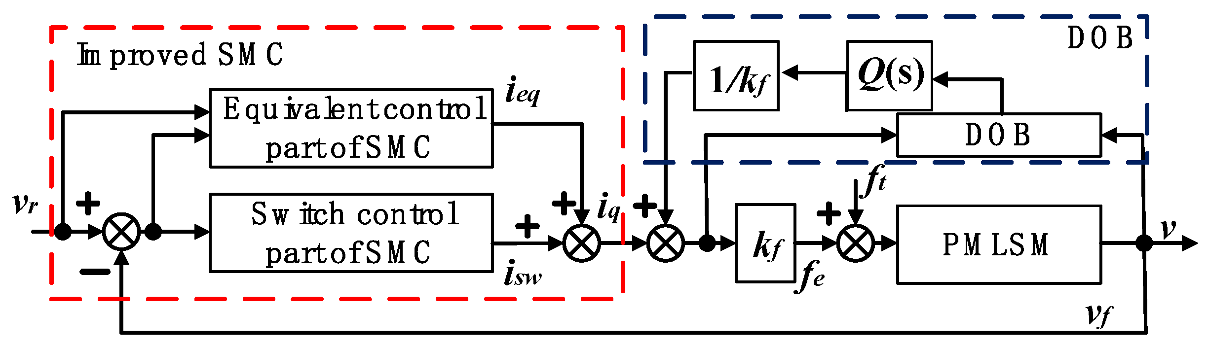
As shown in Figure 2, the control scheme of segmented PMLSM has two control loops including the q-axis loop and the d-axis loop. The position of PM actuator is measured by the magnetic scale, so the position and speed of PM actuator would be feedback to the control loop. In the speed feedback loop of segmented PMLSM, aiming at minimizing speed fluctuation caused by the external disturbances and the variation of EM parameters, an improved SMC model with an additional DOB is used to suppress the disturbances acting on the thrust force during the drive process.
Figure 2.
Control scheme of segmented PMLSM during the drive process.
For the three-phase windings of a segmented PMLSM, the vector control is applied to regulate the control currents of three-phase windings. The three-phase current in the abc coordinate is transferred into the control current in the dq coordinate, and then control voltages in the dq coordinate could be expressed into
where Rs is the equivalent resistance, τ is the polar distance and v is the speed of PM actuator. ud is the d-axis voltage, uq is the q-axis voltage, id is the d-axis current, iq is the q-axis current, Ld is d-axis inductance, Lq is the q-axis inductance, ψd is the d-axis flux linkage and ψq is the q-axis flux linkage. For the surface mounted PMLSM, there is Ls = Ld = Lq. The flux linkage of stator winding could be expressed into
Substituting Equation (2) into Equation (1), the dq voltage function could be written into
Given that the d-axis current id = 0, the thrust force generated by stator winding is
where fe is the thrust force, pn is the polar pairs and kf is the thrust coefficient. Therefore, when the flux linkage and the pole pairs are definite, the thrust force is positively proportional to the q-axis current.
Furthermore, the equation of motion of segmented PMLSM could be written into
where m is mass of PM actuator, ft is the disturbance force including friction force and detent force, B is coefficient of viscous friction.
The state variable is chosen as , and given that id = 0 and ud = 0, the state space function of segmented PMLSM could written into
3.2. SMC Model of a Segmented PMLSM during Drive Process
As illustrated in Figure 3, in order to suppress the speed fluctuation of segmented PMLSM caused by the parameter perturbation and the detent force during the drive process, an SMC model including equivalent control part and switch control part is applied. For the switch control part of SMC, the chattering phenomena would occur when the PM actuator works at the switch process from the drive process into the slide process. Therefore, the saturation function is applied in the switch control part of SMC by replacing the normal sign function, and a DOB is added to reduce the gain of switch control part of SMC.
Figure 3.
The sliding model control (SMC) model of segmented PMLSM.
Combining Equations (4) and (5), the equation of motion of PM actuator with parameter perturbation could be expressed into
where Δm is the mass perturbation of PM actuator, and ΔB is uncertain coefficient of viscous friction.
The generalized disturbance term is defined as
The error between the reference speed and the actual speed is
By differentiating speed error, there is
where , , .
For the purpose of enhancing the stability, the sliding face function is chosen as the following
So, the speed of the system approaching stability decreases with the value of c. The initial condition is
When the control model is switched into the sliding mode surface, there is s(e) = 0, the differential function of Equation (12) could be expressed into
Then the static error of speed could be solved as
Given the condition that c > 0, there is
Based on the equivalent control conditions as following
Substituting Equations (4) and (17) into Equation (11), the equivalent control function of SMC is achieved as following
The switch control function of SMC is chosen as following
where k is the gain of switch control part, sat() is the saturation function and ϕ is the thickness of boundary layer.
Finally, the control law of SMC could be synthesized into
In order to keep the stability of SMC model, the Lyapunov function is defined as
Substituting Equations (11), (12), (14) and (20) into Equation (21), there is
Therefore, the gain of switch control part is achieved as
Therefore, the stability of SMC model can be guaranteed when the gain of the switch control part satisfies the condition in Equation (23).
3.3. Improved SMC Model of a Segmented PMLSM during Drive Process
Furthermore, according to Equations (6) and (7), the augmented form of state space function including the disturbance term could be written into
where x1 = ft and x2 = [id iq v]T, , , , , , , is the unit matrix. Furthermore, the rank of matrix is 3, and the rank of matrix is 4, so the augmented matrix is observable. In addition, the state variable x2 is measurable. Therefore, a reduced-order DOB could be designed to observe the disturbance term.
The state space function with reduced-order DOB could be expanded into
Defining , Equation (26) could be rewritten into
The state observation function could be expressed into
where H = [h1 h2 h3] is the correction matrix.
Defining the variable substitution , there are
where .
Finally, Equation (29) would be rewritten into
By introducing the filter time constant , Equation (31) could be rewritten into
The observed value of disturbance is
Therefore, as illustrated in Figure 4, the improved SMC model combing an SMC model and a DOB model could be used into speed control of segmented PMLSM during the drive process.
Figure 4.
The improved SMC model of segmented PMLSM.
4. Model of Segmented PMLSM during the Switch Process
During the switch process, the thrust force generated by the stator winding is declined, and then the speed of the PM actuator would be affected. Consequently, the speed precision of PM actuator and the efficiency of segmented PMLSM are disturbed. As shown by the green square in Figure 5, the speed compensation model is applied to minimize the speed loss during the switch process. The speed and position of PM actuator are measured by the magnetic scale mounted on the stator part. For the EM parameter calculation of segmented PMLSM during the switch process, the flux linkage of segmented PMLSM at the boundary of stator winding is
where x is the actual position of PM actuator, la is the length of PM actuator, ls is the length of stator, ψf is the flux linkage of stator winding when the PM actuator is at the drive process and ψfin(x) and ψfout(x) are the flux linkage when the PM actuator moves in and out of stator winding, respectively.
Figure 5.
Control model of segmented PMLSM during switch process.
In the meanwhile, the equivalent inductances of stator winding when the PM actuator slides in and out stator winding could be expressed into
where Ls is the self-inductance of stator winding when the PM actuator is at drive process, Lσ is leakage inductance of stator winding and Lin(x) and Lout(x) are the self-inductance of stator winding when the PM actuator slides in and out stator winding, respectively.
Finally, the dq voltage function of segmented PMLSM during the switch process could written into
When the d-axis current id = 0, according to Equation (4), the thrust force during the switch process is
During the switch process, the PI model is used in the speed control loop and the current control loop.
Defining the active damping of segmented PMLSM during the switch process as
where Ba is the coefficient of active damping.
According to Equations (4) and (5), the equation of motion of segmented PMLSM during the switch process could be expressed into
Furthermore, transfer function could be written into
where β is the bandwidth of speed control loop, and it could be achieved through the pole placement of (40).
Combing Equations (40) and (41), the coefficient of active damping is
The PI model is used in the speed control loop and the current control loop. Based on reference [28], the PI parameters of speed control loop are chosen as
For the current control loop, the PI parameters in d-axis control loop are chosen as
The PI parameters in q-axis current loop are chosen as
where α is the bandwidth of current control loop, and it is
Therefore, the output current of speed control loop through the anti-current saturation compensation model is
Above all, the speed compensation of PM actuator could be realized by timely regulating the control parameters based on the EM coefficients of stator winding during the switch process.
5. Numerical Simulation
In the simulation, the speed control of PM actuator during the drive process and the switch process is conducted, and the parameters of segmented PMLSM are listed in Table 1.
Table 1.
Parameters of a segmented PMLSM.
5.1. Detent Force of Stator Winding
According to the finite element method, the relationship between the detent force of stator winding and the position of PM actuator is plotted in Figure 6, the length period of detent force is equal to the polar distance τ. So, the detent force of stator winding could be expressed with terms of PM actuator’s position and polar distance as following
Figure 6.
Detent force of segmented PMLSM.
It is obvious that the detent force of stator winding is a periodic function about the position of PM actuator.
5.2. Control Performance of a Segmented PMLSM during Drive Process
Furthermore, for the PID control model, control parameters in the speed loop of q-axis control loop are chosen as Kpv = 500 and Kiv = 100, control parameters in the current loop of q-axis control loop are Kpi = 100 and Kii = 3000, the control parameters in the current loop of d-axis control loop are Kpd = 500 and Kid = 100. The parameters of improved SMC model are chosen as following, c = 60, k = 100, h3 = 5000 and T0 = 0.0011 s. The speed curves of segmented PMLSM with different control models are plotted in Figure 7a, the step signal with 0.5 m/s is chosen as the reference speed of segmented PMLSM, and the detent force is used as the disturbance force at t = 0.4 s. For the speed curve of PM actuator with the PID model, as shown by the blue line, the overshoot is about 0.04 m/s, and the response magnitude for disturbance force is about 0.0311 m/s. For the speed curve of PM actuator with the improved SMC model as marked by the red line, the overshoot for reference input is effectively suppressed, and the response magnitude for disturbance force is about 0.003 m/s. In addition, the thrust forces and q-axis currents of segmented PMLSM with different models are illustrated in Figure 7b,c, respectively. The response magnitude of thrust force and q-axis current are consistent with the response magnitude of speed curve, the greater magnitude of speed curve would lead to the greater variations of thrust force and q-axis current during the drive process.
Figure 7.
(a) Speed curves of segmented PMLSM with different models, (b) thrust forces of segmented PMLSM with different models and (c) q-axis currents of segmented PMLSM with different models.
5.3. Speed Curves of a Segmented PMLSM with Parameter Perturbation during the Drive Process
With the parameter perturbation of segmented PMLSM on the mass of PM actuator and the viscous friction, where the mass of PM actuator increases to 5 × m and the viscous friction coefficient increases to 5 × B, the speed curves of PM actuator are shown in Figure 8. For the PID model as shown by the blue line, the overshoot is increased from 0.041 m/s to 0.085 m/s, and the response magnitude for disturbance force (10% of gravity of the PM actuator) is increased from 0.025 m/s to 0.08 m/s. For the improved SMC model as shown by the red line, the overshoot is kept at zero, and the response magnitude for disturbance force is increased from 0.001 m/s to 0.003 m/s. Therefore, the comparison indicates that the improved SMC model designed for segmented PMLSM could improve the speed precision and anti-disturbance by reducing the overshoot amount and the disturbance response.
Figure 8.
Speed curve of segmented PMLSM with parameter perturbation and different models, (a) speed curves and (b) disturbance response.
5.4. Speed Curves of a Segmented PMLSM during the Switch Process
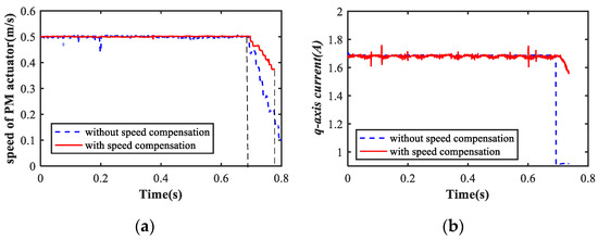
The speed curves of PM actuator during the switch process are plotted in Figure 9, the speed of PM actuator is accelerated to the rate speed and then the speed would be decelerated during the switch and slide process. The blue line presents the speed curve of PM actuator without the speed compensation model, and the red line is the speed curve of PM actuator with the speed compensation model. During the switch process, the speed of PM actuator with the speed compensation model is decelerated from 0.5 m/s to 0.405 m/s, and it is reduced from 0.5 m/s to 0.307 m/s without speed compensation model. Therefore, the speed of PM actuator could be effectively compensated by the speed compensation model during the switch process, and then speed loss is reduced.
Figure 9.
Speed curves of segmented PMLSM during switch process.
Above all, the performance comparisons of segmented PMLSM with PID model and improved SMC model are listed in Table 2. This result indicates that the improved SMC model of segmented PMLSM could improve the speed precision and the robustness stability, and then the speed loss of PM actuator during the switch process is reduced by using the speed compensation model.
Table 2.
Simulation performances of segmented PMLSM with proportional-integral-derivative (PID) and improved SMC model.
6. Experiment
6.1. Experimental Setup
The whole experimental setup of segmented PMLSM is shown in Figure 10. There are three parts including the stator part, the PM actuator and the MCU. The stator part was separated into the stator winding and the slider. The position of the PM actuator could be recorded timely by the magnetic scale (SIKO MSK5000AS) mounted on the stator part. The MCU based on the digital signal processor TMS320F28377 could receive the position/speed signals of PM actuator, send the control signal to the drive unit (DRV8301) with control frequency 10 kHz and then the thrust force generated by the stator winding could be regulated. The photoelectric switches (model EE-SY671) were mounted at the ends of stator winding and slider; the control methods of segmented PMLSM during different processes were timely switched based on the captured switching signal of photoelectric switch.
Figure 10.
The experimental setup of segmented PMLSM.
6.2. Speed Curves of a Segmented PMLSM during the Drive Process
In this part of the experiment, the step signal with 0.5 m/s was chosen as the reference speed signal, and a pulse-type disturbance with 10% of gravity of PM actuator (generated by the impact hammer) imposed on it. The speed curves and the q-axis current of segmented PMLSM were measured and compared during the drive process. As illustrated in Figure 11a, the speed curve of PM actuator with the PID model is shown by the blue line, the overshoot amount is 0.02 m/s, and the response magnitude for disturbance is 0.04 m/s. For the improved SMC model as marked by the red line, the response magnitude for disturbance is 0.02 m/s. In the meanwhile, the q-axis current of segmented PMLSM are plotted in Figure 11b. The q-axis current of segmented PMLSM with the improved SMC model is smaller than that with the PID model, and the reduction is 0.01A. Therefore, the improved SMC model designed for segmented PMLSM could suppress the speed fluctuation and reduce the current oscillation during the drive process.
Figure 11.
(a) Speed curves of segmented PMLSM with different models during drive process; (b) q-axis currents of segmented PMLSM with different models during drive process.
6.3. Speed Curves of a Segmented PMLSM during the Switch Process
Furthermore, the speed curves of segmented PMLSM with different control models during the switch process are plotted in Figure 12a. For the speed curve of PM actuator without the compensation model, as shown by blue line, the speed loss within 0.1 s is about 0.3 m/s, but speed loss with the compensation model is reduced to 0.13 m/s. Moreover, the q-axis currents of segmented PMLSM during the switch process are plotted in Figure 12b. For the q-axis current without speed compensation model, it would drop to a low value when the PM actuator moved from the drive process into the switch process. The q-axis current of segmented PMLSM with the speed compensation model could keep at a relatively high level to continually drive the PM actuator. Therefore, the speed loss of segmented PMLSM could be effectively reduced by the speed compensation model.
Figure 12.
(a) Speed curves of segmented PMLSM with different models during switch process; (b) q-axis current of segmented PMLSM with different models during switch process.
7. Conclusions
The segmented PMLSM used in the long-distance auto transportation system is easily suffered from the external disturbances and the variation of EM parameters. An improved SMC with a DOB model is designed to minimize the disturbance on the speed precision of the PM actuator during the drive process, and the speed compensation model is used to reduce the speed loss of the PM actuator during the switch process. The simulation and experiment both verify that the speed precision of PM actuator with the improved SMC model is improved, and fluctuations of thrust force and control current are effectively suppressed. Moreover, the speed loss of PM actuator during the switch process is minimized by the speed compensation model. Therefore, even though the oscillation phenomenon caused by DOB is not eliminated but mitigated, the segmented control model used in segmented PMLSM is the potential to improve the control precision and efficiency of long-distance auto transportation systems.
Author Contributions
T.W. and B.X. carried out the concept, design, definition of intellectual content, literature research, data analysis, manuscript preparation and manuscript review. Z.W. and S.Z. provided the assistance for experiment preparation, data acquisition, data analysis and manuscript editing. All authors had read and approved the content of manuscript.
Funding
This research was funded by Beijing Municipal Natural Science Foundation Grant No.3182024. The APC was funded by Ningbo Institute of technology, Beihang University.
Conflicts of Interest
The authors declare no conflict of interest.
References
- Lim, D.-K.; Yi, K.-P.; Woo, D.-K.; Yeo, H.-K.; Ro, J.-S.; Lee, C.-G.; Jung, H.-K. Analysis and Design of a Multi-Layered and Multi-Segmented Interior Permanent Magnet Motor by Using an Analytic Method. IEEE Trans. Magn. 2014, 50, 1–8. [Google Scholar] [CrossRef]
- Kim, M.-Y.; Kim, Y.-C.; Kim, G.-T. Design of Slotless-Type PMLSM for High Power Density Using Divided PM. IEEE Trans. Magn. 2004, 40, 746–749. [Google Scholar] [CrossRef]
- Wang, H.; Li, J.; Qu, R.; Lai, J.; Huang, H.; Liu, H. Study on High Efficiency Permanent Magnet Linear Synchronous Motor for Maglev. IEEE Trans. Appl. Supercond. 2018, 28, 1–5. [Google Scholar] [CrossRef]
- Jung, I.-S.; Hur, J.; Hyun, D.-S. 3-D analysis of permanent magnet linear synchronous motor with magnet arrangement using equivalent magnetic circuit network method. IEEE Trans. Magn. 1999, 35, 3736–3738. [Google Scholar] [CrossRef]
- Kim, Y.-J.; Dohmeki, H. Driving method of stationary discontinuous-armature PMLSM by open-loop control for stable-deceleration driving. IET Electr. Power Appl. 2007, 1, 248. [Google Scholar] [CrossRef]
- Isfahani, A. Analytical Framework for Thrust Enhancement in Permanent-Magnet (PM) Linear Synchronous Motors with Segmented PM Poles. IEEE Trans. Magn. 2009, 46, 1116–1122. [Google Scholar] [CrossRef]
- Kim, Y.-J.; Dohmeki, H. Driving method of stationary discontinuous-armature PMLSM by open-loop control for stable-deceleration driving. IET Electr. Power Appl. 2007, 1, 248–254. [Google Scholar] [CrossRef]
- Tavana, N.R.; Shoulaei, A.; Dinavahi, V. Analytical Modeling and Design Optimization of Linear Synchronous Motor with Stair-Step-Shaped Magnetic Poles for Electromagnetic Launch Applications. IEEE Trans. Plasma Sci. 2011, 40, 519–527. [Google Scholar] [CrossRef]
- Li, L.; Mingna, M.; Tang, Y.; He, Z.; Chen, Q. Iron Loss and Inductance Analysis Considering Magnetic Nonlinearity in Multi-Segmented Plate Permanent Magnet Linear Motor. IEEE Trans. Magn. 2012, 48, 3009–3012. [Google Scholar] [CrossRef]
- Jung, I.S.; Jin, H.; Hyun, D.S. Analysis of permanent magnet linear synchronous motor for servo system using 3-D equivalent magnetic circuit network method. In Proceedings of the IEEE International Electric Machines and Drives Conference. IEMDC’99. Proceedings (Cat. No.99EX272), Seattle, WA, USA, 9–12 May 1999. [Google Scholar] [CrossRef]
- Ashabani, M.; Mohamed, Y.A.-R.I. Multiobjective Shape Optimization of Segmented Pole Permanent-Magnet Synchronous Machines with Improved Torque Characteristics. IEEE Trans. Magn. 2011, 47, 795–804. [Google Scholar] [CrossRef]
- Lee, S.G.; Kim, S.A.; Saha, S.; Zhu, Y.W.; Cho, Y.H. Optimal Structure Design for Minimizing Detent Force of PMLSM for a Ropeless Elevato. IEEE Trans. Magn. 2014, 50, 1–4. [Google Scholar]
- Gilardi, G.; Szeto, K.; Huard, S.; Park, E.J. Finite element analysis of the cogging force in the linear synchronous motor array for the Thirty Meter Telescope. Mechatronics 2011, 21, 116–124. [Google Scholar] [CrossRef]
- Jang, K.-B.; Kim, J.-H.; An, H.-J.; Kim, G.-T. Optimal Design of Auxiliary Teeth to Minimize Unbalanced Phase Due to End Effect of PMLSM. IEEE Trans. Magn. 2011, 47, 1010–1013. [Google Scholar] [CrossRef]
- Park, E.-J.; Kim, Y.-J.; Jung, S.-Y. Optimal design of semi-arch auxiliary teeth of stationary discontinuous armature PMLSM with concentrated winding using design of experiment. In Proceedings of the 9th IET International Conference on Computation in Electromagnetics (CEM 2014), London, UK, 31 March–1 April 2014. [Google Scholar]
- Chung, S.-U.; Kim, J.-M. Double-Sided Iron-Core PMLSM Mover Teeth Arrangement Design for Reduction of Detent Force and Speed Ripple. IEEE Trans. Ind. Electron. 2015, 63, 3000–3008. [Google Scholar] [CrossRef]
- Koo, M.-M.; Choi, J.-Y.; Shin, H.-J.; Kim, J.-M. No-Load Analysis of PMLSM With Halbach Array and PM Overhang Based on Three-Dimensional Analytical Method. IEEE Trans. Appl. Supercond. 2016, 26, 1–5. [Google Scholar] [CrossRef]
- Zhu, Y.-W.; Lee, S.-G.; Chung, K.-S.; Cho, Y.-H. Investigation of Auxiliary Poles Design Criteria on Reduction of End Effect of Detent Force for PMLSM. IEEE Trans. Magn. 2009, 45, 2863–2866. [Google Scholar] [CrossRef]
- Huang, X.Z.; Tan, Q.; Wang, Q.; Li, J. Optimization for the Pole Structure of Slot-Less Tubular Permanent Magnet Synchronous Linear Motor and Segmented Detent Force Compensation. IEEE Trans. Appl. Supercond. 2016, 26, 1–5. [Google Scholar] [CrossRef]
- Ting, C.-S.; Lieu, J.-F.; Liu, C.-S.; Hsu, R.-W. An Adaptive FNN Control Design of PMLSM in Stationary Reference Frame. J. Control. Autom. Electr. Syst. 2016, 27, 391–405. [Google Scholar] [CrossRef]
- Chen, S.-Y.; Liu, T.-S. Intelligent tracking control of a PMLSM using self-evolving probabilistic fuzzy neural network. IET Electr. Power Appl. 2017, 11, 1043–1054. [Google Scholar] [CrossRef]
- Li, H.; Li, T. End-Effect Magnetic Field Analysis of the Halbach Array Permanent Magnet Spherical Motor. IEEE Trans. Magn. 2018, 54, 1–9. [Google Scholar] [CrossRef]
- Wang, M.; Li, L.; Pan, D. Detent Force Compensation for PMLSM Systems Based on Structural Design and Control Method Combination. IEEE Trans. Ind. Electron. 2015, 62, 6845–6854. [Google Scholar] [CrossRef]
- Ning, J.R.; Wang, C.Y.; Xia, J.K.; Shen, L. Current Compensation Control Strategy for Reduction Normal Force Ripple of PMLSM. Adv. Mater. Res. 2012, 433, 7275–7280. [Google Scholar] [CrossRef]
- Cho, K.; Nam, K. Periodic learning disturbance observer based precision motion control in PMLSM motion systems considering long-term instability problem. Int. J. Precis. Eng. Manuf. 2016, 17, 1101–1112. [Google Scholar] [CrossRef]
- Cho, K.; Kim, J.; Ben Choi, S.; Oh, S. A High-Precision Motion Control Based on a Periodic Adaptive Disturbance Observer in a PMLSM. IEEE/ASME Trans. Mechatron. 2014, 20, 2158–2171. [Google Scholar] [CrossRef]
- Zhao, S.; Tan, K. Adaptive feedforward compensation of force ripples in linear motors. Control. Eng. Pr. 2005, 13, 1081–1092. [Google Scholar] [CrossRef]
- Harnefors, L.; Pietiläinen, K.; Gertmar, L. Torque-maximizing field-weakening control: Design, analysis, and parameter selection. IEEE Trans. Ind. Electron. 2001, 48, 161–168. [Google Scholar] [CrossRef]
© 2020 by the authors. Licensee MDPI, Basel, Switzerland. This article is an open access article distributed under the terms and conditions of the Creative Commons Attribution (CC BY) license (http://creativecommons.org/licenses/by/4.0/).











