A Hybrid PV-Battery System for ON-Grid and OFF-Grid Applications—Controller-In-Loop Simulation Validation
Abstract
1. Introduction
- ✓
- In a conventional PV power station, the system remains in an idle state when irradiation is weak; hence the utilization factor (UF) of the system is very small. By incorporating ESS in the solar power system, the overall utilization factor of the system can be improved significantly.
- ✓
- Commercially available PV inverter configurations are based on two-level or three-level inverters with low voltage ratings. These configurations are not suitable for large scale applications, but the medium voltage systems are more suitable for high power applications. The use of conventional two-level inverter for high power applications results in poor power quality, large filter requirement and higher dv/dt across power switches.
- ✓
- A CHB-based PV inverter can nullify the disadvantages of conventional low voltage inverter configurations. An investigation on energy storage systems suitable for CHB inverters is required.
- ✓
- In previous works, controls for PV-battery hybrid system either in grid-connected mode or in standalone modes of operations are discussed but the system controls for operating in both modes are not covered.
- ✓
- A literature review is carried out to investigate various ESS configurations suitable for CHB based inverters. A power conditioning system based on a CHB MLI and battery charger based on a chopper with multiple battery banks is studied thoroughly due to the advantages of chopper-based systems.
- ✓
- A novel power balancing control (PBC) is proposed in this work which enables the system to operate both in standalone mode and in grid-connected mode, unlike earlier works where the controls proposed were for either grid-connected systems or for standalone systems only.
- ✓
- The controls proposed in this work also enable the smooth transition in changing modes of operation.
- ✓
- Controller-In-Loop simulations are carried out with the help of real-time simulator to validate the proposed power balancing controls.
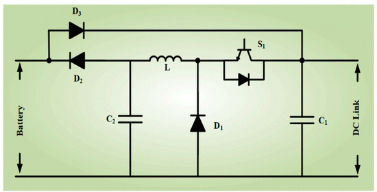
2. Chopper-Based ESS for CHB Inverter
3. Design Calculations for the System
4. Inverter Controls in Different Modes of Operation
- Closed-loop voltage regulators are disabled and the closed-loop current regulators are enabled.
- Through a phase-locked loop (PLL), the phase angle of grid voltage ‘ωt’ is obtained.
- PV Current (I_PV) and PV voltage (V_PV) are monitored for MPP tracking to obtain power reference (PRef) for the inverter.
- Reference inverter current (I_Inv_Ref) is obtained from ‘PRef’, grid voltage, and ‘ωt’,
- By comparing actual and reference inverter currents, current regulators provide a modulating signal.
- Based on the number of healthy H-bridges, carrier waves are generated in the gate pulse generator module
- By comparing carrier and modulating signal, gate signals for CHB MLI are obtained.
- The grid voltage is monitored and the phase angle ‘ωt’ of grid voltage is obtained through PLL.
- At the moment of occurrence of grid fault, the latest value of angle ‘ωt_m’ of grid voltage is stored and the internal oscillator is enabled.
- The internal oscillator generates a phase angle ‘ωt_o’ which starts from the value of stored phase angle ωt_m.
- On receiving the phase angle input, reference generator gives inverter reference voltage signal to the closed-loop voltage controller.
- By comparing actual and reference inverter voltages, the voltage regulators provide a modulating signal.
- Based on the number of healthy H-bridges, carrier waves are generated in the gate pulse generator module
- By comparing carrier and modulating signal, gate signals for CHB MLI are obtained.
5. Battery Charger Controls in Different Modes of Operation
- When PV voltage is more than the minimum nominal voltage of PV array, battery charging/discharging current reference is obtained based on battery SOC.
- Convention of battery current is taken as positive during charging mode and negative during discharging mode.
- During charging mode, the current controller compares the actual battery current with reference battery current and generates gate pulse so that the chopper operates as a Buck-Chopper.
- When the reference battery current is negative and the PV voltage is more than the minimum nominal voltage of PV array, then the battery discharging current is controlled through the current controller.
- When the reference battery current is negative, and if the PV voltage is less than the minimum nominal voltage of the PV array, then the pulse generator is disabled. No gate pulse is given to IGBTs and the battery discharges through the inductor (L) and the diode across IGBT-S1. In this mode, the current through the battery charger varies based on the reference inverter power.
- If PV voltage is more than the minimum nominal voltage of PV array, battery charging current reference is obtained based on battery SOC and represented as Ibatt_SOC.
- Another battery current reference is generated through MPPT controls and represented as Ibatt_MPP.
- The minimum value in Ibatt_SOC and Ibatt_MPP is selected as a current reference for the charger.
- While charging the battery, MPPT controls are carried out in the battery charger and adjust the battery reference current to maintain the MPP of the PV array.
- Current reference may also become negative to supply power from the battery when the irradiance on PV array is poor. In this case, also, PV array operates at its MPP voltage.
- When the irradiance becomes zero, then the PV voltage becomes less than the minimum nominal voltage of the PV array and the pulse generator module is disabled. Then battery discharges through inductor L and the diode across IGBT-S1. Based on the load on the AC side, battery current varies.
6. Validation of Control Algorithm for Chopper Based ESS Configurations
- ✓
- The power circuit also is known as the plant which consists of a grid, input breaker, local load, CHB inverter, PV array, batteries, and battery chargers are simulated as shown in Figure 7 with the help of real-time simulator library
- ✓
- The simulated model is compiled and loaded in the high-speed processors of the real-time simulator
- ✓
- Input-output channels of the real-time simulator are interfaced with the processor cards and other user interfaces. The real-time simulator enables the simulated plant to operate as a real plant
- ✓
- The user interface consists of pushbuttons to provide start/stop commands and for mode selection. Potentiometers on the user interface are used for varying irradiance value on PV arrays
- ✓
- Due to the limitations in the analogue inputs in the used processor, two processor cards of the same type are used in this work
- ✓
- Control algorithm in processor cards is programmed through MatLab-embedded coder
- ✓
- In controller card-1, the controls for inverter are programmed. It receives start command and mode selection from the user and receives module faulty signals from the plant as digital inputs. Analogue inputs such as grid voltage, inverter voltage, and currents are received from the simulated plant
- ✓
- From the simulated plant, controller-2 receives analogue inputs such as battery current, battery voltage, PV current, and PV. Based on the mode of operation, MPPT is carried out. Battery charger controls are programmed in this controller card
- ✓
- When the start command is given from the user interface, the controllers process the proposed control algorithm to control battery chargers and the CHB inverter
- ✓
- When the system is in grid-connected mode, based on MPPT of PV arrays, the reference power signal is communicated to controller card-1 through a serial communication interface (SCI). Transmission of data is by RS232 protocol
7. Results and Discussion
8. Contributions and Future Scope
9. Conclusions
Author Contributions
Funding
Acknowledgments
Conflicts of Interest
References
- Sridhar, V.; Umashankar, S. A comprehensive review on CHB MLI based PV inverter and feasibility study of CHB MLI based PV-STATCOM. Renew. Sustain. Energy Rev. 2017, 78, 138–156. [Google Scholar] [CrossRef]
- Yu, Y.; Konstantinou, G.; Hredzak, B.; Agelidis, V.G. Operation of Cascaded H-Bridge Multilevel Converters for Large-Scale Photovoltaic Power Plants under Bridge Failures. IEEE Trans. Ind. Electron. 2015, 62, 7228–7236. [Google Scholar] [CrossRef]
- Dragonas, F.A.; Neretti, G.; Sanjeevikumar, P.; Grandi, G. High-Voltage High-Frequency Arbitrary Waveform Multilevel Generator for DBD Plasma Actuators. IEEE Trans. Ind. Appl. 2015, 51, 3334–3342. [Google Scholar] [CrossRef]
- Sridhar, V.; Umashankar, S.; Sanjeevikumar, P.; Ramachandaramurthy, V.K.; Mihet-Popa, L.; Fedák, V. Control Architecture for Cascaded H-Bridge Inverters in Large-Scale PV Systems. Energy Procedia 2018, 145, 549–557. [Google Scholar] [CrossRef]
- Chen, L.; Chen, H.; Li, Y.; Li, G.; Yang, J.; Liu, X.; Xu, Y.; Ren, L.; Tang, Y. SMES-Battery Energy Storage System for the Stabilization of a Photovoltaic-Based Microgrid. IEEE Trans. Appl. Supercond. 2018, 28, 1–7. [Google Scholar] [CrossRef]
- Rallabandi, V.; Akeyo, O.M.; Jewell, N.; Ionel, D.M. Incorporating Battery Energy Storage Systems Into Multi-MW Grid Connected PV Systems. IEEE Trans. Ind. Appl. 2018, 55, 638–647. [Google Scholar] [CrossRef]
- Yang, Y.; Ye, Q.; Tung, L.J.; Greenleaf, M.; Li, H. Integrated Size and Energy Management Design of Battery Storage to Enhance Grid Integration of Large-Scale PV Power Plants. IEEE Trans. Ind. Electron. 2018, 65, 394–402. [Google Scholar] [CrossRef]
- Lai, C.S.; Jia, Y.; Lai, L.L.; Xu, Z.; McCulloch, M.D.; Wong, K.P. A comprehensive review on large-scale photovoltaic system with applications of electrical energy storage. Renew. Sustain. Energy Rev. 2017, 78, 439–451. [Google Scholar] [CrossRef]
- O’Shaughnessy, E.; Cutler, D.; Ardani, K.; Margolis, R. Solar plus: Optimization of distributed solar PV through battery storage and dispatchable load in residential buildings. Appl. Energy 2018, 213, 11–21. [Google Scholar] [CrossRef]
- Zhang, C.; Wei, Y.-L.; Cao, P.-F.; Lin, M.-C. Energy storage system: Current studies on batteries and power condition system. Renew. Sustain. Energy Rev. 2018, 82, 3091–3106. [Google Scholar] [CrossRef]
- Olaszi, B.D.; Ladanyi, J. Comparison of different discharge strategies of grid-connected residential PV systems with energy storage in perspective of optimal battery energy storage system sizing. Renew. Sustain. Energy Rev. 2017, 75, 710–718. [Google Scholar] [CrossRef]
- Rodríguez-Gallegos, C.D.; Gandhi, O.; Yang, D.; Alvarez-Alvarado, M.S.; Zhang, W.; Reindl, T.; Panda, S.K. A siting and sizing optimization approach for PV–battery–diesel hybrid systems. IEEE Trans. Ind. Appl. 2017, 54, 2637–2645. [Google Scholar] [CrossRef]
- Vavilapalli, S.; Subramaniam, U.; Padmanaban, S.; Ramachandaramurthy, V.K. Design and Real-Time Simulation of an AC Voltage Regulator Based Battery Charger for Large-Scale PV-Grid Energy Storage Systems. IEEE Access 2017, 5, 25158–25170. [Google Scholar] [CrossRef]
- Vavilapalli, S.; Padmanaban, S.; Subramaniam, U.; Mihet-Popa, L. Power Balancing Control for Grid Energy Storage System in Photovoltaic Applications—Real Time Digital Simulation Implementation. Energies 2017, 10, 928. [Google Scholar] [CrossRef]
- Vavilapalli, S.; Umashankar, S.; Sanjeevikumar, P.; Fedák, V.; Mihet-Popa, L.; Ramachandaramurthy, V.K. A Buck-Chopper Based Energy Storage System for the Cascaded H-Bridge Inverters in PV Applications. Energy Procedia 2018, 145, 534–541. [Google Scholar] [CrossRef]
- Sastry, J.; Bakas, P.; Kim, H.; Wang, L.; Marinopoulos, A. Evaluation of cascaded H-bridge inverter for utility-scale photovoltaic systems. Renew. Energy 2014, 69, 208–218. [Google Scholar] [CrossRef]
- Wang, Z.; Fan, S.; Zheng, Y.; Cheng, M. Design and Analysis of a CHB Converter Based PV-Battery Hybrid System for Better Electromagnetic Compatibility. IEEE Trans. Magn. 2012, 48, 4530–4533. [Google Scholar] [CrossRef]
- Kumar, N.; Saha, T.K.; Dey, J.; Barman, J.C. Modelling, control, and performance study of cascaded inverter based grid connected PV system. In Proceedings of the IREC2015 the Sixth International Renewable Energy Congress, Sousse, Tunisia, 24–26 March 2015; pp. 1–6. [Google Scholar]
- Xiao, B.; Hang, L.; Mei, J.; Riley, C.; Tolbert, L.M.; Ozpineci, B. Modular Cascaded H-Bridge Multilevel PV Inverter With Distributed MPPT for Grid-Connected Applications. IEEE Trans. Ind. Appl. 2014, 51, 1722–1731. [Google Scholar] [CrossRef]
- Iman-Eini, H.; Bacha, S.; Frey, D. Improved control algorithm for grid-connected cascaded H-bridge photovoltaic inverters under asymmetric operating conditions. IET Power Electron. 2017, 11, 407–415. [Google Scholar] [CrossRef]
- Samavatian, V.; Radan, A. A novel low-ripple interleaved buck–boost converter with high efficiency and low oscillation for fuel-cell applications. Int. J. Electr. Power Energy Syst. 2014, 63, 446–454. [Google Scholar] [CrossRef]
- Vavilapalli, S.; Subramaniam, U.; Padmanaban, S.; Blaabjerg, F. Design and Controller-In-Loop Simulations of a Low Cost Two-Stage PV-Simulator. Energies 2018, 11, 2774. [Google Scholar] [CrossRef]
- Kamran, M.; Mudassar, M.; Fazal, M.R.; Asghar, M.U.; Bilal, M.; Asghar, R. Implementation of improved Perturb & Observe MPPT technique with confined search space for standalone photovoltaic system. J. King Saud Univ. Eng. Sci. 2018, 30. [Google Scholar] [CrossRef]
- Li, X.; Wu, W.; Wang, H.; Gao, N.; Chung, H.S.-H.; Blaabjerg, F. A New Buck-Boost AC/DC Converter with Two-Terminal Output Voltage for DC Nano-Grid. Energies 2019, 12, 3808. [Google Scholar] [CrossRef]
- Vavilapalli, S.; Umashankar, S.; Sanjeevikumar, P.; Ramachandaramurthy, V.K.; Mihet-Popa, L.; Fedák, V. Three-stage control architecture for cascaded H-Bridge inverters in large-scale PV systems—Real time simulation validation. Appl. Energy 2018, 229, 1111–1127. [Google Scholar] [CrossRef]
- Marcon, P.; Szabo, Z.; Vesely, I.; Zezulka, F.; Sajdl, O.; Roubal, Z.; Dohnal, P. A Real Model of a Micro-Grid to Improve Network Stability. Appl. Sci. 2017, 7, 757. [Google Scholar] [CrossRef]
- Arunkumar, G.; Elangovan, D.; Sanjeevikumar, P.; Nielsen, J.B.H.; Leonowicz, Z.; Joseph, P.K. DC Grid for Domestic Electrification. Energies 2019, 12, 2157. [Google Scholar] [CrossRef]














| Electrical Parameter | Value | Remarks | |
|---|---|---|---|
| CHB power rating | 350 | kW | PCHB = Grid + Load |
| Inverter voltage | 1250 | V | Vac |
| No. of H-bridges | 4 | No’s | NH |
| H-bridge power | 87.5 | kW | CHB Rating/NH |
| H-bridge voltage | 312.5 | V | VH = Vac/NH |
| Output current (Iac) | 280 | A | PCHB/Vac |
| Minimum DC voltage | 422 | V | Vdcmin = 1.35 × VH |
| Carrier frequency | 1 | kHz | Fcr |
| Switching frequency | 8 | kHz | Fsw = 2 × NHX Fcr |
| Corner frequency (Fc) | 2 | kHz | Fc selected = Fsw/4 |
| L-C-L Filter Component Selection | |||
| Maximum % reactive power allowed | 5 | % | Max reactive power through Filter Capacitor |
| Maximum filter voltage drops | 3 | % | Max voltage drop across filter Inductors |
| Maximum reactive power (Qc) | 17.5 | kW | 5% of 350 kW |
| Current rating of the capacitor (Ic) | 14 | A | Qc/Grid Voltage |
| Maximum capacitance of filter capacitor | 35.67 | uF | Ic/(2 × pi × F × Grid Voltage) |
| Capacitance of filter capacitor selected | 30 | uF | |
| Inductance of filter inductor L1 | 211 | uH | Fc = 1/[2 × pi × √(LC)] |
| % Voltage drop in L1 | 1.49 | % | (Iac × 2 × pi × F × L1)/Grid Voltage |
| Maximum drop allowed in L2 | 1.51 | % | Max % voltage drop–% drop across L1 |
| Filter inductance L2 | 215 | uH | |
| Electrical Parameter | Value | Remarks | |
|---|---|---|---|
| Battery ratings | |||
| Battery backup power | 100 | Kw | Equal to the critical load |
| Battery back-up time | 8 | Hr | T |
| No. of battery banks | 4 | No’s | Nb = No. of H-bridges |
| The power rating of each battery bank (Pnom) | 25 | Kw | Total Power/Nb |
| Type of battery | Lithium-Ion | ||
| Minimum battery voltage (VB_min) | 422 | V | Minimum DC link voltage |
| Nominal battery voltage (VB_nom) | 482 | V | Vmin = 87.5% of Vnom |
| Maximum battery voltage (VB_max) | 560 | V | VB_max = 116% of Vnom |
| Nominal battery current (IB_nom) | 52 | A | Pnom/Vnom |
| AH Rating of each battery | 416 | AH | Inom × T |
| PV Array Ratings | |||
| PV array power | 450 | Kw | Grid + load + battery |
| No of PV arrays | 4 | No’s | Number of H-bridges |
| Rating of PV array | 112.5 | Kw | Total power/4 |
| Minimum PV voltage | 560 | V | >VB_max |
| PV module M/s SunPower makes SPR-435NE-WHT-D | |||
| PV module power | 435 | W | From datasheet |
| Number of modules | 260 | No’s | 112.5kw/435W |
| Isc of PV array | 6.43 | A | From datasheet |
| Voc of PV array | 85.6 | V | From datasheet |
| MPP voltage at 25 °C | 72.9 | V | From datasheet |
| MPP Voltage at 75 °C | 61.2 | V | From datasheet |
| No of series modules (Nse) | 10 | No’s | Minimum PV voltage/MPP Voltage @ 75 °C |
| No of parallel modules (Np) | 26 | No’s | No of modules/Nse |
| Nominal PV voltage at 25 °C | 729 | V | Vmpp_25 × Nse |
| Minimum MPP voltage in operating range | 612 | V | Vmpp_75 × Nse |
| Maximum PV current | 167 | A | Isc × np |
| The maximum power rating of each PV array | 113 | Kw | Nse XNp × Pmodule |
| Electrical Parameter | Value | Remarks | |
|---|---|---|---|
| Selected Battery Ratings | |||
| AH rating of each battery | 416 | AH | Inom × T |
| Back-up time (Tb) | 8 | Hr | |
| Charging time (Tch) | 8 | Hr | |
| Nominal battery voltage | 482 | V | (VB_nom) |
| Battery charging current (Ich) | 52 | A | AH Rating/Tch |
| Battery dis-charging current (Idisc) | 52 | A | AH Rating/Tb |
| Battery Charger Ratings | |||
| Rating of buck chopper | 25 | kW | Vnom × Ich |
| Rating of a bidirectional chopper | 25 | kW | Vnom × Idisc |
| Input side voltage (Vin_dc) | 856 | V | Voc of PV Array |
| Minimum output voltage (Vout_dc) | 422 | V | (VB_min) |
| L-C Filter Design for Chopper | |||
| Minimum duty cycle (D) | 0.49 | Vout_dc/Vin_dc | |
| Switching frequency selected | 5 | kHz | Fsw_brc |
| Maximum off time (Toff) | 101 | us | Calculated from D and Fsw_brc |
| Ripple current allowed (di) | 2.5 | A | 5% of rated current is selected |
| Inductance of filter inductor | 16 | mH | L = Vout_dc * Toff/di |
| Ripple voltage allowed (dv) | 24 | V | 5% of rated output voltage |
| Capacitance of filter capacitor | 270 | uF | C = (dv/Toff)/output current |
| Electrical Parameter | Value |
|---|---|
| Real-time simulator | |
| Manufacturer name | Opal-RT |
| Processor | Intel Xeon Quad core, 2.5 GHz |
| Modelling platform | Matlab-Simulink |
| Analog channels | −10 to +10 V |
| Digital channels | 0 V: Logic Low, +15V: Logic High |
| Controller Cards 1 & 2 | |
| DSP processor | TI Make TMS320F2812 |
| Analog input | −7.5 V to +7.5 V |
| Digital input channels | 0 V: Logic Low, +15V: Logic High |
| Digital output channels | 0 V: Logic Low, +15V: Logic High |
| No. of analog inputs | 16 No’s |
| No. of digital inputs | 8 No’s |
| No. of digital outputs | 22 (Including PWM outputs) |
| User interface | |
| Potentiometers | To provide variable voltage to AI |
| Pushbuttons | To provide Digital inputs |
© 2020 by the authors. Licensee MDPI, Basel, Switzerland. This article is an open access article distributed under the terms and conditions of the Creative Commons Attribution (CC BY) license (http://creativecommons.org/licenses/by/4.0/).
Share and Cite
Subramaniam, U.; Vavilapalli, S.; Padmanaban, S.; Blaabjerg, F.; Holm-Nielsen, J.B.; Almakhles, D. A Hybrid PV-Battery System for ON-Grid and OFF-Grid Applications—Controller-In-Loop Simulation Validation. Energies 2020, 13, 755. https://doi.org/10.3390/en13030755
Subramaniam U, Vavilapalli S, Padmanaban S, Blaabjerg F, Holm-Nielsen JB, Almakhles D. A Hybrid PV-Battery System for ON-Grid and OFF-Grid Applications—Controller-In-Loop Simulation Validation. Energies. 2020; 13(3):755. https://doi.org/10.3390/en13030755
Chicago/Turabian StyleSubramaniam, Umashankar, Sridhar Vavilapalli, Sanjeevikumar Padmanaban, Frede Blaabjerg, Jens Bo Holm-Nielsen, and Dhafer Almakhles. 2020. "A Hybrid PV-Battery System for ON-Grid and OFF-Grid Applications—Controller-In-Loop Simulation Validation" Energies 13, no. 3: 755. https://doi.org/10.3390/en13030755
APA StyleSubramaniam, U., Vavilapalli, S., Padmanaban, S., Blaabjerg, F., Holm-Nielsen, J. B., & Almakhles, D. (2020). A Hybrid PV-Battery System for ON-Grid and OFF-Grid Applications—Controller-In-Loop Simulation Validation. Energies, 13(3), 755. https://doi.org/10.3390/en13030755

