Abstract
Vehicle transmission which has discrete gear-stages inevitably produces torque drop during shifting gears. This torque drop should be minimized because it may lead to uncomfortable driving feeling and degradation of acceleration performance. In accordance with the spread of electric-powered vehicle technology, this study proposes novel transmission architecture to eliminate torque drop during shifting gears by using one electric motor and verifies its operating concept through experiments with a test-bench. The proposed transmission, called CGST (clutchless geared smart transmission) can synchronize the gear-shaft to be engaged for the next gear-stage with the output shaft by using a planetary gear-set and an electric motor. The CGST has a dual input gear-box with even and odd gear-stages on different input shafts, and the planetary gear-set and the electric motor control the speeds of each input shafts to smoothly engage the next gear-stage. This idea was verified by the simplified test-rig in this study. Three distinct scenarios for gear-shift including starting from engine idling, odd to even gear-shift, and even to odd gear-shift were conducted in the experiment. The shifting performance of the CGST was evaluated by comparing it with the results of the manual transmission (MT). As a result, the CGST shows only 24% of torque drop of the MT, and torque oscillation followed after gear-shifting is reduced by 26%. Although the developed test bench was of limited size, the possibility and expected performance of the CGST have been confirmed as the solution for seamless transmission.
1. Introduction
To cover a wide speed range of vehicle using an internal combustion engine, the transmission should have various gear-ratios between the engine and final-drive [1]. For decades, vehicle manufacturers have tried to enhance engine efficiency, and improve fuel economy by increasing gear-stages of transmission. However, the transmission having discrete gear-stages, the torque drop while disengaging the clutch for shifting gears occurs inevitably. Reduction in this torque drop is one of the critical performance criteria of the transmission for better drive feeling and better acceleration [2,3]. For this reason, the various types of transmissions such as automatic transmission and dual-clutch transmission have been developed and implemented in the vehicles.
One of the commonly used vehicle transmissions, automatic transmission (AT) has remarkable gear-shift performance: smooth output torque and no torque hole (torque drop during gear-shifts) by using a fluidic torque converter. However, the automatic transmission system deteriorates overall driveline efficiency (approximately 86.3% [4]) due to the usage of a fluidic coupling and slip between rotating components. To compensate limitations of AT, automated manual transmission (AMT) was developed. AMT uses conventional manual transmission (MT) with a clutch, but gear-shifting is automatically done using actuators [5,6]. Energy efficiencies of AMT are much better than the AT since the absence of fluidic parts. However, AMT generally needs a frictional clutch, and it has limited durability and thermal stress problems [7,8]. Drive feeling is also degraded by discontinuous shifting procedure with torque drop [9]. In this respect, dual-clutch transmission (DCT) has been developed for the solution of seamless transmission [10,11]. Dual-clutch transmission utilizes separated clutches on odd and even gear-shafts, and changes transferred power with smoothly changing clutches during shifting gears. However, high price, maintenance issue of frictional clutches, and usage of complicated structures and hydraulic components are its limiting factors.
To compensate for the torque drop, various ideas have been studied based on the previously described transmissions last few decades. In the case of the automatic transmission, a torsional damper was added to the clutch disc to prevent oscillation due to torque interrupting. In cases of MT, AMT, and DCT which have frictional clutches, researches have been actively conducted to improve torque transmissibility and driving comfort by modeling frictional clutch in detail and modifying the control logic [12,13,14,15]. Ford motor company also has introduced “Torque Hole Filling (THF)” technology since 2012, which controls the torque filling by using motor assist and clutch control in the gear-shift phase [16,17].
Recently, as the hybrid and electric vehicle markets have expanded, electric motors have been widely implemented into the vehicle powertrain. According to this trend, a number of new types of electrified transmission have been proposed to compensate for the torque hole using the electric motor [18,19,20]. M. Ibamoto et al. proposed Hitachi Active Shift Transmission (HAST) for continuous gear-shifting [18]. HAST uses an electric motor and a differential gear, and it temporarily changes propulsion power into the differential gear using the electric motor. Thus, it can maintain the propulsion power to the final drive. However, a long gear-shaft is needed and a buffer gear-train makes the size of the transmission bigger. A. Sorniotti et al. proposed novel seamless transmission for electric vehicles with only two gear-stages [19]. It needs a sprag clutch and a friction clutch, and it changes the power from the sprag to clutch during shifting gears. However, it is limited to small numbers of gear-stages, and it also needs frictional parts. G. Hellenbroich et al. also proposed electrified seamless transmission using one electric motor, called FEV system [21]. However, it needs lots of gear-trains and power transferring path is too complicate and it can cause unnecessary loss by gear-meshing.
Through a few articles, we have proposed novel hybrid powertrain architecture, clutchless geared smart transmission (CGST), according to the trend the vehicle transmission electrification [22,23,24,25]. The CGST consists of one electric motor, one planetary gear-set (PGS), and a dual input gear-box. It controls the power transmitted to the driveline by selectively connecting the input shafts to the driveline using the PGS which has two degrees of freedom [22]. As a hybrid powertrain, CGST can optimize the operating point of the engine by selecting appropriate driving modes with connection combinations of the input shaft and planetary gear-set, thereby it can improve fuel economy compared to conventional parallel hybrid vehicles. Fuel economy improvement of the CGST was verified through the simulations [24,25]. In addition, its dynamic simulation confirms that seamless torque delivery is possible even during shifting gear-stages and driving modes [23]. Summarizing previous researches, CGST can be a promising solution for electrified seamless vehicle transmission without wearable frictional parts such as clutches.
In this study, we will propose a gear-shifting mechanism of the CGST for minimizing torque drop during shifting gears, and its performance will be experimentally verified by developed a test-rig. Its gear-shifting performance will be finally assessed by comparing it with the manual transmission in terms of torque drop and torque oscillation after shifting gears.
In this paper, the architecture of the proposed gear-shift mechanism will be presented, at first, and its gear-shift procedure for shifting gears will be investigated by a lever diagram. Next, the test-rig for verifying the gear-shifting performance will be shown and the characteristics and performance of the proposed gear-shift mechanism will be discussed with the test results.
2. Architecture of the Seamless Gear-Shift Mechanism
2.1. Transferred Torque during Shifting Gears
Torque drop (torque hole) inevitably occurs during shifting gears in case of the transmission with discrete gear-stages. A typical gear-shifting transient consists of two transitional phases: torque phase and inertia phase [26]. First, engine torque is reduced and the clutch is going to be disengaged during the torque phase. At the end of the torque phase, output torque drops to a minimal value. While the next gear is going to be engaged, the output toque is recovered during the inertia phase, but torque oscillation caused by inertial energy of powertrain components follows after the end of the gear-shift. These torque drop and torque oscillations should be minimized to improve driving feeling and acceleration performance. In this respect, even though low driveline efficiency, the continuously variable transmission (CVT) and AT are used for seamless and smooth torque transmission. DCT uses two clutches to provide seamless torque transmission with maintaining high driveline efficiency. However, its production and maintenance cost due to wearable frictional clutches and complicated structures are major limitations. Detailed investigations of performances of conventional transmissions are shown in Table 1. In this study, the clutchless geared smart transmission (CGST) consisting of a dual input gear-box, an electric motor, and a planetary gear-set is proposed as the one of solutions to provide both seamless torque transmission and high driveline efficiency without life-limiting clutches. CGST can suppress torque drop and torque oscillation by engaging the input shaft to the next gear after speed synchronizing. This gear-shifting concept will be described in the following sections.
Table 1.
Gear-shift performances of conventional transmissions.
2.2. Planetary Gear-Set
Before describing the shifting mechanism of the CGST, an understanding of a planetary gear-set should be needed. The planetary gear-set (PGS) consists of three rotating shafts: ring gear, carrier, and sun gear as shown in Figure 1. Approximating ring gear radius equals to the sum of planet gear diameter and sun gear radius, speeds of rotating shafts of PGS can be represented as follow:
where r is the radius of the element (or a number of gear teeth) and subscripts R, C, S, and P represents ring gear, carrier, sun gear, and planet gear, respectively.
Figure 1.
Schematics of a planetary gear-set and its components.
With static conditions, torques () of gears can be represented as the following relations. Subscripts of the torque follow the same notations as in the case of the radius.
For easy understanding of these kinematics of a planetary gear-set, lever analogy is commonly used as shown in Figure 2 [30]. The speed relation of a PGS can be expressed as the incline of a lever. The distance from the neutral node equal the rotational speed of the element. The torque relation of a PGS is similar to the force equilibrium of a lever. By lever equilibrium condition, torques of a PGS can be easily solved.
Figure 2.
Lever analogy of a planetary gear-set: (a) speed relation; (b) torque relation.
As shown in speed relations of lever analogy, the PGS has two degrees of freedom (DOF). Therefore, if the speed of one rotating shaft is fixed, the other shaft can control another rotating shaft. If the PGS is placed between the gearbox and the power sources (internal combustion engine, electric motor), even if one of the power sources is connected to the driveline, the other power source can control one axis of the PGS to synchronize to the next gear-shaft speed, and it enables seamless torque transmission. This is the main idea of the CGST gear-shift mechanism.
2.3. Seamless Gear-Shift Mechanism
CGST uses a PGS to control the power in the gear-box during the discrete gear-shift phase. The gear-box of the CGST has two input shafts and one output shaft which is connected to the driveline, so it can be called a dual input gearbox as shown in Figure 3.
Figure 3.
Schematics of dual input gear-box of the CGST (clutchless geared smart transmission).
Thanks to the PGS, the input shafts of the dual input gearbox can be independently controlled by the electric motor. The PGS is mechanically connected to the engine and the motor via a ring gear and sun gear respectively. The ring gear and carrier of PGS are also connected to different input gear-shafts of the dual input gearbox to transfer propelling power. In this study, the ring gear is connected with the input 2 shaft (even gear-stage shaft) and the engine. The carrier is connected with the input 1 shaft (odd gear-stage shaft), and the sun gear is connected with the electric motor. Therefore, if synchromesh 1 (SM1) is engaged then the power from the engine and the electric motor is transferred to the driveline through the carrier and odd gear-stage. If synchromesh 2 (SM2) is engaged then engine power is transferred to the driveline through the ring gear and even gear-stage as shown in Figure 3.
Based on this mechanism, CGST can shift gears through sequential shifting steps without a clutch [22,23]. The cases of gear-shifting of CGST can be divided into three kinds of unique gear-shift mechanism: (i) starting from a standstill, (ii) shifting from odd gear-stage to even gear-stage, (iii) shifting from even gear-stage to odd gear-stage. These shift mechanisms can be explained by lever analogy as follows:
- (i)
- Starting from a standstill: If the electric motor (represented as “S” in Figure 4) rotates k times faster than the engine rotating speed (“R” in Figure 4) in the opposite direction, the carrier speed (“C” in Figure 4) and odd gear-shaft can be standstill while the engine is rotating as Figure 4. After that, the 1st gear is engaged (yellow circle represents gear engaged condition), and the vehicle then starts from a standstill.
Figure 4. Lever analogy for describing starting from a standstill (R: Ring gear, Engine, C: Carrier gear, S: Sun gear, Electric Motor). - (ii)
- Shifting from odd gear-stage to even gear-stage: The vehicle is driven by the 1st gear (odd gear which is connected to Carrier gear “C” as shown in Figure 5). When gear upshift is needed, the motor speed (“S” in Figure 5) will increase to synchronize the ring gear-speed (2nd gear-shaft, “R” in Figure 5) to the output shaft. After speed synchronization, the 2nd gear (SM2 in Figure 5) can be engaged to the output shaft, and then motor torque is controlled to disengage the 1st gear (SM1 in Figure 5). By disengaging 1st gear, gear upshift is finally finished as shown in Figure 5.
Figure 5. Lever analogy for describing shifting from odd gear-stage to even gear-stage (R: Ring gear, Engine, C: Carrier gear, S: Sun gear, Electric Motor). - (iii)
- Shifting from even gear-stage to odd gear-stage: The shift mechanism of even to odd gear-shift is different from the case of odd to even gear-shift. To change gears, the carrier speed (“C” in Figure 6) is needed to be synchronized to the speed of the next odd gear-shaft by motor control, and then odd gear (synchromesh 3 (SM3) in Figure 6) is engaged. Afterward, by disengaging even gear-synchromesh (SM2 in Figure 6), the gear-shift will be finished as Figure 6.
Figure 6. Lever analogy for describing shifting from even gear-stage to odd gear-stage (R: Ring gear, Engine, C: Carrier gear, S: Sun gear, Electric Motor).
From the following sections, these three kinds of shift processes will be demonstrated by the test-rig. And finally, shift smoothness and characteristics of the CGST will be verified.
3. Test-Rig Development
3.1. Hardware of Test-Rig
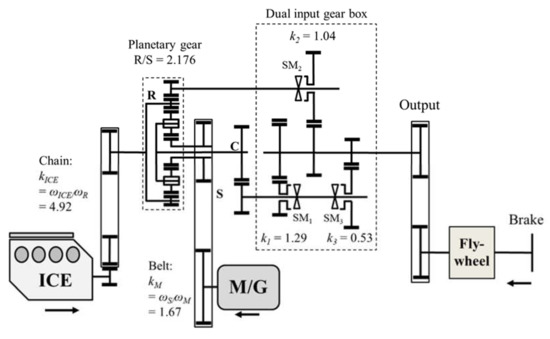
In this study, a simplified test-rig was developed to verify the gear-shifting performance of the CGST. The test-rig was assembled as shown in Figure 7. The structural arrangement of elements (ICE: Internal combustion engine, M/G: electric motor/generator, and PGS) is based on the architecture explained in the previous section. A flywheel and a brake system are added to represent vehicle mass and road load. There are three gear stages (k1 = 1.29, k2 = 1.04, k3 = 0.53) and a chain connection between engine and ring gear (kICE =ωICE/ωR= 4.92) to transfer the engine power to the transmission. The engine is a motor-cycle engine, and its total power is 18.23 kW that is about 60% of the compact car. Synchronous type 10 kW AC servo motor is chosen for the electric power source (DS-CH100CA-1, Doosan). The synchronous type AC servo motor can be controlled to precise position and speed by using the embedded encoder and controller (Pro-Motion P series, Doosan). And, it can produce 31.8 Nm rated torque with 3000 RPM rated speed. Because the motor is connected to the sun gear by a belt (kM =ωS/ωM= 1.67), the rated torque and speed of the sun gear are scaled to 19.0 Nm and 5010 RPM, respectively. However, the electric motor in this test bench was not optimized for the CGST in this study, thus it should be adjusted through further work. Instead of that, we investigated consumed motor power during gear-shifting tests. The equivalent rotational inertia of flywheel was determined based on a vehicle gross weight (700 kg), a wheel radius (257 mm), and a final gear ratio (4.263). The overall specifications of the developed test-rig are described in Table 2. Figure 8 shows pictures of the developed test-rig. Two metal boxes in the middle of the top figures represent the PGS (left) and the dual input gearbox (right), respectively. In the dual input gearbox, there are three gear-shift forks to operate SM1, SM2, and SM3. Detailed schematics of PGS and dual input gearbox are shown in Figure 9.
Figure 7.
Structure and connecting diagram of the CGST test bench.
Table 2.
Specifications of the developed test-rig.
Figure 8.
Pictures of the developed test-rig.
Figure 9.
Schematics of the planetary gear-set (PGS) (left) and a dual input gearbox (right) of the CGST.
3.2. Motor Controller with Disturbance Observer (DOB)
Disturbance observer (DOB) control is applied to the transmission controller to control the electric motor. Especially, during odd gear-stage driving, the rotational load on the motor is high enough to affect motor control performance, thus the load should be identified as a disturbance. Including ring gear dynamics and output torque, the disturbance () to the motor can be derived as follow:
where , , , are motor friction, flywheel brake torque, flywheel inertia, and flywheel damping, respectively.
Based on this definition, the DOB structure was developed as Figure 10. Load disturbances (denoted by d) are applied to the plant as an additional input.
Figure 10.
Disturbance observer for motor speed control.
To track the reference motor speed () typical Proportional-Integral-Differential (PID) controller () compensates the tracking error (). We can assume that the disturbance is applied to the plant () as the additional input as shown in Figure 10. The developed DOB estimates disturbance (denoted by d hat) from the measured resultant motor speed () and control input (), and it can finally compensate for the disturbance by adding the value to the PID controller output ().
In this study, Q-filter-based DOB is developed and it compensates the disturbance for robust speed control. The cut-off frequency of the Q-filter is determined to 1 Hz because the bandwidth of load disturbance is below 1 Hz. Pn (s) is the nominal plant model of the CGST. The PID controller () was developed using , as below to prevent infinite gains of I controller and D controller in the low and high-frequency domains.
where , , are proportional gain, integral gain, and differential gain, respectively.
However, the addition of the DOB can make the system unstable. To obtain a stable DOB controller, gain margin and phase margin were investigated by an equivalent open-loop transfer function. Assuming the DOB is an add-on controller, the equivalent open-loop transfer function can be represented as below [31]:
The frequency response of the equivalent open-loop transfer function is shown in Figure 11. The developed DOB has an infinite gain margin and over 80-degree phase margin at 20.6 rad/s, thus it has enough margins for robust control. To verify the performance of the DOB, the speed tracking experiments were performed under various load disturbances. Figure 12 shows the experimental results of a PID controller and a developed PID + DOB controller. Estimated output torque from the DOB is higher than brake torque because the efficiency of the gear train and frictions of the rotating element could not be measured from the torque sensor. However, the shape of the torque profile estimated by DOB was identical to the brake torque.
Figure 11.
Bode plot of the equivalent open-loop transfer function of the controller.
Figure 12.
Speed tracking performance of: (a) PID controller; (b) Disturbance Observer (DOB) + PID controller; (c) Output torque; (d) Output torque estimation by DOB.
Using the PID controller, hard braking seriously deteriorates tracking performance as shown in the graph (a) of Figure 12. Compared to the PID controller, the developed PID + DOB controller has better tracking performance (graph (b) of Figure 12) when disturbances exist. Using the developed motor controller, the motor speed control was successfully accomplished during the gear-shift.
4. Experimental Results
Three fundamental cases of gear-shifts: starting from a standstill, shifting from odd gear-stage to even gear-stage (from 1st to 2nd gear-stage), shifting from even gear-stage to odd gear-stage (from 2nd to 3rd gear-stage) were verified by experiments.
4.1. Starting from a Standstill
In the beginning, the engine is idling without the engagement of the 1st gear, and the speed of the carrier which is needed to be engaged to 1st gear is not zero. When the driver applies a start command such as shifting the gear lever from “Neutral (N)” to “Drive (D)” in practice, the motor will be quickly controlled to make carrier speed zero. Then 1st gear is engaged to the input shaft with carrier gear, and the vehicle can move forward.
Fast motor speed control is necessary for rapid starting. According to varying engine speed, the motor speed should be controlled to engage the 1st gear-stage as follows:
The parameters shown in the above are described in Figure 7. In this study, the results will be analyzed in terms of speeds of elements and output torque profile. The overall experimental results are shown in Figure 13. Before speed synchronization, the carrier speed is not zero (at 0 s). However, by controlling the motor speed from at 1.25 s, so the carrier speed can be zero at 1.45 s, and 1st gear is engaged to the carrier. Engine throttle is opened with motor acceleration after 1.8 s, and then the flywheel (representing the vehicle) starts to rotate. In this experiment, controlling the motor speed to make carrier speed zero, was achieved within only 0.2 s (faster control, of course, is possible). Because engine dynamic response is much slower than the motor, keeping carrier speed zero is easily accomplished. The output torque powerfully increases when the engine and motor simultaneously provide the propulsion power as shown in Figure 13 (1.8–3.8 s).
Figure 13.
Experimental results of starting event: (a) Engine throttle angle; (b) PGS speed; (c) Engine speed; (d) Gear stage and flywheel speed; (e) Motor speed; (f) Output torque during shifting phases (① Engine idling, ② Carrier speed synchronization, ③ Starting with motor assisting, ④ Acceleration by the engine).
4.2. Shifting from Odd Gear-Stage to Even Gear-Stage
When the gear-shift is initiated, speed synchronization is necessary to engage the next gear-stage. The engine throttle is partly closed and the motor speed increases with maintaining the output acceleration. If the speed of the next gear-shaft (ring gear-speed) is sufficiently close to the output shaft speed, SM2 (2nd gear) will be engaged. Afterward, the motor torque is decreased through the torque control step, and SM1 is disengaged.
During speed synchronization, varying motor torque for speed control may lead to discomfort feeling to the driver. Instead of speed control, constant motor torque was applied until the motor speed approaches the reference speed. Then, speed synchronization is maintained by motor speed control before engaging SM2. The following equation represents the motor speed demand to engage SM2.
Using this control scheme, the gear-shift performance was investigated in terms of output torque profile and shifting time.
Experimental results are shown in Figure 14. There are 3 transient phases during gear-shift: two-speed synchronization phases (denoted by ② and ③) and a torque control phase (④). At the beginning of the gear-shift (at 0.8 s), the engine throttle is partly closed, and engine torque is decreased. While decreasing engine speed, the motor compensates propulsion torque, thus it can provide continuous output torque.

Figure 14.
Experimental results of shifting from odd to even gear-stage (from 1st to 2nd): (a) Engine throttle angle; (b) PGS speed; (c) Engine speed; (d) Gear stage and flywheel speed; (e) Motor speed; (f) Output torque during shifting phases (① 1st gear driving, ② Speed synchronization (Motor torque control), ③ Speed synchronization (motor speed control), ④ Torque control, ⑤ 2nd gear driving).
By repeating gear-shift experiments, elapsed times for each transient phase were obtained as shown in Table 3. The average shifting time is 0.84 s. Speed synchronization time (for ② and ③) occupies 70% of the total time. Because the elapsed time of phase ③ is mainly decided by reaction time for actuating synchromesh by hands, there is no significance. This shifting time can be reduced by the fast actuation of synchromesh. The shifting time of CGST is comparable to the ones of conventional transmissions (MT: 0.5–1 s., AMT: 1.17 s., AT: ~1 s.).
Table 3.
Elapsed times for shifting from odd to even gear-stage (from 1st to 2nd) (Unit: second).
4.3. Shifting from Even Gear-Stage to Odd Gear-Stage.
Speed synchronization for engaging the next odd gear-shaft can be accomplished faster than the case for odd to even gear-shift because the carrier of the PGS which needs to be engaged to the next odd gear, can be controlled independently by the motor. The motor speed demand is calculated by the following equation:
However, after changing gears, adjustment of engine speed may be additionally followed. The engine throttle is temporarily closed to reduce engine speed and the motor compensates for propelling torque. After speed synchronization, the 3rd gear is engaged and the 2nd gear is disengaged in a short time interval.
The experiment results can be divided into five phases as presented in Figure 15. At 1.7 s, even to odd gear-shift is started with motor speed synchronization. Fast speed synchronization can be accomplished within 0.2 seconds. At the end of phase ②, 3rd gear-synchromesh is engaged to the output shaft, and 2nd gear-synchromesh is disengaged at the end of phase ③. In phase ④, the motor speed is increased by applying constant motor torque while engine speed is decreased to adjust the engine speed. When engine speed is reduced to a certain speed (at 1200 RPM in this experiment), the engine speed adjustment phase is terminated. However, engine speed decreases even after termination of phase ④ because the engine cannot immediately respond to engine throttle opening. In phase ⑤, the motor and engine simultaneously provide propelling torque to the output.
Figure 15.
Experimental results of shifting from even to odd gear-shift (from 2nd to 3rd): (a) Engine throttle angle; (b) PGS speed; (c) Engine speed; (d) Gear stage and flywheel speed; (e) Motor speed; (f) Output torque during shifting phases (① 2nd gear driving, ② Speed synchronization, ③ Torque control, ④ Engine speed adjustment, ⑤ 3rd gear driving).
Shifting times are summarized in Table 4. The average elapsed time for gear-shift is 0.71 s. It is faster than the case for odd to even gear-shift. Including the engine speed adjustment phase, a total of 1.04 s is needed. This time for even to odd gear-shift is also comparable to conventional transmissions.
Table 4.
Elapsed times for shifting from even to odd gear-stage (from 2nd to 3rd) (Unit: second).
5. Discussion
To evaluate the gear-shift performance of the CGST, the output torque profile of the manual transmission (MT), which uses a clutch, is obtained under an identical test environment. The manual transmission used for the comparisons is the embedded transmission of the engine, and it has a wet multi-plate type clutch. The clutch actuation and gear-shifting were performed by hands. The gear-shifting using the clutch was finished within 0.8–1.2 s as the conventional manual transmission. There are torque phase and inertia phase with a large torque drop (torque hole) in the case of the manual transmission as shown in the top graph of Figure 16. A large amount of torque oscillation is followed. A comparison of the output torques between the manual transmission and the CGST is shown in Figure 16. In both gear-shift transients: odd to even gear-shift and even to the odd gear-shift, a small amount of torque drop and oscillation are found, but these are not distinguishable from the normal oscillation during driving. The magnitude of torque drop and oscillation time and values are summarized in Table 5. CGST shows only 24% of torque drop of the MT (CGST: –14.6 Nm, MT: –60.0 Nm), and torque oscillation can be reduced by 26% (CGST: 0.77 s, MT: 1.04 s). Based on the results, we can anticipate that the CGST provides faster acceleration and a smooth drive feeling to the driver. Figure 17 shows the consumed motor power of the CGST during the gear-shifting. Maximum motor power is required during speed synchronization for odd to even gear-shifting, and the peak power is only about 0.5 kW. In further work, components of the CGST including the motor can be optimized by considering the consumed power in the experiment results.
Figure 16.
Comparisons of output torque profiles of manual transmission (MT) and CGST.
Table 5.
Performances of the CGST and comparisons with the manual transmission.
Figure 17.
Consumed motor power during gear-shifting.
6. Conclusions
Torque drop during gear-shift can deteriorate driving feeling and acceleration performance of the vehicle. As one of the solutions to reduce torque drop the CGST was dealt with in this study. The novel gear shift mechanism of the CGST was explained based on the PGS lever analogy, and the developed test-rig to verify its seamless gear-shift characteristics was presented. The gear-shifts of the CGST can be divided into 3 cases: starting from a standstill, shifting from odd gear-stage to even gear-stage, and shifting even gear-stage to odd gear-stage. The motor speed demand to synchronize the speed of the engaging shaft to the next gear-shaft was derived, and the motor was controlled based on the DOB controller. The validation of the CGST gear-shift mechanism was successfully performed using the test-rig. In the case of the CGST, torque drop was almost eliminated compared to the conventional manual transmission (MT: –60.0 Nm, CGST: from –10.3 to –14.6 Nm) and it shows reduced torque oscillation after gear-shift. Furthermore, the time for gear-shift was also comparable to the manual transmission. Summarizing these results, we can expect that the CGST can improve the drive feeling of the vehicle by reducing torque hole and torque oscillation.
However, the test bench in this study only reflects small driving speed and inertia, and the experiment scenarios are also limited. Thus, if various gear-shift scenarios and gear-shifts in high-speed driving are performed in the real-size vehicle system, in the future, the strengths of the CGST in terms of gear-shift smoothness will be magnified.
Author Contributions
Conceptualization, S.J.K. and K.-S.K.; methodology, S.J.K. and K.-S.K.; investigation, S.J.K.; data curation, S.J.K.; writing—original draft preparation, S.J.K.; writing—review and editing, S.J.K. and K.-S.K.; supervision, K.-S.K.; project administration, K.-S.K. All authors have read and agreed to the published version of the manuscript.
Funding
This research received no external funding.
Acknowledgments
The work reported in this paper evolved from the author’s thesis submitted for the Ph.D. degree at the Korea Advanced Institute of Science and Technology.
Conflicts of Interest
The authors declare no conflict of interest.
References
- Guzzella, L.; Sciarretta, A. Vehicle Propulsion Systems, 2nd ed.; Springer: Berlin/Heidelberg, Germany, 2007. [Google Scholar]
- Yamasaki, M.; Konno, H.; Kuroiwa, H.; Ozaki, N. Automated Manual Transmission with Torque Assist Mechanism for Reducing Shift Shock; SAE Paper, No. 2005-01-1783; SAE International: Warrendale, PA, USA, 2005. [Google Scholar]
- Hu, J.; Sun, C.; Li, X.J. A torque compensation strategy in two-speed automated mechanical transmission shift process for pure electric vehicles. Adv. Mech. Eng. 2015, 7, 1–11. [Google Scholar]
- Kluger, M.; Long, D. An Overview of Current Automatic; SAE Paper, No. 1999-01-1259; SAE International: Warrendale, PA, USA, 1999. [Google Scholar]
- Lucente, G.; Montanari, M.; Rossi, C. Modelling of an automated manual transmission system. Mechatronics 2007, 17, 73–91. [Google Scholar] [CrossRef]
- Glielmo, L.; Iannelli, L.; Vacca, V.; Vasca, F. Gearshift control for automated manual transmission. IEEE/ASME Trans. Mechatron. 2006, 11, 17–26. [Google Scholar] [CrossRef]
- Newcomb, T.P.; Spurr, R.T. Friction Materials in Neale M.J. Tribology Handbook; Butterworths: London, UK, 1996. [Google Scholar]
- Zagrodzki, P. Analysis of thermomechanical phenomena in multidisc clutches and brakes. Wear 1990, 140, 291–308. [Google Scholar] [CrossRef]
- Heijden, A.C.V.d.; Serrarens, A.F.A.; Camlibel, M.K.; Nijmeijer, H. Hybrid optimal control of dry clutch engagement. Int. J. Control 2007, 80, 1717–1728. [Google Scholar]
- Galvagno, E.; Velardocchia, M.; Vigliani, A. Dynamic and kinematic model of a dual clutch transmission. Mech. Mach. Theory 2011, 46, 794–805. [Google Scholar] [CrossRef]
- Razzacki, S.; Hottenstein, J. Synchronizer Design and Development for Dual Clutch Transmission (DCT); SAE Paper, No. 2007-01-0114; SAE International: Warrendale, PA, USA, 2007. [Google Scholar]
- Awadallah, M.; Tawadros, P.; Walker, P.; Zhang, N. Dynamic modeling and simulation of a manual transmission based mild hybrid vehicle. Mech. Mach. Theory 2017, 112, 218. [Google Scholar]
- Yan, Z.; Yan, F.; Liang, J.; Duan, Y. Detailed modeling and experimental assessments of automotive dry clutch engagement. IEEE Access 2019, 7, 59100. [Google Scholar] [CrossRef]
- Liang, J.; Yang, H.; Wu, J.; Zhang, N.; Walker, P.D. Shifting and power sharing control of a novel dual input clutchless transmission for electric vehiles. Mech. Syst. Signal Process. 2018, 104, 725. [Google Scholar] [CrossRef]
- Lee, S.D.; Kim, S.L. Clutch disengagement characteristics mainly affects the vehicle manipulating comfort. Proc. Inst. Mech. Eng. D J. Automov. Eng. 2010, 224, 1433–1450. [Google Scholar] [CrossRef]
- Teslak, C.; Tseng, E.; Cicala, S.; Riedle, B.; Fujii, Y.; Zhang, J.; Griffin, C.; Slayton, J.; O’Neil, B. Implementation of Torque Hole Filling for Transmission Shift Control; SAE Technical Paper 2018-01-1169; SAE International: Warrendale, PA, USA, 2018. [Google Scholar]
- Shelton, M.; Teslak, C.; Dai, Z. Torque Hole Filling in a Hybrid Vehicle During Automatic Transmission Shifting. U.S. Patent US,2,013,029,612,7A1, 7 November 2013. [Google Scholar]
- Ibamoto, M.; Sakamoto, H.; Kuroiwa, H. Study of an automatic transmission transferring torque an electric motor. Rev. Automot. Eng. 2004, 25, 165–171. [Google Scholar]
- Sorniotti, A.; Pilone, G.; Viotto, F.; Bertolotto, S.; Everitt, M.; Barnes, R.; Morrish, I. A novel seamless 2-speed transmission system for electric vehicles: Principles and simulation results. SAE Int. J. Engines 2011, 4, 2671–2685. [Google Scholar] [CrossRef]
- Mousavi, M.; Pakniyat, A.; Wang, T.; Boulet, B. Seamless dual brake transmission for electric vehicles: Design, control and experiment. Mech. Mach. Theory 2015, 94, 96–118. [Google Scholar] [CrossRef]
- Hellenbroich, G.; Rosenburg, V. FEV’s New Parallel Hybrid Transmission with Single Dry Clutch and Electric Torque Support. In Proceedings of the 3rd International Congress of the VDI, Bradenburg, Germany, 20–24 May 2009; pp. 467–578. [Google Scholar]
- Yoon, Y.-S.; Kim, S.J.; Kim, K.-S. Conceptual design of economic hybrid vehicle system using clutchless geared smart transmission. Int. J. Automot. Technol. 2013, 14, 779–784. [Google Scholar] [CrossRef]
- Kim, S.J.; Song, C.; Kim, K.-S.; Yoon, Y.-S. Analysis of the shifting behavior of a novel clutchless geared smart transmission. Int. J. Automot. Technol. 2014, 15, 125–134. [Google Scholar] [CrossRef]
- Kim, S.J.; Yoon, Y.-S.; Kim, S.; Kim, K.-S. Fuel economy assessment of novel multi-mode parallel hybrid electric vehicle. Int. J. Automot. Technol. 2015, 16, 501–512. [Google Scholar] [CrossRef]
- Kim, S.J.; Kim, K.-S.; Kum, D.S. Feasibility assessment and design optimization of a clutchless multi-mode parallel hybrid electric powertrain. IEEE/ASME Trans. Mechatron. 2016, 21, 774. [Google Scholar] [CrossRef]
- Kulkarni, M.; Shim, T.; Zhang, Y. Shift dynamics and control of dual-clutch transmissions. Mech. Mach. Theory 2007, 42, 168–182. [Google Scholar] [CrossRef]
- Li, W.; He, H.; Peng, L.; Zhou, X. Shifting Process Study on AMT of a Parallel Hybrid Electric Vehicle. In Proceedings of the 4th International Conference on PESA, Hong Kong, China, 8–10 June 2011; pp. 1–7. [Google Scholar]
- Kwon, B.; Kim, H. Dynamic analysis of shift quality for clutch to clutch controlled automatic transmission. KSME Int. J. 2000, 14, 1348–1357. [Google Scholar] [CrossRef]
- Heath, R.P.G.; Child, A.J. Zeroshift. A Seamless Automated Manual Transmission (AMT) with No Torque Interrupt; SAE Paper No. 2007-01-1801; SAE International: Warrendale, PA, USA, 2007. [Google Scholar]
- Benford, H.L.; Leising, M.B. The Lever Analogy: A New Tool in Transmission Analysis; SAE Paper No. 810102; SAE International: Warrendale, PA, USA, 1981. [Google Scholar]
- Seo, H.-T.; Kim, K.-S.; Kim, S. Reinterpretation of disturbance observer as an add-on controller. In Proceedings of the ICCAS, Taichung, Taiwan, 22–25 October 2014. [Google Scholar]
Publisher’s Note: MDPI stays neutral with regard to jurisdictional claims in published maps and institutional affiliations. |
© 2020 by the authors. Licensee MDPI, Basel, Switzerland. This article is an open access article distributed under the terms and conditions of the Creative Commons Attribution (CC BY) license (http://creativecommons.org/licenses/by/4.0/).

















