A Comparative Study of GaN HEMT and Si MOSFET-Based Active Clamp Forward Converters
Abstract
:1. Introduction
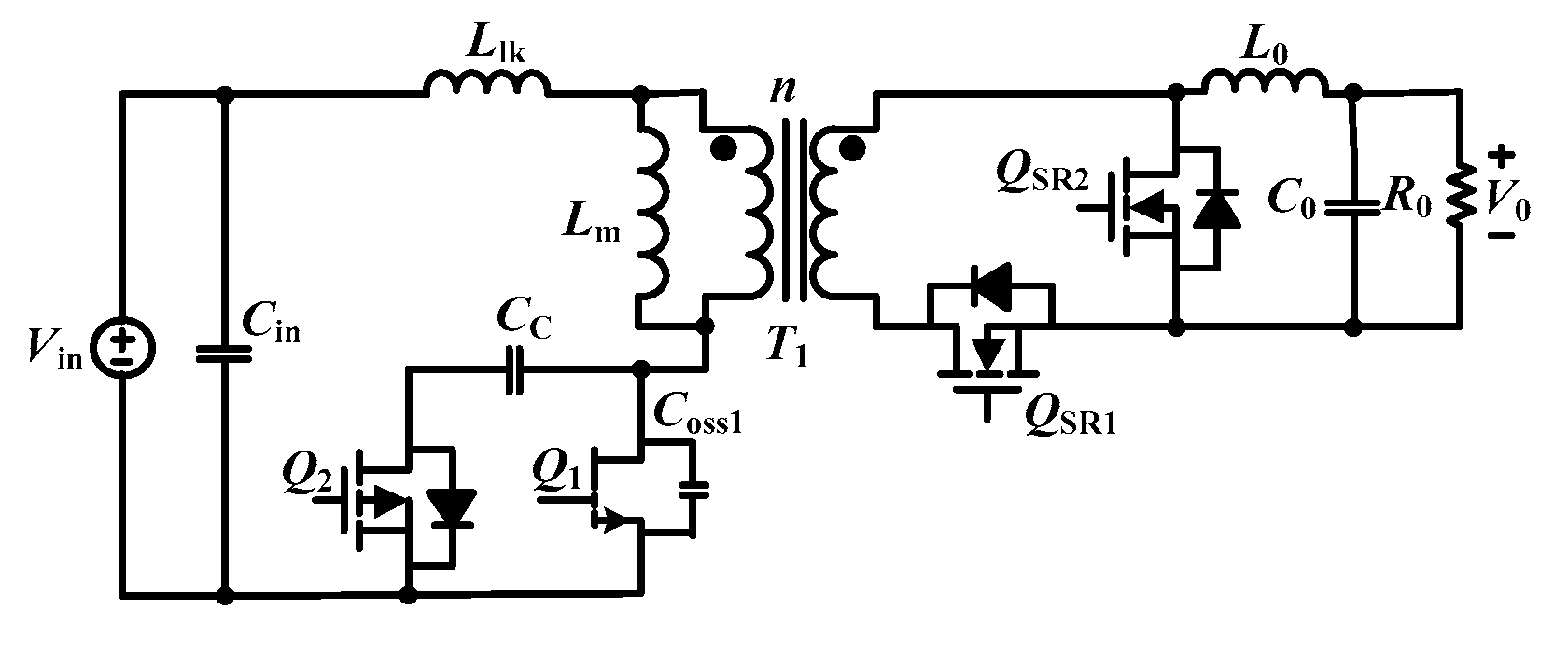
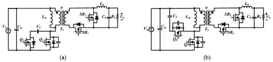
2. Operation Principle for GaN-Based Active Clamp Forward Converter
- (1)
- All power devices, including Q1, Q2, QSR1 and QSR2, are ideal, except for the output capacitance of Q1.
- (2)
- The inductance L0 is large enough, so the current iL0 is roughly constant.
- (3)
- The clamp capacitance Cc and output capacitance C0 is large enough so that their voltages can be considered as the constant during one switching period Ts.
- (4)
- The circuit is operated at steady-state.
- (5)
- The inductance Llk is large enough for achieving ZVS operation of the switch Q1.
3. Design Consideration
3.1. Turn Ratio of Transformer T1 and Output Inductor L0
3.2. Clamp Capacitance Cc Design
3.3. Comparing GaN HEMT and Si MOSFET
3.4. PCB Layout Consideration of GaN HEMT
4. Experimental Verification
5. Conclusions
Author Contributions
Funding
Conflicts of Interest
References
- Lin, J.Y.; Liu, P.J.; Yang, C.Y. A dual-transformer active-clamp forward converter with nonlinear conversion ratio. IEEE Trans. Power Electron. 2016, 31, 4353–4361. [Google Scholar] [CrossRef]
- Lin, J.-Y.; Lee, S.-Y.; Ting, C.-Y.; Syu, F.-C. Active-clamp forward converter with lossless-snubber on secondary-side. IEEE Trans. Power Electron. 2019, 34, 7650–7661. [Google Scholar] [CrossRef]
- Wu, H.; Xing, Y. Families of forward converters suitable for wide input voltage range applications. IEEE Trans. Power Electron. 2014, 29, 6006–6017. [Google Scholar] [CrossRef]
- Fang, W.; Liu, X.-D.; Liu, Y.-F. A new digital control algorithm for dual-transistor forward converter. IEEE Trans. Ind. Inform. 2013, 9, 2074–2081. [Google Scholar] [CrossRef]
- Roggia, L.; Schuch, L.; Baggio, J.E.; Rech, C.; Pinheiro, J.R. Integrated full-bridge-forward DC–DC converter for a residential microgrid application. IEEE Trans. Power Electron. 2013, 28, 1728–1740. [Google Scholar] [CrossRef]
- Li, Q.; Lee, F.C.; Jovanovic, M.M. Design considerations of transformer DC bias of forward converter with active-clamp reset. IEEE APEC 1999, 1, 553–559. [Google Scholar]
- Texas Instruments Application. Incorporating Active-Clamp Technology to Maximize Efficiency in Fly-Back and Forward Designs; Texas Instruments Application: Dallas, TX, USA, 2010; TI Literature No. slup262. [Google Scholar]
- Texas Instruments Application. Active Clamp Transformer Reset: High Side or Low Side? Texas Instruments Application: Dallas, TX, USA, 2004; TI Literature No. slua322. [Google Scholar]
- Youn, H.S.; Baek, J.; Kim, J.K. Interleaved Active Clamp Forward Converter With Extended Operating Duty Ratio by Adopting Additional Series-Connected Secondary Windings for Wide Input and High Current Output Applications. IEEE Trans. Power Electron. 2019, 34, 4423–4433. [Google Scholar] [CrossRef]
- Jeong, Y.; Park, J.D.; Moon, G.W. An Interleaved Active-Clamp Forward Converter Modified for Reduced Primary Conduction Loss without Additional Components. IEEE Trans. Power Electron. 2020, 35, 121–130. [Google Scholar] [CrossRef]
- Lee, S.; Choi, S.; Moon, G. High-Efficiency Active-Clamp Forward Converter with Transient Current Build-Up (TCB) ZVS Technique. IEEE Trans. Ind. Electron. 2007, 54, 310–318. [Google Scholar] [CrossRef]
- Ahmed, M.H.; de Rooij, M.A.; Wang, J. High-Power Density, 900-W LLC Converters for Servers Using GaN FETs: Toward Greater Efficiency and Power Density in 48 V to 6V/12V Converters. IEEE Power Electron. Mag. 2019, 6, 40–47. [Google Scholar] [CrossRef]
- Li, Y.; Lyu, X.; Cao, D.; Jiang, S.; Nan, C. A 98.55% Efficiency Switched-Tank Converter for Data Center Application. IEEE Trans. Ind. Appl. 2018, 54, 6205–6222. [Google Scholar] [CrossRef]
- Huang, X.; Feng, J.; Du, W.; Fred, C.L.; Qiang, L. Design consideration of MHz active clamp flyback converter with GaN devices for low power adapter application. In Proceedings of the 2016 IEEE APEC, Long Beach, CA, USA, 20–24 March 2016; pp. 2334–2341. [Google Scholar]
- Lidow, A.; Strydom, J.; de Rooij, M.; Reusch, D. GaN Transistors for Efficient Power Conversion, 2nd ed.; Wiley: Hoboken, NJ, USA, 2014. [Google Scholar]
- Strydom, J.; Reusch, D.; Colino, S.; Nakata, A. Using Enhancement Mode GaN-on-Silicon Power FETs (eGaN® FETs); Application Note. AN003; EPC: St. Charles, MO, USA, 2017; pp. 1–9. [Google Scholar]
- Colino, S.L.; Beach, R.A. Fundamentals of Gallium Nitride Power Transistors; Application Note. AN002; EPC: St. Charles, MO, USA, 2011; pp. 1–4. [Google Scholar]
- Huang, X.Z.; Liu, F.C.L.; Li, Q. Characterization and enhancement of high-votlage cascode GaN devices. IEEE Trans. Electron. Devices 2015, 62, 270–277. [Google Scholar] [CrossRef]
- Lidow, A.; de Rooij, M. eGaN ® FET Electrical Characteristics; White Pap. WP007; EPC: St. Charles, MO, USA, 2012; pp. 1–9. [Google Scholar]
- Xue, L.; Zhang, J. Highly Efficient Secondary-Resonant Active Clamp Flyback Converter. IEEE Trans. Ind. Electron. 2018, 65, 1235–1243. [Google Scholar] [CrossRef]
- Huang, X.; Feng, J.; Lee, F.C.; Li, Q.; Yang, Y. Conducted EMI analysis and filter design for MHz active clamp flyback front-end converter. In Proceedings of the 2016 IEEE APEC, Long Beach, CA, USA, 20–24 March 2016; pp. 1534–1541. [Google Scholar]
- Xue, L.; Zhang, J. Design Considerations of Highly-Efficient Active Clamp Flyback Converter Using GaN Power ICs. In Proceedings of the 2018 IEEE APEC, San Antonio, TX, USA, 4–8 March 2018; pp. 777–782. [Google Scholar]
- Xue, L.; Zhang, J. Active clamp flyback using GaN power IC for power adapter applications. In Proceedings of the 2017 IEEE APEC, Tampa, FL, USA, 26–30 March 2017; pp. 2441–2448. [Google Scholar]
- Huang, X.; Du, W.; Lee, F.C.; Li, Q. A novel driving scheme for synchronous rectifier in MHz CRM flyback converter with GaN devices. In Proceedings of the 2015 IEEE ECCE, Montreal, QC, Canada, 20–24 September 2015; pp. 5089–5095. [Google Scholar]
- LaBella, T.; York, B.; Hutchens, C.; Lai, J.-S. Dead time optimization through loss analysis of an active-clamp flyback converter utilizing GaN devices. In Proceedings of the 2012 IEEE ECCE, Raleigh, NC, USA, 15–20 September 2012; pp. 3882–3889. [Google Scholar]
- Bulut, Ö.; Aydemir, M.T. Design and loss analysis of a 200-W GaN based active clamp forward converter. In Proceedings of the 5th International Conference on Electrical and Electronic Engineering (ICEEE), Istanbul, Turkey, 3–5 May 2018; pp. 97–100. [Google Scholar]
- Zhang, Z.; He, B.; Hu, D.; Ren, X.; Chen, Q. Multi-Winding Configuration Optimization of Multi-Output Planar Transformers in GaN Active Forward Converters for Satellite Applications. IEEE Trans. Power Electron. 2019, 34, 4465–4479. [Google Scholar] [CrossRef]
- 18V-60V Input, 12V@10A Active Clamp Forward Reference Design. 2011. Available online: https://www.ti.com/tool/PMP6547?keyMatch=PMP6547%20&tisearch=Search-EN-everything&usecase=GPN (accessed on 7 July 2020).
- 18-72VDC Input, 12V/120W Active Clamp Forward Reference Design. 2017. Available online: https://www.ti.com/tool/PMP8861?keyMatch=PMP8861&tisearch=Search-EN-everything&usecase=GPN (accessed on 7 July 2020).
- 19 to 30Vin 12V@10A Active Clamp Forward Reference Design. 2013. Available online: https://www.ti.com/tool/PMP8866?keyMatch=PMP8866&tisearch=Search-EN-everything&usecase=GPN (accessed on 7 July 2020).
- HQA2W120W120V Specifications. Available online: https://product.tdk.com/info/en/documents/spec/dc-dc-converter/hqa120_spec.pdf (accessed on 7 July 2020).
- Huang, Q.; Huang, A.Q. Review of GaN totem-pole bridgeless PFC. CPSS Trans. Power Electron. Appl. 2017, 2, 187–196. [Google Scholar] [CrossRef]
- Zhang, R.; Kozak, J.P.; Xiao, M.; Liu, J.; Zhang, Y. Surge-Energy and Overvoltage Ruggedness of p-Gate GaN HEMTs. IEEE Trans. Power Electron. 2020. [Google Scholar] [CrossRef]
- Efficient Power Conversion Corporation. “EPC2021–Enhancement-mode Power Transistor,” EPC2021 datasheet, [Revised May 2020]. Available online: https://epc-co.com/epc/Portals/0/epc/documents/datasheets/EPC2021_datasheet.pdf (accessed on 2 June 2020).
- Zhang, B.; Wang, S. A Survey of EMI Research in Power Electronics Systems with Wide-Bandgap Semiconductor Devices. IEEE J. Emerg. Sel. Top. Power Electron. 2020, 8, 626–643. [Google Scholar] [CrossRef]
- Zhang, Z.; He, B.; Hu, D.; Ren, X.; Chen, Q. Common-Mode Noise Modeling and Reduction for 1-MHz eGaN Multioutput DC–DC Converters. IEEE Trans. Power Electron. 2019, 34, 3239–3254. [Google Scholar] [CrossRef]
- Chu, Y.; Wang, S. A generalized common-mode current cancelation approach for power converters. IEEE Trans. Ind. Electron. 2015, 62, 4130–4140. [Google Scholar] [CrossRef]
- Li, Y.; Zhang, H.; Wang, S.; Sheng, H.; Lakshmikanthan, S.; Chng, C.P. Techniques of the modeling, measurement and reduction of common mode noise for a multi-winding switching transformer. In Proceedings of the 2017 IEEE APEC, Tampa, FL, USA, 26–30 March 2017; pp. 2511–2518. [Google Scholar]














| Parameter | Designator | Value |
|---|---|---|
| Input voltage | Vin | 18~36 Vdc |
| Nominal input voltage | Vnom | 28 Vdc |
| Output voltage | V0 | 12 Vdc |
| Output Power | P0 | 120 W |
| Switching frequency | fs | 200 kHz |
| Desired efficiency | η | 95% |
| 100 V/80 V FETs | Part Number | Voltage Rating Vds(V) | Ron (mΩ) | Ciss (pF) | FOM1 (Ron × Ciss) | Qoss (nC) | FOM2 (Ron × Qoss) | Qrr (nC) | FOM3 (Ron × Qrr) |
|---|---|---|---|---|---|---|---|---|---|
| Enhencement-Mode GaN FET | EPC2021 (EPC) | 80 | 2.2 | 1610 | 3542 | 72 | 158.4 | 0 | 0 |
| GS-010-120-1-P (GaN Systems) | 100 | 5 | 885 | 4425 | 32.4 | 162 | 0 | 0 | |
| Si MOSFET | BSC035N10NS5 (Infineon) | 100 | 3.5 | 5000 | 17,500 | 91 | 318.5 | 122 | 427 |
| CSD19532Q5B (TI.) | 100 | 4.0 | 3700 | 14,800 | 128 | 512 | 249 | 996 |
| Maximum Ratings | |||
|---|---|---|---|
| VDS | Drain-to-source voltage (continuous) | 80 | V |
| Drain-to-source voltage (up to 10,000 5 ms pulses at 150 °C) | 96 | V | |
| Parameters | Value | Description | |
|---|---|---|---|
| GaN Prototype | Si Prototype | ||
| Q1 | EPC2021 | BSC035N10NS5 | Main switch |
| Q2 | FDMC86262P | Clamp P-MOSFET | |
| QSR1, QSR2 | BSC035N10NS5 | Synchronous rectifier | |
| Cc | 47 nF | 47 nF | 100 V/1206 Ceramic capacitor |
| fs | 200 kHz | Switching frequency | |
| L0 | 14 μH/EC20B3 | Output-filter inductor | |
| C0 | 517 μF/16 V | 47 μF/16 V × 11 Ceramic capacitor | |
| Driver IC | UCC27611 | UCC27524 | Low Side Driver |
| Control IC | UCC2897A | TI Active Clamp pulse-width-modulation (PWM) Controller | |
| Part Number | Description | Switching Frequency | Efficiency |
|---|---|---|---|
| This Work | 18 V~36 V Input, 12 V @ 10 A Active Clamp Forward | 200 kHz | 95.45% @ 28 V |
| PMP6547 (TI) [28] | 18 V~60 V Input, 12 V @ 10 A Active Clamp Forward | 220 kHz | 93.4% @ 24 V |
| PMP8861 (TI) [29] | 18~72 VDC Input, 12 V @ 120 W Active Clamp Forward Reference Design | 200 kHz | 94.7% @ 24 V |
| PMP8866 (TI) [30] | 19 to 30 Vin 12 V @ 10 A Active Clamp Forward Reference Design | 200 kHz | 93.0% @ 24 V |
| HQA2W120W120V (TDK-Lambda) [31] | Isolated Module DC DC Converter 1 Output 12 V @ 10 A 9 V~40V Input | 270 kHz | 89.0% typ. @ 28 V |
© 2020 by the authors. Licensee MDPI, Basel, Switzerland. This article is an open access article distributed under the terms and conditions of the Creative Commons Attribution (CC BY) license (http://creativecommons.org/licenses/by/4.0/).
Share and Cite
Li, X.; Ma, H.; Yi, J.; Lu, S.; Xu, J. A Comparative Study of GaN HEMT and Si MOSFET-Based Active Clamp Forward Converters. Energies 2020, 13, 4160. https://doi.org/10.3390/en13164160
Li X, Ma H, Yi J, Lu S, Xu J. A Comparative Study of GaN HEMT and Si MOSFET-Based Active Clamp Forward Converters. Energies. 2020; 13(16):4160. https://doi.org/10.3390/en13164160
Chicago/Turabian StyleLi, Xiaobin, Hongbo Ma, Junhong Yi, Song Lu, and Jianping Xu. 2020. "A Comparative Study of GaN HEMT and Si MOSFET-Based Active Clamp Forward Converters" Energies 13, no. 16: 4160. https://doi.org/10.3390/en13164160
APA StyleLi, X., Ma, H., Yi, J., Lu, S., & Xu, J. (2020). A Comparative Study of GaN HEMT and Si MOSFET-Based Active Clamp Forward Converters. Energies, 13(16), 4160. https://doi.org/10.3390/en13164160

