Modeling and Control of a Multifunctional Three-Phase Converter for Bidirectional Power Flow in Plug-In Electric Vehicles
Abstract
1. Introduction
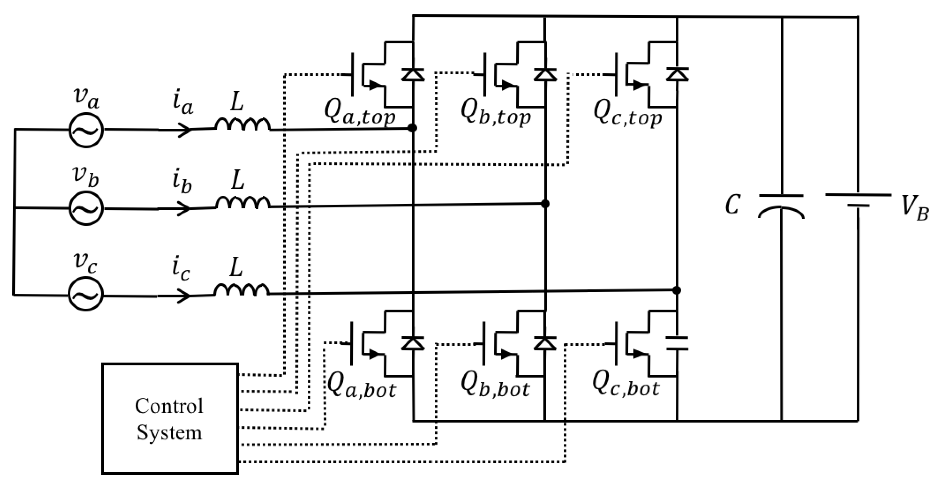
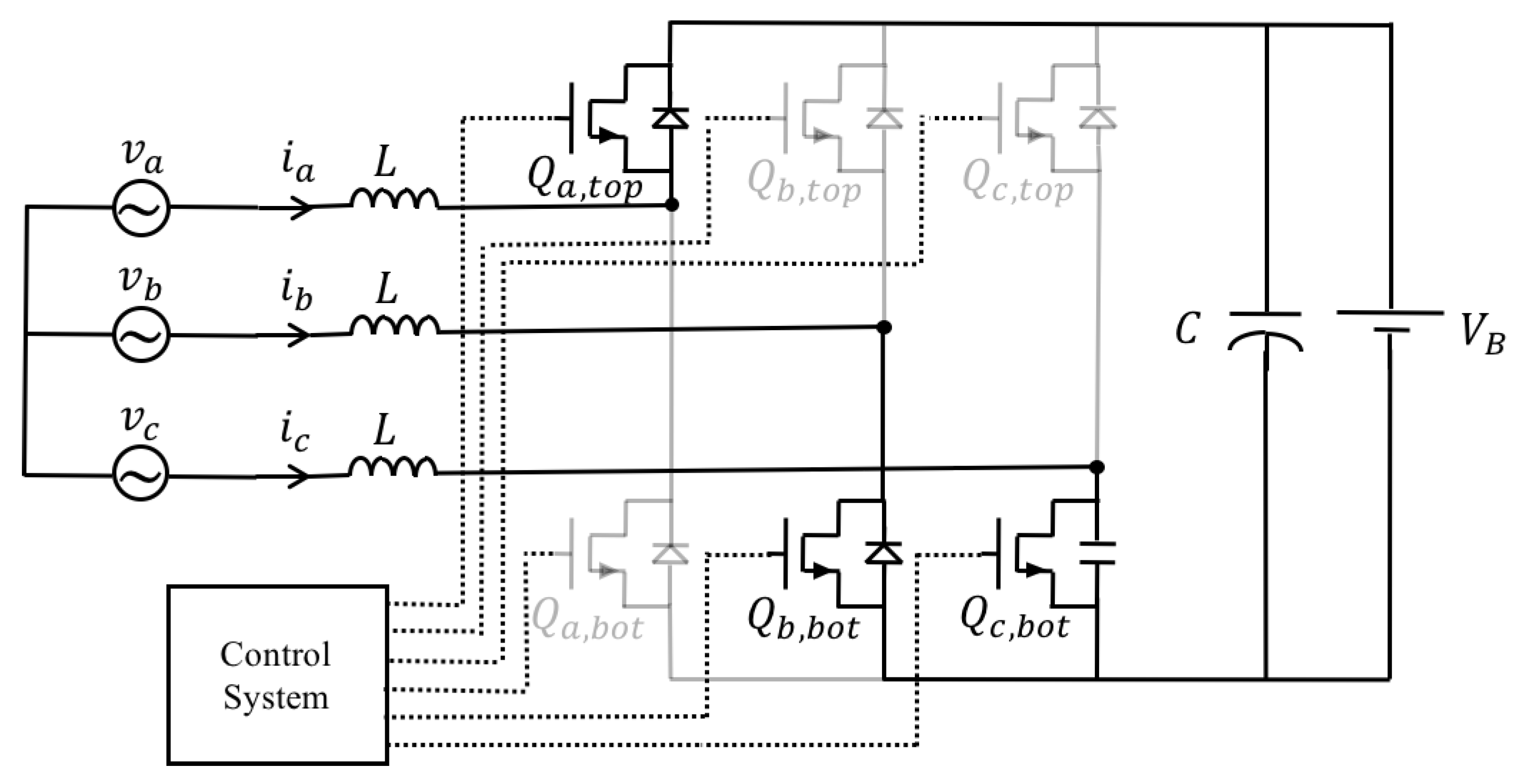
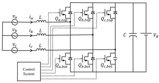
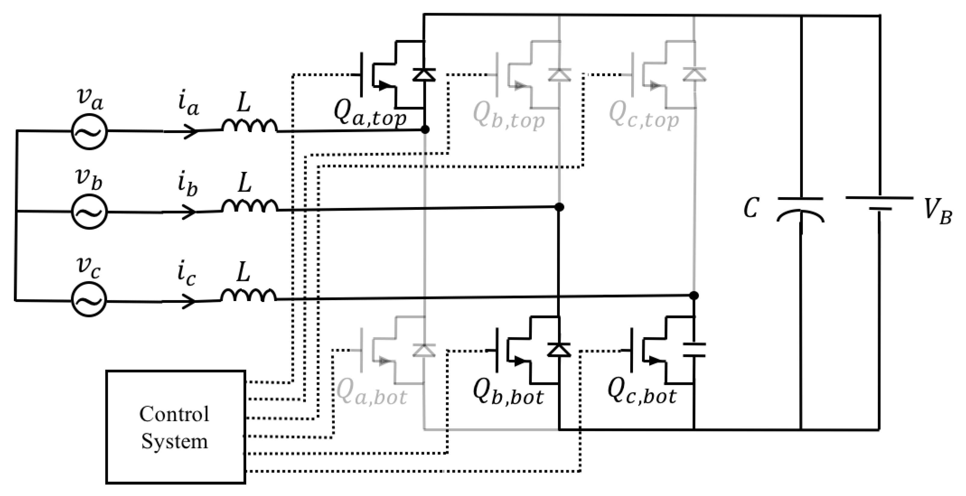
2. Operation Principle and Dynamic Model of the Bidirectional Three-Phase Converter
3. Nonlinear Sliding-Mode Controller
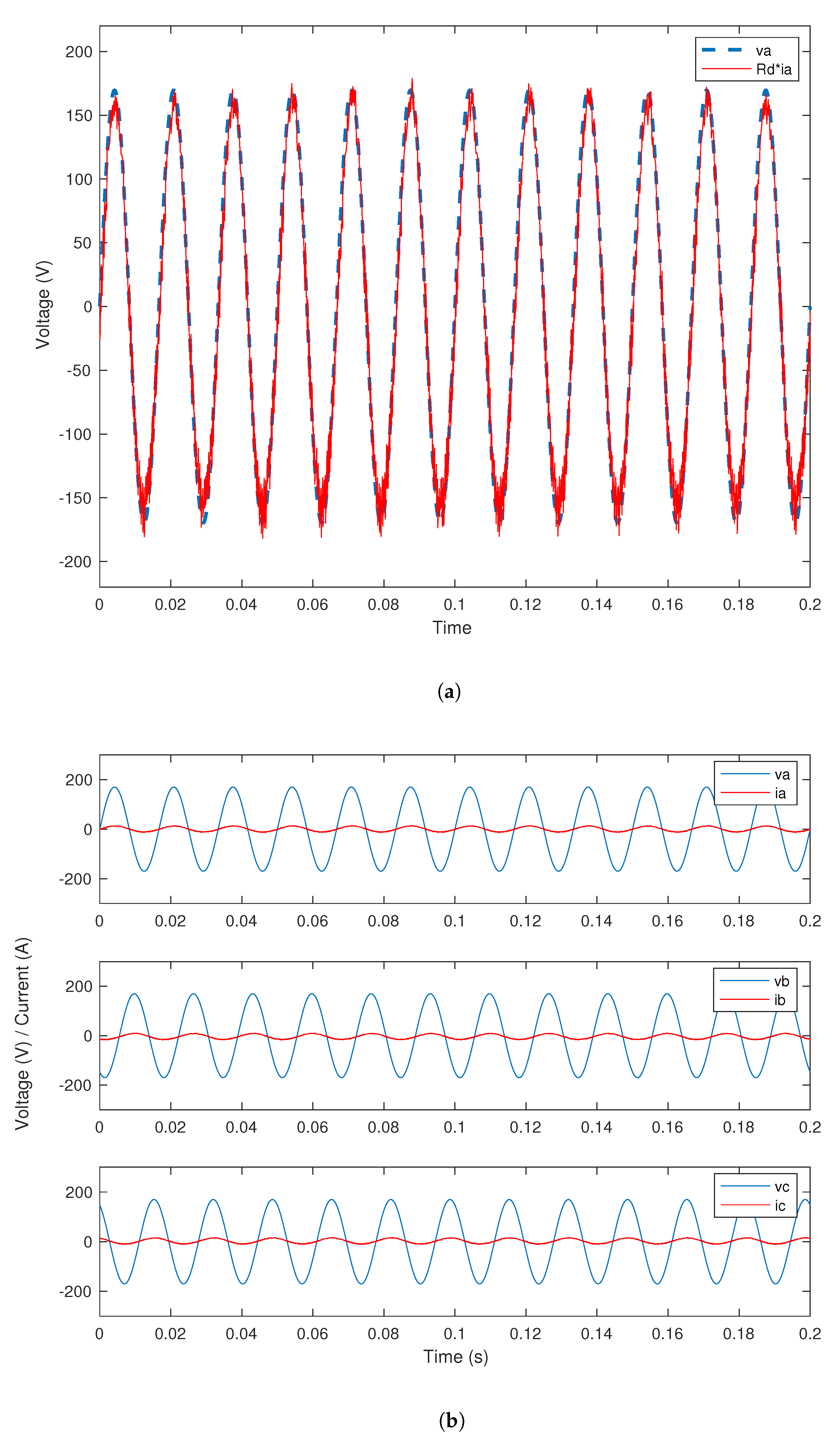
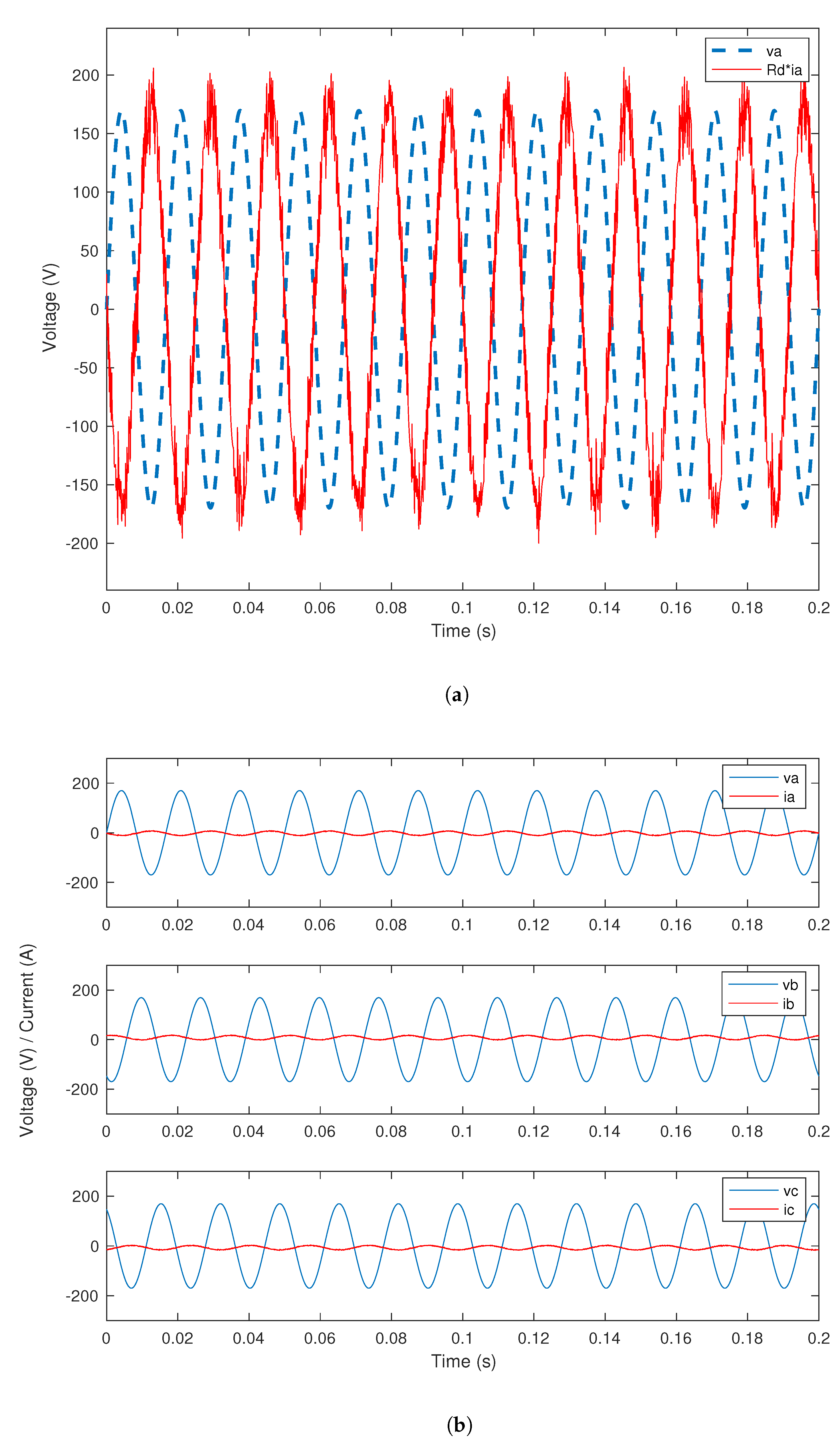
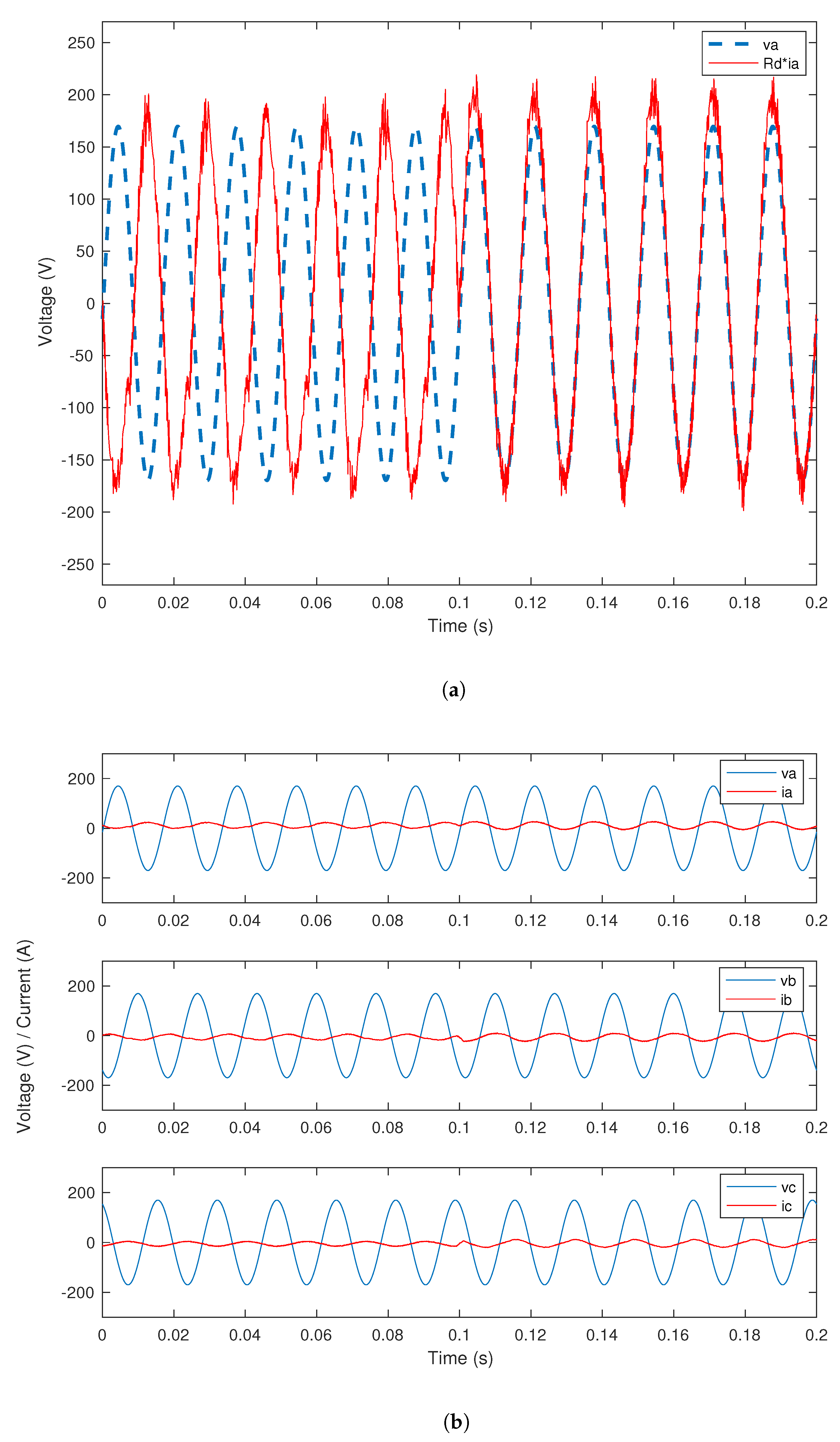
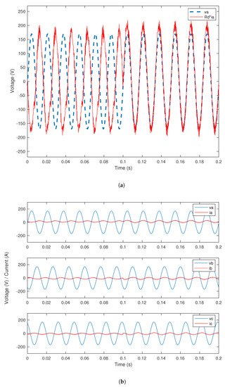
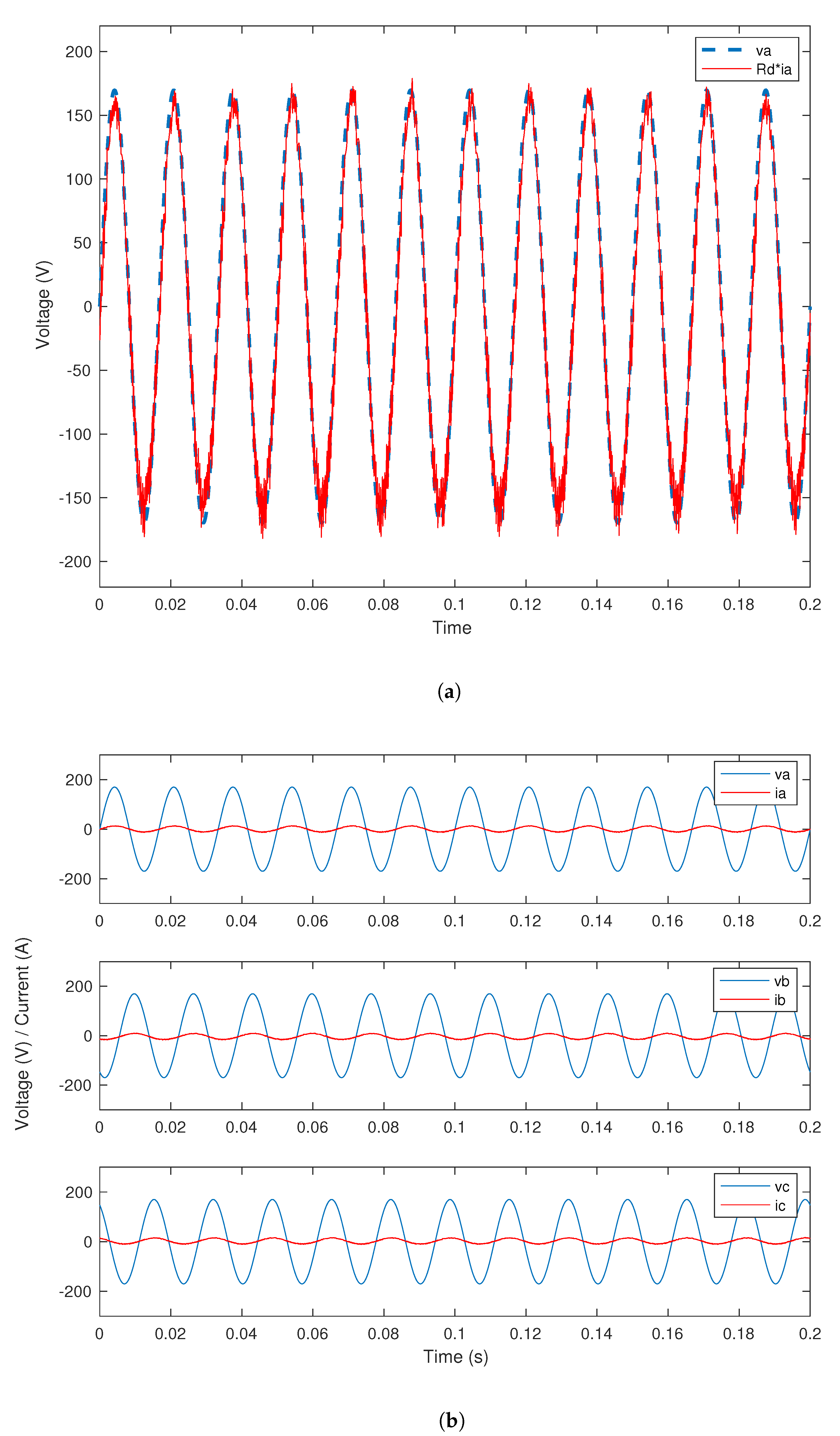
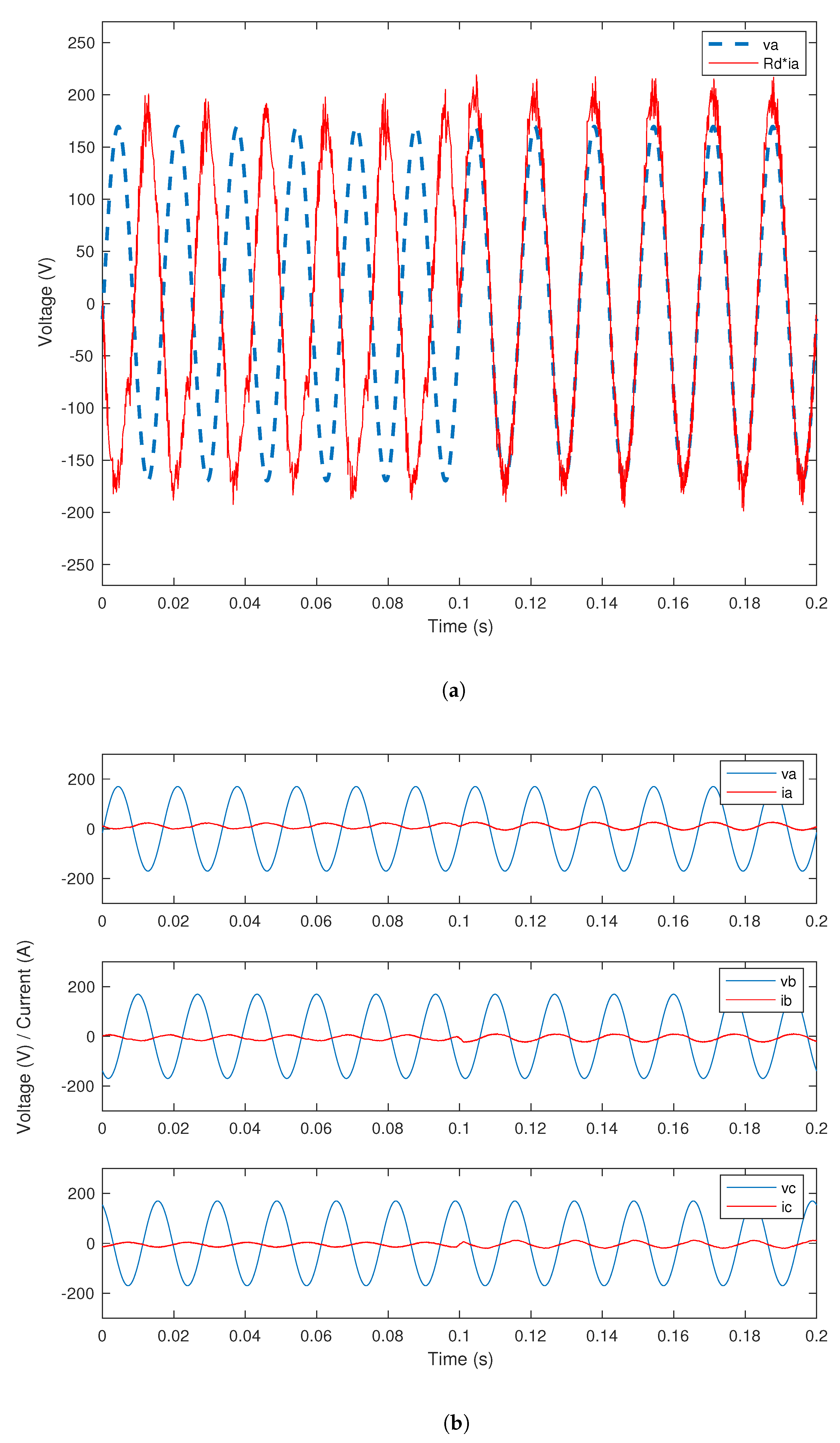
4. Numerical and Experimental Studies
5. Conclusions
Author Contributions
Funding
Conflicts of Interest
Abbreviations
| PEV | Plug-in Electric Vehicle |
| SMC | Sliding Mode Control |
| G2V | Grid-to-Vehicle |
| V2G | Vehicle-to-Grid |
| THD | Total Harmonic Distortion |
| DC | Direct Current |
| AC | Alternating Current |
References
- Latifi, M.; Sabzehgar, R.; Rasouli, M. Reactive power compensation using plugged-In electric vehicles for an ac power grid. In Proceedings of the IECON 2018—44th Annual Conference of the IEEE Industrial Electronics Society, Washington, DC, USA, 21–23 October 2018; IEEE: Piscataway, NJ, USA, 2018; pp. 4986–4991. [Google Scholar]
- Kesler, M.; Kisacikoglu, M.C.; Tolbert, L.M. Vehicle-to-grid reactive power operation using plug-in electric vehicle bidirectional offboard charger. IEEE Trans. Ind. Electron. 2014, 61, 6778–6784. [Google Scholar] [CrossRef]
- Latifi, M.; Sabzehgar, R.; Rasouli, M.; Fajri, P. Active and reactive power compensation using a pev-Based three-level capacitor clamped inverter. In Proceedings of the TPEC 2019—3rd Annual Texas Power and Energy Conference, College Station, TX, USA, 7–8 February 2019; IEEE: Piscataway, NJ, USA, 2019; pp. 1–6. [Google Scholar]
- Haidar, A.M.; Muttaqi, K.M. Behavioral characterization of electric vehicle charging loads in a distribution power grid through modeling of battery chargers. IEEE Trans. Ind. Appl. 2016, 52, 483–492. [Google Scholar] [CrossRef]
- Kazemi, M.A.; Sabzehgar, R.; Rasouli, M. An optimized scheduling strategy for plugged-in electric vehicles integrated into a residential smart microgrid for both grid-tied and islanded modes. In Proceedings of the 2017 IEEE 6th International Conference on Renewable Energy Research and Applications (ICRERA), San Diego, CA, USA, 5–8 November 2017; IEEE: Piscataway, NJ, USA, 2017; pp. 251–256. [Google Scholar]
- Sabzehgar, R.; Kazemi, M.A.; Rasouli, M.; Fajri, P. Cost optimization and reliability assessment of a microgrid with large-scale plug-in electric vehicles participating in demand response programs. Int. J. Green Energy 2020, 17, 127–136. [Google Scholar] [CrossRef]
- Liu, Z.; Li, B.; Lee, F.C.; Li, Q. High-efficiency high-density critical mode rectifier/inverter for WBG-device-based on-board charger. IEEE Trans. Ind. Electron. 2017, 64, 9114–9123. [Google Scholar] [CrossRef]
- Singh, A.K.; Pathak, M.K. Single-phase bidirectional ac/dc converter for plug-in electric vehicles with reduced conduction losses. IET Power Electron. 2017, 11, 140–148. [Google Scholar] [CrossRef]
- Shafiei, N.; Ordonez, M.; Tokaldani, M.A.S.; Arefifar, S.A. PV Battery Charger Using an L3C Resonant Converter for Electric Vehicle Applications. IEEE Trans. Transp. Electrif. 2018, 4, 108–121. [Google Scholar] [CrossRef]
- Sabzehgar, R.; Roshan, Y.M. Modelling and control of a bidirectional single-phase single-stage converter for plug-in electric vehicles. Int. J. Electr. Hybrid Veh. 2018, 10, 197–208. [Google Scholar] [CrossRef]
- Prasanna, U.R.; Singh, A.K.; Rajashekara, K. Novel bidirectional single-phase single-stage isolated AC–DC converter with PFC for charging of electric vehicles. IEEE Trans. Transp. Electrif. 2017, 3, 536–544. [Google Scholar] [CrossRef]
- Wang, H.; Shang, M.; Khaligh, A. A PSFB-based integrated PEV onboard charger with extended ZVS range and zero duty cycle loss. IEEE Trans. Ind. Appl. 2017, 53, 585–595. [Google Scholar] [CrossRef]
- Albiol-Tendillo, L.; Vidal-Idiarte, E.; Maixe-Altes, J.; Mendez-Prince, S.; Martinez-Salamero, L. Seamless sliding-mode control for bidirectional boost converter with output filter for electric vehicles applications. IET Power Electron. 2015, 8, 1808–1816. [Google Scholar] [CrossRef]
- Kim, S.; Kang, F.S. Multifunctional onboard battery charger for plug-in electric vehicles. IEEE Trans. Ind. Electron. 2015, 62, 3460–3472. [Google Scholar]
- Zahid, Z.U.; Dalala, Z.M.; Chen, R.; Chen, B.; Lai, J.S. Design of bidirectional DC–DC resonant converter for vehicle-to-grid (V2G) applications. IEEE Trans. Transp. Electrif. 2015, 1, 232–244. [Google Scholar] [CrossRef]
- Hua, C.C.; Fang, Y.H.; Lin, C.W. LLC resonant converter for electric vehicle battery chargers. IET Power Electron. 2016, 9, 2369–2376. [Google Scholar] [CrossRef]
- Yilmaz, M.; Krein, P.T. Review of battery charger topologies, charging power levels, and infrastructure for plug-in electric and hybrid vehicles. IEEE Trans. Power Electron. 2013, 28, 2151–2169. [Google Scholar] [CrossRef]
- Sfakianakis, G.E.; Everts, J.; Lomonova, E.A. Overview of the requirements and implementations of bidirectional isolated AC-DC converters for automotive battery charging applications. In Proceedings of the 2015 Tenth International Conference on Ecological Vehicles and Renewable Energies (EVER), Monte Carlo, Monac, 31 March–2 April 2015; IEEE: Piscataway, NJ, USA, 2015; pp. 1–12. [Google Scholar]
- Bertoluzzo, M.; Zabihi, N.; Buja, G. Overview on battery chargers for plug-in electric vehicles. In Proceedings of the 2012 15th International Power Electronics and Motion Control Conference (EPE/PEMC), Novi Sad, Serbia, 4–6 September 2012; IEEE: Piscataway, NJ, USA, 2012. p. LS4d-1. [Google Scholar]
- Chang, H.C.; Liaw, C.M. An integrated driving/charging switched reluctance motor drive using three-phase power module. IEEE Trans. Ind. Electron. 2010, 58, 1763–1775. [Google Scholar] [CrossRef]
- Shi, C.; Tang, Y.; Khaligh, A. A three-phase integrated onboard charger for plug-in electric vehicles. IEEE Trans. Power Electron. 2017, 33, 4716–4725. [Google Scholar] [CrossRef]
- Shi, C.; Khaligh, A. A two-stage three-phase integrated charger for electric vehicles with dual cascaded control strategy. IEEE J. Emerg. Sel. Top. Power Electron. 2018, 6, 898–909. [Google Scholar] [CrossRef]
- Emadi, A.; Lee, Y.J.; Rajashekara, K. Power electronics and motor drives in electric, hybrid electric, and plug-in hybrid electric vehicles. IEEE Trans. Ind. Electron. 2008, 55, 2237–2245. [Google Scholar] [CrossRef]
- Lukic, S.M.; Cao, J.; Bansal, R.C.; Rodriguez, F.; Emadi, A. Energy storage systems for automotive applications. IEEE Trans. Ind. Electron. 2008, 55, 2258–2267. [Google Scholar] [CrossRef]
- Khaligh, A.; Dusmez, S. Comprehensive topological analysis of conductive and inductive charging solutions for plug-in electric vehicles. IEEE Trans. Veh. Technol. 2012, 61, 3475–3489. [Google Scholar] [CrossRef]
- Shen, J.; Dusmez, S.; Khaligh, A. Optimization of sizing and battery cycle life in battery/ultracapacitor hybrid energy storage systems for electric vehicle applications. IEEE Trans. Ind. Inform. 2014, 10, 2112–2121. [Google Scholar] [CrossRef]
- Sabzehgar, R.; Roshan, Y.M.; Fajri, P. Modelling and sliding-mode control of a single-phase single-stage converter with application to plug-in electric vehicles. IET Power Electron. 2019, 12, 620–626. [Google Scholar] [CrossRef]
- Onar, O.C.; Kobayashi, J.; Erb, D.C.; Khaligh, A. A bidirectional high-power-quality grid interface with a novel bidirectional noninverted buck–boost converter for PHEVs. IEEE Trans. Veh. Technol. 2012, 61, 2018–2032. [Google Scholar] [CrossRef]
- Amjadi, Z.; Williamson, S.S. Digital control of a bidirectional DC/DC switched capacitor converter for hybrid electric vehicle energy storage system applications. IEEE Trans. Smart Grid 2014, 5, 158–166. [Google Scholar] [CrossRef]
- Kisacikoglu, M.C.; Kesler, M.; Tolbert, L.M. Single-phase on-board bidirectional PEV charger for V2G reactive power operation. IEEE Trans. Smart Grid 2015, 6, 767–775. [Google Scholar] [CrossRef]
- Khan, M.A.; Ahmed, A.; Husain, I.; Sozer, Y.; Badawy, M. Performance analysis of bidirectional DC–DC converters for electric vehicles. IEEE Trans. Ind. Appl. 2015, 51, 3442–3452. [Google Scholar] [CrossRef]
- Shang, Y.; Liu, K.; Cui, N.; Zhang, Q.; Zhang, C. A sine-wave heating circuit for automotive battery self-heating at subzero temperatures. IEEE Trans. Ind. Inform. 2019. [Google Scholar] [CrossRef]
- Shang, Y.; Liu, K.; Cui, N.; Wang, N.; Li, K.; Zhang, C. A Compact Resonant Switched-Capacitor Heater for Lithium-Ion Battery Self-Heating at Low Temperatures. IEEE Trans. Power Electron. 2019. [Google Scholar] [CrossRef]
- Liu, S.; Xie, X.; Yang, L. Analysis, Modeling and Implementation of a Switching Bi-Directional Buck-Boost Converter Based on Electric Vehicle Hybrid Energy Storage for V2G System. IEEE Access 2020, 8, 65868–65879. [Google Scholar] [CrossRef]
- Veerachary, M. Analysis of minimum-phase fourth-order buck DC–DC converter. IEEE Trans. Ind. Electron. 2015, 63, 144–154. [Google Scholar] [CrossRef]
- Ouyang, Q.; Wang, Z.; Liu, K.; Xu, G.; Li, Y. Optimal Charging Control for Lithium-Ion Battery Packs: A Distributed Average Tracking Approach. IEEE Trans. Ind. Inform. 2019. [Google Scholar] [CrossRef]
- Liu, K.; Li, K.; Zhang, C. Constrained generalized predictive control of battery charging process based on a coupled thermoelectric model. J. Power Sources 2017, 347, 145–158. [Google Scholar] [CrossRef]
- Shtessel, Y.; Baev, S.; Biglari, H. Unity power factor control in three-phase AC/DC boost converter using sliding modes. IEEE Trans. Ind. Electron. 2008, 55, 3874–3882. [Google Scholar] [CrossRef]
- Roshan, Y.M.; Maravandi, A.; Moallem, M. Power electronics control of an energy regenerative mechatronic damper. IEEE Trans. Ind. Electron. 2015, 62, 3052–3060. [Google Scholar] [CrossRef]











| Mode | ||||||
|---|---|---|---|---|---|---|
| 0 | OFF | OFF | OFF | −1 | −1 | −1 |
| 1 | OFF | OFF | ON | −1 | −1 | 1 |
| 2 | OFF | ON | OFF | −1 | 1 | −1 |
| 3 | OFF | ON | ON | −1 | 1 | 1 |
| 4 | ON | OFF | OFF | 1 | −1 | −1 |
| 5 | ON | OFF | ON | 1 | −1 | 1 |
| 6 | ON | ON | OFF | 1 | 1 | −1 |
| 7 | ON | ON | ON | 1 | 1 | 1 |
© 2020 by the authors. Licensee MDPI, Basel, Switzerland. This article is an open access article distributed under the terms and conditions of the Creative Commons Attribution (CC BY) license (http://creativecommons.org/licenses/by/4.0/).
Share and Cite
Sabzehgar, R.; Roshan, Y.M.; Fajri, P. Modeling and Control of a Multifunctional Three-Phase Converter for Bidirectional Power Flow in Plug-In Electric Vehicles. Energies 2020, 13, 2591. https://doi.org/10.3390/en13102591
Sabzehgar R, Roshan YM, Fajri P. Modeling and Control of a Multifunctional Three-Phase Converter for Bidirectional Power Flow in Plug-In Electric Vehicles. Energies. 2020; 13(10):2591. https://doi.org/10.3390/en13102591
Chicago/Turabian StyleSabzehgar, Reza, Yaser M. Roshan, and Poria Fajri. 2020. "Modeling and Control of a Multifunctional Three-Phase Converter for Bidirectional Power Flow in Plug-In Electric Vehicles" Energies 13, no. 10: 2591. https://doi.org/10.3390/en13102591
APA StyleSabzehgar, R., Roshan, Y. M., & Fajri, P. (2020). Modeling and Control of a Multifunctional Three-Phase Converter for Bidirectional Power Flow in Plug-In Electric Vehicles. Energies, 13(10), 2591. https://doi.org/10.3390/en13102591

