Theoretical and Experimental Study to Determine Voltage Violation, Reverse Electric Current and Losses in Prosumers Connected to Low-Voltage Power Grid
Abstract
:1. Introduction
2. Problems Caused by Photovoltaic Generators to the Voltage of Power Grid
2.1. Operating Conditions of an Electricity Distributor Feeder
2.2. Influence of Photovoltaic Systems in the Voltage of a CU
3. Data Collection for Feeder Modeling and Simulation
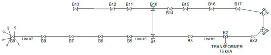
3.1. Real Feeder Identification
3.2. Simulation Data Acquisition
3.2.1. Solar Irradiance Data and Operating Temperature of PV Panel
3.2.2. Demand Curves Acquisition
4. Problem Formulation and Methodology
4.1. Network Electrical Parameters Modeling
4.2. Photovoltaic System Modeling
4.3. Case Study
5. Results
- Case 1: , 33% of maximum limit allowed.
- Case 2: , 66% of maximum limit allowed.
5.1. Simulation Results
- Subcase 1: Only one CU with PV;
- Subcase 2: Three CU’s with PV;
- Subcase 3: All the CU’s with PV.
5.2. Experimental Data Result
6. Conclusions
Author Contributions
Funding
Acknowledgments
Conflicts of Interest
Appendix A
References
- IEA. Renewable Energy. In Medium-Term Market Report 2016; IEA Publication: Paris, France, 2016; pp. 1–282. [Google Scholar]
- ANEEL. Resolução Normativa nº 687, de 24 de Novembro de 2015; Agência Nacional de Energia Elétrica: Brasilia, Brazil, 2015.
- Negreiros, F.G. Impacto da Instalação Massiva de Sistemas FV Distribuídos no Desempenho da rede Elétrica. Master’s Thesis, Universidade Federal de Pernambuco, Recife, Pernambuco, Brasil, 2018. [Google Scholar]
- Chen, B.; Sun, P.; Liu, C.; Chen, C.L.; Lai, J.S.; Yu, W. High Efficiency Transformerless Photovoltaic Inverter with Wide-range Power Factor Capability. In Proceedings of the Applied Power Electronics Conference and Exposition (APEC), Orlando, FL, USA, 5–9 February 2012; pp. 575–582. [Google Scholar]
- Análise de Operação de Sistemas de Distribuição Utilizando o OpenDss. Available online: https://docplayer.com.br/80921193-Analise-de-operacao-de-sistemas-de-distribuicao-utilizando-o-opendss.html (accessed on 27 October 2019).
- Chathurangi, D.; Jayatunga, U.; Rathnayake, M.; Wickramasinghe, A.; Agalgaonkar, A.; Perera, S. Potential Power Quality Impacts on LV Distribution Networks with High Penetration Levels of Solar PV. In Proceedings of the 18th International Conference on Harmonics and Quality of Power (ICHQP), Ljubljana, Slovenia, 13–16 May 2018. [Google Scholar]
- Reno, M.J.; Coogan, K.; Broderick, R.J.; Grijalva, S. Reduction of Distribution Feeders for Simplified PV Impact Studies. In Proceedings of the IEEE Photovoltaic Specialists Conference, Tampa, FL, USA, 16–21 June 2013. [Google Scholar]
- Chiconi, D.N. Monitoramento e Análise da Geração Distribuída em Sistemas de Distribuição de Energia Elétrica. Trabalho de conclusão de curso, São Carlos, São Paulo, Brazil. 2017. [Google Scholar]
- De Carne, G.; Buticchi, G.; Zou, X.Z.; Liserre, M. Reverse power flow control in a ST-fed distribution grid. IEEE Trans. Smart Grid 2018, 9, 3811–3819. [Google Scholar] [CrossRef]
- IEA-PVPS Task 14—High Penetration of PV Systems in Electricity Grids Work-Plan 2010–2014. Available online: https://anaiscbens.emnuvens.com.br/cbens/article/view/177 (accessed on 27 October 2019).
- Sayeef, S.; Moore, T.; Percy, S.; Cornforth, D.; Ward, J.; Rowe, D. Characterization and Integration of High Penetration Solar Power in Australia: A Solar Intermittency Study. In Proceedings of the 1st International Workshop on the Integration of Solar Power into Power Systems, Aarhus, Denmark, 24 October 2011. [Google Scholar]
- Procedimentos de Distribuição de Energia Elétrica no Sistema Elétrico Nacional—PRODIST, Módulo 8—Qualidade da Energia Elétrica. v. 9. Available online: https://www.aneel.gov.br/prodist (accessed on 27 October 2019).
- Xie, Q.; Shentu, X.; Wu, X.; Ding, Y.; Hua, Y.; Cui, J. Coordinated Voltage Regulation by On-Load Tap Changer Operation and Demand Response Based on Voltage Ranking Search Algorithm. Energies 2019, 12, 1902. [Google Scholar] [CrossRef]
- Procedimentos de Distribuição de Energia Elétrica no Sistema Elétrico Nacional—Prodist, Módulo 3—Acesso ao Sistema de Distribuição Revisão. v. 7. Available online: https://www.aneel.gov.br/prodist (accessed on 27 October 2019).
- ED-AL. Norma Técnica para a Conexão de Acessantes a Rede de Distribuição das Distribuidoras da Eletrobrás—Conexão em Baixa Tensão; Eletrobras Distribuição Alagoas: Maceió, Brazil, 2013. [Google Scholar]
- ED-AL. Manual de Procedimentos de Redes de Distribuição; Eletrobras Distribuição Alagoas: Maceió, Brazil, 2012. [Google Scholar]
- Beránek, V.; Olšan, T.; Libra, M.; Poulek, V.; Sedláček, J.; Dang, M.Q.; Tyukhov, I.I. New Monitoring System for Photovoltaic Power Plants Management. Energies 2018, 11, 2495. [Google Scholar] [CrossRef]
- Radatz, P.R. Modelos Avançados de Análise de Redes Elétricas Inteligentes Utilizando o Software OpenDss; Trabalho de conclusão de curso; Universidade de São Paulo: São Paulo, Brazil, 2015. [Google Scholar]
- Monticelli, A.; Garcia, A. Introdução a Sistemas de Energia Elétrica; Editora UNICAMP: São Paulo, Brazil, 2003. [Google Scholar]
- Jeong, C.; Lee, B.; Alleman, D. Reducing voltage volatility with step voltage regulators: A life-cycle cost analysis of Korean solar photovoltaic distributed generation. Energies 2019, 12, 652. [Google Scholar] [CrossRef]
- Shin, K.H. A Study on the Method for Controlling Sending-End Voltage for Voltage Regulation at the Distribution System with Large Distributed Generation. Master’s Thesis, Soongsil University, Seoul, Korea, 2015. [Google Scholar]
- Gkaidatzis, P.A.; Doukas, D.I.; Bouhouras, A.S.; Sgouras, K.I.; Labridis, D.P. Impact of penetration schemes to optimal DG placement for loss minimisation. Int. J. Sustain. Energy 2017, 36, 473–488. [Google Scholar] [CrossRef]



















| Voltage Quality | Range 220 (Volts) |
|---|---|
| Normal | 202 ≤ V ≤ 231 |
| Precarious | 191 ≤ V <202 231 < V ≤ 233 |
| Critical | V < 191 or V > 233 |
| Connection | Installed Power | Voltage |
|---|---|---|
| One-phase | P ≤ 15 kW | 220 V |
| Three-phase | 15 ≤ P ≤ 75 kW | 380 V |
| Bar Types | Input | Output | Bar | Real Feeder |
|---|---|---|---|---|
| PQ | Load | B3 to B20 | ||
| REFERENCE | Reference | B2 |
| Section | Knot 1 | Knot 2 | Length (km) | Section | Knot 1 | Knot 2 | Length (km) |
|---|---|---|---|---|---|---|---|
| 1 | B2 | B3 | 0.017 | 11 | B12 | B13 | 0.024 |
| 2 | B3 | B4 | 0.012 | 12 | B10 | B14 | 0.024 |
| 3 | B4 | B5 | 0.013 | 13 | B2 | B20 | 0.017 |
| 4 | B5 | B6 | 0.018 | 14 | B20 | B19 | 0.017 |
| 5 | B6 | B7 | 0.011 | 15 | B19 | B18 | 0.022 |
| 6 | B7 | B8 | 0.020 | 16 | B18 | B17 | 0.022 |
| 7 | B8 | B9 | 0.018 | 17 | B17 | B16 | 0.005 |
| 8 | B4 | B10 | 0.034 | 18 | B16 | B15 | 0.012 |
| 9 | B10 | B11 | 0.040 | 19 | B15 | B14 | 0.005 |
| 10 | B11 | B12 | 0.012 | - | - | - | - |
| Section | Conductor | Reference | Section | Conductor | Reference |
|---|---|---|---|---|---|
| 1 | Al 70 mm2 | Trunk | 11 | Network end | Al 25 mm2 |
| 2 | Al 70 mm2 | Trunk | 12 | Network end | Al 25 mm2 |
| 3 | Al 70 mm2 | Trunk | 13 | Network end | Al 25 mm2 |
| 4 | Al 50 mm2 | Derivation | 14 | Neutral | Al 50 mm2 |
| 5 | Al 25 mm2 | Trunk | 15 | Network end | Al 25 mm2 |
| 6 | Al 25 mm2 | Trunk | 16 | Network end | Al 25 mm2 |
| 7 | Al 25 mm2 | Network end | 17 | Trunk | Al 50 mm2 |
| 8 | Al 25 mm2 | Network end | 18 | Trunk | Al 50 mm2 |
| 9 | Al 50 mm2 | Derivation | 19 | Trunk | Al 70 mm2 |
| 10 | Al 25 mm2 | Trunk | 20 | Trunk | Al 70 mm2 |
| Loads | Phase | Voltage | Extension and Gauge Service Line |
|---|---|---|---|
| 75 | A-N | 220 V | 2 m–04 mm2 |
| 76 | B-N | 220 V | 7 m–06 mm2 |
| 77 | C-N | 220 V | 9 m–06 mm2 |
| 78 | A-N | 220 V | 17 m–06 mm2 |
| 78_1 | B-N | 220 V | 10 m–06 mm2 |
| 79 | C-N | 220 V | 12 m–06 mm2 |
| CU | Subcases 1, 2 and 3 of PV Penetration | Cases (P = 5.0 kW and P = 10 kW) | ||
|---|---|---|---|---|
| 75 | 5 kW–10 kW | 5 kW–10 kW | 5 kW–10 kW | 1–2 |
| 76 | - | 5 kW–10 kW | 5 kW–10 kW | 1–2 |
| 77 | - | 5 kW–10 kW | 5 kW–10 kW | 1–2 |
| 78 | - | - | 5 kW–10 kW | 1–2 |
| 78_1 | - | - | 5 kW–10 kW | 1–2 |
| 79 | - | - | 5 kW–10 kW | 1–2 |
| Cases | Subcases | Maximum Voltage Drop Phases–Volts | Phase variation (∆U) Distinct Phases | Phase variation (∆U) Same Phases | ||||||
|---|---|---|---|---|---|---|---|---|---|---|
| 1 | 1 | 227.5 | 226.4 | 225.4 | 0.5% | 0.4% | 0.9% | 0.2% | 0.0% | 0.0% |
| 2 | 226.3 | 229.5 | 229.0 | 1.4% | 0.2% | 1.2% | 0.2% | 0.6% | 0.8% | |
| 3 | 233.5 | 232.9 | 232.3 | 0.2% | 0.3% | 0.5% | 2% | 0.1% | 0.1% | |
| 2 | 1 | 232.4 | 226.4 | 226.8 | 2.6% | 0.2% | 2.4% | 0.3% | 0.0% | 0.6% |
| 2 | 229.8 | 234.0 | 233.9 | 1.8% | 0.0% | 1.8% | 0.3% | 1.2% | 1.1% | |
| 3 | 244 | 240.5 | 240.2 | 1.5% | 0.1% | 1.6% | 4% | 0.2% | 0.2% | |
| Subcases | Maximum Voltage Drop Phases–Volts (V) | Phase Variation (∆U) Distinct Phases (%) | Phase Variation (∆U) Same Phases (%) | ||||||
|---|---|---|---|---|---|---|---|---|---|
| 3 | 244.0 V | 240.5 V | 240.2 V | 1.5% | 0.1% | 1.6% | 4% | 0.2% | 0.2% |
| Mitigation | 235.8 V | 237.5 V | 236.7 V | 0.7% | 0.3% | 0.4% | 0.3% | 0.0% | 0.0% |
© 2019 by the authors. Licensee MDPI, Basel, Switzerland. This article is an open access article distributed under the terms and conditions of the Creative Commons Attribution (CC BY) license (http://creativecommons.org/licenses/by/4.0/).
Share and Cite
Torres, I.C.; Negreiros, G.F.; Tiba, C. Theoretical and Experimental Study to Determine Voltage Violation, Reverse Electric Current and Losses in Prosumers Connected to Low-Voltage Power Grid. Energies 2019, 12, 4568. https://doi.org/10.3390/en12234568
Torres IC, Negreiros GF, Tiba C. Theoretical and Experimental Study to Determine Voltage Violation, Reverse Electric Current and Losses in Prosumers Connected to Low-Voltage Power Grid. Energies. 2019; 12(23):4568. https://doi.org/10.3390/en12234568
Chicago/Turabian StyleTorres, Igor Cavalcante, Gustavo F. Negreiros, and Chigueru Tiba. 2019. "Theoretical and Experimental Study to Determine Voltage Violation, Reverse Electric Current and Losses in Prosumers Connected to Low-Voltage Power Grid" Energies 12, no. 23: 4568. https://doi.org/10.3390/en12234568
APA StyleTorres, I. C., Negreiros, G. F., & Tiba, C. (2019). Theoretical and Experimental Study to Determine Voltage Violation, Reverse Electric Current and Losses in Prosumers Connected to Low-Voltage Power Grid. Energies, 12(23), 4568. https://doi.org/10.3390/en12234568

