Active Disturbance Rejection Control Scheme for Reducing Mutual Current and Harmonics in Multi-Parallel Grid-Connected Inverters
Abstract
:1. Introduction
1.1. Motivation and Incitement
1.2. Literature Review
1.3. Contribution and Paper Organization
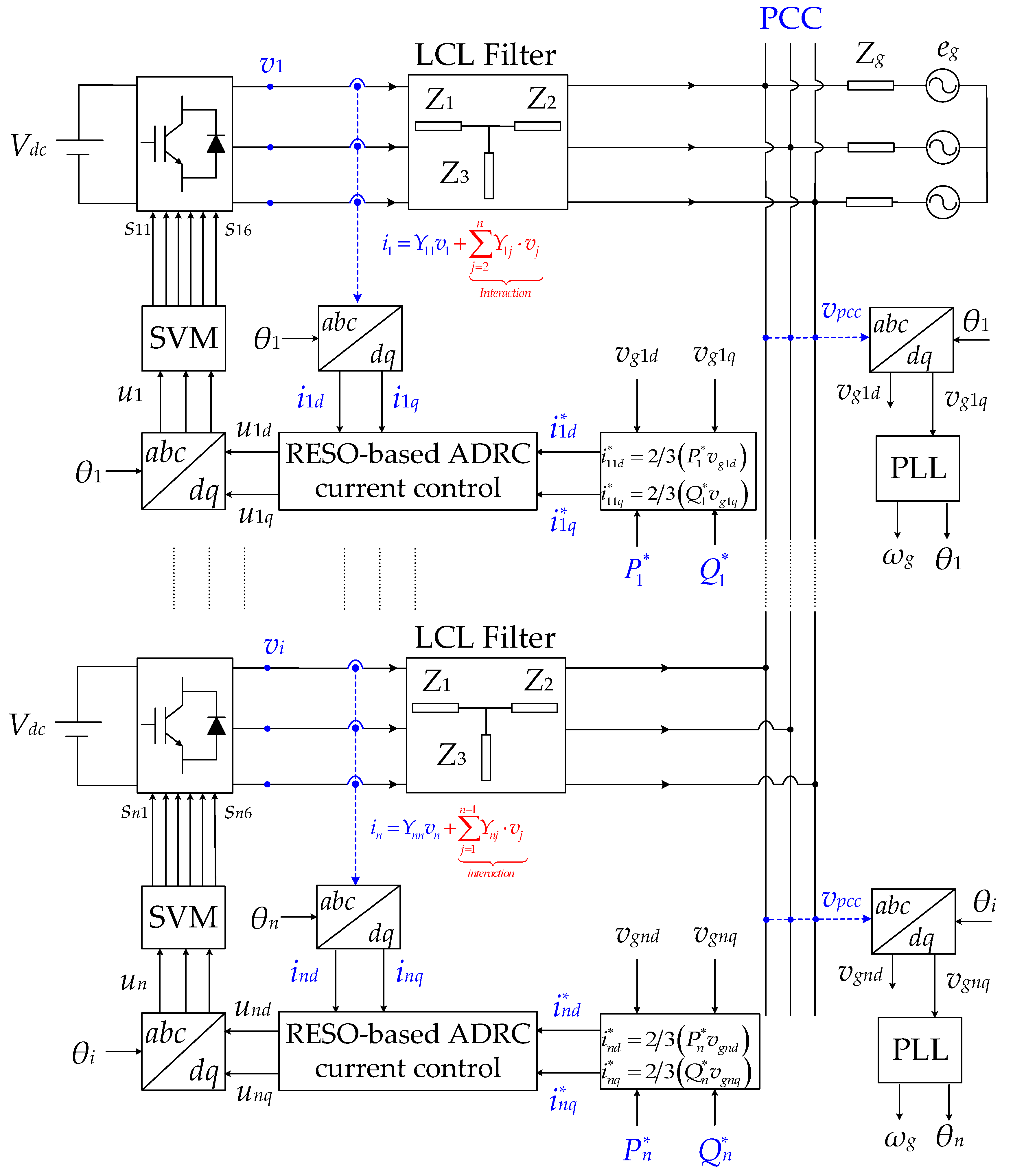
2. Mathematical Modeling of Multi-Parallel GCIs
3. Proposed Mutual Current Reduction Scheme
4. Modeling of the Proposed Scheme
5. Resonance Damping and Stability Analysis
6. Performance Verification
7. Conclusions
Author Contributions
Funding
Acknowledgments
Conflicts of Interest
Nomenclature
| Superscripts | |
| dq | Quantities in dq reference frame |
| abc | Quantities in abc reference frame |
| * | Reference |
| Subscripts | |
| n | Number of parallel inverters |
| i | Inverter number equal to 1,…, n |
| j | Inverter number equal to 1,…, n and j ≠ i |
| Symbols | |
| eg | Grid voltage |
| Vpcc | Voltage at point of common coupling |
| ii | Inverter-side current of each inverter |
| imi | Mutual current in each inverter |
| ic | Common grid flowing into grid |
| ims | Mutual current summation |
| Vi | Inverter-side voltage of each inverter |
| Vdci and Cdci | DC-link voltage and capacitance of each inverter |
| Z1i, Z2i and Z3i | Inverter-side, grid-side and filter capacitance Impedance |
| Zg (or Lg) | Grid impedance |
| L1, C3, L2 | Inductive, capacitive and inductive components of LCL filter |
| Yii and Yij | Admittance |
| Gplant | LCL filter transfer function |
| Gcoupling | Grid coupling transfer function |
| ωres (or fres) and ωres1 (or fres1) | Interactive and common resonance frequency |
| ωg | Grid fundamental frequency |
| Piref and Qiref | Active and reactive power reference |
| and | Reference of d and q components of current |
| , | Control signal in abc and dq reference frame |
| si1 to si6 | Six pulse gate signals for each IGBT of inverter |
| b | Gain parameter of ADRC |
| β1 and β2 | Observer gains |
| ω0 | Observer Bandwidth |
| Kp | Proportional gain of control |
| Ts | Sampling time |
| x1 and x2 | System states |
| z1i and z2i | Estimated states of ESO |
| f(t) | Lumped disturbances in the system |
| KPWM | PWM gain |
| Gzy | Output-to-estimation transfer function |
| Gzu | Control-to-estimation transfer function |
| Tc and Tm | Loop gain expressions for common and mutual current |
| GM and PM | Gain margin and Phase margin |
| THD | Total Harmonic Distortion |
| Gad | Active damping transfer function |
| Gvc | Inverter-side to capacitor voltage transfer function |
| CPI | PI control transfer function |
Appendix A
References
- Teodorescu, R.; Liserre, M.; Rodriguez, P. Grid Converters for Photovoltaic and Wind Power Systems; John Wiley & Sons: Hoboken, NJ, USA, 2011. [Google Scholar]
- Liserre, M.; Teodorescu, R.; Blaabjerg, F. Stability of photovoltaic and wind turbine grid-connected inverters for a large set of grid impedance values. IEEE Trans. Power Electron. 2006, 21, 263–272. [Google Scholar] [CrossRef]
- Wu, W.; Liu, Y.; He, Y.; Chung, H.S.-H.; Liserre, M.; Blaabjerg, F. Damping methods for resonances caused by LCL-filter-based current-controlled grid-tied power inverters: An overview. IEEE Trans. Ind. Electron. 2017, 64, 7402–7413. [Google Scholar] [CrossRef]
- Enslin, J.H.; Heskes, P.J. Harmonic interaction between a large number of distributed power inverters and the distribution network. IEEE Trans. Power Electron. 2004, 19, 1586–1593. [Google Scholar] [CrossRef]
- He, J.; Li, Y.W.; Bosnjak, D.; Harris, B. Investigation and active damping of multiple resonances in a parallel-inverter-based microgrid. IEEE Trans. Power Electron. 2013, 28, 234–246. [Google Scholar] [CrossRef]
- Lu, M.; Wang, X.; Blaabjerg, F.; Loh, P.C. An analysis method for harmonic resonance and stability of multi-paralleled LCL-filtered inverters. In Proceedings of the 2015 IEEE 6th International Symposium on Power Electronics for Distributed Generation Systems 2015, Aachen, Germany, 22–25 June 2015; pp. 1–6. [Google Scholar]
- Lu, M.; Wang, X.; Loh, P.C.; Blaabjerg, F. Resonance interaction of multiparallel grid-connected inverters with LCL filter. IEEE Trans. Power Electron. 2017, 32, 894–899. [Google Scholar] [CrossRef]
- Wang, X.; Blaabjerg, F.; Liserre, M.; Chen, Z.; He, J.; Li, Y. An active damper for stabilizing power-electronics-based AC systems. IEEE Trans. Power Electron. 2014, 29, 3318–3329. [Google Scholar] [CrossRef]
- Hong, L.; Shu, W.; Wang, J.; Mian, R. Harmonic resonance investigation of a multi-inverter grid-connected system using resonance modal analysis. IEEE Trans. Power Del. 2019, 34, 63–72. [Google Scholar] [CrossRef]
- Akhavan, A.; Mohammadi, H.R.; Guerrero, J.M. Modeling and design of a multivariable control system for multi-paralleled grid-connected inverters with LCL filter. Int. J. Electr. Power Energy Syst. 2018, 94, 354–362. [Google Scholar] [CrossRef]
- Chen, Z.; Chen, Y.; Guerrero, J.M.; Kuang, H.; Huang, Y.; Zhou, L.; Luo, A. Generalized coupling resonance modeling, analysis, and active damping of multi-parallel inverters in microgrid operating in grid-connected mode. J. Mod. Power Syst. Clean Energy 2016, 4, 63–75. [Google Scholar] [CrossRef]
- Lu, M.; Yang, Y.; Johnson, B.; Blaabjerg, F. An interaction-admittance model for multiple-Inverter grid-connected systems. IEEE Trans. Power Electron. 2018, 34, 7542–7557. [Google Scholar] [CrossRef]
- Qian, Q.; Xie, S.; Huang, L.; Xu, J.; Zhang, Z.; Zhang, B. Harmonic suppression and stability enhancement for parallel multiple grid-connected inverters based on passive inverter output impedance. IEEE Trans. Ind. Electron. 2017, 64, 7587–7598. [Google Scholar] [CrossRef]
- Yu, C.; Zhang, X.; Liu, F.; Li, F.; Xu, H.; Cao, R.; Ni, H. Modeling and resonance analysis of multiparallel inverters system under asynchronous carriers conditions. IEEE Trans. Power Electron. 2017, 32, 3192–3205. [Google Scholar] [CrossRef]
- Cavazzana, F.; Caldognetto, T.; Mattavelli, P.; Corradin, M.; Toigo, I. Analysis of current control interaction of multiple parallel grid-connected inverters. IEEE Trans. Sustain. Energy 2018, 9, 1740–1749. [Google Scholar] [CrossRef]
- Yoon, C.; Bai, H.; Beres, R.N.; Wang, X.; Bak, C.L.; Blaabjerg, F. Harmonic stability assessment for multiparalleled, grid-connected inverters. IEEE Trans. Sustain. Energy 2016, 7, 1388–1397. [Google Scholar] [CrossRef]
- Chen, T.; Lee, C.K.; Hui, R. A general design procedure for multi-parallel modular grid-tied inverters system to prevent common and interactive instability. IEEE Trans. Power Electron. 2019, 34, 6025–6030. [Google Scholar] [CrossRef]
- Chen, W.-H.; Yang, J.; Guo, L.; Li, S. Disturbance-observer-based control and related methods—An overview. IEEE Trans. Ind. Electron. 2016, 63, 1083–1095. [Google Scholar] [CrossRef]
- Wang, B.; Xu, Y.; Shen, Z.; Zou, J.; Li, C.; Liu, H. Current control of grid-connected inverter with LCL filter based on extended-state observer estimations using single sensor and achieving improved robust observation dynamics. IEEE Trans. Ind. Electron. 2017, 64, 5428–5439. [Google Scholar] [CrossRef]
- Wang, B.; Shen, Z.; Liu, H.; Hu, J. Linear ADRC direct current control of grid-connected inverter with LCL filter for both active damping and grid voltage induced current distortion suppression. IET Power Electron. 2018, 11, 1748–1755. [Google Scholar] [CrossRef]
- Benrabah, A.; Xu, D.; Gao, Z. Active disturbance rejection control of LCL-filtered grid-connected inverter using Padé approximation. IEEE Trans. Ind. Appl. 2018, 54, 6179–6189. [Google Scholar] [CrossRef]
- Saleem, M.; Choi, K.-Y.; Kim, R.-Y. Resonance damping for an LCL filter type grid-connected inverter with active disturbance rejection control under grid impedance uncertainty. Int. J. Electr. Power Energy Syst. 2019, 109, 444–454. [Google Scholar] [CrossRef]
- Skogestad, S.; Postlethwaite, I. Multivariable Feedback Control: Analysis and Design; Wiley: New York, NY, USA, 2007. [Google Scholar]
- Franklin, G.F.; Powell, J.D.; Workman, M.L. Digital Control of Dynamic Systems; Addison-Wesley: Menlo Park, CA, USA, 1998. [Google Scholar]














| Parameter | Symbol | Value |
|---|---|---|
| Grid Voltage | eg | 120Vrms |
| Grid Frequency | ɷg | 60 Hz |
| Power Rating | Piref | 3 kVA |
| Reactive Power Rating | Qiref | 0 |
| DC Voltage | Vdc | 400 V |
| Switching Frequency | fsw | 20 kHz |
| Sampling Frequency | fs | 20 kHz |
| Inverter-side Impedance | L1 | 2.5 mH |
| Grid-side Impedance | L2 | 1 mH |
| Filter Capacitance | C3 | 4 µF |
| Grid Impedance | Zg(Lg) | 1 mH |
| Parameter | Symbol | Value |
|---|---|---|
| Gain Parameter | b | 2/L1 |
| Observer Bandwidth | ωo | 7 kHz |
| Proportional Gain | Kp | 12,566 |
| PWM Gain | KPWM | ~1 |
© 2019 by the authors. Licensee MDPI, Basel, Switzerland. This article is an open access article distributed under the terms and conditions of the Creative Commons Attribution (CC BY) license (http://creativecommons.org/licenses/by/4.0/).
Share and Cite
Saleem, M.; Ko, B.-S.; Kim, S.-H.; Kim, S.-i.; Chowdhry, B.S.; Kim, R.-Y. Active Disturbance Rejection Control Scheme for Reducing Mutual Current and Harmonics in Multi-Parallel Grid-Connected Inverters. Energies 2019, 12, 4363. https://doi.org/10.3390/en12224363
Saleem M, Ko B-S, Kim S-H, Kim S-i, Chowdhry BS, Kim R-Y. Active Disturbance Rejection Control Scheme for Reducing Mutual Current and Harmonics in Multi-Parallel Grid-Connected Inverters. Energies. 2019; 12(22):4363. https://doi.org/10.3390/en12224363
Chicago/Turabian StyleSaleem, Muhammad, Byoung-Sun Ko, Si-Hwan Kim, Sang-il Kim, Bhawani Shankar Chowdhry, and Rae-Young Kim. 2019. "Active Disturbance Rejection Control Scheme for Reducing Mutual Current and Harmonics in Multi-Parallel Grid-Connected Inverters" Energies 12, no. 22: 4363. https://doi.org/10.3390/en12224363
APA StyleSaleem, M., Ko, B.-S., Kim, S.-H., Kim, S.-i., Chowdhry, B. S., & Kim, R.-Y. (2019). Active Disturbance Rejection Control Scheme for Reducing Mutual Current and Harmonics in Multi-Parallel Grid-Connected Inverters. Energies, 12(22), 4363. https://doi.org/10.3390/en12224363

