Performance Enhancement of Hybrid Solid Desiccant Cooling Systems by Integrating Solar Water Collectors in Taiwan
Abstract
1. Introduction
2. Experimental Configuration and Methods
2.1. Proposed System Configuration
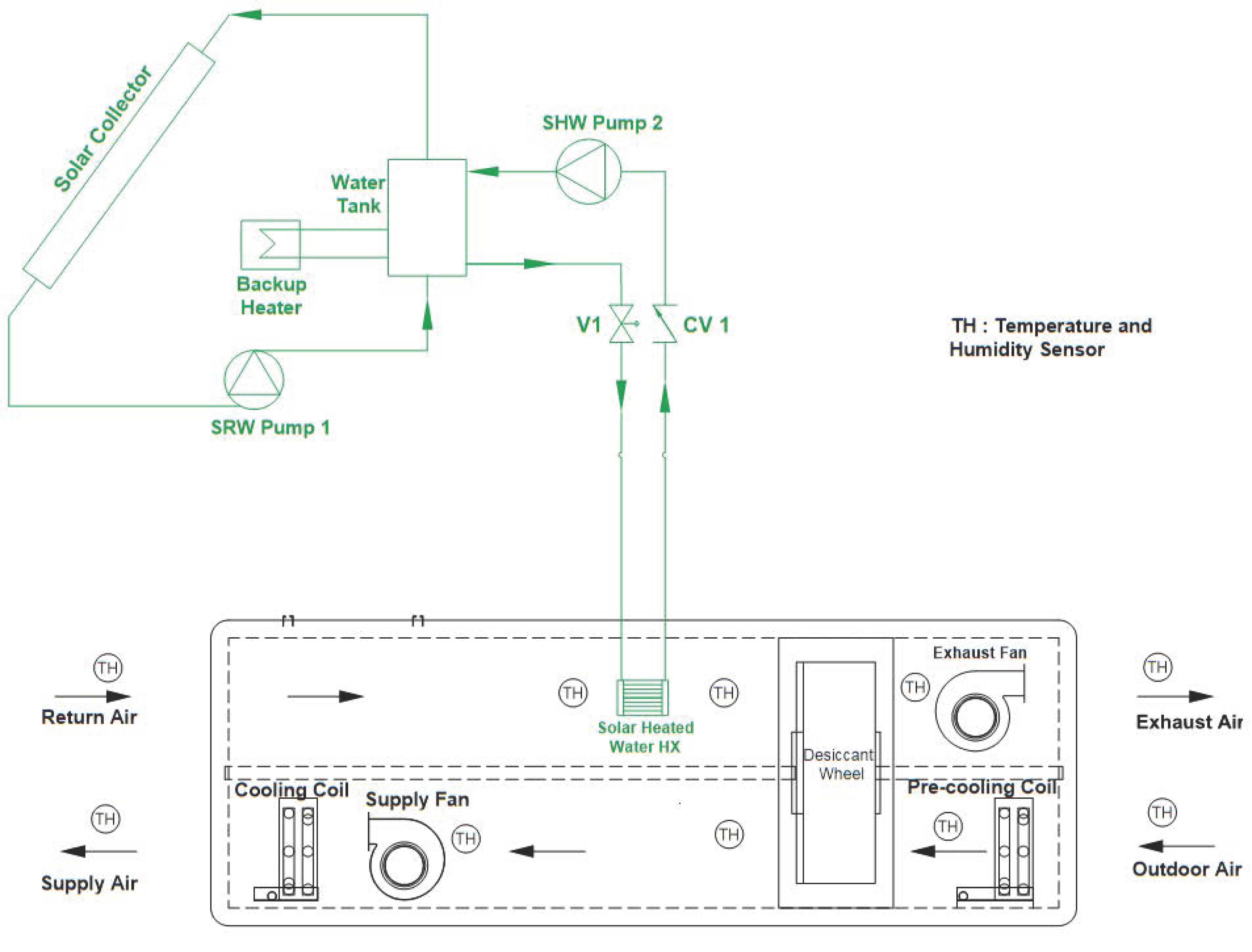
2.1.1. Hybrid SDCS Configuration
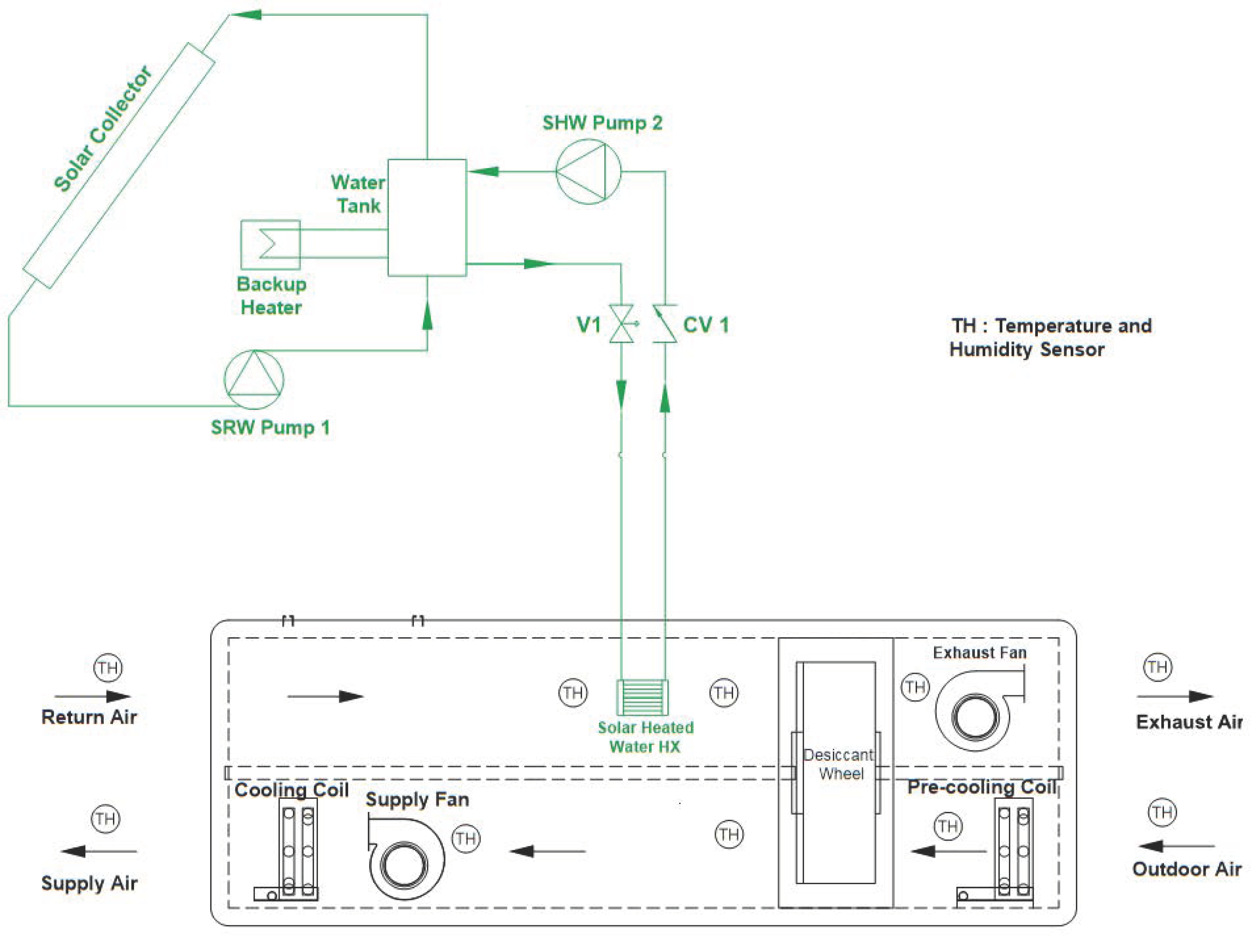
2.1.2. Solar-Assisted SDCS Configuration
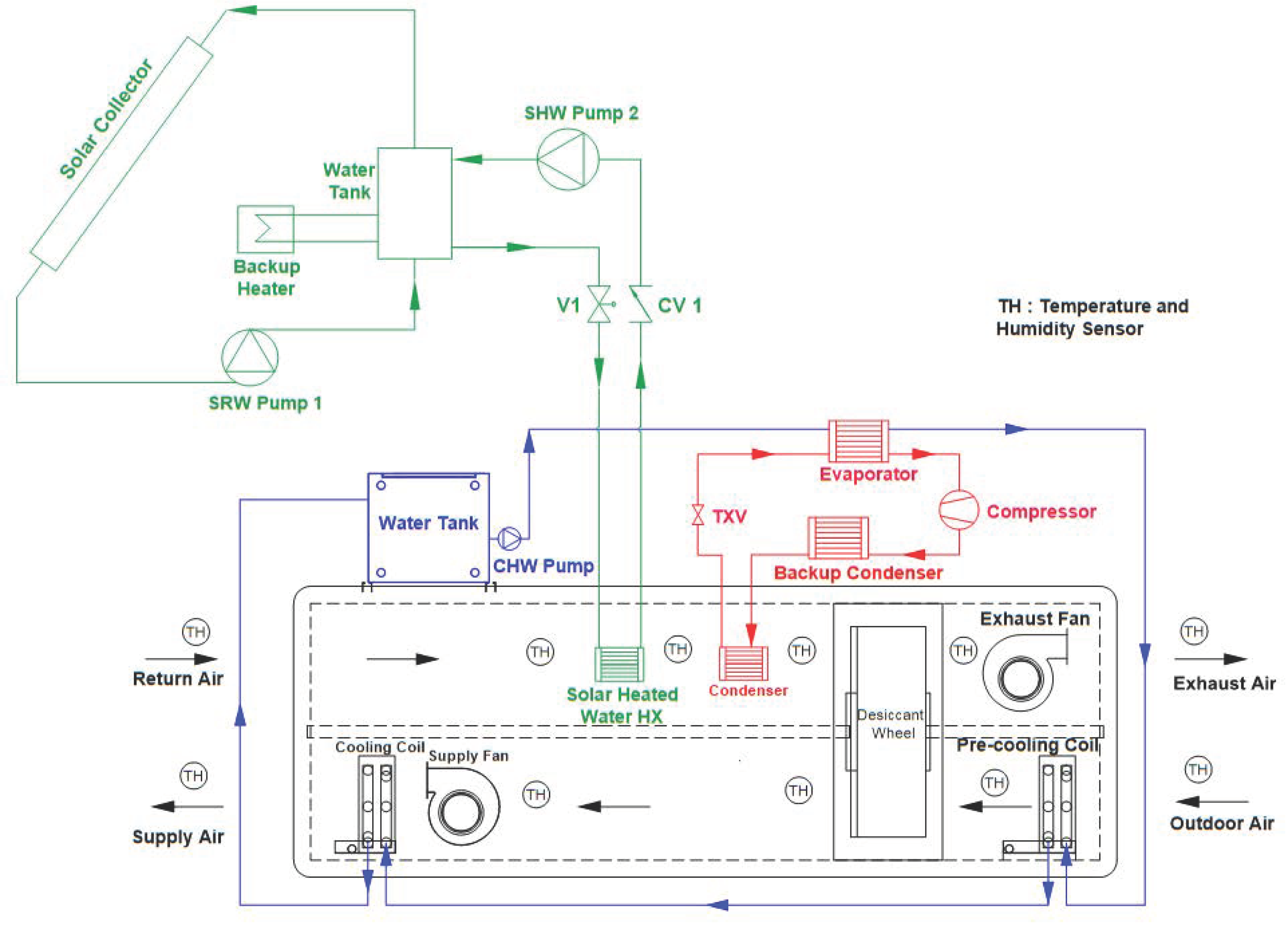
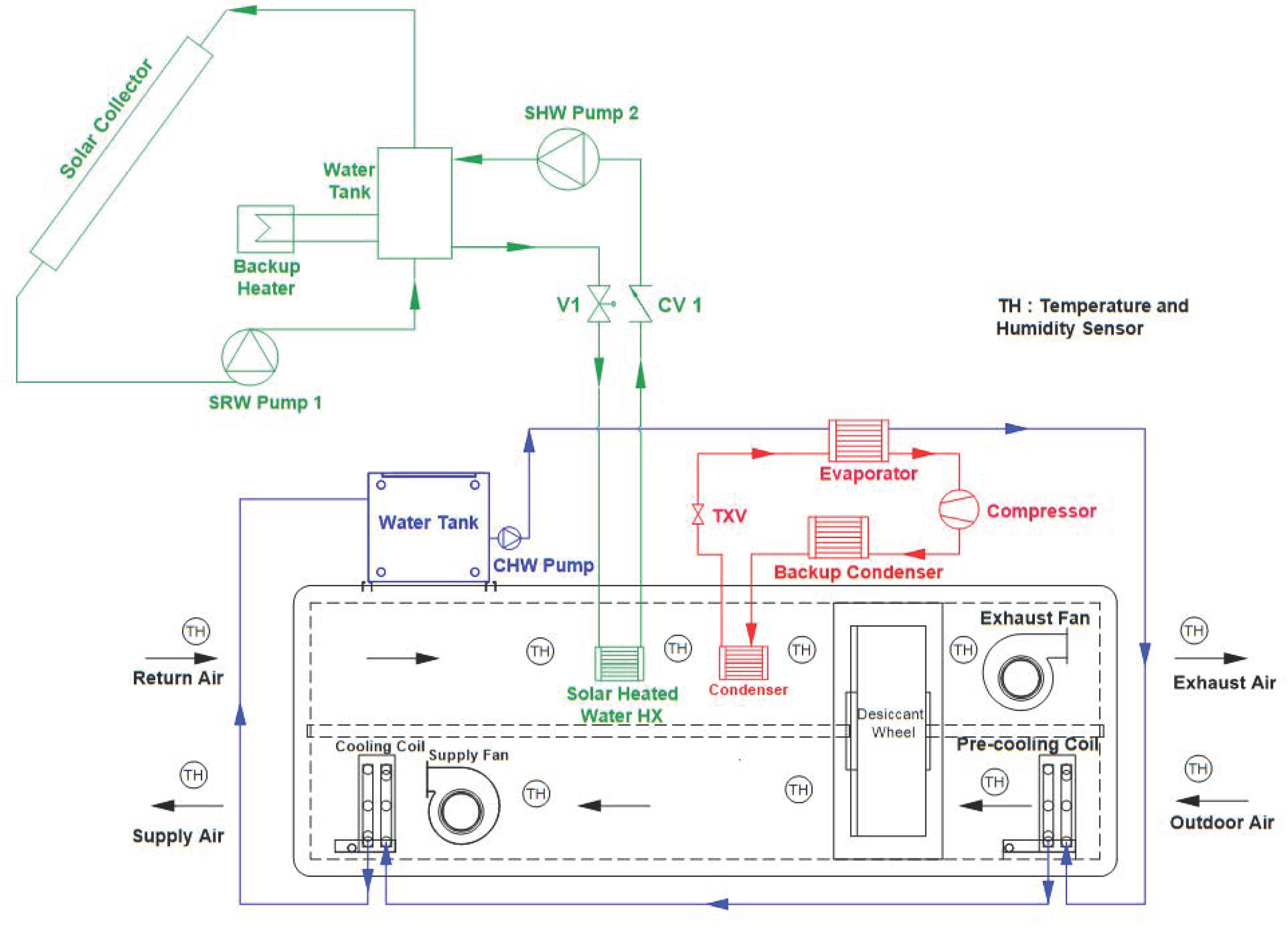
2.1.3. Solar-Assisted Hybrid SDCS Configuration
- (1)
- Desiccant wheel: rotor depth 0.2 m, diameter 0.3 m, rotational speed 10 rph, thermal effectiveness 75%; silica gel, ProFlute (Stockholm, Sweden).
- (2)
- Compressor: capacity 6 kW, 220 volts (V)/7.3 amperes (A), locked rotor ampere (LRA), frequency 60 Hertz (Hz); R407c refrigerant, Tecumseh (Ann Arbor, MI, USA).
- (3)
- Condenser: finned and tube condenser, 730 × 290 × 200 mm (main condenser), 530 × 290 × 100 mm (auxiliary condenser).
- (4)
- Supply and exhaust fans: nominal power 0.7 kW, frequency 0–50 Hz.
- (5)
- Cooling water tank: capacity 71 L.
- (6)
- Chilled-water pump: nominal capacity 0.37 kW, rotational speed 3370 rpm, 220 V/1.5 A, flow rate 25 m3/h, chilled water temperature: 13 °C.
- (7)
- Solar thermal collector (Sun Tech, Taichung, Taiwan): number of tubes 18, effective area 1.974 m2, total gross area 11.699 m2, effectiveness 94.5%.
- (8)
- Solar water tank: capacity 100 L.
- (9)
- Solar-heated water heat exchanger: finned and tube HX, 400 × 360 × 200 mm.
- (10)
- Temperature and relative humidity (RH) sensors: ECOA EPRTH04101 (Ecoa Technologies, Taipei, Taiwan), 0–100 °C, 0–100% RH, temperature measurement accuracy ±0.3 °C at 25 °C, RH measurement accuracy ±4% RH (at 10–90%) and ±6% RH (at 0–10% and 90–100%).
- (11)
- Current sensors: CTT-CLS-CV clamp on type (U.R.D., Yokohama, Japan), current range 0–100 A, measurement accuracy ±2%.
- (12)
- Flow meter sensor: TESTO480 hot wire anemometer (Testo, West Chester, PA, USA), velocity measurement accuracy ±0.21 at 1.96 m/s, ±0.29 at 4.99 m/s, and ±0.41 at 10.06 m/s.
2.2. Theoretical Analysis
3. Results and Discussion
3.1. Comparison of Average Temperature Declination and Specific Moisture Removal
3.2. Comparison of Regeneration Temperatures for Each System Configurations
3.3. Comparison of Specific Moisture Removal and Moisture Removal Rate
3.4. Effect of Relative Humidity to Desiccant Wheel Effectiveness
3.5. Effect of Regeneration Temperature to Specific Moisture Removal and Latent Heat Performance
3.6. Comparison of System Total Performance for Different Outdoor Air Temperatures
3.7. Comparison of System Total Performance for Different Outdoor Humidity
4. Conclusions
- (a)
- Solar-assisted hybrid SDCSs are feasible for use in hot and humid locations such as Taichung. Such systems can utilize solar energy as an additional heat source for the regeneration process. Therefore, the regeneration temperature of the system can be increased and the dehumidification effect can also be enhanced. Compared to the hybrid SDCS, the overall performance of the solar-assisted hybrid SDCS in terms of power consumption was found to be approximately 10% greater in the study. For a solar SDCS, a larger area and capacity of the solar thermal collector are required in high humidity environments.
- (b)
- Higher humidity ratios lead to better MRR values for each solid desiccant cooling system configuration.
- (c)
- The performance of a SDCS is very sensitive to changes in ambient conditions. The performance of each system configuration is better for higher outdoor humidity ratios. In terms of outdoor temperature, the COPhvac of both systems increases with outdoor temperature. However, there are optimum values of the outdoor temperature for the COPhvac of the system. When the ambient temperature is greater than the optimum value, the COPhvac gradually decreases with the increase in ambient temperature. In this study, for the hybrid SDCS, the optimum outdoor temperature is between 26 and 27 °C, and for the solar-assisted hybrid SDCS, the optimum temperature range is 27–30 °C. Beyond these ranges, the overall performance of both systems will decline severely.
Author Contributions
Funding
Conflicts of Interest
Nomenclature
| A | area (m2) | Q | heat capacity (kW) | 
| COP | coefficient of performance | RH | relative humidity (%) | 
| DCS | desiccant cooling system | rph | rotations per hour | 
| E | power consumption (kW) | SDCS | solid desiccant cooling system | 
| h | specific enthalpy (kJ/kg) | SF | solar fraction | 
| I | solar irradiation (W/m2) | SMR | specific moisture removal (kg/kgda) | 
| ṁ | mass flow rate (kg/s) | T | temperature (°C) | 
| MRR | moisture removal rate (kg/h) | Td | temperature declination (°C) | 
| P | power (kW) | ω | humidity ratio (kg/kgda) | 
Subscripts
| ƞ | effectiveness | a | process air | 
| c | cooling | ra | return air | 
| soc | solar collector | reg | regeneration air | 
| hvac | HVAC system | sa | supply air | 
| lt | latent | sol | solar | 
| m | month | tot | total | 
| oa | outside air | 
References
- Wyon, D.P. The Effects of indoor air quality on performance and productivity. Indoor Air 2004, 14, 92–101. [Google Scholar] [CrossRef] [PubMed]
- ANSI/ASHRAE Standard 55-2013. Available online: https://www.ashrae.org/technical-resources/bookstore/standard-55-thermal-environmental-conditions-for-human-occupancy (accessed on 15 May 2018).
- Li, K.Y.; Luo, W.J.; Huang, J.Z.; Chan, Y.C.; Faridah, D. Operational Temperature Effect on Positioning Accuracy of a Single-Axial Moving Carrier. Appl. Sci. 2017, 7, 420. [Google Scholar] [CrossRef]
- World Energy Outlook. Available online: https://www.iea.org/media/weowebsite/2008-1994/WEO2004.pdf (accessed on 15 May 2018).
- Pérez-Lombard, L.; Ortiz, J.; Pout, C. A review on buildings energy consumption information. Energy Build. 2008, 40, 394–398. [Google Scholar] [CrossRef]
- Inasawa, S.; Suzuki, R.; Qian, E.W.; Kitajima, T.; Yamashita, Y. Ozone layer depletion and its effects: A review. Int. J. Environ. Sci. Dev. 2011, 2, 30–37. [Google Scholar]
- American Society of Heating, Refrigerating and Air Conditioning Engineers (ASHRAE). Desiccant dehumidification and pressure-drying equipment. In 2016 ASHRAE Handbook—Fundamentals (SI Edition); ASHRAE Inc.: Atlanta, GA, USA, 2016; p. 3. [Google Scholar]
- Luo, W.J.; Kuo, H.C.; Wu, J.Y.; Faridah, D. Development and analysis of a new multi-function heat recovery split air conditioner with parallel refrigerant pipe. Adv. Mech. Eng. 2016, 8, 1–12. [Google Scholar] [CrossRef]
- Mandegari, M.; Pahlavanzadeh, H. Introduction of a new definition for effectiveness of desiccant wheel. Energy 2009, 34, 797–803. [Google Scholar] [CrossRef]
- Chang, C.C.; Luo, W.J.; Lu, C.W.; Cheng, Y.S.; Tsai, B.Y.; Lin, Z.H. Effects of process air conditions and switching cycle period on dehumidification performance of desiccant-coated heat exchangers. Sci. Technol. Built Environ. 2016, 23, 81–90. [Google Scholar] [CrossRef]
- Narayanan, R.; Halawa, E.; Jain, S. Performance characteristic of solid-desiccant evaporative cooling system. Energies 2018, 11, 2574. [Google Scholar] [CrossRef]
- Narayanan, R.; Halawa, E.; Jain, S. Dehumidification potential of a solid desiccant based evaporative cooling system with an enthalpy exchanger operating in subtropical and tropical climates. Energies 2019, 12, 2704. [Google Scholar] [CrossRef]
- Guidara, Z.; Elleuch, M.; Bacha, H.B. New solid desiccant solar air conditioning unit in Tunisia: Design and simulation study. Appl. Therm. Eng. 2013, 58, 656–663. [Google Scholar] [CrossRef]
- Enteria, N.; Yoshino, H.; Mochida, A.; Satake, A.; Yoshie, R.; Takaki, R.; Yonekura, H.; Mitamura, T.; Tanaka, Y. Performance of solar-desiccant cooling system with Silica-Gel (SiO2) and Titanium Dioxide (TiO2) desiccant wheel applied in East Asian climates. Sol. Energy 2012, 86, 1261–1279. [Google Scholar] [CrossRef]
- Speerforck, A.; Ling, J.; Aute, V.; Radermacher, R.; Schmitz, G. Modeling and simulation of a desiccant assisted solar and geothermal air conditioning system. Energy 2017, 141, 2321–2336. [Google Scholar] [CrossRef]
- White, S.D.; Kohlenbach, P.; Bongs, C. Indoor temperature variations resulting from solar desiccant cooling in a building without thermal backup. Int. J. Refrig. 2009, 32, 695–704. [Google Scholar] [CrossRef]
- Jani, D.B.; Mishra, M.; Sahoo, P.K. Experimental investigation on solid desiccant–vapor compression hybrid air-conditioning system in hot and humid weather. Appl. Therm. Eng. 2016, 104, 556–564. [Google Scholar] [CrossRef]
- Jani, D.B.; Mishra, M.; Sahoo, P.K. Performance analysis of a solid desiccant assisted hybrid space cooling system using TRNSYS. J. Build. Eng. 2018, 19, 26–35. [Google Scholar] [CrossRef]
- Worek, W.M.; Moon, C.J. Simulation of an integrated hybrid desiccant vapor-compression cooling system. Energy 1986, 11, 1005–1021. [Google Scholar] [CrossRef]
- Hwang, W.B.; Choi, S.; Lee, D.Y. In-depth analysis of the performance of hybrid desiccant cooling system incorporated with an electric heat pump. Energy 2017, 118, 324–332. [Google Scholar] [CrossRef]
- Jani, D.B.; Mishra, M.; Sahoo, P.K. Performance studies of hybrid solid desiccant-vapor compression air-conditioning system for hot and humid climates. Energy Build. 2015, 102, 284–292. [Google Scholar] [CrossRef]
- Merabti, L.; Merzouk, M.; Merzouk, N.K.; Taane, W. Performance study of solar driven solid desiccant cooling system under Algerian coastal climate. Int. J. Hydrogen Energy 2017, 42, 28997–29005. [Google Scholar] [CrossRef]
- Beccali, M.; Finocchiaro, P.; Nocke, B. Energy performance evaluation of a demo solar desiccant cooling system with heat recovery for the regeneration of the adsorption material. Renew. Energy 2012, 44, 40–52. [Google Scholar] [CrossRef]
- Beccali, M.; Finocchiaro, P.; Nocke, B. Energy and economic assessment of desiccant cooling systems coupled with single glazed air and hybrid PV/thermal solar collectors for applications in hot and humid climate. Sol. Energy 2009, 83, 1828–1846. [Google Scholar] [CrossRef]
- Fong, K.F.; Chow, T.T.; Lee, C.K.; Lin, Z.; Chan, L.S. Solar hybrid cooling system for high-tech offices in subtropical climate: Radiant cooling by absorption refrigeration and desiccant dehumidification. Energy Convers. Manag. 2011, 52, 2883–2894. [Google Scholar] [CrossRef]
- Fong, K.F.; Chow, T.T.; Lee, C.K.; Lin, Z.; Chan, L.S. Advancement of solar desiccant cooling system for building use in subtropical Hong Kong. Energy Build. 2010, 42, 2386–2399. [Google Scholar] [CrossRef]
- Bareschino, P.; Pepe, F.; Roselli, C.; Sasso, M.; Tariello, F. Desiccant-Based Air Handling Unit Alternatively Equipped with Three Hygroscopic Materials and Driven by Solar Energy. Energy 2019, 12, 1543. [Google Scholar] [CrossRef]
- Li, H.; Dai, Y.J.; Li, Y.; La, D.; Wang, R.Z. Case study of a two-stage rotary desiccant cooling/heating system driven by evacuated glass tube solar air collectors. Energy Build. 2012, 47, 107–112. [Google Scholar] [CrossRef]
- Jani, D.B.; Mishra, M.; Sahoo, P.K. A critical review on application of solar energy as renewable regeneration heat source in solid desiccant-vapor compression hybrid cooling system. J. Build. Eng. 2018, 18, 107–124. [Google Scholar] [CrossRef]
- Rambhad, K.S.; Walke, P.V.; Tidke, D.J. Solid desiccant dehumidification and regeneration methods: A review. Renew. Sustain. Energy Rev. 2016, 59, 73–83. [Google Scholar] [CrossRef]
- Relative Humidity Table of Taiwan. Available online: https://www.cwb.gov.tw/V7e/climate/monthlyMean/tx.htm (accessed on 14 April 2018).












| Month | Temperature (°C) | RH (%) | Solar Irradiation (W/m2) | 
|---|---|---|---|
| April | 27.6 | 77.3 | 154.142 | 
| May | 30.2 | 77.1 | 162.474 | 
| June | 31.9 | 77.9 | 166.640 | 
| July | 33.0 | 75.6 | 174.972 | 
| August | 32.6 | 77.6 | 164.557 | 
| September | 31.8 | 75.8 | 162.474 | 
| October | 30.1 | 72.6 | 158.308 | 
| Month | Average Toa | Average Woa | Hybrid SDCS | Solar-Assisted SDCS | Solar-assisted Hybrid SDCS | |||
|---|---|---|---|---|---|---|---|---|
| Td (°C) | SMR (kg/kgda) | Td (°C) | SMR (kg/kgda) | Td (°C) | SMR (kg/kgda) | |||
| April | 24.75 | 0.0136 | 5.21 | 0.0037 | N/A | 0.0015 | 5.35 | 0.0043 | 
| May | 28.36 | 0.0153 | 5.62 | 0.0041 | N/A | 0.0014 | 5.71 | 0.0054 | 
| June | 28.27 | 0.0163 | 5.04 | 0.0061 | N/A | 0.0013 | 5.66 | 0.0055 | 
| July | 29.93 | 0.0183 | 6.42 | 0.0066 | N/A | 0.0028 | 6.79 | 0.0075 | 
| August | 27.06 | 0.0177 | 3.65 | 0.0052 | N/A | 0.0012 | 3.69 | 0.0053 | 
| September | 28.26 | 0.0176 | 3.50 | 0.0040 | N/A | 0.0011 | 3.65 | 0.0046 | 
| October | 24.65 | 0.0133 | 5.18 | 0.0031 | N/A | 0.0011 | 5.23 | 0.0033 | 
© 2019 by the authors. Licensee MDPI, Basel, Switzerland. This article is an open access article distributed under the terms and conditions of the Creative Commons Attribution (CC BY) license (http://creativecommons.org/licenses/by/4.0/).
Share and Cite
Luo, W.-J.; Faridah, D.; Fasya, F.R.; Chen, Y.-S.; Mulki, F.H.; Adilah, U.N. Performance Enhancement of Hybrid Solid Desiccant Cooling Systems by Integrating Solar Water Collectors in Taiwan. Energies 2019, 12, 3470. https://doi.org/10.3390/en12183470
Luo W-J, Faridah D, Fasya FR, Chen Y-S, Mulki FH, Adilah UN. Performance Enhancement of Hybrid Solid Desiccant Cooling Systems by Integrating Solar Water Collectors in Taiwan. Energies. 2019; 12(18):3470. https://doi.org/10.3390/en12183470
Chicago/Turabian StyleLuo, Win-Jet, Dini Faridah, Fikri Rahmat Fasya, Yu-Sheng Chen, Fikri Hizbul Mulki, and Utami Nuri Adilah. 2019. "Performance Enhancement of Hybrid Solid Desiccant Cooling Systems by Integrating Solar Water Collectors in Taiwan" Energies 12, no. 18: 3470. https://doi.org/10.3390/en12183470
APA StyleLuo, W.-J., Faridah, D., Fasya, F. R., Chen, Y.-S., Mulki, F. H., & Adilah, U. N. (2019). Performance Enhancement of Hybrid Solid Desiccant Cooling Systems by Integrating Solar Water Collectors in Taiwan. Energies, 12(18), 3470. https://doi.org/10.3390/en12183470
 
        

 
                         
       