Locating Fault on Transmission Line with Static Var Compensator Based on Phasor Measurement Unit
Abstract
:1. Introduction
2. Materials and Methods
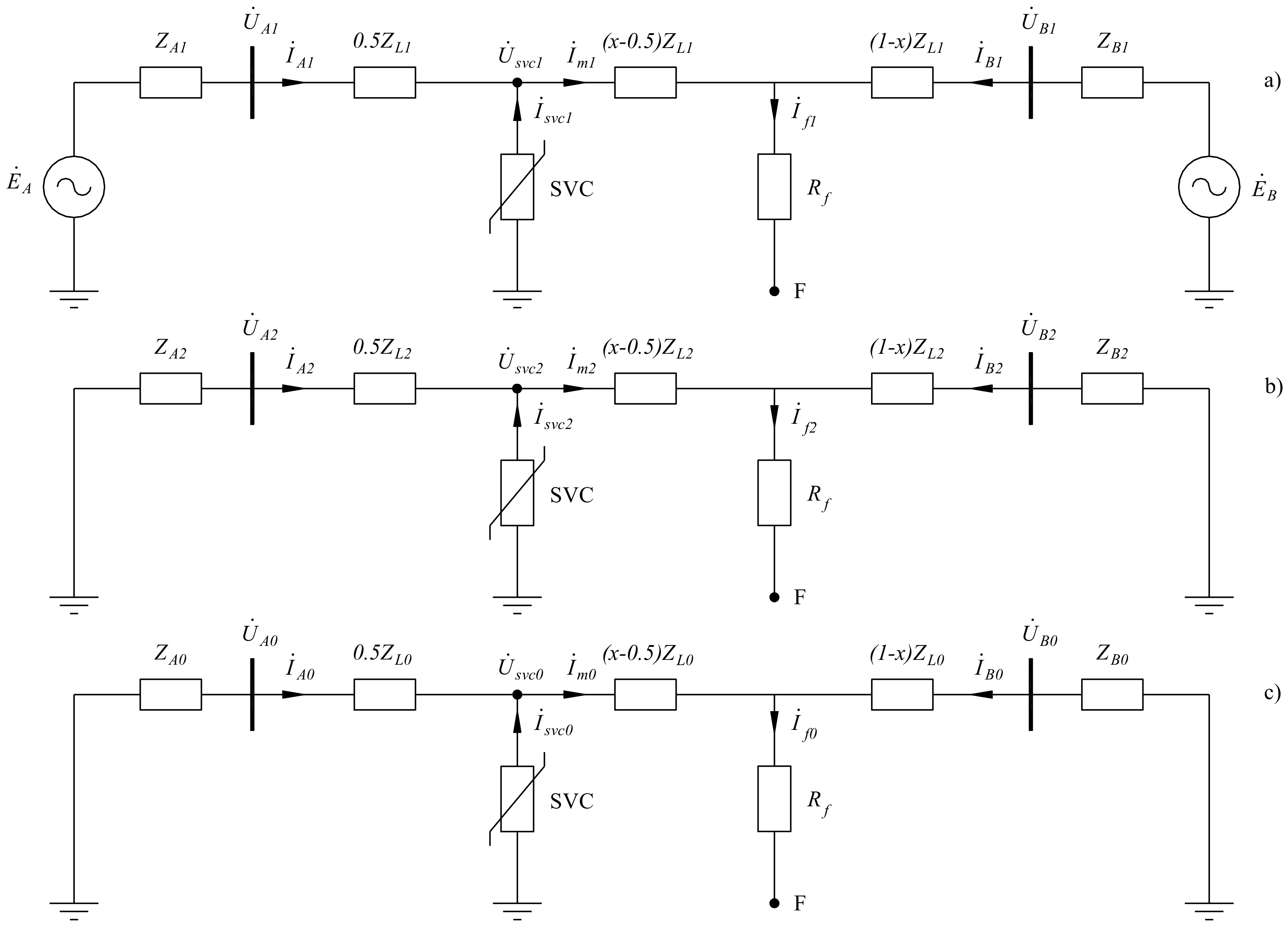
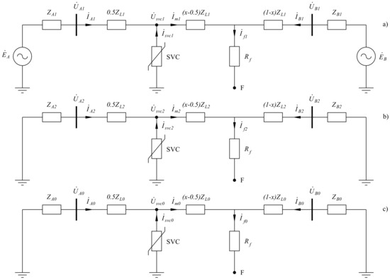
2.1. The Study Power System
2.2. Phasor Measurement Unit (PMU)
2.3. The Proposed Algorithm
- Step 1.
- Analog-to-digital converter is used to convert the analog input voltage and current signals at relays and SVC locations which are synchronized using PMUs with GPS to digital signals.
- Step 2.
- The voltage and current phasors (fundamental only) at relays and SVC locations are extracted by using Fast Fourier Transform (FFT).
- Step 3.
- The method of symmetrical components is applied to calculate sequence components of voltage and current measurement at relays and SVC locations.
- Step 4.
- The new expression of apparent impedance at the distance relays is applied to calculate using (13), which is proposed in this paper.
- Step 5.
- The new apparent impedance () is compared with the setting zones (, , and ) of the Mho characteristic.
- Step 6.
- Time delay function of relay is initiated.
- Step 7.
- Finally, trip signal is transferred to the circuit breaker.
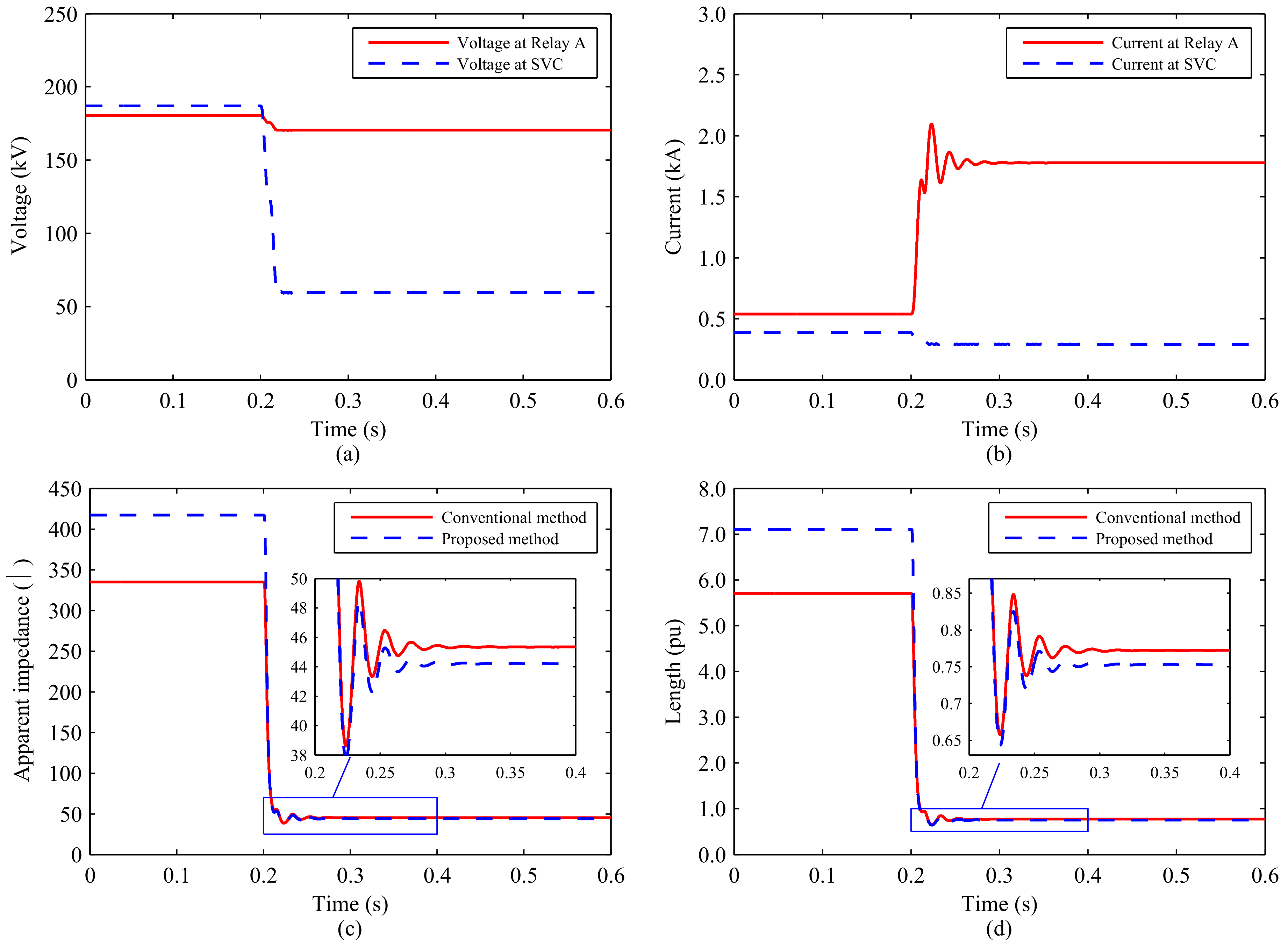
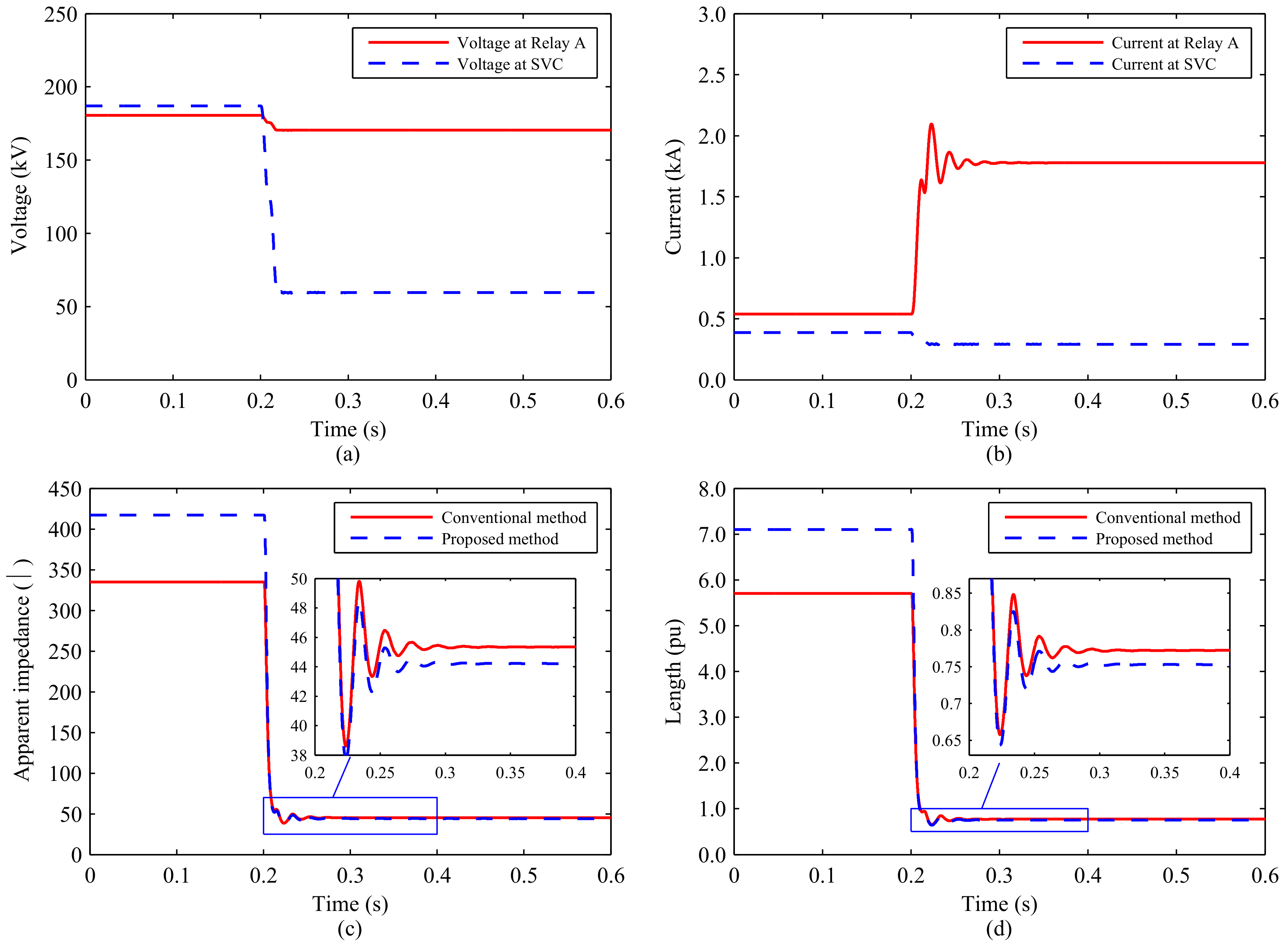
3. Results and Discussion
4. Conclusions
Author Contributions
Funding
Acknowledgments
Conflicts of Interest
Appendix A
| Voltage source A: | |
| Nominal voltage | 220 kV |
| Phase angle | |
| Fundamental frequency | 50 Hz |
| Positive-sequence impedance | 0.8929 + j5.2088 |
| Zero-sequence impedance | 0.8929 + j5.2088 |
| Voltage source B: | |
| Nominal voltage | 220 kV |
| Phase angle | 0 |
| Fundamental frequency | 50 Hz |
| Positive-sequence impedance | 0.8929 + j5.2088 |
| Zero-sequence impedance | 0.8929 + j5.2088 |
| Transmission Line: | |
| Length | 200 km |
| positive-sequence resistance | 0.01273 /km |
| zero-sequence resistance | 0.3864 /km |
| positive-sequence inductance | 0.0009337 H/km |
| zero-sequence inductance | 0.0041264 H/km |
| SVC: | |
| Rating capacitive | ±100 Mvar |
References
- Ismail, M.M.; Hassan, M.A.M. Distance Relay Protection for Short and Long Transmission Line. In Proceedings of the 2013 5th International Conference on Modelling, Identification and Control (ICMIC), Cairo, Egypt, 31 August–2 Sepetember 2013. [Google Scholar]
- Zalitis, I.; Dolgicers, A.; Kozadajevs, J. A distance protection based on the estimation of system model parameters. In Proceedings of the IEEE Manchester PowerTech, Manchester, UK, 18–22 June 2017. [Google Scholar]
- Wydra, M. Performance and Accuracy Investigation of the Two-Step Algorithm for Power System State and Line Temperature Estimation. Energies 2018, 11, 1005. [Google Scholar] [CrossRef]
- Dai, L.V.; Tung, D.D.; Dong, T.L.T.; Quyen, L.C. Improving Power System Stability with Gramian Matrix-Based Optimal Setting of a Single Series FACTS Device: Feasibility Study in Vietnamese Power System. Complexity 2017, 2017. [Google Scholar] [CrossRef]
- Albasri, F.A.; Sidhu, T.S.; Varma, R.K. Impact of Shunt-FACTS on Distance Protection of Transmission Lines. In Proceedings of the Power Systems Conference: Advanced Metering, Protection, Control, Communication, and Distributed Resources, Clemson, SC, USA, 14–17 March 2006. [Google Scholar]
- Ghorbani, A.; Mozafari, B.; Khederzadeh, M. Impact of SVC on the protection of transmission lines. Int. J. Electr. Power Energy Syst. 2012, 42, 702–709. [Google Scholar] [CrossRef]
- Khoa, N.M.; Hieu, N.H.; Viet, D.T. A Study of SVC’s Impact Simulation and Analysis for Distance Protection Relay on Transmission Lines. Int. J. Electr. Comput. Eng. 2017, 7, 1686–1695. [Google Scholar] [CrossRef]
- Henna, M.Y.E.; Nagy, S.A. Prevention of Cascaded Events of Distance Relay Zone Three Using Logic Controls, In Proceedings of the International Conference on Electrical and Computer Engineering, Benghazi, Libya, 26–28 March 2013.
- Singh, S.T.; Rajiv, K.V. Performance of distance relays on shunt-FACTS compensated transmission lines. IEEE Trans. Power Deliv. 2005, 20, 1837–1845. [Google Scholar] [CrossRef]
- Kazemi, A.; Jamali, S.; Shateri, H. Measured Impedance by Distance Relay in Presence of SVC on Transmission Line. Int. Rev. Electr. Eng. 2006, 5, 2214–2219. [Google Scholar] [CrossRef]
- Albasri, F.A.; Sidhu, T.S.; Varma, R.K. Performance comparison of distance protection schemes for shunt-FACTS compensated transmission lines. IEEE Trans. Power Deliv. 2007, 22, 2116–2125. [Google Scholar] [CrossRef]
- Khederzadeh, M.; Ghorbani, A. STATCOM modeling impacts on performance evaluation of distance protection of transmission lines. Eur. Trans. Electr. Power 2011, 21, 2063–2079. [Google Scholar] [CrossRef]
- Thakre, M.P.; Kale, V.S. An adaptive approach for three zone operation of digital distance relay with static var compensator using PMU. Int. J. Electr. Power Energy Syst. 2016, 77, 327–336. [Google Scholar] [CrossRef]
- Dubey, R.; Samantaray, S.R.; Panigrahi, B.K. Adaptive distance protection scheme for shunt-FACTS compensated line connecting wind farm. IET Gener. Trans. Distrib. 2016, 10, 247–256. [Google Scholar] [CrossRef]
- Biswal, S.; Biswal, M. Adaptive distance relay algorithm for shunt compensated transmission line. In Proceedings of the International Conference on Electrical Power and Energy Systems (ICEPES), Bhopal, India, 14–16 December 2016. [Google Scholar]
- Sree, Y.M.; Kumar, G.R.; Vaidehi, M.; Priya, G.V. Wavelet approach for transient current based multi terminal transmission system protection scheme in the presence of SVC. In Proceedings of the International Conference on Electrical, Electronics, and Optimization Techniques, Chennai, India, 3–5 March 2016. [Google Scholar]
- Albasri, F.A.; Sidhu, T.S.; Varma, R.K. Mitigation of Adverse Effects of Midpoint Shunt-FACTS Compensated Transmission Lines on Distance Protection Schemes. In Proceedings of the Power Engineering Society General Meeting, Tampa, FL, USA, 24–28 June 2007. [Google Scholar]
- Azriyenni, A.; Mustafa, M.W. Application of ANFIS for Distance Relay Protection in Transmission Line. Int. J. Electr. Comput. Eng. 2015, 5, 1311–1318. [Google Scholar] [CrossRef]
- Teng, Y.; Li, X.; Huang, Q.; Wang, Y.; Jing, S.; Jiang, Z.; Zhen, W. A Novel High-Frequency Voltage Standing-Wave Ratio-Based Grounding Electrode Line Fault Supervision in Ultra-High Voltage DC Transmission Systems. Energies 2017, 10, 309. [Google Scholar] [CrossRef]
- Liu, Y.; Xie, X.; Hu, Y.; Qian, Y.; Sheng, G.; Jiang, X. A Novel Transient Fault Current Sensor Based on the PCB Rogowski Coil for Overhead Transmission Lines. Sensors 2016, 16, 742. [Google Scholar] [CrossRef] [PubMed]
- Mandava, S.; Vanishree, J.; Ramesh, V. A Spanning Tree Approach in Placing Multi-channel and Minimum Channel PMU’s for Power System Observability. Int. J. Electr. Comput. Eng. 2015, 5, 518–524. [Google Scholar] [CrossRef]
- Ghorbani, A.; Soleymani, S.; Mozafari, B. A PMU-based LOE protection of synchronous generator in the presence of GIPFC. IEEE Trans. Power Deliv. 2016, 31, 551–558. [Google Scholar] [CrossRef]
- Yin, H.; Fan, L. PMU Data-Based Fault Location Techniques. In Proceedings of the North American Power Symposium, Arlington, TX, USA, 26–28 September 2010. [Google Scholar]
- Zeinhom, A.N. Phasor measurement unit-based distance protection and fault location algorithm for series-compensated transmission lines. In Proceedings of the Saudi Arabia Smart Grid Conference (SASG), Jeddah, Saudi Arabia, 14–17 December 2014. [Google Scholar]
- Zhang, T.; Wang, F.; Fu, W. Fault Detection and Isolation for Redundant Inertial Measurement Unit under Quantization. Appl. Sci. 2018, 8, 865. [Google Scholar] [CrossRef]
- Khebbache, H.; Labiod, S.; Tadjine, M. Adaptive sensor fault-tolerant control for a class of multi-input multi-output nonlinear systems: Adaptive first-order filter-based dynamic surface control approach. ISA Transac. 2018. [Google Scholar] [CrossRef] [PubMed]
- Al-Mohammed, A.H.; Abido, M.A. Fault Location Based on Synchronized Measurements: A Comprehensive Survey. Sci. World J. 2014, 2014. [Google Scholar] [CrossRef] [PubMed]
- Ghorbani, A.; Ebrahimi, S.Y.; Ghorbani, M. Active power based distance protection scheme in the presence of series compensators. Prot. Control Modern Power Syst. 2017, 2. [Google Scholar] [CrossRef]








© 2018 by the authors. Licensee MDPI, Basel, Switzerland. This article is an open access article distributed under the terms and conditions of the Creative Commons Attribution (CC BY) license (http://creativecommons.org/licenses/by/4.0/).
Share and Cite
Khoa, N.M.; Tung, D.D. Locating Fault on Transmission Line with Static Var Compensator Based on Phasor Measurement Unit. Energies 2018, 11, 2380. https://doi.org/10.3390/en11092380
Khoa NM, Tung DD. Locating Fault on Transmission Line with Static Var Compensator Based on Phasor Measurement Unit. Energies. 2018; 11(9):2380. https://doi.org/10.3390/en11092380
Chicago/Turabian StyleKhoa, Ngo Minh, and Doan Duc Tung. 2018. "Locating Fault on Transmission Line with Static Var Compensator Based on Phasor Measurement Unit" Energies 11, no. 9: 2380. https://doi.org/10.3390/en11092380
APA StyleKhoa, N. M., & Tung, D. D. (2018). Locating Fault on Transmission Line with Static Var Compensator Based on Phasor Measurement Unit. Energies, 11(9), 2380. https://doi.org/10.3390/en11092380

