Parameter Identification of Pump Turbine Governing System Using an Improved Backtracking Search Algorithm
Abstract
:1. Introduction
2. Model of Pump Turbine Governing System
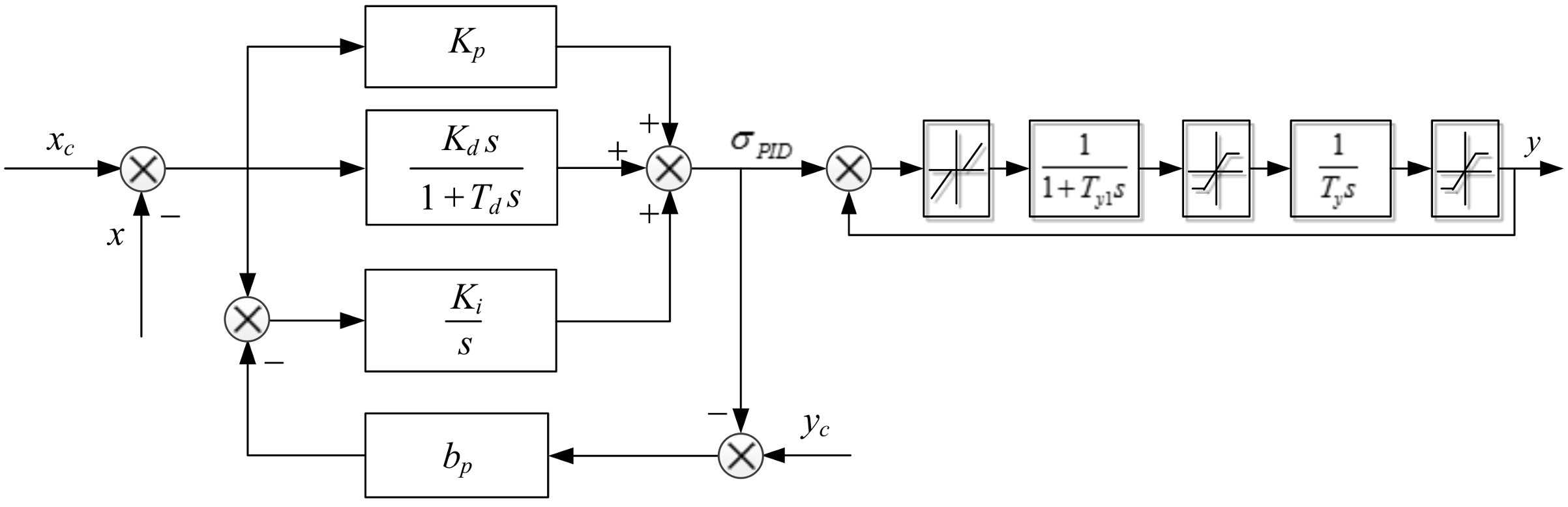
2.1. Model of the Speed Governor
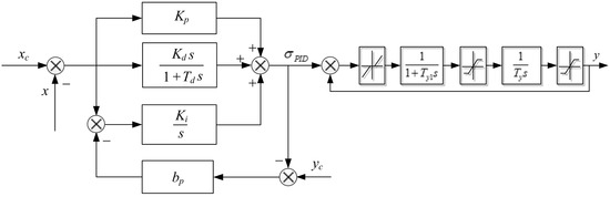
2.1.1. Model of the Controller
2.1.2. Model of the Servomechanism
2.2. Model of the Penstock System
2.3. Model of the Pump Turbine
2.4. Model of the Generator with a Load
3. Improved Backtracking Search Algorithm
3.1. Overview of the Backtracking Search Algorithm
3.2. Improvements of the Backtracking Search Algorithm
3.2.1. The Orthogonal Initialization Technique
3.2.2. The Chaotic Local Search Operator
3.2.3. The Elastic Boundary Processing Strategy
3.2.4. The Adaptive Mutation Scale Factor
3.2.5. The Flowchart of the Improved Backtracking Search Algorithm
4. Parameter Identification Strategy
4.1. Parameter Identification of PTGS Based on IBSA
4.2. Objective Function
5. Experiments and Results Analysis
5.1. Case Study
5.2. Parameter Identification under Frequency and Load Disturbances
5.3. Influence of Signal-To-Noise Ratio (SNR) on Identification Accuracy
6. Conclusions
Author Contributions
Funding
Acknowledgments
Conflicts of Interest
References
- Li, C.; Zhang, N.; Lai, X.; Zhou, J.; Xu, Y. Design of a fractional-order PID controller for a pumped storage unit using a gravitational search algorithm based on the cauchy and gaussian mutation. Inf. Sci. 2017, 396, 162–181. [Google Scholar] [CrossRef]
- Li, C.; Zou, W.; Zhang, N.; Lai, X. An evolving T-S fuzzy model identification approach based on a special membership function and its application on pump-turbine governing system. Eng. Appl. Artif. Intell. 2018, 69, 93–103. [Google Scholar] [CrossRef]
- Li, C.; Zhou, J.; Xiao, J.; Xiao, H. Hydraulic turbine governing system identification using T-S fuzzy model optimized by chaotic gravitational search algorithm. Eng. Appl. Artif. Intell. 2013, 26, 2073–2082. [Google Scholar] [CrossRef]
- Jiang, C.; Ma, Y.; Wang, C. PID controller parameters optimization of hydro-turbine governing systems using deterministic-chaotic-mutation evolutionary programming (DCMEP). Energy Convers. Manag. 2006, 47, 1222–1230. [Google Scholar] [CrossRef]
- Fang, H.; Chen, L.; Shen, Z. Application of an improved PSO algorithm to optimal tuning of PID gains for water turbine governor. Energy Convers. Manag. 2011, 52, 1763–1770. [Google Scholar] [CrossRef]
- Hannett, L.N.; Feltes, J.W.; Fardanesh, B. Field tests to validate hydro turbine-governor model structure and parameters. IEEE Trans. Power Syst. 1994, 9, 1744–1751. [Google Scholar] [CrossRef]
- De Jaeger, E.; Janssens, N.; Malfliet, B.; Van De Meulebroeke, F. Hydro turbine model for system dynamic studies. IEEE Trans. Power Syst. 1994, 9, 1709–1715. [Google Scholar] [CrossRef]
- Trudnowski, D.; Agee, J. Identifying a hydraulic-turbine model from measured field data. IEEE Trans. Energy Convers. 1995, 10, 768–773. [Google Scholar] [CrossRef]
- Bonnett, S.C.; Wozniak, L. Adaptive speed control of hydrogenerators by recursive least squares identification algorithm. IEEE Trans. Energy Convers. 1995, 10, 162–168. [Google Scholar] [CrossRef]
- Wei, W.; Cohen, K. Development of a model based fuzzy-PID controller for the aeroquad cyclone quad-copter. In Proceedings of the AIAA Infotech @ Aerospace, Boston, MA, USA, 19–22 August 2013. [Google Scholar]
- Wei, W. Development of an Effective System Identification and Control Capability for Quad-Copter UAVs. Ph.D. Thesis, University of Cincinnati, Blue Ash, OH, USA, 2015. [Google Scholar]
- Wei, W.; Tischler, M.B.; Cohen, K. System identification and controller optimization of a quadrotor unmanned aerial vehicle in hover. J. Am. Helicopter Soc. 2017, 62, 1–9. [Google Scholar] [CrossRef]
- Tian, T.; Liu, C.; Guo, Q.; Yuan, Y.; Li, W.; Yan, Q. An improved ant lion optimization algorithm and its application in hydraulic turbine governing system parameter identification. Energies 2018, 11, 95. [Google Scholar] [CrossRef]
- Li, C.; Zhou, J. Parameters identification of hydraulic turbine governing system using improved gravitational search algorithm. Energy Convers. Manag. 2011, 52, 374–381. [Google Scholar] [CrossRef]
- Chen, Z.; Yuan, X.; Tian, H.; Ji, B. Improved gravitational search algorithm for parameter identification of water turbine regulation system. Energy Convers. Manag. 2014, 78, 306–315. [Google Scholar] [CrossRef]
- Zhang, N.; Li, C.; Li, R.; Lai, X.; Zhang, Y. A mixed-strategy based gravitational search algorithm for parameter identification of hydraulic turbine governing system. Knowl. Based Syst. 2016, 109, 218–237. [Google Scholar] [CrossRef]
- Xu, Y.; Zhou, J.; Zhang, C.; Zhang, Y.; Li, C.; Qian, Z. A parameter adaptive identification method for a pumped storage hydro unit regulation system model using an improved gravitational search algorithm. Simulation 2017, 93, 679–694. [Google Scholar] [CrossRef]
- Chen, Z.; Yuan, X.; Yuan, Y.; Iu, H.H.C.; Fernando, T. Parameter identification of integrated model of hydraulic turbine regulating system with uncertainties using three different approaches. IEEE Trans. Power Syst. 2017, 32, 3482–3491. [Google Scholar] [CrossRef]
- Civicioglu, P. Backtracking search optimization algorithm for numerical optimization problems. Appl. Math. Comput. 2013, 219, 8121–8144. [Google Scholar] [CrossRef]
- Lu, C.; Gao, L.; Li, X.; Pan, Q.; Wang, Q. Energy-efficient permutation flow shop scheduling problem using a hybrid multi-objective backtracking search algorithm. J. Clean. Prod. 2017, 144, 228–238. [Google Scholar] [CrossRef]
- Lu, C.; Gao, L.; Li, X.; Chen, P. Energy-efficient multi-pass turning operation using multi-objective backtracking search algorithm. J. Clean. Prod. 2016, 137, 1516–1531. [Google Scholar] [CrossRef]
- Bhattacharjee, K.; Bhattacharya, A.; Dey, S.H.N. Backtracking search optimization based economic environmental power dispatch problems. Int. J. Electr. Power Energy Syst. 2015, 73, 830–842. [Google Scholar] [CrossRef]
- Modiri-Delshad, M.; Kaboli, S.H.A.; Taslimi-Renani, E.; Rahim, N.A. Backtracking search algorithm for solving economic dispatch problems with valve-point effects and multiple fuel options. Energy 2016, 116, 637–649. [Google Scholar] [CrossRef]
- Zhang, C.; Zhou, J.; Li, C.; Fu, W.; Peng, T. A compound structure of elm based on feature selection and parameter optimization using hybrid backtracking search algorithm for wind speed forecasting. Energy Convers. Manag. 2017, 143, 360–376. [Google Scholar] [CrossRef]
- Ali, J.A.; Hannan, M.A.; Mohamed, A.; Abdolrasol, M.G.M. Fuzzy logic speed controller optimization approach for induction motor drive using backtracking search algorithm. Measurement 2016, 78, 49–62. [Google Scholar] [CrossRef]
- Su, Z.; Wang, H.; Yao, P. A Hybrid Backtracking Search Optimization Algorithm for Nonlinear Optimal Control Problems with Complex Dynamic Constraints; Elsevier Science Publishers B. V.: Amsterdam, The Netherlands, 2016; pp. 182–194. [Google Scholar]
- Precup, R.E.; Balint, A.D.; Petriu, E.M.; Radac, M.B.; Voisan, E.I. PI and PID controller tuning for an automotive application using backtracking search optimization algorithms. In Proceedings of the IEEE Jubilee International Symposium on Applied Computational Intelligence and Informatics, Timisoara, Romania, 21–23 May 2015; pp. 161–166. [Google Scholar]
- Askarzadeh, A.; Coelho, L.D.S. A backtracking search algorithm combined with burger’s chaotic map for parameter estimation of PEMFC electrochemical model. Int. J. Hydrog. Energy 2014, 39, 11165–11174. [Google Scholar] [CrossRef]
- Chen, D.; Zou, F.; Lu, R.; Wang, P. Learning backtracking search optimisation algorithm and its application. Inf. Sci. 2017, 376, 71–94. [Google Scholar] [CrossRef]
- Liu, Z.M.; Zhang, D.H.; Liu, Y.Y.; Zhang, X. New suter-transformation method of complete characteristic curves of pump-turbines based on the 3-D surface. China Rural Water Hydropower 2015, 1, 143–145. [Google Scholar]
- Nama, S.; Saha, A.K.; Ghosh, S. Improved backtracking search algorithm for pseudo dynamic active earth pressure on retaining wall supporting c-φ backfill. Appl. Soft Comput. 2016, 52, 885–897. [Google Scholar] [CrossRef]
- Leung, Y.W.; Wang, Y. An orthogonal genetic algorithm with quantization for global numerical optimization. IEEE Trans. Evol. Comput. 2002, 5, 41–53. [Google Scholar] [CrossRef]
- Jia, D.; Zheng, G.; Khan, M.K. An effective memetic differential evolution algorithm based on chaotic local search. Inf. Sci. 2011, 181, 3175–3187. [Google Scholar] [CrossRef]
- Habutsu, T.; Nishio, Y.; Sasase, I.; Mori, S. A secret key cryptosystem by iterating a chaotic map. In Proceedings of the International Conference on Theory and Application of Cryptographic Techniques, Brighton, UK, 8–11 April 1991; pp. 127–140. [Google Scholar]
- Zhang, H.; Zhang, T.N.; Shen, J.H.; Yangb, L.I. Research on decision-makings of structure optimization based on improved tent PSO. Control Decis. 2008, 23, 857–862. [Google Scholar]
- Tian, W.; Liu, S.; Wang, X. Study and improvement of backtracking search optimization algorithm based on differential evolution. Appl. Res. Comput. 2015, 32, 1653–1662. [Google Scholar]
- Li, C.; Chang, L.; Huang, Z.; Liu, Y.; Zhang, N. Parameter identification of a nonlinear model of hydraulic turbine governing system with an elastic water hammer based on a modified gravitational search algorithm. Eng. Appl. Artif. Intell. 2016, 50, 177–191. [Google Scholar] [CrossRef]









| Actual Value | PSO | GSA | BSA | IBSA | |||||
|---|---|---|---|---|---|---|---|---|---|
| PE | PE | PE | PE | ||||||
| Kp | 8.7 | 8.428 | 0.031 | 8.617 | 0.010 | 8.687 | 0.001 | 8.703 | 0.000 |
| Ki | 0.35 | 0.463 | 0.323 | 0.32 | 0.086 | 0.331 | 0.054 | 0.356 | 0.017 |
| Kd | 1.9 | 2.35 | 0.237 | 1.936 | 0.019 | 1.908 | 0.004 | 1.917 | 0.009 |
| Ty | 0.2 | 0.277 | 0.385 | 0.199 | 0.005 | 0.2 | 0.000 | 0.198 | 0.010 |
| Tyl | 0.02 | 0.01 | 0.500 | 0.021 | 0.050 | 0.019 | 0.050 | 0.02 | 0.000 |
| Tw | 1.3 | 1.445 | 0.112 | 1.135 | 0.127 | 1.207 | 0.072 | 1.293 | 0.005 |
| Ta | 10.8 | 9.523 | 0.118 | 11.457 | 0.061 | 11.54 | 0.069 | 10.883 | 0.008 |
| en | 1 | 1.205 | 0.205 | 0.918 | 0.082 | 0.958 | 0.042 | 0.996 | 0.004 |
| APE | 0.239 | 0.055 | 0.037 | 0.007 | |||||
| Actual Value | PSO | GSA | BSA | IBSA | |||||
|---|---|---|---|---|---|---|---|---|---|
| PE | PE | PE | PE | ||||||
| Kp | 6.7 | 7.351 | 0.097 | 6.638 | 0.009 | 6.726 | 0.004 | 6.71 | 0.001 |
| Ki | 0.45 | 0.415 | 0.078 | 0.448 | 0.004 | 0.445 | 0.011 | 0.451 | 0.002 |
| Kd | 0.5 | 0.45 | 0.100 | 0.412 | 0.176 | 0.427 | 0.146 | 0.481 | 0.038 |
| Ty | 0.18 | 0.197 | 0.094 | 0.183 | 0.017 | 0.21 | 0.167 | 0.172 | 0.044 |
| Tyl | 0.02 | 0.03 | 0.500 | 0.027 | 0.350 | 0.024 | 0.200 | 0.023 | 0.150 |
| Tw | 1.3 | 1.469 | 0.130 | 1.451 | 0.116 | 1.432 | 0.102 | 1.392 | 0.071 |
| Ta | 10.8 | 11.44 | 0.059 | 10.873 | 0.007 | 11.21 | 0.038 | 10.854 | 0.005 |
| en | 0.9 | 1.259 | 0.399 | 0.96 | 0.067 | 0.947 | 0.052 | 0.906 | 0.007 |
| APE | 0.182 | 0.093 | 0.090 | 0.040 | |||||
| Actual Value | 90 dB | 50 dB | 20 dB | ||||
|---|---|---|---|---|---|---|---|
| PE | PE | PE | |||||
| Kp | 8.7 | 8.703 | 0.000 | 8.65 | 0.006 | 8.542 | 0.018 |
| Ki | 0.35 | 0.356 | 0.017 | 0.35 | 0.000 | 0.341 | 0.026 |
| Kd | 1.9 | 1.917 | 0.009 | 1.887 | 0.007 | 2.234 | 0.176 |
| Ty | 0.2 | 0.198 | 0.010 | 0.195 | 0.025 | 0.172 | 0.140 |
| Tyl | 0.02 | 0.02 | 0.000 | 0.0193 | 0.035 | 0.026 | 0.300 |
| Tw | 1.3 | 1.293 | 0.005 | 1.28 | 0.015 | 1.387 | 0.067 |
| Ta | 10.8 | 10.883 | 0.008 | 10.92 | 0.011 | 10.583 | 0.020 |
| en | 1 | 0.996 | 0.004 | 0.983 | 0.017 | 0.979 | 0.021 |
| APE | 0.007 | 0.015 | 0.096 | ||||
© 2018 by the authors. Licensee MDPI, Basel, Switzerland. This article is an open access article distributed under the terms and conditions of the Creative Commons Attribution (CC BY) license (http://creativecommons.org/licenses/by/4.0/).
Share and Cite
Zhou, J.; Zhang, C.; Peng, T.; Xu, Y. Parameter Identification of Pump Turbine Governing System Using an Improved Backtracking Search Algorithm. Energies 2018, 11, 1668. https://doi.org/10.3390/en11071668
Zhou J, Zhang C, Peng T, Xu Y. Parameter Identification of Pump Turbine Governing System Using an Improved Backtracking Search Algorithm. Energies. 2018; 11(7):1668. https://doi.org/10.3390/en11071668
Chicago/Turabian StyleZhou, Jianzhong, Chu Zhang, Tian Peng, and Yanhe Xu. 2018. "Parameter Identification of Pump Turbine Governing System Using an Improved Backtracking Search Algorithm" Energies 11, no. 7: 1668. https://doi.org/10.3390/en11071668
APA StyleZhou, J., Zhang, C., Peng, T., & Xu, Y. (2018). Parameter Identification of Pump Turbine Governing System Using an Improved Backtracking Search Algorithm. Energies, 11(7), 1668. https://doi.org/10.3390/en11071668
