Analytical Modeling Approach to Study Harmonic Mitigation in AC Grids with Active Impedance at Selective Frequencies
Abstract
1. Introduction
2. A Conceptual Approach to the Problem of Voltage Harmonics in AC Grids
3. Active Impedance at Selective Frequencies (ACISEF)
3.1. Equivalent AC Grid Model
3.2. Converter Operating as Active Impedance at Selective Frequencies (ACISEF)
3.3. Model Analytical Equations of ACISEF
3.4. Performance Analysis of ACISEF
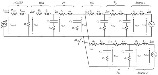
4. Analytical Global Model of AC Grid and ACISEF
4.1. Partial Analytical Models
4.2. Interconnection of All Separate Individual Models: Global Analytical Model
5. Usefulness of the Global Analytical Model: Analysis Based on the Model
5.1. Introduction
5.2. Variation of Active Impedance Values
5.3. Variation of the Current Loop Bandwidth of the Active Resistance
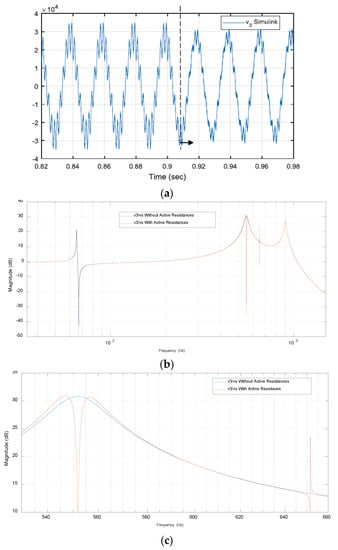
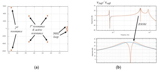
5.4. Variation of the AC Grid Impedances
- The way in which changes in the AC grid impedance can be detected is by verifying whether the correction (attenuation) of the 550 Hz voltage harmonics (that we aim to mitigate) at the Pcc is becoming smaller. Note that in the Bode diagrams in Figure 13b, a significant amplitude decrease can be observed.
- Then, once the impedance decrease has been detected indirectly, the active resistance should be increased in order to guarantee the stability of the ACISEF.
5.5. Combination of Active Resistances and Inductances
5.6. Effect of Delays in Control
5.7. Analysis of an ACISEF with an LC Output Filter
6. Extension to a Grid with more Signified Branches
7. Validation of the Proposed Analytical Model and ACISEF Effectiveness
7.1. Functionality Validation of the ACISEF Validation in Simulation
7.2. Analytical Model Validation in Simulation
7.3. Experimental Validation of the Functionality of the ACISEF in a Real AC Grid
7.4. Discussion about the Limitations of the ACISEF
8. Conclusions
Author Contributions
Conflicts of Interest
Appendix A
- L1 = 2.625 mH, R1 = 0.1 Ω, C1 = 16.87 µF, Rc1 = 26.2 mΩ,
- L2 = 12.7 mH, R2 = 0.3 Ω, C2 = 4.84 µF, Rc2 = 2.63 Ω,
- L3 = 17.09 mH, R3 = 0.75 Ω, RL = 20 kΩ, vs = 33 kV (Line-Line RMS).
- Two-level voltage source converter with low-voltage IGBTs.
- Irms converter = 2150 A.
- Vbus = 1150 V.
- n_transformer = 33,000/600. Delta-Wye (Dyn11)
- Rconv = 0.2 × 10−6·(n_transformer2) Ω (at the high voltage side)
- Lconv = 85 × 10−6·(n_transformer2) H (at the high voltage side)
- ki = ki1 = ki2= 13.5·(n_transformer2) (at the high voltage side)
- ω = 2·pi·50 rad/s, ω1 = ω·11, ω2 = ω·13.
- fsw = 2.5 kHz
References
- Gyugyi, L.; Strycula, E.C. Active ac power filters. In Proceedings of the IEEE-IAS Annual Meeting, Chicago, IL, USA, 11–14 October 1976; pp. 529–535. [Google Scholar]
- Akagi, H. New trends in active filters for power conditioning. IEEE Trans. Ind. Appl. 1996, 32, 1313–1322. [Google Scholar] [CrossRef]
- Wang, X.; Li, Y.W.; Blaabjerg, F.; Chiang Loh, P. Virtual-Impedance-Based Control for Voltage-Source and Current-Source Converters. IEEE Trans. Power Electron. 2015, 30, 7019–7037. [Google Scholar] [CrossRef]
- Tao, Y.; Liu, Q.; Deng, Y.; Liu, X.; He, X. Analysis and mitigation of inverter output impedance impacts for distributed energy resource interface. IEEE Trans. Power Electron. 2015, 30, 3563–3576. [Google Scholar] [CrossRef]
- Wang, X.; Blaabjerg, F.; Loh, P.C. Virtual RC damping of LCL-filtered voltage source converters with extended selective harmonic compensation. IEEE Trans. Power Electron. 2015, 30, 4726–4737. [Google Scholar] [CrossRef]
- Matas, J.; Castilla, M.; Vicuna, L.G.; Miret, J.; Vasquez, J. Virtual impedance loop for droop-controlled single-phase parallel inverters using a second-order general-integrator scheme. IEEE Trans. Power Electron. 2010, 25, 2993–3002. [Google Scholar] [CrossRef]
- He, J.; Li, Y.W.; Munir, M.S. A flexible harmonic control approach through voltage-controlled DG-grid interfacing converters. IEEE Trans. Ind. Electon. 2012, 59, 444–455. [Google Scholar] [CrossRef]
- Paquette, A.D.; Divan, D.M. Virtual impedance current limiting for inverters in microgrids with synchronous generators. IEEE Trans. Ind. Appl. 2014, 51, 1630–1638. [Google Scholar] [CrossRef]
- Li, Y.W.; Vilathgamuwa, D.M.; Loh, P.C.; Blaabjerg, F. A dual-functional medium voltage level DVR to limit downstream fault currents. IEEE Trans. Power Electron. 2007, 22, 1330–1340. [Google Scholar] [CrossRef]
- Zhang, Y.; Li, Y.W.; Zargari, N.R.; Cheng, Z. Improved Selective Harmonics Elimination Scheme with Online Harmonic Compensation for High-Power PWM Converters. IEEE Trans. Power Electron. 2015, 30, 3508–3517. [Google Scholar] [CrossRef]
- Middlebrook, R.D. Input filter considerations in design and application of switching regulators. In Proceedings of the IEEE Industry Applications Society, Cleveland, OH, USA, 30 September–4 October 1979; pp. 366–382. [Google Scholar]
- Dong, H.; Yuan, S.; Han, Z.; Cai, Z.; Jia, G.; Ge, Y. A Comprehensive Strategy for Accurate Reactive Power Distribution, Stability Improvement and Harmonic Suppression of Multi-Inverter-Based Micro-Grid. Energies 2018, 11, 745. [Google Scholar] [CrossRef]
- Wen, B.; Burgos, R.; Boroyevich, D.; Mattavelli, P.; Shen, Z. AC Stability Analysis and dq Frame Impedance Specifications in Power-Electronics-Based Distributed Power Systems. IEEE J. Emerg. Sel. Top. Power Electron. 2017, 5, 1455–1465. [Google Scholar] [CrossRef]
- Agbemuko, A.J.; Domínguez-García, J.L.; Prieto-Araujo, E.; Gomis-Bellmunt, O. Impedance Modelling and Parametric Sensitivity of a VSC-HVDC System: New Insights on Resonances and Interactions. Energies 2018, 11, 845. [Google Scholar] [CrossRef]
- Yuan, C.; Xie, P.; Yang, D.; Xiao, X. Transient Stability Analysis of Islanded AC Microgrids with a Significant Share of Virtual Synchronous Generators. Energies 2018, 11, 44. [Google Scholar] [CrossRef]
- Alacano, A.; Valera, J.J.; Abad, G.; Izurza, P. Power Electronics Based DC Distribution Systems for Electrically Propelled Vessels: A Multivariable Modeling Approach for Design and Analysis. IEEE J. Emerg. Sel. Top. Power Electron. 2017, 5, 1604–1620. [Google Scholar] [CrossRef]
- Kocewiak, Ł.H.; Gautschi, M.; Zeni, L.; Hesselbæk, B.; Negra, N.B.; Sørensen, T.S.; Blaumeiser, B.; Vogelsanger, S. Power Quality Improvement of Wind Power Plants by Active Filters Embedded in STATCOMs. In Proceedings of the 15th International Workshop on Large-Scale Integration of Wind Power into Power Systems as well as Transmission Networks for Offshore Wind Farms, Energynautics GmbH, Vienna, Austria, 15–17 November 2016. [Google Scholar]
- Chaudhary, S.K.; Lascu, C.; Teodorescu, R.; Kocewiak, Ł.H. Voltage Feedback based Harmonic Compensation for an Offshore Wind Power Plant. In Proceedings of the IEEE International Conference on Power Electronics, Drives and Energy Systems (PEDES), Trivandrum, India, 14–17 December 2016. [Google Scholar]
- Zhang, S.; Jiang, S.; Lu, X.; Ge, B.; Peng, F.Z. Resonance Issues and Damping Techniques for Grid-Connected Inverters with Long Transmission Cable. IEEE Trans. Power Electron. 2014, 29, 2014. [Google Scholar] [CrossRef]
- Kocewiak, Ł.H. Harmonic Challenges and Mitigation in Large Offshore Wind Power Plants. In Proceedings of the Harmony Symposyum, Aalborg, Denmark, 26 August 2015. [Google Scholar]
- Zabaleta, M.; Burguete, E.; Madariaga, D.; Zubimendi, I.; Zubiaga, M.; Larrazabal, I. LCL grid filter design of a multimegawatt medium-voltage converter for offshore wind turbine using SHEPWM modulation. IEEE Trans. Power Electron. 2016, 31, 1993–2001. [Google Scholar] [CrossRef]
- Mattavelli, P.; Buso, S. Digital Control in Power Electronics; Morgan & Claypool: San Rafael, CA, USA, 2006. [Google Scholar]
- Teodorescu, R.; Liserre, M.; Rodriguez, P. Grid Converters for Photovoltaic and Wind Power Systems; John Wiley and Sons: Hoboken, NJ, USA, 2011. [Google Scholar]
- Unamuno, E.; Barrena, J.A. Design and small-signal stability analysis of a virtual-capacitor control for DC microgrids. In Proceedings of the 19th European Conference on Power Electronics and Applications, Warsaw, Poland, 11–14 September 2017. [Google Scholar]
- Sul, K. Control of Electric Machine Drive Systems; John Wiley & Sons. Inc.: Hoboken, NJ, USA, 2011. [Google Scholar]

























© 2018 by the authors. Licensee MDPI, Basel, Switzerland. This article is an open access article distributed under the terms and conditions of the Creative Commons Attribution (CC BY) license (http://creativecommons.org/licenses/by/4.0/).
Share and Cite
Abad, G.; Laka, A.; Saavedra, G.; Barrena, J.A. Analytical Modeling Approach to Study Harmonic Mitigation in AC Grids with Active Impedance at Selective Frequencies. Energies 2018, 11, 1337. https://doi.org/10.3390/en11061337
Abad G, Laka A, Saavedra G, Barrena JA. Analytical Modeling Approach to Study Harmonic Mitigation in AC Grids with Active Impedance at Selective Frequencies. Energies. 2018; 11(6):1337. https://doi.org/10.3390/en11061337
Chicago/Turabian StyleAbad, Gonzalo, Aitor Laka, Gabriel Saavedra, and Jon Andoni Barrena. 2018. "Analytical Modeling Approach to Study Harmonic Mitigation in AC Grids with Active Impedance at Selective Frequencies" Energies 11, no. 6: 1337. https://doi.org/10.3390/en11061337
APA StyleAbad, G., Laka, A., Saavedra, G., & Barrena, J. A. (2018). Analytical Modeling Approach to Study Harmonic Mitigation in AC Grids with Active Impedance at Selective Frequencies. Energies, 11(6), 1337. https://doi.org/10.3390/en11061337
