Control Strategy for Vehicle Inductive Wireless Charging Based on Load Adaptive and Frequency Adjustment
Abstract
1. Introduction
2. Effect of Load and Frequency on System Efficiency
2.1. Effect of Equivalent Load on System Efficiency
2.2. System Stability Analysis
2.3. Resonant Frequency Identification Based on RMS Current of Inverter
3. Load Adaptive and Frequency Control Strategy
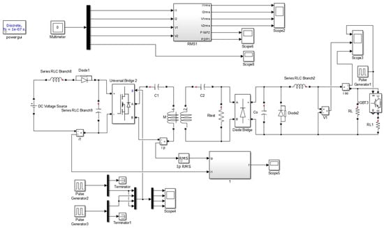
3.1. Hardware of Wireless Charging System Load Adaptive Control
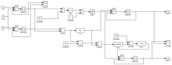
3.2. Load Adaptive Control Method for Wireless Charging System
3.3. Frequency Adjustment Method Based on Inverter Current RMS Value
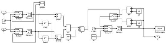
3.4. Load Adaptive and Frequency Adjustment Control Strategy Simulation
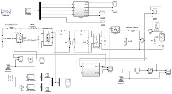
4. Results of the Experiment
5. Conclusions
- (1)
- Considering the best equivalent load impedance and the boundary conditions of wireless charging frequency bifurcation, a control method is proposed to maintain a high system efficiency in real time. According to the constant current and constant voltage charging characteristics of power supply, wireless charging system and battery, a load adaptive wireless charging method suitable for vehicle battery is designed.
- (2)
- Based on the method of judging the resonance state of the system based on the high-frequency inverter RMS current in primary side, a rapid judgment and variable step length control method is proposed which can reduce the response time to less than 1 s. In addition, the control strategy under the frequency bifurcation caused by the close distance of the coil is put forward, of which the versatility is verified through experiments.
- (3)
- The control strategy model containing vehicle charging strategy, control method and mathematics model combines the load adaptive and frequency adjustment. The simulation results of the established model show that the strategy works perfectly and meets the design requirements.
- (4)
- The system model can be verified through independently designed wireless charging system to be effective under different load conditions and different distances. Finally, through high power test and loading test, the results show that the overall efficiency in 6.6 kW test can exceed 91%, which means that the designed wireless charging system control strategy achieves the desired purpose.
Author Contributions
Acknowledgments
Conflicts of Interest
Abbreviation
| PSSS | Primary Series—Secondary Series |
References
- Zhen, N.L.; Chinga, R.A.; Tseng, R.; Lin, J. Design and Test of a High-Power High-Efficiency Loosely Coupled Planar Wireless Power Transfer System. IEEE Trans. Ind. Electron. 2009, 56, 1801–1812. [Google Scholar] [CrossRef]
- Sample, A.P.; Meyer, D.T.; Smith, J.R. Analysis, experimental results, and range adaptation of magnetically coupled resonators for wireless power transfer. IEEE Trans. Ind. Electron. 2011, 58, 544–554. [Google Scholar] [CrossRef]
- Cheon, S.; Kim, Y.H.; Kang, S.Y.; Lee, M.L.; Lee, J.-M.; Zyung, T. Circuit-Model-Based Analysis of a Wireless Energy-Transfer System via Coupled Magnetic Resonances. IEEE Trans. Ind. Electron. 2011, 58, 2906–2914. [Google Scholar] [CrossRef]
- Lyu, Y.; Meng, F.; Yang, G.; Che, B.-J.; Wu, Q.; Sun, L.; Erni, D.; Li, J.L.-W. A method of using nonidentical resonant coils for frequency splitting elimination in wireless power transfer. IEEE Trans. Power Electron. 2015, 30, 6097–6107. [Google Scholar] [CrossRef]
- Choi, B.H.; Lee, J.H. Design of Asymmetrical Relay Resonators for Maximum Efficiency of Wireless Power Transfer. Int. J. Antennas Propag. 2016, 2016. [Google Scholar] [CrossRef]
- Koizumi, M.; Komurasaki, K.; Mizuno, Y.; Arakawa, A. Wireless Power Feeding with Strongly Coupled Magnetic Resonance for a Flying Object. Wirel. Eng. Technol. 2012, 3, 86–89. [Google Scholar] [CrossRef]
- Kim, J.; Jeong, J. Range-Adaptive Wireless Power Transfer Using Multiloop and Tunable Matching Techniques. IEEE Trans. Ind. Electron. 2015, 62, 6233–6241. [Google Scholar] [CrossRef]
- Park, B.C.; Lee, J.H. Adaptive Impedance Matching of Wireless Power Transmission Using Multi-Loop Feed with Single Operating Frequency. IEEE Trans. Antennas Propag. 2014, 62, 2851–2856. [Google Scholar]
- Lim, Y.; Tang, H.; Lim, S.; Park, J. An adaptive impedance-matching network based on a novel capacitor matrix for wireless power transfer. IEEE Trans. Power Electron. 2014, 29, 4403–4413. [Google Scholar] [CrossRef]
- Namadmalan, A. Self-oscillating tuning loops for series resonant inductive power transfer systems. IEEE Trans. Power Electron. 2016, 31, 7320–7327. [Google Scholar] [CrossRef]
- Kim, N.Y.; Kim, K.Y.; Choi, J. Adaptive frequency with power-level tracking system for efficient magnetic resonance wireless power transfer. Electron. Lett. 2012, 48, 452–454. [Google Scholar] [CrossRef]
- Park, J.; Tak, Y.; Kim, Y.; Kim, Y.; Nam, S. Investigation of adaptive matching methods for near-field wireless power transfer. IEEE Trans. Antennas Propag. 2011, 59, 1769–1773. [Google Scholar] [CrossRef]
- Duong, T.P.; Lee, J.W. Experimental results of high-efficiency resonant coupling wireless power transfer using a variable coupling method. IEEE Microw. Wirel. Compon. Lett. 2011, 21, 442–444. [Google Scholar] [CrossRef]
- Luo, Y.; Yang, Y.; Chen, S.; Wen, X. A Frequency-Tracking and Impedance-Matching Combined System for Robust Wireless Power Transfer. Int. J. Antennas Propag. 2017, 2017. [Google Scholar] [CrossRef]
- Sun, Y.; Wang, Z.; Dai, X.; Su, Y.V.L. Study of frequency stability of contactless power transmission system. Trans. China Electrotech. Soc. 2005, 11, 56–59. [Google Scholar]
- Mai, R.; Lu, L.; Li, Y.; He, Z. Dynamic resonant compensation approach based on minimum voltage and maximum current tracking for IPT system. Trans. China Electrotech. Soc. 2015, 30, 32–38. [Google Scholar]
- Qiang, H.; Huang, X.L.; Tan, L.L.; Ji, Q.J.; Zhao, J.M. Achieving maximum power transfer of inductively coupled wireless power transfer system based on dynamic tuning control. Sci. China Technol. Sci. 2012, 42, 830–837. [Google Scholar] [CrossRef]
- Su, Y.; Tang, C.; Sun, Y.; Wang, Z. Load Adaptive Technology of Contactless Power Transfer System. Trans. China Electrotech. Soc. 2009, 24, 153–157. [Google Scholar]
- He, Z.; Li, Y.; Mai, R.; Li, Y. Dynamic compensation strategy of inductive power transfer system with inductive-resistive load. J. Southwest Jiaotong Univ. 2014, 49, 569–575. [Google Scholar]
- Dai, X.; Sun, Y. Study on Energy Injection Control Method for Inductive Power Transfer System. J. Univ. Electron. Sci. Technol. China 2011, 40, 69–72. [Google Scholar]
- Geng, Y.; Li, B.; Yang, Z.; Lin, F.; Sun, H.; Sun, H. A High Efficiency Charging Strategy for a Supercapacitor Using a Wireless Power Transfer System Based on Inductor/Capacitor/Capacitor (LCC) Compensation Topology. Energies 2017, 10, 135. [Google Scholar] [CrossRef]
- Yang, Q.; Xu, G.; Jin, J.; Geng, D.; Fu, W.; Yan, W.; Sun, M. Optimal design of energy transmission system for implantable device base on WiTricity. In Proceedings of the Digests of the 14th Biennial IEEE Conference on Electromagnetic Field Computation, Chicago, IL, USA, 9–12 May 2010. [Google Scholar]
- Wang, C.S.; Stielau, O.H.; Covic, G.A. Design considerations for a contactless electric vehicle battery charger. IEEE Trans. Ind. Electron. 2005, 52, 1308–1314. [Google Scholar] [CrossRef]
- Kasthuri, M.R.; Lekshmanan, M.N. Design and Control of a Transcutaneous Power Regulator for Artificial Heart. Int. J. Eng. Trends Technol. 2014, 8, 149–153. [Google Scholar] [CrossRef]
- Pantic, Z.; Bai, S.; Lukic, S.M. ZCS $LCC$-Compensated Resonant Inverter for Inductive-Power-Transfer Application. IEEE Trans. Ind. Electron. 2011, 58, 3500–3510. [Google Scholar] [CrossRef]
- Ravikiran, V. Review on Contactless Power Transfer for Electric Vehicle Charging. Energies 2017, 10, 636. [Google Scholar] [CrossRef]
- Wang, C.S.; Covic, G.; Stielau, O.H. Power Transfer Capability and Bifurcation Phenomena of Loosely Coupled Inductive Power Transfer Systems. IEEE Trans. Ind. Electron. 2004, 51, 148–157. [Google Scholar] [CrossRef]
- Duong, T.P.; Lee, J.W. A Dynamically Adaptable Impedance-Matching System for Midrange Wireless Power Transfer with Misalignment. Energies 2015, 8, 7593–7617. [Google Scholar] [CrossRef]
- Yamakawa, M.; Shimamura, K.; Komurasaki, K.; Koizumi, H. Demonstration of Automatic Impedance-Matching and Constant Power Feeding to and Electric Helicopter via Magnetic Resonance Coupling. Wirel. Eng. Technol. 2014, 5, 45–53. [Google Scholar] [CrossRef]
- Fu, W.; Zhang, B.; Qiu, D. Study on frequency-tracking wireless power transfer system by resonant coupling. In Proceedings of the 2009 IEEE 6th International Power Electronics and Motion Control Conference, Wuhan, China, 17–20 May 2009. [Google Scholar]
- Imura, T.; Hori, Y. Maximizing Air Gap and Efficiency of Magnetic Resonant Coupling for Wireless Power Transfer Using Equivalent Circuit and Neumann Formula. IEEE Trans. Ind. Electron. 2011, 58, 4746–4752. [Google Scholar] [CrossRef]
- Kato, M.; Imura, T.; Hori, Y. New characteristics analysis considering transmission distance and load variation in wireless power transfer via magnetic resonant coupling. In Proceedings of the 2012 IEEE 34th International Telecommunications Energy Conference (INTELEC), Scottsdale, AZ, USA, 30 September–4 October 2012. [Google Scholar]
- Moh, K.G.; Neri, F.; Moon, S.; Yeon, P.; Yu, J.; Cheon, Y.; Roh, Y.-S.; Ko, M.; Park, B.-H. 12.9 A fully integrated 6 W wireless power receiver operating at 6.78 MHz with magnetic resonance coupling. In Proceedings of the IEEE International Solid State Circuits Conference—(ISSCC), San Francisco, CA, USA, 22–26 February 2015. [Google Scholar]
- Hui, S.Y.R.; Zhong, W.; Lee, C.K. A Critical Review of Recent Progress in Mid-Range Wireless Power Transfer. IEEE Trans. Power Electron. 2014, 29, 4500–4511. [Google Scholar] [CrossRef]





















| Parameter | Rp,s (Ω) | M (μH) | F (kHz) |
|---|---|---|---|
| Value | 0.5 | 67 | 85 |
| Load/Ω | Primary Side | Power/W | Secondary Side | Power/W | Efficiency | ||
|---|---|---|---|---|---|---|---|
| Voltage/V | Current/A | Voltage /V | Current/A | ||||
| 6 | 100 | 8.29 | 829 | 62.9 | 10.06 | 632.774 | 76.33% |
| 8 | 100 | 8.34 | 834 | 74.3 | 9.47 | 703.621 | 84.37% |
| 9.6 | 100 | 8.07 | 807 | 81 | 8.6 | 696.6 | 86.32% |
| 12 | 100 | 7.45 | 745 | 89 | 7.42 | 660.38 | 88.64% |
| 24 | 100 | 4.78 | 478 | 103.4 | 4.3 | 444.62 | 93.02% |
| Distance (cm) | Frequency (kHz) | Input Voltage (V) | Input Current (A) | Inverter RMS Current (A) | N | Output Voltage (V) | Output Current (A) | Efficiency (%) | Note |
|---|---|---|---|---|---|---|---|---|---|
| 10 | 86.35579 | 100.00 | 4.83 | 5.37 | 1.1118 | 94.00 | 4.74 | 92.28% | reference |
| 11 | 86.35579 | 100.00 | 2.25 | 4.20 | 1.8667 | 64.60 | 3.13 | 89.91% | before |
| 11 | 83.61204 | 100.00 | 4.75 | 5.28 | 1.1116 | 94.30 | 4.64 | 92.15% | after |
| 12 | 83.61204 | 100.00 | 1.84 | 4.00 | 2.1739 | 58.50 | 2.85 | 90.61% | before |
| 12 | 80.90615 | 100.00 | 4.80 | 5.34 | 1.1125 | 95.10 | 4.67 | 92.55% | after |
| 13 | 80.90615 | 100.00 | 4.80 | 5.50 | 1.1458 | 94.80 | 4.63 | 91.47% | before |
| 13 | 80.12821 | 100.00 | 4.73 | 5.26 | 1.1121 | 94.30 | 4.64 | 92.54% | after |
| 14 | 80.12821 | 100.00 | 4.44 | 5.70 | 1.2838 | 91.50 | 4.48 | 92.36% | before |
| 14 | 78.98894 | 100.00 | 4.86 | 5.40 | 1.1111 | 95.90 | 4.69 | 92.58% | after |
| 15 | 78.98894 | 100.00 | 5.00 | 5.80 | 1.1600 | 96.70 | 4.70 | 90.93% | before |
| 15 | 78.86435 | 100.00 | 5.05 | 5.70 | 1.1287 | 97.10 | 4.78 | 91.94% | after |
© 2018 by the authors. Licensee MDPI, Basel, Switzerland. This article is an open access article distributed under the terms and conditions of the Creative Commons Attribution (CC BY) license (http://creativecommons.org/licenses/by/4.0/).
Share and Cite
Yang, S.; Yan, X.; He, H.; Yang, P.; Peng, Z.; Cui, H. Control Strategy for Vehicle Inductive Wireless Charging Based on Load Adaptive and Frequency Adjustment. Energies 2018, 11, 1222. https://doi.org/10.3390/en11051222
Yang S, Yan X, He H, Yang P, Peng Z, Cui H. Control Strategy for Vehicle Inductive Wireless Charging Based on Load Adaptive and Frequency Adjustment. Energies. 2018; 11(5):1222. https://doi.org/10.3390/en11051222
Chicago/Turabian StyleYang, Shichun, Xiaoyu Yan, Hong He, Peng Yang, Zhaoxia Peng, and Haigang Cui. 2018. "Control Strategy for Vehicle Inductive Wireless Charging Based on Load Adaptive and Frequency Adjustment" Energies 11, no. 5: 1222. https://doi.org/10.3390/en11051222
APA StyleYang, S., Yan, X., He, H., Yang, P., Peng, Z., & Cui, H. (2018). Control Strategy for Vehicle Inductive Wireless Charging Based on Load Adaptive and Frequency Adjustment. Energies, 11(5), 1222. https://doi.org/10.3390/en11051222

