Primary Frequency Response Enhancement for Future Low Inertia Power Systems Using Hybrid Control Technique
Abstract
1. Introduction
- The proposed controller equips the VSWT with a sufficient ability to play an active role in responding to unforeseen grid transients.
- The proposed controller extends the results found in the literature by not only arresting the frequency excursion, hence maintaining the system stability, but also enhancing the system security indices, namely ROCOF and FN.
- All the proposed controller combinations succeed in providing extra generation capacity (i.e., reserve) to balance the mismatch in the generation demand requirements.
- The controllers cure the main shortcoming of using converter by eliminating its decoupling effect between the VSWT and the grid.
2. Preliminary
2.1. Frequency Response in Conventional Power System
2.2. Frequency Response in Conventional Power System
- The contribution of the wind turbines in the system frequency changes is null.
- The wind penetration level (Lp) affects the governor, the generator models and the total system inertia.
- Spinning reserve is available to compensate for any existing generating units in the case of any generation deficit.
3. Methods for VSWT Primary Frequency Control
3.1. Use Kinetic Energy
3.1.1. “Hidden” Inertia Emulation
3.1.2. Fast Power Reserve Emulation
3.2. Droop Control
Remark 1
- They all depend on the MPPT control block to determine the reference rotor speed of the wind turbine which may either be further corrected by the aid of PI controller to determine the normal reference maximum power signal as in the case of inertia emulation and droop control. In such cases, this MPPT signal is forwardly modified by an extra active power signal that can be produced from the stored kinetic energy in the turbine blades (hidden/synthetic/emulated inertia) or from speed adjustment rate constant (R) as ∆f/∆P droop characteristics to produce the needed reference power signal for the converter hence reducing the frequency excursion.
- Conversely, it may be used as an initial speed value in Equation (3), in addition to determining a short term constant power called Pin for certain specified period of time, t. In such case, the needed reference rotor speed of the wind turbine will be determined and compared with the measured value of the rotor speed to produce the needed reference power signal—by the aid of PI controller—for the converter hence reducing the frequency excursion.
3.3. De-Loading Control
3.3.1. Rotational Speed Control
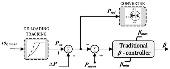
3.3.2. Modified Pitch Control
4. Frequency Control Simulation
- Condition 1: low wind speed.
- Condition 2: high wind speed.
4.1. Condition 1 Simulation Results
Remark 2
- Morren et al. [10] commented on the initial operating power of the turbine at the frequency disturbance event and the amount of available additional power in the turbine which is used to support the primary frequency response. In this paper, an investigation is performed to check the available additional power from the wind turbine in the case of higher wind speeds. This investigation is made for all four controllers. The wind speed range is chosen to be 7–11 m/s with an increment of 0.5 m/s, where the rated speed is set to be 11.34 m/s. For sake of brevity, only the results for inertia emulation control case—as a best control candidate in low wind speed—are presented. Figure 14 shows that the amount of contributed power by the wind turbine is increased as the wind speed increases due to higher stored kinetic energy.
- The conclusion that can be drawn here is that the wind turbine ability to provide instant additional power for primary frequency support is increasing as wind speed increases at low wind speed conditions.
4.2. Condition 2 Simulation Results
Remark 3
- All controller structures provide higher power reserve margins under low wind speed conditions compared to the case of high wind speed conditions.
- The dynamics of pitch angle response in the case of de-loading controller is much higher than the corresponding dynamics for the other controllers. Hence, the pitch angle mechanism in the de-loading controller needs to be highly responsive and more efficient to achieve these dynamics, which will affect the total cost of the wind turbine.
5. Combination Controllers’ Results
5.1. Low Wind Speed
5.2. High Wind Speed
6. Effect of High Wind Power Penetration
6.1. Low Wind Speed
- As the penetration level of wind power increase, the ROCOF also increases, whether using or not using control system and independent of the used controller type.
- At very low penetration levels (0–10%), the combined control techniques offer a good method—to reduce the ROCOF values—and can be considered superior to the four proposed separate control techniques.
- At very high penetration levels (35–40%), there is no great difference in the FOCOF values with different controllers. This means that, at this high level of penetration, any controller either in combination or alone can be used to primarily capture the frequency.
- At the penetration level 0–20%, the fast power reserve emulation combined with rotational speed control offer the best frequency control alternative to reduce the ROCOF values.
- From 20% to 40% penetration level, both combination cases yield same ROCOF values. However, the combination of inertia emulation with rotational speed control is the best when the FN is considered.
- The (FN) values starts to decrease as the penetration level of wind power starts to increase if there is no frequency control action.
- At very low penetration levels (0–10%), the combined control techniques as well as the inertia emulation control offer superior methods to increase the FN values. The three other proposed separate control techniques cannot increase the FN in this range of penetration level.
- At penetration level above 10%, the behavior of the FN starts to alternatively decrease with all suggested separate and combined controllers.
- At very high penetration levels (30–40%), the combined control techniques present superior methods over the other controllers to increase the FN values with no big difference in the FN values for these combined controllers.
- At the penetration level 0–40%, the inertia emulation control outperforms the other separate controllers in increasing the FN values, whether it is used separately or in a combined manner with rotational speed control.
6.2. High Wind Speed
- As the penetration level of wind power increase, the ROCOF also increases, whether using or not using control system and independent of the used controller type.
- At very low penetration levels (0–10%), the fast power reserve emulation combined with modified pitch control technique and the droop control represent the best methods to reduce the ROCOF values.
- From 10% to 35% penetration levels, the fast power reserve control either in combination or alone represents the best alternative to reduce the ROCOF values.
- At very high penetration levels (35–40%), there is no big difference in the FOCOF values for different controllers. This means that, at this high level of penetration, any controller either in combination or alone can be used to primarily capture the frequency.
- As the penetration level of wind power increases, the FN also increases for all proposed controllers except the combination of inertia emulation and modified pitch, where the FN decreases for the penetration level from 0% to 20% and increase after that until 40%.
- At the penetration level 10–40%, the inertia emulation control combined with modified pitch control offers the best frequency control alternative to reduce the FN values.
- At the penetration level 10–40%, the droop control seems to be the best separate controller, yielding low values of FN.
Remark 4
- More controller schemes are studied.
- The work in this paper considers a wider spectrum of wind speeds.
- A new combined control scheme is proposed.
7. Conclusions
- The best control performance achieved in low wind speed in terms of ROCOF, FN and ∆f is the inertia emulation.
- This controller enables the wind turbine to provide the maximum active power in the case of frequency event, hence offers best damping for grid transient.
- The best control performance achieved in high wind speed in terms of ROCOF, FN and ∆f is the droop control. This controller presents the highest response speed.
- The results obtained in low wind speed for the inertia emulation controller can be more enhanced in the case of combination with rotational speed controller.
- The inertia emulation combination with the modified pitch control in high wind speed exhibits the best control performance ever in terms of ROCOF, FN and ∆f, in different cases of low and high wind speed. This combined controller represents shorter settling time (i.e., faster response).
Author Contributions
Conflicts of Interest
References
- Borlase, S. (Ed.) Smart Grids: Infrastructure, Technology, and Solutions; CRC Press: Boca Raton, FL, USA, 2017. [Google Scholar]
- Global Wind Report. 2016. Available online: http://www.gwec.net/ (accessed on 10 May 2017).
- Wang, Y.; Meng, J.; Zhang, X.; Xu, L. Control of PMSG-based wind turbines for system inertial response and power oscillation damping. IEEE Trans. Sustain. Energy 2015, 6, 565–574. [Google Scholar] [CrossRef]
- Bevrani, H. Robust Power System Frequency Control; Springer: New York, NY, USA, 2014. [Google Scholar]
- Pourbeik, P.; Sanchez-Gasca, J.J.; Senthil, J.; Weber, J.D.; Zadehkhost, P.S.; Kazachkov, Y.; Ellis, A. Generic Dynamic Models for Modeling Wind Power Plants and Other Renewable Technologies in Large-Scale Power System Studies. IEEE Trans. Energy Convers. 2017, 32, 1108–1116. [Google Scholar] [CrossRef]
- Bossanyi, E. Generic grid frequency response capability for wind power plant. In Proceedings of the EWEA Annual Conference, Paris, France, 17–20 November 2015. [Google Scholar]
- Poolla, B.K.; Bolognani, S.; Dörfler, F. Optimal placement of virtual inertia in power grids. IEEE Trans. Autom. Control 2017, 62, 6209–6220. [Google Scholar] [CrossRef]
- Dreidy, M.; Mokhlis, H.; Mekhilef, S. Inertia response and frequency control techniques for renewable energy sources: A review. Renew. Sustain. Energy Rev. 2017, 69, 144–155. [Google Scholar] [CrossRef]
- Sun, Y.Z.; Zhang, Z.S.; Li, G.J.; Lin, J. Review on frequency control of power systems with wind power penetration. In Proceedings of the International Conference on Power System Technology, Hangzhou, China, 24–28 October 2010; pp. 1–8. [Google Scholar]
- Morren, J.; De Haan, S.W.H.; Kling, W.L.; Ferreira, J.A. Wind turbine emulating inertia and supporting primary frequency control. IEEE Trans. Power Syst. 2006, 21, 433–434. [Google Scholar] [CrossRef]
- Morren, J.; Pierik, J.; De Haan, S.W.H. Inertial response of variable speed wind turbines. Electr. Power Syst. Res. 2006, 76, 980–987. [Google Scholar] [CrossRef]
- Zeni, L.; Rudolph, A.; Margaris, I.; Münster-Swendsen, J.; Hansen, A.D.; Sørensen, P. Virtual inertia for variable speed wind turbines. Wind Energy 2012, 8, 1225–1239. [Google Scholar] [CrossRef]
- Gonzalez-Longatt, F.M. Effects of the synthetic inertia from wind power on the total system inertia: Simulation study. In Proceedings of the 2nd International Symposium on Environment-Friendly Energies and Applications, Newcastle upon Tyne, UK, 25–27 June 2012; pp. 389–395. [Google Scholar]
- Gonzalez-Longatt, F.M. Impact of emulated inertia from wind power on under-frequency protection schemes of future power systems. J. Mod. Power Syst. Clean Energy 2016, 4, 211–218. [Google Scholar] [CrossRef]
- Gonzalez-Longatt, F.M.; Bonfiglio, A.; Procopio, R.; Verduci, B. Evaluation of inertial response controllers for full-rated power converter wind turbine (Type 4). In Proceedings of the IEEE Power and Energy Society General Meeting, Boston, MA, USA, 17–21 July 2016. [Google Scholar]
- Yingcheng, X.; Nengling, T. Review of contribution to frequency control through variable speed wind turbine. Renew. Energy 2011, 36, 1671–1677. [Google Scholar] [CrossRef]
- Motamed, B.; Chen, P.; Persson, M. Comparison of primary frequency support methods for wind turbines. In Proceedings of the IEEE Grenoble PowerTech, Grenoble, France, 16–20 June 2013; pp. 1–5. [Google Scholar]
- Gonzalez-Longatt, F.M. Impact of Synthetic Inertia from Wind Power on the Protection/Control Schemes of Future Power Systems: Simulation Study. Presented at the DPSP 2012—Protecting the Smart Grid, the 11th International Conference on Developments in Power System Protection, Birmingham, UK, 23–26 April 2012. [Google Scholar]
- Gonzalez-Longatt, F. Frequency Control and Inertial Response Schemes for the Future Power Networks. In Large Scale Renewable Power Generation; Hossain, J., Mahmud, A., Eds.; Springer: Singapore, 2014; pp. 193–231. [Google Scholar]
- Kundur, P. Power System Stability and Control; McGrawHill: New York, NY, USA, 1993. [Google Scholar]
- Miller, N.W.; Sanchez-Gasca, J.J.; Price, W.W.; Delmerico, R.W. Dynamic modeling of 1.5 and 3.6 MW wind turbine-generators for stability simulations. In Proceedings of the IEEE Power Engineering Society General Meeting, Toronto, ON, Canada, 13–17 July 2003; pp. 1977–1983. [Google Scholar]
- Teninge, A.; Jecu, C.; Roye, D.; Bacha, S.; Duval, J.; Belhomme, R. Contribution to frequency control through wind turbine inertial energy storage. IET Renew. Power Gener. 2009, 3, 358–370. [Google Scholar] [CrossRef]
- Ullah, N.R.; Thiringer, T.; Karlsson, D. Temporary Primary Frequency Control Support by Variable Speed Wind Turbine- Potential and Application. IEEE Trans. Power Syst. 2008, 23, 601–612. [Google Scholar] [CrossRef]
- Muller, S.; Deicke, M.; De Doncker, R.W. Doubly fed induction generator systems for wind turbines. Ind. Appl. Mag. 2002, 8, 26–33. [Google Scholar] [CrossRef]
- De Almeida, R.G.; Lopes, J.P. Participation of doubly fed induction wind generators in system frequency regulation. IEEE Trans. Power Syst. 2007, 22, 944–950. [Google Scholar] [CrossRef]
- Complete Grid Code. Available online: https://www.nationalgrid.com/uk/electricity/codes/grid-code?code-documents (accessed on 21 March 2017).
- National Electricity Rules Version 106. Australian Energy Market Commission (AEMC). Available online: http://www.aemc.gov.au (accessed on 27 February 2018).
- Wind Farm Grid Connection Code in Addition to the Egyptian Transmission Grid Code. Available online: http://www.egyptera.org (accessed on 15 September 2017).






















| Kinetic Energy | |||
|---|---|---|---|
| Inertia Emulation | Fast Power Reserve Emulation | ||
| De-loading | Rotational speed | Low wind | Low wind |
| Modified pitch | High wind | High wind | |
| ∆f (Hz) | TMF (Hz) | ROCOF Decreasing | Settling Time—ts (s) | |
|---|---|---|---|---|
| Inertia Emulation Control | 1.75 | 48.25 | 0.02150 | 23.60 |
| Fast Power Reserve Emulation | 1.88 | 48.12 | 0.02085 | 25.63 |
| Droop Control | 1.92 | 48.08 | 0.02168 | 23.67 |
| De-Loading/Rotational Speed Control | 1.93 | 48.07 | 0.02121 | 25.20 |
| ∆f (Hz) | TMF (Hz) | ROCOF Decreasing | Settling Time—ts (s) | |
|---|---|---|---|---|
| Droop Control | 1.72 | 48.28 | 0.02083 | 22.97 |
| Inertia Emulation Control | 1.74 | 48.26 | 0.02099 | 24.55 |
| Fast Power Reserve Emulation | 1.79 | 48.21 | 0.02070 | 25.45 |
| De-Loading/Modified Pitch Control | 1.88 | 48.12 | 0.02157 | 24.85 |
© 2018 by the authors. Licensee MDPI, Basel, Switzerland. This article is an open access article distributed under the terms and conditions of the Creative Commons Attribution (CC BY) license (http://creativecommons.org/licenses/by/4.0/).
Share and Cite
Alsharafi, A.S.; Besheer, A.H.; Emara, H.M. Primary Frequency Response Enhancement for Future Low Inertia Power Systems Using Hybrid Control Technique. Energies 2018, 11, 699. https://doi.org/10.3390/en11040699
Alsharafi AS, Besheer AH, Emara HM. Primary Frequency Response Enhancement for Future Low Inertia Power Systems Using Hybrid Control Technique. Energies. 2018; 11(4):699. https://doi.org/10.3390/en11040699
Chicago/Turabian StyleAlsharafi, Abdulhameed S., Ahmad H. Besheer, and Hassan M. Emara. 2018. "Primary Frequency Response Enhancement for Future Low Inertia Power Systems Using Hybrid Control Technique" Energies 11, no. 4: 699. https://doi.org/10.3390/en11040699
APA StyleAlsharafi, A. S., Besheer, A. H., & Emara, H. M. (2018). Primary Frequency Response Enhancement for Future Low Inertia Power Systems Using Hybrid Control Technique. Energies, 11(4), 699. https://doi.org/10.3390/en11040699

