Abstract
This paper studies a frequency-controlled current-fed resonant circuit. The adopted direct current (DC)-to-DC converter contains two boost circuits and a resonant circuit on the primary side. First, two boost circuits are connected in parallel to achieve voltage step-up and reduce input ripple current by using interleaved pulse-width modulation. Therefore, the size and current rating of boost inductors are decreased in the proposed converter. Second, the boost voltage is connected to the resonant circuit to realize the mechanism of the zero-voltage switching of all active switches and zero-current switching of all diodes. Two boost circuits and a resonant circuit use the same power devices in order to lessen the switch counts. The voltage doubler topology is adopted on the secondary side (high-voltage side). Therefore, the voltage rating of diodes on the high-voltage side is clamped at output voltage. The feasibility of the studied circuit is confirmed by the experimental tests with a 1 kW prototype circuit.
1. Introduction
Due to increased global warming and climbing temperature issues, renewable energy sources have been developed to produce clean energy. A fuel cell is a kind of renewable energy source that converts chemical energy to electric direct current (DC) or alternating current (AC) power. A solar cell is the other source of renewable energy to convert photovoltaic (PV) energy to electric DC or AC power. The outputs of fuel cell stacks and PV panels are low voltage. For connecting fuel cell stacks and PV panels to AC grids or DC grids [1,2], a voltage boost circuit and an isolation transformer are necessary. The high-voltage boost converters can be the voltage source type [3,4] or the current source type [5,6,7] circuit topologies. Normally, the input current ripple of the current source converters is much smaller than the voltage source converters. However, the main problems of high-voltage boost converters operating under high switching frequency are serious core losses and switching losses. Power converters with soft-switching turn-on or turn-off characteristics have been proposed and studied to overcome these problems. Duty cycle control [8,9,10,11,12,13] and frequency control schemes [14,15,16] are normally used to regulate load voltage and also reduce switching losses under zero-voltage or zero-current. The advantages of duty cycle control with fixed switching frequency are easy implementation with commercial integrated circuits and many available circuit topologies. However, the drawback of these topologies is poor circuit efficiency at low load, due to hard switching at low output power. Resonant converters [14,15,16] with frequency modulation have developed to achieve advantages of low switching losses at whole load range and high efficiency under low load conditions. Two boost converters and two full-bridge resonant converters with interleaved pulse-width modulation (PWM) are adopted in [5] to obtain high voltage gain and less input ripple current for electric vehicle (EV) and hybrid electric vehicle (HEV) applications. However, more power devices (10 power switches) are used in this circuit topology such that the cost is increased and the reliability is reduced.
This paper proposes and studies a simple voltage-boost current-fed resonant DC/DC circuit. The studied converter has two voltage boost circuits, a frequency-controlled full-bridge circuit and a voltage doubler rectifier. The voltage boost circuits and full-bridge circuit use the same active devices so that the total active devices are decreased. Interleaved PWM is adapted to control two voltage boost circuits. Due to the interleaved PWM operation with one-half cycle phase shift, the input current ripple of the proposed converter is reduced to zero. Since the full-bridge circuit is controlled by frequency modulation, the mechanism of the zero-voltage switching of all active switches and zero-current switching of all diodes can be realized at whole load range. Therefore, the turn-on switching losses of active switches and turn-off switching losses or the reverse recovery current losses of the diodes are decreased. A voltage doubler circuit topology is used on the secondary side (high-voltage side) in order to limit the voltage stress of diode at load voltage. In Section 2, the circuit diagram and structure of the studied circuit topology are presented and discussed. The circuit operation is presented in Section 3. The circuit performance and design examples are provided in Section 4. Finally, the feasibility of the developed circuit is verified by a 1 kW prototype circuit in Section 5, followed by the conclusions.
2. Proposed Converter
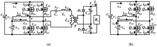
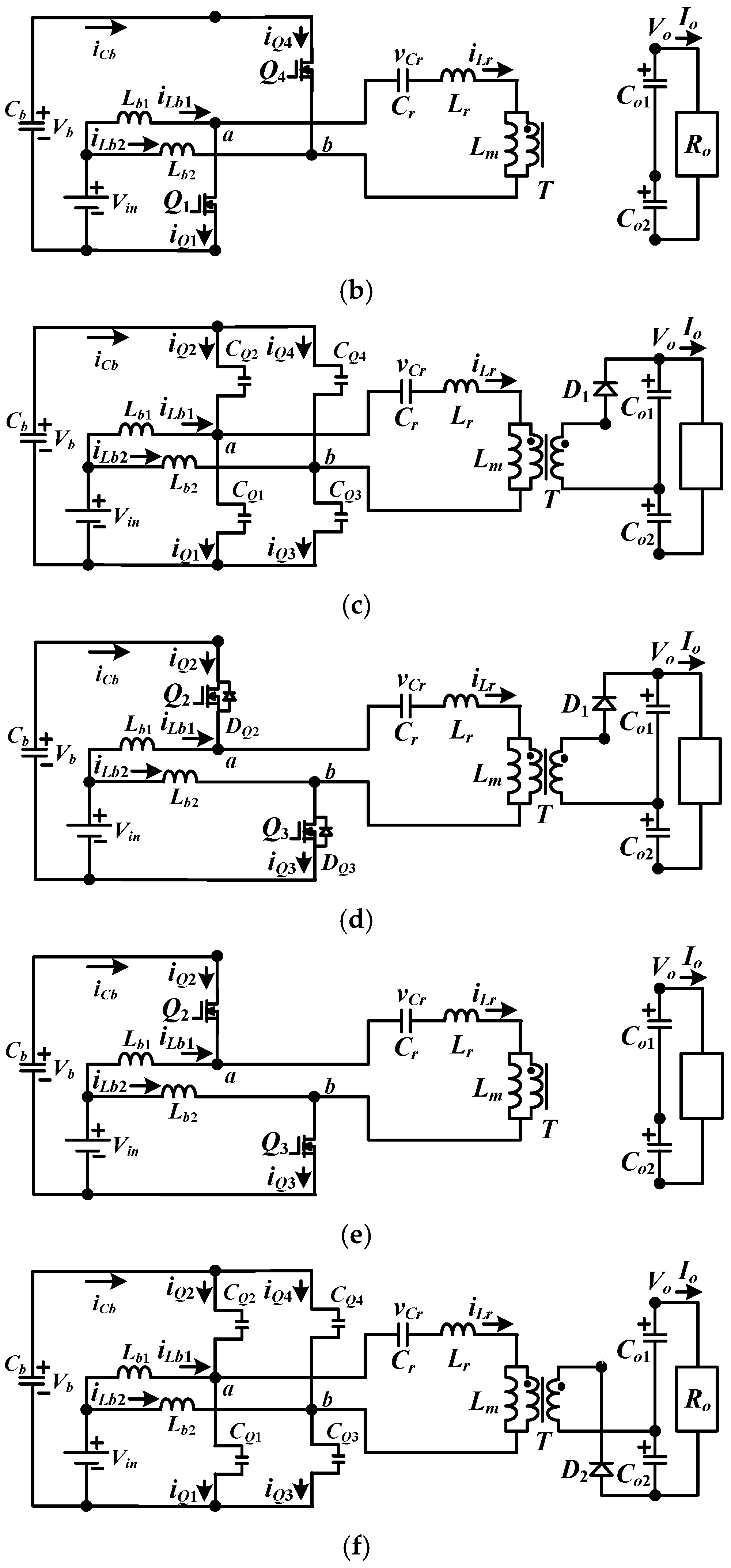
Figure 1a gives the circuit schematic of the studied converter. Vin is input voltage, Vo is output voltage, Q1~Q4 are active switches, Lb1 and Lb2 are boost inductors, Cb is boost capacitor, Cr and Lr are resonant capacitor and inductor, T is an isolation transformer, D1 and D2 are fast recovery diodes, and Co1 and Co2 are output capacitors. On the secondary side (high-voltage side), a voltage doubler rectifier is employed to limit the voltage rating of fast recovery diodes for high voltage output applications. The proposed circuit includes two interleaved boost converters (Vin, Q1~Q4, Lb1, Lb2 and Cb) and a full-bridge resonant converter (Cb, Q1~Q4, Lr, Cr, T, D1, D2, Co1 and Co2) to achieve high voltage gain, no input ripple current and soft switching of active switches. In Figure 1b, two voltage boost converters are operated by using interleaved PWM to achieve voltage step-up. Since the duty cycle of each of the active switches Q1~Q4 is 0.5, it can obtain Vb = 2 Vin. Since the gated signals of two voltage boost converters are phase-shifted by one-half of the switching period, the boost inductor ripple currents ΔiLb1 and ΔiLb1 are cancelled each other so that the input ripple current Δiin = ΔiLb1 + ΔiLb2 = 0. Therefore, no ripple current (Δiin = 0) is realized at input side. In Figure 1c, the full-bridge resonant circuit is operated by frequency control to produce a nearly sinusoidal current and voltage on the resonant tank by Lr, Cr and Lm. Due to the resonant tank of the full-bridge circuit being worked at inductive load, the zero-voltage switching of Q1~Q4 is realized at the whole load. Frequency modulation is used to control load voltage. The studied converter can be used in a battery charger/discharger with switches on the high-voltage terminal in the proposed converter and low-voltage input renewable energy source such as solar cell panel.

Figure 1.
Proposed converter (a) circuit diagram (b) boost converter operation (c) full-bridge resonant converter operation.
3. Circuit Operation
Two boost circuits with interleaved PWM schemes are connected in parallel to decrease the current stress of active devices and to obtain no input ripple current. Since Q1~Q4 all have 0.5 duty cycles, it can obtain the boost voltage Vb = 2 Vin. The full-bridge resonant circuit is operated at inductive load with frequency control. Therefore, Q1~Q4 have zero-voltage switching with low switching loss, and D1 and D2 have zero-current switching with no reverse recovery current loss. The studied converter is assumed Lb1 = Lb2 = Lb, CQ1 = CQ2 = CQ3 = CQ4 = CQ, Co1 = Co2 and Vo1 = Vo2 = Vo/2. Figure 2 gives the PWM waveforms of the studied circuit at a switching cycle. Based on the switching states of D1, D2 and Q1~Q4, the studied converter can be divided into six operating steps in each switching period when the series resonant frequency is more than the switching frequency. Figure 3 gives these six equivalent circuits. Before step 1, Q1~Q4 are off, D2 conducts, iLb1 > 0, iLb2 > 0 and iLr > 0.
Figure 2.
PWM waveforms of the developed circuit.

Figure 3.
Six equivalent circuits in a switching period (a) operating step 1 (b) operating step 2 (c) operating step 3 (d) operating step 4 (e) operating step 5 (f) operating step 6.
Step 1 [t0~t1]: At time t0, capacitors CQ1 and CQ4 are discharged to zero voltage. Since iLb1 − iLr < 0 and iLr + iLb2 > 0, the body diodes DQ1 and DQ4 are forward biased. At this time instant, switches Q1 and Q4 are turned on under zero-voltage switching. Since Q1 and Q4 are turned on in this step, va = 0 and vb = Vb. The boost inductor voltages vLb1 = Vin and vLb2 = Vin − Vb. Since Vb > Vin, iLb1 increases linearly and iLb2 decreases linearly.
For the full-bridge resonant converter, energy is transferred from Cb to the secondary side (high-voltage side) through a resonant tank with Lr and Cr. Since D2 is forward biased, the primary winding voltage vLm = −Vo/2, the current of Lm, iLm, decreases linearly with −nVo/(2Lm) and Co2 is charged from the secondary current of transformer T. In this step, Lr and Cr are resonant with . The solutions of primary side current and voltage are given as
where n = np/ns. If the series resonant frequency fr is more than the switching frequency fsw, then the secondary side current of transformer T decreases to zero current at time t1 and the circuit operation goes to step 2. Otherwise, the circuit operation will go to step 3 under fsw > fr condition.
Step 2 [t1~t2]: iD2 decreases to zero current at time t1 and D2 becomes reverse biased. In this step, iLb1 increases linearly, iLb2 decreases linearly and iLr freewheels through Q1 and Q4. In this step, Lr, Lm and Cr are resonant with . The solutions of primary current iLr and resonant capacitor voltage vCr in this freewheeling state are given in (4) and (5).
Step 3 [t2~t3]: Q1 and Q4 are turned off at time t2 under zero voltage. Since iLb1 − iLr > 0 and iLr + iLb2 < 0, CQ2 and CQ3 are discharged linearly.
In this step, D1 is forward biased and the primary winding voltages vLm is clamped at nVo/2. The discharge time of CQ2 and CQ3 is soon enough so that iLb1, iLb2 and iLr are almost constant during this step.
Step 4 [t3~t4]: The voltages on CQ2 and CQ3 are decreased to zero voltage at time t3. Since iLb1 − iLr > 0 and iLr + iLb2 < 0, DQ1 and DQ4 are forward biased. Therefore, Q2 and Q3 can be turned on after t3 and the zero-voltage switching of Q2 and Q3 is achieved. In this step, va = Vb and vb = 0 so that vLb1 = Vin − Vb and vLb2 = Vin. Therefore, iLb1 decreases linearly and iLb2 increases linearly.
The energy is transferred from Cb to Co1 through Lr and Cr. Since D1 is forward biased, the primary winding voltage vLm = Vo/2, iLm increases linearly and Co1 is charged. If the series resonant frequency fr is more than the switching frequency fsw, then the diode current iD1 will decrease to zero at time t4 and circuit goes to step 5. On the other hand, the circuit will go to step 6 under the fsw > fr condition.
Step 5 [t4~t5]: iD1 decreases to zero current at t4 and D1 becomes reverse biased. During step 5, iLb1 decreases, iLb2 increases and iLr freewheels through Q2 and Q3. Cr, Lr and Lm are resonant in step 5.
Step 6 [t5~t0]: At time t5, Q2 and Q3 turn off under zero voltage. Since iLb1 − iLr < 0 and iLr + iLb2 > 0, CQ1 and CQ4 are discharged linearly.
Rectifier diode D2 is forward biased and vLm = −nVo/2. Since the discharge time of CQ1 and CQ4 in step 6 is very soon, iLb1, iLb2 and iLr are almost constant in this time interval.
4. Circuit Characteristics
4.1. Boost Converter
Two interleaved voltage boost circuits are worked in continuous conduction mode under the following assumptions: (1) power devices are ideal; and (2) inductors and capacitors are linear and time-invariant. Since the average value of the voltages across Lb1 and Lb2 is zero, it is possible to calculate the following equation based on the flux balance on the boost inductors.
where D is a duty ratio of Q1 and Q4. Since D is fixed at 0.5 in the studied circuit, it can be calculated as and the DC voltage transfer function of boost converter is given as . The PWM waveforms of Q1 and Q3 are phase shifted by Tsw/2. The ripple currents, ΔiLb1 and ΔiLb1, on two boost inductors Lb1 and Lb2 are cancelled each other which gives Δiin = ΔiLb1 + ΔiLb2 = 0. Thus, there is no ripple current (Δiin = 0) from input voltage. The voltage ratings of Q1~Q4 are equal to Vb (=2 Vin). The average inductor currents ILb1 and ILb2 equal to Po/(2 Vin).
4.2. Full-Bridge Resonant Converter
The full-bridge resonant circuit includes two switching legs to draw two current pulses per switching cycle from the input voltage terminal and to deliver more output power than the half-bridge resonant circuit. To obtain advantages of the good light load efficiency of the series resonant circuit and the ability to control load voltage at light or open load of the parallel resonant circuit, the full-bridge LLC resonant circuit is employed in the studied circuit topology. Fundamental harmonic analysis from Steigerwald’s article [17] is used to obtain the AC gain characteristics. Due to the PWM waveforms of Q1~Q4, the voltage vab is a square waveform with two voltage levels, Vb (=2 Vin) and −Vb (=−2 Vin). Thus, the fundamental frequency voltage vab,f is expressed as
Due the on-off states of D1 and D2, the transformer primary voltage vLm is a square waveform and the fundamental magnetizing voltage is given as
The fundamental secondary current of transformer is derived as
Based on (11) and (12), Rac is obtained from the secondary load Ro reflected into the primary side.
Figure 4 gives the AC equivalent circuit of the adopted resonant circuit. vab,f is an effectively sinusoidal input voltage and Rac is an effective load. Therefore, the gain characteristics of the studied resonant circuit under different switching frequencies is calculated as
where fsw is the switching frequency, , , K=Lr/Lm and . The amplitude of the AC gain from (14) can be further expressed as
Figure 4.
AC equivalent circuit of the full-bridge resonant circuit.
4.3. Design Procedure of the Developed Converter
A 1000 W prototype is set up to investigate the main circuit parameter design considerations. The electrical specifications of the developed converter are input voltage Vin = 44~52 V, output voltage Vo = 400 V, output power Po = 1000 W, and the series resonant frequency fr = 100 kHz. First, the boost converter with interleaved PWM is used to boost input voltage and reduce input ripple current. The duty cycle of Q1~Q4 is fixed at 0.5 with frequency modulation. The ripple currents ΔiLb1 and ΔiLb2 are calculated as
Since the gate signals of Q1 and Q3 are phase shifted by Tsw/2 and each duty cycle of switches is equal to 0.5, it is obvious that the current ripple on the input side is decreased significantly and equals zero. The adopted boost inductors Lb1 and Lb2 are 37 µH. That means that the ripple currents on Lb1 and Lb2 at maximum input voltage and series resonant frequency are
In order to make sure the output voltage can be regulated at all input voltage ranges, the minimum DC voltage gain Gdc,min under VCb,max input is designed as unity. Thus, the turn-ratio is obtained in (18).
Transformer T is implemented by ferrite core TDK PC40 EER-42 with np = 13 and ns = 25. Then, the theoretical maximum DC voltage gain under minimum input voltage is given as
Based on (13), Rac under full load conditions can be calculated as
The inductor ratio K = Lr/Lm will affect the circulating current loss on the primary side of the resonant converter. The lower inductor ratio K can reduce the circulating current loss due to larger Lm. However, the AC gain of resonant converter is reduced. The higher inductor ratio K can obtain larger AC voltage gain. However, the circulating current loss is increased to reduce circuit efficiency. Therefore, the selection K is a compromise between the AC voltage gain and the circulating current loss. Normally, the K is selected between 0.08–0.5. Considering these factors, the inductor ratio and quality factor are designed as K = Lr/Lm = 1/6 and Q = 0.3. Therefore, Lr and Cr are calculated as
Considering the practical value of Cr, a 600 nF film capacitor is used for Cr. In a similar way, the resonant inductor Lr is actually selected as 4.22 µH. Since the inductor ratio K = Lr/Lm = 1/6 is adopted, the magnetizing inductance Lm is calculated as
The voltage stress and average current of fast recovery diodes D1 and D2 are calculated in (24) and (25).
Diodes OM5262SW with 1000 V voltage rating and 12 A average current rating are adopted for D1 and D2. The voltage rating of Q1~Q4 are 2 × 52 V = 104 V. The MOSFETs IRFB52N15D with 150 V voltage rating and 60 A current rating are adopted for Q1~Q4. The 1100 µF capacitor is used for Cb and the 360 µF capacitors are used for Co1 and Co2.
5. Experimental Results
The developed converter is implemented by a 1 kW prototype to demonstrate the circuit performance and verify the feasibility and effectiveness of the studied circuit. Figure 5 gives the experimental circuit diagram of the developed circuit. The photocoupler PC817 and voltage regulator TL431 are adopted to control load voltage. The resonant mode control integrated circuit UCC25600 is used to realize frequency modulation and achieve zero-voltage switching. The circuit parameters of active and passive components of the developed circuit are discussed and obtained from the previous section. From the experimental results in Figure 6, Figure 7, Figure 8, Figure 9, Figure 10, Figure 11 and Figure 12, the test and experimental results agree with the PWM waveforms in Figure 2. The experimental results of the gate voltages of Q1~Q4 at rated power are illustrated in Figure 6. It can be observed that Q1 (Q2) and Q3 (Q4) have complementary PWM waveforms. The switching frequency of Q1 at 44 V input is less than the switching frequency at 52 V input so that the resonant circuit can obtain larger voltage gain to regulate load voltage. The experimental waveforms of input current and boost inductor currents at the rated power are given in Figure 7. It can be observed that iLb1 and iLb2 are interleaved with each other and balanced well. The PWM waveforms of two boost circuits are interleaved by a phase shift of Tsw/2 so that the input ripple current Δiin is reduced almost to zero.
Figure 5.
The prototype circuit diagram of the studied circuit.
Figure 6.
Experimental results of the gating signals of Q1~Q4 under the rated power and (a) Vin = 44 V (b) Vin = 52 V [vQ1,g~vQ4,g: 10 V/div; time: 4 µs/div].
Figure 7.
Experimental results of input current and boost currents under the rated power and (a) Vin = 44 V (b) Vin = 52 V [iin, iLb1, iLb2: 5 A/div; time: 4 µs/div].
Figure 8.
Measured waveforms of Vb, iCb, iQ2 and iQ4 under the rated power and (a) Vin = 44 V (b) Vin = 52 V [Vb: 50 V/div; iQ2, iQ4, iCb: 20 A/div; time: 4 µs/div].
Figure 9.
Measured waveforms of vab, iLr and vCr under the rated power and (a) 44 V input voltage (b) 52 V input voltage [vab, vCr: 100 V/div; iLr: 20 A/div; time: 2 µs/div].
Figure 10.
Test results of the switch current and inductor current on the primary side under the rated power (a) iLb1, iQ1, iQ2 and iLr at 44 V input case (b) iLb2, iQ3, iQ4 and iLr at 44 V input case (c) iLb1, iQ1, iQ2 and iLr at 52 V input case (d) iLb2, iQ3, iQ4 and iLr at 52 V input case [iLb1, iLb2: 10 A/div; iQ1~iQ4, iLr: 20 A/div; time: 2 µs/div].
Figure 11.
Test results of Vo1, Vo2, iD1 and iD2 under the rated power and (a) 44 V input case (b) Vin = 52 V input case [Vo1, Vo2: 100 V/div; iD1, iD2: 5 A/div; time: 4 µs/div].
Figure 12.
Measured results of switch Q1 under (a) Vin = 44 V and 20% load (b) Vin = 44 V and 50% load (c) Vin = 44 V and full load (d) Vin = 52 V and 20% load (e) Vin = 52 V and 50% load (f) Vin = 52 V and full load [vQ1,g: 10 V/div; vQ1,d: 50 V/div; iQ1: 20 A/div for (a,b,d,e) and 50 A/div for (c,f); time: 2 µs/div].
The test results of boost voltage Vb, boost current iCb and switch currents iQ2 and iQ4 under the rated power are shown in Figure 8. It is clear that the frequency of iCb is twice the frequency of iQ2 and iQ4. Figure 9 gives the test results of primary voltage and current of full-bridge resonant circuit under the rated power. It can be seen that the higher switching frequency at 52 V input will result in low circulating current compared to at 44 V input.
Figure 10 illustrates the test results of iLb1, iLb2, iQ1~iQ4 and iLr under the rated power. The peak current of iQ1 is larger than the peak current of iQ2 due to iQ1 = iLb1 − iLr and iLr < 0 when Q1 is conducting. The test and experimental results of the output capacitor voltages and rectifier diode currents under the rated power are shown in Figure 11. Vo1 and Vo2 are balanced well and D1 and D2 are turned off under zero-current switching. Figure 12 illustrates the test results of switch Q1 at 20%, 50% and 100% loads. It can be observed that zero-voltage switching of switch Q1 is realized. Since Q2~Q4 have the same operation characteristics of Q1, it can be expected that the zero-voltage switching of switches Q2~Q4 are also achieved. The measured efficiencies of the developed converter are 90.5% (at 20% load), 92.6% (at 50% load) and 94.5% (at 100% load) under 52 V input. The measured switching frequencies are 131 kHz (at 20% load), 118 kHz (at 50% load) and 99 kHz (at 100% load) under 52 V input.
6. Conclusions
A novel frequency-controlled current-fed resonant circuit with no input current ripple is proposed and verified in this paper. Theoretical examination and test verification demonstrate that a high-performance resonant circuit with low switching losses and input current ripple-free is achieved with the developed circuit topology. The zero-voltage switching of active devices on the low-voltage side and zero-current switching of rectifier diodes on the high-voltage side are also realized at the whole load range. The test results with the 1 kW laboratory prototype clearly provide the claimed characteristics. The constructed converter can be applied in the renewable energy conversion system with low-voltage input (48 V) and high-voltage output (400 V) with no input current ripple. The studied converter can be used in a battery charger/discharger with switches on the high-voltage terminal in the proposed converter. If the input voltage is from the PV solar cell panel, a slightly wider input voltage variation is expected. Then, the wider switching frequency range and maximum power point tracking must be implemented to regulate the load voltage.
Acknowledgments
This research is supported by the Ministry of Science and Technology, Taiwan, under contract MOST 105-2221-E-224-043-MY2. The authors would also like to thank the anonymous reviewers for their valuable comments and suggestions to improve the quality of the paper.
Author Contributions
Bor-Ren Lin designed the main parts of the project and was also responsible for writing the paper. Guan-Hong Lin built the prototype circuit and measured the experimental waveforms.
Conflicts of Interest
The author declares no potential conflict of interest.
References
- Wang, J.; Peng, F.Z.; Anderson, J.; Joseph, A.; Buffenbarger, R. Low cost fuel cell converter system for residential power generation. IEEE Trans. Power Electron. 2004, 19, 1315–1322. [Google Scholar] [CrossRef]
- Nymand, M.; Andersen, M.A.E. High-efficiency isolated boost dc–dc converter for high-power low-voltage fuel-cell applications. IEEE Trans. Ind. Electron. 2010, 57, 505–514. [Google Scholar] [CrossRef]
- Zhang, Z.; Thomsen, O.C.; Andersen, M.A.E. Soft-switched dual-input DC–DC converter combining a boost-half-bridge cell and a voltage-fed full-bridge cell. IEEE Trans. Power Electron. 2013, 28, 4897–4902. [Google Scholar] [CrossRef]
- Yuan, Y.; Wu, Q. One zero-voltage-switching three-transistor push–pull converter. IET Power Electron. 2013, 6, 1270–1278. [Google Scholar] [CrossRef]
- Moon, D.; Park, J.; Choi, S. New interleaved current-fed resonant converter with significantly reduced high current side output filter for EV and HEV applications. IEEE Trans. Power Electron. 2015, 30, 4264–4271. [Google Scholar] [CrossRef]
- Prasanna, U.R.; Rathore, A.K. Extended range ZVS active-clamped current-fed full-bridge isolated dc/dc converter for fuel cell applications: Analysis, design and experimental results. IEEE Trans. Ind. Electron. 2013, 60, 2661–2672. [Google Scholar]
- Kim, H.; Yoon, C.; Choi, S. An improved current-fed ZVS isolated boost converter for fuel cell application. IEEE Trans. Power Electron. 2001, 25, 2357–2364. [Google Scholar] [CrossRef]
- Korotkov, S.; Meleshin, V.; Nemchinov, A.; Fraidlin, S. Small-signal modeling of soft-switched asymmetrical half-bridge DC/DC converter. In Proceedings of the IEEE-APEC Conference on Applied Power Electronics Conference and Exposition, Dallas, TX, USA, 5–9 March 1995; Volume 2, pp. 707–711. [Google Scholar]
- Tschirhart, D.J.; Jain, P.K. Design procedure for high-frequency operation of the modified series-resonant APWM converter to reduce size and circulating current. IEEE Trans. Power Electron. 2012, 27, 4181–4191. [Google Scholar] [CrossRef]
- Kim, B.C.; Park, K.B.; Moon, G.W. Asymmetric PWM control scheme during hold-up time for LLC resonant converter. IEEE Trans. Ind. Electron. 2012, 59, 2992–2997. [Google Scholar] [CrossRef]
- Mishima, T.; Akamatsu, K.; Nakaoka, M. A high frequency-link secondary-side phase-shifted full-bridge soft-switching PWM DC-DC converter with ZCS active rectifier for EV battery charged. IEEE Trans. Power Electron. 2013, 28, 5758–5773. [Google Scholar] [CrossRef]
- Lin, B.R.; Shiau, T.Y. Zero-voltage switching full-bridge DC/DC converter with parallel-connected output and without output inductor. IET Power Electron. 2013, 6, 505–515. [Google Scholar] [CrossRef]
- Safaee, A.; Jain, P.; Bakhshai, A. A ZVS pulsewidth modulation full-bridge converter with a low RMS current resonant auxiliary circuit. IEEE Trans. Power Electron. 2016, 31, 4031–4047. [Google Scholar] [CrossRef]
- Haga, H.; Kurokawa, F. A novel modulation method of the full bridge three-level LLC resonant converter for battery charger of electrical vehicles. In Proceedings of the IEEE Energy Conversion Congress and Exposition (ECCE), Montreal, QC, Canada, 20–24 September 2015; pp. 5498–5504. [Google Scholar]
- Johnson, S.; Erickson, R. Steady-state analysis and design of the parallel resonant converter. IEEE Trans. Power Electron. 1988, 3, 93–104. [Google Scholar] [CrossRef]
- Gu, Y.; Lu, Z.; Hang, L.; Qian, Z.; Huang, G. Three-level LLC series resonant DC/DC converter. IEEE Trans. Power Electron. 2005, 20, 781–789. [Google Scholar] [CrossRef]
- Steigerwald, R.L. A comparison of half-bridge resonant converter topologies. IEEE Trans. Power Electron. 1988, 3, 174–182. [Google Scholar] [CrossRef]
© 2018 by the authors. Licensee MDPI, Basel, Switzerland. This article is an open access article distributed under the terms and conditions of the Creative Commons Attribution (CC BY) license (http://creativecommons.org/licenses/by/4.0/).













