Improvements in Bidirectional Power-Flow Balancing and Electric Power Quality of a Microgrid with Unbalanced Distributed Generators and Loads by Using Shunt Compensators
Abstract
:1. Introduction
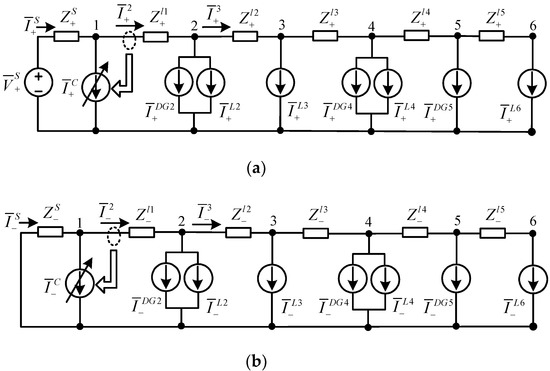
2. The Microgrid Circuit Model
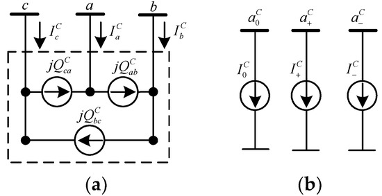
3. Compensation Principle
4. Power Quality Indexes
4.1. Voltage Unbalance Ratio (VUR)
4.2. Current Unbalance Ratio (CUR)
4.3. Voltage Regulation (VR)
4.4. Power Factor
5. Simulation Result
- Case 1. System with single-phase loads;
- Case 2. System with single-phase loads and DGs;
- Case 3. Case 1 system with two compensators connected at Bus 1 and Bus 4;
- Case 4. Case 2 system with two compensators connected at Bus 1 and Bus 4.
5.1. Case 1. System with Single-Phase Loads
5.2. Case 2. System with Single-Phase Loads and DGs
5.3. Case 3. Case 1 System with Two Compensators Connected at Bus 1 and Bus 4
5.4. Case 4. Case 2 System with Two Compensators Connected at Bus 1 and Bus 4
5.5. Comparison of All Cases
6. Conclusions
Author Contributions
Funding
Acknowledgments
Conflicts of Interest
Nomenclature
| General | |
| S | apparent power |
| P | active power |
| Q | reactive power |
| V | voltage |
| I | current |
| Z | impedance |
| R | resistance |
| X | reactance |
| Superscripts | |
| S | source |
| DG | distributed generator |
| L | load |
| l | line |
| C | compensator |
| C* | compensation command |
| n | bus number |
| * | complex conjugate |
| Subscripts | |
| 0, +, − | zero-, positive-, negative-component |
| a, b, c | phase a, b, c |
| ab, bc, ca | line a-b, b-c, c-a |
| NL | no load |
| FL | full load |
References
- Sahoo, S.K.; Sinha, A.K.; Kishore, N.K. Control techniques in AC, DC, and hybrid AC–DC microgrid: A review. IEEE J. Emerg. Sel. Top. Power Electron. 2018, 6, 738–759. [Google Scholar] [CrossRef]
- Soltani, S.H.; Rashidinejad, M.; Abdollahi, A. Dynamic phase balancing in the smart distribution networks. Int. J. Electr. Power Energy Syst. 2017, 93, 374–383. [Google Scholar] [CrossRef]
- Gallego, L.A.; Carreno, E.; Padilha-Feltrin, A. Distributed generation modelling for unbalanced three-phase power flow calculations in smart grids. In Proceedings of the 2010 IEEE/PES Transmission and Distribution Conference and Exposition, Sao Paulo, Brazil, 8–10 November 2010; pp. 323–328. [Google Scholar]
- Hashemi, S.H.; Ashouian, M.H.; Pirpiran, H.; Karami, R. Impact of distributed generation on unbalanced distribution networks. In Proceedings of the 22nd International Conference and Exhibition on Electricity Distribution (CIRED 2013), Stockholm, Sweden, 10–13 June 2013; pp. 1–4. [Google Scholar]
- Olivares, D.E.; Mehrizi-Sani, A.; Etemadi, A.H.; Cañizares, C.A.; Iravani, R.; Kazerani, M.; Hajimiragha, A.H.; Gomis-Bellmunt, O.; Saeedifard, M.; Palma-Behnke, R.; et al. Trends in microgrid control. IEEE Trans. Smart Grid 2014, 5, 1905–1919. [Google Scholar] [CrossRef]
- Khushalani, S.; Solanki, J.M.; Schulz, N.N. Development of three-phase unbalanced power flow using PV and PQ models for distributed generation and study of the impact of DG models. IEEE Trans. Power Syst. 2007, 22, 1019–1025. [Google Scholar] [CrossRef]
- Fu, Q.; Montoya, L.F.; Solanki, A.; Nasiri, A.; Bhavaraju, V.; Abdallah, T.; Yu, D.C. Microgrid generation capacity design with renewables and energy storage addressing power quality and surety. IEEE Trans. Smart Grid 2012, 3, 2019–2027. [Google Scholar] [CrossRef]
- Eftekharnejad, S.; Vittal, V.; Heydt, G.T.; Keel, B.; Loehr, J. Impact of increased penetration of photovoltaic generation on power systems. IEEE Trans. Power Syst. 2013, 28, 893–901. [Google Scholar] [CrossRef]
- Tavakoli, M.; Shokridehaki, F.; Marzband, M.; Godina, R.; Pouresmaeil, E. A two stage hierarchical control approach for the optimal energy management in commercial building microgrids based on local wind power and PEVs. Int. J. Sustain. Cities Soc. 2018, 41, 332–340. [Google Scholar] [CrossRef]
- Tavakoli, M.; Shokridehaki, F.; Akorede, M.F.; Marzband, M.; Vechiu, I.; Pouresmaeil, E. CVaR-based energy management scheme for optimal resilience and operational cost in commercial building microgrids. Int. J. Electr. Power Energy Syst. 2018, 100, 1–9. [Google Scholar] [CrossRef]
- Marzband, M.; Fouladfar, M.H.; Akorede, M.F.; Lightbody, G.; Pouresmaeil, E. Framework for smart transactive energy in home-microgrids considering coalition formation and demand side management. Int. J. Sustain. Cities Soc. 2018, 40, 136–154. [Google Scholar] [CrossRef]
- Marzband, M.; Azarinejadian, F.; Savaghebi, M.; Pouresmaeil, E.; Guerrero, J.M.; Lightbody, G. Smart transactive energy framework in grid-connected multiple home microgrids under independent and coalition operations. Int. J. Renew. Energy 2018, 126, 95–106. [Google Scholar] [CrossRef]
- Hong, T.; de León, F. Controlling non-synchronous microgrids for load balancing of radial distribution systems. IEEE Trans. Smart Grid 2017, 8, 2608–2616. [Google Scholar] [CrossRef]
- Sgouras, K.I.; Bouhouras, A.S.; Gkaidatzis, P.A.; Doukas, D.I.; Labridis, D.P. Impact of reverse power flow on the optimal distributed generation placement problem. IET Gener. Transm. Distrib. 2017, 11, 4626–4632. [Google Scholar] [CrossRef]
- Roy, N.K.; Pota, H.R. Current status and issues of concern for the integration of distributed generation into electricity networks. IEEE Syst. J. 2015, 9, 933–944. [Google Scholar] [CrossRef]
- Wandhare, R.G.; Agarwal, V. Reactive power capacity enhancement of a PV-grid system to increase PV penetration level in smart grid scenario. IEEE Trans. Smart Grid 2014, 5, 1845–1854. [Google Scholar] [CrossRef]
- Safayet, A.; Fajri, P.; Husain, I. Reactive power management for overvoltage prevention at high PV penetration in a low-voltage distribution system. IEEE Trans. Ind. Appl. 2017, 53, 5786–5794. [Google Scholar] [CrossRef]
- Camilo, F.M.; Castro, R.; Almeida, M.E.; Fernão Pires, V. Assessment of overvoltage mitigation techniques in low-voltage distribution networks with high penetration of photovoltaic microgeneration. IET Renew. Power Gener. 2018, 12, 649–656. [Google Scholar] [CrossRef]
- Massignan, J.A.D.; Pereira, B.R.; London, J.B.A. Load flow calculation with voltage regulators bidirectional mode and distributed generation. IEEE Trans. Power Syst. 2017, 32, 1576–1577. [Google Scholar]
- Elrayyah, A.Y.; Wanik, M.Z.C.; Bouselham, A. Simplified approach to analyze voltage rise in LV systems with PV installations using equivalent power systems diagrams. IEEE Trans. Power Deliv. 2017, 32, 2140–2149. [Google Scholar] [CrossRef]
- Ghosh, A.; Ledwich, G. Power Quality Enhancement Using Custom Power Devices; Kluwer Academic Publishers: Dordrecht, The Netherlands, 2002. [Google Scholar]
- Chang, W.N.; Liao, C.H. Design and implementation of a STATCOM based on a multilevel FHB converter with delta-connected configuration for unbalanced load compensation. Energies 2017, 10, 921. [Google Scholar] [CrossRef]
- Miller, T.J.E. Reactive Power Control. In Electric System; Wiley & Sons: Hoboken, NJ, USA, 1982. [Google Scholar]
- Quintela, F.R.; Arévalo, J.M.G.; Redondo, R.C. Power analysis of static VAr compensators. Int. J. Electr. Power Energy Syst. 2008, 30, 376–382. [Google Scholar] [CrossRef]
- Yang, N.C.; Chen, H.C. Decomposed Newton algorithm-based three-phase power-flow for unbalanced radial distribution networks with distributed energy resources and electric vehicle demands. Int. J. Electr. Power Energy Syst. 2018, 96, 473–483. [Google Scholar] [CrossRef]
- Lee, S.Y.; Wu, C.J.; Chang, W.N. A compact algorithm for three-phase three-wire system reactive power compensation and load balancing. Electr. Power Syst. Res. 2001, 58, 63–70. [Google Scholar] [CrossRef]
- Chang, W.N.; Chang, C.M.; Yen, S.K. Developing universal compensator in a microgrid with distributed generations to improve operation performance. In Proceedings of the 2018 IEEE International Conference on Applied System Invention (ICASI), Chiba, Japan, 13–17 April 2018; pp. 212–215. [Google Scholar]
- Bergen, A.R.; Vittal, V. Power Systems Analysis, 2nd ed.; Prentice Hall: Upper Saddle River, NJ, USA, 2000. [Google Scholar]
- Saadat, H. Power System Analysis, 3rd ed.; PSA Publishing LLC: London, UK, 2011. [Google Scholar]
- Anward, M.; Hiendro, A. New unbalance factor for estimating performance of a three-phase induction motor with under- and overvoltage unbalance. IEEE Trans. Energy Convers. 2010, 25, 619–625. [Google Scholar] [CrossRef]
- International Electrotechnical Commission. Power Quality Standard; IEC 61000; International Electrotechnical Commission: Geneva, Switzerland, 2015. [Google Scholar]
- Institute of Electrical and Electronics Engineers. IEEE Recommended Practice for Monitoring Electric Power Quality; IEEE 1159; Institute of Electrical and Electronics Engineers: Piscataway, NJ, USA, 2009. [Google Scholar]
- Institute of Electrical and Electronics Engineers. IEEE Standard for Interconnection and Interoperability of Distributed Energy Resources with Associated Electric Power Systems Interfaces; IEEE 1547; Institute of Electrical and Electronics Engineers: Piscataway, NJ, USA, 2018. [Google Scholar]












| Item | Parameter | ||
|---|---|---|---|
| Power Source | 22.8 kV; 60 Hz | ||
| Source impedance: ; X/R: 16 | |||
| Distribution line | Type: 25 kV 500 MCM; Length: 3 km/Per Section Line impedance: | ||
| DGs and loads | Capacity | Power Factor | |
| phase a-b | Load 2 | 5 MVA | 0.85 lagging |
| Load 3 | 2.5 MVA | 0.85 lagging | |
| Load 4 | 2 MVA | 0.85 lagging | |
| Load 6 | 1.5 MVA | 0.85 lagging | |
| phase b-c | DG 2 | 4.0 MW | 1.0 for all DGs |
| DG 4 | 2.0 MW | ||
| DG 5 | 2.0 MW | ||
| Bus No. | VR (%) | VUR (%) | CUR (%) | Power Factor |
|---|---|---|---|---|
| Bus 1 | 0.65 | 1.07 | 100.00 | 0.83 |
| Bus 2 | 1.59 | 2.54 | 100.00 | 0.84 |
| Bus 3 | 2.10 | 3.35 | 100.00 | 0.85 |
| Bus 4 | 2.39 | 3.83 | 100.00 | 0.85 |
| Bus 5 | 2.52 | 4.03 | 100.00 | 0.85 |
| Bus 6 | 2.65 | 4.24 | 100.00 | 0.85 |
| Bus No. | VR (%) | VUR (%) | CUR (%) | Power Factor |
|---|---|---|---|---|
| Bus 1 | 0.61 | 1.68 | 262.08 | 0.33 |
| Bus 2 | 1.44 | 3.99 | 262.08 | 0.35 |
| Bus 3 | 1.88 | 5.20 | 242.54 | 0.48 |
| Bus 4 | 2.11 | 6.08 | 325.83 | 0.29 |
| Bus 5 | 2.21 | 6.49 | 322.40 | 0.55 |
| Bus 6 | 2.33 | 6.69 | 100.00 | 0.85 |
| Bus No. | VR (%) | VUR (%) | CUR (%) | Power Factor |
|---|---|---|---|---|
| Bus 1 | 0.07 | 0.02 | 2.00 | 1.00 |
| Bus 2 | 0.79 | 1.08 | 76.58 | 0.91 |
| Bus 3 | 1.08 | 1.46 | 53.18 | 0.96 |
| Bus 4 | 1.15 | 1.50 | 10.73 | 1.00 |
| Bus 5 | 1.28 | 1.71 | 100.00 | 0.85 |
| Bus 6 | 1.41 | 1.91 | 100.00 | 0.85 |
| Bus No. | VR (%) | VUR (%) | CUR (%) | Power Factor |
|---|---|---|---|---|
| Bus 1 | 0.01 | 0.01 | 5.13 | 1.00 |
| Bus 2 | 0.62 | 1.50 | 236.09 | 0.34 |
| Bus 3 | 0.82 | 1.81 | 126.76 | 0.68 |
| Bus 4 | 0.80 | 1.78 | 28.44 | 1.00 |
| Bus 5 | 0.92 | 2.23 | 286.01 | 0.58 |
| Bus 6 | 1.05 | 2.43 | 100.00 | 0.85 |
| Item | Bus No. | |||
|---|---|---|---|---|
| Case 3 | Bus 1 | −4.18 | −3.66 | 3.58 |
| Bus 4 | −1.67 | −1.56 | 1.56 | |
| Case 4 | Bus 1 | −6.10 | −3.76 | 5.58 |
| Bus 4 | −3.89 | −2.07 | 3.93 |
© 2018 by the authors. Licensee MDPI, Basel, Switzerland. This article is an open access article distributed under the terms and conditions of the Creative Commons Attribution (CC BY) license (http://creativecommons.org/licenses/by/4.0/).
Share and Cite
Chang, W.-N.; Chang, C.-M.; Yen, S.-K. Improvements in Bidirectional Power-Flow Balancing and Electric Power Quality of a Microgrid with Unbalanced Distributed Generators and Loads by Using Shunt Compensators. Energies 2018, 11, 3305. https://doi.org/10.3390/en11123305
Chang W-N, Chang C-M, Yen S-K. Improvements in Bidirectional Power-Flow Balancing and Electric Power Quality of a Microgrid with Unbalanced Distributed Generators and Loads by Using Shunt Compensators. Energies. 2018; 11(12):3305. https://doi.org/10.3390/en11123305
Chicago/Turabian StyleChang, Wei-Neng, Chia-Min Chang, and Shao-Kang Yen. 2018. "Improvements in Bidirectional Power-Flow Balancing and Electric Power Quality of a Microgrid with Unbalanced Distributed Generators and Loads by Using Shunt Compensators" Energies 11, no. 12: 3305. https://doi.org/10.3390/en11123305
APA StyleChang, W.-N., Chang, C.-M., & Yen, S.-K. (2018). Improvements in Bidirectional Power-Flow Balancing and Electric Power Quality of a Microgrid with Unbalanced Distributed Generators and Loads by Using Shunt Compensators. Energies, 11(12), 3305. https://doi.org/10.3390/en11123305

