Super Capacitor Energy Storage Based MMC for Energy Harvesting in Mine Hoist Application
Abstract
1. Introduction
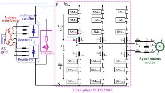
2. Topology and Operation Principles
2.1. Topology Analysis
2.2. Operation Principles of SCES-MMC
2.3. Power Flow Analysis
- Normal operation mode: |PLoad| > |Pdc|Mode (a): PLoad = Pdc, PSCES = 0;Mode (b): Pdc > 0, PSCES > 0 (discharging), Ptrac > 0 (traction condition);Mode (c): Pdc < 0, PSCES < 0 (charging), Preg> 0 (regeneration condition);
- Fault operation mode: Pdc = 0Mode (d): PLoad = PSCES.
3. System Control Strategies
3.1. Variable Frequency Speed Control
3.2. SOC Control
4. Verifications of SCES-MMC
5. Conclusions
Acknowledgments
Author Contributions
Conflicts of Interest
Abbreviations
| AC | alternating current |
| DC | direct current |
| HVDC | high voltage direct current |
| VSC | voltage source converter |
| NPC | neutral-point-clamped |
| AFE | active front end |
| SCES | super capacitor energy storage |
| MMC | modular multilevel converter |
| SM | sub-module |
| SCB | super capacitor bank |
| SOC | state of charge |
| IGBT | insulated gate bipolar transistor |
| VFSR | variable frequency speed regulation |
References
- Chen, H. Research and Application Based on Full Digital DC Speed Adjusting Device in Mine Hoist Automation System. In Proceedings of the International Symposium on Intelligence Information Processing and Trusted Computing, Huanggang, China, 28–29 October 2010; pp. 524–527. [Google Scholar]
- Ferreira, V.N.; Mendonça, G.A.; Rocha, A.V.; Resende, R.S.; Cardoso Filho, B.J. Medium voltage IGBT-based converters in mine hoist systems. In Proceedings of the IEEE Industry Applications Society Annual Meeting, Portland, OR, USA, 2–6 October 2016; pp. 1–8. [Google Scholar]
- Abu-Rub, H.; Holtz, J.; Rodriguez, J.; Ge, B. Medium-Voltage Multilevel Converters—State of the Art, Challenges, and Requirements in Industrial Applications. IEEE Trans. Ind. Electron. 2010, 57, 2581–2596. [Google Scholar] [CrossRef]
- Kouro, S.; Malinowski, M.; Gopakumar, K.; Pou, J.; Franquelo, L.G.; Bin, W.; Rodriguez, J.; Perez, M.A.; Leon, J.I. Recent Advances and Industrial Applications of Multilevel Converters. IEEE Trans. Ind. Electron. 2010, 57, 2553–2580. [Google Scholar] [CrossRef]
- Yang, X.; Li, J.; Wang, X.; Fan, W.; Zheng, T.Q. Circulating Current Model of Modular Multilevel Converter. In Proceedings of the Asia-Pacific Power and Energy Engineering Conference (APPEEC), Wuhan, China, 25–28 March 2011; pp. 1–6. [Google Scholar]
- Krug, D.; Malinowski, M.; Bernet, S. Design and comparison of medium voltage multi-level converters for industry applications. In Proceedings of the 39th IEEE Industry Applications Conference (IAS), Seattle, WA, USA, 3–7 October 2004; pp. 781–790. [Google Scholar]
- Asea Brown Boveri. ACS 6000 Medium Voltage AC Drives—Commissioning Manual; ABB Switzerland Ltd.: Zurich, Switzerland, 2004. [Google Scholar]
- Abdel-baqi, O.; Nasiri, A.; Miller, P. Dynamic Performance Improvement and Peak Power Limiting Using Ultracapacitor Storage System for Hydraulic Mining Shovels. IEEE Trans. Ind. Electron. 2015, 62, 3173–3181. [Google Scholar] [CrossRef]
- Parkhideh, B.; Mirzaee, H.; Bhattacharya, S. Supplementary Energy Storage and Hybrid Front-End Converters for High-Power Mobile Mining Equipment. IEEE Trans. Ind.Appl. 2013, 49, 1863–1872. [Google Scholar] [CrossRef]
- Parkhideh, B.; Bhattacharya, S.; Mazumdar, J.; Koellner, W. Utilization of Supplementary Energy Storage Systems in High Power Mining Converters. In Proceedings of the 2008 IEEE Industry Applications Society Annual Meeting, Edmonton, AB, Canada, 5–9 October 2008; pp. 1–7. [Google Scholar]
- Dorn, J.; Huang, H.; Retzmann, D. Novel Voltage-Sourced Converters for HVDC and FACTS Applications. In Proceedings of the CIGRE Symposium, Osaka, Japan, 1–4 November 2007; pp. 314–321. [Google Scholar]
- Yang, X.; Xue, Y.; Chen, B.; Lin, Z.; Mu, Y.; Zheng, T.Q.; Igarshi, S. Reverse blocking sub-module based modular multilevel converter with DC fault ride-through capability. In Proceedings of the IEEE Energy Conversion Congress and Exposition (ECCE), Milwaukee, WI, USA, 18–22 September 2016; pp. 1–7. [Google Scholar]
- Yang, X.; Xue, Y.; Chen, B.; Lin, Z.; Zheng, T.Q.; Li, Y. Novel modular multilevel converter against DC faults for HVDC applications. CSEE J. Power Energy Syst. 2017, 3, 140–149. [Google Scholar]
- Ma, F.; Xu, Q.; He, Z.; Tu, C.; Shuai, Z.; Luo, A.; Li, Y. A Railway Traction Power Conditioner Using Modular Multilevel Converter and Its Control Strategy for High-Speed Railway System. IEEE Trans. Transp. Electrif. 2016, 2, 96–109. [Google Scholar] [CrossRef]
- Yang, X.; Zheng, T.Q.; Lin, Z.; Tao, X.; You, X. Power Quality Controller Based on Hybrid Modular Multilevel Converter. In Proceedings of the the 21st IEEE International Symposium on Industrial Electronics (ISIE), Hangzhou, China, 28–30 May 2012; pp. 1997–2002. [Google Scholar]
- Hagiwara, M.; Akagi, H.; Nishimura, K. A Medium-Voltage Motor Drive with a Modular Multilevel PWM Inverter. IEEE Trans. Ind. Electron. 2010, 25, 1786–1799. [Google Scholar] [CrossRef]
- Li, B.; Zhou, S.; Xu, D.; Yang, R.; Xu, D.; Buccella, C.; Cecati, C. An Improved Circulating Current Injection Method for Modular Multilevel Converters in Variable-Speed Drives. IEEE Trans. Ind. Electron. 2016, 63, 7215–7225. [Google Scholar] [CrossRef]
- Antonopoulos, A.; Angquist, L.; Harnefors, L.; Nee, H. Optimal Selection of the Average Capacitor Voltage for Variable-Speed Drives With Modular Multilevel Converters. IEEE Trans. Ind. Electron. 2015, 30, 227–234. [Google Scholar] [CrossRef]
- Kolb, J.; Kammerer, F.; Gommeringer, M.; Braun, M. Cascaded Control System of the Modular Multilevel Converter for Feeding Variable-Speed Drives. IEEE Trans. Power Electron. 2015, 30, 349–357. [Google Scholar] [CrossRef]
- Vasiladiotis, M.; Rufer, A. A Modular Multiport Power Electronic Transformer with Integrated Split Battery Energy Storage for Versatile Ultrafast EV Charging Stations. IEEE Trans. Ind. Electron. 2015, 62, 3213–3222. [Google Scholar]
- Quraan, M.; Yeo, T.; Tricoli, P. Design and Control of Modular Multilevel Converters for Battery Electric Vehicles. IEEE Trans. Power Electron. 2016, 31, 507–517. [Google Scholar] [CrossRef]
- Agarlita, S.; Coman, C.; Andreescu, G.; Boldea, I. Stable V/f control system with controlled power factor angle for permanent magnet synchronous motor drives. IET Electron. Power Appl. 2013, 7, 278–286. [Google Scholar] [CrossRef]
- Boldea, I.; Paicu, M.C.; Andreescu, G. Active Flux Concept for Motion-Sensorless Unified AC Drives. IEEE Trans. Power Electron. 2008, 23, 2612–2618. [Google Scholar] [CrossRef]
- Sau, S.; Fernandes, B.G. Analysis and reduction of capacitor ripple current in modular multilevel converter for variable speed drives. In Proceedings of the European Conference on Power Electronics and Applications (EPE’16 ECCE Europe), Karlsruhe, Germany, 5–9 September 2016; pp. 1–10. [Google Scholar]
- Li, R.; Fletcher, J.E.; Williams, B.W. Influence of third harmonic injection on modular multilevel converter -based high-voltage direct current transmission systems. IET Gener. Transm. Distrib. 2016, 10, 2764–2770. [Google Scholar] [CrossRef]









| Mode | T1/D1 | T2/D2 | iSM | Output Voltage | SOC |
|---|---|---|---|---|---|
| Charging | 0/1 | 0/0 | >0 | USC | increasing |
| Discharging | 1/0 | 0/0 | <0 | USC | decreasing |
| Bypass | 0 | 1 | >0 | 0 | maintaining |
| Bypass | 0 | 1 | <0 | 0 | maintaining |
| System Parameters | Value |
|---|---|
| AC line-to-line voltage | 1.45 kV |
| DC link voltage | 3.6 kV |
| Rated power | 5.3 MW |
| Leg inductance | 5.0 mH |
| SM capacitor voltage | 0.45 kV |
| Super capacitor capacitance | 20 F |
| Rated speed | 52 rpm |
© 2017 by the authors. Licensee MDPI, Basel, Switzerland. This article is an open access article distributed under the terms and conditions of the Creative Commons Attribution (CC BY) license (http://creativecommons.org/licenses/by/4.0/).
Share and Cite
Yang, X.; Wen, P.; Xue, Y.; Zheng, T.Q.; Wang, Y. Super Capacitor Energy Storage Based MMC for Energy Harvesting in Mine Hoist Application. Energies 2017, 10, 1428. https://doi.org/10.3390/en10091428
Yang X, Wen P, Xue Y, Zheng TQ, Wang Y. Super Capacitor Energy Storage Based MMC for Energy Harvesting in Mine Hoist Application. Energies. 2017; 10(9):1428. https://doi.org/10.3390/en10091428
Chicago/Turabian StyleYang, Xiaofeng, Piao Wen, Yao Xue, Trillion Q. Zheng, and Youyun Wang. 2017. "Super Capacitor Energy Storage Based MMC for Energy Harvesting in Mine Hoist Application" Energies 10, no. 9: 1428. https://doi.org/10.3390/en10091428
APA StyleYang, X., Wen, P., Xue, Y., Zheng, T. Q., & Wang, Y. (2017). Super Capacitor Energy Storage Based MMC for Energy Harvesting in Mine Hoist Application. Energies, 10(9), 1428. https://doi.org/10.3390/en10091428

