Control Method Based on Demand Response Needs of Isolated Bus Regulation with Series-Resonant Converters for Residential Photovoltaic Systems
Abstract
:1. Introduction
2. A Residential PV Power System and Problem Description
2.1. System Description
- (1)
- In on-line mode, the LLC converters control the 400 V DC bus voltage. The inverter regulates the 630 V DC bus and harmonics of the output currents. The boost converter adopts the MPPT algorithm. The bidirectional converter adopts current control to compensate the power difference between household load and PV.
- (2)
- In off-line mode, the LLC resonant converters control the 630 V DC bus voltage. The inverter regulates the AC output voltage. The boost converter adopts the MPPT algorithm and the bidirectional converter adopts voltage control to regulate the 400 V DC bus voltage.
2.2. Existing Problem Description
- (1)
- In on-line mode, the 400 V DC bus voltage, U400, will be lower than 400 V, and a steady-state error exists, as the 630 V DC bus voltage is constant and regulated by the following inverter with closed-loop control.
- (2)
- In off-line mode, the 630 V DC bus voltage, U630, will be higher than 630 V normally. Burst mode is adopted, too large voltage ripple exists, as the 400 V DC bus voltage is stable and controlled by the bidirectional DC-DC converter, as shown in Figure 1.
- (3)
- Too slow voltage regulation when the load changes, and too large a voltage spike or sink when the load is changing suddenly.
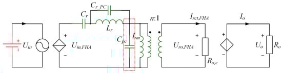
3. Ideal and Actual FHA Model
3.1. Ideal FHA Model Analysis
- (1)
- Waveforms in resonant tank are perfect sinusoidal waves under any working frequency.
- (2)
- All the energy is conveyed by the fundamental component of the input voltage: uin,FHA.
- (3)
- All the parasitic parameters are neglected.
- (4)
3.2. Actual FHA Model Analysis Including Parasitic Capacitors
4. New Control Method at Light Load Conditions
4.1. Proposed Changing Topological Control Method
4.2. Design Consideration Based on the New Method
4.2.1. Resonant Parameters and Rated Operationg Point Design
4.2.2. Voltage Gain and Working Frequency Range Selection
5. Control of the Variable Structure LLC Converter
5.1. Proposed Control Scheme in on-Line Mode
5.1.1. Transfer Conditions between Half-Bridge and Full-Bridge Mode
5.1.2. Initial Working Frequency Selection
5.2. Simulation Results in On-Line Mode
5.3. Proposed Control Scheme in Off-Line Mode
5.4. Simulation Results in Off-Line Mode
6. Experimental Results
6.1. Experimental Results in On-Line Mode
6.2. Experimental Results in Off-Line Mode
6.3. Experimental Results with Real Household Load
6.3.1. Experimental Results with Air Conditioner in On-Line Mode
6.3.2. Experimental Results with Microwave and Refrigerator in Off-Line Mode
7. Conclusions
Acknowledgments
Author Contributions
Conflicts of Interest
References
- Kim, Y. Modeling and Analysis of a DC Electrical System and Controllers for Implementation of a Grid-Interactive Building. Energies 2017, 10, 427. [Google Scholar] [CrossRef]
- Jung, S.; Kim, D. Pareto-Efficient Capacity Planning for Residential Photovoltaic Generation and Energy Storage with Demand-Side Load Management. Energies 2017, 10, 426. [Google Scholar] [CrossRef]
- Wang, Y.; Lin, X.; Pedram, M. Adaptive Control for Energy Storage Systems in Households with Photovoltaic Modules. IEEE Trans. Smart Grid 2014, 5, 992–1001. [Google Scholar] [CrossRef]
- Ahmed, T.; Soon, T.; Mekhilef, S. A Single Phase Doubly Grounded Semi-Z-Source Inverter for Photovoltaic (PV) Systems with Maximum Power Point Tracking (MPPT). Energies 2014, 7, 3618–3641. [Google Scholar] [CrossRef]
- Chen, W.; Yang, X.; Zhang, W.; Song, X. Leakage Current Calculation for PV Inverter System Based on a Parasitic Capacitor Model. IEEE Trans. Power Electron. 2016, 31, 8205–8217. [Google Scholar] [CrossRef]
- Tsai, C.; Shen, C.; Su, J. A Power Supply System with ZVS and Current-Doubler Features for Hybrid Renewable Energy Conversion. Energies 2013, 6, 4859–4878. [Google Scholar] [CrossRef]
- Isoda, H.; Kimura, G.; Shioya, M.; Ohsato, M.H. Battery charging characteristics in small scaled photovoltaic system using resonant DC-DC converter with electric isolation. In Proceedings of the International Conference on Industrial Electronics, Control, and Instrumentation (IECON), Pacific Grove, CA, USA, 23–27 November 1990; Volume 2, pp. 1118–1123. [Google Scholar]
- Zhan, W.; Li, H. An Integrated Three-Port Bidirectional DC–DC Converter for PV Application on a DC Distribution System. IEEE Trans. Power Electron. 2013, 28, 4612–4624. [Google Scholar]
- Yang, B.; Lee, F.C.; Zhang, A.J.; Huang, G. LLC resonant converter for front end DC/DC conversion. In Proceedings of the Applied Power Electronics Conference and Exposition, Dallas, TX, USA, 10–14 March 2002; Volume 2, pp. 1108–1112. [Google Scholar]
- Jin, K.; Ruan, X. Hybrid full-bridge three-level LLC resonant converter—A novel dc-dc converter suitable for fuel cell power system. IEEE Trans. Ind. Electron. 2006, 53, 1492–1503. [Google Scholar] [CrossRef]
- Yang, B.; Chen, R.; Lee, F.C. Integrated magnetic for LLC resonant converter. In Proceedings of the Applied Power Electronics Conference and Exposition, Dallas, TX, USA, 10–14 March 2002; Volume 1, pp. 346–351. [Google Scholar]
- Jung, J.; Kim, H.; Ryu, M.; Baek, J. Design methodology of bidirectional CLLC resonant converter for high-frequency isolation of DC distribution systems. IEEE Trans. Power Electron. 2013, 28, 1741–1755. [Google Scholar] [CrossRef]
- Jiang, T.; Zhang, J.; Wu, X.; Sheng, K.; Wang, Y. A Bidirectional LLC Resonant Converter with Automatic Forward and Backward Mode Transition. IEEE Trans. Power Electron. 2015, 30, 757–770. [Google Scholar] [CrossRef]
- Zhang, J.; Liao, J.; Wang, J.; Qian, Z. A current-driving synchronous rectifier for an LLC resonant converter with voltage-doubler rectifier structure. IEEE Trans. Power Electron. 2012, 27, 1894–1904. [Google Scholar] [CrossRef]
- Han, J.H.; Lim, Y.C. Design of an LLC Resonant Converter for Driving Multiple LED Lights Using Current Balancing of Capacitor and Transformer. Energies 2015, 8, 2125–2144. [Google Scholar] [CrossRef]
- Jiang, J.; Pidaparthy, S.K.; Choi, B. Current Mode Control for LLC Series Resonant DC-to-DC Converters. Energies 2015, 8, 6098–6113. [Google Scholar] [CrossRef]
- Cho, S.; Kim, C.; Han, S. High-efficiency and low-cost tightly regulated dual-output LLC resonant converter. IEEE Trans. Ind. Electron. 2012, 59, 2982–2991. [Google Scholar] [CrossRef]
- Hyeon, B.C.; Cho, B.H. Analysis and Design of the LLC Resonant Converter for Low Output Current Ripple. IEEE Trans. Ind. Electron. 2012, 59, 2772–2780. [Google Scholar] [CrossRef]
- Fang, X.; Hu, H.; Shen, Z.J.; Batarseh, I. Operation mode analysis and peak gain approximation of the LLC resonant converter. IEEE Trans. Power Electron. 2012, 27, 1985–1995. [Google Scholar] [CrossRef]
- Yang, B. Topology Investigation of Front-End DC/DC Converter for Distributed Power System. Ph.D. Thesis, Virginia Tech, Blacksburg, VA, USA, September 2003. [Google Scholar]
- Kim, J.H.; Kim, C.E.; Kim, J.K.; Moon, G.W. Analysis for LLC resonant converter considering parasitic components at very light load condition. In Proceedings of the 8th International Conference on Power Electronics, Jeju, Korea, 30 May–3 June 2011; pp. 1863–1868. [Google Scholar]
- Lee, B.H.; Kim, M.Y.; Kim, C.E.; Park, K.-B.; Moon, G.W. Analysis of LLC resonant converter considering effects of parasitic components. In Proceedings of the INTELEC 31st International Telecommunications Energy Conference, Incheon, Korea, 18–22 October 2009; pp. 1–6. [Google Scholar]
- Pan, H.; He, C.; Ajmal, F.; Chen, H.; Chen, G. Pulse-width modulation control strategy for high efficiency LLC resonant converter with light load applications. IET Power Electron. 2014, 7, 2887–2894. [Google Scholar] [CrossRef]
- Hu, Z.; Liu, Y.F.; Sen, P.C. Bang-Bang charge control for LLC resonant converters. IEEE Trans. Power Electron. 2015, 30, 1093–1108. [Google Scholar]
- Kowstubha, P.; Krishnaveni, K.; Reddy, K.R. Review on different control strategies of LLC series resonant converters. In Proceedings of the 2014 International Conference on Advances in Electrical Engineering (ICAEE), Vellore, India, 9–11 January 2014; pp. 1–4. [Google Scholar]
- Pahlevaninezhad, M.; Eren, S.; Jain, P.; Bakhshai, A. Self-sustained oscillating control technique for current-driven full-bridge DC/DC converter. IEEE Trans. Power Electron. 2013, 28, 5293–5310. [Google Scholar] [CrossRef]
- Kim, B.C.; Park, K.B.; Moon, G.W. Asymmetric PWM control scheme during hold-up time for LLC resonant converter. IEEE Trans. Ind. Electron. 2012, 59, 2992–2997. [Google Scholar] [CrossRef]
- Musavi, F.; Cracium, M.; Gautam, D.S.; Eberle, W. Control strategies for wide output voltage range LLC resonant DC–DC converters in battery chargers. IEEE Trans. Veh. Technol. 2014, 63, 1117–1125. [Google Scholar] [CrossRef]
- Feng, W.; Lee, F.C.; Mattavelli, P. Optimal trajectory control of burst mode for LLC resonant converter. IEEE Trans. Power Electron. 2013, 28, 457–466. [Google Scholar] [CrossRef]
- Jung, J.H.; Kwon, J.G. Theoretical analysis and optimal design of LLC resonant converter. In Proceedings of the European Conference on Power Electronics and Applications, Aalborg, Denmark, 2–5 September 2007; Volume 1, pp. 1–10. [Google Scholar]
- Simone, S.D.; Adragna, C.; Spini, C.; Gattavari, G. Design-oriented steady-state analysis of LLC resonant converters based on FHA. In Proceedings of the International Symposium on Power Electronics, Electrical Drives, Automation and Motion IEEE, Taormina, Italy, 23–26 May 2006; pp. 200–207. [Google Scholar]
























| Parameter | Value |
|---|---|
| LLC main resonant frequency, fr | 78.8 kHz |
| LLC secondary resonant frequency, fr2 | 36.0 kHz |
| First channel LLC resonant inductor, Lr1 | 60 μH |
| First channel LLC resonant capacitor, Cr1 | 68 nF |
| First channel LLC Magnetizing inductor, Lm1 | 228 μH |
| Second channel LLC resonant inductor, Lr2 | 65 μH |
| Second channel LLC resonant capacitor, Cr2 | 68 nF |
| Second channel LLC Magnetizing inductor, Lm2 | 223 μH |
| 400 V DC bus capacitor | 200 μF |
| 630 V DC bus capacitor | 200 μF |
| AC bus voltage | 380 V (phase to phase) |
| Parameter | Value |
|---|---|
| LLC rated power | 4 kW (one channel) |
| LLC main resonant frequency, fr1 | 78.8 kHz |
| LLC secondary resonant frequency, fr2 | 36.0 kHz |
| LLC resonant inductor, Lr | 60 μH |
| LLC resonant capacitor, Cr | 68 nF |
| LLC Magnetizing inductor, Lm | 228 μH |
| LLC MOSFET (primary side) | IPW65R045C7 (Infineon, Munich, Germany) |
| LLC diode rectifier (secondary side) | C4D10120E (Cree, Durhmorning, America) |
| Battery voltage | 100 V DC |
| PV maximum power | 3.5 kW |
| 400 V DC bus capacitor | 200 μF |
| 630 V DC bus capacitor | 200 μF |
| AC bus voltage | 380 V (phase to phase) |
| coefficient k1 | 12.5 Hz/V |
| coefficient k2 | 62.5 Hz/V |
| Step3, Δf3 | 500 Hz |
© 2017 by the authors. Licensee MDPI, Basel, Switzerland. This article is an open access article distributed under the terms and conditions of the Creative Commons Attribution (CC BY) license (http://creativecommons.org/licenses/by/4.0/).
Share and Cite
Zhang, S.-H.; Luo, F.-Z.; Wang, Y.-F.; Liu, J.-H.; He, Y.-P.; Dong, Y. Control Method Based on Demand Response Needs of Isolated Bus Regulation with Series-Resonant Converters for Residential Photovoltaic Systems. Energies 2017, 10, 752. https://doi.org/10.3390/en10060752
Zhang S-H, Luo F-Z, Wang Y-F, Liu J-H, He Y-P, Dong Y. Control Method Based on Demand Response Needs of Isolated Bus Regulation with Series-Resonant Converters for Residential Photovoltaic Systems. Energies. 2017; 10(6):752. https://doi.org/10.3390/en10060752
Chicago/Turabian StyleZhang, Shu-Huai, Feng-Zhang Luo, Yi-Feng Wang, Jiang-Hua Liu, Yong-Peng He, and Yue Dong. 2017. "Control Method Based on Demand Response Needs of Isolated Bus Regulation with Series-Resonant Converters for Residential Photovoltaic Systems" Energies 10, no. 6: 752. https://doi.org/10.3390/en10060752
APA StyleZhang, S.-H., Luo, F.-Z., Wang, Y.-F., Liu, J.-H., He, Y.-P., & Dong, Y. (2017). Control Method Based on Demand Response Needs of Isolated Bus Regulation with Series-Resonant Converters for Residential Photovoltaic Systems. Energies, 10(6), 752. https://doi.org/10.3390/en10060752

