Abstract
Due to the low cost, small size, and ease of control, the switched-capacitor (SC) battery equalizers are promising among active balancing methods. However, it is difficult to achieve the full cell equalization for the SC equalizers due to the inevitable voltage drops across Metal-Oxide-Semiconductor Field Effect Transistor (MOSFET) switches. Moreover, when the voltage gap among cells is larger, the balancing efficiency is lower, while the balancing speed becomes slower as the voltage gap gets smaller. In order to soften these downsides, this paper proposes a cell-to-cell battery equalization topology with zero-current switching (ZCS) and zero-voltage gap (ZVG) among cells based on three-resonant-state SC converters. Based on the conventional inductor-capacitor (LC) converter, an additional resonant path is built to release the charge of the capacitor into the inductor in each switching cycle, which lays the foundations for obtaining ZVG among cells, improves the balancing efficiency at a large voltage gap, and increases the balancing speed at a small voltage gap. A four-lithium-ion-cell prototype is applied to validate the theoretical analysis. Experiment results demonstrate that the proposed topology has good equalization performances with fast equalization, ZCS, and ZVG among cells.
1. Introduction
The world is being confronted with unprecedented crises, i.e., the depletion of fossil fuels and the global warming [1]. Energy conservation is becoming of paramount concern to people. In response to the crises, electric vehicles (EVs) have been implemented and are considered to be the inevitable development trend of vehicles for the future [2]. Due to high energy density, long lifetime, and environmental friendliness, lithium-based batteries have been dominating the high power battery packs of EVs [3,4]. However, the terminal voltage of a single lithium battery cell is usually low, e.g., 3.7 V for lithium-ion batteries and 3.2 V for lithium iron phosphate (LiFePO4) batteries [5,6]. In order to meet the demands of the load voltage and power, lithium batteries are usually connected in series and parallel [7]. For example, Tesla Model S uses 7616 lithium-ion 18650 cells connected in series and parallel [8]. Unfortunately, there are slight differences among cells in terms of capacity and internal resistance, which cause the cell voltage imbalance as the battery string is charged and discharged. On the one hand, this imbalance reduces the available capacity of battery packs. On the other hand, it may lead to over-charge or over-discharge for a cell in the battery pack, increasing safety risks. In fact, the most viable solution for this problem might not originate merely from the improvement in the battery chemistry. It also uses suitable power electronics topologies to prevent the cell imbalance, which is known as battery equalization.
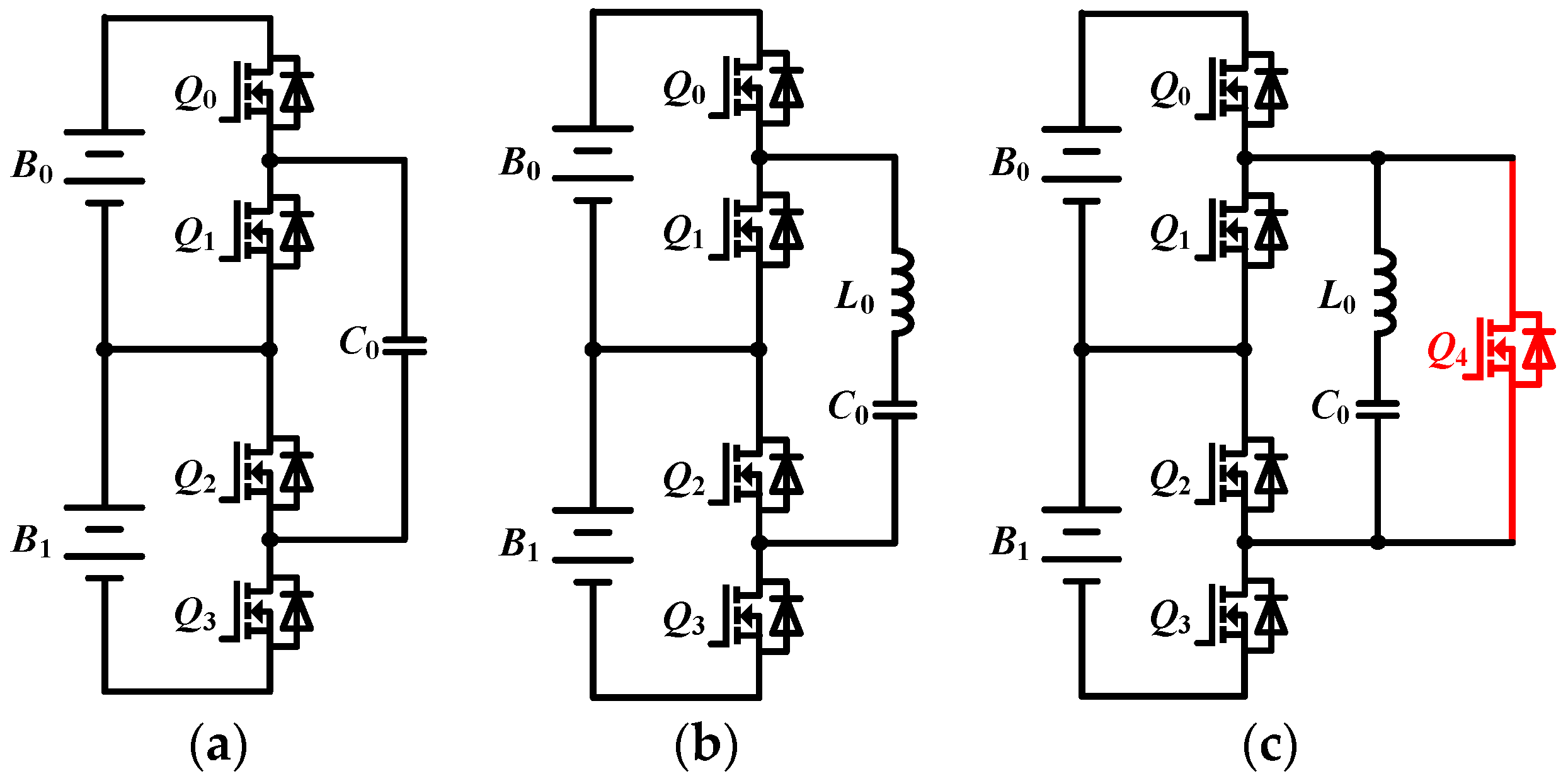
During the last few years, many balancing topologies have been proposed, which can be classified into two categories: the passive balancing methods [7,9] and the active balancing methods [10,11,12,13,14,15,16,17,18,19,20,21,22,23,24,25,26,27,28,29,30,31,32]. The passive equalizers employ a resistor connected in parallel with each cell to drain excess energy from the high energy cells [7,9]. These methods have the outstanding advantages of small size, low cost, and easy implementation. However, their critical disadvantages are energy dissipation and heat management problems [7]. To overcome these drawbacks, active cell balancing topologies are proposed, which employ non-dissipative energy-shuttling elements to move energy from the strong cells to the weak ones [7], reducing energy loss. Therefore, active balancing methods have higher balancing capacity and efficiency than the passive equalization ones. They can be further divided into three groups, which are capacitor based [10,11,12,13,14,15,16,17,18], inductor based [19,20,21], and transformer based [22,23,24,25,26,27,28,29,30,31,32] methods. Among these active balancing topologies, switched-capacitor (SC) based solutions have the inherent advantages of smaller size, lower cost, simpler control, and higher efficiency. Ref. [10] proposes an SC equalizer for series battery packs. As shown in Figure 1a, one capacitor is employed to shift charge between the adjacent two cells. The capacitor is switched back and forth repeatedly, which diffuses the imbalanced charge until the two cell voltages match completely [10]. The main disadvantage of this structure is the high switching loss. To solve this problem, an automatic equalization circuit based on resonant SC converters is proposed in [15]. As shown in Figure 1b, an inductor L0 is added to form a resonant inductor-capacitor (LC) converter, which operates alternatively between the charging state and discharging state with zero-current switching (ZCS) to automatically balance the cell voltages [15]. However, it is difficult to apply this topology to the systems with low voltage gap among cells. For example, the voltage difference among lithium-ion battery cells is not allowed to exceed 0.1 V [15]. This small voltage difference causes the Metal-Oxide-Semiconductor Field Effect Transistor (MOSFETs) of the equalizers to fail to conduct, which results in the inevitable residual voltage gap among cells. Moreover, the equalization current becomes smaller as the voltage gap gets smaller, resulting in a very long balancing time.
Figure 1.
Battery equalizers based on switched-capacitor (SC) converters. (a) the classical SC equalizer [10]; (b) the resonant SC equalizer [15]; and (c) the proposed equalizer based on an inductor-capacitor-switch (LCS) converter.
In order to overcome these problems, a battery equalizer is proposed based on a resonant LC converter and boost converter that offers several major advantages, e.g., ZCS and zero-voltage gap (ZVG) among cells, etc. [16]. However, the balancing efficiency of this topology is strongly related to the voltage conversion ratio, which is expressed as . The lower the conversion ratio (or the larger the voltage difference), the larger the balancing current, but the lower the balancing efficiency. This means that high efficiency cannot be achieved at a large voltage gap. Ref. [33] proposes a high-efficiency SC converter that decouples the efficiency from the voltage conversion ratio. Ref. [34] applies the switched-capacitor gyrator to photovoltaic systems, demonstrating ultimate improvement in the power harvesting capability under different insolation levels. Based on these works, the objective of this paper is to introduce an adjacent cell-to-cell battery equalization topology based on three-resonant-state LC converters, with the potential of fulfilling the expectations of high current capability, high efficiency, easy modularization, ZCS, and ZVG among cells. As shown in Figure 1c, except the classical design, an additional switch Q4 is added to be connected in parallel with the LC tank, which is hereinafter to be referred as the inductor-capacitor-switch (LCS) converter. This structure obtains another resonant current path to release the residual energy stored in the capacitor to the inductor, which lays the foundations to achieve the bi-directional power flow and weakens the couplings of a large voltage gap with low efficiency and a small voltage gap with slow balancing speed.
2. The Proposed Equalizer
2.1. Basic Circuit Structure
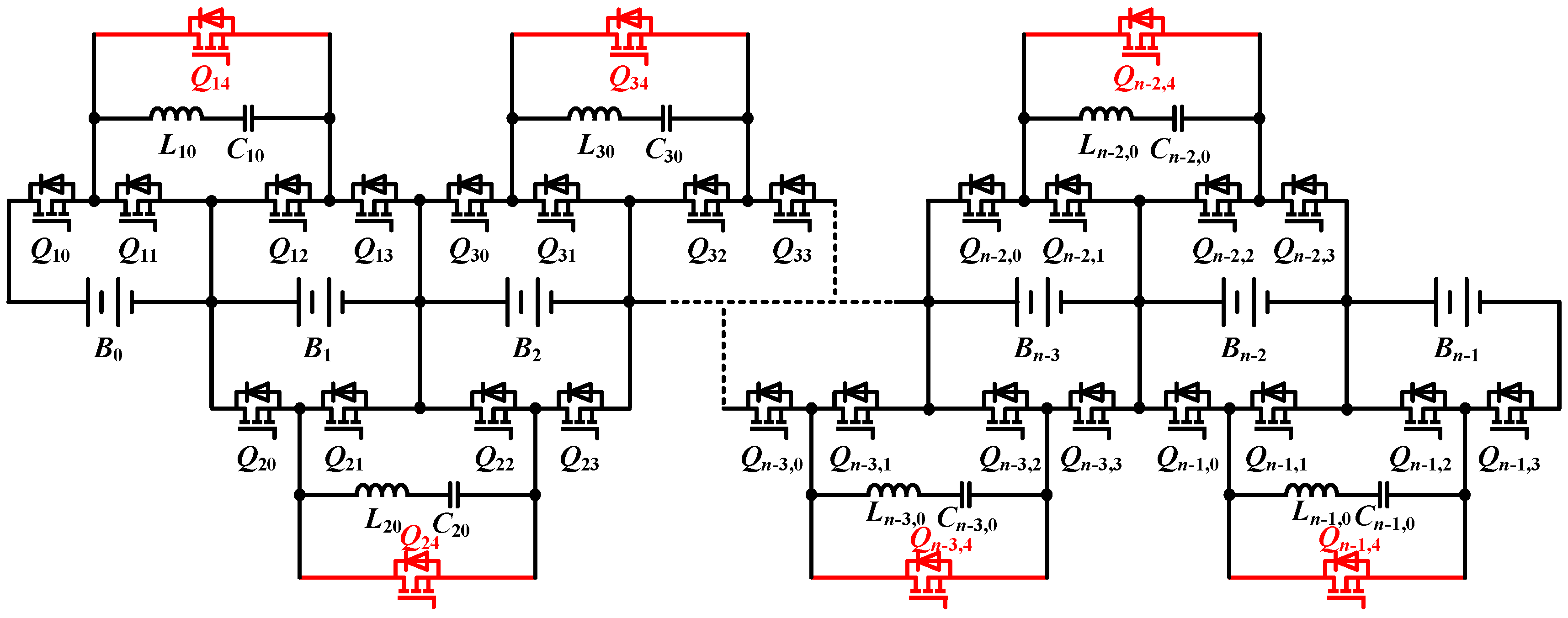
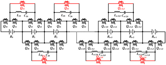
As shown in Figure 2, the proposed equalizer can be easily extended to a long series battery string without limit. The architecture consists of n battery cells connected in series and n − 1 resonant LCS tanks connected in parallel with each two adjacent battery cells, through which energy can be exchanged among all cells.
Figure 2.
Schematic diagram of the proposed system for n series-connected battery cells.
The proposed equalizer has several major advantages per the following:
- (1)
- The proposed equalizer can achieve ZCS for all MOSFETs, and obtain ZVG among cells.
- (2)
- Due to the other resonant current path, the balancing efficiency is improved at a large voltage gap among cells, and the balancing speed is increased at a small voltage gap.
- (3)
- By changing the parameters of the resonant LCS converter, different balancing speeds can be achieved to meet the requirements of different energy storage devices.
- (4)
- The concept is modular [35], and the topology can be extended to any long series-connected battery strings or individual cells without limit.
2.2. Operation Principles
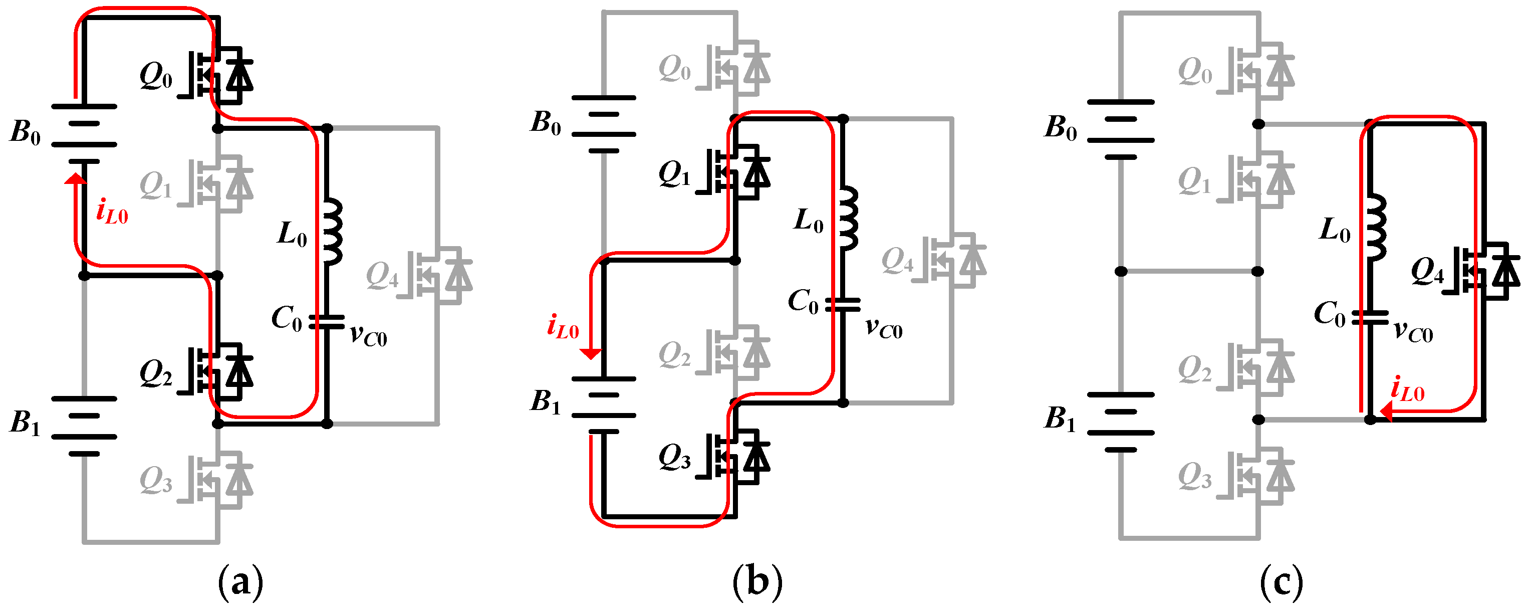
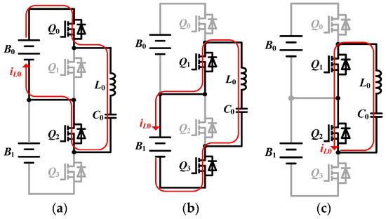
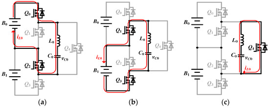
In order to simplify the analysis for the operation states, the following assumptions are made: the proposed equalizer is applied to two cells connected in series, i.e., B0 and B1, where B0 is over-charged and B1 is undercharged. The operation principles are shown in Figure 3. The switching sequence is set as (Q0, Q2), (Q1, Q3), and Q4, as shown in Figure 4. Three resonant states S1–S3 are employed to charge, discharge, and release the LC tank, which is connected to a voltage of VB0, VB1, or 0 in each switching state, respectively. Figure 5 shows the theoretical waveforms of the proposed equalizer at VB0 > VB1.
Figure 3.
Operating states of the proposed equalizer at VB0 > VB1. (a) charge state S1; (b) discharge state S2; (c) release state S3.
Figure 4.
Switching sequences of the proposed equalizer at VB0 > VB1.
Figure 5.
Theoretical waveforms of the capacitor voltage and the resonant current at VB0 > VB1.
Charge State S1 [t0-t1]: At t0, switches Q0 and Q2 are turned ON with ZCS. The LC tank is connected with B0 in parallel through Q0 and Q2, as shown in Figure 3a. B0, L0, and C0 form a resonant current loop. The capacitor C0 is charged by B0. vC0 increases from −Vh2, which is a remnant of C0 from the last period (see Figure 5). iL0 and vC0 in this state can be expressed as
where , , and . represents the equivalent parasitic resistance in each current path.
The charge state ends when iL0 crosses zero at t = t1. From Equation (1), the duration of this state is determined by
At t1, vC0 is positively charged to Vh1, which can be given by
Discharge State S2 [t1-t2]: At t1, the switches Q1 and Q3 are turned ON with ZCS, connecting B1 to the resonant LC tank. B1, L0, and C0 form a resonant loop. B1 is charged by C0. iL0 and vC0 in this state are given as
At t = t2, the discharge state ends when iL0 drops to zero. The voltage Vr of C0 at t = t2 is represented by
Release State S3 [t2-t3]: During this state, the resonant LC tank is short-circuited by turning on the switch Q4 with ZCS. This releases the residual charge of the capacitor into the inductor and even charges reversely the capacitor C0, so B0 can charge C0 with a large current at the beginning of S1. This state provides the opportunity to transfer energy from a low voltage cell to a high voltage one, which lays the foundations to achieve ZVG among cells. iL0 and vC0 in this state are given by
The release state ends when iL0 crosses zero at t = t3. The voltage Vh2 of C0 at t = t3 can be expressed as
where
By solving Equations (4), (7), and (10), , , and can be calculated as
The operating period T is composed of three resonant states, which can be expressed as
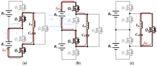
The direction of the balancing power flowing can be changed by controlling the switching sequences. According to the above analysis, the switching sequence (Q0, Q2), (Q1, Q3), Q4 is to deliver energy from B0 to B1. In the case of energy transferred from B1 to B0, the switching sequence is changed to (Q1, Q3), (Q0, Q2), Q4. Figure 6 shows the three consecutive operating states of the proposed equalizer: (a) charge state; (b) discharge state; and (c) release state at VB0 < VB1. Figure 7 shows the corresponding switching sequence. It can be seen that, by controlling the switching sequence, energy can be delivered between two adjacent cells arbitrarily, by which ZVG between cells can be achieved without any limit.
Figure 6.
Operating states of the proposed equalizer at VB0 < VB1. (a) charge state; (b) discharge state; (c) release state.
Figure 7.
Switching sequences of the proposed equalizer at VB0 < VB1.
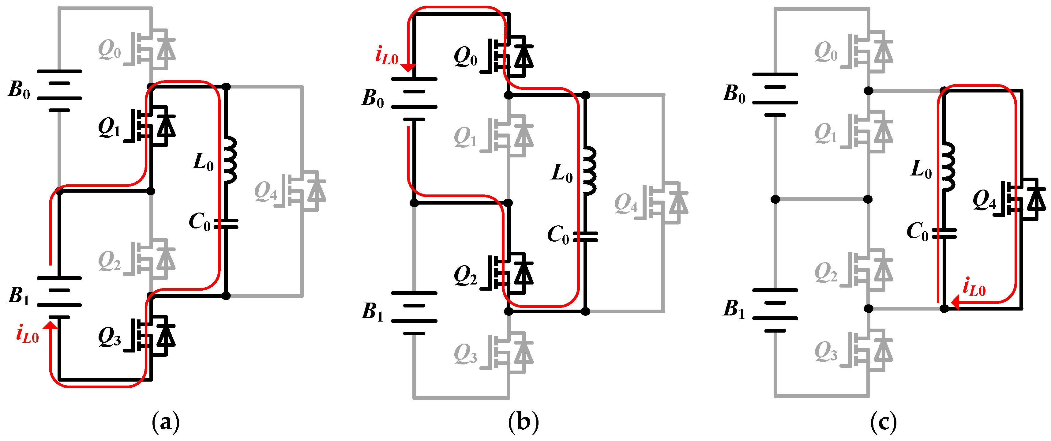
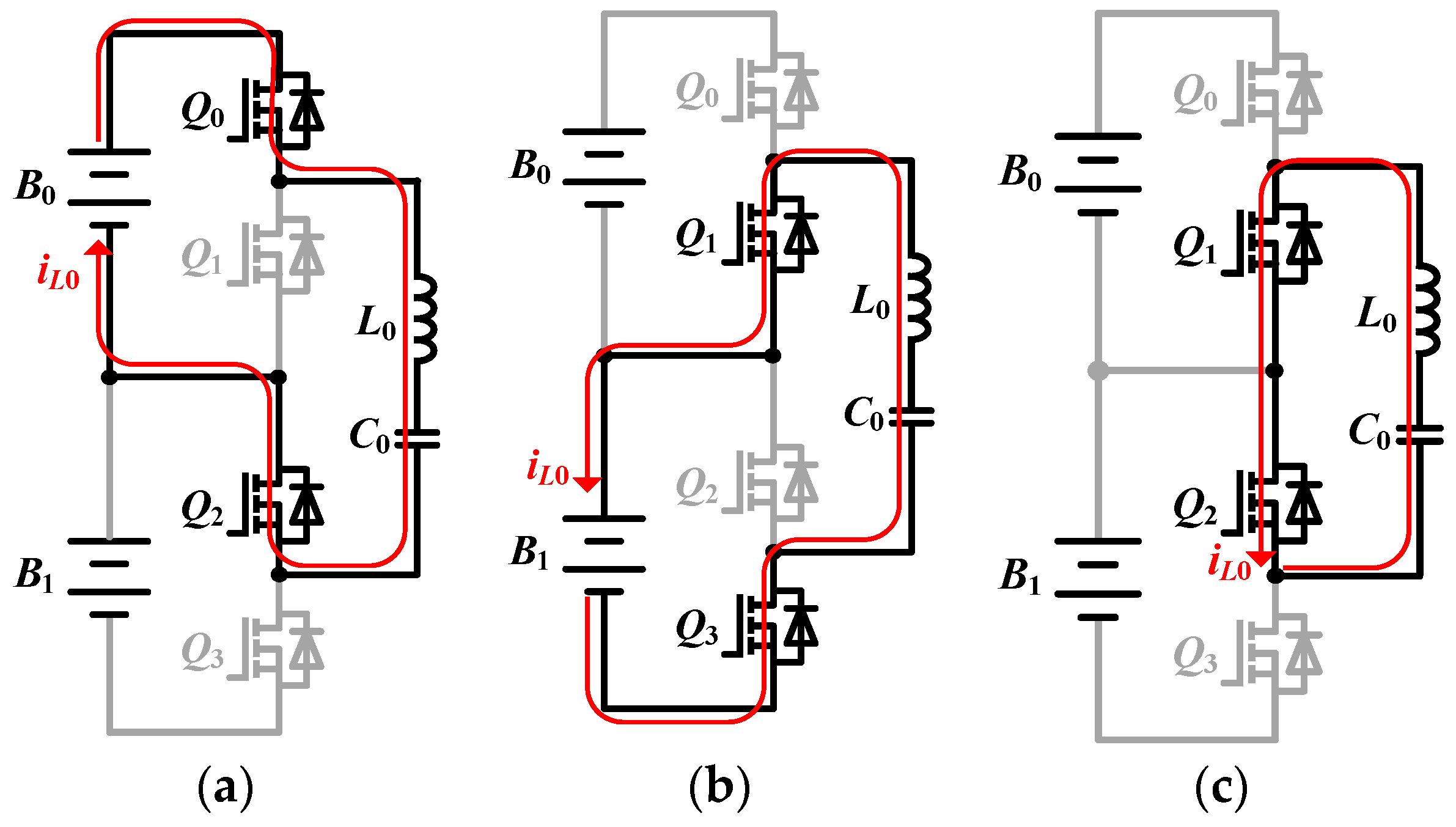
It is important to note that the release state can also be achieved by turning simultaneously on Q1 and Q2 without using Q4, which results in a reduced MOSFET number but complex control. Figure 8 and Figure 9 show the three consecutive operating states without using Q4 and the corresponding switching sequences at VB0 > VB1. Figure 10 and Figure 11 show the three consecutive operating states without using Q4 and the corresponding switching sequences at VB0 < VB1. The operation principles of this system are similar to those shown in Figure 3, Figure 4, Figure 5 and Figure 6 and will not be described here in detail.
Figure 8.
Operating states of the proposed equalizer without using Q4 at VB0 > VB1. (a) charge state; (b) discharge state; (c) release state.
Figure 9.
Switching sequences of the proposed equalizer without using Q4 at VB0 > VB1.
Figure 10.
Operating states of the proposed equalizer without using Q4 at VB0 < VB1. (a) charge state; (b) discharge state; (c) release state.
Figure 11.
Switching sequences of the proposed equalizer without using Q4 at VB0 < VB1.
2.3. Equalizing Power and Efficiency
During one switching period T, the charge delivered to C0 from B0 is
and the charge received by B1 is expressed as
Using Equations (12)–(14) and (16), the average power flowing out of B0 is obtained as
and, using Equations (12)–(14) and (17), the average power flowing into B1 is given as
Based on Equations (18) and (19), the equalization efficiency ηe can be calculated as
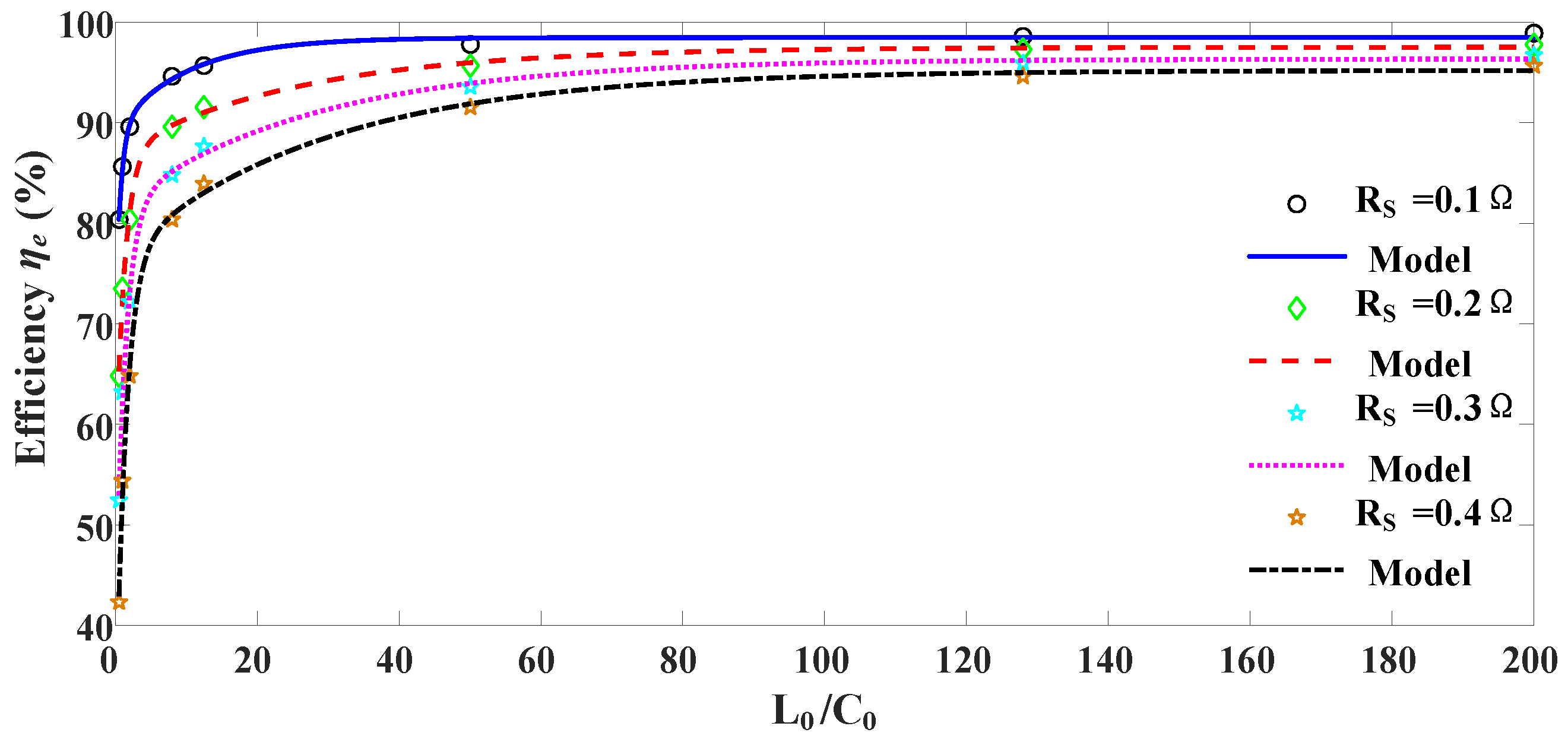
Figure 12 shows the balancing efficiency curves obtained from Equation (20) as a function of the L0/C0 ratio, for various RS, under the conditions of VB0 = 3.3 V and VB1 = 3.2 V. It can be observed that the efficiency increases as the L0/C0 ratio increases or RS decreases, which show how the coupling of the large voltage gap with low efficiency can be weakened by keeping RS as low and the L0/C0 ratio as high as possible. However, from Equations (1) and (5), it can be concluded that the balancing current would become smaller as the L0/C0 ratio increases. Therefore, an appropriate L0/C0 ratio (e.g., L0/C0 = 10) should be selected in order to achieve a higher balancing efficiency and larger balancing current.
Figure 12.
Theoretical efficiency ηe as a function of L0/C0 ratio with different RS.
Figure 13 presents the efficiency curve as a function of power at L0/C0 = 10 and RS = 0.18 Ω. The balancing efficiency rises rapidly when the power increases from 0.12 W to 0.5 W and basically stays at a high value when the power increases from 0.5 W to 0.9 W, but decreases slightly when the power increases from 0.9 W to 1.3 W. The peak efficiency of 91.5% is achieved at 0.74 W.
Figure 13.
Theoretical efficiency ηe as a function of power at L0/C0 = 10 and RS = 0.18 Ω.
3. Experimental Results
In order to verify the theoretical analysis and evaluate the equalization performance of the proposed system, a prototype for four 6200-mA·h lithium-ion cells is implemented and tested. Figure 14 shows the photographs of the experimental setup. The MOSFETs are implemented by STP220N6F7 MOSFETs with 2.4 mΩ internal resistance. The values of L0 and C0 are determined as 10.99 μH and 1.05 μF, respectively. The measured equivalent resistance RS in the LC converter is about 0.18 Ω. A MicroAutoBox® II manufactured by dSPACE (Wixom, MI, USA) was used for the digital control, which can generate Pulse-Width Modulation (PWM) singles to control the MOSFETs, and receive the cell voltage information by analog-to-digital converters.
Figure 14.
Photographs of the implemented engineering prototype for four lithium-ion battery cells. (a) balancing circuit; (b) experimental platform.
Figure 15 shows the experimental waveforms of resonant current iL0 and capacitor voltage vC0 with different switching sequences. It can be observed that the MOSFETs are turned ON and OFF at zero current state, thus significantly reducing the switching losses. This provides the equalizer with the potential to work at higher frequencies, leading to a small size of the proposed equalizer. From Figure 15a,b, it can be seen that controlling the switching sequence can govern the direction of the balancing power flowing. This agrees well with the theoretical waveforms.
Figure 15.
Experimental waveforms of the proposed equalizer with different switching sequences. (a) energy transfer from B0 to B1; (b) energy transfer from B1 to B0.
Figure 16 shows the measured efficiency ηe as a function of power at L0/C0 ≈ 10. When power increases from 0.226 to 0.595 W, ηe increases from 47.7% to 89.1%. When power increases from 0.595 to 0.913 W, ηe decreases slightly from 89.1% to 81.5%. This indicates that the proposed equalizer obtains a high efficiency over a wide range of output power.
Figure 16.
Measured efficiency ηe as a function of power at L0/C0 ≈ 10.
Figure 17 shows the experimental results for two cells connected in series. The initial cell voltages are set as VB0 = 3.240 V and VB1 = 2.574 V, respectively. The initial maximum voltage gap is about 0.666 V. It is important to note that, in order to achieve the initial cell voltages, the battery string is not balanced until 200 s’ standing. Figure 17a shows the balancing result with the classical switched capacitor. After about 8.2 h, the voltage gap between the cells is still larger than 0.109 V, which shows that the switched capacitor method cannot achieve ZVG between the two cells. Figure 17b shows the balancing result with the resonant switched capacitor. The balancing speed is increased a lot, but ZVG between cells is still not achieved after 8000 s. Figure 17c shows the balancing result with the proposed method. We observe that, after about 2056 s, the cell voltages are fully balanced to the same value of 3.171 V, showing the outstanding balancing performances (i.e., fast balancing and ZVG between cells) of the proposed scheme. Figure 17d shows the balancing result using the proposed equalizer without the release sate. It can be seen that the balancing speed becomes slow, and ZVG between cells cannot be achieved, which indicates that the release sate plays an active role in the balancing process.
Figure 17.
The voltage equalization results for two cells. (a) the classical SC method [10]; (b) the resonant SC method [15]; (c) the proposed method based on a LCS converter; (d) the proposed method based on a LCS converter without the release sate.
Figure 18 shows the experimental results for four cells connected in series. Because of the nonlinear behavior of lithium-ion batteries, it is very difficult to determine when the cell voltages are fully balanced. Thus, it is optimal to take numerous small equalization cycles to complete the energy exchange. In our method, one equalization cycle includes 10-s equalization time and 20-s standing time for the equalizer. The initial cell voltages are set as VB0 = 3.216 V, VB1 = 2.783 V, VB2 = 3.233 V, and VB3 = 3.023 V, respectively. After about 12,960 s, a balanced voltage of 3.096 V is achieved with about 178 equalization cycles.
Figure 18.
The voltage equalization results for four cells.
4. Comparison with Conventional Equalizers
In order to systematically evaluate the proposed scheme, Table 1 gives a comparative study with conventional battery equalizers focusing on the components, balancing speed, balancing efficiency, ZCS, ZVG among cells, and modularization. It is assumed that the battery string includes n cells connected in series, which is divided into m battery modules. Components focuses mainly on the numbers of switches (SW), resistors (R), inductors (L), capacitors (C), diodes (D), and transformers (T). The equalization speed is determined by the equalization current, the number of cells involved in balancing at the same time, and the average switching cycles to complete the charge transportation from the source cell to the target one. The balancing efficiency is evaluated according to the average energy conversion efficiency for one switching cycle and the average switching cycles to transfer energy from a cell to another one. ZCS and ZVG are evaluated according to whether the systems can achieve ZCS for all MOSFETs and obtain ZVG among cells in a battery string. Modularization is evaluated according to the implemented complexity of the equalizers when a new cell is added. These balancing performance parameters are fuzzified into three fuzzy scales, for which “H” represents the higher performance, “L” represents the lower performance, and “M” represents the medium performance, specifically, Speed (L: low, H: high), Efficiency (L: low, H: high), ZCS (L: no, H: yes), ZVG among cells (L: no, M: yes), and Modularization (L: difficult, H: easy).
Table 1.
Comparison of several battery equalizers.
All of the existing solutions provide good performance targeting. For example, the dissipative equalization method [9] has the outstanding advantages of small size, low cost, and easy implementation. However, the excess energy is consumed by the shunt resistors, resulting in a very low balancing efficiency.
SC based methods [10,11,12,13,14] tend to be lighter and smaller due to the absence of any magnetic components. Moreover, they have the outstanding advantages of simple control, easy modularization, and automatic equalization without cell monitoring circuits. However, the balancing efficiency is very low at a large voltage gap among cells, and the balancing speed becomes slower as the voltage gap gets smaller. In other words, these methods cannot have a high equalization efficiency and a fast balancing speed at the same time.
Inductor based methods [19,20,21] require only inductors and MOSFETs. Therefore, the sizes of these solutions are small, and the costs are low. These approaches can also achieve automatic equalization among cells without the requirement of cell monitoring circuits. Moreover, they are easily modularized and not limited to the numbers of battery cells in a battery string. However, they work in the hard-switching mode, and the switching loss tends to be high, leading to a low balancing efficiency. Particularly, ZVG among cells cannot be achieved due to the asymmetry of inductors and the voltage drops across power electronic devices.
Transformer-based solutions [22,23,24,25,26,27,28,29,30,31,32] have the inherent advantages of easy isolation, high efficiency, and simple control. However, it is definitely difficult to apply a single multi-winding transformer into a long series-connected battery string because of the mismatching, bulk size, and high complexity implementation of the multi windings. Moreover, the mismatched multi windings naturally cause the imbalance voltages during the balancing. In addition, these methods need additional components for the equalization among modules, leading to bulk size and loss related to the modularization.
By using an additional switch Q4 connected in parallel with the LC tank, the proposed solution obtains another resonant current path to release the residual energy stored in the capacitor to the inductor, which lays the foundations to achieve the bi-directional power flow and weakens the couplings of a large voltage gap with low efficiency and a small voltage gap with slow balancing speed. From Table 1, it is apparent that the size of the proposed equalizer is comparable with the existing solutions. Moreover, it has clear advantages in terms of the balancing speed, efficiency, ZCS, ZVG, and modularization, which make the proposed system be a feasible solution for EVs in the future.
5. Conclusions
In this paper, an adjacent cell-to-cell equalizer with ZCS and ZVG based on three-resonant-state SC converters is proposed. The scheme configuration, modular design, operation principles, theoretical analysis, cell-balancing performance, and comparative studies with the conventional battery equalizers are presented. The proposed scheme obtains ZCS due to the three resonant states of the LCS converter, which reduces inherently the frequency dependent switching losses, allowing efficient operation at very high switching frequencies. ZVG among cells is achieved thanks to the newly added resonant current path, which also weakens the couplings of a large voltage gap with low efficiency and a small voltage gap with slow balancing speed. A prototype with four 6200-mA·h lithium-ion cells is optimally implemented. Experiment results show that the proposed scheme exhibits good balancing performance with ZCS and ZVG, and the measured peak conversion efficiency is 89.1% at L0/C0 ≈ 10.
Acknowledgments
This work was supported by the Major Scientific Instrument Development Program of the National Natural Science Foundation of China under Grant No. 61527809, the Key Project of National Natural Science Foundation of China under Grant No. 61633015, the National Natural Science Foundation of China under Grant No. 61273097, and the Major International (Regional) Joint Research Project of the National Natural Science Foundation of China (NSFC) under Grant No. 61320106011. The authors would like to thank them for their support and help. The authors would also like to thank the reviewers for their corrections and helpful suggestions.
Author Contributions
Yunlong Shang conceived this paper, designed and performed the experiments, and analyzed the data; Qi Zhang assisted the experiment and revised the paper; Naxin Cui and Chenghui Zhang revised the paper and provided some valuable suggestions.
Conflicts of Interest
The authors declare no conflict of interest.
References
- Zhang, Y.; Xiong, R.; He, H.; Shen, W. A lithium-ion battery pack state of charge and state of energy estimation algorithms using a hardware-in-the-loop validation. IEEE Trans. Power Electron. 2016. [Google Scholar] [CrossRef]
- Sun, F.; Xiong, R.; He, H. A systematic state-of-charge estimation framework for multi-cell battery pack in electric vehicles using bias correction technique. Appl. Energy 2016, 162, 1399–1409. [Google Scholar] [CrossRef]
- Xiong, R.; Sun, F.; Gong, X.; Gao, C. A data-driven based adaptive state of charge estimator of lithium-ion polymer battery used in electric vehicles. Appl. Energy 2014, 113, 1421–1433. [Google Scholar] [CrossRef]
- Xia, B.; Mi, C. A fault-tolerant voltage measurement method for series connected battery packs. J. Power Source 2016, 308, 83–96. [Google Scholar] [CrossRef]
- Lu, L.; Han, X.; Li, J.; Hua, J.; Ouyang, M. A review on the key issues for lithium-ion battery management in electric vehicles. J. Power Source 2013, 226, 272–288. [Google Scholar] [CrossRef]
- Xiong, R.; Sun, F.; Chen, Z.; He, H. A data-driven multi-scale extended Kalman filtering based parameter and state estimation approach of lithium-ion polymer battery in electric vehicles. Appl. Energy 2014, 113, 463–476. [Google Scholar] [CrossRef]
- Lozano, J.G.; Cadaval, E.R. Battery equalization active methods. J. Power Source 2014, 246, 934–949. [Google Scholar] [CrossRef]
- Battery. Available online: http://batteryuniversity.com/learn/article/electric_vehicle_ev (accessed on 8 February 2017).
- Gallardo-Lozano, J.; Romero-Cadaval, E.; Milanes-Montero, M.I.; Guerrero-Martinez, M.A. A novel active battery equalization control with on-line unhealthy cell detection and cell change decision. J. Power Source 2015, 299, 356–370. [Google Scholar] [CrossRef]
- Pascual, C.; Krein, P.T. Switched capacitor system for automatic series battery equalization. In Proceedings of the IEEE 1997 Applied Power Electronics Conference, Atlanta, GA, USA, 23–27 February 1997; pp. 848–854.
- Kim, M.Y.; Kim, C.H.; Kim, J.H.; Moon, G.W. A chain structure of switched capacitor for improve cell balancing speed of lithium-ion batteries. IEEE Trans. Ind. Electron. 2014, 61, 3989–3999. [Google Scholar] [CrossRef]
- Shang, Y.L.; Xia, B.; Lu, F.; Zhang, C.H.; Cui, N.X.; Mi, C. A switched-coupling-capacitor equalizer for series-connected battery strings. IEEE Trans. Power Electron. 2016. [Google Scholar] [CrossRef]
- Ye, Y.; Cheng, K.W.E. An automatic switched-capacitor cell balancing circuit for series-connected battery strings. Energies 2016, 9, 138. [Google Scholar] [CrossRef]
- Ye, Y.; Cheng, K.W.E. Modeling and analysis of series-parallel switched-capacitor voltage equalizer for battery/supercapacitor strings. IEEE J. Emerg. Sel. Top. Power Electron. 2015, 3, 977–983. [Google Scholar] [CrossRef]
- Ye, Y.; Cheng, K.W.E.; Yeung, Y.P.B. Zero-current switching switched-capacitor zero-voltage-gap automatic equalization system for series battery string. IEEE Trans. Power Electron. 2012, 27, 3234–3242. [Google Scholar]
- Shang, Y.; Zhang, C.; Cui, C.N.; Guerrero, J.M. A cell-to-cell battery equalizer with zero-current switching and zero-voltage gap based on quasi-resonant LC converter and boost converter. IEEE Trans. Power Electron. 2015, 30, 3731–3747. [Google Scholar] [CrossRef]
- Shang, Y.; Zhang, C.; Cui, C.N.; Guerrero, J.M.; Sun, K. A crossed pack-to-cell equalizer based on quasi-resonant LC converter with adaptive fuzzy logic equalization control for series-connected lithium-ion battery strings. In Proceedings of the IEEE 2015 Applied Power Electronics Conference, Charlotte, NC, USA, 15–19 March 2015; pp. 1685–1692.
- Lee, K.; Chung, Y.; Sung, C.-H.; Kang, B. Active cell balancing of li-ion batteries using LC series resonant circuit. IEEE Trans. Ind. Electron. 2015, 62, 5491–5501. [Google Scholar] [CrossRef]
- Kim, M.-Y.; Kim, J.-H.; Moon, G.-W. Center-cell concentration structure of a cell-to-cell balancing circuit with a reduced number of switches. IEEE Trans. Power Electron. 2014, 29, 5285–5297. [Google Scholar] [CrossRef]
- Mestrallet, F.; Kerachev, L.; Crebier, J.-C.; Collet, A. Multiphase interleaved converter for lithium battery active balancing. IEEE Trans. Power Electron. 2014, 29, 2874–2881. [Google Scholar] [CrossRef]
- Phung, T.H.; Collet, A.; Crebier, J.-C. An optimized topology for next-to-next balancing of series-connected lithium-ion cells. IEEE Trans. Power Electron. 2014, 29, 4603–4613. [Google Scholar] [CrossRef]
- Imitiaz, A.M.; Khan, F.H. “Time shared flyback converter” based regenerative cell balancing technique for series connected li-ion battery strings. IEEE Trans. Power Electron. 2013, 28, 5960–5975. [Google Scholar] [CrossRef]
- Chen, Y.; Liu, X.; Cui, Y.; Zou, J.; Yang, S. A multi-winding transformer cell-to-cell active equalization method for lithium-ion batteries with reduced number of driving circuits. IEEE Trans. Power Electron. 2016, 31, 4916–4929. [Google Scholar] [CrossRef]
- Li, S.; Mi, C.; Zhang, M. A high-efficiency active battery-balancing circuit using multiwinding transformer. IEEE Trans. Ind. Appl. 2013, 49, 198–207. [Google Scholar] [CrossRef]
- Uno, M.; Kukita, A. Double-switch equalizer using parallel-or series-parallel-resonant inverter and voltage multiplier for series-connected supercapacitors. IEEE Trans. Power Electron. 2014, 29, 812–828. [Google Scholar] [CrossRef]
- Anno, T.; Koizumi, H. Double-input bidirectional DC/DC converter using cell-voltage equalizer with flyback transformer. IEEE Trans. Power Electron. 2015, 30, 2923–2934. [Google Scholar] [CrossRef]
- Hua, C.; Fang, Y.-H. A charge equalizer with a combination of APWM and PFM control based on a modified half-bridge converter. IEEE Trans. Power Electron. 2016, 31, 2970–2979. [Google Scholar] [CrossRef]
- Arias, M.; Sebastián, J.; Hernando, M.; Viscarret, U.; Gil, I. Practical application of the wave-trap concept in battery-cell equalizers. IEEE Trans. Power Electron. 2015, 30, 5616–5631. [Google Scholar] [CrossRef]
- Lim, C.-S.; Lee, K.-J.; Ku, N.-J.; Hyun, D.-S.; Kim, R.-Y. A modularized equalization method based on magnetizing energy for a series-connected Lithium-ion battery string. IEEE Trans. Power Electron. 2014, 29, 1791–1799. [Google Scholar] [CrossRef]
- Kim, C.-H.; Kim, M.-Y.; Moon, G.-W. A modularized charge equalizer using a battery monitoring IC for series-connected Li-ion battery strings in electric vehicles. IEEE Trans. Power Electron. 2013, 28, 3779–3787. [Google Scholar] [CrossRef]
- Park, H.-S.; Kim, C.-H.; Park, K.-B.; Moon, G.-W.; Lee, J.-H. Design of a charge equalizer based on battery modularization. IEEE Trans. Veh. Technol. 2009, 58, 3216–3223. [Google Scholar] [CrossRef]
- Xu, A.; Xie, S.; Liu, X. Dynamic voltage equalization for series-connected ultracapacitors in EV/HEV applications. IEEE Trans. Veh. Technol. 2009, 58, 3981–3987. [Google Scholar]
- Cervera, A.; Evzelman, M.; Mordehai Peretz, M.; Ben-Yaakov, S. A high efficiency resonant switched capacitor converter with continuous conversion ratio. IEEE Trans. Power Electron. 2014, 30, 1373–1382. [Google Scholar] [CrossRef]
- Blumenfeld, A.; Cervera, A.; Mordechai Peretz, M. Enhanced differential power processor for PV systems: Resonant switched-capacitor gyrator converter with local MPPT. IEEE J. Emerg. Sel. Top. Power Electron. 2014, 2, 883–892. [Google Scholar] [CrossRef]
- Dong, B.; Li, Y.; Han, Y. Parallel architecture for battery charge equalization. IEEE Trans. Power Electron. 2015, 30, 4906–4913. [Google Scholar] [CrossRef]
© 2017 by the authors. Licensee MDPI, Basel, Switzerland. This article is an open access article distributed under the terms and conditions of the Creative Commons Attribution (CC BY) license ( http://creativecommons.org/licenses/by/4.0/).

















