Low-Cost Online Partial Discharge Monitoring System for Power Transformers
Abstract
1. Introduction
2. Materials and Methods
2.1. General Description
2.2. Hardware Layer
2.2.1. Partial Discharge Detector
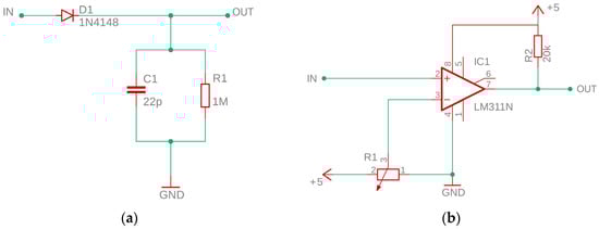
2.2.2. Amplifier and Bandpass Filter
2.2.3. Peak Detector and Voltage Comparator
2.2.4. Single Board Microcontroller
2.2.5. Power Supply
2.2.6. Assembly of the System
2.3. Firmware
3. System Testing
3.1. Testing the Efficiency of AE Pulse Counting
3.2. Online Monitoring of Partial Discharges in Laboratory Conditions
3.3. Online Monitoring of Partial Discharges in a 10 MVA Power Transformer
4. Conclusions
- a high detection sensitivity of acoustic signals from partial discharges, resulting from the use of true differential AE sensor with optimized frequency response characteristics;
- the possibility of equipping the system with inexpensive modules dedicated to the Arduino/Teensyduino platform that increase its functionality, such as a Bluetooth module for wireless transmission of measurement data, or additional sensors to monitor other parameters of the transformer’s operation (e.g., an accelerometer for measuring transformer tank vibrations);
- easy installation on the transformer tank (thanks to the low weight and magnetic holders);
- no need to configure the device;
- high resistance to external electromagnetic interference due to the shielding of electronic modules and piezoelectric transducer elements.
Author Contributions
Funding
Institutional Review Board Statement
Informed Consent Statement
Data Availability Statement
Conflicts of Interest
Appendix A. Source Code for the Firmware of the Online PD Monitoring System
References
- Tenbohlen, S.; Jagers, J.; Vahidi, F.; Bastos, G.; Desai, B.; Diggin, B.; Fuhr, J.; Gebauer, J.; Krüger, M.; Lapworth, J.; et al. Transformer Reliability Survey; Technical Brochure 642 CIGRE: Paris, France, 2015. [Google Scholar]
- Martin, D.; Marks, J.; Saha, T. Survey of Australian power transformer failures and retirements. IEEE Electr. Insul. Mag. 2017, 33, 16–22. [Google Scholar] [CrossRef]
- Thiviyanathan, V.A.; Ker, P.J.; Leong, Y.S.; Abdullah, F.; Ismail, A.; Zaini Jamaludin, M. Power transformer insulation system: A review on the reactions, fault detection, challenges and future prospects. Alex. Eng. J. 2022, 61, 7697–7713. [Google Scholar] [CrossRef]
- Kaliappan, G.; Rengaraj, M. Aging assessment of transformer solid insulation: A review. Mater. Today Proc. 2021, 47, 272–277. [Google Scholar] [CrossRef]
- Dombek, G.; Nadolny, Z. Influence of paper type and liquid insulation on heat transfer in transformers. IEEE Trans. Dielectr. Electr. Insul. 2018, 25, 1863–1870. [Google Scholar] [CrossRef]
- Liu, Y.; He, S.; Sun, L.; Xie, Y.; Zhao, S.; Qin, J.; Wan, X. Transformer winding Deformation Detection Analysis and Typical Cases. In Proceedings of the 2016 IEEE International Conference on High-Voltage Engineering and Applications (ICHVE), Piscataway, NJ, USA, 18–22 September 2016. [Google Scholar]
- Hanbo, Z.; Yuquan, L.; Xiaohui, W.; Wei, W.; Zhenyu, W.; Yingbiao, S.; Lun, M.; Xiaogang, L. Low-voltage Impedance Diagnosis Method of Transformer Winding Deformation and Case Study. Insul. Mater. 2016, 49, 66–70. [Google Scholar]
- IEC 60270; High-Voltage Test Techniques—Partial Discharge Measurements. IEC: Geneva, Switzerland, 2015.
- IEC-TS, PD. 62478; 2016 High Voltage Test Techniques—Measurement of Partial Discharges by Electromagnetic and Acoustic Methods. BSI: London, UK, 2016.
- C57.127-2018; IEEE Guide for the Detection, Location and Interpretation of Sources of Acoustic Emissions from Electrical Discharges in Power Transformers and Power Reactors. Institute of Electrical and Electronics Engineers: Piscataway, NJ, USA, 11 March 2019.
- Siegel, M.; Beltle, M.; Tenbohlen, S.; Coenen, S. Application of UHF sensors for PD measurement at power transformers. IEEE Trans. Dielectr. Electr. Insul. 2017, 24, 331–339. [Google Scholar] [CrossRef]
- Mirzaei, H.; Akbari, A.; Gockenbach, E.; Miralikhani, K. Advancing new techniques for UHF PD detection and localization in the power transformers in the factory tests. IEEE Trans. Dielectr. Electr. Insul. 2015, 22, 448–455. [Google Scholar] [CrossRef]
- Judd, M.; Yang, L.; Hunter, I. Partial discharge monitoring for power transformer using UHF sensors. Part 2: Field experience. IEEE Electr. Insul. Mag. 2005, 21, 5–13. [Google Scholar] [CrossRef]
- Soh, D.; Krishnan, S.B.; Abraham, J.; Xian, L.K.; Jet, T.K.; Yongyi, J.F. Partial Discharge Diagnostics: Data Cleaning and Feature Extraction. Energies 2022, 15, 508. [Google Scholar] [CrossRef]
- Wotzka, D.; Kozioł, M.; Boczar, T.; Kunicki, M.; Nagi, Ł. Latest Trends in the Improvement of Measuring Methods and Equipment in the Area of NDT. Sensors 2021, 21, 7293. [Google Scholar] [CrossRef]
- Lu, S.; Chai, H.; Sahoo, A.; Phung, B.T. Condition Monitoring Based on Partial Discharge Diagnostics Using Machine Learning Methods: A Comprehensive State-of-the-Art Review. IEEE Trans. Dielectr. Electr. Insul. 2020, 27, 1861–1888. [Google Scholar] [CrossRef]
- Castro, B.; Clerice, G.; Ramos, C.; Andreoli, A.; Baptista, F.; Campos, F.; Ulson, J. Partial Discharge Monitoring in Power Transformers Using Low-Cost Piezoelectric Sensors. Sensors 2016, 16, 1266. [Google Scholar] [CrossRef] [PubMed]
- Besharatifard, H.; Hasanzadeh, S.; Heydarian-Forushani, E.; Alhelou, H.H.; Siano, P. Detection and Analysis of Partial Discharges in Oil-Immersed Power Transformers Using Low-Cost Acoustic Sensors. Appl. Sci. 2022, 12, 3010. [Google Scholar] [CrossRef]
- Kunicki, M. Comparison of capacitive and inductive sensors designed for partial discharges measurements in electrical power apparatus. E3S Web Conf. 2017, 19, 01035. [Google Scholar] [CrossRef]
- Md Rahim, N.H.; Ahmad, M.H.; Nawawi, Z.; Sidik, M.A.B.; Jambak, M.I. Partial Discharge Detection using Developed Low-cost High Frequency Current Transformer. In Proceedings of the 2019 International Conference on Electrical Engineering and Computer Science (ICECOS), Batam, Indonesia, 2–3 October 2019; pp. 74–78. [Google Scholar]
- Álvarez, F.; Garnacho, F.; Ortego, J.; Sánchez-Urán, M.Á. Application of HFCT and UHF Sensors in Online Partial Discharge Measurements for Insulation Diagnosis of High Voltage Equipment. Sensors 2015, 15, 7360–7387. [Google Scholar] [CrossRef] [PubMed]
- Kim, J.; Kim, K.-I. Partial Discharge Online Detection for Long-Term Operational Sustainability of On-Site Low Voltage Distribution Network Using CNN Transfer Learning. Sustainability 2021, 13, 4692. [Google Scholar] [CrossRef]
- Sarkar, B.; Koley, C.; Roy, N.K.; Kumbhakar, P. Low cost RF sensor for partial discharge detection of high voltage apparatus. In Proceedings of the 2013 IEEE 1st International Conference on Condition Assessment Techniques in Electrical Systems (CATCON), Kolkata, India, 6–8 December 2013; pp. 259–264. [Google Scholar] [CrossRef]
- Sarkar, B.; Mishra, D.K.; Koley, C.; Roy, N.K. Microstrip patch antenna based UHF Sensor for detection of partial discharge in high voltage electrical equipments. In Proceedings of the 2014 Annual IEEE India Conference (INDICON), Pune, India, 11–13 December 2014; pp. 1–6. [Google Scholar]
- Polak, F.; Sikorski, W.; Siodla, K. Location of partial discharges sources using sensor arrays. In Proceedings of the 2014 ICHVE International Conference on High Voltage Engineering and Application, Poznan, Poland, 8–11 September 2014; pp. 1–4. [Google Scholar]
- Ju, T.; Zhongrong, X.; Xiaoxing, Z.; Caixin, S. GIS partial discharge quantitative measurements using UHF microstrip antenna sensors. In Proceedings of the 2007 Annual Report-Conference on Electrical Insulation and Dielectric Phenomena, Vancouver, BC, Canada, 14–17 October 2007; pp. 116–119. [Google Scholar]
- Nobrega, L.A.M.M.; Xavier, G.V.R.; Aquino, M.V.D.; Serres, A.J.R.; Albuquerque, C.C.R.; Costa, E.G. Design and development of a bio-inspired UHF sensor for partial discharge detection in power transformers. Sensors 2019, 19, 653. [Google Scholar] [CrossRef]
- Cruz, J.N.; Serres, A.J.R.; de Oliveira, A.C.; Xavier, G.V.R.; de Albuquerque, C.C.R.; da Costa, E.G.; Freire, R.C.S. Bio-inspired printed monopole antenna applied to partial discharge detection. Sensors 2019, 19, 628. [Google Scholar] [CrossRef]
- Li, M.; Guo, C.; Peng, Z. Design of meander antenna for UHF partial discharge detection of transformers. Sens. Transducers 2014, 171, 232–238. [Google Scholar]
- Li, T.; Rong, M.; Zheng, C.; Wang, X. Development simulation and experiment study on UHF Partial Discharge Sensor in GIS. IEEE Trans. Dielectr. Electr. Insul. 2012, 19, 1421–1430. [Google Scholar] [CrossRef]
- Robles, G.; Albarracín, R.; Vázquez-Roy, J.L.; Rajo-Iglesias, E.; Martínez-Tarifa, J.M.; Rojas-Moreno, M.V.; Ardila-Rey, J. On the use of vivaldi Antennas in the detection of partial discharges. In Proceedings of the IEEE International Conference on Solid Dielectrics (ICSD), Bologna, Italy, 30 June–4 July 2013; pp. 302–305. [Google Scholar]
- Khosronejad, M.; Gentili, G.G. Design of an archimedean spiral UHF antenna for pulse monitoring application. In Proceedings of the Loughborough Antennas and Propagation Conference (LAPC), Loughborough, UK, 2–3 November 2015; pp. 1–4. [Google Scholar]
- Wu, Q.; Liu, G.; Xia, Z.; Lu, L. The study of archimedean spiral antenna for partial discharge measurement. In Proceedings of the IVth International Conference on Intelligent Control and Information Processing (ICICIP), Beijing, China, 9–11 June 2013; pp. 694–698. [Google Scholar]
- Sikorski, W.; Szymczak, C.; Siodła, K.; Polak, F. Hilbert curve fractal antenna for detection and online monitoring of partial discharges in power transformers. Eksploat. I Niezawodn. Maint. Reliab. 2018, 20, 343–351. [Google Scholar] [CrossRef]
- Li, J.; Jiang, T.; Wang, C.; Cheng, C. Optimization of UHF Hilbert antenna for partial discharge detection of transformers. IEEE Trans. Antennas Propag. 2012, 60, 2536–2540. [Google Scholar]
- Li, J.; Li, X.; Du, L.; Cao, M.; Qian, G. An intelligent sensor for the ultra-high-frequency partial discharge online monitoring of power transformers. Energies 2016, 9, 383. [Google Scholar] [CrossRef]
- Szymczak, C.; Sikorski, W. Design and optimization of UHF antennas for partial discharge monitoring in power transformer. Prz. Elektrotechniczny 2016, 92, 75–79. [Google Scholar]
- Wang, F.; Bin, F.; Sun, Q.; Fan, J.; Liang, F.; Xiao, X. A novel UHF Minkowski fractal antenna for partial discharge detection. Microw. Opt. Technol. Lett. 2017, 59, 1812–1819. [Google Scholar] [CrossRef]
- Abdul Malek, N.A.; Ahmad, M.H.; Nawawi, Z.; Sidik, M.A.B.; Jambak, M.I. Low Cost Transient Earth Voltage Probe for Partial Discharge Detection. In Proceedings of the 2019 International Conference on Electrical Engineering and Computer Science (ICECOS), Batam, Indonesia, 2–3 October 2019; pp. 63–67. [Google Scholar] [CrossRef]
- Zhang, C.; Dong, M.; Ren, M.; Huang, W.; Zhou, J.; Gao, X.; Albarracín, R. Partial Discharge Monitoring on Metal-Enclosed Switchgear with Distributed Non-Contact Sensors. Sensors 2018, 18, 551. [Google Scholar] [CrossRef]
- Saeed, B.; Upton, D.; Vieira, M.; Torres, F.; Mohamed, H.; Mistry, K.; Mather, P.; Lazaridis, P.; Khan, U.; Tachtatzis, C. A supervisory system for partial discharge monitoring. In Proceedings of the 2018 2nd URSI Atlantic Radio Science Meeting (AT-RASC), Melonaras, Spain, 28 May–1 June 2018. [Google Scholar]
- Emilliano; Chakrabarty, C.K.; Abdul Ghani, A.B.; Ramasamy, A.K. Online partial discharge counting system using microcontroller PIC 16F877A and FPGA technology. In Proceedings of the 2010 IEEE Student Conference on Research and Development (SCOReD), Kuala Lumpur, Malaysia, 13–14 December 2010; pp. 314–319. [Google Scholar] [CrossRef]
- Chang, H.C.; Jheng, Y.M.; Kuo, C.C.; Hsueh, Y.M.; Cheng, Y.J. Development of a reconfigurable FPGA-based partial discharge detection device. In Proceedings of the 2017 International Conference on Applied System Innovation (ICASI), Sapporo, Japan, 13–17 May 2017; pp. 22–24. [Google Scholar] [CrossRef]
- Yan, Y.; Ren, S.; Lu, Y.; Yang, S.; Zhao, K.; Li, H. Efficient and Low-Cost PD Monitoring and Locating System for MV Switchgears Using TEV Detectors. IEEE Trans. Power Deliv. 2021, 36, 3266–3269. [Google Scholar] [CrossRef]
- Mohamed, H.; Lazaridis, P.; Upton, D.; Khan, U.; Saeed, B.; Jaber, A.; Zhang, Y.; Mather, P.; Vieira, M.F.; Barlee, K. Partial discharge detection using low cost RTL-SDR model for wideband spectrum sensing. In Proceedings of the IEEE 23rd International Conference on Telecommunications (ICT), Thessaloniki, Greece, 16–18 May 2016; pp. 1–5. [Google Scholar]
- Sikorski, W. Development of Acoustic Emission Sensor Optimized for Partial Discharge Monitoring in Power Transformers. Sensors 2019, 19, 1865. [Google Scholar] [CrossRef] [PubMed]
- IEEE Std C57.127-2007 (Revision of IEEE Std C57.127-2000); IEEE Guide for the Detection and Location of Acoustic Emissions from Partial Discharges in Oil-Immersed Power Transformers and Reactors. Institute of Electrical and Electronics Engineers: Piscataway, NJ, USA, 2007.
- Sikorski, W.; Siodla, K.; Moranda, H.; Ziomek, W. Location of partial discharge sources in power transformers based on advanced auscultatory technique. IEEE Trans. Dielectr. Electr. Insul. 2012, 19, 1948–1956. [Google Scholar] [CrossRef]














| Pulse Generation Frequency (Hz) | The Number of Pulses Generated per Minute | Average Amount of Lost Pulses (%) | Maximum Amount of Lost Pulses (%) |
|---|---|---|---|
| ≤1380 | ≤83,400 | 0 | 0 |
| 1400 | 84,000 | 0.60 | 0.79 |
| 1500 | 90,000 | 2.99 | 4.08 |
| 1600 | 96,000 | 4.74 | 6.23 |
| 1700 | 102,000 | 7.91 | 8.28 |
Disclaimer/Publisher’s Note: The statements, opinions and data contained in all publications are solely those of the individual author(s) and contributor(s) and not of MDPI and/or the editor(s). MDPI and/or the editor(s) disclaim responsibility for any injury to people or property resulting from any ideas, methods, instructions or products referred to in the content. |
© 2023 by the authors. Licensee MDPI, Basel, Switzerland. This article is an open access article distributed under the terms and conditions of the Creative Commons Attribution (CC BY) license (https://creativecommons.org/licenses/by/4.0/).
Share and Cite
Sikorski, W.; Wielewski, A. Low-Cost Online Partial Discharge Monitoring System for Power Transformers. Sensors 2023, 23, 3405. https://doi.org/10.3390/s23073405
Sikorski W, Wielewski A. Low-Cost Online Partial Discharge Monitoring System for Power Transformers. Sensors. 2023; 23(7):3405. https://doi.org/10.3390/s23073405
Chicago/Turabian StyleSikorski, Wojciech, and Artur Wielewski. 2023. "Low-Cost Online Partial Discharge Monitoring System for Power Transformers" Sensors 23, no. 7: 3405. https://doi.org/10.3390/s23073405
APA StyleSikorski, W., & Wielewski, A. (2023). Low-Cost Online Partial Discharge Monitoring System for Power Transformers. Sensors, 23(7), 3405. https://doi.org/10.3390/s23073405

