A High-Relative-Bandwidth Doherty Power Amplifier with Modified Load Modulation Network for Wireless Communications
Abstract
1. Introduction
2. Analysis of DPA Theories
2.1. Power Back-Off Level
2.2. Saturation Level
2.3. Improved Main PA Branch
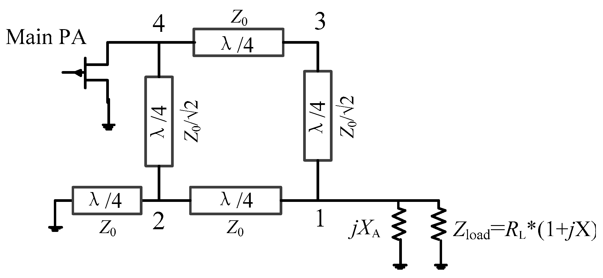
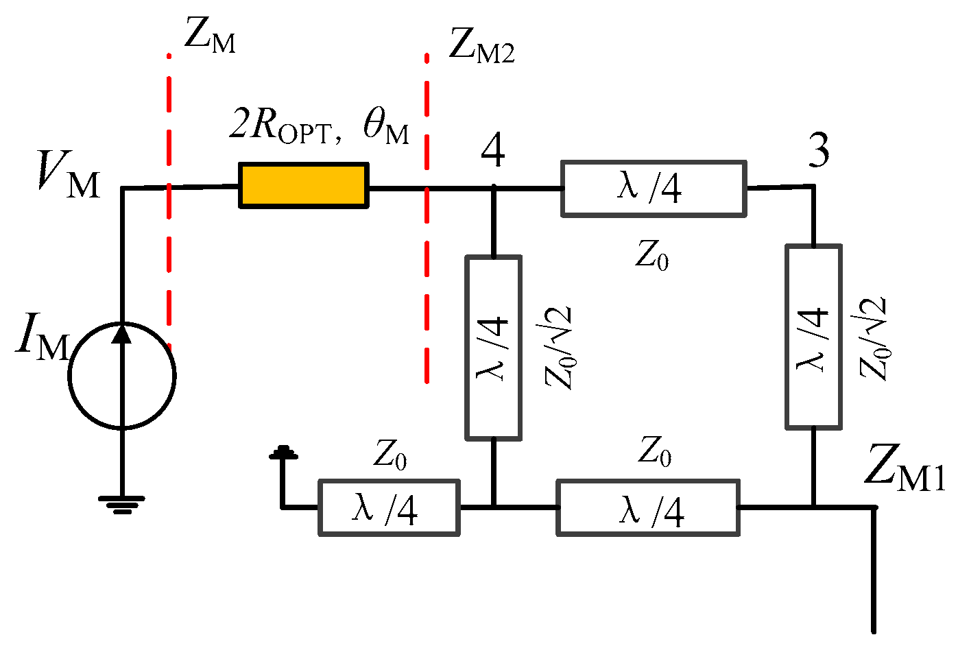
3. Design of The Proposed DPA
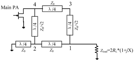
3.1. Output Networks
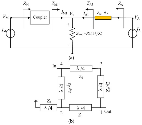
3.2. Post-Matching Network
3.3. Input Networks and Complete DPA
4. Experiment and Results Analysis
4.1. Continuous Wave Testing
4.2. LTE Testing at 40 MHz and 6.5 dB
5. Conclusions
Author Contributions
Funding
Institutional Review Board Statement
Informed Consent Statement
Data Availability Statement
Conflicts of Interest
References
- Nghiem, X.A.; Guan, J.; Hone, T.; Negra, R. Design of concurrent multiband Doherty power amplifiers for wireless applications. IEEE Trans. Microw. Theory Techn. 2013, 61, 4559–4568. [Google Scholar] [CrossRef]
- Huang, H.; Zhang, B.; Yu, C.; Gao, J.; Wu, Y.; Liu, Y. Design of Multioctave Bandwidth Power Amplifier Based on Resistive Second-Harmonic Impedance Continuous Class-F. IEEE Microw. Wirel. Compon. Lett. 2017, 27, 830–832. [Google Scholar] [CrossRef]
- Safari Mugisho, M.; Makarov, D.G.; Rassokhina, Y.V.; Grebennikov, A.; Thian, M. Generalized Class-E Power Amplifier with Shunt Capacitance and Shunt Filter. IEEE Trans. Microw. Theory Techn. 2019, 67, 3464–3474. [Google Scholar] [CrossRef]
- Li, Q.; He, S.; Shi, W.; Dai, Z.; Qi, T. Extend the class-B to class-J continuum mode by adding arbitrary harmonic voltage elements. IEEE Microw. Wireless Compon. Lett. 2016, 26, 522–524. [Google Scholar] [CrossRef]
- Zhou, X.Y.; Zheng, S.Y.; Chan, W.S.; Chen, S.; Ho, D. Broadband efficiency-enhanced mutually coupled harmonic post-matching Doherty power amplifier. IEEE Trans. Circuits Syst. I Reg. Pap. 2017, 64, 1758–1771. [Google Scholar] [CrossRef]
- Chang, H.C.; Hahn, Y.; Roblin, P.; Barton, T.W. New mixed mode design methodology for high-efficiency out-phasing chireix amplifiers. IEEE Trans. Circuits Syst. I Reg. Pap. 2019, 66, 1594–1607. [Google Scholar] [CrossRef]
- Collins, D.J.; Quaglia, R.; Powell, J.R.; Cripps, S.C. The Orthogonal LMBA: A Novel RFPA Architecture with Broadband Reconfigurability. IEEE Microw. Wirel. Compon. Lett. 2020, 30, 888–891. [Google Scholar] [CrossRef]
- Zhang, Z.; Cheng, Z.; Li, H. A Power Amplifier with Large High-Efficiency Range for 5G Communication. Sensors 2020, 20, 5581. [Google Scholar] [CrossRef]
- Bathich, K.; Markos, A.Z.; Boeck, G. Frequency response analysis and bandwidth extension of the Doherty amplifier. IEEE Trans. Microw. Theory Techn. 2011, 59, 934–944. [Google Scholar] [CrossRef]
- Giofre, R.; Piazzon, L.; Colantonio, P.; Giannini, F. A Doherty architecture with high feasibility and defined bandwidth behavior. IEEE Trans. Microw. Theory Techn. 2013, 61, 3308–3317. [Google Scholar] [CrossRef]
- Kang, D.; Kim, D.; Cho, Y.; Park, B.; Kim, J.; Kim, B. Design of bandwidth-enhanced Doherty power amplifiers for handset applications. IEEE Trans. Microw. Theory Techn. 2011, 59, 3474–3483. [Google Scholar] [CrossRef]
- Xia, J.; Yang, M.; Zhu, A. Improved Doherty amplifier design with minimum phase delay in output matching network for wideband application. IEEE Microw. Wirel. Compon. Lett. 2016, 26, 52–54. [Google Scholar] [CrossRef]
- Rubio, J.M.; Fang, J.; Camarchia, V.; Quaglia, R.; Pirola, M.; Ghione, G. 6-GHz wideband GaN Doherty power amplifier exploiting output compensation stages. IEEE Trans. Microw. Theory Techn. 2012, 60, 2543–2548. [Google Scholar] [CrossRef]
- Xia, J.; Yang, M.; Guo, Y.; Zhu, A. A broadband high-efficiency Doherty power amplifier with integrated compensating reactance. IEEE Trans. Microw. Theory Techn. 2016, 64, 2014–2024. [Google Scholar] [CrossRef]
- Xia, J.; Chen, W.; Meng, F.; Yu, C.; Zhu, X. Improved three stage Doherty amplifier design with impedance compensation in load combiner for broadband applications. IEEE Trans. Microw. Theory Techn. 2019, 67, 778–786. [Google Scholar] [CrossRef]
- Fang, X.-H.; Liu, H.-Y.; Cheng, K.-K.-M.; Boumaiza, S. Modified Doherty amplifier with extended bandwidth and back-off power range using optimized auxiliary combining current ratio. IEEE Trans. Microw. Theory Techn. 2018, 66, 5347–5357. [Google Scholar] [CrossRef]
- Yang, Z.; Yao, Y.; Li, M.; Jin, Y.; Li, T.; Dai, Z.; Tang, F.; Li, Z. Bandwidth extension of Doherty power amplifier using complex combining load with noninfinity auxiliarying impedance. IEEE Trans. Microw. Theory Techn. 2019, 67, 765–777. [Google Scholar] [CrossRef]
- Pang, J.; He, S.; Huang, C.; Dai, Z.; Peng, J.; You, F. A post matching Doherty power amplifier employing low-order impedance inverters for broadband applications. IEEE Trans. Microw. Theory Techn. 2015, 63, 4061–4071. [Google Scholar] [CrossRef]
- Zhou, X.Y.; Zheng, S.Y.; Chan, W.S.; Fang, X.; Ho, D. Postmatching Doherty power amplifier with extended back-off range based on selfgenerated harmonic injection. IEEE Trans. Microw. Theory Techn. 2018, 66, 1951–1963. [Google Scholar] [CrossRef]
- Pang, J.; He, S.; Dai, Z.; Huang, C.; Peng, J.; You, F. Design of a post matching asymmetric Doherty power amplifier for broadband applications. IEEE Microw. Wireless Compon. Lett. 2016, 26, 52–54. [Google Scholar] [CrossRef]
- Kang, H.; Lee, H.; Lee, W.; Oh, H.; Lim, W.; Koo, H.; Park, C.; Hwang, K.C.; Lee, K.-Y.; Yang, Y. Octave bandwidth Doherty power amplifier using multiple resonance circuit for the auxiliarying amplifier. IEEE Trans. Circuits Syst. I Reg. Pap. 2019, 66, 583–593. [Google Scholar] [CrossRef]
- Shi, W.; He, S.; Zhu, X.; Song, B.; Zhu, Z.; Naah, G.; Zhang, M. Broadband continuous-mode Doherty power amplifiers with noninfinity auxiliarying impedance. IEEE Trans. Microw. Theory Techn. 2018, 66, 1034–1046. [Google Scholar] [CrossRef]
- Huang, C.; He, S.; You, F. Design of broadband modified class-J Doherty power amplifier with specific second harmonic terminations. IEEE Access 2018, 6, 2531–2540. [Google Scholar] [CrossRef]
- Zhang, Z.; Cheng, Z.; Li, H.; Ke, H.; Guo, Y.J. A Broadband Doherty Power Amplifier with Hybrid Class-EFJ Mode. IEEE Trans. Circuits Syst. I Reg. Papers. 2020, 67, 4270–4280. [Google Scholar] [CrossRef]
- Wu, D.Y.-T.; Boumaiza, S. A modified Doherty configuration for broadband amplification using symmetrical devices. IEEE Trans. Microw. Theory Techn. 2012, 60, 3201–3213. [Google Scholar] [CrossRef]
- Gustafsson, D.; Andersson, C.M.; Fager, C. A modified Doherty power amplifier with extended bandwidth and reconfigurable efficiency. IEEE Trans. Microw. Theory Techn. 2013, 61, 533–542. [Google Scholar] [CrossRef]
- Giofre, R.; Piazzon, L.; Colantonio, P.; Giannini, F. An ultrabroadband GaN Doherty amplifier with 83% of fractional bandwidth. IEEE Microw. Wirel. Compon. Lett. 2014, 24, 775–777. [Google Scholar] [CrossRef]
- Jundi, A.; Boumaiza, S. A series-connected-load Doherty power amplifier with push–pull main and auxiliary amplifiers for base station applications. IEEE Trans. Microw. Theory Techn. 2020, 68, 796–807. [Google Scholar] [CrossRef]
- Li, M.; Pang, J.; Li, Y.; Zhu, A. Bandwidth Enhancement of Doherty Power Amplifier Using Modified Load Modulation Network. IEEE Trans. Circuits Syst. I Reg. Papers. 2020, 67, 1824–1834. [Google Scholar] [CrossRef]
- Xu, Y.; Pang, J.; Wang, X.; Zhu, A. Enhancing Bandwidth and Back-Off Range of Doherty Power Amplifier with Modified Load Modulation Network. IEEE Trans. Microw. Theory Techn. 2021, 69, 2291–2303. [Google Scholar] [CrossRef]
- Zhang, Z.; Cheng, Z.; Ke, H.; Liu, G. A Broadband High-Efficiency Power Amplifier by Using Branch Line Coupler. IEEE Microw. Wirel. Compon. Lett. 2020, 30, 880–883. [Google Scholar] [CrossRef]
- Moreno Rubio, J.J.; Camarchia, V.; Pirola, M.; Quaglia, R. Design of an 87% fractional bandwidth Doherty power amplifier supported by a simplified bandwidth estimation method. IEEE Trans. Microw. Theory Techn. 2018, 66, 1319–1327. [Google Scholar] [CrossRef]
- Naah, G.; Giofrè, R. Empowering the Bandwidth of Continuous mode Symmetrical Doherty Amplifiers by Leveraging on Fuzzy Logic Techniques. IEEE Trans. Microw. Theory Techn. Techn. 2019, 68, 3134–3147. [Google Scholar] [CrossRef]
- Liu, H.-Y.; Fang, X.-H.; Cheng, K.-K.-M. Bandwidth enhancement of frequency dispersive Doherty power amplifier. IEEE Microw. Wirel. Compon. Lett. 2020, 30, 185–188. [Google Scholar] [CrossRef]





















| Value | X | XA1 | XA2 |
|---|---|---|---|
| f = 0.4 | 1.37 | −0.50 | −3.37 |
| f = 0.5 | 1 | −0.40 | −2.62 |
| f = 0.6 | 0.72 | −0.34 | −2.15 |
| f = 0.7 | 0.51 | −0.30 | −1.93 |
| f = 0.8 | 0.32 | −0.25 | −2.09 |
| f = 0.9 | 0.16 | −0.15 | −3.40 |
| f = 1.0 | 0 | 0 | ∞ |
| Parameter | f = 0.4 | f = 0.5 | f = 0.6 | f = 0.7 | f = 0.8 | f = 0.9 | f = 1.0 |
|---|---|---|---|---|---|---|---|
| X | 1.37 | 1 | 0.72 | 0.51 | 0.32 | 0.15 | 0 |
| θM (°) | 46.7 | 37.4 | 30.1 | 23.7 | 17.0 | 8.9 | 0 |
| XA | −0.42 | −0.38 | −0.35 | −0.33 | −0.26 | −0.15 | 0 |
| ZA2 | 1.52 | 1.27 | 1.12 | 1.04 | 1.00 | 1.00 | 1.00 |
| θA (°) | 85.9 | 85.7 | 85.4 | 85.5 | 86.2 | 87.6 | 90 |
| Ref. | Freq (B.W.) (GHz) | Pout@SAT (dBm) | DE@SAT (%) | DE@ 6 dB OBO (%) | Device |
|---|---|---|---|---|---|
| [17] | 1.1–2.4 (74%) | 43.3–45.4 | 55–68 | 43.8–54.9 | 2 × 13 W GaN |
| [22] | 1.6–2.7 (51%) | 43.8–45.2 | 56–75.3 | 46.5–63.5 | 2 × 13 W GaN |
| [23] | 3.3–3.75 (13%) | 48–48.5 | 58–71 | 47–59 | 2 × 16 W GaN |
| [24] | 1.2–2.8 (78%) | 43.7–44.1 | 60.5–74.2 | 48.1–57.6 | 2 × 13 W GaN |
| [27] | 1.0–2.5 (83%) | 40–42 | 45–83 | 35–58 | 2 × 8 W GaN |
| [29] | 2.8–3.55 (24%) | 43–45 | 66–78 | 42–53 | 2 × 13 W GaN |
| [32] | 1.5–3.8 (87%) | 42.3–43.4 | 42–63 | 33–55 | 2 × 13 W GaN |
| [33] | 1.2–2.4 (67%) | 42–45 | 41.6–81 | 35–63 | 2 × 13 W GaN |
| [34] | 1.4–2.55 (58%) | 41.9–42.2 | 62–74 | 48–58 | 2 × 8 W GaN |
| This work | 1.0–2.5 (85.6%) | 43.9–44.5 | 63.7–71.6 | 45.2–53.7 | 2 × 13 W GaN |
Disclaimer/Publisher’s Note: The statements, opinions and data contained in all publications are solely those of the individual author(s) and contributor(s) and not of MDPI and/or the editor(s). MDPI and/or the editor(s) disclaim responsibility for any injury to people or property resulting from any ideas, methods, instructions or products referred to in the content. |
© 2023 by the authors. Licensee MDPI, Basel, Switzerland. This article is an open access article distributed under the terms and conditions of the Creative Commons Attribution (CC BY) license (https://creativecommons.org/licenses/by/4.0/).
Share and Cite
Zhu, H.; Zhang, Z.; Gu, C.; Xuan, X. A High-Relative-Bandwidth Doherty Power Amplifier with Modified Load Modulation Network for Wireless Communications. Sensors 2023, 23, 2767. https://doi.org/10.3390/s23052767
Zhu H, Zhang Z, Gu C, Xuan X. A High-Relative-Bandwidth Doherty Power Amplifier with Modified Load Modulation Network for Wireless Communications. Sensors. 2023; 23(5):2767. https://doi.org/10.3390/s23052767
Chicago/Turabian StyleZhu, Haipeng, Zhiwei Zhang, Chao Gu, and Xuefei Xuan. 2023. "A High-Relative-Bandwidth Doherty Power Amplifier with Modified Load Modulation Network for Wireless Communications" Sensors 23, no. 5: 2767. https://doi.org/10.3390/s23052767
APA StyleZhu, H., Zhang, Z., Gu, C., & Xuan, X. (2023). A High-Relative-Bandwidth Doherty Power Amplifier with Modified Load Modulation Network for Wireless Communications. Sensors, 23(5), 2767. https://doi.org/10.3390/s23052767

