An 11.8-fJ/Conversion-Step Noise Shaping SAR ADC with Embedded Passive Gain for Energy-Efficient IoT Sensors
Abstract
:1. Introduction
2. Design
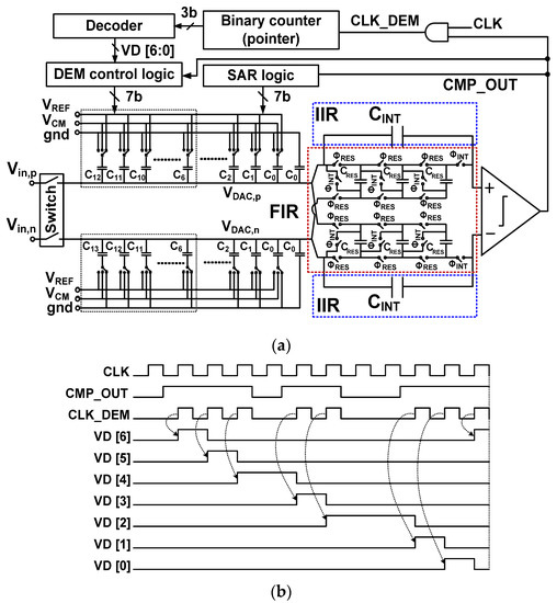
2.1. ADC Operation
2.2. Noise Shaping Operation
2.3. Analysis of Noise Suppression
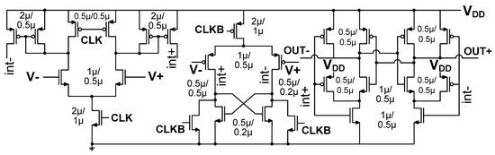
2.4. Comparator for Reduced Kickback
3. Measured Results
4. Conclusions
Author Contributions
Funding
Conflicts of Interest
References
- Talens, J.B.; Pelegri-Sebastia, J.; Canet, M.J. Low complexity system on chip design to acquire signals from MOS gas sensor applications. Sensors 2021, 21, 6552. [Google Scholar] [CrossRef]
- Ro, D.; Um, M.; Lee, H.-M. A soft-error-tolerant SAR ADC with dual-capacitor sample-and-hold control for sensor systems. Sensors 2021, 21, 4768. [Google Scholar] [CrossRef] [PubMed]
- Lee, S.; Jin, J.; Baek, J.; Lee, J.; Chae, H. Readout integrated circuit for small-sized and low-power gas sensor based on HEMT device. Sensors 2021, 21, 5637. [Google Scholar] [CrossRef] [PubMed]
- Seong, K.; Jung, D.-K.; Yoon, D.-H.; Han, J.-S.; Kim, J.-E.; Kim, T.T.-H.; Lee, W.; Baek, K.-H. Time-interleaved SAR ADC with background timing-skew calibration for UWB wireless communication in IoT systems. Sensors 2020, 20, 2430. [Google Scholar] [CrossRef] [PubMed] [Green Version]
- Cho, S.; Park, D. Robust intra-body communication using SHA1-CRC inversion-based protection and error correction for securing electronic authentication. Sensors 2020, 20, 6056. [Google Scholar] [CrossRef]
- Shehzad, K.; Verma, D.; Khan, D.; Ain, Q.U.; Basim, M.; Kim, S.J.; Rikan, B.S.; Pu, Y.G.; Hwang, K.C.; Yang, Y.; et al. A low-power 12-bit 20 MS/s asynchronously controlled SAR ADC for WAVE ITS sensor based applications. Sensors 2021, 21, 2260. [Google Scholar] [CrossRef]
- Fredenburg, J.A.; Flynn, M.P. A 90-MS/s 11-MHz-bandwidth 62-dB SNDR noise shaping SAR ADC. IEEE J. Solid-State Circuits 2012, 47, 2898–2904. [Google Scholar] [CrossRef]
- Chen, C.-C.; Hsieh, C.-C. A 12-ENOB second-order noise shaping SAR ADC with PVT-insensitive voltage-time-voltage converter. In Proceedings of the IEEE Asian Solid-State Circuits Conference (A-SSCC), Busan, Korea, 7–10 November 2021; pp. 1–3. [Google Scholar]
- Shu, Y.-S.; Kuo, L.-T.; Lo, T.-Y. An oversampling SAR ADC with DAC mismatch error shaping achieving 105 dB SFDR and 101 dB SNDR over 1 kHz BW in 55 nm CMOS. IEEE J. Solid-State Circuits 2016, 51, 2928–2940. [Google Scholar] [CrossRef]
- Obarta, K.; Matsukawa, K.; Miki, T.; Tsukamoto, Y.; Sushihara, K. A 97.99 dB SNDR, 2 kHz BW, 371 μW noise-shaping SAR ADC with dynamic element matching and modulation dither effect. In Proceedings of the 2016 IEEE Symposium on VLSI Circuits (VLSI-Circuits), Kyoto, Japan, 15–17 June 2016; pp. 1–2. [Google Scholar]
- Liu, C.C.; Huang, M.C. A 0.46 mW 5MHz-BW 79.7 dB-SNDR noise-shaping SAR ADC with dynamic-amplifier-based FIR-IIR filter. In Proceedings of the 2017 IEEE International Solid-State Circuits Conference (ISSCC), San Francisco, CA, USA, 5–9 February 2017; pp. 466–467. [Google Scholar]
- Li, S.; Qiao, B.; Gandara, M.; Pan, D.Z.; Sun, N. A 13-ENOB second order noise-shaping SAR ADC realizing optimized NTF zeros using an error-feedback structure. IEEE J. Solid-State Circuits 2018, 53, 3484–3496. [Google Scholar] [CrossRef]
- Chen, Z.; Miyahara, M.; Matsuzawa, A. A 9.35-ENOB, 14.8 fJ/conv.-step fully-passive noise-shaping SAR ADC. In Proceedings of the IEEE Symposium VLSI Circuits, Kyoto, Japan, 17–19 June 2015; pp. C64–C65. [Google Scholar]
- Jie, L.; Zheng, B.; Flynn, M.P. A 500 MHz-bandwidth 70.4 dB-SNDR calibration-free time-interleaved 4th-order noise-shaping ADC. In Proceedings of the IEEE International Solid-State Circuits Conference: Digest of Technical Papers, San Francisco, CA, USA, 5–9 February 2019; pp. 332–333. [Google Scholar]
- Guo, W.; Sun, N. A 12 b-ENOB 61 μW noise-shaping SAR ADC with a passive integrator. In Proceedings of the European Solid-State Circuits Conference (ESSCIRC), Lausanne, Switzerland, 12–15 September 2016; pp. 405–408. [Google Scholar]
- Chen, Z.; Miyahara, M.; Matsuzawa, A. A 2nd order fully-passive noise-shaping SAR ADC with embedded passive gain. In Proceedings of the IEEE Asian Solid-State Circuits Conference, Toyama, Japan, 7–9 November 2016; pp. 309–312. [Google Scholar]
- Guo, W.; Zhuang, H.; Sun, N. A 13 b-ENOB 173 dB-FoM 2nd-order NS SAR ADC with passive integrators. In Proceedings of the Symposium on VLSI Circuits, Kyoto, Japan, 5–8 June 2017; pp. C236–C237. [Google Scholar]
- Lin, Y.Z.; Lin, C.Y.; Tsou, S.C.; Tsai, C.H.; Lu, C.H. A 40 MHz-BW 320 MS/s passive noise-shaping SAR ADC with passive signal-residue summation in 14 nm FinFET. In Proceedings of the IEEE International. Solid-State Circuits Conference (ISSCC), San Francisco, CA, USA, 17–21 February 2019; pp. 330–332. [Google Scholar]
- Hwang, Y.H.; Song, Y.S.; Park, J.E.; Jeong, D.K. A 0.6-to-1V 10k-to-100kHz BW 11.7b-ENOB noise shaping SAR ADC for IoT sensor applications in 28-nm CMOS. In Proceedings of the IEEE Asian Solid-State Circuits Conference (A-SSCC), Tainan, Taiwan, 5–7 November 2018; pp. 247–248. [Google Scholar]
- Song, Y.; Chan, C.H.; Zhu, Y.; Geng, L.; Seng-Pan, U.; Martins, R.P. Passive noise shaping in SAR ADC with improved efficiency. IEEE Trans. Very Large Scale Integ. (VLSI) Syst. 2018, 26, 416–420. [Google Scholar] [CrossRef]
- Lin, Y.-Z.; Tsai, C.-H.; Tsou, S.-C.; Chu, R.-X.; Lu, C.-H. A 2.4-mW 25-MHz BW 300-MS/s passive noise shaping SAR ADC with noise quantizer technique in 14-nm CMOS. In Proceedings of the IEEE Symposium VLSI Circuits, Kyoto, Japan, 5–8 June 2017; pp. C234–C235. [Google Scholar]
- Liu, J.; Li, D.; Zhong, Y.; Tang, X.; Sun, N. A 250kHz-BW 93dB-SNDR 4th-order noise-shaping SAR using capacitor stacking and dynamic buffering. In Proceedings of the IEEE International Solid-State Circuits Conference—(ISSCC) Digest of Technical Papers, San Francisco, CA, USA, 22–26 February 2021; pp. 369–371. [Google Scholar]
- Lee, J.-H.; Park, D.; Cho, W.; Phan, H.N.; Nguyen, C.L.; Lee, J.-W. A 1.15 μW, 200 kS/s 10-b monotonic SAR ADC using dual on-chip calibrations and accuracy enhancement techniques. Sensors 2018, 18, 3486. [Google Scholar] [CrossRef] [Green Version]
- Hariprasath, V.; Guerber, J.; Lee, S.-H.; Moon, U. Merged capacitor switching based SAR ADC with highest switching energy-efficiency. Electron. Lett. 2010, 46, 620–621. [Google Scholar] [CrossRef] [Green Version]
- Liu, C.; Chang, S.; Huang, G.; Lin, Y. A 10-bit 50-MS/s SAR ADC with a monotonic capacitor switching procedure. IEEE J. Solid-State Circuits 2010, 45, 731–740. [Google Scholar] [CrossRef]
- Neitola, M.; Rahkonen, T. A generalized data-weighted averaging algorithm. IEEE Trans. Circuits Syst. II Exp. Briefs 2010, 57, 115–119. [Google Scholar] [CrossRef]
- Miller, M.R.; Petrie, C.S. A multibit sigma-delta ADC for multimode receivers. IEEE J. Solid-State Circuits 2003, 38, 475–482. [Google Scholar] [CrossRef]
- Duong, H.V.; Hieu, N.X.; Park, D.; Lee, J.-W. A battery-assisted passive EPC Gen-2 RFID sensor tag IC with efficient battery power management and RF energy harvesting. IEEE Trans. Ind. Electron. 2016, 63, 7112–7123. [Google Scholar] [CrossRef]




















| NTF | Noise Suppression | |
|---|---|---|
| Ideal | 1 − z−1 | −10 dB |
| [13] | 1 − 0.5z−1 | −5.26 dB |
| [18] | (1 − 0.5z−1)/(1 + 0.5z−1) | −8.68 dB |
| Proposed | (1 − 0.79z−1)/(1 + 0.45z−1) | −12.49 dB |
| [9] | [10] | [12] | [15] | [16] | [17] | [18] | [19] | [20] * | This Work | |
|---|---|---|---|---|---|---|---|---|---|---|
| Filter type | Active | Active | Active | Passive | Passive | Passive | Passive | Passive | Passive | Passive |
| OP-amp free | No | No | Yes | Yes | Yes | Yes | Yes | Yes | Yes | Yes |
| Filter order | 1 | 3 | 2 | 1 | 2 | 2 | 1 | 2 | 1 | 1 |
| Extra input for comparator (No.) | Yes (2) | Yes (2) | No | Yes (2) | Yes (2) | Yes (3) | No | Yes (3) | Yes (2) | No |
| CDAC (bit) | 12 | 12 | 9 | 10 | 8 | 9 | 10 | 10 | 10 | 9 |
| Supply (V) | 1.2 | 1.55/0.75 | 1.1 | 1.2 | 1 | 1.1 | 0.9 | 1.0 | 1 | 1.8 |
| Bandwidth (kHz) | 1 | 2 | 625 | 125 | 8000 | 262 | 40,000 | 100 | 2000 | 3 |
| OSR | 512 | 25 | 8 | 8 | 4 | 16 | 4 | 16 | 25 | 20 |
| Power (μW) | 15.7 | 37.1 | 84 | 61 | 253 | 143 | 1250 | 118 | 561 | 4.1 |
| Process (nm) | 55 | 28 | 40 | 130 | 65 | 40 | 14 | 28 | 65 | 180 |
| FoMS (dB) | 180 | 175 | 178 | 167 | 169 | 173 | 171.7 | 173 | 176.8 | 170 |
| FoMW (fJ/conv.-step) | 85 | 5 | 9 | 7 | 10.9 | 33 | 8.9 | 251 | 16 | 11.8 |
Publisher’s Note: MDPI stays neutral with regard to jurisdictional claims in published maps and institutional affiliations. |
© 2022 by the authors. Licensee MDPI, Basel, Switzerland. This article is an open access article distributed under the terms and conditions of the Creative Commons Attribution (CC BY) license (https://creativecommons.org/licenses/by/4.0/).
Share and Cite
Choi, C.; Lee, J.-W. An 11.8-fJ/Conversion-Step Noise Shaping SAR ADC with Embedded Passive Gain for Energy-Efficient IoT Sensors. Sensors 2022, 22, 869. https://doi.org/10.3390/s22030869
Choi C, Lee J-W. An 11.8-fJ/Conversion-Step Noise Shaping SAR ADC with Embedded Passive Gain for Energy-Efficient IoT Sensors. Sensors. 2022; 22(3):869. https://doi.org/10.3390/s22030869
Chicago/Turabian StyleChoi, Changhyung, and Jong-Wook Lee. 2022. "An 11.8-fJ/Conversion-Step Noise Shaping SAR ADC with Embedded Passive Gain for Energy-Efficient IoT Sensors" Sensors 22, no. 3: 869. https://doi.org/10.3390/s22030869
APA StyleChoi, C., & Lee, J.-W. (2022). An 11.8-fJ/Conversion-Step Noise Shaping SAR ADC with Embedded Passive Gain for Energy-Efficient IoT Sensors. Sensors, 22(3), 869. https://doi.org/10.3390/s22030869

