A Direct Feedback FVF LDO for High Precision FMCW Radar Sensors in 65-nm CMOS Technology
Abstract
1. Introduction
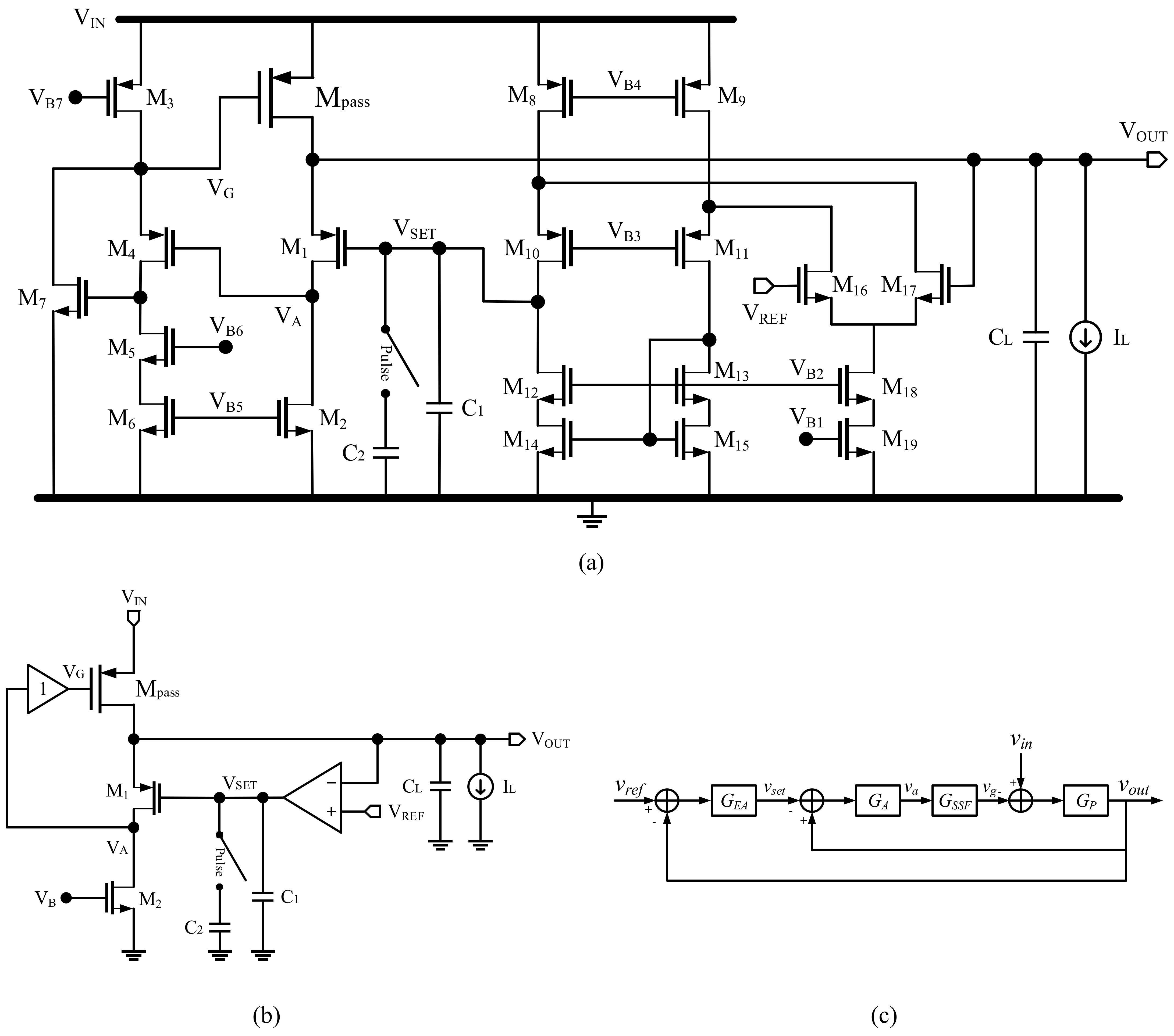
2. Design of FVF LDO
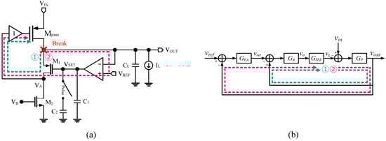
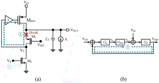
2.1. Fast Loop 1 Analysis
2.2. Slow Loop 2 Analysis
2.3. Overall Loop Analysis
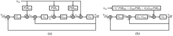
2.4. Effect of Non-Ideal PSRR of Each Component
2.5. Stability Analysis of Proposed LDO
3. Measurement Results
4. Discussion
5. Conclusions
Author Contributions
Funding
Institutional Review Board Statement
Informed Consent Statement
Conflicts of Interest
Appendix A
References
- Ha, K.-W.; Lee, J.-Y.; Ko, G.-H.; Kim, Y.-J.; Kim, J.-G.; Baek, D. Fully Integrated Dual-Mode X-Band Radar Transceiver Using Configurable Receiver and Local Oscillator. IEEE Access 2020, 8, 151403–151414. [Google Scholar] [CrossRef]
 - Ma, T.; Deng, W.; Chen, Z.; Wu, J.; Zheng, W.; Wang, S.; Qi, N.; Liu, Y.; Chi, B. A CMOS 76–81-GHz 2-TX 3-RX FMCW Radar Transceiver Based on Mixed-Mode PLL Chirp Generator. IEEE J. Solid-State Circuits 2020, 55, 233–248. [Google Scholar] [CrossRef]
 - Ha, J.K.; Noh, C.K.; Lee, J.S.; Kang, H.J.; Kim, Y.M.; Kim, T.H.; Jung, H.N.; Lee, S.H.; Cho, C.S.; Kim, Y.J. RF Transceiver for the Multi-Mode Radar Applications. Sensors 2021, 21, 1563. [Google Scholar] [CrossRef]
 - Ha, K.-W.; Lee, J.-Y.; Kim, J.-G.; Baek, D. Design of Dual-Mode Local Oscillators Using CMOS Technology for Motion Detection Sensors. Sensors 2018, 18, 1057. [Google Scholar] [CrossRef] [PubMed]
 - Saunders, D.; Bingham, S.; Menon, G.; Crockett, D.; Tor, J.; Mende, R.; Behrens, M.; Jain, N.; Alexanian, A. A Single-Chip 24 GHz SiGe BiCMOS Transceiver for FMCW Automotive Radars. In Proceedings of the 2009 IEEE Radio Frequency Integrated Circuits Symposium, Boston, MA, USA, 7–9 June 2009; pp. 459–462. [Google Scholar]
 - Chen, J.; Zhang, W.; Sun, Q.; Liu, L. An 8–12.5-GHz LC PLL with Dual VCO and Noise-Reduced LDO Regulator for Multilane Multiprotocol SerDes in 28-Nm CMOS Technology. Electronics 2021, 10, 1686. [Google Scholar] [CrossRef]
 - Arakali, A.; Gondi, S.; Hanumolu, P.K. Analysis and Design Techniques for Supply-Noise Mitigation in Phase-Locked Loops. IEEE Trans. Circuits Syst. Regul. Pap. 2010, 57, 2880–2889. [Google Scholar] [CrossRef]
 - Lee, C.H.; McClellan, K.; Choma, J. A Supply-Noise-Insensitive CMOS PLL with a Voltage Regulator Using DC-DC Capacitive Converter. IEEE J. Solid-State Circuits 2001, 36, 1453–1463. [Google Scholar] [CrossRef]
 - Ngo, H.C.; Nakata, K.; Yoshioka, T.; Terashima, Y.; Okada, K.; Matsuzawa, A. 8.5 A 0.42ps-Jitter −241.7dB-FOM Synthesizable Injection-Locked PLL with Noise-Isolation LDO. In Proceedings of the 2017 IEEE International Solid-State Circuits Conference (ISSCC), San Francisco, CA, USA, 5–9 February 2017; pp. 150–151. [Google Scholar]
 - Wang, L.; Mao, W.; Wu, C.; Chang, A.; Lian, Y. A Fast Transient LDO Based on Dual Loop FVF with High PSRR. In Proceedings of the 2016 IEEE Asia Pacific Conference on Circuits and Systems (APCCAS), Jeju, Republic of Korea, 25–28 October 2016; pp. 99–102. [Google Scholar]
 - Trinh, V.-S.; Nam, H.; Song, J.-M.; Park, J.-D. A 78.8–84 GHz Phase Locked Loop Synthesizer for a W-Band Frequency-Hopping FMCW Radar Transceiver in 65 Nm CMOS. Sensors 2022, 22, 3626. [Google Scholar] [CrossRef]
 - El-Nozahi, M.; Amer, A.; Torres, J.; Entesari, K.; Sanchez-Sinencio, E. High PSR Low Drop-Out Regulator With Feed-Forward Ripple Cancellation Technique. IEEE J. Solid-State Circuits 2010, 45, 565–577. [Google Scholar] [CrossRef]
 - Choe, Y.-J.; Nam, H.; Park, J.-D. A Low-Dropout Regulator with PSRR Enhancement through Feed-Forward Ripple Cancellation Technique in 65 Nm CMOS Process. Electronics 2020, 9, 146. [Google Scholar] [CrossRef]
 - Joshi, K.; Manandhar, S.; Bakkaloglu, B. A 5.6 μ A Wide Bandwidth, High Power Supply Rejection Linear Low-Dropout Regulator With 68 DB of PSR Up To 2 MHz. IEEE J. Solid-State Circuits 2020, 55, 2151–2160. [Google Scholar] [CrossRef]
 - El-Nozahi, M.; Amer, A.; Torres, J.; Entesari, K.; Sanchez-Sinencio, E. A 25mA 0.13µm CMOS LDO Regulator with Power-Supply Rejection Better than—56dB up to 10MHz Using a Feedforward Ripple-Cancellation Technique. In Proceedings of the 2009 IEEE International Solid-State Circuits Conference—Digest of Technical Papers, San Francisco, CA, USA, 8–12 February 2009; pp. 330–331, 331a. [Google Scholar]
 - Lim, Y.; Lee, J.; Park, S.; Jo, Y.; Choi, J. An External Capacitorless Low-Dropout Regulator With High PSR at All Frequencies From 10 KHz to 1 GHz Using an Adaptive Supply-Ripple Cancellation Technique. IEEE J. Solid-State Circuits 2018, 53, 2675–2685. [Google Scholar] [CrossRef]
 - Kim, D.-K.; Shin, S.-U.; Kim, H.-S. A BGR-Recursive Low-Dropout Regulator Achieving High PSR in the Low—To Mid-Frequency Range. IEEE Trans. Power Electron. 2020, 35, 13441–13454. [Google Scholar] [CrossRef]
 - Chen, Y.-P.; Tang, K.-T. A Fully Integrated High-Power-Supply-Rejection Linear Regulator With an Output-Supplied Voltage Reference. IEEE Trans. Circuits Syst. Regul. Pap. 2020, 67, 3828–3838. [Google Scholar] [CrossRef]
 - Li, K.; Yang, C.; Guo, T.; Zheng, Y. A Multi-Loop Slew-Rate-Enhanced NMOS LDO Handling 1-A-Load-Current Step With Fast Transient for 5G Applications. IEEE J. Solid-State Circuits 2020, 55, 3076–3086. [Google Scholar] [CrossRef]
 - Răducan, C.; Neag, M.; Grăjdeanu, A.; Țopa, M.; Negoiță, A. High-Precision Low-Temperature Drift LDO Regulator Tailored for Time-Domain Temperature Sensors. Sensors 2022, 22, 1518. [Google Scholar] [CrossRef]
 - Hong, S.-W.; Cho, G.-H. High-Gain Wide-Bandwidth Capacitor-Less Low-Dropout Regulator (LDO) for Mobile Applications Utilizing Frequency Response of Multiple Feedback Loops. IEEE Trans. Circuits Syst. Regul. Pap. 2016, 63, 46–57. [Google Scholar] [CrossRef]
 - Jiang, Y.; Wang, L.; Wang, Y.; Wang, S.; Guo, M. A High-Loop-Gain Low-Dropout Regulator with Adaptive Positive Feedback Compensation Handling 1-A Load Current. Electronics 2022, 11, 949. [Google Scholar] [CrossRef]
 - Oh, W.; Bakkaloglu, B. A CMOS Low-Dropout Regulator With Current-Mode Feedback Buffer Amplifier. IEEE Trans. Circuits Syst. II: Express Briefs 2007, 54, 922–926. [Google Scholar] [CrossRef]
 - Man, T.Y.; Leung, K.N.; Leung, C.Y.; Mok, P.K.T.; Chan, M. Development of Single-Transistor-Control LDO Based on Flipped Voltage Follower for SoC. IEEE Trans. Circuits Syst. Regul. Pap. 2008, 55, 1392–1401. [Google Scholar] [CrossRef]
 - Lu, Y.; Ki, W.-H.; Yue, C.P. 17.11 A 0.65ns-Response-Time 3.01ps FOM Fully-Integrated Low-Dropout Regulator with Full-Spectrum Power-Supply-Rejection for Wideband Communication Systems. In Proceedings of the 2014 IEEE International Solid-State Circuits Conference Digest of Technical Papers (ISSCC), San Francisco, CA, USA, 9–13 February 2014; pp. 306–307. [Google Scholar]
 - Cai, G.; Lu, Y.; Zhan, C.; Martins, R.P. A Fully Integrated FVF LDO With Enhanced Full-Spectrum Power Supply Rejection. IEEE Trans. Power Electron. 2021, 36, 4326–4337. [Google Scholar] [CrossRef]
 - Coulot, T.; Lauga-Larroze, E.; Fournier, J.-M.; Alamir, M.; Hasbani, F. Stability Analysis and Design Procedure of Multiloop Linear LDO Regulators via State Matrix Decomposition. IEEE Trans. Power Electron. 2013, 28, 5352–5363. [Google Scholar] [CrossRef]
 - Hazucha, P.; Karnik, T.; Bloechel, B.A.; Parsons, C.; Finan, D.; Borkar, S. Area-Efficient Linear Regulator with Ultra-Fast Load Regulation. IEEE J. Solid-State Circuits 2005, 40, 933–940. [Google Scholar] [CrossRef]
 - Bu, S.; Guo, J.; Leung, K.N. A 200-Ps-Response-Time Output-Capacitorless Low-Dropout Regulator With Unity-Gain Bandwidth >100 MHz in 130-Nm CMOS. IEEE Trans. Power Electron. 2018, 33, 3232–3246. [Google Scholar] [CrossRef]
 - Zhou, D.; Jiang, J.; Liu, Q.; Soenen, E.G.; Kinyua, M.; Silva-Martinez, J. A 245-MA Digitally Assisted Dual-Loop Low-Dropout Regulator. IEEE J. Solid-State Circuits 2020, 55, 2140–2150. [Google Scholar] [CrossRef]
 














| Component | Value | Component | Value | 
|---|---|---|---|
| M1 | 8 µm/0.13 µm | M8, M9 | 60 µm/1 µm | 
| M2 | 4 µm/0.13 µm | M10, M11 | 40 µm/1 µm | 
| M3 | 14 µm/0.18 µm | M12, M13 | 12 µm/1 µm | 
| M4 | 3 µm/0.06 µm | M14, M15 | 12 µm/1 µm | 
| M5, M6 | 2 µm/0.18 µm | M16, M17 | 10 µm/1 µm | 
| M7 | 3 µm/0.18 µm | M18, M19 | 12 µm/1 µm | 
| CL | 350 pF | IL | 1 mA–20 mA | 
| Parameter | Value | Parameter | Value | 
|---|---|---|---|
| 657.9 | 12.576 | ||
| 2π × 5.698 × 104 | 2π × 1.058 × 109 | ||
| 2π × 1.194 × 108 | 0.02778 | ||
| 0.05833 | 0.8386 | ||
| 3.178 | 2π × 1.181 × 109 | ||
| 2π × 1.363 × 107 | 0.4799 | ||
| 0.0104 | 
| LDO Regulator | This Work | [12] | [26] | [29] | [30] | 
|---|---|---|---|---|---|
| Type | Analog | Analog | Analog | Analog | Hybrid | 
| Process (nm) | 65 | 130 | 65 | 130 | 40 | 
| Area (mm2) | 0.037 | 0.049 | 0.053 | 0.008 | 0.056 | 
| Vin (V) | 1.2 | 1.15 | 1.2 | 1–1.4 | 1.25–1.4 | 
| Vout (V) | 1 | 1 | 1 | 0.8 | 1.1–1.25 | 
| IQ (µA) | 290 | 50 | 27–82 | 112 | 300 | 
| Max. Iload (mA) | 20 | 25 | 20 | 25 | 245 | 
| Load capacitor (nF) | 0.35 | 4000 | 0.3 | 0.025 | 20 | 
| Load transient Overshoot (mV) | 30.3  in ns step  | 15  in 10 ns step  | 71  in 0.8 ns step  | 48 in 3 ns step  | 71  in 0.3 µs step  | 
| TR (ns) | 2.99 | 438 | 5.35 | 0.881 | 73 | 
| Transient FoM (ps) | 43.4 | 438 | 1.45 | 0.9 | 226 | 
| Settling Time  @Max. current step (ns)  | 16 | 500 * | 200 | 80 | 520 | 
| PSRR  (dB)  | 66 at 1 kHz †  43.5 at 1 MHz 23.5 at 10 MHz  | 60 at 1 kHz  67 at 1 MHz  | 60 at 1 kHz  42 at 1 MHz 10 at 100 MHz  | 63 at 1 kHz  57 at 1 MHz 22 at 10 MHz  | 50 at 1 kHz  43 at 1 MHz 25 at 10 MHz  | 
| Load regulation (µV/mA) | 141 | 48 | 15 | 173 | 24 | 
| Line Regulation (mV/V) | 1.04 | 26 | 1 | 2.25 | 3.16 | 
Publisher’s Note: MDPI stays neutral with regard to jurisdictional claims in published maps and institutional affiliations.  | 
© 2022 by the authors. Licensee MDPI, Basel, Switzerland. This article is an open access article distributed under the terms and conditions of the Creative Commons Attribution (CC BY) license (https://creativecommons.org/licenses/by/4.0/).
Share and Cite
Lee, J.-H.; Lee, M.-K.; Park, J.-D. A Direct Feedback FVF LDO for High Precision FMCW Radar Sensors in 65-nm CMOS Technology. Sensors 2022, 22, 9672. https://doi.org/10.3390/s22249672
Lee J-H, Lee M-K, Park J-D. A Direct Feedback FVF LDO for High Precision FMCW Radar Sensors in 65-nm CMOS Technology. Sensors. 2022; 22(24):9672. https://doi.org/10.3390/s22249672
Chicago/Turabian StyleLee, Jun-Hee, Mun-Kyo Lee, and Jung-Dong Park. 2022. "A Direct Feedback FVF LDO for High Precision FMCW Radar Sensors in 65-nm CMOS Technology" Sensors 22, no. 24: 9672. https://doi.org/10.3390/s22249672
APA StyleLee, J.-H., Lee, M.-K., & Park, J.-D. (2022). A Direct Feedback FVF LDO for High Precision FMCW Radar Sensors in 65-nm CMOS Technology. Sensors, 22(24), 9672. https://doi.org/10.3390/s22249672
        
