Design of a Smart IoT-Based Control System for Remotely Managing Cold Storage Facilities
Abstract
1. Introduction
2. Materials and Methods
2.1. Cold Storage Rooms Description
2.2. The IoT-Based Control System Architecture
- The sensors periodically collected the data from different portions of the cold storage room.
- The collected data were uploaded by the considered microcontrollers to our private channel on ThingSpeak through Wi-Fi for control, monitoring, and alert purposes.
- The data analytics was accomplished on our ThingSpeak channel using MATLAB Analysis App. According to the code written on MATLAB Analysis App, the desired action/control is sent in real-time to the designated microcontroller to be applied to the cold storage room.
- The authenticated users can access our private ThingSpeak channel and monitor real-time through graphical interfaces to all the measured parameters.
- Finally, two alerts (email and SMS) are sent to a designated administrator in case of an emergency based on real-time data analytics. The email alert was done using the MATLAB Analysis App. The SMS alert was accomplished using the ThingHTTP App and our account on the Twilio website.
- Internal temperature measured by the internal DHT22 sensor;
- Internal relative humidity measured by the internal DHT22 sensor;
- Internal carbon dioxide CO2 measured by the Senseair-S8 sensor;
- Internal ethylene gas C2H4 measured by the MQ-3 sensor;
- Internal ambient light measured by the BH1750 sensor;
- Compressor temperature measured by the DS1822-PAR sensor;
- The applied current intensity measured by three current meters.
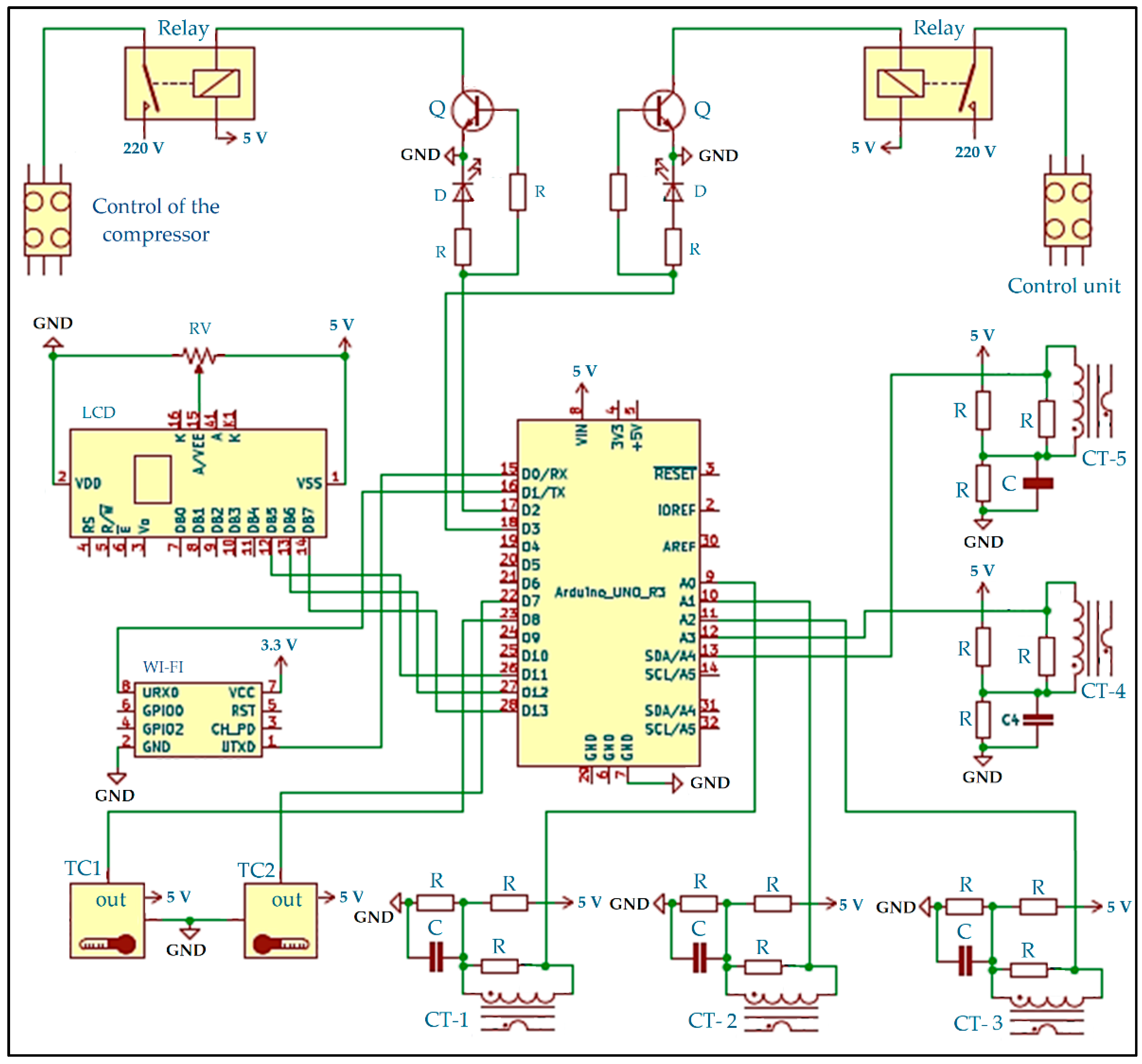
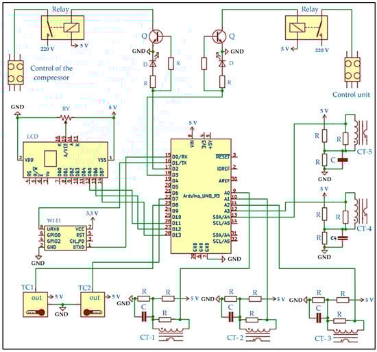
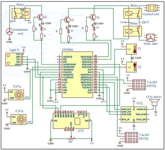
2.2.1. IoT-BC Hardware Layout
- Comments related to the connected peripherals:
- Comment 1: The CO2-Alarm beeps when the CO2 value reaches 0.045%.
- Comment 2: GPIO 5 is the output for the internal temperature measured by the DHT22.
- Comment 3: GPIO 10 is the output for the ventilation unit based on the CO2 and Alcohol.
- Comment 4: GPIO 16 is the output for the humidification based on the humidity level.
- ESP8266 NodeMCU board: We used one ESP8266 NodeMCU board. It is used to interface the IoT-BC peripherals with the Internet and the cloud platform. Several 24 pins have been used to connect the ESP8266 with the IoT-BC sensors and actuators. There are six empty pins between power and multiplexed GPIO pins that can be used for future scaling purposes using the same board.
- DS1822-PAR Sensor: It is a single-wire distributed temperature sensor. It is based on the multidrop capability that simplifies distributed temperature sensing applications. Therefore, it does not need any external components. Its measurement range is from −55 ± 100 °C. Two DS1822-PAR sensors have been employed in the IoT-BC. They have been connected to GPIO2 and GPIO14.
- DHT22 Sensor: It is a low-cost digital temperature and relative humidity sensor. Its temperature range is −40–80 °C. Its RH range is 0–100%. It reads a new measure every 2 s. Two DHT22 have been employed in the IoT-BC. They have been connected to GPIO12 and GPIO13.
- Senseair-S8 (004-0-0075) Sensor: It is a commercial miniature infrared CO2 sensor. Its measurement range is 400–2000 ppm. It reads a new measure every 2 s. It is equipped with two output pins—an alarm output and a 1 kHz PWM output. One Senseair-S8 sensor has been employed in the IoT-BC. It has been connected to the UART pins (GPIO1 and GPIO3) and one digital pin (GPIO5).
- BH1750 Sensor: It is a digital ambient light sensor. It has been interfaced with the ESP8266 module using the I2C serial interface. It has been connected to MOSI and SCLK pins. It is used to sense the light inside the CCSA.
- MQ-3 Sensor: It is a sensitive gas sensor. It is used in IoT-BC to detect the existence of ethylene gas (C2H4). Once the ethylene alcohol gas exists, the sensor’s conductivity gets higher, and the gas concentration rises. Two MQ-3 sensors have been used in IoT-BC. They have been connected with the ESP8266 module through GPIO9 and GPIO10.
- G5Q-1A Electrical Relay: Three G5Q-1A electrical relays have been used in IoT-BC. They are connected to GPIO4, GPIO5, and GPIO16. The first relay (connected to GPIO5) controls the temperature inside the IoT-BC. The second relay (connected to GPIO16) controls the humidification unit in the IoT-BC. Finally, the third relay (connected to GPIO4) controls the ventilation unit in the IoT-BC.
- RC1602A-GHW-ESX LCD: It is the only LCD used in IoT-BC. It is mainly used to display some information related to doing action on a real-time basis. It has been connected with the ESP8266 module through CS, SCLK, and GPIO0.
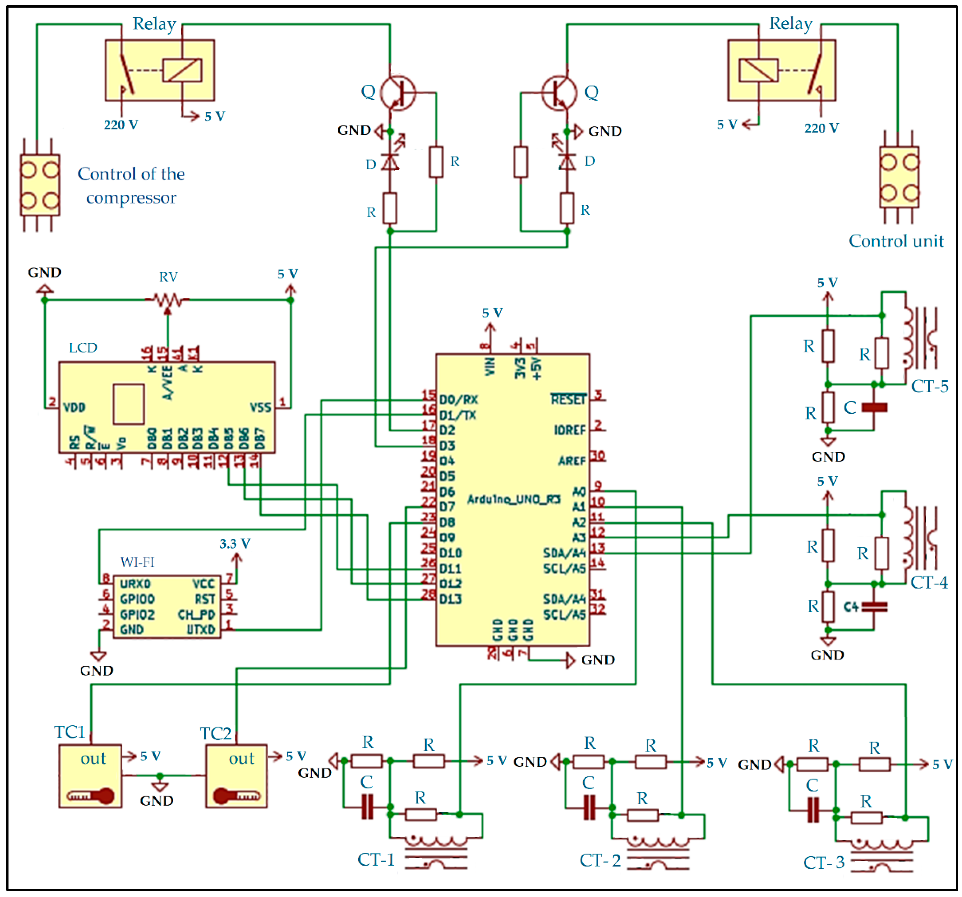
- Comments related to the connected peripherals:
- Comment 1: A current transformer is used with some resistances to measure the current.
- Comment 2: Three current meters are used for the compressor.
- Comment 3: Two current meters are used for the condensing and control unit.
- The number of sheets and the file name (Cloud_CAS_2.kicad_sch).
- The title of this schematic diagram (Cloud-Controlled Atmosphere Storage (IoT-BC)—Current Meter).
- Arduino UNO R3: It is a microcontroller board based on ATmega328P. It provides 14 digital input/output pins and six analog pins.
- ESP-01v090: It is a Wi-Fi module from ESPressif. It connects the Arduino board to the Internet. It is interfaced with the Arduino board through Tx and Rx pins.
- Current meter: The employed current meter comprises one current transformer, one capacitor, one 33-ohm burden resistor, and two 10–470 K-ohm potentiometers. Five current meters have been connected to the Arduino UNO R3 board. They are connected to the following analog pins A0, A1, A2, A3, and A4.
- DS1822-PAR Sensor: Two DS1822-PAR sensors have been employed in the current control schematic. They have been connected to D7 and D8.
2.2.2. IoT-BC Software Layout
- IntializeSensors( ): This function is responsible for executing sensors’ calibration and reset if needed. Each sensor is assigned a unique name in the introduced internal control to the atmosphere storage. This unique name helps send instructions to the sensors and collect the data from them.
- GetData( ): The readings will be collected from the sensors every 200 ms. This reading interval is represented by the if condition “if (CurrentTime—LastGetTime >= GetInterval)”. Thus, every 200 ms, the GetData( ) collects the readings from the list of sensors attached to the microcontroller. This process is accomplished based on each sensor and its own configuration.
- Upload2ThingSpeak( ): This function is mainly used to send the collected reading from the list of sensors to a private cloud channel on the ThingSpeak platform. This upload stage is done in real-time. The real-time measures uploaded to the cloud ThingSpeak platform are used for data analytics and sending alerts to a designated administrator in case of emergency based on each measured parameter.
- Track( ): This function is considered local monitoring that shows the system activity. All the readings collected from the sensors are displayed on the serial monitor at the collection time. Additionally, in case of an emergency, the alert message is shown multiple times on the serial monitor to alert the local investigator about the emergency issue.
- Print2LCD( ): This function execute a similar task to that of Track( ) function. However, this function will show all the readings and alerts on the LCD.
2.3. Sensors Calibration
- To calibrate the temperature and humidity sensor DHT22 and the digital temperature sensors, a controlled atmosphere (temperature and RH) incubator (model: PC900h, Helmer Scientific Inc., Noblesville, IN, USA) was used. The incubator atmosphere temperatures and RH were set at different values and the observed values were compared with the values of the sensor’s readings.
- To calibrate the CO2 sensor, the reading of the Senseair-S8 sensor was compared with the reading recorded by the indoor air CO2 m/datalogger (model: Extech EA80, FLIR Commercial Systems Inc., Nashua, NH, USA) at a temperature of 5 C. A carbon dioxide cylinder containing 99.5% pure CO2 was used to add different concentrations of CO2 in a closed room.
- To calibrate the ethylene MQ-3 sensor, a fruit ripening gas box containing 99.95% pure ethylene (type: corrugated box of 96 Pc, MILAN JYOTI INTERNATIONAL LTD, Mumbai, India) was used. The gas was sprayed in a closed cold room at a temperature of 5 °C and the reading of the sensor was compared with the reading of a portable ethylene gas detector (model: PG-100-C2H4, AMBETRONICS ENGINEERS PVT LTD., Mumbai, India).
- To calibrate the light intensity BH1750 sensor, the reading of the sensor was compared with the reading recorded by the light intensity meter/datalogger (model: Extech EA33, FLIR Commercial Systems Inc., Nashua, NH, USA). Calibration was carried out using the LED light source with variable intensity of illumination in the cooling room at a temperature of 5 °C.
- To calibrate the current intensity Load_CellX03 with HX711 amplifier, power, and electrical energy consumption, the reading of the current sensor, calculated power, and calculated energy consumption were compared with the reading recorded by three-phase power and harmonics clamp meter (UNI-T, UT243, Uni-Trend Technology Co., Ltd. Dongguan, Guangdong, China) under different current intensities consumed by a heater coil.
2.4. Control and Alert
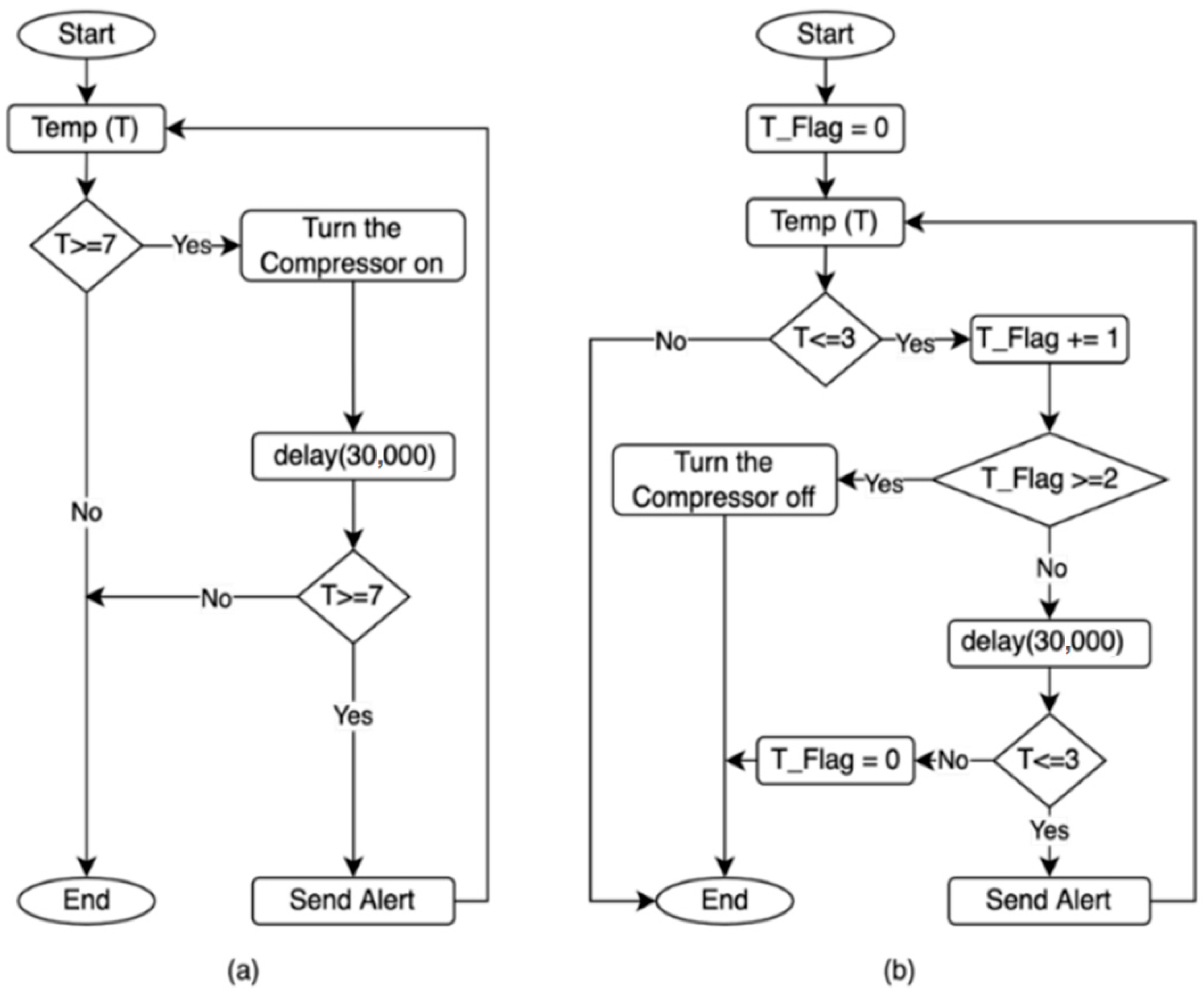
2.4.1. Compressor Control and Alert Mechanism
- Internal Temperature (T): It is shown in Figure 7. The flowchart (Figure 7a) turns the compressor on when the internal temperature reaches the maximum setpoint (T is greater than or equal 7 °C). The IoT-BC will send an email and SMS to a designated administrator to alert if the internal temperature remains greater than the maximum temperature set point for 30 min after turning the compressor on. The flowchart (Figure 7b) turns the compressor off when the internal temperature reaches and remains at the minimum temperature setpoint (T is smaller than or equal 3 °C) for 30 min. The IoT-BC would send an email and SMS to a designated administrator as an alert if the internal temperature remained smaller than the minimum temperature set point for 30 min after turning the compressor off.
- Compressor Temperature (CT): It is shown in Figure 8. This figure cares about the compressor temperature. The compressor will be turned off if its temperature reaches the maximum compressor temperature setpoint (CT is greater than or equal to 100 °C) for 5 min. For example, suppose the compressor temperature remained greater than or equal to 100 °C for 5 min after turning the compressor off. In that case, the IoT-BC will send an email and SMS to a designated administrator as an alert.
- Current Meters (CM): It is shown in Figure 9. This figure controls the compressor on/off based on the measures of three current meters (CM1, CM2, and CM3). The three current meters must record the normal range of 4 A to 7 A. If the normal range for the three current meters is satisfied, then IoT-BC must make sure that the absolute difference between any of the three current meters is not greater than or equal to 1 A. Thus, the compressor must keep working normally, and there is no problem. However, suppose the normal range condition is true and the differences between any of the three current meters are greater than or equal to 1 A. In that case, IoT-BC will wait for 1 min and then recheck the differences in the current measures. If the differences in the current measures are still greater than or equal to 1 A, the IoT-BC will turn the compressor off and send an email and SMS to a designated administrator as an alert. If the normal range condition is false, IoT-BC will check if any of the three current meters is greater than or equal to 10 A. Then, IoT-BC will wait for 1 min before rechecking the same condition. If the measure for one of the current meters remained greater than or equal to 1 A for one minute, The IoT-BC will turn the compressor off and send an email and SMS to a designated administrator as an alert.
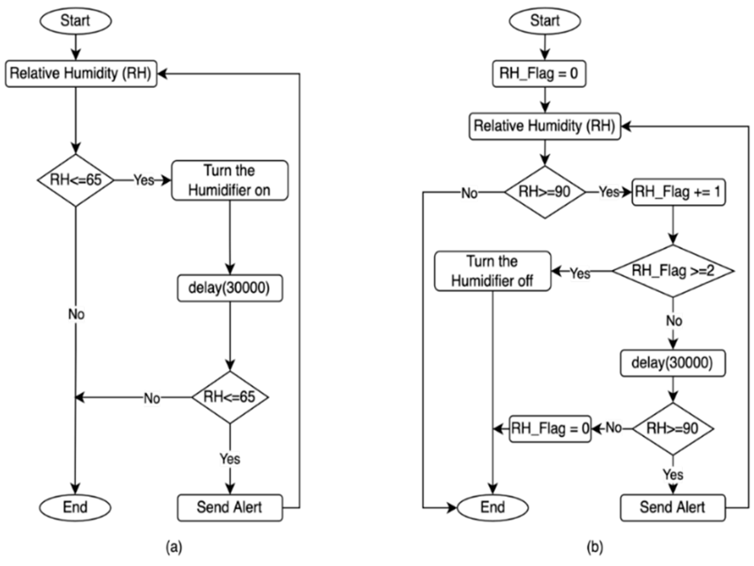
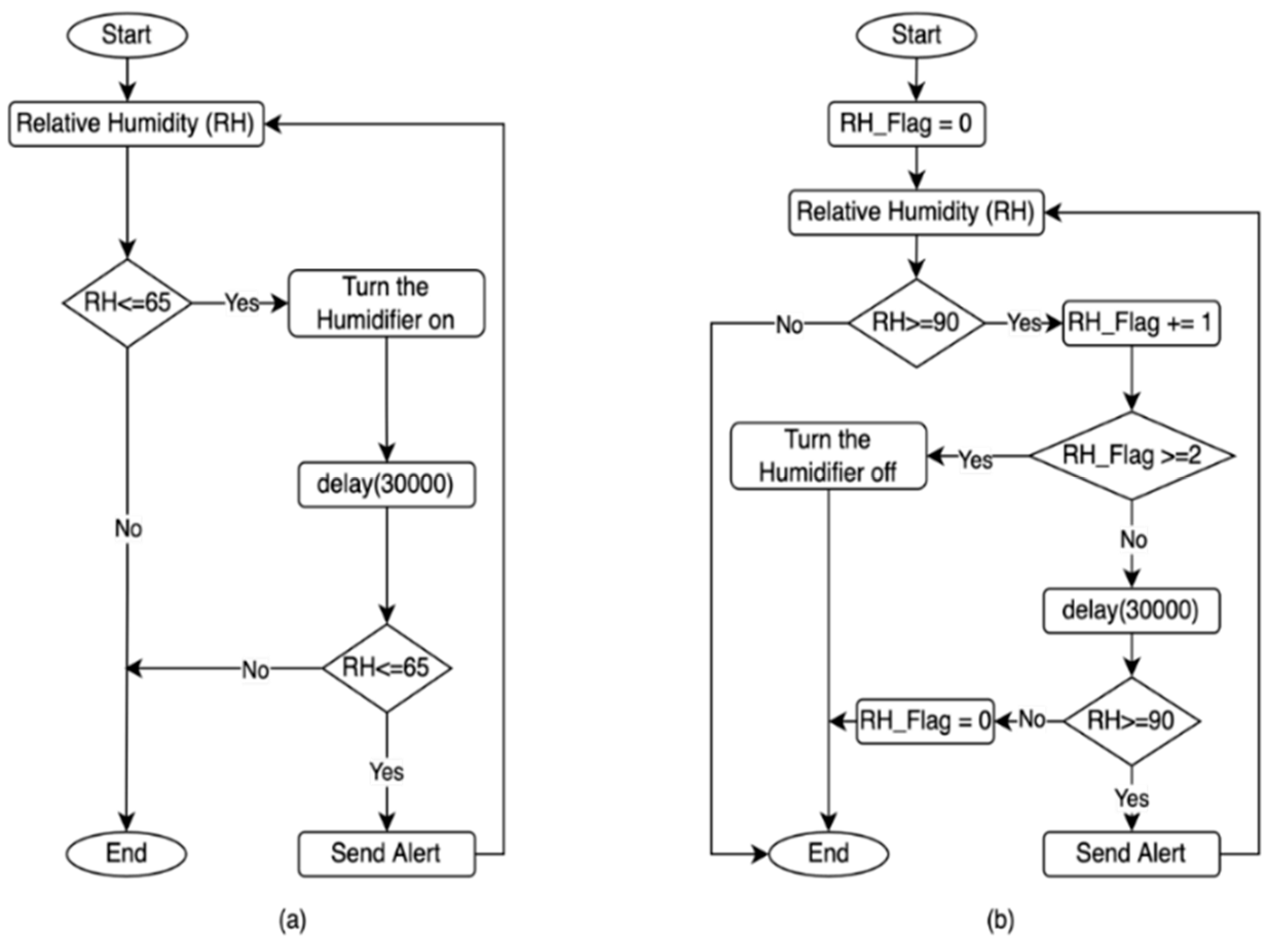
2.4.2. Humidification Unit’s Control and Alert Mechanism
- ○
- Figure 10a: This flowchart turns the humidifier on when the internal RH reaches the minimum humidity setpoint (RH is smaller than or equal to 65%). The IoT-BC would send an email and SMS to a designated administrator as an alert if the internal humidity remained smaller than the minimum humidity set point for 30 min after turning the humidifier on.
- ○
- Figure 10b: This flowchart turns the humidifier off when the internal humidity reaches and remains at the maximum humidity setpoint (RH is greater than or equal to 90%) for 30 min. The IoT-BC would send an email and SMS to a designated administrator as an alert if the internal humidity remained greater than the maximum humidity set point for 30 min after turning the humidifier off.
2.4.3. Ventilation Unit Control and Alert Mechanism
- ○
- Internal Carbon Dioxide (CO2): It is shown in Figure 11a. This flowchart turns the ventilation unit on when the internal CO2 reaches the maximum CO2 Setpoint (CO2 is greater than or equal to 0.045%). The IoT-BC would send an email and SMS to a designated administrator to alert if the internal CO2 remained greater than the maximum CO2 Setpoint for 30 min after turning the ventilation unit on.
- ○
- Internal Ethylene Gas (C2H4): It is shown in Figure 11b. This flowchart turns the ventilation unit on when the internal C2H4 reaches the maximum C2H4 Setpoint (C2H4 is greater than or equal to 0.02%). The IoT-BC would send an email and SMS to a designated administrator as an alert if the internal C2H4 remained greater than the maximum C2H4 set point for 30 min after turning the ventilation unit on.
2.4.4. Light Alert Mechanism
2.5. Energy Consumption
2.6. Tested Date Fruits
2.7. Fruit Quality Measurements
2.8. Statistical Analysis
3. Results and Discussion
3.1. Sensors Calibration
- Figure 12a,b: These curves indicate the temperature and RH calibration. The measured temperature and RH using the DHT22 sensor have been validated with the observed measurements by the incubator. The R, R2, RMSE, and IOA are shown on the temperature and RH rows in Table 1, indicating a perfect match in the measured temperature and RH with the observed temperature and RH. The DHT22 sensors showed good performance at the various temperature and RH values and had good linear regressions that nearly overlapped the 1:1 line (y = x + 0). The linear regression was y = 1.0065x − 1.5962 for the temperature and was y = 0.8346x + 7.3535 for the RH.
- Figure 12c: The CO2 measurements have been validated in this curve. The measured CO2 using the Senseair-S8 sensor was validated with the indoor air CO2 m/datalogger (Extech EA80). The values of R, R2, RMSE, and IOA are shown on the CO2 row in Table 1, indicating a perfect match between the measured CO2 and the observed CO2. The Senseair-S8 sensors showed good performance at the various gas concentrations and had good linear regressions (y = 0.9389x + 0.004) that nearly overlapped the 1:1 line.
- Figure 12d: The C2H4 measurements have been validated in this curve. The measured C2H4 using the MQ-3 sensor has been validated with the observed measurements by a fruit ripening gas box containing 99.95% pure ethylene. The values of R, R2, RMSE, and IOA are shown on the C2H4 row in Table 1, indicating a perfect match between the measured C2H4 and the observed C2H4. The MQ-3 sensors showed good performance at the various gas concentrations and had good linear regressions (y = 0.8445x + 0.0083) that nearly overlapped the 1:1 line.
- Figure 12e: This curve has validated the light measurements. The measured light using the BH1750 sensor has been validated with the observed measurements by the light intensity meter/datalogger (Extech EA33). The values of R, R2, RMSE, and IOA is shown on the light row in Table 1, indicating a perfect match between the measured light and the observed light. The BH1750 sensors showed good performance at the various light intensities and had good linear regressions (y = 0.9673x + 13.487) that nearly overlapped the 1:1 line.
- Figure 12f: This curve has validated the current intensity. The measured current intensity using the CST2 sensor has been validated with the observed measurements by the three-phase power and harmonics clamp meter (UNI-T). The R, R2, RMSE, and IOA are shown on the current, power, and energy rows in Table 1, indicating a perfect match between the measured current intensity and the observed current intensity. The CST2 sensors showed good performance at the various current intensities and had good linear regressions (y = 0.9481x + 0.632) that nearly overlapped the 1:1 line.
3.2. Monitoring, Controlling, and Alerting Results
3.3. Impact of IoT-BC on Stored Fruit Characteristics
4. Conclusions
Author Contributions
Funding
Institutional Review Board Statement
Informed Consent Statement
Data Availability Statement
Acknowledgments
Conflicts of Interest
References
- Faostat-FAO Food and Agriculture Organization of the United Nations. Available online: https://www.fao.org/faostat/en/#data/QCL (accessed on 6 March 2022).
- Ali-Dinar, H.; Mohammed, M.; Munir, M. Effects of Pollination Interventions, Plant Age and Source on Hormonal Patterns and Fruit Set of Date Palm (Phoenix dactylifera L.). Horticulturae 2021, 7, 427. [Google Scholar] [CrossRef]
- Mohammed, M.E.A.; Alhajhoj, M.R.; Ali-Dinar, H.M.; Munir, M. Impact of a novel water-saving subsurface irrigation system on water productivity, photosynthetic characteristics, yield, and fruit quality of date palm under arid conditions. Agronomy 2020, 10, 1265. [Google Scholar] [CrossRef]
- Hazbavi, E.; Khoshtaghaza, M.H.; Mostaan, A.; Banakar, A. Effect of storage duration on some physical properties of date palm (cv. Stamaran). J. Saudi Soc. Agric. Sci. 2015, 14, 140–146. [Google Scholar] [CrossRef]
- Ahmad, S.A.H.; Ab Rahman, M.N.; Muhamed, A.A. Optimal temperature in cold storage for perishable foods. In Proceedings of the 5th NA International Conference on Industrial Engineering and Operations Management, Detroit, MI, USA, 10–14 August 2020. [Google Scholar]
- lal Basediya, A.; Samuel, D.V.K.; Beera, V. Evaporative cooling system for storage of fruits and vegetables—A review. J. Food Sci. Technol. 2013, 50, 429–442. [Google Scholar] [CrossRef] [PubMed]
- El-Gioushy, S.F.; El-Masry, A.M.; Fikry, M.; El-Kholy, M.F.; Shaban, A.E.; Sami, R.; Algarni, E.; Alshehry, G.; Aljumayi, H.; Benajiba, N.; et al. Utilization of Active Edible Films (Chitosan, Chitosan Nanoparticle, and CaCl2) for Enhancing the Quality Properties and the Shelf Life of Date Palm Fruits (Barhi Cultivar) during Cold Storage. Coatings 2022, 12, 255. [Google Scholar] [CrossRef]
- Al Jasser, M.S. Effect of storage temperatures on microbial load of some dates palm fruit sold in Saudi Arabia market. Afr. J. Food Sci. 2010, 4, 359–363. [Google Scholar]
- Mohammed, M.; Alqahtani, N.; El-Shafie, H. Development and Evaluation of an Ultrasonic Humidifier to Control Humidity in a Cold Storage Room for Postharvest Quality Management of Dates. Foods 2021, 10, 949. [Google Scholar] [CrossRef] [PubMed]
- Gopala Rao, C. Engineering for Storage of Fruits and Vegetables, 1st ed.; Academic Press—Elsevier: London, UK, 2015; ISBN 9780128033654. [Google Scholar]
- Siddiqui, M.W.; Chakraborty, I.; Ayala-Zavala, J.F.; Dhua, R.S. Advances in minimal processing of fruits and vegetables: A review. J. Sci. Ind. Res. 2011, 70, 823–834. [Google Scholar]
- Alam, T. Packaging and Storage of Fruits and Vegetables: Emerging Trends; Taylor and Francis Group, Apple Academic Press: New York, NY, USA, 2021; ISBN 9781003161165. [Google Scholar]
- Yahia, E.M. Postharvest Technology of Perishable Horticultural Commodities; Elsevier Science: New Delhi, India, 2019; ISBN 9780128132760. [Google Scholar]
- Xue, M.; Zhang, J.; Tang, W. Optimal temperature control for quality of perishable foods. ISA Trans. 2014, 53, 542–546. [Google Scholar] [CrossRef]
- Liu, D.-K.; Xu, C.-C.; Guo, C.-X.; Zhang, X.-X. Sub-zero temperature preservation of fruits and vegetables: A review. J. Food Eng. 2020, 275, 109881. [Google Scholar] [CrossRef]
- Al-Yahyai, R.; Al-Kharusi, L. Physical and chemical quality attributes of freeze-stored dates. Int. J. Agric. Biol. 2012, 14, 97–100. [Google Scholar]
- Benkeblia, N. Storage technologies for date palm fruits (Phoenix dactylifera L.): Current and potential techniques. Acta Hortic. 2013, 994, 151–154. [Google Scholar] [CrossRef]
- Palou, L.; del Río, M.A.; Guardado, A.; Vilella-Esplá, J. Influence of induced ripening and cold storage protocols on the incidence of posthar-vest diseases of date palm fruit. Acta Hortic. 2011, 235–241. [Google Scholar] [CrossRef]
- Paull, R.E. Effect of temperature and relative humidity on fresh commodity quality. Postharvest Biol. Technol. 1999, 15, 263–277. [Google Scholar] [CrossRef]
- Palipane, K.B. Good Practice for Assuring the Post-Harvest Quality of Exotic Tree Fruit Crops Produced in Jamaica—A Technical Guide; Food And Agriculture Organization of The United Nations: Rome, Italy, 2008. [Google Scholar]
- Mohammed, M.; Munir, M.; Aljabr, A. Prediction of Date Fruit Quality Attributes during Cold Storage Based on Their Electrical Properties Using Artificial Neural Networks Models. Foods 2022, 11, 1666. [Google Scholar] [CrossRef]
- Ahmed, J.; Rahman, M.S. Handbook of Food Process Design; John Wiley & Sons: Hoboken, NJ, USA, 2012; ISBN 144433011X. [Google Scholar]
- Mohammed, M.E.A.; El-Shafie, H.A.; Sallam, A.A.A. A solar-powered heat system for management of almond moth, Cadra cautella (Lepidoptera: Pyralidae) in stored dates. Postharvest Biol. Technol. 2019, 154, 121–128. [Google Scholar] [CrossRef]
- Stevanoska, S.; Davcev, D.; Jovanovska, E.M.; Mitreski, K. IoT-based system for real-time monitoring and insect detection in vineyards. In Proceedings of the MobiWac 2020—Proceedings of the 18th ACM Symposium on Mobility Management and Wireless Access, Alicante, Spain, 16–20 November 2020; pp. 133–136. [Google Scholar] [CrossRef]
- Popa, A.; Hnatiuc, M.; Paun, M.; Geman, O.; Hemanth, D.J.; Dorcea, D.; Son, L.H.; Ghita, S. An intelligent IoT-based food quality monitoring approach using low-cost sensors. Symmetry 2019, 11, 374. [Google Scholar] [CrossRef]
- Swaroop, P.; Reddy, Y.S.; Saif, E.S.; Joseph, M.C. The Real Time Temperature Sensing using Raspberry PI. Int. J. Innov. Res. Sci. Technol. 2015, 1, 232–237. [Google Scholar]
- Yadav, R.K. Remote Monitoring System for Cold Storage Warehouse using IOT. Int. J. Res. Appl. Sci. Eng. Technol. 2020, 8, 2810–2814. [Google Scholar] [CrossRef]
- Afreen, H.; Bajwa, I.S. An IoT-Based Real-Time Intelligent Monitoring and Notification System of Cold Storage. IEEE Access 2021, 9, 38236–38253. [Google Scholar] [CrossRef]
- Appasani, B.; Jha, A.V.; Ghazali, A.N.; Gupta, D.K. Analytical Modeling and Optimal Control of Cold Storage System with Large-Scale Implementation Using IoT. Lect. Notes Electr. Eng. 2021, 693, 51–59. [Google Scholar] [CrossRef]
- Sarmah, B.; Aruna, G. Detection of Food Quality and Quantity at Cold Storage using IoT. In Proceedings of the 2020 International Conference on Wireless Communications Signal Processing and Networking (WiSPNET), Chennai, India, 4–6 August 2020; pp. 200–203. [Google Scholar] [CrossRef]
- Umamaheswari, K.; Susneha, M.; Kala, B.S. IoT based Smart Cold Storage System for Efficient Stock Management. In Proceedings of the 2020 International Conference on Communication and Signal Processing (ICCSP), Chennai, India, 28–30 July 2020; pp. 51–55. [Google Scholar] [CrossRef]
- Feng, S.; Sikdar, A.; Wang, J.; Memon, M.; Li, B.; Ma, H.; Lv, G. Response of amorpha fruticosa seedlings to drought and rewatering in arid and semi-arid environment. Pak. J. Bot. 2021, 53, 419–424. [Google Scholar] [CrossRef]
- Srivatsa, S.G.; Bharadwaj, K.R.M.; Alamuri, S.L.; Shanif, M.M.C.; Shreenidhi, H.S. Smart Cold Storage and Inventory Monitoring System. In Proceedings of the 2021 International Conference on Recent Trends on Electronics, Information, Communication & Technology (RTEICT), Bangalore, India, 27–28 August 2021; pp. 485–488. [Google Scholar] [CrossRef]
- Ganjewar, P.D.; Barani, S.; Wagh, S.J.; Sonavane, S.S. Food monitoring using adaptive naïve bayes prediction in IoT. Adv. Intell. Syst. Comput. 2020, 940, 424–434. [Google Scholar] [CrossRef]
- Mishra, R.; Chaulya, S.K.; Prasad, G.M.; Mandal, S.K.; Banerjee, G. Design of a low cost, smart and stand-alone PV cold storage system using a domestic split air conditioner. J. Stored Prod. Res. 2020, 89, 101720. [Google Scholar] [CrossRef]
- Zhan, X.; Wu, W.; Shen, L.; Liao, W.; Zhao, Z.; Xia, J. Industrial internet of things and unsupervised deep learning enabled real-time occupational safety monitoring in cold storage warehouse. Saf. Sci. 2022, 152, 105766. [Google Scholar] [CrossRef]
- Gautham, A.K.; Mujahid, A.A.; Kanagaraj, G.; Kumaraguruparan, G. Machine Learning and IoT-Based Ultrasonic Humidification Control System for Longevity of Fruits and Vegetables; Springer: Berlin/Heidelberg, Germany, 2022; pp. 87–99. [Google Scholar] [CrossRef]
- FDA. U.S. Food and Drug Administration CFR-Code of federal Regulations Title 21, Volume 2, CITE: 21CFR106.30. Available online: https://www.accessdata.fda.gov/scripts/cdrh/cfdocs/cfcfr/cfrsearch.cfm?fr=1308.12 (accessed on 29 March 2022).
- Gamea, G.R.; Aboamera, M.A.; Mohmed, M.E. Design and Manufacturing of Prototype for Orange Grading Using Phototransistor. Misr J. Agric. Eng. 2011, 28, 505–523. [Google Scholar] [CrossRef]
- Mohammed, M.E.A.; El-Shafie, H.A.F.; Alhajhoj, M.R. Design and efficacy evaluation of a modern automated controlled atmosphere system for pest management in stored dates. J. Stored Prod. Res. 2020, 89, 101719. [Google Scholar] [CrossRef]
- Sahin, S.; Sumnu, S.G. Thermal properties of foods. In Physical Properties of Foods; Springer Science & Business Media: New York, NY, USA, 2006. [Google Scholar]
- AOAC Association of Official Analytical Chemists. Official Methods of Analysis of AOAC International, 16th ed.; AOAC International: Arlington, VA, USA, 1995. [Google Scholar]
- Williams, R.; Long, R.; Beaver, M.; Kaufman, A.; Zeiger, F.; Heimbinder, M.; Hang, I.; Yap, R.; Acharya, B.; Ginwald, B.; et al. EPA Sensor Evaluation Report. Environmental Protection Agency, Washington, DC, EPA/600/R-14/143 (NTIS PB2015-100611). 2014. Available online: https://cfpub.epa.gov/si/si_public_record_Report.cfm?Lab=NERL&dirEntryId=277270 (accessed on 16 May 2022).
- Huynh, T.L.; Fakprapai, S.; Nguyen, T.K.O. Air Quality Monitoring with Focus on Wireless Sensor Application and Data Management. In TORUS 3—Toward an Open Resource Using Services; Laffly, D., Ed.; John Wiley & Sons, Ltd: Hoboken, NJ, USA, 2020; pp. 17–40. ISBN 9781119720522. [Google Scholar]
- Akdemir, S.; Bal, E. Quality Changes in Apple in Evaporative Cooling Store. Erwerbs-Obstbau 2020, 62, 61–67. [Google Scholar] [CrossRef]
- Akdemir, S. Designing of cold stores and choosing of cooling system elements. J. Appl. Sci. 2008, 8, 788–794. [Google Scholar] [CrossRef]
- Mohammed, M.; Sallam, A.; Alqahtani, N.; Munir, M. The Combined Effects of Precision-Controlled Temperature and Relative Humidity on Artificial Ripening and Quality of Date Fruit. Foods 2021, 10, 2636. [Google Scholar] [CrossRef]
- Yahia, E.M.; Kader, A.A. Date (Phoenix dactylifera L.). In Postharvest Biology and Technology of Tropical and Subtropical Fruits; Woodhead Publishing Series in Food Science; Yahia, E.M., Ed.; Elsevier: Amsterdam, The Netherlands, 2011; pp. 41–79. ISBN 9781845697358. [Google Scholar]
- Said, A. Dates Quality Assessment of the Main Date Palm Cultivars Grown in Algeria. Annu. Res. Rev. Biol. 2014, 4, 487–499. [Google Scholar] [CrossRef]
- Aleid, S.M.; Elansari, A.M.; Zhen-Xing, T.; Sallam, A.A. Effect of cold storage and packing type on Khalas and Sukkary dates quality. Adv. J. Food Sci. Technol. 2014, 6, 603–608. [Google Scholar] [CrossRef]
- Akhavan, H.R.; Hosseini, F.S.; Amiri, S.; Radi, M. Cinnamaldehyde-Loaded Nanostructured Lipid Carriers Extend the Shelf Life of Date Palm Fruit. Food Bioprocess Technol. 2021, 14, 1478–1489. [Google Scholar] [CrossRef]
- Alférez, F.; Agusti, M.; Zacarías, L. Postharvest rind staining in Navel oranges is aggravated by changes in storage relative humidity: Effect on respiration, ethylene production and water potential. Postharvest Biol. Technol. 2003, 28, 143–152. [Google Scholar] [CrossRef]
- Shin, Y.; Ryu, J.A.; Liu, R.H.; Nock, J.F.; Watkins, C.B. Harvest maturity, storage temperature and relative humidity affect fruit quality, antioxidant contents and activity, and inhibition of cell proliferation of strawberry fruit. Postharvest Biol. Technol. 2008, 49, 201–209. [Google Scholar] [CrossRef]
- Tu, K.; Nicolaï, B.; De Baerdemaeker, J. Effects of relative humidity on apple quality under simulated shelf temperature storage. Sci. Hortic. 2000, 85, 217–229. [Google Scholar] [CrossRef]
- Van Den Berg, L. The Role of Humidity, Temperature, and Atmospheric Composition in Maintaining Vegetable Quality During Storage; ACS Publications: Las Vegas, NV, USA, 1981; pp. 95–107. ISBN 1947-5918. [Google Scholar]
- Sowmyashree, A.; Sharma, R.R.; Rudra, S.G.; Grover, M. Layer-by-layer coating of hydrocolloids and mixed plant extract reduces fruit decay and improves postharvest life of nectarine fruits during cold storage. Acta Physiol. Plant. 2021, 43, 112. [Google Scholar] [CrossRef]
- Zuo, X.; Cao, S.; Zhang, M.; Cheng, Z.; Cao, T.; Jin, P.; Zheng, Y. High relative humidity (HRH) storage alleviates chilling injury of zucchini fruit by promoting the accumulation of proline and ABA. Postharvest Biol. Technol. 2021, 171, 111344. [Google Scholar] [CrossRef]
- Jemni, M.; Chniti, S.; Ferchichi, A.; Artés, F.; Jemni, M.; Chniti, S.; Harbaoui, K.; Ferchichi, A.; Artés, F. Partial vacuum and active modified atmosphere packaging for keeping overall quality of dates. J. New Sci. Agric. Biotechnol. 2016, 29, 1656–1665. [Google Scholar]
- Radi, M.; Firouzi, E.; Akhavan, H.; Amiri, S. Effect of Gelatin-Based Edible Coatings Incorporated with Aloe vera and Black and Green Tea Extracts on the Shelf Life of Fresh-Cut Oranges. J. Food Qual. 2017, 2017, 9764650. [Google Scholar] [CrossRef]
- Hazbavi, I.; Khoshtaghaza, M.H.; Mostaan, A.; Banakar, A. Effect of postharvest hot-water and heat treatment on quality of date palm (cv. Stamaran). J. Saudi Soc. Agric. Sci. 2015, 14, 153–159. [Google Scholar] [CrossRef]
- Ilhami KÃ KSAL, A. Research on the Storage of Pomegranate (Cv. Gök Bahçe) Under Different Conditions. Acta Hortic. 1989, 258, 295–302. [Google Scholar] [CrossRef]
- Ghafir, S.A.M.; Ibrahim, I.Z.; Zaied, S.A.; Abusrewel, G.S. Response of local variety “Shlefy” pomegranate fruits to packaging and cold storage. Acta Hortic. 2010, 877, 427–432. [Google Scholar] [CrossRef]
- Aleid, S.M.; Hassan, B.H.; Almaiman, S.A.; Al-Kahtani, S.H.; Ismail, S.M. Microbial Loads and Physicochemical Characteristics of Fruits from Four Saudi Date Palm Tree Cultivars: Conformity with Applicable Date Standards. Food Nutr. Sci. 2014, 5, 316–327. [Google Scholar] [CrossRef][Green Version]
- Fawole, O.A.; Opara, U.L. Effects of storage temperature and duration on physiological responses of pomegranate fruit. Ind. Crops Prod. 2013, 47, 300–309. [Google Scholar] [CrossRef]
- Noutfia, Y.; Alem, C.; Filali Zegzouti, Y. Assessment of physico-chemical and sensory properties of two date (Phoenix dactylifera L.) cultivars under commercial cold storage conditions. J. Food Process. Preserv. 2019, 43, 14228. [Google Scholar] [CrossRef]
- Chinenye, N.M.; Manuwa, S.I.; Olukunle, O.J.; Oluwalana, I.B. Development of an active evaporative cooling system for short-term storage of fruits and vegetable in a tropical climate. Agric. Eng. Int. CIGR J. 2013, 15, 307–313. [Google Scholar]
- Tadesse, T.N.; Ibrahim, A.M.; Abtew, W.G. Degradation and formation of fruit color in tomato (Solanum lycopersicum L.) in response to storage temperature. Am. J. Food Technol. 2015, 10, 147–157. [Google Scholar] [CrossRef]
- Yaman, Ö.; Bayoindirli, L. Effects of an edible coating and cold storage on shelf-life and quality of cherries. LWT-Food Sci. Technol. 2002, 35, 146–150. [Google Scholar] [CrossRef]
- Shin, Y.; Liu, R.H.; Nock, J.F.; Holliday, D.; Watkins, C.B. Temperature and relative humidity effects on quality, total ascorbic acid, phenolics and flavonoid concentrations, and antioxidant activity of strawberry. Postharvest Biol. Technol. 2007, 45, 349–357. [Google Scholar] [CrossRef]













| Parameters | Statistical Metrics | |||
|---|---|---|---|---|
| R | R2 | RMSE | IOA | |
| Temperature | 0.997 | 0.994 | 1.673 | 0.995 |
| RH | 0.867 | 0.752 | 10.18 | 0.927 |
| CO2 | 0.983 | 0.966 | 0.004 | 0.99 |
| C2H4 | 0.991 | 0.982 | 0.004 | 0.989 |
| Light | 0.995 | 0.990 | 26.05 | 0.997 |
| Current | 0.997 | 0.994 | 0.801 | 0.998 |
| Power | 0.997 | 0.993 | 175.3 | 0.998 |
| Energy | 0.996 | 0.992 | 257.2 | 0.997 |
| Characteristics | CSRs | Storage Time (Months) | |||
|---|---|---|---|---|---|
| 0 | 1 | 2 | 3 | ||
| FW (g) | TCSR | 11.23 ± 1.3 A | 10.69 ± 1.13 AB | 9.63 ± 1.02 B | 11.01 ± 0.07 AB |
| MCSR | 11.29 ± 0.76 A | 11.16 ± 0.88 A | 10.63 ± 0.68 AB | 11.32 ± 1.02 A | |
| FWL (%) | TCSR | 0 ± 0 | 5.77 ± 0.17 B | 19.61 ± 0.59 A | 4.81 ± 1.34 C |
| MCSR | 0 ± 0 | 1.35 ± 0.09 D | 1.96 ± 0.14 D | 1.75 ± 0.26 D | |
| FL (mm) | TCSR | 45.43 ± 2.11 A | 44.07 ± 1.84 AB | 44.13 ± 3.19 AB | 41.37 ± 2.27 B |
| MCSR | 44.7 ± 2.02 A | 44.38 ± 1.83 A | 43.04 ± 1.7 AB | 44.41 ± 1.48 A | |
| FD (mm) | TCSR | 25.72 ± 0.9 A | 25.04 ± 0.7 A | 24.35 ± 1.37 A | 24.64 ± 1.05 A |
| MCSR | 24.98 ± 2.27 A | 25.01 ± 1.17 A | 24.33 ± 1.37 A | 24.81 ± 1.36 A | |
| PA (cm2) | TCSR | 6.76 ± 0.33 A | 6.38 ± 0.25 A | 6.36 ± 0.64 A | 6.3 ± 0.6 A |
| MCSR | 7 ± 0.87 A | 6.69 ± 0.33 A | 6.33 ± 0.48 A | 6.65 ± 0.54 A | |
| FV (cm3) | TCSR | 15.39 ± 1.08 AB | 14.15 ± 0.78 AB | 13.77 ± 1.75 B | 11.94 ± 1.9 C |
| MCSR | 15.63 ± 1.13 A | 14.89 ± 0.44 AB | 13.79 ± 1.05 B | 14.7 ± 0.99 AB | |
| Fd (g/cm3) | TCSR | 0.93 ± 0.1 A | 0.95 ± 0.11 A | 1.01 ± 0.18 A | 1.02 ± 0.14 A |
| MCSR | 0.95 ± 0.1 A | 0.95 ± 0.07 A | 0.98 ± 0.09 A | 0.99 ± 0.09 A | |
| Φ (%) | TCSR | 82.89 ± 3.63 A | 83.08 ± 3.24 A | 83.5 ± 5.54 A | 82.21 ± 3.81 A |
| MCSR | 82.17 ± 3.25 A | 82.62 ± 1.5 A | 82.83 ± 2.81 A | 82.19 ± 2.74 A | |
| FH (N) | TCSR | 4.94 ± 1.87 AB | 3.63 ± 1.28 BC | 2.07 ± 0.61 DE | 1.33 ± 0.67 E |
| MCSR | 5.06 ± 0.8 A | 4.34 ± 0.66 A–C | 3.03 ± 0.23 CD | 3.19 ± 0.34 CD | |
| pH | TCSR | 8.36 ± 0.07 AB | 8.12 ± 0.07 BC | 7.65 ± 0.13 E | 7.15 ± 0.02 F |
| MCSR | 8.48 ± 0.4 A | 8.3 ± 0.19 A–C | 8.06 ± 0.22 CD | 7.81 ± 0.19 DE | |
| TSS (°Brix) | TCSR | 74.57 ± 1.06 D | 75.54 ± 0.68 CD | 77.5 ± 0.68 C | 88.73 ± 0.97 A |
| MCSR | 73.84 ± 2.44 D | 74.69 ± 1.24 D | 75.67 ± 0.9 CD | 82.85 ± 3.27 B | |
| MC (%) | TCSR | 19.88 ± 0.72 F | 22.01 ± 0.8 DE | 26.28 ± 1.38 B | 28.75 ± 1.39 A |
| MCSR | 19.63 ± 0.66 F | 20.82 ± 0.61 EF | 22.96 ± 0.83 CD | 24.19 ± 0.75 C | |
| Aw | TCSR | 0.62 ± 0.03 E | 0.66 ± 0.03 DE | 0.76 ± 0.06 BC | 0.9 ± 0.05 A |
| MCSR | 0.64 ± 0.08 DE | 0.65 ± 0.04 DE | 0.7 ± 0.04 CD | 0.77 ± 0.05 B | |
| L | TCSR | 43 ± 2.84 D | 44.74 ± 1.99 CD | 48.21 ± 2.1 B | 51.72 ± 1.4 A |
| MCSR | 43.73 ± 3.43 D | 44.23 ± 1.65 D | 45.97 ± 1.85 BD | 47.72 ± 1.08 BC | |
| a | TCSR | 9.83 ± 2.73 A | 9.64 ± 1.7 A | 9.26 ± 3.1 A | 4.99 ± 1.24 B |
| MCSR | 9.58 ± 1.79 A | 9.61 ± 0.82 A | 9.42 ± 1.46 A | 7.29 ± 0.81 AB | |
| b | TCSR | 13.05 ± 1.63 A | 11.4 ± 1.22 A–C | 8.08 ± 2.94 DE | 6.71 ± 1.37 E |
| MCSR | 12.81 ± 1.23 A | 12.1 ± 0.57 AB | 10.45 ± 1.37 BC | 9.76 ± 0.86 CD | |
| h° | TCSR | 64.94 ± 5.56 A | 60.51 ± 3.62 AB | 64.79 ± 5.19 A | 50.6 ± 4.39 C |
| MCSR | 66.15 ± 5.69 A | 63.33 ± 2.49 AB | 57.8 ± 3.06 B | 65.47 ± 3.37 A | |
| c | TCSR | 16.39 ± 2.89 A | 14.94 ± 1.95 A–C | 12.31 ± 4.2 C | 8.38 ± 1.74 D |
| MCSR | 16.87 ± 1.77 A | 15.91 ± 1.44 AB | 14.59 ± 2.49 A–C | 12.63 ± 1 BC | |
| ∆E | TCSR | 0 ± 0 | 3.21 ± 0.78 C | 6.43 ± 1.56 AB | 7.14 ± 2.75 A |
| MCSR | 0 ± 0 | 2.65 ± 2.34 C | 3.51 ± 1.36 C | 4.4 ± 2.21 BC | |
Publisher’s Note: MDPI stays neutral with regard to jurisdictional claims in published maps and institutional affiliations. |
© 2022 by the authors. Licensee MDPI, Basel, Switzerland. This article is an open access article distributed under the terms and conditions of the Creative Commons Attribution (CC BY) license (https://creativecommons.org/licenses/by/4.0/).
Share and Cite
Mohammed, M.; Riad, K.; Alqahtani, N. Design of a Smart IoT-Based Control System for Remotely Managing Cold Storage Facilities. Sensors 2022, 22, 4680. https://doi.org/10.3390/s22134680
Mohammed M, Riad K, Alqahtani N. Design of a Smart IoT-Based Control System for Remotely Managing Cold Storage Facilities. Sensors. 2022; 22(13):4680. https://doi.org/10.3390/s22134680
Chicago/Turabian StyleMohammed, Maged, Khaled Riad, and Nashi Alqahtani. 2022. "Design of a Smart IoT-Based Control System for Remotely Managing Cold Storage Facilities" Sensors 22, no. 13: 4680. https://doi.org/10.3390/s22134680
APA StyleMohammed, M., Riad, K., & Alqahtani, N. (2022). Design of a Smart IoT-Based Control System for Remotely Managing Cold Storage Facilities. Sensors, 22(13), 4680. https://doi.org/10.3390/s22134680
