Enhancing Precision with an Ensemble Generative Adversarial Network for Steel Surface Defect Detectors (EnsGAN-SDD)
Abstract
:1. Introduction
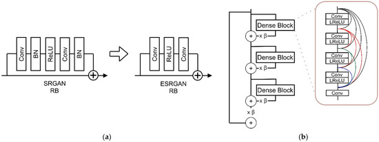
1.1. The Benefecial of Super Resolution Generative Adversarial Networks
1.2. The Benefecial of Feature Pyramid Networks
1.3. The Major Contributions and Novelty of the Proposed EnsGAN-SDD
2. Related Works
3. Proposed Methods
| Algorithm 1 Algorithm of the proposed method |
|
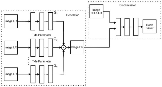
3.1. Proposed EnsGAN
3.2. Detection Baseline
3.3. Boundary Localization
4. Experiments
4.1. Results and Discussion of Proposed Preprocessing
4.2. Results and Discussion of Proposed Inspection System
5. Conclusions
Author Contributions
Funding
Institutional Review Board Statement
Informed Consent Statement
Data Availability Statement
Conflicts of Interest
References
- Akhyar, F.; Lin, C.-Y.; Kathiresan, G.S. A Beneficial Dual Transformation Approach for Deep Learning Networks Used in Steel Surface Defect Detection. In Proceedings of the 2021 International Conference on Multimedia Retrieval, Taipei, Taiwan, 21–24 August 2021; pp. 619–622. [Google Scholar]
- Buslaev, A.; Iglovikov, V.I.; Khvedchenya, E.; Parinov, A.; Druzhinin, M.; Kalinin, A.A. Albumentations: Fast and flexible image augmentations. Information 2020, 11, 125. [Google Scholar] [CrossRef] [Green Version]
- Jung, S.; Kim, J. Adaptive and stabilized real-time super-resolution control for UAV-assisted smart harbor surveillance platforms. J. Real-Time Image Process. 2021, 18, 1815–1825. [Google Scholar] [CrossRef]
- Greenspan, H. Super-resolution in medical imaging. Comput. J. 2009, 52, 43–63. [Google Scholar] [CrossRef]
- Chen, X.; Zhai, G.; Wang, J.; Hu, C.; Chen, Y. Color guided thermal image super resolution. In 2016 Visual Communications and Image Processing (VCIP); IEEE: Piscataway, NJ, USA, 2016; pp. 1–4. [Google Scholar]
- Rasti, P.; Uiboupin, T.; Escalera, S.; Anbarjafari, G. Convolutional neural network super resolution for face recognition in surveillance monitoring. In Proceedings of the International Conference on Articulated Motion and Deformable Objects, Palma de Mallorca, Spain, 13–15 July 2016; pp. 75–184. [Google Scholar]
- Du, X.; He, Y. Gradient-guided convolutional neural network for MRI image super-resolution. Appl. Sci. 2019, 9, 4874. [Google Scholar] [CrossRef] [Green Version]
- Song, H.; Yang, Y. Super-resolution visualization of subwavelength defects via deep learning-enhanced ultrasonic beamforming: A proof-of-principle study. NDT E Int. 2020, 116, 102344. [Google Scholar] [CrossRef]
- Wang, X.; Yu, K.; Wu, S.; Gu, J.; Liu, Y.; Dong, C.; Qiao, Y.; Loy, C.C. Esrgan: Enhanced super-resolution generative adversarial networks. In Proceedings of the European Conference on Computer Vision (ECCV) Workshops, Munich, Germany, 8–14 September 2018. [Google Scholar]
- Wang, X.; Xie, L.; Dong, C.; Shan, Y. Real-esrgan: Training real-world blind super-resolution with pure synthetic data. In Proceedings of the IEEE/CVF International Conference on Computer Vision, Montreal, QC, Canada, 11–17 October 2021; pp. 1905–1914. [Google Scholar]
- Dendorfer, P.; Elflein, S.; Leal-Taixé, L. MG-GAN: A Multi-Generator Model Preventing Out-of-Distribution Samples in Pedestrian Trajectory Prediction. In Proceedings of the IEEE/CVF International Conference on Computer Vision, Montreal, QC, Canada, 11–17 October 2021; pp. 13158–13167. [Google Scholar]
- Ghosh, A.; Kulharia, V.; Namboodiri, V.P.; Torr, P.H.; Dokania, P.K. Multi-agent diverse generative adversarial networks. In Proceedings of the IEEE Conference on Computer Vision and Pattern Recognition, Salt Lake City, UT, USA, 18–23 June 2018; pp. 8513–8521. [Google Scholar]
- Adiban, M.; Safari, A.; Salvi, G. Step-gan: A step-by-step training for multi generator gans with application to cyber security in power systems. arXiv 2020, arXiv:2009.05184. [Google Scholar]
- Zhang, A.; Su, L.; Zhang, Y.; Fu, Y.; Wu, L.; Liang, S. EEG data augmentation for emotion recognition with a multiple generator conditional Wasserstein GAN. Complex Intell. Syst. 2021, 1–13. [Google Scholar] [CrossRef]
- Lin, T.-Y.; Dollár, P.; Girshick, R.; He, K.; Hariharan, B.; Belongie, S. Feature pyramid networks for object detection. In Proceedings of the IEEE Conference on Computer Vision and Pattern Recognition, Honolulu, HI, USA, 21–26 July 2017; pp. 2117–2125. [Google Scholar]
- Ghiasi, G.; Lin, T.-Y.; Le, Q.V. Nas-fpn: Learning scalable feature pyramid architecture for object detection. In Proceedings of the IEEE/CVF Conference on Computer Vision and Pattern Recognition, Long Beach, CA, USA, 15–20 June 2019; pp. 7036–7045. [Google Scholar]
- Wang, J.; Chen, K.; Xu, R.; Liu, Z.; Loy, C.C.; Lin, D. Carafe: Content-aware reassembly of features. In Proceedings of the IEEE/CVF International Conference on Computer Vision, Seoul, Korea, 27 October–2 November 2019; pp. 3007–3016. [Google Scholar]
- Qiao, S.; Chen, L.-C.; Yuille, A. DetectoRS: Detecting Objects with Recursive Feature Pyramid and Switchable Atrous Convolution. arXiv 2020, arXiv:2006.02334. [Google Scholar]
- Ren, S.; He, K.; Girshick, R.; Sun, J. Faster r-cnn: Towards real-time object detection with region proposal networks. Adv. Neural Inf. Process. Syst. 2015, 28, 91–99. [Google Scholar] [CrossRef] [Green Version]
- Wang, J.; Zhang, W.; Cao, Y.; Chen, K.; Pang, J.; Gong, T.; Shi, J.; Loy, C.C.; Lin, D. Side-aware boundary localization for more precise object detection. In European Conference on Computer Vision; Springer: Cham, Switzerland, 2020; pp. 403–419. [Google Scholar]
- Guo, Z.; Wang, C.; Yang, G.; Huang, Z.; Li, G. MSFT-YOLO: Improved YOLOv5 Based on Transformer for Detecting Defects of Steel Surface. Sensors 2022, 22, 3467. [Google Scholar] [CrossRef]
- Amosov, O.S.; Amosova, S.G.; Iochkov, I.O. Deep Neural Network Recognition of Rivet Joint Defects in Aircraft Products. Sensors 2022, 22, 3417. [Google Scholar] [CrossRef] [PubMed]
- Su, B.; Chen, H.; Chen, P.; Bian, G.; Liu, K.; Liu, W. Deep learning-based solar-cell manufacturing defect detection with complementary attention network. IEEE Trans. Ind. Inform. 2020, 17, 4084–4095. [Google Scholar] [CrossRef]
- He, Y.; Song, K.; Meng, Q.; Yan, Y. An end-to-end steel surface defect detection approach via fusing multiple hierarchical features. IEEE Trans. Instrum. Meas. 2019, 69, 1493–1504. [Google Scholar] [CrossRef]
- Zhao, B.; Dai, M.; Li, P.; Xue, R.; Ma, X. Defect detection method for electric multiple units key components based on deep learning. IEEE Access 2020, 8, 136808–136818. [Google Scholar] [CrossRef]
- Shi, J.; Li, Z.; Zhu, T.; Wang, D.; Ni, C. Defect detection of industry wood veneer based on NAS and multi-channel mask R-CNN. Sensors 2020, 20, 4398. [Google Scholar] [CrossRef]
- Liu, J.; Wang, C.; Su, H.; Du, B.; Tao, D. Multistage GAN for fabric defect detection. IEEE Trans. Image Process. 2019, 29, 3388–3400. [Google Scholar] [CrossRef]
- Zhang, G.; Pan, Y.; Zhang, L. Semi-supervised learning with GAN for automatic defect detection from images. Autom. Constr. 2021, 128, 103764. [Google Scholar] [CrossRef]
- Chen, S.-H.; Kang, C.-H.; Perng, D.-B. Detecting and measuring defects in wafer die using gan and yolov3. Appl. Sci. 2020, 10, 8725. [Google Scholar] [CrossRef]
- Arora, S.; Ge, R.; Liang, Y.; Ma, T.; Zhang, Y. Generalization and equilibrium in generative adversarial nets (gans). In International Conference on Machine Learning; PMLR: London, UK, 2017; pp. 224–232. [Google Scholar]
- Hoang, Q.; Nguyen, T.D.; Le, T.; Phung, D. MGAN: Training generative adversarial nets with multiple generators. In Proceedings of the International Conference on Learning Representations, Vancouver, BC, Canada, 30 April–3 May 2018. [Google Scholar]
- Durugkar, I.; Gemp, I.; Mahadevan, S. Generative multi-adversarial networks. arXiv 2016, arXiv:1611.01673. [Google Scholar]
- Cai, Z.; Vasconcelos, N. Cascade r-cnn: Delving into high quality object detection. In Proceedings of the IEEE Conference on Computer Vision and Pattern Recognition, Salt Lake City, UT, USA, 18–23 June 2018; pp. 6154–6162. [Google Scholar]
- Bochkovskiy, A.; Wang, C.-Y.; Liao, H.-Y.M. YOLOv4: Optimal Speed and Accuracy of Object Detection. arXiv 2020, arXiv:2004.10934. [Google Scholar]
- Wang, W.; Xie, E.; Li, X.; Fan, D.-P.; Song, K.; Liang, D.; Lu, T.; Luo, P.; Shao, L. Pyramid vision transformer: A versatile backbone for dense prediction without convolutions. In Proceedings of the IEEE/CVF International Conference on Computer Vision, Montreal, QC, Canada, 11–17 October 2021; pp. 568–578. [Google Scholar]
- Ledig, C.; Theis, L.; Huszár, F.; Caballero, J.; Cunningham, A.; Acosta, A.; Aitken, A.; Tejani, A.; Totz, J.; Wang, Z. Photo-realistic single image super-resolution using a generative adversarial network. In Proceedings of the IEEE Conference on Computer Vision and Pattern Recognition, Honolulu, HI, USA, 21–26 July 2017; pp. 4681–4690. [Google Scholar]
- Jolicoeur-Martineau, A. The relativistic discriminator: A key element missing. arXiv 2018, arXiv:1807.00734. [Google Scholar]
- Ge, Z.; Liu, S.; Wang, F.; Li, Z.; Sun, J. Yolox: Exceeding yolo series in 2021. arXiv 2021, arXiv:2107.08430. [Google Scholar]
- Kong, T.; Sun, F.; Liu, H.; Jiang, Y.; Li, L.; Shi, J. Foveabox: Beyound anchor-based object detection. IEEE Trans. Image Process. 2020, 29, 7389–7398. [Google Scholar] [CrossRef]
- Wang, W.; Xie, E.; Li, X.; Fan, D.-P.; Song, K.; Liang, D.; Lu, T.; Luo, P.; Shao, L. Pvtv2: Improved baselines with pyramid vision transformer. Comput. Vis. Media 2022, 8, 415–424. [Google Scholar] [CrossRef]
- Jocher, G.; Nishimura, K.; Mineeva, T.; Vilariño, R. yolov5. Code Repository. 2020. Available online: https://github.com/ultralytics/yolov5 (accessed on 24 April 2022).
- Riid, A.; Louk, R.; Pihlak, R.; Tepljakov, A.; Vassiljeva, K. Pavement distress detection with deep learning using the orthoframes acquired by a mobile mapping system. Appl. Sci. 2019, 9, 4829. [Google Scholar] [CrossRef] [Green Version]
- Du, F.-J.; Jiao, S.-J. Improvement of Lightweight Convolutional Neural Network Model Based on YOLO Algorithm and Its Research in Pavement Defect Detection. Sensors 2022, 22, 3537. [Google Scholar] [CrossRef]
- Sun, X.; Gu, J.; Tang, S.; Li, J. Research progress of visual inspection technology of steel products—A review. Appl. Sci. 2018, 8, 2195. [Google Scholar] [CrossRef] [Green Version]
- Wan, X.; Zhang, X.; Liu, L. An improved VGG19 transfer learning strip steel surface defect recognition deep neural network based on few samples and imbalanced datasets. Appl. Sci. 2021, 11, 2606. [Google Scholar] [CrossRef]
- He, K.; Zhang, X.; Ren, S.; Sun, J. Deep residual learning for image recognition. In Proceedings of the IEEE Conference on Computer Vision and Pattern Recognition, Las Vegas, NV, USA, 27–30 June 2016; pp. 770–778. [Google Scholar]
- Xie, S.; Girshick, R.; Dollár, P.; Tu, Z.; He, K. Aggregated residual transformations for deep neural networks. In Proceedings of the IEEE Conference on Computer Vision and Pattern Recognition, Honolulu, HI, USA, 21–26 July 2017; pp. 1492–1500. [Google Scholar]
- Dong, C.; Loy, C.C.; He, K.; Tang, X. Image super-resolution using deep convolutional networks. IEEE Trans. Pattern Anal. Mach. Intell. 2015, 38, 295–307. [Google Scholar] [CrossRef] [Green Version]
- Lim, B.; Son, S.; Kim, H.; Nah, S.; Lee, K.M. Enhanced Deep Residual Networks for Single Image Super-Resolution. In Proceedings of the IEEE Conference on Computer Vision and Pattern Recognition Workshops, Honolulu, HI, USA, 21–26 July 2017. [Google Scholar]
- Zhang, Y.; Li, K.; Li, K.; Wang, L.; Zhong, B.; Fu, Y. Image super-resolution using very deep residual channel attention networks. In Proceedings of the European Conference on Computer Vision (ECCV), Munich, Germany, 8–14 September 2018; pp. 286–301. [Google Scholar]
- Nah, S.; Kim, T.H.; Lee, K.M. Deep Multi-scale Convolutional Neural Network for Dynamic Scene Deblurring. In Proceedings of the IEEE Conference on Computer Vision and pattern recognition, Salt Lake City, UT, USA, 18–23 June 2018. [Google Scholar]
- Boikov, A.; Payor, V.; Savelev, R.; Kolesnikov, A. Synthetic data generation for steel defect detection and classification using deep learning. Symmetry 2021, 13, 1176. [Google Scholar] [CrossRef]
- Ivanovska, M.; Perš, J.; Tabernik, D.; Skočaj, D. Evaluation of Anomaly Detection Algorithms for the Real-World Applications. In Proceedings of the 2020 25th International Conference on Pattern Recognition (ICPR), Milan, Italy, 10–15 January 2021; pp. 6196–6203. [Google Scholar]
- Wang, S.; Xia, X.; Ye, L.; Yang, B. Automatic detection and classification of steel surface defect using deep convolutional neural networks. Metals 2021, 11, 388. [Google Scholar] [CrossRef]
- Everingham, M.; van Gool, L.; Williams, C.K.; Winn, J.; Zisserman, A. The pascal visual object classes (voc) challenge. Int. J. Comput. Vis. 2010, 88, 303–338. [Google Scholar] [CrossRef] [Green Version]











| Input Image | Real-ESRGAN | ESRGAN | EnsGAN (2×) |
| Image 1 | 21.476 | 41.895 | 41.932 |
| Image 2 | 28.174 | 39.205 | 39.225 |
| Image 3 | 29.539 | 43.048 | 43.079 |
| Input Image | Real-ESRGAN | ESRGAN | EnsGAN (4×) |
| Image 1 | 21.476 | 41.895 | 41,949 |
| Image 2 | 28.174 | 39.205 | 39.233 |
| Image 3 | 29.539 | 43.048 | 43.081 |
| Input Image | Real-ESRGAN | ESRGAN | EnsGAN (8×) |
| Image 1 | 21.476 | 41.895 | 41.953 |
| Image 2 | 28.174 | 39.205 | 39.254 |
| Image 3 | 29.539 | 43.048 | 43.083 |
| Input Image | Real-ESRGAN | ESRGAN | EnsGAN (16×) |
| Image 1 | 21.476 | 41.895 | 42.005 |
| Image 2 | 28.174 | 39.205 | 39.278 |
| Image 3 | 29.539 | 43.048 | 43.135 |
| Input Image | Real-ESRGAN | ESRGAN | EnsGAN (32×) |
| Image 1 | 21.476 | 41.895 | 41.789 |
| Image 2 | 28.174 | 39.205 | 39.182 |
| Image 3 | 29.539 | 43.048 | 42.975 |
| Input Image | Real-ESRGAN | ESRGAN | EnsGAN (2×) |
| Image 1 | 11.927s | 11.687s | 11.210s |
| Image 2 | 12.473s | 11.723s | 11.137s |
| Image 3 | 11.638s | 11.656s | 11.199s |
| Input Image | Real-ESRGAN | ESRGAN | EnsGAN (4×) |
| Image 1 | 11.927s | 11.687s | 10.548s |
| Image 2 | 12.473s | 11.723s | 10.497s |
| Image 3 | 11.638s | 11.656s | 10.511s |
| Input Image | Real-ESRGAN | ESRGAN | EnsGAN (8×) |
| Image 1 | 11.927s | 11.687s | 9.572s |
| Image 2 | 12.473s | 11.723s | 9.611s |
| Image 3 | 11.638s | 11.656s | 9.557s |
| Input Image | Real-ESRGAN | ESRGAN | EnsGAN (16×) |
| Image 1 | 11.927s | 11.687s | 7.937s |
| Image 2 | 12.473s | 11.723s | 8.250s |
| Image 3 | 11.638s | 11.656s | 8.123s |
| Input Image | Real-ESRGAN | ESRGAN | EnsGAN (32×) |
| Image 1 | 11.927s | 11.687s | 6.950s |
| Image 2 | 12.473s | 11.723s | 6.944s |
| Image 3 | 11.638s | 11.656s | 6.877s |
| Improvement | REC-1 | REC-2 | REC-3 | REC-4 | AP-1 | AP-2 | AP-3 | AP-4 | mAP |
|---|---|---|---|---|---|---|---|---|---|
| Baseline R-50 | 0.814 | 0.800 | 0.878 | 0.922 | 0.663 | 0.727 | 0.806 | 0.890 | 0.771 |
| + EnsGAN | 0.791 | 0.850 | 0.883 | 0.953 | 0.647 | 0.807 | 0.799 | 0.898 | 0.788 |
| + SABL | 0.791 | 0.850 | 0.863 | 0.969 | 0.668 | 0.813 | 0.775 | 0.904 | 0.790 |
| Baseline X-101 | 0.802 | 0.850 | 0.883 | 0.984 | 0.653 | 0.765 | 0.803 | 0.922 | 0.785 |
| + EnsGAN | 0.826 | 0.850 | 0.888 | 0.938 | 0.705 | 0.774 | 0.812 | 0.876 | 0.792 |
| + SABL | 0.849 | 0.850 | 0.883 | 0.922 | 0.727 | 0.801 | 0.800 | 0.889 | 0.804 |
| Model | Baseline | REC-1 | REC-2 | REC-3 | REC-4 | AP-1 | AP-2 | AP-3 | AP-4 | mAP |
|---|---|---|---|---|---|---|---|---|---|---|
| YOLOv4 | CSPDarknet | 0.895 | 0.850 | 0.949 | 0.922 | 0.443 | 0.615 | 0.664 | 0.710 | 0.608 |
| YOLOv5 | CSPDarknet | 0.837 | 0.900 | 0.921 | 0.906 | 0.423 | 0.693 | 0.607 | 0.682 | 0.601 |
| YOLOX | CSPDarknet | 0.802 | 0.900 | 0.921 | 0.828 | 0.529 | 0.628 | 0.745 | 0.707 | 0.652 |
| FoveaBox | R-50 | 0.826 | 0.750 | 0.905 | 0.953 | 0.574 | 0.450 | 0.771 | 0.870 | 0.666 |
| PVTv2 | PVTv2-B5 | 0.895 | 0.850 | 0.934 | 0.953 | 0.579 | 0.637 | 0.779 | 0.856 | 0.713 |
| Faster RCNN | R-50 | 0.756 | 0.850 | 0.879 | 0.891 | 0.531 | 0.746 | 0.636 | 0.700 | 0.653 |
| Cascade RCNN | R-50 | 0.802 | 0.850 | 0.878 | 0.891 | 0.608 | 0.714 | 0.684 | 0.696 | 0.675 |
| EnsGAN-SDD (our) | R-50 | 0.791 | 0.850 | 0.863 | 0.969 | 0.668 | 0.813 | 0.775 | 0.904 | 0.790 |
| EnsGAN-SDD (our) | X-101 | 0.849 | 0.850 | 0.883 | 0.922 | 0.727 | 0.801 | 0.800 | 0.889 | 0.804 |
Publisher’s Note: MDPI stays neutral with regard to jurisdictional claims in published maps and institutional affiliations. |
© 2022 by the authors. Licensee MDPI, Basel, Switzerland. This article is an open access article distributed under the terms and conditions of the Creative Commons Attribution (CC BY) license (https://creativecommons.org/licenses/by/4.0/).
Share and Cite
Akhyar, F.; Furqon, E.N.; Lin, C.-Y. Enhancing Precision with an Ensemble Generative Adversarial Network for Steel Surface Defect Detectors (EnsGAN-SDD). Sensors 2022, 22, 4257. https://doi.org/10.3390/s22114257
Akhyar F, Furqon EN, Lin C-Y. Enhancing Precision with an Ensemble Generative Adversarial Network for Steel Surface Defect Detectors (EnsGAN-SDD). Sensors. 2022; 22(11):4257. https://doi.org/10.3390/s22114257
Chicago/Turabian StyleAkhyar, Fityanul, Elvin Nur Furqon, and Chih-Yang Lin. 2022. "Enhancing Precision with an Ensemble Generative Adversarial Network for Steel Surface Defect Detectors (EnsGAN-SDD)" Sensors 22, no. 11: 4257. https://doi.org/10.3390/s22114257
APA StyleAkhyar, F., Furqon, E. N., & Lin, C.-Y. (2022). Enhancing Precision with an Ensemble Generative Adversarial Network for Steel Surface Defect Detectors (EnsGAN-SDD). Sensors, 22(11), 4257. https://doi.org/10.3390/s22114257

