Analytical Evaluation of Signal-to-Noise Ratios for Avalanche- and Single-Photon Avalanche Diodes
Abstract
1. Introduction
2. Model and Method
2.1. Time-Dependent Signals from APDs
2.1.1. APD Noise Sources
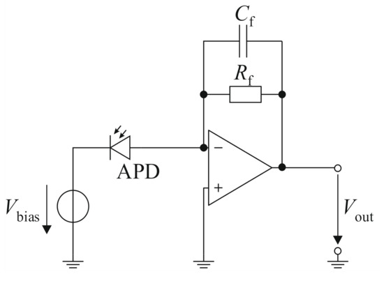
2.1.2. APD Noise Sources Including Readout Circuitry
2.1.3. APD SNR
2.2. Single-Photon Counting Using SPADs
2.2.1. SPAD Noise Sources
2.2.2. Photon Detection Statistics and Operation Modes
2.2.3. SPAD Histogram SNR for Time-Dependent Signals
3. Analytic Comparison of APD and SPAD Performances
3.1. General Comparison of Signal-to-Noise Ratios
3.2. Multi Pixel Detectors
4. Discussion and Outlook
Author Contributions
Funding
Institutional Review Board Statement
Informed Consent Statement
Data Availability Statement
Acknowledgments
Conflicts of Interest
References
- Gatt, P.; Johnson, S.; Nichols, T. Geiger-mode avalanche photodiode ladar receiver performance characteristics and detection statistics. Appl. Opt. 2009, 48, 3261–3276. [Google Scholar] [CrossRef] [PubMed]
- Buchner, A.; Hosticka, B.; Schrey, O.; Haase, J.F.; Ruskowski, J.; Grabmaier, A. Acquisition of Multiple Events in Direct Time-of-Flight LiDAR using Single-Photon Avalanche Diodes. In Proceedings of the 2020 IEEE Sensors Conference, Rotterdam, The Netherlands, 25–28 October 2020; pp. 1–4, ISSN 978-1-7281-6801-2. [Google Scholar]
- Seo, H.; Yoon, H.; Kim, D.; Kim, J.; Kim, S.-J.; Chun, J.-H.; Choi, J. Direct TOF scanning LiDAR sensor with two-step multievent histogramming TDC and embedded interference filter. IEEE J. Solid-State Circuits 2021, 56, 1022–1035. [Google Scholar] [CrossRef]
- Kolb, K. Signal-to-noise ratio of Geiger-mode avalanche photodiode single-photon counting detectors. Opt. Eng. 2014, 53, 81904. [Google Scholar] [CrossRef]
- Sze, S.M.; Lee, M.-K. Semiconductor Devices. Physics and Technology International Student Version, 3rd ed.; Wiley: Singapore, 2013; ISBN 0470873671. [Google Scholar]
- Kingston, R.H. Optical Sources, Detectors, and Systems. Fundamentals and Applications; Academic Press: San Diego, CA, USA, 1995; ISBN 9780124086555. [Google Scholar]
- Pasquinelli, K.; Lussana, R.; Tisa, S.; Villa, F.; Zappa, F. Single-Photon detectors modeling and selection criteria for high-background LiDAR. IEEE Sens. J. 2020, 20, 7021–7032. [Google Scholar] [CrossRef]
- Horst Zimmermann. APD and SPAD Receivers: Invited Paper. In Proceedings of the 2019 15th International Conference on Telecommunications (ConTEL), Graz, Austria,, 3–5 July 2019; pp. 1–5. [Google Scholar]
- Zhang, L.; Chitnis, D.; Chun, H.; Rajbhandari, S.; Faulkner, G.; O’Brien, D.; Collins, S. A comparison of APD-and SPAD-based receivers for visible light communications. J. Lightwave Technol. 2018, 36, 2435–2442. [Google Scholar] [CrossRef]
- McManamon, P.F.; Banks, P.; Beck, J.; Fried, D.G.; Huntington, A.S.; Watson, E.A. Comparison of flash lidar detector options. Opt. Eng. 2017, 56, 31223. [Google Scholar] [CrossRef]
- Graeme, J.G. Photodiode Amplifiers. Op amp Solutions; McGraw Hill: New York, NY, USA, 1996; ISBN 007024247X. [Google Scholar]
- Wood, D. Optoelectronic Semiconductor Devices. Prentice Hall: New York, NY, USA, 1994; ISBN 0136387500. [Google Scholar]
- Cova, S.; Ghioni, M.; Lacaita, A.; Samori, C.; Zappa, F. Avalanche photodiodes and quenching circuits for single-photon detection. Appl. Opt. 1996, 35, 1956–1976. [Google Scholar] [CrossRef] [PubMed]
- Perenzoni, M.; Pancheri, L.; Stoppa, D. Compact SPAD-based pixel architectures for time-resolved image sensors. Sensors 2016, 16, 745. [Google Scholar] [CrossRef] [PubMed]
- Niclass, C.; Soga, M. A miniature actively recharged single-photon detector free of afterpulsing effects with 6ns dead time in a 0 18 µm CMOS technology. In Proceedings of the 2010 IEEE International Electron Devices Meeting (IEDM), San Francisco, CA, USA, 6–8 December 2010; pp. 14.3.1–14.3.4, ISBN 978-1-4424-7418-5. [Google Scholar]
- Nolet, F.; Parent, S.; Roy, N.; Mercier, M.-O.; Charlebois, S.; Fontaine, R.; Pratte, J.-F. Quenching circuit and SPAD integrated in CMOS 65 nm with 7.8 ps FWHM single photon timing resolution. Instruments 2018, 2, 19. [Google Scholar] [CrossRef]
- Richardson, J.A.; Webster, E.A.G.; Grant, L.A.; Henderson, R.K. Scaleable single-photon avalanche diode structures in nanometer CMOS technology. IEEE Trans. Electron Devices 2011, 58, 2028–2035. [Google Scholar] [CrossRef]
- Hofbauer, M.; Steindl, B.; Zimmermann, H. Temperature Dependence of dark count rate and after pulsing of a single-photon avalanche diode with an integrated active quenching circuit in 0.35 µm CMOS. J. Sens. 2018, 2018, 1–7. [Google Scholar] [CrossRef]
- Saleh, B.E.A.; Teich, M.C. Fundamentals of Photonics, 2nd ed.John Wiley & Sons: Chicester, UK, 2013; ISBN 9781118585818. [Google Scholar]
- Beer, M. SPAD-Basierte Sensoren für die Laufzeitbasierte Distanzmessung bei hoher Hintergrundlichtintensität. 2018. Available online: https://duepublico2.uni-due.de/servlets/MCRFileNodeServlet/duepublico_derivate_00046797/Diss_Beer.pdf (accessed on 19 April 2021).
- Schillgalies, M. AD500-9 TO 3001351. 2018. Available online: https://www.first-sensor.com/cms/upload/datasheets/AD500-9_TO_3001351.pdf (accessed on 9 April 2021).
- Fouche, D.G. Detection and false-alarm probabilities for laser radars that use Geiger-mode detectors. Appl. Opt. 2003, 42, 5388–5398. [Google Scholar] [CrossRef] [PubMed]
- Huntington, A.S.; Williams, G.M.; Lee, A.O. Modeling false alarm rate and related characteristics of laser ranging and LIDAR avalanche photodiode photoreceivers. Opt. Eng. 2018, 57, 1. [Google Scholar] [CrossRef]
- Henriksson, M. Detection probabilities for photon-counting avalanche photodiodes applied to a laser radar system. Appl. Opt. 2005, 44, 5140–5147. [Google Scholar] [CrossRef] [PubMed]
- Arvani, F.; Carusone, A.C.; Rogers, E. TDC Sharing in SPAD-Based Direct Time-of-Flight 3D Imaging Applications. In Proceedings of the 2019 IEEE International Symposium on Circuits and Systems (ISCAS), Sapporo, Japan, 26–29 May 2019. [Google Scholar]
- Milstein, A.B.; Jiang, L.A.; Luu, J.X.; Hines, E.L.; Schultz, K.I. Acquisition algorithm for direct-detection ladars with Geiger-mode avalanche photodiodes. Appl. Opt. 2008, 47, 296–311. [Google Scholar] [CrossRef]
- Kostamovaara, J.; Jahromi, S.S.; Keränen, P. Temporal and spatial focusing in SPAD-based solid-state pulsed time-of-flight laser range imaging. Sensors 2020, 20, 5973. [Google Scholar] [CrossRef] [PubMed]
- LC-APD. Silicon Avalanche Photodiode SAR-/SARP-Series. Available online: https://www.lasercomponents.com/fileadmin/user_upload/home/Datasheets/lc-apd/sar-series.pdf (accessed on 9 April 2021).
- Takai, I.; Matsubara, H.; Soga, M.; Ohta, M.; Ogawa, M.; Yamashita, T. Single-photon avalanche diode with enhanced NIR-sensitivity for automotive LIDAR systems. Sensors 2016, 16, 459. [Google Scholar] [CrossRef]
- Haase, J.F.; Buchner, A.; Grollius, S.; Ruskowski, J.; Vogt, H. Measurement concept to reduce environmental impact in direct time-of-flight LiDAR sensors. In Quantum Sensing and Nano Electronics and Photonics XVII, Proceedings of the Quantum Sensing and Nano Electronics and Photonics XVII; San Francisco, CA, USA, 1–6 February 2020, Razeghi, M., Razeghi, M., Eds.; SPIE: Bellingham, WA, USA, 2020; p. 9. ISBN 9781510633391. [Google Scholar]
- Rapp, J.; Goyal, V.K. A Few Photons among many: Unmixing signal and noise for photon-efficient active imaging. IEEE Trans. Comput. Imaging 2017, 3, 445–459. [Google Scholar] [CrossRef]
- Niclass, C.; Soga, M.; Matsubara, H.; Kato, S.; Kagami, M. A 100-m Range 10-Frame/s 340 × 96-pixel time-of-flight depth sensor in 0.18-μm CMOS. IEEE J. Solid-State Circuits 2013, 48, 559–572. [Google Scholar] [CrossRef]
- Beer, M.; Haase, J.F.; Ruskowski, J.; Kokozinski, R. Background light rejection in SPAD-based LiDAR sensors by adaptive photon coincidence detection. Sensors 2018, 18, 4338. [Google Scholar] [CrossRef] [PubMed]








| Parameter | Symbol | Unit | [21] | [28] | [7] |
|---|---|---|---|---|---|
| Dark Current | nA | 0.8 | 0.5 | 0.1 | |
| Excess Noise Factor | - | 2.5 | - | 13 | |
| Diameter | µm | 500 | 500 | 500 | |
| Responsivity 1 | A/W | 58 | 50 | 40 | |
| Quantum Efficiency 1 | - | 0.8 | 0.85 | - | |
| Active Area | mm2 | 0.196 | 0.25 | 0.25 | |
| Rise Time | ns | 0.55 | 0.45 | - | |
| Amplification | - | 100 | 100 | 100 | |
| Number of APDs | - | 1 | 1 | 1 |
| Parameter | Symbol | Unit | Value |
|---|---|---|---|
| Dark Count Rate | Hz | 1000 | |
| Afterpulsing | - | <1% | |
| Dead Time | ns | 20 | |
| Bin Width | ns | 8 | |
| Pixel Pitch 1 | µm | 50 | |
| Number of SPADs 1 | - | 100 |
| Parameter | Symbol | Unit | Value |
|---|---|---|---|
| Time-of-Flight | ns | 667 | |
| Object distance | m | 100 | |
| Pulse Duration | ns | 8 | |
| Wavelength | nm | 905 | |
| Number of Laser shots | - | 1000 |
Publisher’s Note: MDPI stays neutral with regard to jurisdictional claims in published maps and institutional affiliations. |
© 2021 by the authors. Licensee MDPI, Basel, Switzerland. This article is an open access article distributed under the terms and conditions of the Creative Commons Attribution (CC BY) license (https://creativecommons.org/licenses/by/4.0/).
Share and Cite
Buchner, A.; Hadrath, S.; Burkard, R.; Kolb, F.M.; Ruskowski, J.; Ligges, M.; Grabmaier, A. Analytical Evaluation of Signal-to-Noise Ratios for Avalanche- and Single-Photon Avalanche Diodes. Sensors 2021, 21, 2887. https://doi.org/10.3390/s21082887
Buchner A, Hadrath S, Burkard R, Kolb FM, Ruskowski J, Ligges M, Grabmaier A. Analytical Evaluation of Signal-to-Noise Ratios for Avalanche- and Single-Photon Avalanche Diodes. Sensors. 2021; 21(8):2887. https://doi.org/10.3390/s21082887
Chicago/Turabian StyleBuchner, Andre, Stefan Hadrath, Roman Burkard, Florian M. Kolb, Jennifer Ruskowski, Manuel Ligges, and Anton Grabmaier. 2021. "Analytical Evaluation of Signal-to-Noise Ratios for Avalanche- and Single-Photon Avalanche Diodes" Sensors 21, no. 8: 2887. https://doi.org/10.3390/s21082887
APA StyleBuchner, A., Hadrath, S., Burkard, R., Kolb, F. M., Ruskowski, J., Ligges, M., & Grabmaier, A. (2021). Analytical Evaluation of Signal-to-Noise Ratios for Avalanche- and Single-Photon Avalanche Diodes. Sensors, 21(8), 2887. https://doi.org/10.3390/s21082887

