A Two-Axis Piezoresistive Force Sensing Tool for Microgripping
Abstract
:1. Introduction
2. Sensing Principle and Design
2.1. Sensing Principle
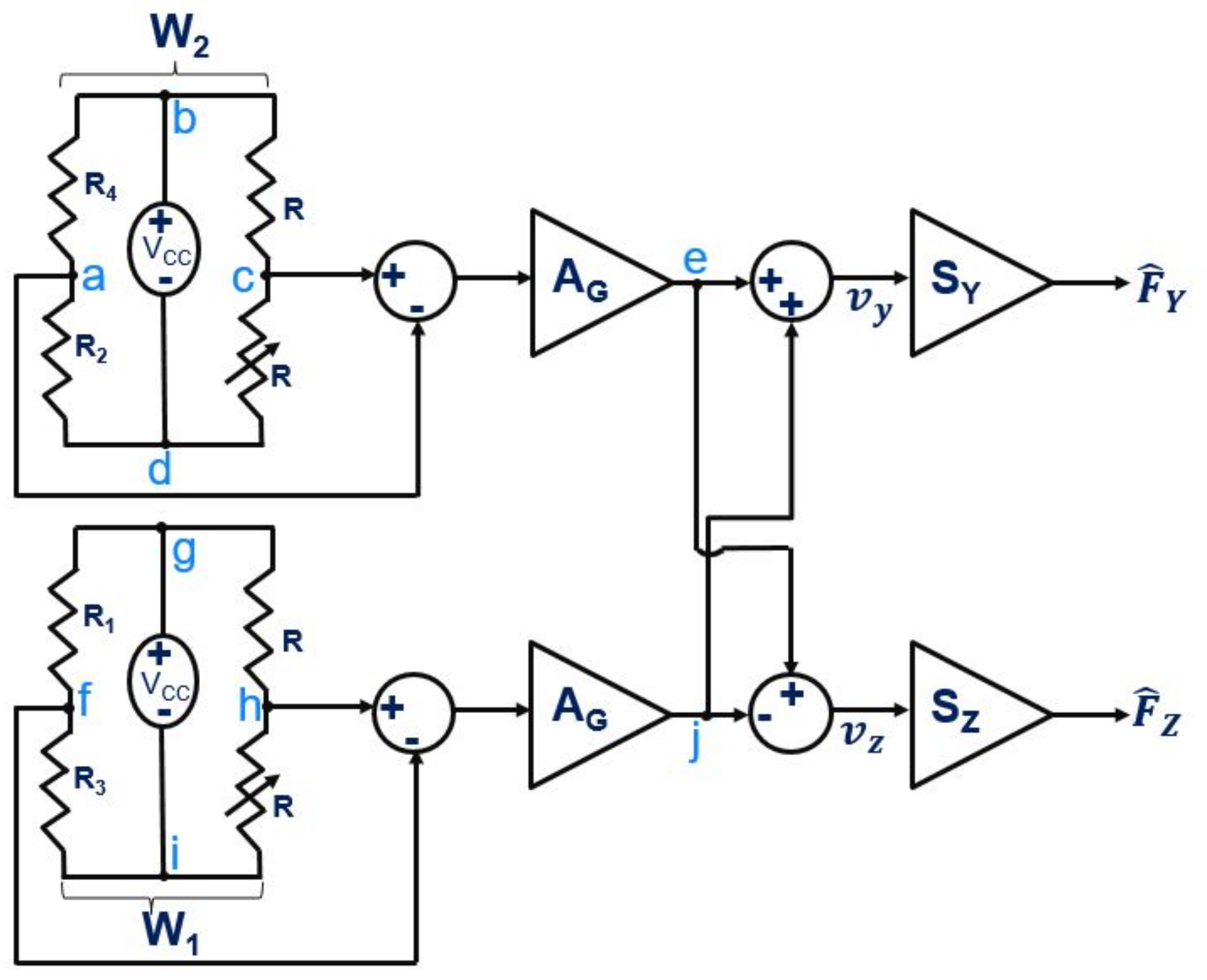
2.2. System Design
2.3. System Working
3. System Analysis in Comsol
3.1. Modeling of the System for Stress/Strain Estimation
3.2. Electrical Connectivity and Gauge Factor Calculation
4. Device Fabrication and Assembly Process
4.1. Fabrication of the Passive Tool
4.2. Fabrication of the Cavalier
4.3. Assembly Process
5. Experimental Studies
5.1. Experimental Setup
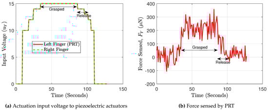
5.2. Characterization for Load along Y Axis
5.3. Characterization for Load along Z Axis
6. Proposed Sensing Tool for Instrumented Microgripper Development
7. Conclusions
Author Contributions
Funding
Data Availability Statement
Acknowledgments
Conflicts of Interest
References
- Xing, D.; Liu, F.; Xu, D. An efficient coordinated control strategy to handle randomized inclination in precision assembly. IEEE Trans. Ind. Inform. 2019, 16, 5814–5824. [Google Scholar] [CrossRef]
- Das, A.N.; Murthy, R.; Popa, D.O.; Stephanou, H.E. A multiscale assembly and packaging system for manufacturing of complex micro-nano devices. IEEE Trans. Autom. Sci. Eng. 2011, 9, 160–170. [Google Scholar] [CrossRef]
- Clévy, C.; Lungu, I.; Rabenorosoa, K.; Lutz, P. Positioning accuracy characterization of assembled microscale components for micro-optical benches. Assem. Autom. 2014, 34, 69–77. [Google Scholar] [CrossRef] [Green Version]
- Läubli, N.F.; Shamsudhin, N.; Vogler, H.; Munglani, G.; Grossniklaus, U.; Ahmed, D.; Nelson, B.J. 3D manipulation and imaging of plant cells using acoustically activated microbubbles. Small Methods 2019, 3, 1800527. [Google Scholar] [CrossRef] [Green Version]
- Zhu, M.; Zhang, K.; Tao, H.; Hopyan, S.; Sun, Y. Magnetic micromanipulation for in vivo measurement of stiffness heterogeneity and anisotropy in the mouse mandibular arch. Research 2020. [Google Scholar] [CrossRef]
- Clévy, C.; Sauvet, B.; Rauch, J.Y.; Lehmann, O.; Marionnet, F.; Lutz, P.; Beccacece, L.; Xavier, S.; Aubry, R.; Ziaei, A.; et al. In-situ Versatile Characterization of Carbon NanoTubes using Nanorobotics. In Proceedings of the International Conference on Manipulation, Automation and Robotics at Small Scales, Helsinki, Finland, 1–5 July 2019. [Google Scholar]
- Annadhasan, M.; Karothu, D.P.; Chinnasamy, R.; Catalano, L.; Ahmed, E.; Ghosh, S.; Chandrasekar, R. Micromanipulation of mechanically compliant organic single-crystal optical microwaveguides. Angew. Chem. Int. Ed. 2020, 59, 13821–13830. [Google Scholar] [CrossRef]
- Penny, H.; Hayman, D.T.; Avci, E. Micromanipulation System for Isolating a Single Cryptosporidium Oocyst. Micromachines 2019, 11, 3. [Google Scholar] [CrossRef] [PubMed] [Green Version]
- Xie, H.; Zhang, H.; Song, J.; Meng, X.; Wen, Y.; Sun, L. High-Precision Automated Micromanipulation and Adhesive Microbonding with Cantilevered Micropipette Probes in Dynamic Probing Modet. IEEE/Asme Trans. Mechatron. 2018, 23, 1425–1435. [Google Scholar] [CrossRef]
- Power, M.; Seneci, C.A.; Thompson, A.J.; Yang, G.Z. Modelling and Characterization of a Compliant Tethered Microgripper for Microsurgical Applications. In Proceedings of the International Conference on Manipulation, Automation and Robotics at Small Scales, Montreal, Canada, 17–21 July 2017. [Google Scholar]
- Li, X.; Fukuda, T. Magnetically Guided Micromanipulation of Magnetic Microrobots for Accurate Creation of Artistic Patterns in Liquid Environment. Micromachines 2020, 11, 697. [Google Scholar] [CrossRef] [PubMed]
- Xinjian, F.; Mengmeng, S.; Zhihua, L.; Jianmin, S.; He, Q.; Sun, L.; Xie, H. Automated Noncontact Micromanipulation Using Magnetic Swimming Microrobots. IEEE Trans. Nanotechnol. 2018, 17, 666–669. [Google Scholar]
- Youssefi, O.; Diller, E. Contactless Robotic Micromanipulation in Air Using a Magneto-Acoustic System. IEEE Robot. Autom. Lett. 2019, 4, 1580–1586. [Google Scholar] [CrossRef]
- Chillara, V.S.C.; Ramanathan, A.K.; Dapino, M.J. Self-sensing piezoelectric bistable laminates for morphing structures. Smart Mater. Struct. 2020, 29, 085008. [Google Scholar] [CrossRef]
- Clévy, C.; Rakotondrabe, M.; Chaillet, N. Signal Measurement and Estimation Techniques for Micro and Nanotechnology; Springer Science & Business Media: Berlin/Heidelberg, Germany, 2011. [Google Scholar]
- Komati, B.; Clévy, C.; Lutz, P. High Bandwidth Microgripper with Integrated Force Sensors and Position Estimation for the Grasp of Multi-stiffness Microcomponents. IEEE/ASME Trans. Mechatron. 2016, 21, 2039–2049. [Google Scholar] [CrossRef] [Green Version]
- Power, M.; Thompson, A.J.; Anastasova, S.; Yang, G.Z. A Monolithic Force-Sensitive 3D Microgripper Fabricated on the Tip of an Optical Fiber Using 2-Photon Polymerization. Small 2018, 14, 1703964. [Google Scholar] [CrossRef] [PubMed] [Green Version]
- Xu, Q. Design and Implementation of a Force-Sensing MEMS Microgripper. In Micromachines for Biological Micromanipulation; Springer: Cham, Switzerland, 2018. [Google Scholar]
- Boudaoud, M.; Regnier, S. An overview on gripping force measurement at the micro and nano-scales using two-fingered microrobotic systems. Int. J. Adv. Robot. Syst. 2014, 11, 45. [Google Scholar] [CrossRef]
- Komati, B.; Clévy, C.; Lutz, P. Sliding Mode Impedance Controlled Smart Fingered Microgripper for Automated Grasp and Release Tasks at the Microscale. In International Precision Assembly Seminar; Springer: Cham, Switzerland, 2018; pp. 201–213. [Google Scholar]
- Tiwari, B.; Clévy, C.; Lutz, P. High-Precision Gluing Tasks Based on Thick Films of Glue and a Microrobotics Approach. IEEE Robot. Autom. Lett. 2019, 4, 4370–4377. [Google Scholar] [CrossRef]
- Liu, S.; Li, Y.F.; Wang, X.W. A Novel Dual-Probe-Based Micrograsping System Allowing Dexterous 3-D Orientation Adjustments. IEEE Trans. Autom. Sci. Eng. 2020, 17, 2048–2062. [Google Scholar] [CrossRef]
- Placet, V.; Blot, M.; Weemaes, T.; Bernollin, H.; Laurent, G.; Amiot, F.; Clévy, C.; Beaugrand, J. Transverse compressive properties of natural fibers determined using micro mechatronic systems and 2D full-field measurements. Mater. Today Proc. 2020, 31, S303–S308. [Google Scholar] [CrossRef]
- Rabenorosoa, K.; Clévy, C.D.; Lutz, P.; Das, A.N.; Murthy, R.; Popa, D. Precise motion control of a piezoelectric microgripper for microspectrometer assembly. In Proceedings of the International Design Engineering Technical Conferences and Computers and Information in Engineering Conference, San Diego, CA, USA, 30 August–2 September 2009; pp. 769–776. [Google Scholar]
- Bettahar, H.; Clévy, C.; Courjal, N.; Lutz, P. Force-Position Photo-Robotic Approach for the High-Accurate Micro-Assembly of Photonic Devices. IEEE Robot. Autom. Lett. 2020, 5, 6396–6402. [Google Scholar] [CrossRef]
- Tiwari, B.; Blot, M.; Laurent, G.J.; Agnus, J.; Sandoz, P.; Lutz, P.; Clévy, C. A High Range-to-Resolution Multi-axis μForce and Torque Sensing Platform. IEEE/ASME Trans. Mechatronics 2021, 26, 1837–1845. [Google Scholar] [CrossRef]
- Yang, S.; Xu, Q.; Nan, Z. Design and Development of a Dual-Axis Force Sensing MEMS Microgripper. J. Mech. Robot. 2017, 9, 061011. [Google Scholar] [CrossRef]
- Warkusz, F. The size effect and the temperature coefficient of resistance in thin films. J. Phys. Appl. Phys. 1978, 11, 689. [Google Scholar] [CrossRef]
- Greaves, G.N.; Greer, A.L.; Lakes, R.S.; Rouxel, T. Poisson’s ratio and modern materials. Nat. Mater. 2011, 10, 823–837. [Google Scholar] [CrossRef]
- McCarthy, E.K.; Bellew, A.T.; Sader, J.E.; Boland, J.J. Poisson’s ratio of individual metal nanowires. Nat. Commun. 2014, 5, 1–7. [Google Scholar] [CrossRef] [Green Version]
- Oh, S.; Kim, J.; Chang, S.T. Highly sensitive metal-grid strain sensors via water based solution processing. RSC Adv. 2018, 8, 42153–42159. [Google Scholar] [CrossRef] [Green Version]
- Park, B.; Kim, J.; Kang, D.; Jeong, C.; Kim, K.S.; Kim, J.U.; Yoo, P.J.; Kim, T. Dramatically Enhanced Mechanosensitivity and Signal-to-Noise Ratio of Nanoscale Crack-Based Sensors: Effect of Crack Depth. Adv. Mater. 2016, 28, 8130–8137. [Google Scholar] [CrossRef]
- Yang, S.; Lu, N. Gauge Factor and Stretchability of Silicon-on-Polymer Strain Gauges. Sensors 2013, 13, 8577–8594. [Google Scholar] [CrossRef] [Green Version]
- Komati, B.; Agnus, J.; Clévy, C.; Lutz, P. Prototyping of a highly performant and integrated piezoresistive force sensor for microscale applications. Micromechanics Microengineering 2014, 24, 035018. [Google Scholar] [CrossRef] [Green Version]
- Wei, J.; Magnani, S.; Sarro, P.M. Suspended submicron silicon-beam for high sensitivity piezoresistive force sensing cantilevers. Sens. Actuators 2012, 186, 80–85. [Google Scholar] [CrossRef]
- Al-Shareef, K.J.H.; Brandon, J.A.; Griffiths, A.J. A simplified technique for the analysis of multi-stepped beams. Proc. Inst. Mech. Eng. Part C J. Mech. Eng. Sci. 1995, 3, 215–217. [Google Scholar] [CrossRef]
- Billot, M.; Xu, X.; Agnus, J.; Piat, E.; Stempflé, P. Multi-axis MEMS force sensor for measuring friction components involved in dexterous micromanipulation: Design and optimization. Int. J. Nanomanuf. 2015, 11, 161–184. [Google Scholar] [CrossRef]
- Norton, P.; Brandt, J. Temperature coefficient of Resistance for p- and n-type Silicon. Solid State Electron. 1978, 21, 969–974. [Google Scholar] [CrossRef]
- Alneamy, A.M.; Khater, M.E.; Abdel-Aziz, A.K.; Heppler, G.R.; Abdel-Rahman, E.M. Electrostatic arch micro-tweezers. Int. J. Non-Linear Mech. 2020, 118, 103298. [Google Scholar] [CrossRef]
- Xie, H.; Meng, X.; Zhang, H.; Sun, L. Development of a Magnetically Driven Microgripper for PicoNewton Force-Controlled Microscale Manipulation and Characterization. IEEE Trans. Ind. Electron. 2019, 67, 2065–2075. [Google Scholar] [CrossRef]
- Tisnes, S.D.; Petit, L.; Prelle, C.; Lamarque, F. Modeling and experimental validation of a planar micro conveyor based on a 2 x 2 array of digital electromagnetic actuators. IEEE/ASME Trans. Mechatron. 2020, 26, 1422–1432. [Google Scholar] [CrossRef]
- Gursky, B.; Bütefisch, S.; Leester-Schädel, M.; Li, K.; Matheis, B.; Dietzel, A. A Disposable Pneumatic Microgripper for Cell Manipulation with Image-Based Force Sensing. Micromachines 2019, 10, 707. [Google Scholar] [CrossRef] [Green Version]
- Vargas-Chable, P.; Ferrara-Bello, C.A.; Sandoval-Reyes, J.O.; Tecpoyotl-Torres, M.; Varona, J. A novel electrothermal compliance microgripper. In Proceedings of the International Conference on Mechatronics, Electronics and Automotive Engineering, Cuernavaca, Mexico, 26–29 November 2019. [Google Scholar]
- Ruggeri, S.; Fontana, G.; Ghidoni, A.; Morelli, A.; Legnani, G.; Lezzi, A.M.; Fassi, I. A Preliminary Fluid Dynamic Model of a Vacuum Micro-Gripper With Integrated Release System. In Proceedings of the International Design Engineering Technical Conferences and Computers and Information In Engineering Conference, Quebec, QC, Canada, 26–29 August 2018. [Google Scholar]
- Llewellyn-Evans, H.; Griffiths, C.A.; Fahmy, A.A. An experimental study into displacement of a shape memory alloy actuated robotic microgripper. Eng. Res. Express 2020, 2, 015027. [Google Scholar] [CrossRef]
- Das, T.K.; Shirirnzadeh, B.; Al-Jodah, A.; Ghafarian, M.; Pinskier, J. A novel compliant piezoelectric actuated symmetric microgripper for the parasitic motion compensation. Mech. Mach. Theory 2021, 155, 104069. [Google Scholar]
- Deng, J.; Chen, W.; Yu, H. A XY Transporting and Nanopositioning Piezoelectric Robot Operated by Leg Rowing Mechanism. IEEE/ASME Trans. Mechatron. 2019, 24, 207–217. [Google Scholar] [CrossRef]
- Chen, X.; Su, C.; Li, Z.; Yang, F. Design of Implementable Adaptive Control for Micro/Nano Positioning System Driven by Piezoelectric Actuator. IEEE Trans. Ind. Electron. 2016, 63, 6471–6481. [Google Scholar] [CrossRef]
- Deng, J.; Liu, Y.; Zhang, S.; Li, J. Development of a Nano-Positioning Platform with Large Travel Range Based on Bionic Quadruped Piezoelectric Actuator. IEEE/ASME Trans. Mechatron. 2020, 26, 2059–2070. [Google Scholar] [CrossRef]
















| Force | ||||
|---|---|---|---|---|
| + | − | − | + | |
| − | − | + | + |
| Parameters | Value |
|---|---|
| , (m) | 40 |
| , (m) | 50 |
| (m) | 50 |
| (m) | 350 |
| (m) | 575 |
| (m) | 525 |
| Poisson’s Ratio, | 0.27 |
| Piezoresistive Coefficient, () | 718 |
| Young Modulus, E (GPa) | 170 |
| No load Resistivity, (mm) | 0.25 |
| Resistors | Values (kΩ) |
|---|---|
| 2.98 | |
| 3.01 | |
| 3.22 | |
| 2.88 |
| Parameters | Y | Z |
|---|---|---|
| Stiffness (N/m) | 5130.3 | 2342.4 |
| Sensitivity (μN/V) | 2280 | 2390 |
| Resolution (μN) | 20 | 20 |
| Standard Deviation (μN) | 28 | 22 |
Publisher’s Note: MDPI stays neutral with regard to jurisdictional claims in published maps and institutional affiliations. |
© 2021 by the authors. Licensee MDPI, Basel, Switzerland. This article is an open access article distributed under the terms and conditions of the Creative Commons Attribution (CC BY) license (https://creativecommons.org/licenses/by/4.0/).
Share and Cite
Tiwari, B.; Billot, M.; Clévy, C.; Agnus, J.; Piat, E.; Lutz, P. A Two-Axis Piezoresistive Force Sensing Tool for Microgripping. Sensors 2021, 21, 6059. https://doi.org/10.3390/s21186059
Tiwari B, Billot M, Clévy C, Agnus J, Piat E, Lutz P. A Two-Axis Piezoresistive Force Sensing Tool for Microgripping. Sensors. 2021; 21(18):6059. https://doi.org/10.3390/s21186059
Chicago/Turabian StyleTiwari, Bhawnath, Margot Billot, Cédric Clévy, Joël Agnus, Emmanuel Piat, and Philippe Lutz. 2021. "A Two-Axis Piezoresistive Force Sensing Tool for Microgripping" Sensors 21, no. 18: 6059. https://doi.org/10.3390/s21186059
APA StyleTiwari, B., Billot, M., Clévy, C., Agnus, J., Piat, E., & Lutz, P. (2021). A Two-Axis Piezoresistive Force Sensing Tool for Microgripping. Sensors, 21(18), 6059. https://doi.org/10.3390/s21186059

