A Virtual Instrument for Measuring the Piezoelectric Coefficients of a Thin Disc in Radial Resonant Mode
Abstract
1. Introduction
- Improve the automatic procedure for the calculation of piezoelectric coefficients in resonant mode.
- Increase the speed of processing and the calculation of constants.
- Increase the accuracy of the results.
- Improve the user interface by making it friendly and intuitive.
- Provide the system with tools for the exploration and export of the acquired and processed data.
- Make the Virtual Instrument software easily readable, expandable, and scalable.
2. Virtual Instrument Description
- The measured admittance of the sample, which is placed in a 16065A Ext Voltage Bias Fixture HP sample holder connected to an HP4194A impedance analyser. The sample holder has to meet the two conditions of allowing the sample to vibrate freely, by not using rigid terminals that will clamp the sample, and avoiding the addition of admittance components that could modify the measurement of the complex admittance of the sample. Figure 4 shows how the sample is connected:
- The start frequency (Hz), that is, the initial excitation frequency.
- The stop frequency (Hz), that is, the final excitation frequency.
- The sample radius a (mm) and sample thickness t (mm).
- , the elastic stiffness coefficient (N/m2) in the radial plane:where is the compliance, which is the relationship between the relative deformation in the p-axis and the mechanical stress in the q direction for an electric field E.
- , the planar radial Poisson’s ratio:
- , the relative dielectric permittivity when an electric field is applied in the direction of polarisation (i.e., direction 3) at a constant mechanical stress (T = 0, “free” permittivity). Therefore, , where .
- d31, the proportion between the dimensional variation (Δr) of the piezoelectric material (in meters) and the difference of potential applied in volts in axis 3, as well as between the generation of electric charges and the force applied in the material.
- kp, planar radial piezoelectric coupling:
- Measurement graphs: The Virtual Instrument provides several graphs from the measured data of electrical admittance, Y = G + iB, as well as utilities for data exploration.
- Logged data file: The Virtual Instrument records the measured and calculated data in files that can be exported to other applications. Moreover, all the intermediate steps of the calculations performed in the iterations are recorded.
2.1. Virtual Instrument Measurements
- f1s and f2s, the frequencies where G is maximal in the fundamental tone and in the overtone, respectively. The values of these frequencies are used as initial values in the iterative method.
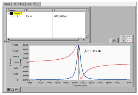
- fp, the frequency where R is maximal.
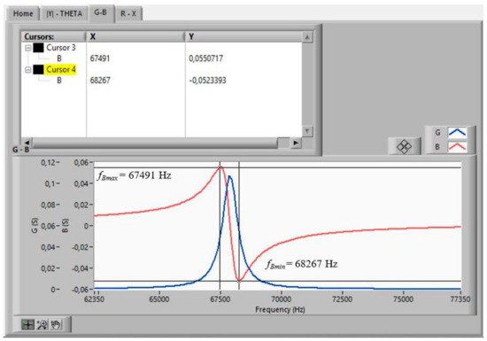
- Δfs = |fBmax − fBmin|, where fBmax and fBmin are the frequencies at which B becomes maximal and minimal, respectively, in the fundamental tone. The values of these frequencies are used as initial values in the iterative method.
2.2. Virtual Instrument Software
3. Experimental Results and Discussion
- C_11^p ≡ : stiffness coefficient (N/m2)
- O^p ≡ σp: Planar Poisson’s ratio
- d_31 ≡ d31: Charge piezoelectric constant (C/N or m/V)
- E_33^T ≡ : Dielectric permittivity (relative)
- Kp (%) ≡ kp: Planar radial piezoelectric coupling
3.1. Processing/Computation Time
3.2. Comparation with JAVA (2003) Software
- In the Virtual Instrument program, the value of is accepted when the relative value of the difference of two consecutive values of is lower than GN/m2 while in the JAVA (2003) program, it is accepted when it is lower than GN/m2.
- The values of f1 and f2 are accepted in Virtual Instrument when the relative value of the difference of two consecutive values of f2 is lower than 5·10−4 Hz while in JAVA (2003), they are accepted when this is lower than 10−3 Hz. For this reason, the values of were accurately estimated.
- The number of points acquired in the search for the initial values of the numerical method is three times greater. This gives place to high accuracy of calculation for all values.
- The frequencies of interest, f1s, f2s, fp, fBmax, and fBmin, are automatically searched for with an adequate resolution. This improved the accuracy of calculation for all values.
- The calculation and results’ presentation time was much shorter when using the version of Virtual Instrument implemented in this work.
4. Conclusions
Author Contributions
Funding
Institutional Review Board Statement
Informed Consent Statement
Data Availability Statement
Acknowledgments
Conflicts of Interest
References
- Cady, W.G. Piezoelectricity: An Introduction to the Theory and Applications of Electromechanical Phenomena in Crystals; Mc Graw Hill Book Co.: New York, NY, USA, 1946. [Google Scholar]
- IEEE Standard on Piezoelectricity. In ANSI/IEEE Std 176-1987; The Institute of Electrical and Electronics Engineers, Inc.: New York, NY, USA, 1987. [CrossRef]
- Zhao, Q.; Wang, L.; Zhao, K.; Yang, H. Development of a Novel Piezoelectric Sensing System for Pavement Dynamic Load Identification. Sensors 2019, 19, 4668. [Google Scholar] [CrossRef]
- Kim, K.; Choi, H. High-efficiency high-voltage class F amplifier for high-frequency wireless ultrasound systems. PLoS ONE 2021, 16, e0249034. [Google Scholar] [CrossRef]
- Udalov, A.; Alikin, D.; Kholkin, A. Piezoresponse in Ferroelectric Materials under Uniform Electric Field of Electrodes. Sensors 2021, 21, 3707. [Google Scholar] [CrossRef]
- Teplykh, A.; Zaitsev, B.; Semyonov, A.; Borodina, I. The Radial Electric Field Excited Circular Disk Piezoceramic Acoustic Resonator and Its Properties. Sensors 2021, 21, 608. [Google Scholar] [CrossRef]
- Zhang, X.; Shan, X.; Shen, Z.; Xie, T.; Miao, J. A New Self-Powered Sensor Using the Radial Field Piezoelectric Diaphragm in d33 Mode for Detecting Underwater Disturbances. Sensors 2019, 19, 962. [Google Scholar] [CrossRef] [PubMed]
- Wang, W.; Jiang, Y.; Thomas, P.J. Structural Design and Physical Mechanism of Axial and Radial Sandwich Resonators with Piezoelectric Ceramics: A Review. Sensors 2021, 21, 1112. [Google Scholar] [CrossRef]
- Jaffe, B.; Cook, W.R.; Jaffe, H. Piezoelectric Ceramics; Academic Press: New York, NY, USA, 1971. [Google Scholar]
- Pan, C.; Xiao, G.; Feng, Z.; Liao, W. Electromechanical characteristics of discal piezoelectric transducers with spiral interdigitated electrodes. Smart Mater. Struct. 2014, 23, 125029. [Google Scholar] [CrossRef]
- Guo, Z.; Huang, T.; Schröder, K.-U. Development of a Piezoelectric Transducer-Based Integrated Structural Health Monitoring System for Impact Monitoring and Impedance Measurement. Appl. Sci. 2020, 10, 2062. [Google Scholar] [CrossRef]
- Covaci, C.; Gontean, A. Piezoelectric Energy Harvesting Solutions: A Review. Sensors 2020, 20, 3512. [Google Scholar] [CrossRef] [PubMed]
- Vázquez-Rodríguez, M.; Jiménez, F.J.; Pardo, L.; Ochoa, P.; González, A.M.; de Frutos, J. A New Prospect in Road Traffic Energy Harvesting Using Lead-Free Piezoceramics. Materials 2019, 12, 3725. [Google Scholar] [CrossRef] [PubMed]
- Hwang, S.C.; Lynch, C.S.; McMeeking, R.M. Ferroelectric/ferroelastic interactions and a polarization switching model. Acta Metall. Mater. 1995, 43, 2073–2084. [Google Scholar] [CrossRef]
- Ochoa-Perez, P.; Gonzalez-Crespo, A.M.; Garcia-Lucas, A.; Jimenez-Martinez, F.J.; Vazquez-Rodriguez, M.; Pardo, L. FEA study of shear mode decoupling in non-standard thin plates of a lead-free piezoelectric ceramic. IEEE Trans. UFFC 2020. [Google Scholar] [CrossRef]
- Chinchurreta, F.J.; de Espinosa, F.M. Guides to characterize piezoelectric materials from disk shaped samples. Ferroelectrics 1988, 81, 229–232. [Google Scholar] [CrossRef]
- San Emeterio, J.L. Determination of electromechanical coupling factors of low Q piezoelectric resonators operating in stiffened modes. IEEE Trans. Ultrason. Ferroelec. Freq. Control 1997, 44, 108–113. [Google Scholar] [CrossRef]
- Alemany, C.; Gonzalez, A.M.; Pardo, L.; Jimenez, B.; Carmona, F.; Mendiola, J. Automatic determination of complex constants of piezoelectric lossy materials in the radial mode. J. Phys. D Appl. Phys. 1995, 28, 945. [Google Scholar] [CrossRef]
- González, A.M.; De Frutos, J.; Duro, C.; Alemany, C.; Pardo, L. Changes in the piezoelectric parameters of PZT ceramics during the poling process. Ferroelectrics 1998, 208, 449–457. [Google Scholar] [CrossRef]
- Holland, R. Representation of dielectric, elastic, and piezoelectric losses by complex coefficients. IEEE Trans. Sonics Ultrason. 1967, 14, 18–20. [Google Scholar] [CrossRef]
- Martin, G.E. Dielectric, Elastic and Piezoelectric Losses in Piezoelectric Materials. In Proceedings of the 1974 Ultrasonics Symposium, Milwaukee, WI, USA, 11–14 November 1974; pp. 613–617. [Google Scholar]
- Smits, J.G. Iterative Method for Accurate Determination of the Real and Imaginary Parts of the Materials Coefficients of Piezoelectric Ceramics. IEEE Trans. Sonics Ultrason. 1976, 23, 393–401. [Google Scholar] [CrossRef]
- Arlt, G.; Dederichs, H. Complex elastic, dielectric and piezoelectric constants by domain wall damping in ferroelectric ceramics. Ferroelectrics 1980, 29, 47–50. [Google Scholar] [CrossRef]
- Damjanovic, D.; Gururaja, T.R.; Jang, S.J.; Cross, L.E. Temperature behavior of the complex piezoelectric d31, coefficient in modified lead titanate ceramics. Mater. Lett. 1986, 4, 414. [Google Scholar] [CrossRef]
- Uchino, K.; Zhuang, Y.; Ural, S.O. Loss determination methodology for a piezoelectric ceramic: New phenomenological theory and experimental proposals. J. Adv. Dielectr. 2011, 1, 17–31. [Google Scholar] [CrossRef]
- Mezheritsky, A.V. Efficiency of excitation of piezoceramic transducers at antiresonance frequency. IEEE Trans. Ultrason. Ferroelectr. Freq. Control 2002, 49, 484–494. [Google Scholar] [CrossRef] [PubMed]
- Hagiwara, M.; Hoshina, T.; Takeda, H.; Tsurumi, T. Identicalness between Piezoelectric Loss and Dielectric Loss in Converse Effect of Piezoelectric Ceramic Resonators. Jpn. J. Appl. Phys. 2012, 51, 09LD10. [Google Scholar] [CrossRef]
- Cain, M.G.; Stewart, M. Losses in Piezoelectric via Complex Resonance Analysis. In Characterization of Ferroelectric Bulk Materials and Thin Films; Cain, M.G., Ed.; Springer Series in Measurement Science and Technology: New York, NY, USA, 2014; Volume 2. [Google Scholar]
- Liu, G.; Zhang, S.; Jiang, W.; Cao, W. Losses in ferroelectric materials. Mater. Sci. Eng. R. Rep. 2015, 89, 1–48. [Google Scholar] [CrossRef]
- González, A.; García, Á.; Benavente-Peces, C.; Pardo, L. Revisiting the Characterization of the Losses in Piezoelectric Materials from Impedance Spectroscopy at Resonance. Materials 2016, 9, 72. [Google Scholar] [CrossRef]
- Pérez, N.; Buiochi, F.; Brizzotti Andrade, M.; Adamowski, J. Numerical Characterization of Piezoceramics Using Resonance Curves. Materials 2016, 9, 71. [Google Scholar] [CrossRef]
- Alemany, C.; Pardo, L.; Jimenez, B.; Carmona, F.; Mendiola, J.; González, A.M. Automatic iterative evaluation of complex material constants in piezoelectric ceramics. J. Phys. D Appl. Phys. 1994, 27, 148. [Google Scholar] [CrossRef]
- Algueró, M.; Alemany, C.; Pardo, L.; González, A.M. Method for Obtaining the Full Set of Linear Electric, Mechanical, and Electromechanical Coefficients and All Related Losses of a Piezoelectric Ceramic. J. Am. Ceram. Soc. 2004, 87, 209–215. [Google Scholar] [CrossRef]
- Pardo, L.; Reyes-Montero, A.; García, Á.; Jacas-Rodríguez, A.; Ochoa, P.; González, A.M.; Jiménez, F.J.; Vázquez-Rodríguez, M.; Villafuerte-Castrejón, M.E. A Modified Iterative Automatic Method for Characterization at Shear Resonance: Case Study of Ba0.85Ca0.15Ti0.90Zr0.10O3 Eco-Piezoceramics. Materials 2020, 13, 1666. [Google Scholar] [CrossRef] [PubMed]
- Available online: https://www.ni.com/es-es/innovations/white-papers/06/virtual-instrumentation.html (accessed on 30 May 2021).
- Show Daily NIWeek 2003–The Worldwide Conference on Virtual Instrumentation. Available online: http://www.ni.com/pdf/niweek/us/081403_show_daily.pdf (accessed on 31 May 2021).
- Travis, J.; Kring, J. Chapter 1: What in the World Is LabVIEW? In LabVIEW for Everyone: Graphical Programming Made Easy and Fun, 3rd ed.; National Instruments Virtual Instrumentation Series; Prentice Hall: Hoboken, NJ, USA, 2006; pp. 27–33. ISBN 10 0131856723. [Google Scholar]
- Available online: http://www.ni.com/white-paper/3024/en/ (accessed on 31 May 2021).
- Available online: https://www.meggittferroperm.com/material/traditional-soft-pzt-for-sensor-applications/ (accessed on 31 May 2021).
- Available online: http://www.testequipmenthq.com/datasheets/Keysight-4194A-Datasheet.pdf (accessed on 31 May 2021).
- Available online: https://zone.ni.com/reference/en-XX/help/371361R-01/lvconcepts/using_profile_window/ (accessed on 30 May 2021).














| State | #Runs | Average (ms) | Shortest (ms) | Longest (ms) |
|---|---|---|---|---|
| MEASUREMENTS | 400 points 3 measurements 3.7 ms = 4440 ms | |||
| GRAPH | 10 | 7.8 | 7.1 | 8.4 |
| CALCULATION (6 iterations) | 10 | 15.9 × 6 | 15.1 × 6 | 17.0 × 6 |
| RESULTS | 10 | 2.1 | 1.3 | 2.6 |
| JAVA (2003) | Virtual Instrument | |
|---|---|---|
| 73.837502 + 0.80914118 i | 73.7718 + 0.813253 i | |
| 0.33042568 + 3.4927518·10−5 i | 0.331937 + 1.56062·10−5 i | |
| 1421.2551 − 26.966124 i | 1423.77 − 26.9318 i | |
| 159.00174 − 2.919189 i | 159.395 − 2.92819 i | |
| 62.632594 − 0.21235708 i | 62.94022 − 0.213614 i | |
| 63,848.44 | 63,827.35 | |
| 133,641.36 | 133,835.75 | |
| Tcharacterisation (ms) | ≈8000 | ≈5000 |
Publisher’s Note: MDPI stays neutral with regard to jurisdictional claims in published maps and institutional affiliations. |
© 2021 by the authors. Licensee MDPI, Basel, Switzerland. This article is an open access article distributed under the terms and conditions of the Creative Commons Attribution (CC BY) license (https://creativecommons.org/licenses/by/4.0/).
Share and Cite
Jiménez, F.J.; González, A.M.; Pardo, L.; Vázquez-Rodríguez, M.; Ochoa, P.; González, B. A Virtual Instrument for Measuring the Piezoelectric Coefficients of a Thin Disc in Radial Resonant Mode. Sensors 2021, 21, 4107. https://doi.org/10.3390/s21124107
Jiménez FJ, González AM, Pardo L, Vázquez-Rodríguez M, Ochoa P, González B. A Virtual Instrument for Measuring the Piezoelectric Coefficients of a Thin Disc in Radial Resonant Mode. Sensors. 2021; 21(12):4107. https://doi.org/10.3390/s21124107
Chicago/Turabian StyleJiménez, Francisco Javier, Amador M. González, Lorena Pardo, Manuel Vázquez-Rodríguez, Pilar Ochoa, and Bernardino González. 2021. "A Virtual Instrument for Measuring the Piezoelectric Coefficients of a Thin Disc in Radial Resonant Mode" Sensors 21, no. 12: 4107. https://doi.org/10.3390/s21124107
APA StyleJiménez, F. J., González, A. M., Pardo, L., Vázquez-Rodríguez, M., Ochoa, P., & González, B. (2021). A Virtual Instrument for Measuring the Piezoelectric Coefficients of a Thin Disc in Radial Resonant Mode. Sensors, 21(12), 4107. https://doi.org/10.3390/s21124107

