Current Measurement Transducer Based on Current-To-Voltage-To-Frequency Converting Ring Oscillator with Cascade Bias Circuit
Abstract
1. Introduction
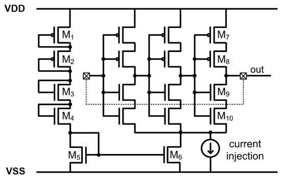
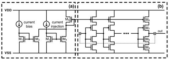
2. Previous I–F Converting Current Transducer
3. Proposed I–V–F Converting Current Transducer
4. Results and Discussion
5. Conclusions
Author Contributions
Funding
Acknowledgments
Conflicts of Interest
References
- Stanacevic, M.; Murari, K.; Murari, K.; Rege, A.; Cauwenberghs, G.; Thakor, N.V. VLSI Potentiostat Array with Oversampling Gain Modulation for Wide-Range Neurotransmitter Sensing. IEEE Trans. Biomed. Circuits Syst. 2007, 1, 63–72. [Google Scholar] [CrossRef] [PubMed]
- Jin, X.; Fisher, T.S.; Alam, M.A. Generalized Compact Modeling of Nanoparticle-Based Amperometric Glucose Biosensors. IEEE Trans. Electron Devices 2016, 63, 4924–4932. [Google Scholar] [CrossRef]
- Kim, S.K.; Shim, J.; Geum, D.; Kim, C.Z.; Kim, H.; Kim, Y.; Kang, H.; Song, J.D.; Choi, S.; Kim, D.H.; et al. Cost-effective Fabrication of In0.53Ga0.47As-on-Insulator on Si for Monolithic 3D via Novel Epitaxial Lift-Off (ELO) and Donor Wafer Re-use. In Proceedings of the IEEE International Electron Devices Meeting, San Francisco, CA, USA, 3–7 December 2016; pp. 25.4.1–25.4.4. [Google Scholar] [CrossRef]
- Prabha, P.; Kim, S.J.; Reddy, K.; Rao, S.; Griesert, N.; Rao, A.; Winter, G.; Hanumolu, P.K. A Highly Digital VCO-Based ADC Architecture for Current Sensing Applications. IEEE J. Solid-State Circuits 2015, 50, 1785–1795. [Google Scholar] [CrossRef]
- Xie, Y.; Liang, Y.; Liu, M.; Liu, S.; Zhu, Z. A 10-Bit 5 MS/s VCO-SAR ADC in 0.18-μm CMOS. IEEE Trans. Circuits Syst. II Express Br. 2019, 66, 26–30. [Google Scholar] [CrossRef]
- Liao, Y.; Yao, H.; Lingley, A.; Parviz, B.A.; Otis, B.P. A 3-μW CMOS Glucose Sensor for Wireless Contact-Lens Tear Glucose Monitoring. IEEE J. Solid-State Circuits 2012, 47, 335–344. [Google Scholar] [CrossRef]
- Pletea, I.; Wurman, Z.; Or-Bach, Z.; Şontea, V. Monolithic 3D layout using 2D EDA for embedded memory-rich designs. In Proceedings of the IEEE S3S, Rohnert Park, CA, USA, 5–8 October 2015. [Google Scholar] [CrossRef]












| Process Corner | SS | SF | TT | FS | FF |
| Frequency gain (kHz/nA) | 26.701 | 27.275 | 27.299 | 27.356 | 27.653 |
| Maximum DNL | 0.1237 | 0.1123 | 0.1145 | 0.1186 | 0.1423 |
| Temperature | 0 °C | 25 °C | 50 °C | 75 °C | 100 °C |
| Frequency gain (kHz/nA) | 27.267 | 27.299 | 27.334 | 27.384 | 27.447 |
| Maximum DNL | 0.1167 | 0.1145 | 0.1153 | 0.1186 | 0.183 |
| Supply Voltage | 1.62 V | 1.8 V | 1.98 V | ||
| Frequency gain (kHz/nA) | 27.132 | 27.299 | 27.532 | ||
| Maximum DNL | 0.1327 | 0.1145 | 0.1246 |
© 2020 by the authors. Licensee MDPI, Basel, Switzerland. This article is an open access article distributed under the terms and conditions of the Creative Commons Attribution (CC BY) license (http://creativecommons.org/licenses/by/4.0/).
Share and Cite
Park, J.; Park, J.-H.; Jung, S.-O. Current Measurement Transducer Based on Current-To-Voltage-To-Frequency Converting Ring Oscillator with Cascade Bias Circuit. Sensors 2020, 20, 493. https://doi.org/10.3390/s20020493
Park J, Park J-H, Jung S-O. Current Measurement Transducer Based on Current-To-Voltage-To-Frequency Converting Ring Oscillator with Cascade Bias Circuit. Sensors. 2020; 20(2):493. https://doi.org/10.3390/s20020493
Chicago/Turabian StylePark, Jongha, Jung-Hyun Park, and Seong-Ook Jung. 2020. "Current Measurement Transducer Based on Current-To-Voltage-To-Frequency Converting Ring Oscillator with Cascade Bias Circuit" Sensors 20, no. 2: 493. https://doi.org/10.3390/s20020493
APA StylePark, J., Park, J.-H., & Jung, S.-O. (2020). Current Measurement Transducer Based on Current-To-Voltage-To-Frequency Converting Ring Oscillator with Cascade Bias Circuit. Sensors, 20(2), 493. https://doi.org/10.3390/s20020493
