A High-Temperature, Low-Noise Readout ASIC for MEMS-Based Accelerometers
Abstract
1. Introduction
2. Structure of the Accelerometer Based on the Proposed ASIC
3. Design of the ASIC
3.1. Analog Front-End
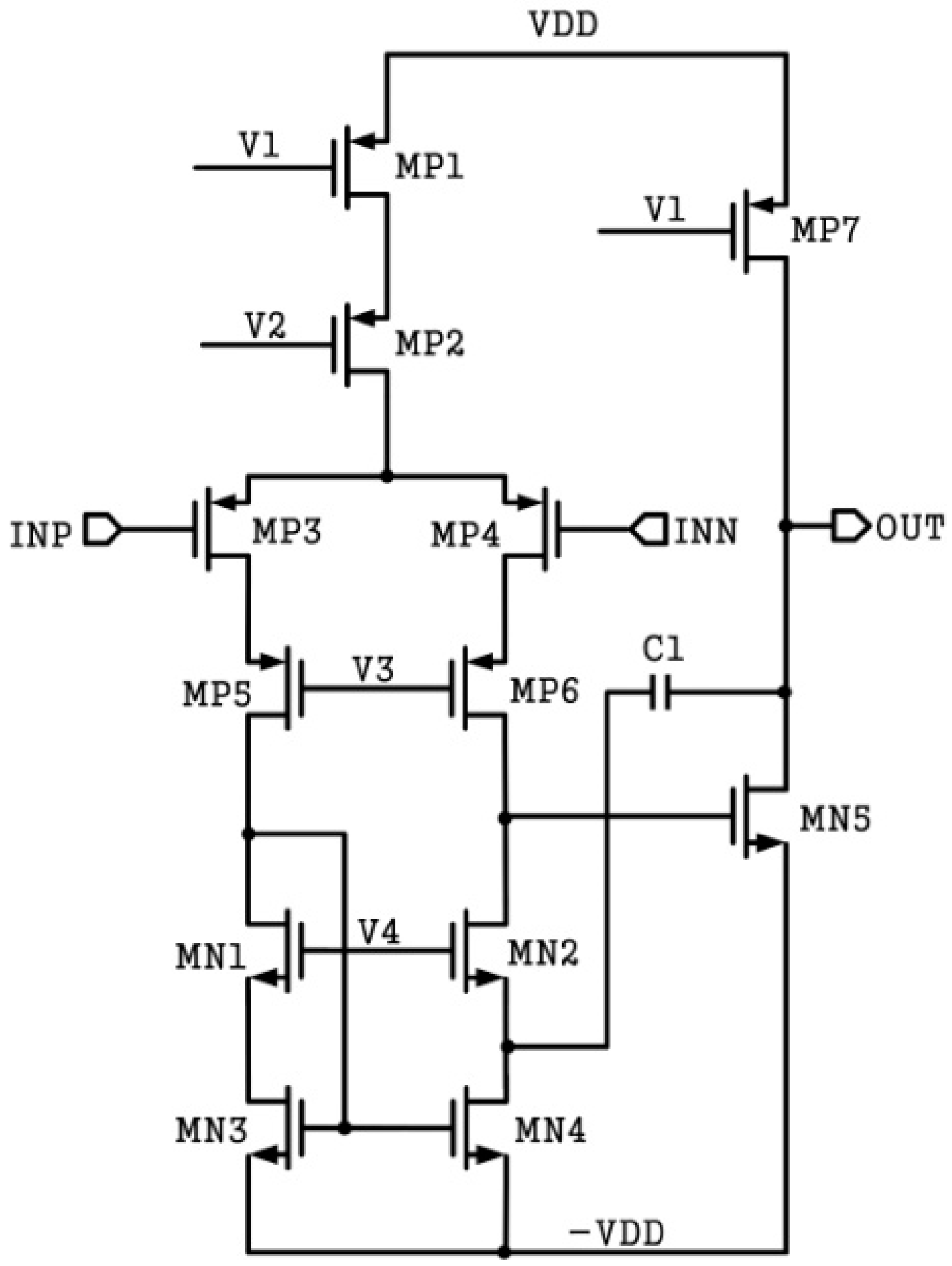
3.2. Operational Transconductance Amplifier
3.3. Voltage Reference Generator
4. Measurement Results
5. Conclusions
Author Contributions
Funding
Conflicts of Interest
References
- Evseev, I.; Zaitsev, D.; Agafonov, V. Study of transfer characteristics of a molecular electronic sensor for borehole surveys at high temperatures and pressures. Sensors (Basel) 2019, 19, 2545. [Google Scholar] [CrossRef] [PubMed]
- Zaitsev, D.; Egorov, E.; Ryzhkov, M.; Velichko, G.; Gulenko, V. Low-frequency, low-noise molecular electronic hydrophone for offshore and tranzit zone seismic exploration. In Proceedings of the 19th International Multidisciplinary Scientific Geoconference & EXPO (SGEM), Albena, Bulgaria, 28 June–7 July 2019; Volume 19, pp. 961–968. [Google Scholar]
- Liu, Y.M.; Wang, J.; Ji, W.F.; Luo, G.Q. Temperature field finite element analysis of the ultra-high temperature borehole inclinometer based on FOG and its optimization design. Chem. Eng. Trans. 2016, 51, 709–714. [Google Scholar]
- Kong, L.; Yu, F.; Qin, L.; Cheng, X.; Zhao, X. Performance improvement of CTGS and YCOB crystals for high temperature piezoelectric accelerometer applications. In Proceedings of the Symposium on Piezoelectricity, Acoustic Waves, and Device Applications (SPAWDA), Chengdu, China, 27–30 October 2017; pp. 117–120. [Google Scholar]
- Levinzon, F.A. 175 °C silicon-based hybrid charge amplifier for 175 °C and 100-mV/G miniature piezoelectric accelerometer. IEEE Sens. J. 2006, 6, 1164–1169. [Google Scholar] [CrossRef]
- Kalaiselvi, S.; Sujatha, L.; Sundar, R. Fabrication of MEMS accelerometer for vibration sensing in gas turbine. In Proceedings of the IEEE SENSORS, New Delhi, India, 28–31 October 2018; pp. 1–4. [Google Scholar]
- Rudolf, F.; Gonseth, S.; Brisson, R.; Krebs, P. New generation of high performance/high reliability MEMS accelerometers for harsh environment. In Proceedings of the IEEE/ION Position, Location and Navigation Symposium—PLANS, Monterey, CA, USA, 5–8 May 2014; pp. 7–11. [Google Scholar]
- Cong, N.; Li, Z.; Xiong, X.; Han, K. A high resolution and large dynamic range capacitive readout circuit for micro-electromechanical system accelerometer. Int. J. Simul. Syst. Sci. Technol. 2016, 17, 6.1–6.7. [Google Scholar]
- Jiangfeng, W.; Fedder, G.K.; Carley, L.R. A low-noise low-offset capacitive sensing amplifier for a 50-/spl mu/g//spl radic/Hz monolithic CMOS MEMS accelerometer. IEEE J. Solid-State Circuits 2004, 39, 722–730. [Google Scholar] [CrossRef]
- Enz, C.C.; Temes, G.C. Circuit techniques for reducing the effects of op-amp imperfections: Autozeroing, correlated double sampling, and chopper stabilization. Proc. IEEE 1996, 84, 1584–1614. [Google Scholar] [CrossRef]
- Kulah, H.; Chae, J.; Yazdi, N.; Najafi, K. Noise analysis and characterization of a sigma-delta capacitive microaccelerometer. IEEE J. Solid-State Circuits 2006, 41, 352–361. [Google Scholar] [CrossRef]
- Sansen, W.M.C. Analog Design Essentials (The International Series in Engineering and Computer Science); Springer: Berlin/Heidelberg, Germany, 2006. [Google Scholar]
- Mizuno, K.; Ohta, N.; Kitagawa, F.; Nagase, H. Analog CMOS integrated circuits for high-temperature operation with leakage current compensation. In Proceedings of the Fourth International High Temperature Electronics Conference. HITEC (Cat. No.98EX145), Albuquerque, NM, USA, 14–18 June 1998; pp. 41–44. [Google Scholar]
- Fong, S. Analyzing bias cancellation techniques for high temperature analog applications. In Proceedings of the Fourth International High Temperature Electronics Conference, HITEC (Cat. No.98EX145), Albuquerque, NM, USA, 14–18 June 1998; pp. 172–175. [Google Scholar]
- Yong, X.; Fei, Z.; Zheng, S.; Yuanliang, W. Design of novel chopper stabilized rail-to-rail operational amplifier. In Proceedings of the IEEE 11th International Conference on ASIC (ASICON), Chengdu, China, 3–6 November 2015; pp. 1–4. [Google Scholar]
- Um, J. Calibration of bandgap voltage reference using chopping technique and IIR filter. Electron. Lett. 2016, 52, 1104–1106. [Google Scholar] [CrossRef]
- Ge, G.; Zhang, C.; Hoogzaad, G.; Makinwa, K.A.A. A single-trim CMOS bandgap reference with a 3σ inaccuracy of ±0.15% from −40 °C to 125 °C. IEEE J. Solid-State Circuits 2011, 46, 2693–2701. [Google Scholar] [CrossRef]
- Jiang, J.; Ning, Z.; He, L. A curvature compensated bandgap reference with low drift and low noise. In Proceedings of the International Symposium on Integrated Circuits, Singapore, 12–14 December 2011; pp. 547–550. [Google Scholar]
- Sanborn, K.; Ma, D.; Ivanov, V. A Sub-1-V low-noise bandgap voltage reference. IEEE J. Solid-State Circuits 2007, 42, 2466–2481. [Google Scholar] [CrossRef]
- van Staveren, A.; Verhoeven, C.J.M.; van Roermund, A.H.M. The design of low-noise bandgap references. IEEE Trans. Circuits Syst. Fundam. Theory Appl. 1996, 43, 290–300. [Google Scholar] [CrossRef]
- Bingjun, L.; Xiaowei, L.; Pengfei, W.; Liang, Y.; Na, X. A low noise and low temperature coefficient CMOS bandgap reference for MEMS micro-accelerometer. In Proceedings of the Academic Symposium on Optoelectronics and Microelectronics Technology and 10th Chinese-Russian Symposium on Laser Physics and Laser TechnologyOptoelectronics Technology (ASOT), Harbin, China, 28 July–1 August 2010; pp. 330–333. [Google Scholar]
- Sönmez, U.; Külah, H.; Akin, T. A fourth order unconstrained ΣΔ capacitive accelerometer. In Proceedings of the 16th International Solid-State Sensors, Actuators and Microsystems Conference, Beijing, China, 5–9 June 2011; pp. 707–710. [Google Scholar]











| Parameter | [17] | [18] | [19] | [20] 1 | [21] 1 | This Work |
|---|---|---|---|---|---|---|
| Temperature range (°C) | −40–125 | −40–125 | −40–125 | 0–100 | −40–80 | −45–175 |
| Process | 0.16 µm CMOS | 0.35 µm CMOS | 0.5 µm BiCMOS 2 | Bipolar | 2.0 µm CMOS | 0.18 µm HT CMOS 3 |
| Noise (uV/√Hz) ≅ 1 Hz | 2 | 5 | 0.15 | 0.166 | 0.17 | 0.5092 |
| Noise (uV/√Hz) ≅ 10 Hz | 1 | 1.8 | 0.08 | 0.166 | 0.17 | 0.2071 |
| Noise (uV/√Hz) ≅ 100 Hz | 1 | 0.5 | 0.04 | 0.166 | 0.17 | 0.0341 |
| Parameter | Simulation | Measurement |
|---|---|---|
| Temperature range (°C) | −45–175 | −45–175 |
| Sensitivity (mV/pF) | 730 | 750 |
| Noise of OTA (dBV/√Hz) | −140 ≅ 100 Hz | −150 ≅ 100 Hz |
| Noise of bandgap (dBV/√Hz) | −145 ≅ 100 Hz | −152 ≅ 100 Hz |
© 2019 by the authors. Licensee MDPI, Basel, Switzerland. This article is an open access article distributed under the terms and conditions of the Creative Commons Attribution (CC BY) license (http://creativecommons.org/licenses/by/4.0/).
Share and Cite
Qi, M.; Guo, A.-q.; Qiao, D.-h. A High-Temperature, Low-Noise Readout ASIC for MEMS-Based Accelerometers. Sensors 2020, 20, 241. https://doi.org/10.3390/s20010241
Qi M, Guo A-q, Qiao D-h. A High-Temperature, Low-Noise Readout ASIC for MEMS-Based Accelerometers. Sensors. 2020; 20(1):241. https://doi.org/10.3390/s20010241
Chicago/Turabian StyleQi, Min, An-qiang Guo, and Dong-hai Qiao. 2020. "A High-Temperature, Low-Noise Readout ASIC for MEMS-Based Accelerometers" Sensors 20, no. 1: 241. https://doi.org/10.3390/s20010241
APA StyleQi, M., Guo, A.-q., & Qiao, D.-h. (2020). A High-Temperature, Low-Noise Readout ASIC for MEMS-Based Accelerometers. Sensors, 20(1), 241. https://doi.org/10.3390/s20010241

