Reduction of CMOS Image Sensor Read Noise to Enable Photon Counting
Abstract
:1. Introduction
1.1. Read Noise Reduction for CIS Devices
1.2. New Method for Read Noise Reduction for Photon Counting CIS Devices
1.3. A New Timing Method for CIS Read Noise Reduction
2. Materials and Methods
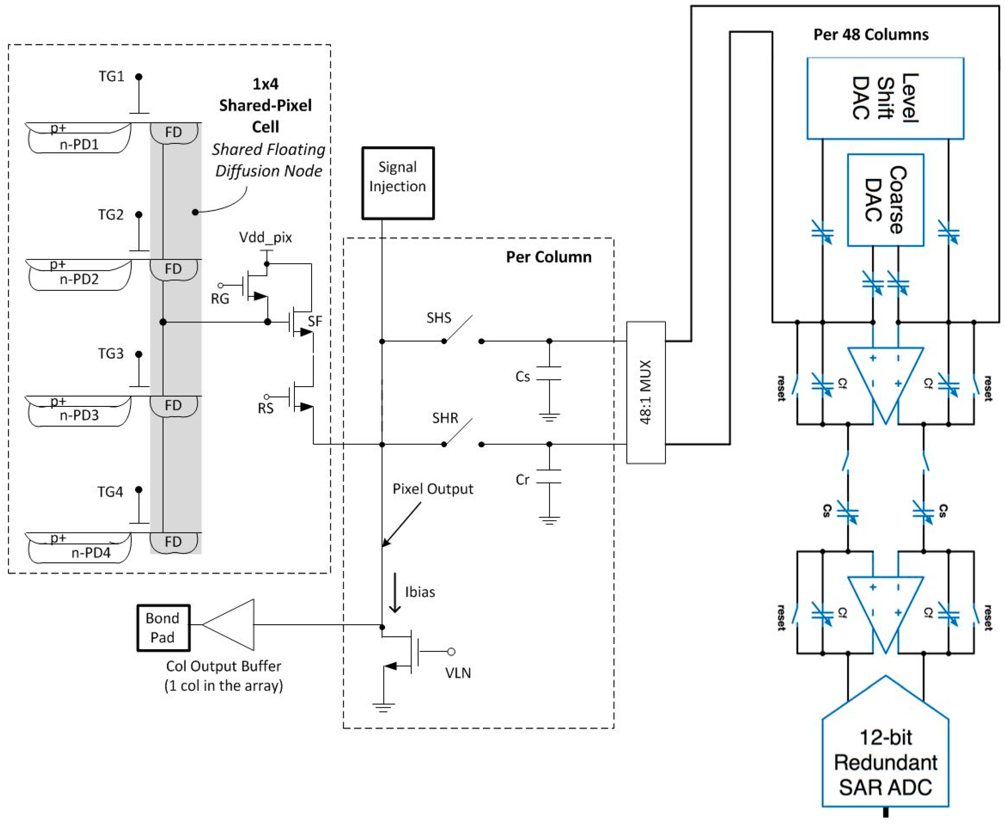
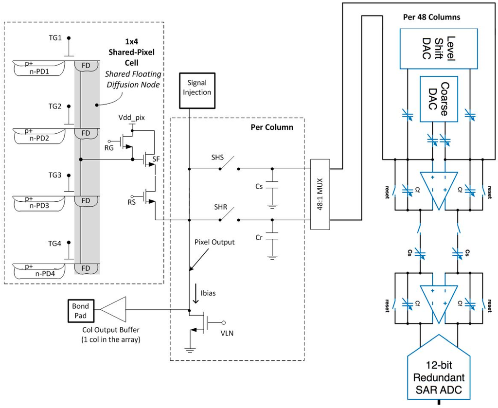
2.1. Sensor Description
2.2. New Readout Method Details for Reduction of Read Noise
2.3. New Readout Method Measured Timing and Waveforms
3. Read Noise Results
3.1. Read Noise Histograms and Average Read Noise
3.2. Investigation of Individual Pixels vs. CDS Time and SF Ibias
4. Discussion
Acknowledgments
Author Contributions
Conflicts of Interest
References
- Fossum, E.R. What to do with sub-diffraction limit (SDL) pixels?—A proposal for gigapixel digital film sensor (DFS). In Proceedings of the IEEE Workshop on CCDs and Advanced Image Sensors, Nagano, Japan, 8 June 2005; pp. 214–217.
- Vogelsang, T.; Guidash, M.; Xue, S. Overcoming the Full Well Capacity Limit: High Dynamic Range Imaging Using Multi-Bit Temporal Oversampling and Conditional Reset. In Proceedings of the International Image Sensor Workshop (IISW), Snowbird, UT, USA, 12 June 2013.
- Fossum, E.R. Modeling the performance of single-bit and multi-bit quanta image sensors. IEEE J. Electron Devices Soc. 2013, 1, 166–174. [Google Scholar] [CrossRef]
- Dutton, N.A.W.; Parmesan, L.; Holmes, A.J.; Grant, L.A.; Henderson, R.K. 320 × 240 oversampled digital single photon counting image sensor. In Proceedings of the 2014 Symposium on VLSI Circuits Digest of Technical Papers, Honolulu, HI, USA, 10–13 June 2014; pp. 1–2.
- Dutton, N.; Parmesan, L.; Gnecchi, S.; Henderson, R.K.; Calder, N.J.; Rae, B.R.; Grant, L.A.; Henderson, R.K. Oversampled ITOF imaging techniques using SPAD-based quanta image sensors. In Proceedings of the International Image Sensor Workshop (IISW), Vaals, The Netherlands, 8–11 June 2015; pp. 170–173.
- Lotto, C.; Seitz, P.; Baechler, T. A Sub-Electron Readout Noise CMOS Image Sensor with Pixel-Level Open-Loop Voltage Amplification. In Proceedings of the 2011 IEEE International Solid-State Circuits Conference Digest of Technical Papers (ISSCC), San Francisco, CA, USA, 20–24 February 2011; pp. 402–403.
- Wahashima, S.; Kusuhara, F.; Kuroda, R.; Shigetoshi, S. A Linear Response Single Exposure CMOS Image Sensor with 0.5 e− Readout Noise and 76 ke− Full Well Capacity. In Proceedings of the Symposium on VLSI Circuits (VLSI Circuits), Kyoto, Japan, 17–19 June 2015; pp. C88–C89.
- Ma, J.; Fossum, E. Quanta Image Sensor Jot with Sub 0.3 e− r.m.s. Read Noise and Photon Counting Capability. IEEE Electron Device Lett. 2015, 36, 926–928. [Google Scholar] [CrossRef]
- Chen, Y.; Xu, Y.; Chae, Y.; Mierop, A.; Wanf, X.; Theuwissen, A. A 0.7 e−rms Temporal-Readout-Noise CMOS Image Sensor for Low-Light-Level Imaging. In Proceedings of the IEEE International Solid-State Circuits Conference Digest of Technical Papers (ISSCC), San Francisco, CA, USA, 19–23 February 2012; pp. 385–386.
- Yeh, S.; Chou, K.; Tu, H.; Chao, C.; Hsueh, F. A 0.66 e−rms Temporal-Readout-Noise 3D-Stacked CMOS Image Sensor with Conditional Correlated Multiple Sampling (CCMS) Technique. In Proceedings of the Symposium on VLSI Circuits (VLSI Circuits), Kyoto, Japan, 17–19 June 2015; pp. C84–C85.
- Boukhayma, A.; Peizerat, A.; Enz, C. A 0.4 e−rms Temporal Readout Noise 7.5 μm Pitch and a 66% Fill Factor Pixel for Low Light CMOS Image Sensors. In Proceedings of the International Image Sensor Workshop (IISW), Vaals, The Netherlands, 8–11 June 2015; pp. 365–368.
- Yao, Q.; Dierickx, B.; Dupont, B.; Ruttens, G. CMOS image sensor reaching 0.34 e−rms read noise by inversion-accumulation cycling. In Proceedings of the International Image Sensor Workshop (IISW), Vaals, The Netherlands, 8–11 June 2015; pp. 369–372.
- Janesick, J.; Elliott, T.; Andrews, J.; Tower, J. Fundamental Performance Differences of CMOS and CCD imagers: Part VI. In Proceedings of the SPIE Optics and Photonics, San Diego, CA, USA, 9–13 August 2015.
- Martin-Gonthier, P.; Magnan, P. RTS Noise Impact in CMOS Image Sensors Readout Circuit. In Proceedings of the 16th IEEE ICECS 2009, Hammamet, Tunisia, 13–16 December 2009.
- Kansy, R. Response of a Correlated Double Sampling Circuit to 1/f Noise. IEEE J. Solid-State Circuits 1980, 15, 373–375. [Google Scholar] [CrossRef]
- Wang, X.; Rao, P.; Mierop, A.; Theuwissen, A. Random Telegraph Signal in CMOS Image Sensor Pixels. In Proceedings of the Electron Devices Meeting, IEDM’06, San Francisco, CA, USA, 11–13 December 2006.
- Kusuhara, F.; Wakashima, S.; Nasuno, S.; Kuroda, R.; Sugawa, S. Analysis and Reduction of Floating Diffusion Capacitance Components of CMOS Image Sensor for Photon-Countable Sensitivity. In Proceedings of the International Image Sensor Workshop (IISW), Vaals, Netherlands, 8–11 June 2015; pp. 120–123.

















| Ref # | Noise Reduction Approach | Conversion Gain (μV/e-) | Analog Gain | Number of Reads | Read Noise (μV rms) | Read Noise (e- rms) | Pixel Size (μm) | Process Node (nm) |
|---|---|---|---|---|---|---|---|---|
| [6] | CS AmpHigh CG | 300 | 10 | 1 | 258 | 0.86 | 11 | 180 |
| [7] | High CG | 240 | 1 | 120 | 0.50 | 5.5 | 180 | |
| [8] | High CG | 426 | 1 | 137 | 0.28 | 1.4 | 65 | |
| [8] | High CG | 256 | 1 | 97 | 0.32 | 1.4 | 65 | |
| [9] | CMS | 64 | 4 | 0.701 | 10.0 | 180 | ||
| [10] | CMS | 110 | 16 | 5 | 73 | 0.66 | 1.1 | |
| [11] | Bch SF | 185 | 64 | 1 | 74 | 0.40 | 7.5 | 180 |
| [12] | CMSInver. Cycling | ~400 | 1600 | 136 | 0.34 | 25 | 180 |
| CDS Time (ns) | Ibias (μA) | ||
|---|---|---|---|
| 8 | 0.8 | 0.4 | |
| 750 | 246 | 217 | 205 |
| 250 | 189 | 160 | 149 |
| 100 | 105 | 79 | 78 |
| CDS Time (ns) | Ibias (μA) | ||
|---|---|---|---|
| 8 | 0.8 | 0.4 | |
| 750 | 246 | 191 | 179 |
| 250 | 191 | 148 | 130 |
| 100 | 157 | 98 | 79 |
| CDS time (ns), SF Ibias (μA) | ||||
|---|---|---|---|---|
| Pixel (location in histogram) | 750, 8.0 | 250, 8.0 | 100, 8.0 | 100, 0.8 |
| 95, 579 (tail) | 1 | 0.82 | 0.67 | 0.52 |
| 206, 145 (shoulder) | 1 | 0.74 | 0.74 | 0.57 |
| 206, 657 (mean) | 1 | 1.02 | 0.85 | 0.82 |
| 245, 743 (< mean) | 1 | 1.07 | 1.07 | 1.02 |
| SF noise (μV) rms | |
|---|---|
| Pixel (locationin histogram) | |
| 95, 579 (tail) | 187 |
| 206, 145 (shoulder) | 151 |
| 206, 657 (mean) | 88 |
| 245, 743 (< mean) | 62 |
© 2016 by the authors; licensee MDPI, Basel, Switzerland. This article is an open access article distributed under the terms and conditions of the Creative Commons by Attribution (CC-BY) license (http://creativecommons.org/licenses/by/4.0/).
Share and Cite
Guidash, M.; Ma, J.; Vogelsang, T.; Endsley, J. Reduction of CMOS Image Sensor Read Noise to Enable Photon Counting. Sensors 2016, 16, 517. https://doi.org/10.3390/s16040517
Guidash M, Ma J, Vogelsang T, Endsley J. Reduction of CMOS Image Sensor Read Noise to Enable Photon Counting. Sensors. 2016; 16(4):517. https://doi.org/10.3390/s16040517
Chicago/Turabian StyleGuidash, Michael, Jiaju Ma, Thomas Vogelsang, and Jay Endsley. 2016. "Reduction of CMOS Image Sensor Read Noise to Enable Photon Counting" Sensors 16, no. 4: 517. https://doi.org/10.3390/s16040517
APA StyleGuidash, M., Ma, J., Vogelsang, T., & Endsley, J. (2016). Reduction of CMOS Image Sensor Read Noise to Enable Photon Counting. Sensors, 16(4), 517. https://doi.org/10.3390/s16040517

