An Arduino-Based Resonant Cradle Design with Infant Cries Recognition
Abstract
:1. Introduction
2. Resonant Cradle Design

2.1. Resonant Cradle Design by Wind Force

2.2. Resonant Cradle Design with Motor Driven Blades


2.3. Performance Evaluation
| Design Approach | Voltage | Average Current | Average Power |
|---|---|---|---|
| 1. The wind powered resonant cradle design | 12 V | 1.63 A | 19.56 W |
| 2. The motor and blades resonant cradle design | 9 V | Static: 0.115 A Dynamic: 0.129 A | Static: 1.035 W Dynamic: 1.161 W |
| 3. The commercial design example | 7 V | 0.044 A | 0.308 W |


| The Commercial Design Example | The Proposed Resonant Cradle | |
|---|---|---|
| Damping system | Overdampled | Underdamped |
| Manually driven | Hard | Easy |
| Operation of motor | Rotates continually | Rotates only at critical time and consumes lower power |
| Cradle noise | Annoying | Low |
3. Infant Cries Recognition
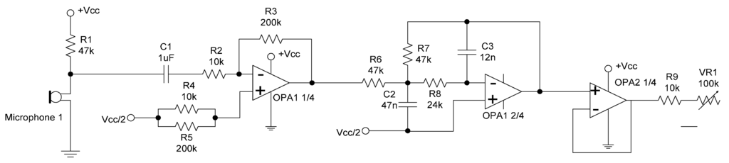
3.1. Infant Cries Acquisition



3.2. Volume Intensity & Fundamental Frequency f0
- The Volume Intensity is below 30 dB.
- The calculated result of is greater than 1000 Hz, or .

3.3. Infant Cries Recognition

| F0 Analysis (Hz) | Hunger | Pain | ||
|---|---|---|---|---|
| 0~2 s | 2~4 s | 0~2 s | 2~4 s | |
| 356.63 | 369.17 | 397.36 | 468.98 | |
| 353.53 | 371.37 | 405.54 | 470.25 | |
| 507.03 | 456.80 | 678.87 | 684.23 | |

4. Conclusions and Future Work
Acknowledgments
Author Contributions
Conflicts of Interest
References
- Scher, M.S.; Steppe, D.A.; Banks, D.L.; Guthrie, R.D.; Sclabassi, R.J. Maturational trends of EEG-sleep measures in the healthy preterm neonate. Pediatric Neurol. 1995, 12, 314–322. [Google Scholar] [CrossRef]
- Louis, J.; Cannard, C.; Bastuji, H.; Challamel, M.J. Sleep ontogenesis revisited: A longitudinal 24-hour home polygraphic study on 15 normal infants during the first two years of life. Sleep 1997, 20, 323–333. [Google Scholar] [PubMed]
- Lu, C.H.; Lou, C.H.; Chen, Y.J.; Yen, T.F. An automatic swinging instrument for better neonatal growing environment. Rev. Sci. Instrum. 1997, 68, 3192–3196. [Google Scholar] [CrossRef]
- Flannery, M.A.; Edwards, T.L. Open Top Swing. U.S. Patent 6,471,597, B1, 29 October 2002. Available online: https://www.google.com/patents/US6471597 (accessed on 17 February 2015). [Google Scholar]
- Shurtleff, R.D.; Shurtleff, T.M. Automatic Swing with Reciprocating Weight. U.S. Patent 6,024,648 A, 15 February 2000. Available online: https://www.google.com/patents/US6024648 (accessed on 17 February 2015). [Google Scholar]
- Kuo, B.C. Automatic Control Systems, 7th ed.; Prentice Hall: New Jersey, NJ, USA, 1995. [Google Scholar]
- Wang, W.K.; Wang, Y.Y.L.; Chiang, Y.; Yu, G.L.; Hsu, T.L. The effect of resonance on blood pressure. In Proceeding of the 7th International Conference on Biomedical Engineering, Singapore, 2–4 December 1992; pp. 367–369.
- Wang, Y.Y.L.; Chang, C.C.; Chen, J.C.; Hsiu, H.; Wang, W.K. Pressure wave propagation in arteries. A model with radial dilatation for simulating the behavior of a real artery. IEEE Eng. Med. Biol. Mag. 1997, 16, 51–54. [Google Scholar] [CrossRef] [PubMed]
- Arduino—HomePage. Available online: http://www.arduino.cc/ (accessed on 17 February 2015).
- Palma, D.; Agudo, J.E.; Sánchez, H.; Macías, M.M. An Internet of Things example: Classrooms access control over near field communication. Sensors 2014, 14, 6998–7012. [Google Scholar] [CrossRef] [PubMed]
- Kuo, K. Feature extraction and recognition of infant cries. In Proceedings of the IEEE International Conference on Electro/Information Technology (EIT), Normal, IL, USA, 20–22 May 2010; pp. 1–5.
- Bachu, R.G.; Kopparthi, S.; Adapa, B.; Barkana, B.D. Separation of voiced and unvoiced using zero crossing rate and energy of the speech signal. Am. Soc. Eng. Educ. 2008, 15, 123–145. [Google Scholar]
- Forta, A.; Manfredi, C. Acoustic analysis of newborn infant cry signals. Med. Eng. Phys. 1998, 20, 432–442. [Google Scholar] [CrossRef]
- Barajas-Montiel, S.E.; Reyes-Garcia, C.A. Identifying pain and hunger in infant cry with classifiers ensembles. In Proceedings of the International Conference on Computational Intelligence for Modeling, Control and Automation, Vienna, Austria, 28–30 November 2005; pp. 770–775.
- Yang, Y.H.; Lin, Y.C.; Su, Y.F.; Chen, H.H. A regression approach to music emotion recognition. IEEE Trans. Audio Speech Lang. Process. 2008, 16, 448–457. [Google Scholar] [CrossRef]
- Fuller, B.F.; Horii, Y. Differences in fundamental frequency. Jitter and shimmer among four types of infant vocalizations. J. Commun. Disord. 1986, 19, 441–447. [Google Scholar] [CrossRef]
- ‘Mother’s Love’ Cradle. Available online: http://www.wjyt-china.org/cnshop/haihe (accessed on 25 April 2015).
- Smith, H.J.T.; Smith, M.D. A method of compensating for the friction of a rotating bearing. Rev. Sci. Instrum. 1994, 65, 2402–2405. [Google Scholar] [CrossRef]
- Almeida, A.; Ferreira, F.; Baoming, G. Beyond induction motors—Technology trends to move up efficiency. IEEE Trans. Ind. Appl. 2014, 16, 2103–2114. [Google Scholar] [CrossRef]
- Almeida, A.; Ferreira, F.; Baoming, G. Technical and economical considerations on super high-efficiency three-phase motors. IEEE Trans. Ind. Appl. 2014, 50, 1274–1285. [Google Scholar] [CrossRef]
- Chao, C.T.; Maneetien, N.; Wang, C.J.; Chiou, J.S. Performance evaluation of heart sound cancellation in FPGA hardware implementation for electronic stethoscope. Sci. World J. 2014. Available online: http://www.hindawi.com/journals/tswj/2014/587238/ (accessed on 17 February 2015).
- Texas Instruments Inc. Single-supply op-amp circuit collection (Excerpted from Op Amps for Everyone, Literature Number: SLOD006A). Available online: http://www.ti.com/lit/ml/sloa091/sloa091.pdf (accessed on 17 February 2015).
- ISD1900. Available online: http://www2.nuvoton.com/NuvotonMOSS/Community/ProductInfo.aspx?tp_GUID=92c38f1d-b14f-44a8–9d1b-d86ec5a4f694 (accessed on 17 February 2015).
- Open Music Labs. ArduinoFFT. Available online: http://wiki.openmusiclabs.com/wiki/ArduinoFFT (accessed on 17 February 2015).
- Jyh-Shing Roger Jang. Audio signal processing and recognition. Available online: http://mirlab.org/jang/books/audioSignalProcessing/ (accessed on 25 April 2015).
- Daga, R.P.; Panditrao, A.M. Acoustical analysis of pain cries’in neonates: Fundamental frequency. Int. J. Comput. Appl. Spec. Issue Electron. Inf. Commun. Eng ICEICE 2011, 3, 18–21. [Google Scholar]
© 2015 by the authors; licensee MDPI, Basel, Switzerland. This article is an open access article distributed under the terms and conditions of the Creative Commons Attribution license (http://creativecommons.org/licenses/by/4.0/).
Share and Cite
Chao, C.-T.; Wang, C.-W.; Chiou, J.-S.; Wang, C.-J. An Arduino-Based Resonant Cradle Design with Infant Cries Recognition. Sensors 2015, 15, 18934-18949. https://doi.org/10.3390/s150818934
Chao C-T, Wang C-W, Chiou J-S, Wang C-J. An Arduino-Based Resonant Cradle Design with Infant Cries Recognition. Sensors. 2015; 15(8):18934-18949. https://doi.org/10.3390/s150818934
Chicago/Turabian StyleChao, Chun-Tang, Chia-Wei Wang, Juing-Shian Chiou, and Chi-Jo Wang. 2015. "An Arduino-Based Resonant Cradle Design with Infant Cries Recognition" Sensors 15, no. 8: 18934-18949. https://doi.org/10.3390/s150818934
APA StyleChao, C.-T., Wang, C.-W., Chiou, J.-S., & Wang, C.-J. (2015). An Arduino-Based Resonant Cradle Design with Infant Cries Recognition. Sensors, 15(8), 18934-18949. https://doi.org/10.3390/s150818934
