Sign in to use this feature.

Years

Between: -

Subjects

remove_circle_outline
remove_circle_outline
remove_circle_outline
remove_circle_outline
remove_circle_outline
remove_circle_outline
remove_circle_outline
remove_circle_outline
remove_circle_outline

Journals

Article Types

Countries / Regions

Search Results (50)

Search Parameters:
Keywords = surge protective device

Order results
Result details
Results per page
Select all
Export citation of selected articles as:
26 pages, 4379 KB  
Article
Full-Lifecycle Deterioration Characteristics and Remaining Life Prediction of ZnO Varistors Based on PSO-SVR and iForest
by Zhiheng Zhu, Hongyang Xiao, Zhengwang Xu, Jixin Yang and Zhou Huang
Energies 2026, 19(2), 367; https://doi.org/10.3390/en19020367 - 12 Jan 2026
Viewed by 212
Abstract
To address three core deficiencies of the existing research on ZnO varistors (incomplete full-lifecycle datasets, insufficient characterization robustness due to the lack of multi-parameter complementarity, and disconnected remaining life prediction and failure threshold determination), this study proposes a comprehensive technical solution for ZnO [...] Read more.
To address three core deficiencies of the existing research on ZnO varistors (incomplete full-lifecycle datasets, insufficient characterization robustness due to the lack of multi-parameter complementarity, and disconnected remaining life prediction and failure threshold determination), this study proposes a comprehensive technical solution for ZnO varistor remaining life prediction. An 8/20 μs impulse current accelerated deterioration experiment was designed to construct a full-lifecycle dataset (441 sets of data) covering nine same-batch ZnO varistors from their initial state to complete failure. Five core electrical parameters (varistor voltage U1mA, nonlinear coefficient α, leakage current IL, parallel resistance Rp, parallel capacitance Cp) were fused, and principal component analysis (PCA) was adopted for dimensionality reduction to form a high-robustness characterization feature (correlation coefficient with deterioration degree = 0.96). A combined model of Particle Swarm Optimization-Support Vector Regression (PSO-SVR) and Isolation Forest (iForest) was established to realize “quantitative prediction–qualitative threshold” collaboration. Experimental results show that the PSO-SVR model achieves high-precision remaining life prediction (test set R2 = 0.9726, MSE = 0.00142) and the iForest model accurately identifies the failure threshold (AUC = 0.984, accuracy = 95.9%). The combined model reaches an overall accuracy of 99.89%, effectively solving the core deficiencies of the existing research and providing key technical support for SPD-condition monitoring and operation and maintenance decisions in energy systems. Full article
(This article belongs to the Section F: Electrical Engineering)
Show Figures

Figure 1

47 pages, 1494 KB  
Review
Cyber-Physical Security in Smart Grids: A Comprehensive Guide to Key Research Areas, Threats, and Countermeasures
by Mariem Bouslimani, Fatima Benbouzid-Si Tayeb, Yassine Amirat and Mohamed Benbouzid
Appl. Sci. 2025, 15(23), 12367; https://doi.org/10.3390/app152312367 - 21 Nov 2025
Viewed by 1205
Abstract
Recent technological advances in communication networks, intelligent devices, power electronics, and phasor measurement units have significantly transformed the operation of modern power systems. This evolution gave rise to smart grids, which enable the flow of real-time information on the operational state of the [...] Read more.
Recent technological advances in communication networks, intelligent devices, power electronics, and phasor measurement units have significantly transformed the operation of modern power systems. This evolution gave rise to smart grids, which enable the flow of real-time information on the operational state of the grid and of control commands across multiple communication infrastructures, using a variety of protocols and standards, between control centers and devices deployed throughout the grid’s physical structure. At the same time, it has exposed power systems to new challenges and threats, due to the vulnerabilities inherited from the different components they integrate. Attackers have a variety of attacks at their disposal, by which they can disturb the availability of electricity as well as cause damage to the smart grid’s physical structure. Therefore, cybersecurity has become an important aspect of the smart grid concept. This field of research has attracted the attention of many researchers, and in the last decade or so, the number of studies on the cyber-physical security of smart grids has surged significantly. Proportionally, an important number of survey papers were published as well. It has therefore become more difficult to navigate literature on the topic of smart grid cyber-physical security due to the large number of papers, the complexity of the grid’s structure, and the variety of attacks, resolution methods, and techniques. To address this issue, in this work, we present a comprehensive review of existing literature reviews on the topic of smart grid cyber-physical security. We reviewed 100 survey papers, which were categorized into general surveys, attack-specific surveys, method-specific surveys, and component-specific surveys. We discussed and highlighted research tendencies in terms of attacks and methods used to protect smart grids. Additionally, we presented an overview of the different research challenges and possible future directions. Full article
(This article belongs to the Section Electrical, Electronics and Communications Engineering)
Show Figures

Figure 1

14 pages, 2740 KB  
Article
An Optimal Operation Strategy for Surge Protective Devices in Li-Ion Based Energy Storage Systems
by Yun-Ho Kim, Hyun-Sang You, Min-Haeng Lee, Seong-Eun Rho, Se-Jin Kim and Dae-Seok Rho
Electronics 2025, 14(18), 3629; https://doi.org/10.3390/electronics14183629 - 13 Sep 2025
Viewed by 815
Abstract
This paper deals with an optimal operation method for surge protective devices (SPDs) to calculate the maximum continuous operating voltage (UC) and the voltage protection level (UP) by considering the sum of the voltage protection level and the dielectric [...] Read more.
This paper deals with an optimal operation method for surge protective devices (SPDs) to calculate the maximum continuous operating voltage (UC) and the voltage protection level (UP) by considering the sum of the voltage protection level and the dielectric continuous voltage limit of surge protective devices in order to effectively protect energy storage system (ESS) from switching and lightning surges. This paper also implements a test device for SPDs in ESSs based on the concept of a lightning electromagnetic surge protection measurement system (LPMS) by combining an SPD coordinated with spatial shielding with an ESS configuration. Here, the test device for the SPD in the ESS is composed of a power distribution unit (PDU), uninterruptible power supply (UPS), and a lightning electromagnetic pulse (LEMP) protection device, which combines two units of SPDs and disconnection switches (DSs) connected in parallel with two units of main circuit breakers (MCBs) and noise cut transformers (NCTs) connected in series. From the test results based on the proposed optimal operation method and test device, it is clear that the residual voltage with a third-class combination waveform can be kept within 1.5 kV of the surge voltage limit in all test scenarios, and it is confirmed that the proposed test device for SPDs can protect ESSs from switching and lightning surges. Therefore, it is confirmed that the SPD tested using the proposed method can effectively reduce switching and lightning surges, while the existing SPDs installed in ESS sites cannot protect ESSs from such surges. Full article
Show Figures

Graphical abstract

13 pages, 3249 KB  
Article
Study on the Unipolar Impulse Aging Characteristics of ZnO Varistors and Their Condition Monitoring Methods
by Yongqiang Fan, Wenkai Meng, Xiaoyun Tian, Yonggang Yue, Zhihui Li, Minxin Xu, Xinyan Xiao and Lanjun Yang
Appl. Sci. 2025, 15(17), 9484; https://doi.org/10.3390/app15179484 - 29 Aug 2025
Cited by 1 | Viewed by 718
Abstract
Metal-oxide surge arresters (MOSAs) are critical devices for overvoltage protection in power systems, and the aging characteristics of their zinc oxide (ZnO) varistors under impulse and power-frequency voltages exhibit significant differences. However, traditional methods for monitoring the aging state of surge arresters suffer [...] Read more.
Metal-oxide surge arresters (MOSAs) are critical devices for overvoltage protection in power systems, and the aging characteristics of their zinc oxide (ZnO) varistors under impulse and power-frequency voltages exhibit significant differences. However, traditional methods for monitoring the aging state of surge arresters suffer from limitations such as insufficient sensitivity and vulnerability to harmonic interference. Therefore, this study conducted accelerated aging experiments on ZnO varistor samples under negative-polarity impulse currents. Key parameters were measured, including the DC reference voltage, the DC leakage current, nonlinear coefficients, and the full current under harmonic-containing power-frequency voltage at a voltage ratio of 0.6. The resistive component was accurately extracted from the full current using a separation method based on the Levenberg–Marquardt (LM) optimization algorithm. Spectral analysis was then performed on both the full current and the extracted resistive current components. The experimental results demonstrate a significant polarity effect in the aging of ZnO varistors under unipolar impulse currents. The LM optimization algorithm enables precise extraction of the resistive current component from the full current. Furthermore, compared to the fundamental and third harmonic components, the amplitude of the DC component within the resistive current exhibits the highest sensitivity to aging, establishing it as a viable aging criterion. Full article
Show Figures

Figure 1

12 pages, 11841 KB  
Article
High-Voltage Electrostatic Discharge/Electrical Overstress Co-Protection Implementing Gradual-Triggered SCR and MOS-Stacked Configuration
by Hailian Liang, Jianfeng Li, Jun Sun, Dejin Wang, Fang Wang, Dong Wang and Junliang Liu
Electronics 2025, 14(6), 1076; https://doi.org/10.3390/electronics14061076 - 8 Mar 2025
Viewed by 1337
Abstract
This paper proposes a monolithic electrostatic discharge/electrical overstress (ESD/EOS) co-protection device featuring gradual triggering by silicon-controlled rectifier (SCR) and metal–oxide semiconductor (MOS) structures, demonstrating enhanced voltage clamping and current-conducting capabilities. Compared with conventional PMOS-triggered SCR (PMOS-SCR) for ESD protection, the proposed dual-PMOS-triggered SCR [...] Read more.
This paper proposes a monolithic electrostatic discharge/electrical overstress (ESD/EOS) co-protection device featuring gradual triggering by silicon-controlled rectifier (SCR) and metal–oxide semiconductor (MOS) structures, demonstrating enhanced voltage clamping and current-conducting capabilities. Compared with conventional PMOS-triggered SCR (PMOS-SCR) for ESD protection, the proposed dual-PMOS-triggered SCR (DPMOS-SCR) architecture within a compact area achieves monolithic ESD/EOS protection performance due to the strategic semiconductor structures integration. ESD measurement results show that the snapback voltage of the designed DPMOS-SCR with the width of 170 μm is approximately 2.5 V, the failure current (It2) is up to 4.5 A, and both the simulation and measurement results demonstrate that the designed DPMOS-SCR is helpful for reducing the leakage current and accelerating the response time. By embedding an additional p-type well in the DPMOS-SCR, the optimized DPMOS-SCR (ODPMOS-SCR) presents a higher breakdown voltage, trigger voltage, and holding voltage while keeping a similar It2. The EOS current-conducting ability measured by a surge test system indicates the peak surge current is up to 3.7 A, demonstrating superior monolithic ESD/EOS protection performance. As a result, the designed DPMOS-SCR and ODPMOS-SCR structures achieve high-voltage ESD/EOS co-protection with high efficiency in a small chip area, providing a chip-scale solution for improving the reliability of high-voltage ICs. Full article
Show Figures

Figure 1

11 pages, 4272 KB  
Article
Indirect Method of Moisture Degree Evaluation in Varistors by Means of Dielectric Spectroscopy
by Krzysztof Walczak
Energies 2025, 18(1), 94; https://doi.org/10.3390/en18010094 - 30 Dec 2024
Cited by 1 | Viewed by 1016
Abstract
Varistors, due to their unique properties, are materials commonly used in surge protection devices. Their reliability, however, requires periodic inspection, which should specifically include assessment of their moisture content. So far, no method has been developed that would directly and non-invasively allow for [...] Read more.
Varistors, due to their unique properties, are materials commonly used in surge protection devices. Their reliability, however, requires periodic inspection, which should specifically include assessment of their moisture content. So far, no method has been developed that would directly and non-invasively allow for the assessment of the moisture content of a varistor. In this work, an attempt was made to use dielectric spectroscopy for this purpose, i.e., measurements of dielectric parameters in the frequency domain. The tests were carried out on samples of materials based on silicon carbide. The result of the tests was the determination of the dependence of the dielectric response of the tested materials on moisture content, which after further tests may be the starting point for the development of a method for determining the moisture content of varistor surge arresters. Full article
(This article belongs to the Special Issue Innovation in High-Voltage Technology and Power Management)
Show Figures

Figure 1

16 pages, 5830 KB  
Article
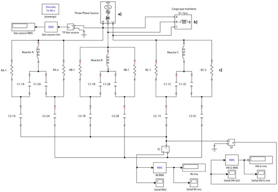
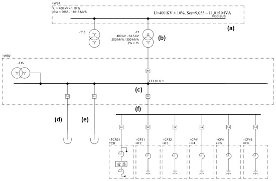
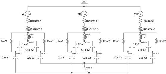
Method for Calculating the Unbalanced Current in Ungrounded Double Wye C-Type Harmonic Filters
by Sergio Arrieta Meza, Fernando Salinas Salinas, Luis Alonso Trujillo Guajardo, Luis Humberto Rodríguez Alfaro, Mario Alberto González Vázquez, Johnny Rodríguez Maldonado and Miguel Angel Platas-Garza
Energies 2024, 17(22), 5547; https://doi.org/10.3390/en17225547 - 6 Nov 2024
Viewed by 1942
Abstract
This paper presents a methodology to calculate the neutral unbalanced current in C-type filters with an ungrounded double Wye topology; this equipment is widely used in the steel sector to mitigate the harmonic content in electrical installations caused by electric furnaces used in [...] Read more.
This paper presents a methodology to calculate the neutral unbalanced current in C-type filters with an ungrounded double Wye topology; this equipment is widely used in the steel sector to mitigate the harmonic content in electrical installations caused by electric furnaces used in metal smelting processes. A common failure in these filters is the current unbalance caused by the degradation of the capacitor and inductor modules, leading to dangerous surges that affect these components, possible harmonic resonances, and deficient filtering by the equipment. Currently, there are no documented strategies for calculating the neutral current that allow for the proper adjustment of neutral protection in this type of equipment, resulting in catastrophic failures, costly unscheduled shutdowns, and potential harm to plant personnel. In this paper, we propose a methodology for calculating the unbalanced current in double Wye C-type harmonic filters, considering the natural degradation of capacitor and inductor modules and based on on-site measurements of the impedances for each element of the equipment. This allows for the predictive maintenance of these devices and the precise adjustment of neutral overcurrent protection. First, we review the operating principle of C-type harmonic filters and the neutral protection scheme. Then, the calculation methodology is proposed and validated in two practical case studies. In the first case, a 45 Mvar C-type second harmonic filter connected to a 34.5 kV bus is analyzed. In the second case, an 18.5 Mvar C-type second harmonic filter, part of a ±80 Mvar STATCOM system, connected to a 34.5 kV bus is examined. In both cases, these filters reduce the harmonic content in two steel plants: the first connected to a 400 kV bus and the second to a 230 kV bus. The results obtained with the proposed methodology were implemented in the protection device for a neutral current imbalance, considering different degradation values of the capacitors, and compared with the manufacturer’s suggested settings. The discussion highlights the good performance of the proposed methodology, particularly in terms of the protection device’s response speed to a risky unbalanced current. Full article
(This article belongs to the Section F: Electrical Engineering)
Show Figures

Figure 1

16 pages, 7290 KB  
Article
Application of Surge Arrester in Limiting Voltage Stress at Direct Current Breaker
by Mohammadamin Moghbeli, Shahab Mehraeen and Sudipta Sen
Appl. Sci. 2024, 14(18), 8319; https://doi.org/10.3390/app14188319 - 15 Sep 2024
Cited by 2 | Viewed by 2182
Abstract
Hybrid DC circuit breakers combine mechanical switches with a redirecting current path, typically controlled by power electronic devices, to prevent arcing during switch contact separation. The authors’ past work includes a bipolar hybrid DC circuit breaker that effectively redirects the fault current and [...] Read more.
Hybrid DC circuit breakers combine mechanical switches with a redirecting current path, typically controlled by power electronic devices, to prevent arcing during switch contact separation. The authors’ past work includes a bipolar hybrid DC circuit breaker that effectively redirects the fault current and returns it to the source. This reduces arcing between the mechanical breaker’s contacts and prevents large voltage overshoots across them. However, the breaker’s performance declines as the upstream line inductance increases, causing overvoltage. This work introduces a modification to the originally proposed hybrid DC breaker to make it suitable to use anywhere along DC grid lines. By using a switch-controlled surge arrester in parallel with the DC breaker, part of the arc energy is dissipated in the surge arrester, preventing an overvoltage across the mechanical switches. Based on the experimental results, the proposed method can effectively interrupt the fault current with minimal arcing and reduce the voltage stress across the mechanical switches. To address practical fault currents, tests at high fault currents (900 A) and voltage levels (500 V) are conducted and compared with simulation models and analytical studies. Furthermore, the application of the breaker for the protection of DC distribution grids is illustrated through simulations, and the procedure for designing the breaker components is explained. Full article
(This article belongs to the Special Issue Recent Advances in Smart Microgrids)
Show Figures

Figure 1

15 pages, 438 KB  
Article
Protecting Instant Messaging Notifications against Physical Attacks: A Novel Instant Messaging Notification Protocol Based on Signal Protocol
by Raghad Almari, Abdullah Almosallam, Saleh Almousa and Saad Alahmadi
Appl. Sci. 2024, 14(14), 6348; https://doi.org/10.3390/app14146348 - 21 Jul 2024
Viewed by 2229
Abstract
Over the years, there has been a significant surge in the popularity of instant messaging applications (IMAs). However, the message notification functionality in IMAs exhibits certain limitations. Some IMAs fail to alert users about new messages after their phone restarts unless they unlock [...] Read more.
Over the years, there has been a significant surge in the popularity of instant messaging applications (IMAs). However, the message notification functionality in IMAs exhibits certain limitations. Some IMAs fail to alert users about new messages after their phone restarts unless they unlock the phone. This is a consequence of end-to-end encryption (E2EE) and the app not knowing the message is in the queue until the app decrypts it. This approach using E2EE is used to prevent offline attacks, as the key is unavailable to decrypt the notification messages. In this paper, we introduce a novel design and implementation of a message notification protocol for IMAs based on the Signal protocol. The proposed protocol aims to securely display notifications on a locked device and ensures that cryptographic keys are stored in a location that is isolated from the user’s device to prevent offline attacks. This approach enhances the security of private key storage, safeguarding private keys against various external threats. The innovative design strengthens the off-site key management system, rendering it resilient against offline attacks and mitigating the risk of key compromise. Additionally, the proposed protocol is highly efficient, requiring no specialized hardware for implementation. It offers confidentiality of cryptographic keys and protection against offline attacks, further enhancing the overall security of the system. We evaluate the protocol’s effectiveness by analyzing multiple independent implementations that pass a suite of formal tests via ProVerif. Full article
(This article belongs to the Special Issue Cryptography in Data Protection and Privacy-Enhancing Technologies)
Show Figures

Figure 1

16 pages, 566 KB  
Article
External Multi-Gap Lightning Arrester Modeling Using the Integration Method
by Johnatan M. Rodríguez-Serna, Walter M. Villa-Acevedo and Jesús M. López-Lezama
Energies 2024, 17(5), 1241; https://doi.org/10.3390/en17051241 - 5 Mar 2024
Viewed by 2089
Abstract
Electric power distribution networks are exposed to both internal and external disturbances. Lightning strikes are among the latter and are responsible for a significant percentage of damage in distribution transformers, especially in rural areas. Electric utilities must pay special attention to prevent damage [...] Read more.
Electric power distribution networks are exposed to both internal and external disturbances. Lightning strikes are among the latter and are responsible for a significant percentage of damage in distribution transformers, especially in rural areas. Electric utilities must pay special attention to prevent damage and service interruption due to these unforeseeable events. In this context, Surge Protection Devices (SPDs) combined with a series of external air gaps are designed to safeguard electric equipment and systems from transient over-voltages. There are several well-known models of SPDs in the specialized literature; nonetheless, few studies have been carried out with external gaps and multi-gaps. The main contribution of this paper is a methodology to model the disruptive effect in an external air gap by determining the parameters of Kind’s and Chowdhuri’s models using the integration method. The adjustment of the model parameters is carried out by a genetic algorithm (GA). The proposed model was tested and validated using experimental measurements, and its capability to predict the time-to-breakdown under different impulse voltages was verified. Full article
(This article belongs to the Section F3: Power Electronics)
Show Figures

Figure 1

14 pages, 4850 KB  
Article
Predicting the Life of Varistors via a Nonlinear Coefficient Based on a Small-Scale Data Model
by Xiaofei Ruan, Weidong Cheng, Yihao Bai and Weigang Wen
Appl. Sci. 2024, 14(1), 171; https://doi.org/10.3390/app14010171 - 24 Dec 2023
Cited by 1 | Viewed by 2134
Abstract
With the great leaps forward in the development of the railway, the importance of safe operation and maintenance has become increasingly prominent. Varistor is the key component insurge protective devices for railway communication and signaling equipment, it is necessary to study a description [...] Read more.
With the great leaps forward in the development of the railway, the importance of safe operation and maintenance has become increasingly prominent. Varistor is the key component insurge protective devices for railway communication and signaling equipment, it is necessary to study a description model of the varistor degradation process and predict its lifetime through condition monitoring. Among the monitoring parameters, nonlinear coefficient is an important index to measure the health of varistors. Considering that the degradation process of varistors is the cumulative effect of surge history, and its nonlinear coefficient has a time–series relationship, a life prediction model for varistors based on BiLSTM is proposed. The model innovatively uses nonlinear coefficient as the characterization of the deterioration degree of varistors and uses a small-scale network to predict the development trend of nonlinear coefficient automatically and accurately. Verified by surge impact experiments, the model can accurately predict the state of nonlinear coefficient according to historical data and has the potential for engineering applications in predicting the life of varistors. Full article
Show Figures

Figure 1

18 pages, 4428 KB  
Article
Improvements in the Electronic Performance of ZnO-Based Varistors by Modifying the Manufacturing Process Parameters
by Attila Simo, Flaviu Mihai Frigura-Iliasa, Mihaela Frigura-Iliasa and Petru Andea
Electronics 2023, 12(24), 4922; https://doi.org/10.3390/electronics12244922 - 7 Dec 2023
Cited by 6 | Viewed by 2353
Abstract
Varistors processed from mixtures of certain metal oxides (as additives to the main component, zinc oxide, ZnO), called MOVs, represent the devices most used for overvoltage protection and are integrated into the construction of high-performance surge arresters. The manufacturing process of these powerful [...] Read more.
Varistors processed from mixtures of certain metal oxides (as additives to the main component, zinc oxide, ZnO), called MOVs, represent the devices most used for overvoltage protection and are integrated into the construction of high-performance surge arresters. The manufacturing process of these powerful electronic devices is crucial for their electronic performance. For manufacturing temperature-related studies, we used two seven-varistor experimental series: one based on two added oxides and the other on five ones. The main goal of these series was to identify the suitable sintering temperature in the case of each chemical composition from the point of view of assessing the most important electric/electronic behavioral parameters. A simple study considering mass losses after the sintering process was carried out in order to provide a brief reference for the manufacturing engineers. Before performing these studies, each varistor was sintered at a different temperature. In order to draw a general set of conclusions about the impact of the sintering pressure on the main electrical and electronic performances, a second activity involved producing two additional smaller varistors series with similar chemical compositions (two main oxides and five main oxides as additives) all processed at two different sintering pressures 4900 N/cm2 and 9800 N/cm2. The electrical/electronic parameters considered for the assessment are the main current–voltage characteristics, the non-linearity logarithmic coefficient, and the normal operational leakage current. All electrical/electronic behavioral tests were performed according to the IEC standards and regulations for both types of varistor devices (seven different temperatures and two pressure values). We concluded that a sintering temperature of 1300 °C and a pressure of 4900 N/cm2 are optimal for both types of varistors (with two and five additives). Full article
Show Figures

Figure 1

24 pages, 1294 KB  
Article
Overview of the Integration of Communications, Sensing, Computing, and Storage as Enabling Technologies for the Metaverse over 6G Networks
by Likang Zhang, Qinghe Du, Lei Lu and Shijiao Zhang
Electronics 2023, 12(17), 3651; https://doi.org/10.3390/electronics12173651 - 29 Aug 2023
Cited by 39 | Viewed by 5948
Abstract
The metaverse, as an envisioned paradigm of the future internet, aims to establish an immersive and multidimensional virtual space in which global users can interact with one another, as in the real world. With the rapid development of emerging technologies—such as digital twins [...] Read more.
The metaverse, as an envisioned paradigm of the future internet, aims to establish an immersive and multidimensional virtual space in which global users can interact with one another, as in the real world. With the rapid development of emerging technologies—such as digital twins (DT), blockchain, and artificial intelligence (AI)—the diverse potential application scenarios of the metaverse have attracted a great deal of research attention and have created a prosperous market. The demand for ubiquitous communications, pervasive sensing, ultra-low latency computing, and distributed storage has consequently surged, due to the massive heterogeneous devices and data in the metaverse. In order to achieve the metaverse, it is essential to establish an infrastructure system that integrates communications, sensing, computing, and storage technologies. Information about the physical world can be obtained by pervasive sensing, computing resources can be scheduled in a reasonable manner, quick data access can be achieved through the coordination of centralized and distributed storage, and, as the bridge, mobile communications systems connect communications, sensing, computing, and storage in a new system, which is the integration of communications, sensing, computing, and storage (I-CSCS). Following this trend, this paper discusses the requirements of the metaverse for spectrum resources, ultra-reliable transmission, seamless coverage, and security protection in wireless mobile communications systems, and analyzes the fundamental supporting role of the sixth-generation mobile communications system (6G) in the metaverse. Then, we explore the functions and roles of the integrated sensing and communications technologies (ISAC), as well as the integration of communications, computing, and storage technologies for the metaverse. Finally, we summarize the research directions and challenges of I-CSCS in the metaverse. Full article
Show Figures

Figure 1

32 pages, 8946 KB  
Article
SafetyMed: A Novel IoMT Intrusion Detection System Using CNN-LSTM Hybridization
by Nuruzzaman Faruqui, Mohammad Abu Yousuf, Md Whaiduzzaman, AKM Azad, Salem A. Alyami, Pietro Liò, Muhammad Ashad Kabir and Mohammad Ali Moni
Electronics 2023, 12(17), 3541; https://doi.org/10.3390/electronics12173541 - 22 Aug 2023
Cited by 83 | Viewed by 6758
Abstract
The Internet of Medical Things (IoMT) has become an attractive playground to cybercriminals because of its market worth and rapid growth. These devices have limited computational capabilities, which ensure minimum power absorption. Moreover, the manufacturers use simplified architecture to offer a competitive price [...] Read more.
The Internet of Medical Things (IoMT) has become an attractive playground to cybercriminals because of its market worth and rapid growth. These devices have limited computational capabilities, which ensure minimum power absorption. Moreover, the manufacturers use simplified architecture to offer a competitive price in the market. As a result, IoMTs cannot employ advanced security algorithms to defend against cyber-attacks. IoMT has become easy prey for cybercriminals due to its access to valuable data and the rapidly expanding market, as well as being comparatively easier to exploit.As a result, the intrusion rate in IoMT is experiencing a surge. This paper proposes a novel Intrusion Detection System (IDS), namely SafetyMed, combining Convolutional Neural Networks (CNN) and Long Short-Term Memory (LSTM) networks to defend against intrusion from sequential and grid data. SafetyMed is the first IDS that protects IoMT devices from malicious image data and sequential network traffic. This innovative IDS ensures an optimized detection rate by trade-off between False Positive Rate (FPR) and Detection Rate (DR). It detects intrusions with an average accuracy of 97.63% with average precision and recall, and has an F1-score of 98.47%, 97%, and 97.73%, respectively. In summary, SafetyMed has the potential to revolutionize many vulnerable sectors (e.g., medical) by ensuring maximum protection against IoMT intrusion. Full article
(This article belongs to the Special Issue Data Analytics and Visualization in Health Informatics)
Show Figures

Figure 1

17 pages, 8428 KB  
Article
Mitigation of Lightning-Induced Transient Effects on a Hybrid Photovoltaic–Wind System Based on Lightning Protection Standards
by Zmnako Mohammed Khurshid Abda, Mohd Zainal Abidin Ab Kadir, Hashim Hizam and Chandima Gomes
Machines 2023, 11(7), 707; https://doi.org/10.3390/machines11070707 - 3 Jul 2023
Cited by 5 | Viewed by 2977
Abstract
Installing surge protection devices in a hybrid photovoltaic (PV)–wind system is essential to guarantee the survival of the system’s components. If the surge arresters are connected without taking into account the recommendations given by standards, the equipment to be protected might be damaged [...] Read more.
Installing surge protection devices in a hybrid photovoltaic (PV)–wind system is essential to guarantee the survival of the system’s components. If the surge arresters are connected without taking into account the recommendations given by standards, the equipment to be protected might be damaged despite the energy coordination of the arresters. In this study, nonlinear surge protective devices (SPDs) are designed for a multi-MW hybrid system based on lightning protection standards with optimised threat level ratings to investigate the mitigation of lightning transients to an acceptable level. The system is implemented using Power System Computer-Aided Design for Electromagnetic Transients including Direct Current (PSCAD/EMTDC) software. It comprises a 2 MW PV farm, a 2 MW wind farm, and a backup energy storage system (ESS), which are all connected to a 132 kV grid via a step-up transformer and a transmission line. The results were obtained at critical system nodes for two standard lightning current surges, i.e., 1/10 µs and 10/350 µs, considering two lightning strike point scenarios with and without a lightning protection system (LPS). The simulation results showed that the connected SPDs could successfully limit the transient overvoltage in the system to an acceptable level. The analysis in this work is crucial for designing, operating, and maintaining a hybrid PV–wind system. It can help to find the potential vulnerability areas within such a system and implement appropriate protection measures since there is no available lightning standard for such systems. Additionally, it assists the system operators in increasing the uptime and dependability of their RE systems, limiting expensive downtime and environmental effects while optimising energy output. Based on the results obtained, recommendations were made for lightning protection developers. Full article
(This article belongs to the Special Issue Advances in Wind and Solar Energy Generation)
Show Figures

Figure 1

Back to TopTop